Руководство по эксплуатации «СЧЕТЧИК ЭЛЕКТРИЧЕСКОЙ ЭНЕРГИИ МНОГОФУНКЦИОНАЛЬНЫЙ СЭБ-1ТМ.03Т» (ФРДС.411152.003РЭ1)
УТВЕРЖДАЮ
Главный метролог
Т.Б. Змачинская
2019 г.
цсм»
СЧЕТЧИК ЭЛЕКТРИЧЕСКОЙ ЭНЕРГИИ МНОГОФУНКЦИОНАЛЬНЫЙ СЭБ-1ТМ.03Т
Инв.№подл.1 Подп. и дата 1Взам. инв.№ 1Инв.№ дубл. I Подп. и дата
Руководство по эксплуатации Часть 2 Методика поверки ФРДС.411152.003РЭ1 с изменением № 1
ж <и S
S о с
CD С
1»
С
51* и ч а, е
S3 л
Q е О
03
Н сЗ
-
4
-
5
с
ч о С
ю
>
-
4
м
У
со
к
-
5
S
<33 со Ш
Ч н сЗ
-
4
-
5
с ч о С
§
о с £
и
S
S
Операции и средства поверки
Требования безопасности
Условия поверки и подготовка к ней
Проведение поверки
Оформление результатов поверки
Приложение А Схемы подключения счётчика к поверочной установке
Приложение Б Схемы подключения счётчиков к компьютеру


13
32
33
35

|
Изм |
Лист |
№ докум. |
Подп. |
Дата |
|
Разраб. |
Шмакова |
С. 12.19 | ||
|
Провер. |
Демидович г |
4/г.^ | ||
|
М.экс. |
эезденежны^' | |||
|
Н. контр. |
’абион |
га? | ||
|
Утвер. |
Южук | |||
Счетчик электрической энергии многофункциональный СЭБ-1ТМ.03Т
Руководство по эксплуатации. Часть 2. Методика поверки
Ф2.106-5

|
Лит. |
Лист |
Листов |
|
2 |
37 | |

Инв.№ подл. I Подп. и дата |Взам. инв.№ |Инв.№ дубл. I Подп. и дата
Настоящая методика составлена с учетом требований Приказа Минпромторга № 1815 от 02.07.15, РМГ 51-2002 в соответствии с требованиями ГОСТ 31818.11-2012, ГОСТ 31819.21-2012, ГОСТ 31819.23-2012, ГОСТ 8.584-2004 и устанавливает методику первичной, периодической и внеочередной поверки счётчиков, а также объем, условия поверки и подготовку к ней.
Настоящая методика распространяется на счётчики электрической энергии многофункциональные серии СЭБ-1ТМ.03Т (далее счётчики), предназначенные для измерения и многотарифного коммерческого или технического учета активной и реактивной энергии прямого и обратного направления в однофазных двухпроводных сетях переменного тока с номинальным напряжением 230 (220) В, базовым (максимальным) током 5 (80) А, частотой (50 ± 2,5) Гц при непосредственном подключении к сети.
В модельный ряд счётчиков серии СЭБ-1ТМ.03Т входят счётчики, отличающиеся наличием реле управления нагрузкой, наличием второго датчика тока в нулевом проводе, типами интерфейсов связи и способом установки (внутри или снаружи помещений). Счётчики всех вариантов исполнения имеют идентичные метрологические характеристики, единое конструктивное исполнение частей, определяющих эти характеристики, единое программное обеспечение. Варианты исполнения счётчиков приведены в таблице 1.
(Измененная редакция, Изм. № 1)
До ввода в эксплуатацию и после ремонта проводят первичную поверку.
Первичной поверке подлежит каждый счётчик.
Интервал между поверками 16 лет.
Проведение поверки для меньшего числа измеряемых величин или на меньшем числе поддиапазонов измерений невозможно.
Периодической поверке подлежат счётчики, находящиеся в эксплуатации или на хранении по истечении интервала между поверками.
Внеочередную поверку проводят при эксплуатации счётчиков в случае:
-
- повреждения знака поверки и в случае утраты формуляра;
-
- ввода в эксплуатацию счётчика после длительного хранения (более одного интервала между поверками);
-
- при известном или предполагаемом ударном воздействии на счётчик или неудовлетворительной его работе;
-
- продажи (отправки) потребителю счётчика, не реализованного по истечении срока, равного одному интервалу между поверками.
ФРДС.411152.003РЭ1
Лист
3
Изм
Лист
№ докум.
Подп.
Дата
Инв.№ подл. I Подп. и дата |Взам. инв.№ |Инв.№ дубл. I Подп. и дата
Таблица 1 - Варианты исполнения счётчиков серии СЭБ-1ТМ.03Т
|
Условное обозначение варианта исполнения счётчика |
Реле управления нагрузкой |
RS-485 |
Встроенные модемы (коммуникаторы) | |||||||
|
PLC |
ZigBee (RF1) |
GSM (2G) |
Wi-Fi |
Ethernet |
UMTS (2G+3G) |
LTE (2G+NBIoT) |
Радиомодем (RF2) | |||
|
Счётчики внутренней установки | ||||||||||
|
СЭБ-1ТМ.03Т.00 |
+ |
+ |
- |
+ | ||||||
|
СЭБ-1ТМ.03Т.01 |
- |
+ |
- |
+ | ||||||
|
СЭБ-1ТМ.03Т.02 |
+ |
+ |
- |
- | ||||||
|
СЭБ-1ТМ.03Т.03 |
- |
+ |
- |
- | ||||||
|
СЭБ-1ТМ.03Т.04 |
+ |
+ |
+ | |||||||
|
СЭБ-1ТМ.03Т.05 |
- |
+ |
+ | |||||||
|
СЭБ-1ТМ.03Т.06 |
+ |
+ |
- | |||||||
|
СЭБ-1ТМ.03Т.07 |
- |
+ |
- | |||||||
|
СЭБ-1ТМ.03Т.08 |
+ |
+ |
+ | |||||||
|
СЭБ-1ТМ.03Т.09 |
- |
+ |
+ | |||||||
|
СЭБ-1ТМ.03Т.10 |
+ |
+ |
- | |||||||
|
СЭБ-1ТМ.03Т.11 |
- |
+ |
- | |||||||
|
СЭБ-1ТМ.03Т.12 |
+ |
+ |
+ | |||||||
|
СЭБ-1ТМ.03Т.13 |
- |
+ |
+ | |||||||
|
СЭБ-1ТМ.03Т.14 |
+ |
+ |
- | |||||||
|
СЭБ-1ТМ.03Т.15 |
- |
+ |
- | |||||||
|
СЭБ-1ТМ.03Т.16 |
+ |
+ |
+ | |||||||
|
СЭБ-1ТМ.03Т.17 |
- |
+ |
+ | |||||||
|
СЭБ-1ТМ.03Т.18 |
+ |
+ |
- | |||||||
|
СЭБ-1ТМ.03Т.19 |
- |
+ |
- | |||||||
|
СЭБ-1ТМ.03Т.20 |
+ |
+ |
+ | |||||||
|
СЭБ-1ТМ.03Т.21 |
- |
+ |
+ | |||||||
|
СЭБ-1ТМ.03Т.22 |
+ |
+ |
- | |||||||
|
СЭБ-1ТМ.03Т.23 |
- |
+ |
- | |||||||
|
СЭБ-1ТМ.03Т.24 |
+ |
+ |
+ | |||||||
|
СЭБ-1ТМ.03Т.25 |
- |
+ |
+ | |||||||
|
СЭБ-1ТМ.03Т.26 |
+ |
+ |
- | |||||||
|
СЭБ-1ТМ.03Т.27 |
- |
+ |
- | |||||||
|
СЭБ-1ТМ.03Т.28 |
+ |
- |
+ |
+ | ||||||
|
СЭБ-1ТМ.03Т.29 |
- |
- |
+ |
+ | ||||||
|
СЭБ-1ТМ.03Т.30 |
+ |
- |
+ |
- | ||||||
|
СЭБ-1ТМ.03Т.31 |
- |
- |
+ |
- | ||||||
|
Изм |
Лист |
№ докум. |
Подп. |
Дата |
Лист
Инв.№ подл. I Подп. и дата |Взам. инв.№ |Инв.№ дубл. I Подп. и дата
Продолжение таблицы 1
|
Условное обозначение варианта исполнения счётчика |
Реле управления нагрузкой |
RS-485 |
Встроенные модемы (коммуникаторы) | |||||||
|
PLC |
о га .2РЙ N |
GSM (2G) |
Wi-Fi |
Ethernet |
UMTS (2G+3G) |
LTE (2G+NBIoT) |
Радиомодем (RF2) | |||
|
Счётчики наружной установки (Split) | ||||||||||
|
СЭБ-1ТМ.03Т.40 |
+ |
- |
+ | |||||||
|
СЭБ-1ТМ.03Т.41 |
- |
- |
+ | |||||||
|
СЭБ-1ТМ.03Т.42 |
+ |
+ |
+ | |||||||
|
СЭБ-1ТМ.03Т.43 |
- |
+ |
+ | |||||||
|
СЭБ-1ТМ.03Т.44 |
+ |
+ |
- | |||||||
|
СЭБ-1ТМ.03Т.45 |
- |
+ |
- | |||||||
|
СЭБ-1ТМ.03Т.46 |
+ |
+ |
+ | |||||||
|
СЭБ-1ТМ.03Т.47 |
- |
+ |
+ | |||||||
|
СЭБ-1ТМ.03Т.48 |
+ |
+ |
- | |||||||
|
СЭБ-1ТМ.03Т.49 |
- |
+ |
- | |||||||
|
СЭБ-1ТМ.03Т.50 |
+ |
+ |
+ | |||||||
|
СЭБ-1ТМ.03Т.51 |
- |
+ |
+ | |||||||
|
СЭБ-1ТМ.03Т.52 |
+ |
+ |
- | |||||||
|
СЭБ-1ТМ.03Т.53 |
- |
+ |
- | |||||||
|
СЭБ-1ТМ.03Т.54 |
+ |
+ |
+ | |||||||
|
СЭБ-1ТМ.03Т.55 |
- |
+ |
+ | |||||||
|
СЭБ-1ТМ.03Т.56 |
+ |
+ |
- | |||||||
|
СЭБ-1ТМ.03Т.57 |
- |
+ |
- | |||||||
|
СЭБ-1ТМ.03Т.58 |
+ |
+ |
+ | |||||||
|
СЭБ-1ТМ.03Т.59 |
- |
+ |
+ | |||||||
|
СЭБ-1ТМ.03Т.60 |
+ |
+ |
- | |||||||
|
СЭБ-1ТМ.03Т.61 |
- |
+ |
- | |||||||
|
СЭБ-1ТМ.03Т.62 |
+ |
- |
+ |
+ | ||||||
|
СЭБ-1ТМ.03Т.63 |
- |
- |
+ |
+ | ||||||
|
СЭБ-1ТМ.03Т.64 |
+ |
- |
+ |
- | ||||||
|
СЭБ-1ТМ.03Т.65 |
- |
- |
+ |
- | ||||||
|
Примечания
3 (Введен дополнительно, Изм. № 1) | ||||||||||
|
Изм |
Лист |
№ докум. |
Подп. |
Дата |
Лист
1 Операции и средства поверки
1.1 Выполняемые при поверке операции, а также применяемые при этом средства поверки указаны в таблице 2.
Инв.№ подл. I Подп. и дата |Взам. инв.№ |Инв.№ дубл. I Подп. и дата
Таблица 2- Операции и средства поверки
|
Наименование операций |
Номер пункта методики поверки |
Наименование средств поверки, основные технические характеристики |
|
Внешний осмотр | ||
|
Проверка электрической прочности изоляции |
Прибор для испытания электрической прочности УПУ-10. Испытательное напряжение до 10 кВ, погрешность установки напряжения ± 5 % | |
|
Опробование:
|
Установка для поверки счётчиков электрической энергии УАПС-1М:
Частотомер электронно-счетный Ч3-63:
Источник питания Б5-70:
Модем PLC М-2.01 (Т). Терминал Т-1.01МТ, Т-1.01МТ/1 Персональный компьютер с операционной системой «Windows 98» - «Windows 10». Преобразователь интерфейса USB в RS-485 ПИ-2Т или ТЕ010. Устройство сопряжение оптическое УСО-2Т или TE001. Программное обеспечение «Конфигуратор СЭТ-4ТМ», версии не ниже V09.12.19 | |
|
Проверка стартового тока (чувствительности) | ||
|
Проверка отсутствия самохода | ||
|
Определение основной относительной погрешности измерения энергии, мощности, напряжения, тока и частоты сети | ||
|
Определение точности хода встроенных часов |
(Измененная редакция, Изм. № 1)
-
1.2 При первичной и периодической поверке все операции, указанные в таблице 2 обязательны.
-
1.3 Допускается проведение поверки счётчиков с применением средств поверки, не указанных в таблице 2, но обеспечивающих определение и контроль метрологических характеристик поверяемых счётчиков с требуемой точностью.
|
ФРДС.411152.003РЭ1 |
Лист | |||||
|
6 | ||||||
|
Изм |
Лист |
№ докум. |
Подп. |
Дата |
Инв.№ подл. I Подп. и дата |Взам. инв.№ |Инв.№ дубл. I Подп. и дата
Допускается проведение поверки на установке УАПС-1 с максимальным током 50 А.
-
1.4 При получении отрицательного результата в процессе выполнения любой из операций поверки счётчик бракуют и его поверку прекращают. После устранения недостатков, вызвавших отрицательный результат, счётчик вновь представляют на поверку.
2 Требования безопасности
-
2.1 Помещение для проведения поверки должно соответствовать правилам техники безопасности и производственной санитарии.
-
2.2 При проведении поверки должны быть соблюдены требованиями «Правил технической эксплуатации электроустановок потребителей» и «Правил техники безопасности при эксплуатации электроустановок потребителей», а так же требованиями раздела 1 руководства по эксплуатации ФРДС.411152.003РЭ и соответствующих разделов из документации на применяемые средства измерений и испытательное оборудование.
-
2.3 К работе на поверочной установке следует допускать лиц, прошедших инструктаж по технике безопасности и имеющих удостоверение о проверке знаний, если иное не установлено в эксплуатационных документах на поверочную установку.
3 Условия поверки и подготовка к ней
-
3.1 Порядок представления счётчика на поверку должен соответствовать требованиям «Порядка проведения поверки средств измерений, требованиям к знаку поверки и содержанию свидетельства о поверке».
-
3.2 При проведении поверки должны соблюдаться условия, установленные в ГОСТ 31818.11-2012, ГОСТ 31819.21-2012, ГОСТ 31819.23-2012:
-
- температура окружающего воздуха (23±2)°С ;
-
- относительная влажность воздуха (30 - 80) %;
-
- атмосферное давление (630 - 795) мм. рт. ст;
-
- внешнее магнитное поле не превышает естественного фона;
-
- частота измерительной сети (50+0,3) Гц;
-
- форма кривой напряжения и тока измерительной сети синусоидальная с Кг не более 2 %;
-
- отклонение напряжения от среднего значения не более +1 %;
-
- отклонение тока от среднего значения не более +1 %.
-
3.3 Перед проведением поверки необходимо изучить документы: ФРДС.411152.003РЭ «Руководство по эксплуатации. Часть 1», ФРДС.411152.003РЭ2 «Руководство по эксплуатации. Часть 3. Дистанционный режим», ФРДС.468369.009РЭ «Терминалы серии Т-1. Руководство по эксплуатации».
-
3.4 Поверка должна проводиться на аттестованном оборудовании и с применением средств поверки имеющих действующий знак поверки.
-
3.5 К поверке счётчиков допускаются лица, аттестованные в качестве поверителей в установленном порядке.
-
3.6 Для определения погрешностей измерения активной и реактивной энергии и мощности прямого и обратного направления, частоты, напряжения и тока:
ФРДС.411152.003РЭ1
Лист
7
Изм
Лист
№ докум.
Подп.
Дата
Инв.№ подл. I Подп. и дата |Взам. инв.№ |Инв.№ дубл. I Подп. и дата
-
- счётчики внутренней установки должны подключаться к поверочной установке по схеме, приведенной на рисунке А.1 приложения А;
-
- счётчики наружной установки должны подключаться к поверочной установке по схеме, приведенной на рисунке А.2 приложения А;
-
- назначение и расположение контактов соединителей интерфейсных цепей приведены на рисунке А.3 приложения А.
-
3.7 Поверка должна проводиться с применением компьютера и программного обеспечения «Конфигуратор СЭТ-4ТМ».
Подключение счётчика к компьютеру для работы через интерфейс RS-485 должно производиться по схеме, приведенной на рисунке Б.1 приложения Б.
Подключение счётчика к компьютеру для работы через оптопорт должно производиться по схеме, приведенной на рисунке Б.2 приложения Б.
Подключение счётчика к компьютеру для работы через PLC-модем должно производиться по схеме, приведенной на рисунке Б.3 приложения Б.
-
3.8 Подготовка к работе компьютера, программы «Конфигуратор СЭТ-4ТМ» и установка связи со счётчиком
-
3.8.1 Включить питание компьютера и дождаться загрузки операционной системы.
-
3.8.2 Установить на компьютере программное обеспечение «Конфигуратор СЭТ-4ТМ», если оно не было установлено ранее, из дистрибутивного пакета, поставляемого заводом-изготовителем счётчиков. Порядок установки программы «Конфигуратора СЭТ-4ТМ» на компьютере пользователя описан в файле, входящем в состав поставляемого программного обеспечения конфигуратора. После установки программы следует пользоваться загрузочным модулем программы «Конфигуратор СЭТ-4ТМ» той версии, которая указана в таблице 2 или более поздней.
-
3.8.3 Вызвать программу «Конфигуратор СЭТ-4ТМ». При этом на экране должна появиться генеральная форма программы, приведенная на рисунке 1, содержащая панель инструментов, меню режимов и рабочий стол для вызова подчиненных форм из меню режимов.
-
3.8.4 Посредством формы «Параметры соединения» настроить коммуникационные параметры конфигуратора для работы через оптопорт, для чего:
-
-
- нажать кнопку «Оптопорт»;
-
- в окне «Порт» установить номер COM-порта компьютера (COM1-COM255) к которому подключено устройство сопряжение оптическое УСО-2Т (ТЕ001);
-
- снять все флаги;
-
- установить флаг «CRC»;
-
- в окне «Время ожидания ответа счётчика» ввести 1000 мс и нажать Enter;
-
- в окне «Системный TimeOut» ввести 50 мс и нажать Enter;
-
- в окне «Перезапросов при отсутствии ответа» установить 1.
ФРДС.411152.003РЭ1
Лист
8
Изм
Лист
№ докум.
Подп.
Дата
Рисунок 1 - Генеральная форма программы «Конфигуратор СЭТ-4ТМ» с открытыми подчиненными формами «Параметры соединения», «Параметры и установки», «Протокол обмена»
Инв.№ подл. I Подп. и дата |Взам. инв.№ |Инв.№ дубл. I Подп. и дата
-
3.8.5 Проверить связь со счётчиком через оптопорт. Для чего:
-
- подключить головку устройства сопряжения оптического к оптопорту проверяемого счётчика;
-
- снять флаг «Расширенный сетевой адрес» на генеральной форме программы, если он установлен;
-
- в окне «Сетевой адрес» генеральной формы программы установить адрес «0» (общий адрес);
-
- нажать кнопку «Автоопределение типа счётчика» на панели инструментов генеральной формы программы;
-
- убедиться, что появилась форма «Параметры и установки», заполненная данными, прочитанными из счётчика, а в информационном окне генеральной формы (левый нижний угол экрана) появилось сообщение «Обмен успешно завершен» (рисунок 1);
-
- прочитать короткий индивидуальный адрес счётчика из окна «Сетевой адрес прибора: Короткий» формы «Параметры и установки» и вписать его в окно «Сетевой адрес» генеральной формы программы;
-
- убедиться, что в окнах генеральной формы «Тип счётчика», «1ном», «ином» установились правильные значения для проверяемого счётчика.
-
3.8.6 Проверить настройки интерфейса RS-485 счётчика чтением параметров настройки через оптопорт (только для счётчиков с интерфейсом RS-485, таблица 1). Для чего:
-
- открыть вкладку «Изменение параметров соединения» формы «Параметры соединения» (рисунок 2);
-
- нажать кнопку «Прочитать» в группе элементов «Канал 1»;
Изм
Лист
№ докум.
Подп.
Дата
ФРДС.411152.003РЭ1
Лист
-
- убедиться, что в информационном окне генеральной формы программы (левый нижний угол экрана) появилось сообщение «Обмен успешно завершен», а в окнах вкладки «Скорость», «Четность» отображаются прочитанные значения «9600» и «Нечет» соответственно;
-
- если это не так, то запомнить настройки RS-485, установленные потребителем на стадии эксплуатации, чтобы их вернуть по окончанию поверки счётчика. В окне «Скорость» установить значение «9600» из списка окна, в окне «Четность» установить значение «Нечет» и нажать кнопку «Изменить»;
-
- убедиться, что в информационном окне генеральной формы (левый нижний угол экрана) появилось сообщение «Обмен успешно завершен», свидетельствующее о том, что интерфейс RS-485 счётчика настроен на скорость обмена 9600 бит/с с битом контроля нечетности.
Инв.№ подл. I Подп. и дата |Взам. инв.№ |Инв.№ дубл. I Подп. и дата
3.8.7 Проверить связь со счётчиком через интерфейс RS-485 (только для счётчиков с интерфейсом RS-485, таблица 1). Для чего:
-
- подключить счётчик к компьютеру по схеме, приведенной на рисунке Б.1 приложения Б;
-
- нажать одну из кнопок «RS485» на форме «Параметры соединения»;
-
- в окне «Порт» установить номер COM-порта компьютера (COM1-COM255), к которому подключен преобразователь интерфейса ПИ-2Т (ТЕ010);
-
- в окне «Скорость» установить «9600»;
-
- в окне «Четность» установить «Нечет»;
-
- в окне «Стоп-бит» установить «1»;
-
- в окне «Время ожидания ответа счётчика» установить 250 мс;
-
- в окне «Системный TimeOut» установить 50 мс;
-
- нажать кнопку «Автоопределение типа счётчика» на панели инструментов генеральной формы программы;
-
- убедиться, что появилась форма «Параметры и установки», заполненная данными, прочитанными из счётчика по интерфейсу RS-485, а в информационном окне генеральной формы (левый нижний угол экрана) появилось сообщение «Чтение параметров закончено» (рисунок 1).
Изм
Лист
№ докум.
Подп.
Дата
Лист
10
-
-
3.8.8 Для счётчиков всех вариантов исполнения снять флаг «Однонаправленный режим учета по модулю» на форме «Параметры и установки», если он установлен. Восстановить флаг по окончанию поверки, если он был установлен на эксплуатации.
3.9 Конфигурирование испытательного выхода и цифрового входа
-
3.9.1 Перед началом внеочередной и периодической поверки с помощью программы «Конфигуратор СЭТ-4ТМ», формы «Конфигурирование испытательных выходов и цифровых входов» прочитать и запомнить конфигурацию выхода и входа, установленную потребителем на стадии эксплуатации, чтобы вернуть по окончанию поверки счётчика.
-
3.9.2 Произвести конфигурирование испытательных выходов с помощью программы «Конфигуратор СЭТ-4ТМ», формы «Конфигурирование испытательных выходов»:
-
- как показано на рисунке 3 для определения погрешности измерения активной энергии прямого направления;
-
- как показано на рисунке 4 для определения погрешности измерения активной энергии обратного направления;
-
- как показано на рисунке 5 для определения погрешности измерения реактивной энергии прямого направления;
-
- как показано на рисунке 6 для определения погрешности измерения реактивной энергии обратного направления.
Инв.№ подл. I Подп. и дата |Взам. инв.№ |Инв.№ дубл. I Подп. и дата
Рисунок 3 - Конфигурирование испытательных выходов для определения погрешности измерения активной энергии прямого направления
Рисунок 4 - Конфигурирование испытательных выходов для определения погрешности измерения активной энергии обратного направления
Изм
Лист
№ докум.
Подп.
Дата
Лист
11
Рисунок 5 - Конфигурирование испытательных выходов для определения погрешности измерения реактивной энергии прямого направления
Рисунок 6 - Конфигурирование испытательных выходов для определения погрешности измерения реактивной энергии обратного направления
Инв.№ подл. I Подп. и дата |Взам. инв.№ |Инв.№ дубл. I Подп. и дата
-
- интерфейсной командой для счётчиков наружной установки.
-
- интерфейсной командой или внешним напряжением, подаваемым на цифровой вход, для счётчиков внутренней установки.
Переключение режимов телеметрии интерфейсной командой производится посредством формы «Конфигурирование испытательных выходов» путем выбора режима «А» или «В» из меню «Режим испытательных выходов», как показано на рисунке 7.
Переключение режимов телеметрии внешним напряжением, должно производиться по схеме, приведенной на рисунке 8.
|
ФРДС.411152.003РЭ1 |
Лист | |||||
|
12 | ||||||
|
Изм |
Лист |
№ докум. |
Подп. |
Дата |
3.10 Перед началом поверки установить внутреннее время счётчика, посредством программы «Конфигуратор СЭТ-4ТМ», формы «Время»\«Установка и коррекция». При этом время компьютера должно быть установлено по шестому сигналу точного времени или любому другому источнику точного времени. Например, по серверу точного времени ВНИИФТРИ ntp2.vniiftri.ru.
4 Проведение поверки
-
4.1 Внешний осмотр
-
4.1.1 При внешнем осмотре должно быть установлено соответствие счётчика следующим требованиям:
-
-
- лицевая панель счётчика должна быть чистой и иметь четкую маркировку в соответствии с требованиями ГОСТ 31818.11-2012;
-
- во все резьбовые отверстия токоотводов должны быть ввернуты до упора винты с исправной резьбой;
-
- на крышке зажимов счётчика должна быть нанесена схема подключения счётчика к электрической сети;
-
- на табло индикатора счётчика отсутствуют сообщения об ошибках;
-
- в комплект счётчика должен входить формуляр и руководство по эксплуатации.
-
4.2 Проверка электрической прочности изоляции
-
4.2.1 Проверку электрической прочности изоляции напряжением переменного тока частотой 50 Гц проводить по ГОСТ 31819.21-2012, прикладывая испытательное напряжение между контактами счётчика, указанными в таблице 3.
Инв.№ подл. I Подп. и дата |Взам. инв.№ |Инв.№ дубл. I Подп. и дата
Таблица 3 - Номера контактов счётчика для проверки электрической прочности изоляции
Номера контактов, между которыми прикладывается испытательное напряжение
Величина испытательного
напряжения
Для счётчиков внутренней установки
1 - 4
«Земля», 5 - 10
4 кВ
5, 6
«Земля», 7 - 10
2 кВ
7, 8
«Земля», 5, 6, 9, 10
2 кВ
9, 10
«Земля», 5 - 8
2 кВ
Для счётчиков наружной установки
1 - 4
«Земля» , 5, 6
4 кВ
Примечание - «Землей» является проводящая пленка из фольги, охватывающая счётчик и присоединенная к плоской проводящей поверхности, на которой установлен цоколь счётчика.
-
(Измененная редакция, Изм. № 1)
-
4.2.2 Мощность источника испытательного напряжения 50 Гц должна быть не менее 500 В-А. Увеличивать напряжение в ходе испытания следует плавно, начиная со 100 В и далее равномерно или ступенями, не превышающими 10 % установленного напряжения, в течение от 5 до 10 секунд до 2 кВ или 4 кВ. При достижении испытательного напряжения, счётчик выдерживают под его воздействием в течение 1 мин, контролируя отсутствие искрения, пробивного разряда или пробоя. Затем испытательное напряжение плавно уменьшают.
Результаты поверки считают положительными, если не произошло пробоя изоляции и ни один импульс не вызвал образования дуги. Появление коронного разряда или шума не является признаком неудовлетворительных результатов испытаний.
|
ФРДС.411152.003РЭ1 |
Лист | |||||
|
13 | ||||||
|
Изм |
Лист |
№ докум. |
Подп. |
Дата |
Инв.№ подл. I Подп. и дата |Взам. инв.№ |Инв.№ дубл. I Подп. и дата
-
4.3 Проверка функционирования устройства индикации и кнопок управления
-
4.3.1 Перед началом проверки, посредством формы конфигуратора «Управление режимами индикации», вкладки «Маски» прочитать и запомнить установленные маски режимов индикации, чтобы их восстановить по окончанию поверки. Размаскировать все режимы индикации, сняв все маски по кнопке «Выбрать все» и записать в счётчик по кнопке «Передать в прибор».
-
При проверке функционирования кнопок управления режимами индикации следует иметь в виду, что если подсветка индикатора счётчика или терминала погашена, то любое нажатие кнопки управления приводит к включению подсветки индикатора без изменения текущего режима.
-
4.3.2 Проверку функционирования устройства индикации и кнопок управления счётчика внутренней установки
-
4.3.2.1 Подать на параллельную цепь счётчика номинальное напряжение и отключить ток. Убедиться, что в течение 1,5 с, включилась подсветка и все элементы индикации ЖКИ. Если времени анализа оказалось недостаточным, то включить все элементы индикации можно через интерфейсы связи посредством формы конфигуратора «Управление режимами индикации», вкладки «Управление», нажатием кнопки «Тест УИ». При этом включаются все элементы индикации ЖКИ на время 5 с, после чего индикатор возвращается в прерванный режим индикации.
-
4.3.2.2 Через 1,5 с после включения счётчик переходит в режим индикации основных параметров, подрежим текущих измерений, а именно текущей активной энергии. Убедиться, что на индикаторе отображаются: номер текущего тарифа, курсор текущего направления активной энергии «А+» или «А-», величина накопленной активной энергии от сброса по текущему тарифу и направлению и пиктограмма размерности «кВт^ч». Остальные курсоры и пиктограммы погашены.
-
Нажать кнопку управления «^» (короткое нажатие, менее 1 секунды) и убедиться, что счётчик перешел в режим индикации текущей реактивной энергии. При этом на индикаторе отображаются: номер текущего тарифа, курсор текущего направления реактивной энергии «R+» или «R-», величина накопленной реактивной энергии от сброса по текущему тарифу и направлению и пиктограмма размерности «кВАр^ч». Остальные курсоры и пиктограммы погашены.
Посредством формы конфигуратора «Расширенные массивы энергии» прочитать энергию нарастающего итога по кнопке «Всего» и убедиться, что округленное до второго знака после запятой прочитанное конфигуратором значение активной и реактивной энергии по текущему тарифу и направлению, равно значению энергии, индицируемой счётчиком
Если счётчик содержит внутреннюю ошибку, то она будет отображаться на табло ЖКИ в виде сообщения Е-хх, где хх - номер ошибки. Перечень ошибок и способы их устранения приведены в документе «Руководство по эксплуатации. Часть 1», приложение Г.
-
4.3.2.3 Перейти в подрежим индикации энергии нарастающего итога (от сброса) по длинному нажатию (более 1 секунды, но менее 5) кнопки управления «^». Убедиться, что счётчик перешел в режим индикации активной энергии нарастающего итога по сумме тарифов с включением пиктограммы подрежима «ВСЕГО», все пиктограммы тарифов «Т1», «Т2», «Т3», «Т4», размерности «кВт^ч» и курсора вида энергии «А+». Остальные пиктограммы и курсоры должны быть погашены.
-
4.3.2.4 Убедиться, что по каждому короткому нажатию кнопки управления <ф> производится перебор параметров подрежима индикации энергии нарастающего итога в следующей последовательности:
ФРДС.411152.003РЭ1
Лист
14
Изм
Лист
№ докум.
Подп.
Дата
-
- активная прямого направления по тарифу 1 с включением курсора «А+», пиктограммы «Т1» и размерности «кВт-ч»;
-
- активная прямого направления по тарифу 2 с включением курсора «А+», пиктограммы «Т2» и размерности «кВт^ч»;
-
- активная прямого направления по тарифу 3 с включением курсора «А+», пиктограммы «Т3» и размерности «кВт-ч»;
-
- активная прямого направления по тарифу 4 с включением курсора «А+», пиктограммы «Т4» и размерности «кВт^ч»;
-
- активная прямого направления по сумме тарифов с включением курсора «А+», пиктограмм «Т1», «Т2», «Т3», «Т4» и размерности «кВт^ч»;
-
- активная обратного направления по тарифу 1 с включением «А-», «Т1» и «кВт^ч»;
-
- активная обратного направления по тарифу 2 с включением «А-», «Т2» и «кВт^ч»;
-
- активная обратного направления по тарифу 3 с включением «А-», «Т3» и «кВт^ч»;
-
- активная обратного направления по тарифу 4 с включением «А-», «Т4» и «кВт^ч»;
-
- активная обратного направления по сумме тарифов с включением «А-», «Т1», «Т2», «Т3», «Т4» и «кВт^ч»;
-
- реактивная прямого направления по тарифу 1 с включением «R+», «Т1» и «кВАр^ч»;
-
- реактивная прямого направления по тарифу 2 с включением «R+», «Т2» и «кВАр^ч»;
-
- реактивная прямого направления по тарифу 3 с включением «R+», «Т3» и «кВАр^ч»;
-
- реактивная прямого направления по тарифу 4 с включением «R+», «Т4» и «кВАр^ч»;
-
- реактивная прямого направления по сумме тарифов с включением «R+», «Т1», «Т2», «Т3», «Т4» и «кВАр^ч»;
Инв.№ подл. I Подп. и дата |Взам. инв.№ |Инв.№ дубл. I Подп. и дата
- реактивная
обратного
направления
по
тарифу
1
с
включением
«R-»,
«Т1»
и
«кВАр^ч»;
- реактивная
обратного
направления
по
тарифу
2
с
включением
«R-»,
«Т2»
и
«кВАр^ч»;
- реактивная
обратного
направления
по
тарифу
3
с
включением
«R-»,
«Т3»
и
«кВАр^ч»;
- реактивная
обратного
направления
по
тарифу
4
с
включением
«R-»,
«Т4»
и
«кВАр^ч»;
-
- число импульсов от внешнего датчика с включением курсора «ИМП»;
-
- и так, по кругу.
Убедиться, что по каждому короткому нажатию кнопки управления «^» производится перебор параметров подрежима в обратной последовательности, относительно указанной в п. 4.3.2.4 .
Убедиться, что по каждому длинному нажатию кнопки «^» (более 1 секунды, но менее 5), счётчик переходит в следующий подрежим индикации основных параметров в последовательности: за год, за месяц, за сутки, за предыдущий год, за предыдущий месяц, за предыдущие сутки, на начало года, на начало месяца, на начало суток, на начало предыдущего месяца, на начало предыдущих суток с включением соответственных пиктограмм подрежимов.
Убедиться, что по каждому короткому нажатию кнопки управления «^» производится перебор параметров любого подрежима (кроме текущих измерений) в последовательности, указанной в п.4.3.2.4, а по кнопке «^» перебор параметров производится в обратной последовательности.
-
4.3.2.5 Перейти в режим индикации вспомогательных параметров по сверхдлинному (более 5 секунд) нажатию кнопки и убедиться, что на табло отображаются данные одного из вспомогательных режимов и включены два курсора направления, индицирующие квадрант, в котором находится вектор полной мощности на момент измерения.
Коротким нажатием кнопки управления установить режим индикации версии про-
|
ФРДС.411152.003РЭ1 |
Лист | |||||
|
15 | ||||||
|
Изм |
Лист |
№ докум. |
Подп. |
Дата |
Инв.№ подл. I Подп. и дата |Взам. инв.№ |Инв.№ дубл. I Подп. и дата
граммного обеспечения (ПО) счётчика с индикацией в двух старших разрядах индикатор символов «по». Убедиться, что индицируемая версия ПО счётчика 14.01.ХХ для счетчиков вариантов исполнений с СЭБ-1ТМ.03Т.00 по СЭБ-1ТМ.03Т.31 и 14.02.ХХ для счетчиков вариантов исполнений с СЭБ-1ТМ.03Т.40 по СЭБ-1ТМ.03Т.65, где 14 - тип счётчика СЭБ-1ТМ.03Т, 01 (02) - номер версии метрологически значимой части ПО для, ХХ - номер версии метрологически не значимой части ПО.
(Измененная редакция, Изм. № 1)
Коротким нажатием кнопки управления установить режим индикации контрольной суммы метрологически значимой части ПО счётчика с индикацией в трех старших разрядах индикатора символов «crc». Убедиться, что индицируемая контрольная сумма равна DC17 для счетчиков вариантов исполнений с СЭБ-1ТМ.03Т.00 по СЭБ-1ТМ.03Т.31 и 1F25 для счетчиков вариантов исполнений с СЭБ-1ТМ.03Т.40 по СЭБ-1ТМ.03Т.65.
(Измененная редакция, Изм. № 1)
4.3.3 Проверка функционирования устройства индикации и кнопки управления счётчика наружной установки
-
4.3.3.1 Счётчик наружной установки не имеет собственного ЖК индикатора, и визуализация данных измерений счётчика производится через удаленный терминал Т-1.01МТ, Т-1.01МТ/1, подключаемый к счётчику по радиоканалу через встроенный радиомодем. Терминал входит в комплект поставки счётчика наружной установки, имеет такой же индикатор с подсветкой, как и счётчик внутренней установки и одну кнопку управления режимами индикации.
-
4.3.3.2 Проверку функционирования проводить по методике, изложенной в п. 4.3.2 также, как и для счётчика внутренней установки. При этом считывание информации должно производиться с индикатора терминала, а управление режимами индикации производиться кнопкой управления терминала.
Результат поверки считается положительным, если функционируют кнопки управления, на табло ЖКИ отображается информация без искажения символов и отсутствуют сообщения об ошибках.
-
4.4 Подтверждение соответствия ПО
-
4.4.1 Проверку идентификационных характеристик программного обеспечения (ПО) счётчика проводят в процессе проверки функционирования устройства индикации, описанной в п. 4.3.2.5. При этом на экране ЖКИ должно отсутствовать сообщение об ошибке Е-42 «Ошибка контрольной суммы метрологически значимой части ПО».
-
Результаты поверки считаются положительными, если версия ПО счетчиков и контрольная сумма метрологически значимой части ПО соответствуют:
-
- 14.01.ХХ и DC17 - для вариантов исполнений с СЭБ-1ТМ.03Т.00 по СЭБ-1ТМ.03Т.31;
-
- 14.02.ХХ и 1F25 для счетчиков вариантов исполнений с СЭБ-1ТМ.03Т.40 по СЭБ-1ТМ.03Т.65,
а на ЖКИ отсутствует сообщение об ошибке Е-42.
(Измененная редакция, Изм. № 1)
-
4.5 Проверка функционирования электронных пломб
-
- закрыть крышку зажимов;
-
- включить счётчик;
ФРДС.411152.003РЭ1
Лист
16
Изм
Лист
№ докум.
Подп.
Дата
Инв.№ подл. I Подп. и дата |Взам. инв.№ |Инв.№ дубл. I Подп. и дата
-
- прочитать и запомнить содержимое верхней строки журнала «Открытие/закрытие защитной крышки контактной колодки», которая должна содержать штамп времени открытия и штамп времени закрытия крышки;
-
- выключить счётчик;
-
- открыть и, через (4-5) секунд, закрыть крышку зажимов в выключенном состоянии счётчика;
-
- включить счётчик и прочитать верхнюю строку журнала «Открытие/закрытие защитной крышки контактной колодки»;
-
- убедиться, что в верхней строке журнала зафиксировалось время откры-тия/закрытия крышки зажимов в выключенном состоянии счётчика.
-
4.5.3 Проверить функционирование электронной пломбы крышки счётчика, аналогично описанному в п. 4.5.2, с той лишь разницей, что открывать/закрывать следует крышку счётчика после снятия крепежных винтов, а читать записи журнала «Вскрытия счётчика».
Результаты поверки считают положительными, если формируются записи в журналах «Открытие/закрытие защитной крышки контактной колодки» и «Вскрытия счётчика» при открытии/закрытии соответствующих крышек.
-
4.6 Проверка внутренних логических структур и массивов
-
4.6.1 Проверку внутренних логических структур и массивов счётчика проводить с применением компьютера и программного обеспечения «Конфигуратор СЭТ-4ТМ». При этом счётчик должен быть подключен к компьютеру через интерфейс RS-485 по схеме, приведенной на рисунке Б.1 приложения Б, или через оптопорт по схеме, приведенной на рисунке Б.2 приложения Б.
-
4.6.2 Подготовить к работе компьютеры и «Конфигуратор СЭТ-4ТМ» в соответствии с требованиями п.п. 3.7, 3.8 настоящей методики.
-
4.6.3 Подключить счётчик к поверочной установке, установить номинальное напряжение и отключить ток.
-
4.6.4 Открыть форму «Проверка функционирования по п. 1.2.20 ТУ» из меню «Поверка». При внеочередной и периодической поверке снять флаг «Проверять версию ПО». При первичной поверке установить флаг «Проверять версию ПО».
-
4.6.5 Нажать кнопку «Прочитать из прибора» на панели инструментов генеральной формы программы «Конфигуратор СЭТ-4ТМ».
-
4.6.6 Программа производит последовательную проверку операций считывания параметров и данных и проверку внутренних логических структур и массивов. Последовательность операций проверки и ее результаты отображаются в строках информационного окна формы. По окончанию проверки выдается результат в строке «Соответствие требованиям п. 1.2.20 ТУ» в виде сообщений «ДА» или «НЕТ» с предложением сохранения протокола проверки в базе данных конфигуратора
-
4.6.7 Если при внеочередной или периодической поверке общий результат проверки отрицательный, то необходимо просмотреть все строки таблицы проверки параметров, имеющие заключение «НЕТ». Контекстная подсказка по несоответствию параметра может быть получена путем наведения указателя манипулятора «мышь» на сообщение «НЕТ». Если несоответствие связано с параметром, измененным пользователем на стадии эксплуатации, то параметр необходимо запомнить, установить в соответствии с требованиями контекстной подсказки (параметры по умолчанию завода-изготовителя) и повторить проверку по п. 4.6. По окончанию проверки параметр должен быть восстановлен.
-
4.6.8 Для сохранения протокола поверки в базе данных конфигуратора необходимо создать базу данных, если она не создана, и присвоить ей имя. Для создания базы данных нажать кнопку «Создать чистую базу данных» на форме «База данных» из меню «Пар а-метры». Внешний вид формы базы данных приведен на рисунке. 9.
ФРДС.411152.003РЭ1
Лист
17
Изм
Лист
№ докум.
Подп.
Дата
-
4.6.9 При утвердительном ответе на предложение сохранения протокола в базе данных конфигуратор запрашивает путь к базе с выдачей формы обзора файлов компьютера. После выбора файла требуемой базы данных в форме обзора, конфигуратор записывает протокол в указанную базу.
-
4.6.10 Для просмотра, сохраненного в базе протокола, нужно в окне счётчиков выделить требуемый счётчик (нажатием левой кнопки манипулятора «мышь») и нажать кнопку «Проверка по ТУ» на поле формы. При этом в окне параметров будет выведен список сохраненных протоколов по выбранному счётчику с указанием даты проверки. Выделить требуемый протокол в окне параметров (нажатием левой кнопки манипулятора «мышь») и нажать кнопку «Открыть измерение» на поле формы. При этом формируется файл протокола в формате Word с возможностью просмотра, сохранения в файле под указанным именем или получения твердой копии на бумаге.
Инв.№ подл. I Подп. и дата |Взам. инв.№ |Инв.№ дубл. I Подп. и дата
-
Результаты поверки считают положительными, если по окончанию проверки в строке «Соответствие требованиям п. 1.2.20 ТУ» выдается сообщение «Да» и отсутствуют ошибки обмена в окне «Состояние обмена».
4.7 Проверка функционирования встроенного PLC-модема
-
4.7.1 Этот пункт не выполняется, если проверяемый счётчик не имеет встроенного PLC-модема (таблица 1).
-
4.7.2 Проверку функционирования встроенного PLC-модема следует проводить с применением компьютера, к которому подключен технологический PLC-модем М-2.01(Т) через интерфейс RS-485 по схеме, приведенной на рисунке Б.3 приложения Б. Технологический модем должен быть сконфигурирован как базовая станция, и выполнять функцию координатора сети передачи данных.
-
4.7.3 Подготовить технологический модем в режиме базовой станции, для чего:
-
1) вызвать форму конфигуратора «Параметры соединения» из меню «Параметры», в группе элементов «Порт». Нажать кнопку «RS485» и установить коммуникационные параметры COM-порта компьютера, к которому подключен модем PLC М-2.01(Т) через преобразователь интерфейса ПИ-2Т (ТЕ010):
Изм
Лист
№ докум.
Подп.
Дата
ФРДС.411152.003РЭ1
Лист
18
-
- в окне «Скорость» установить «9600»;
-
- в окне «Четность» установить «Нечет»;
-
- в окне «Стоп-бит» установить «1»;
-
- в окне «Время ожидания ответа счётчика» установить 3000 мс;
-
- в окне «Системный TimeOut» установить 50 мс;
-
2) вызвать генеральную форму работы с PLC-модемом «PLC Y-NET» из меню «Па-раметры»\«PLC-модем», вид формы приведен на рисунке 10;
-
3) ввести адрес технологического модема, для чего в форме «PLC Y-NET»:
-
- нажать кнопку «Добавить» в группе элементов «Базовая станция»;
-
- в окне появившейся модальной формы ввести серийный номер модем М-2.01(Т), указанный на шкале модема, и нажать кнопку «ОК»;
-
- убедиться, что введенный серийный номер технологического модема появился в окне «Адрес» группы элементов «Базовая станция» (на рисунке 10 это 4106160001); стройки нажатием на кнопку «Тест скорости» формы «Настройка интерфейса RS-485 PLC-модема». Вызов формы производится по кнопке «RS-485», расположенной на форме «PLC Y-NET» в группе элементов «Базовая станция» (рисунок 10);
Инв.№ подл. I Подп. и дата |Взам. инв.№ |Инв.№ дубл. I Подп. и дата
Рисунок 10 - Форма «PLC Y-NET»
-
4) проверить связь с технологическим модемом, для чего нажать кнопку «Тест связи» в группе элементов «Базовая станция» и убедиться, что в окне сообщений конфигуратора (левый нижний угол экрана) появилось сообщение «Обмен успешно завершен»;
-
5) если конфигуратор выдает сообщение «Прибор не отвечает», то необходимо:
-
- проверить правильность подключения модема к компьютеру и правильность коммуникационных параметров конфигуратора, как описано в п. 4.7.1, 4.7.3 шаг 1;
-
- если подключения и настройки правильные, а связи нет, то, по-видимому, настройки модема отличаются от заводских настроек, и необходимо определить эти на-
Изм
Лист
№ докум.
Подп.
Дата
Лист
19
-
-
6) вызвать форму «Параметры конфигурации PLC-модема», нажатием кнопки «Параметры конфигурации» в группе элементов «Базовая станция». Вид формы приведен на рисунке 11;
-
7) прочитать конфигурационные параметры технологического модема по кнопке «Прочитать все (BIN MASK)»;
-
8) сконфигурировать модем как базовую станцию, для чего ввести в окна формы следующие значения конфигурационных параметров:
-
- снять все конфигурационные флаги в группе элементов «Сетевые параметры конфигурации», установить флаг «Разрешить формирование ответа модема 0Eh»;
-
- установить режим станции «Базовая (инкапсулирующая)»;
-
- установить размер сети равный 10 (параметры «Logical Network Size», «Physical Network Size», «Distributed Network Size»);
-
- установить ключ подсети (Node Key) все нули (00h 00h 00h 00h 00h 00h 00h 00h);
-
- ввести пароль доступа на изменение параметров шесть двоек (по умолчанию);
-
- записать измененные параметры в модем по кнопке «Записать все»;
Инв.№ подл. I Подп. и дата |Взам. инв.№ |Инв.№ дубл. I Подп. и дата
Рисунок 11 - Форма «Параметры конфигурации PLC-модема»
-
9) убедиться, что светодиодный индикатор «Статус» технологического модема непрерывно светится зеленым светом;
-
10) через 10 секунд проверить записанные параметры, путем чтения по кнопке «Прочитать все (BIN MASK)» и убедиться, что они соответствуют установленным;
-
11) прочитать сетевые параметры технологического модема посредством формы «Сетевые параметры и индикаторы событий PLC-BS» (рисунок 12) по кнопке «Сетевые параметры» в группе элементов «Базовая станция» и убедиться, что:
-
- режим станции - «Базовая (BS)»;
-
- идентификатор сети («Network ID») не равен нулю;
-
- идентификатор модема (Node ID) и идентификатор базовой станции (Base ID) равны единице.
Изм
Лист
№ докум.
Подп.
Дата
Лист
20
Инв.№ подл. I Подп. и дата |Взам. инв.№ |Инв.№ дубл. I Подп. и дата
-
-
4.7.4 Подготовить счётчик для проверки возможности подключения к базовой станции и обмена данными по электрической сети, для чего:
-
- подключить счётчик к той же фазе электрической сети, к которой подключена базовая станция, и убедиться, что светодиодный индикатор состояния модема «PLC» мигает зеленым светом с периодом 2 секунды;
-
- подключить счётчик к компьютеру через оптопорт и проверить связь со счётчиком, как описано в п. 3.8.4, 3.8.5;
-
- на форме «PLC Y-NET» в группе элементов «Адрес удаленного модема» нажать кнопку «Добавить», и ввести серийный номер счётчика, указанный на его шкале;
-
- проверить связь с PLC-модемом счётчика через оптопорт, нажатием кнопки «Тест связи» в группе элементов «Удаленный модем»;
-
- убедиться, что в окне сообщений конфигуратора (левый нижний угол экрана) появилось сообщение «Обмен успешно завершен»;
-
- прочитать конфигурационные параметры PLC-модема счётчика через оптопорт, нажатием кнопки «Параметры конфигурации» в группе элементов «Удаленный модем»;
-
- убедиться, что ключ подсети (Node Key) нулевой (во всех байтах);
-
- если ключ подсети не нулевой, то установить и записать нулевой ключ посредством кнопки «Записать», расположенной справа от окна ключа, и произвести контрольное чтение;
-
- вызвать форму «Управление PLC-модемом» по кнопке «Управление» в группе элементов «Удаленный модем» и сбросить адреса PLC-модема счётчика нажатием кнопки «Покинуть сеть»;
-
- наблюдать за светодиодным индикатором состояния PLC-модема счётчика «PLC» в течение 1-2 минут;
-
- убедиться, что из режима периодического мигания (с периодом 2 секунды) индикатор переходит в режим непрерывного свечения зеленым цветом с меньшей яркостью, что означает состояние подключения модема счётчика к базовой станции.
-
4.7.5 Проверить обмен данными по электрической сети между базовой станцией и счётчиком, для чего:
-
- в форме «PLC Y-NET» установить флаг «Y-NET» в группе элементов «Протокол»;
-
- в форме «Параметры соединения» конфигуратора нажать кнопку «RS485», к которой приписана базовая станция технологического модема PLC М-2.01(Т);
-
- проверить связь со счётчиком через электрическую сеть, для чего нажать кнопку «Тест связи» на форме «Параметры соединения» и убедиться, что в информационном окне генеральной формы конфигуратора (левый нижний угол экрана) появилось сообщение «Обмен успешно завершен»;
-
- вызвать форму конфигуратора «Монитор» из меню «Параметры», установить флаг «Цикл» и последовательно нажать кнопки «Выбрать все» и «Пуск»;
-
- конфигуратор должен производить циклическое считывание измеряемых счётчиком параметров и отображать их значения в соответствующих окнах формы «Монитор».
Результаты поверки считают положительными, если PLC-модем счётчика подключился к базовой станции по электрической сети и производится циклическое считывание данных посредством формы «Монитор», а в окне «Состояние обмена» конфигуратора отсутствуют сообщения об ошибках.
|
Изм |
Лист |
№ докум. |
Подп. |
Дата |
ФРДС.411152.003РЭ1
Лист
21
4.8 Проверка функционирования встроенного радиомодема
-
4.8.1 Этот пункт не выполняется, если проверяемый счётчик не имеет встроенного радиомодема (таблица 1).
-
4.8.2 Проверку функционирования встроенного радиомодема следует проводить с применением терминала Т-1.01МТ или Т-1.01МТ/1, входящего в состав комплекта счётчиков наружной установки.
-
4.8.3 Подготовить терминал к работе, для чего записать в его параметры конфигурации адрес радиомодема счётчика, равный серийному номеру счётчика, указанному на шкале счётчика.
-
4.8.4 Подключить терминал к компьютеру через оптопорт и настроить конфигуратор для работы через оптопорт, как описано в п. 3.8.4.
-
4.8.5 Открыть форму «Радиомодем» из меню «Параметры», вид которой приведен на рисунке 13.
Инв.№ подл. I Подп. и дата |Взам. инв.№ |Инв.№ дубл. I Подп. и дата

Рисунок 13 - Форма «Радиомодем»
-
4.8.6 В окно формы «Адрес радиомодема терминала» ввести серийный номер терминала, указанный на его шкале, или адрес 0000000000 (10 нулей). Ввод серийного номера завершить нажатием кнопки «Enter».
-
4.8.7 Проверить связь с терминалом через оптопорт, для чего нажать кнопку «Тест связи» в группе элементов «Радиомодем терминала» и убедиться, что в окне сообщений конфигуратора (левый нижний угол экрана) появилось сообщение «Обмен успешно завершен».
-
4.8.8 Вызвать форму «Параметры конфигурации радиомодема терминала», нажатием кнопки «Параметры конфигурации» в группе «Радиомодем терминала», вид формы приведен на рисунке 14. Прочитать конфигурационные параметры радиомодема терминала по кнопке «Прочитать все».
-
4.8.9 В окно «Адрес модема счётчика» ввести серийный номер проверяемого счётчика и записать его в терминал, по кнопке, расположенной справа от окна. На рисунке 14 это 1403190003. Убедиться, что в окне сообщений конфигуратора (левый нижний угол экрана) появилось сообщение «Обмен успешно завершен». После успешной записи нажать кнопку «Записать адрес удаленного модема в текущей сессии обмена».
-
4.8.10 Убедиться, что на табло терминала индицируется один из режимов индикации проверяемого счётчика и отсутствуют сообщения об ошибках в виде сообщений: «Err 00», «Err 01».
Изм
Лист
№ докум.
Подп.
Дата
ФРДС.411152.003РЭ1
Лист
22
Инв.№ подл. I Подп. и дата |Взам. инв.№ |Инв.№ дубл. I Подп. и дата
-
4.8.11 Вызвать форму «Параметры конфигурации радиомодема счётчика», нажатием кнопки «Параметры конфигурации» в группе «Радиомодем счётчика», вид формы приведен на рисунке 15. Прочитать конфигурационные параметры радиомодема счётчика по кнопке «Прочитать все».В окно «Адрес модема терминала» ввести серийный номер терминала и записать его в счётчик, по кнопке, расположенной справа от окна. На рисунке 15 это 3003190004. Убедиться, что в окне сообщений конфигуратора (левый нижний угол экрана) появилось сообщение «Обмен успешно завершен».
-
4.8.12 Нажать кнопку управления режимами индикации терминала и убедиться, что режим индикации счётчика изменяется и отображается на табло терминала.
ФРДС.411152.003РЭ1
Лист
23
Изм
Лист
№ докум.
Подп.
Дата
Результаты поверки считают положительными, если радиомодем устанавливает соединение с терминалом, на табло терминала отображаются индицируемые параметры счётчика и производится изменение режимов индикации счётчика по нажатию кнопки терминала.
-
4.9 Проверка стартового тока (чувствительности)
-
4.9.1 Проверку стартового тока проводить для прямого и обратного направления активной и реактивной энергии при номинальном напряжении, токе 0,0041ном (20 мА) и коэффициенте мощности, равном единице, в исполнениях счетчиков со вторым датчиком тока в нулевом проводе - для каждого датчика тока.
(Измененная редакция, Изм. № 1)
-
4.9.2 В качестве индикатора использовать светодиодный индикатор, подключенный к испытательному выходу по схеме, приведенной на рисунке 16.
-
4.9.3 Произвести конфигурирование испытательного выхода счётчика для каждого вида энергии, как описано в п. 3.9.2 и перевести в режим поверки (В), как описано в п. 3.9.3. Конфигурирование датчиков тока производится установкой/снятием флагов соответствующих датчику в фазном проводе и нулевом проводе на форме «Параметры и установки».
(Измененная редакция, Изм. № 1)
-
4.9.4 Снять напряжение с параллельной цепи счётчика и через 10 секунд подать напряжение, включить секундомер и измерить период включения светодиодного индикатора.
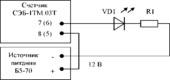
Инв.№ подл. I Подп. и дата |Взам. инв.№ |Инв.№ дубл. I Подп. и дата

VD1 - Индикатор единичный АЛ307БМ
R1 - Резистор С2-33Н-0,25-1 кОм±5 %
Номера контактов испытательного выхода без скобок для счетчиков СЭБ-1ТМ.03Т - СЭБ-1ТМ.03Т.31, в скобках для СЭБ-1ТМ.03Т.40 - СЭБ-1ТМ.03Т.65.
(Измененная редакция, Изм. № 1)
Рисунок 16 - Схема подключения счётчика для проверки стартового тока и самохода Результаты поверки считают положительными, если счётчик регистрирует ток и мощности, а период следования импульсов на испытательном выходе менее 60 с для прямого и обратного направления активной и реактивной энергии.
-
4.10 Проверка отсутствия самохода
-
4.10.1 Проверку отсутствия самохода следует проводить при максимальном рабочем напряжении (265 В) и отсутствии тока в последовательной цепи.
-
4.10.2 Проверку проводить по каждому виду энергии обоих направлений, в исполнениях счетчиков со вторым датчиком тока в нулевом проводе - для каждого датчика тока. В качестве индикатора использовать светодиодный индикатор, подключенный к испытательному выходу по схеме, приведенной на рисунке 16. Конфигурирование датчиков
Изм
Лист
№ докум.
Подп.
Дата
Лист
24
-
тока производится установкой/снятием флагов соответствующих датчику в фазном проводе и нулевом проводе на форме «Параметры и установки».
(Измененная редакция, Изм. № 1)
-
4.10.3 Произвести конфигурирование испытательного выхода счётчика для каждого вида энергии, как описано в п. 3.9.2 и перевести в режим поверки (В), как описано в п. 3.9.3.
-
4.10.4 Снять напряжение с параллельной цепи счётчика и через 10 секунд подать напряжение и включить секундомер. Дождаться включения светодиодного индикатора испытательного выхода и остановить секундомер.
Результаты поверки считают положительными, если светодиод не включился за время, рассчитанное по формуле (1) для счётчиков активной энергии класса точности 1, по формуле (2) для счётчиков реактивной энергии класса точности 2:
-
- 2,04 мин (123 с) для счётчика активной энергии класса точности 1;
-
- 1,63 мин (97 с) для счётчика реактивной энергии класса точности 2.
Проверку самохода можно прекратить, и считать результаты поверки положительными, если светодиод не включился за указанное время.
. 600 х 106
At >-------------------,
k • m • U НоМ • 1 маКс
480х106
At >-------------------,
k • m • U ном • I макс
-
- время анализа самохода, мин;
-
- число измерительных элементов;
-
- число импульсов выходного устройства на 1 кВт-ч, имп./(кВт-ч)
(2)
где At
m k
(имп./(квар-ч));
Инв.№ подл. I Подп. и дата |Взам. инв.№ |Инв.№ дубл. I Подп. и дата
ином - номинальное напряжение;
1макс - максимальный ток, А.
4.11 Определение основной относительной погрешности измерения активной и реактивной энергии и мощности, вызываемой изменением тока, в нормальных условиях, проверка класса точности, определение основной погрешности измерения напряжения, тока и частоты сети.
-
4.11.1 Определение основной относительной погрешности измерения активной энергии проводить методом непосредственного сличения с эталонным счётчиком поверочной установки по импульсам телеметрии при значениях информативных параметров входного сигнала, приведенных в таблице 4 для прямого направления активной энергии, и испытание № 4 для обратного направления активной энергии.
-
4.11.2 Определение основной относительной погрешности измерения активной мощности прямого и обратного направления проводить методом сравнения со значением активной мощности, измеренной эталонным счётчиком поверочной установки при значениях информативных параметров входного сигнала соответствующих испытанию № 4 таблицы 4. Относительную погрешность измерения активной мощности 5P, %, рассчитывать по формуле (3)
(3)
где 5P - относительная погрешность измерения активной мощности, %;
Ризм - значение активной мощности, измеренное поверяемым счётчиком, Вт;
|
Изм |
Лист |
№ докум. |
Подп. |
Дата |
Лист
25
Ро - значение активной мощности, измеренное эталонным счётчиком, Вт.
-
4.11.3 Допускается проверку по предыдущему пункту (п. 4.11.1) проводить для прямого направления активной мощности при значениях информативных параметров входного сигнала, приведенных в таблице 4, и испытание № 4 для обратного направления активной мощности. При этом для прямого и обратного направления активной энергии проводить испытание № 4 с целью проверки функционирования испытательных выходов. Остальные испытания не проводятся, а погрешности гарантируются схемно-техническими решениями.
Результаты поверки считают положительными, если счётчик соответствует классу точности, а относительные погрешности измерений активной энергии и мощности прямого и обратного направления находятся в пределах, приведенных в таблице 4.
Инв.№ подл. I Подп. и дата |Взам. инв.№ |Инв.№ дубл. I Подп. и дата
Таблица 4 - Значения информативных параметров входного сигнала
|
Номер испытания |
Информативные параметры входного сигнала |
Пределы допускаемой основной погрешности, % |
Режим испытательного выхода | ||||
|
Напряжение, В |
Ток, А |
Коэффициент мощности |
Активной энергии (мощности) |
Реактивной энергии (мощности) |
А |
В | |
|
1 |
1,0 |
±1,0 |
±2,0 |
+ |
- | ||
|
2 |
80,00 |
0,5 (инд.) |
±1,0 |
±2,0 |
+ |
- | |
|
3 |
0,5 (емк.) |
±1,0 |
±2,0 |
+ |
- | ||
|
4 |
1,0 |
±1,0 |
±2,0 |
+ | |||
|
5 |
5,00 |
0,5 (инд.) |
±1,0 |
±2,0 |
+ | ||
|
6 |
OQ Л |
0,5 (емк.) |
±1,0 |
±2,0 |
+ | ||
|
7 |
230 |
1,0 |
±1,0 |
±2,0 |
+ | ||
|
8 |
1,00 |
0,5 (инд.) |
±1,0 |
±2,0 |
+ | ||
|
9 |
0,5 (емк.) |
±1,0 |
±2,0 |
+ | |||
|
10 |
1,0 |
±1,0 |
±2,0 |
+ | |||
|
11 |
0,50 |
0,5 (инд.) |
±1,5 |
±2,5 |
+ | ||
|
12 |
0,5 (емк.) |
±1,5 |
±2,5 |
+ | |||
|
13 |
0,25 |
1,0 |
±1,5 |
±2,5 |
+ | ||
Примечания:
-
1 При испытаниях время измерения устанавливать равное 10 с. Изменение погрешности при двух, трех измерениях не должно превышать 0,1 допускаемого значения погрешности, указанного в таблице.
-
2 Конфигурирование испытательных выходов для работы в основном режиме А (500 имп./(кВт^ч) (имп./(квар^ч)) и поверочном режиме В (16000 имп./(кВт^ч) (имп./(квар^ч)) проводить согласно п. 3.9.3.
-
3 Для вариантов исполнений с СЭБ-1ТМ.03Т.40 по СЭБ-1ТМ.03Т.65 испытания проводят для каждого датчика тока.
3 (Введен дополнительно, Изм. № 1)
-
4.11.4 Определение основной относительной погрешности измерения реактивной энергии проводить методом непосредственного сличения с эталонным счётчиком поверочной установки по импульсам телеметрии при значениях информативных параметров входного сигнала, соответствующих испытаниям № 4, 5 таблицы 4 для прямого направления реактивной энергии, и испытание № 4 для обратного направления реактивной энергии.
ФРДС.411152.003РЭ1
Лист
26
Изм
Лист
№ докум.
Подп.
Дата
-
4.11.5 Определение основной относительной погрешности измерения реактивной мощности прямого и обратного направления проводить методом сравнения со значением реактивной мощности, измеренной эталонным счётчиком поверочной установки при значениях информативных параметров входного сигнала соответствующих испытанию № 4 таблицы 4. Относительную погрешность измерения реактивной мощности 5Q, %, рассчитывать по формуле (4)
(4)
где SQ - относительная погрешность измерения реактивной мощности, %;
Qизм - значение реактивной мощности, измеренное поверяемым счётчиком, вар; Qо - значение реактивной мощности, измеренное эталонным счётчиком, вар.
Результаты поверки считаются положительными, если счётчик соответствует классу точности, а относительные погрешности измерений реактивной энергии и мощности прямого и обратного направления находятся в пределах, приведенных в таблице 4.
-
4.11.6 Определение основной относительной погрешности измерения напряжения сети проводить при базовом токе, коэффициенте мощности равном 1 и трех значениях напряжений сети: 160 В, 230 В, 265 В. Проверку проводить методом сравнения со значением напряжения, измеренного эталонным счётчиком поверочной установки. Относительную погрешность измерения напряжения Su, %, рассчитывать по формуле (5)
(5)
ио
Инв.№ подл. I Подп. и дата |Взам. инв.№ |Инв.№ дубл. I Подп. и дата
где 5и - относительная погрешность измерения напряжения, %;
иизм - значение фазного напряжения, измеренное поверяемым счётчиком, В; ио - значение фазного напряжения, измеренное эталонным счётчиком, В. Результаты поверки считаются положительными, если вычисленные погрешности измерения напряжений находятся в пределах ±0,9 %.
-
4.11.7 Определение основной относительной погрешности измерения тока проводить методом сравнения со значением тока, измеренным эталонным счётчиком поверочной установки.
-
4.11.8 Проверку проводить при номинальном напряжении, коэффициенте мощности равном единице для трех значений тока: 80 А, 5 А и 0,25 А. Относительную погрешность измерения тока 5i, %, рассчитывать по формуле (6)
(6)
-
- погрешность измерения тока, %;
-
- значение тока, измеренное поверяемым счётчиком, А;
-
- значение тока, измеренное эталонным счётчиком, А.
где 5i
1изм
1о
Для вариантов исполнений счетчиков со вторым датчиком тока в нулевом проводе
испытания проводят для каждого датчика тока.
(Измененная редакция, Изм. № 1)
Результаты поверки считают положительными, если вычисленные относительные погрешности измерения тока находятся в пределах, указанных в таблице 5.
|
Изм |
Лист |
№ докум. |
Подп. |
Дата |
Лист
27
Таблица 5 - Пределы допускаемой относительной погрешности измерения тока
|
Измеряемый ток, А |
80 |
5 |
0,25 |
|
Пределы допускаемой основной относительной погрешности, % |
±0,9 |
±0,9 |
±2,8 |
4.11.9 Определение основной относительной погрешности измерения частоты проводить методом сравнения со значением частоты, измеренной частотомером Ч3-63 при номинальном напряжении 230 В, базовом токе и коэффициенте мощности равном единице. Относительную погрешность измерения частоты 5f, %, рассчитывать по формуле (7)
(7)
где 5f - относительная погрешность измерения частоты, %;
Fизм - значение частоты, измеренное поверяемым счётчиком, Гц; Fо - значение частоты, измеренное частотомером Ч3-63, Гц.
-
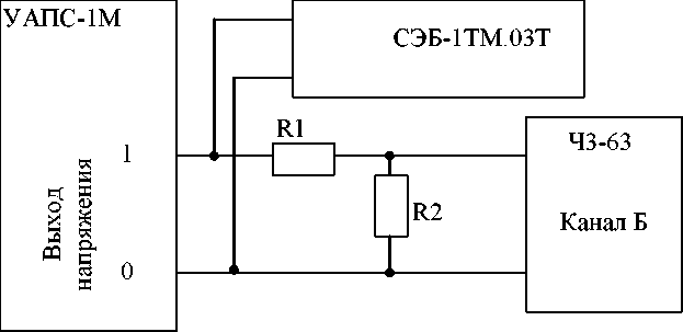
4.11.9.1 Подключить частотомер к поверочной установке по схеме, приведенной на рисунке 17.
Инв.№ подл. I Подп. и дата |Взам. инв.№ |Инв.№ дубл. I Подп. и дата
R1 - Резистор С2-33Н-1-68 кОм±5 % R2 - Резистор С2-33Н-1-2,2 кОм±5 %
Рисунок 17 - Схема подключения частотомера Ч3-63 для измерения частоты
4.11.9.2 Частотомером Ч3-63 измерять период напряжения сети То при следующих состояниях органов управления частотомера:
-переключатель МЕТКИ ВРЕМЕНИ в состояние «10-6»;
-переключатель МНОЖИТЕЛЬ ПЕРИОДОВ в состояние «102».
Частоту сети вычислять по формуле (6)
Fo = , Гц (8)
Тогде То - период напряжения сети, измеренный частотомером, мс.
Результаты поверки считают положительными, если относительная погрешность измерения частоты находится в пределах ±0,05 %.
4.11.10 Определение основной относительной погрешности измерения активной и реактивной мощности, напряжения и тока целесообразно проводить в автоматизированном режиме с применением программы «Конфигуратор СЭТ-4ТМ» и формы «Измеритель
Изм
Лист
№ докум.
Подп.
Дата
Лист
28
погрешности», внешний вид которой приведен на рисунке 18. Такую проверку можно проводить только для счётчиков с интерфейсом RS-485 СЭБ-1ТМ.03Т.00 -
СЭБ-1ТМ.03Т.03 (таблица 1).
-
4.11.10.1 Установить флажки в форме «Измеритель погрешности», как показано на рисунке 18.
-
4.11.10.2 В строке «Эталон» над каждым интересующим параметром ввести эталонное значение, измеренное внешним эталонным средством, относительно которого нужно вычислить погрешность измерения счётчика.
-
4.11.10.3 Нажать кнопку «Прочитать из прибора», расположенную на панели инструментов генеральной формы. При этом «Конфигуратор СЭТ-4ТМ» производит чтение приведенных в окнах формы параметров, их отображение в соответствующих окнах, усреднение и вычисление погрешности измерения относительно введенных эталонных значений. Рассчитанные относительные погрешности индицируется в соответствующих окнах с размерностью «%».
-
4.11.10.4 Для определения погрешностей группы счётчиков (до 6 штук) их сетевые адреса нужно указать в форме «Список адресов», установить флажок «Групповая операция» и повторить п. 4.11.10.3. При этом вычисленные погрешности каждого поверяемого счётчика будут отображаться на отдельной строке формы «Измеритель погрешности».
Инв.№ подл. I Подп. и дата |Взам. инв.№ |Инв.№ дубл. I Подп. и дата
(Измененная редакция, Изм. № 1)
4.12 Определение точности хода встроенных часов
4.12.1 Определение точности хода часов во включенном состоянии счётчика при нормальной температуре окружающей среды проводить измерением периода сигнала времязадающего генератора на испытательном выходе счётчика согласно раздела 5 ГОСТ IEC 61038-2012.
|
Изм |
Лист |
№ докум. |
Подп. |
Дата |
Лист
29
4.12.1.1 Для проведения проверки собрать схему, приведенную на рисунке 19. При этом счётчик должен быть подключен к компьютеру через оптопорт по схеме, приведенной на рисунке Б.2 приложения Б. Проверку проводить при номинальном напряжении и номинальной частоте сети.
R1 - Резистор С2-33Н-0,25-1,0 кОм ± 5 %
R2 - Резистор С2-33Н-0,25-4,3 кОм ± 5 %
Инв.№ подл. I Подп. и дата |Взам. инв.№ |Инв.№ дубл. I Подп. и дата
Номера контактов испытательного выхода без скобок для счетчиков СЭБ-1ТМ.03Т - СЭБ-1ТМ.03Т.31, в скобках для СЭБ-1ТМ.03Т.40 - СЭБ-1ТМ.03Т.65.
Рисунок 19 - Схема подключения оборудования для проверки точности хода часов
(Измененная редакция, Изм. № 1)
-
4.12.1.2 Подготовить компьютер к работе в соответствии с требованиями п.п. 3.7, 3.8. настоящей методики.
-
4.12.1.3 Перед началом испытаний, с помощью программы «Конфигуратор СЭТ-4ТМ», формы «Конфигурирование испытательных выходов и входов» настроить испытательный выход на формирование сигнала контроля точности хода часов.
-
4.12.1.4 Посредством формы «Проверка точности хода часов» из меню «Поверка», вкладки «Расчет точности хода» прочитать и запомнить заводскую константу коррекции точности хода часов (Кктх), введенную в счётчик на этапе регулировки. Вид формы приведен на рисунке 20.
|
Изм |
Лист |
№ докум. |
Подп. |
Дата |
Лист
30
Инв.№ подл. I Подп. и дата |Взам. инв.№ |Инв.№ дубл. I Подп. и дата
-
4.12.1.5 Установить органы управления частотомера Ч3-63 в следующие состояния:
-
- переключатель РОД РАБОТЫ в состояние «Т» (измерение периода по каналу Б);
-
- ручку ВРЕМЯ ИНД. установить в крайнее состояние, вращая против часовой стрелки;
-
- переключатель МЕТКИ ВРЕМЕНИ в состояние «10-7»;
-
- переключатель ВРЕМЯ СЧЕТА ms/МНОЖ в состояние «103»;
-
- ручку УРОВЕНЬ (КАНАЛ Б) установить в середину сегмента между меткой «+» и крайним (по часовой стрелке) состоянием ручки.
-
4.12.1.6 Произвести измерение периода времязадающего генератора Ти при помощи частотомера Ч3-63 и запомнить результат измерения до четвертого знака после запятой.
-
4.12.1.7 Точность хода часов (Дгн) рассчитать по формуле (9)
A te =
Тэ
Ти '(1 + Кктх ’10

х 86400 , с/сут
(9)
где Atn - точность хода часов, с/сут;
Тэ - значение эталонного периода сигнала времязадающего генератора, которое при частоте 512 Гц составляет 1953,125 мкс;
Ти - значение измеренного частотомером периода сигнала времязадающего генератора (без учета коррекции точности хода), мкс;
Кктх - константа коррекции точности хода, введенная в счётчик на стадии регулировки и прочитанная в п. 4.12.1.4;
86400 - число секунд в сутках с размерностью с/сут.
4.12.2 Точность хода часов можно рассчитать посредством конфигуратора формы «Расчет точности хода». Для этого в окно «Измеренное значение Ти, мкс» нужно вписать значение периода сигнала времязадающего генератора, измеренное частотомером до чет-
|
Изм |
Лист |
№ докум. |
Подп. |
Дата |
Лист
31
Инв.№ подл. I Подп. и дата |Взам. инв.№ |Инв.№ дубл. I Подп. и дата
вертого знака после запятой, и нажать кнопку «Рассчитать». При этом конфигуратор производит:
-
- чтение заводской константы коррекции точности хода Кктх с отображением в окне «Кктх, ppm»;
-
- чтение варианта исполнения счётчика и установку значения эталонного периода сигнала времязадающего генератора в зависимости от типа счётчика с отображением в окне «Тэ, мкс» (1953,125 мкс для СЭБ-1ТМ.03Т);
-
- расчет точности хода часов по формуле (9) с отображением результата расчета в окне формы «Точность хода At, с/сут».
Результаты поверки считают положительными, если точность хода часов в нормальных условиях, посчитанная по формуле (9) или рассчитанная конфигуратором, находится в пределах ±0,5 с/сут.
ВНИМАНИЕ! После внеочередной и периодической поверки восстановить запомненные пользовательские параметры, если они были изменены в ходе поверки:
-
- скорость обмена по RS-485, п. 3.8.6;
-
- флаг «Однонаправленный режим учета по модулю» п. 3.8.8;
-
- конфигурацию испытательного выхода и цифрового входа п. 3.9.1;
-
- маски режимов индикации п. 4.3.1.
5 Оформление результатов поверки
-
5.1 Результаты поверки оформляются в порядке, установленным метрологической службой, которая осуществляет поверку, в соответствии с Приказом Минпромторга России от 02.07.2015 г. № 1815.
-
5.2 Если счётчик по результатам поверки признан пригодным к применению, то на него наносится знак поверки и выдается свидетельство о поверке или делается запись в формуляре, заверяемая подписью поверителя и знаком поверки.
Знак поверки наносится на счётчик давлением на специальную мастику или навесную пломбу, расположенную в месте крепления верхней части корпуса к основанию.
-
5.3 В случае отрицательных результатов поверки счётчик признают непригодным к применению. Выписывается извещение о непригодности к применению и вносится запись о непригодности в формуляр.
(Измененная редакция, Изм. № 1)
-
5.4 (Исключен, Изм. № 1).
ФРДС.411152.003РЭ1
Лист
32
Изм
Лист
№ докум.
Подп.
Дата
А.1 Схема подключения счётчиков внутренней установки к установке УАПС-1М приведена на рисунке А.1. Схема подключения счётчиков наружной установки к установке УАПС-1М приведена на рисунке А.2. Назначение контактов соединителей интерфейсных цепей приведены на рисунке А.3.

Счетчик СЭБ-1ТМ.03Т.00-
- СЭБ-1ТМ.03Т.31

УАПС-1М
Блок тока
1 0 0 0

УАПС-1М
Блок эталонного счетчика






УАПС-1М
Блок напряжений

0 0 0 0 0
0
1*
ео
сЗ
О
X
СО
03
S о н
сЗ
Инв.№ подл. I Подп. и дата |Взам. инв.№ 1Инв.№ дубл. I Подп. и дата
Выход фаз напряжений
Выход (■'> 0
Выход (-) ]~7~|
Счетчики
СЭБ-1ТМ.03Т.00 -
СЭБ-1ТМ.03Т.31
Вход (+) I~6~|
£
У о 9 X Q_ S g ® g




«Вход данных»
Вход фаз напряжений
|
1 |
AP1* |
|
2 |
AP1 |
|
3 |
RP1* |
|
4 |
RP1 |
|
5 |
AO1* |
|
6 |
AO1 |
|
7 |
RO1* |
|
8 |
RO1 |
|
«12 В» | |
|
1, 3 |
+12 В |
|
5, 7 |
+12 В COM |
|
2, 4 |
GND |
|
6, 8 |
GND |
Примечание - Для подключения нескольких поверяемых счётчиков (до 6 шт.) по схеме, приведенной на рисунке А.1, цепи напряжений подключать параллельно, цепи телеметрии подключать к одноименным входам эталонного счётчика, а цепи тока подключать последовательно.
Рисунок А.1 - Схема подключения счётчиков внутренней установки
к установке УАПС-1М
|
Изм |
Лист |
№ докум. |
Подп. |
Дата |
Лист
33
УАПС-1М
Блок напряжений
Выход фаз напряжений
Выход (+) | 5 Л0-
Выход (-) | 6 I
Счетчики
СЭБ-1ТМ.03Т.40 -
- СЭБ-1ТМ.03Т.65
Счетчик СЭБ-1ТМ.03Т.40 - СЭБ-1ТМ.03Т.65

УАПС-1М
Блок эталонного
счетчика







0 0 0 0
0
0
1*
Вход фаз
напряжений
3
-е- са
о
х m
-е-
о
х m
5S X X о £
Q-X сЗ X
«Вход данных»
|
1 |
AP1* |
|
2 |
AP1 |
|
3 |
RP1* |
|
4 |
RP1 |
|
5 |
AO1* |
|
6 |
AO1 |
|
7 |
RO1* |
|
8 |
RO1 |
Инв.№ подл. I Подп. и дата |Взам. инв.№ |Инв.№ дубл. I Подп. и дата
«12 В»
|
1, 3 |
+12 В |
|
5, 7 |
+12 В COM |
|
2, 4 |
GND |
|
6, 8 |
GND |
(Измененная редакция, Изм. № 1)
Примечание - По схеме, приведенной на рисунке А.2, подключать только один счётчик.
Рисунок А.2 - Схема подключения счётчиков наружной установки к установке УАПС-1М
|
Контакт |
Цепь |
Полярность |
Примечание |
|
Счётчики внутренней установки СЭБ-1ТМ.03Т - СЭБ-1ТМ.03Т.31 |
5 6 7 8 9 10 [001 [001 [001 | ||
|
5 |
Цифровой вход |
- |
Постоянное напряжение от 0 до 30 В |
|
6 |
+ | ||
|
7 |
Испытательный выход |
- |
имакс=30 В, 1макс=50 мА |
|
8 |
+ | ||
|
9 |
RS-485 линия В |
- |
Минимум +0,3 В при отсутствии обмена |
|
10 |
RS-485 линия А |
+ | |
|
Счётчики наружной установки СЭБ-1ТМ.03Т.40 - СЭБ-1ТМ.03Т.65 | |||
|
5 |
Испытательный выход |
+ |
имакс=30 В, 1макс=50 мА |
|
6 |
- | ||
|
Изм |
Лист |
№ докум. |
Подп. |
Дата |
Лист
34
(рекомендуемое)
Схемы подключения счётчиков к компьютеру
Б.1 Схема подключения счётчиков к компьютеру через интерфейс RS-485 приведена на рисунке Б.1. Схема подключения счётчика к компьютеру через оптопорт приведена на рисунке Б.2. Схема подключения счётчиков к компьютеру через PLC-модем приведена на рисунке Б.3.
Примечания
Инв.№ подл. I Подп. и дата |Взам. инв.№ |Инв.№ дубл. I Подп. и дата
-
1 Rc - согласующий резистор 120 Ом.
-
2 Монтаж вести экранированной витой парой с волновым сопротивлением р=120 Ом.
-
3 Экран витой пары заземляется в одной точке со стороны преобразователя интерфейса ПИ-2.
-
4 Постоянное напряжение между контактами «10» и «9» при подключенном преобразователе интерфейса, включенном счетчике и при отсутствии обмена по каналу связи должно быть не менее 0,3 В. Полярность напряжения должна соответствовать указанной на схеме.
Рисунок Б.1 - Схема подключения счётчиков к компьютеру через интерфейс RS-485
|
Компьютер |
Счетчик | ||
|
USB |
-------------( ) УСО-2Т ( |
Оптопорт | |
|
Изм |
Лист |
№ докум. |
Подп. |
Дата |
Лист
35

Примечание - В данной схеме PLC-модем М-2.01 (Т) используется как базовая станция, к которой должны подключаться PLC-модемы счётчиков.
Рисунок Б.3 - Схема подключения счётчиков к компьютеру через PLC-модем
Инв.№ подл. I Подп. и дата |Взам. инв.№ |Инв.№ дубл. I Подп. и дата
|
ФРДС.411152.003РЭ1 |
Лист | |||||
|
36 | ||||||
|
Изм |
Лист |
№ докум. |
Подп. |
Дата |
Инв.№ подл. I Подп. и дата |Взам. инв.№ |Инв.№ дубл. I Подп. и дата
|
Лист регистрации изменений | ||||||||||||||
|
Изм. |
Номера листов (страниц) |
N докум. |
Входя щий N сопроводитель-ного до- кум. и дата |
Подпись |
Дата | |||||||||
|
измененных |
замененных |
новых |
анули-рован-ных |
всего листов (страниц) в докум. | ||||||||||
|
ФРДС.411152.003РЭ1 |
Лист | |||||||||||||
|
37 | ||||||||||||||
|
Изм |
Лист |
№ докум. |
Подп. |
Дата | ||||||||||
Ф2.106-5а
Формат А4
