Методика поверки «НАКОПИТЕЛИ ЭЛЕКТРИЧЕСКИХ ПАРАМЕТРОВ НЭП-К» (ДКНБ.468157.004ПМ )
СОГЛАСОВАНО
УТВЕРЖДАЮ
Первый заместитель генерального директора - технический директор

Технический директор
«ИЦРМ»

2020 г.
М.С. Казаков
Подп. и дата | |
-ю И X | |
Взам. инв. № | |
Подп. и дата | |
§ о г* CQ |
г. Москва 2020 г.
-
1 Общие положения...............................................................................................................................
-
2 Операции поверки................................................................................................................................
-
3 Средства поверки.................................................................................................................................
-
4 Требования безопасности....................................................................................................................
-
4.1 Общие требования.............................................................................................................................
-
4.2 Требования к квалификации поверителей......................................................................................
-
-
5 Условия поверки...................................................................................................................................
-
6 Подготовка к поверке...........................................................................................................................
-
7 Проведение поверки.............................................................................................................................
-
8 Оформление результатов поверки......................................................................................................
Приложение А..........................................................................................................................................
Приложение Б..........................................................................................................................................
Лист регистрации изменений.................................................................................................................
1 Общие положения-
1.1 Настоящий документ устанавливает методы и средства поверки накопителей электрических параметров НЭП-К (далее по тексту - НЭП-К), предназначенных для измерений среднеквадратического значения фазного напряжения переменного тока и среднеквадратического значения силы переменного тока, а также накопления и хранения в энергонезависимой памяти значений электрических параметров электроприводной арматуры (далее по тексту - ЭПА).
НЭП-К выпускаются в двух исполнениях НЭП-К ДКНБ.468157.004 и НЭП-К ДКНБ.468157.004-01, отличающихся комплектностью.
Допускается проведение поверки отдельных измерительных каналов из состава НЭП-К в соответствии с заявлением владельца НЭП-К, с обязательным указанием в свидетельстве о поверке информации об объеме проведенной поверки.
Периодическую поверку НЭП-К, предназначенных для измерений нескольких величин, или имеющих несколько поддиапазонов измерений, но используемых для измерений меньшего числа величин или на меньшем числе поддиапазонов измерений, допускается на основании письменного заявления владельца НЭП-К, оформленного в произвольной форме, соответствующая запись должна быть сделана в свидетельстве о поверке и (или) в формуляре.
При проведении поверки дополнительно необходимо использовать документ ДКНБ.468157.004РЭ Руководство по эксплуатации.
Интервал между поверками - 3 года.
-
1.2 Основные метрологические характеристики приведены в таблице 1.
Таблица 1 - Основные метрологические характеристики НЭП-К
Наименование характеристики |
Значение |
Диапазон измерений среднеквадратического значения фазного напряжения переменного тока (далее по тексту - фазного напряжения) в диапазоне частот от 40 до 2000 Гц. В |
от 2,5 до 250 |
Пределы допускаемой основной приведенной (к верхней границе диапазона измерений) погрешности (далее по тексту - основная погрешность) измерений среднеквадратического значения напряжения, % |
±0,5 |
Диапазоны измерений среднеквадратического значения силы переменного тока (далее по тексту - фазного тока) в диапазоне частот от 40 до 2000 Гц, А |
от 0,05 до 2,5 от 0,1 до 10 от 0,5 до 50 от 1,0 до 100 от 1,5 до 150 |
Пределы допускаемой основной приведенной (к верхней границе диапазона измерений) погрешности измерений среднеквадратического значения силы переменного тока. % |
±0,5 |
-
2.1 При проведении поверки должны быть выполнены операции, указанные в таблице 2.
Таблица 2 - Операции, выполняемые при проведении поверки НЭП-К
Наименование операции поверки |
Номер пункта методики поверки |
Необходимость выполнения | |
при первичной поверке |
при периодическо й поверке | ||
Внешний осмотр |
п.7.1 |
Да |
Да |
Подтверждение соответствия программного обеспечения |
п.7.2 |
Да |
Да |
Подготовка к проверке измерительных каналов |
п.7.3 |
Да |
Да |
Определение основной погрешности измерений фазного напряжения |
п.7.4 |
Да |
Да |
Определение основной погрешности измерений фазного тока |
п.7.5 |
Да |
Да |
2.2 Последовательность проведения операций поверки обязательна.
-
2.3 При получении отрицательного результата в процессе выполнения внешнего осмотра НЭП-К бракуют и его поверку прекращают.
-
3.1 Применяемые при поверке средства измерений должны быть поверены, а испытательное оборудование должно быть аттестовано в соответствии с требованиями действующих нормативных документов.
-
3.2 Перечень средств измерений и оборудования, используемых при поверке, приведен в таблице 3.
Таблица 3 - Перечень средств измерений и оборудования, используемых при поверке
Наименование, обозначение |
Рекомендуемый тип средства поверки и его регистрационный номер в Федеральном информационном фонде или метрологические характеристики |
Основные средства поверки | |
1 Калибратор многофункциональный |
Калибратор многофункциональный Fluke 5502Е, per. № 55804-13 |
Вспомогательные средства поверки (оборудование) | |
2 Источник питания постоянного тока |
Источник питания постоянного тока GPR-73060D. per. № 55898-13. |
3 Термо гигрометр электронный |
Термогигрометр электронный «CENTER» модель 313. per. №22129-09. |
4 Барометр-анероид метеорологический |
Барометр-анероид метеорологический БАММ-1, per. № 5738-76. |
5 Персональная ЭВМ |
Типа IBM PC/AT или совместимая с ней с установленным программным обеспечением «Totalcmd» |
6 Патч-корд |
- |
Примечание - Допускается применение других средств поверки с погрешностью измерения, не превышающей 1/3 допускаемой погрешности определяемого параметра. |
-
4 Требования безопасности
-
4.1.1 При проведении поверки НЭП-К должны соблюдаться требования безопасности, установленные «Правилами по охране труда при эксплуатации электроустановок» и «Правилами технической эксплуатации электроустановок потребителей», а также требования безопасности, установленные в документации на средства поверки
-
4.1.2 Монтаж и эксплуатация НЭП-К должны выполняться в соответствии с руководством по эксплуатации ДКНБ.468157.004РЭ.
-
4.1.3 Подключение соединительных кабелей и проводов должно производиться только при их обесточивании со стороны источника энергии.
-
4.2.1 К поверке НЭП-К допускаются лица, изучившие настоящую методику, руководство по эксплуатации НЭП-К и средств поверки.
-
4.2.2 К проведению поверки допускаются лица, являющиеся специалистами органа метрологической службы, юридического лица или индивидуального предпринимателя, аккредитованного на право поверки.
-
4.2.3 Персонал, проводящий поверку, должен иметь квалификационную группу по электробезопасности не ниже III.
-
5.1 При проведении поверки должны соблюдаться следующие условия:
-
- температура окружающего воздуха от плюс 15 до плюс 25 °C;
-
- относительная влажность окружающего воздуха от 30 до 80 %;
-
- атмосферное давление от 84,0 до 106,7 кПа.
-
5.2 Для контроля температуры окружающей среды и относительной влажности воздуха допускается использовать термогигрометр электронный «CENTER» модель 313.
-
5.3 Для контроля атмосферного давления допускается использовать барометр-анероид метеорологический БАММ-1.
-
6.1 Перед проведением работ после хранения НЭП-К при отрицательных температурах необходимо выдержать его в нормальных климатических условиях (п. 5.1) не менее 6 ч.
-
6.2 Время разогрева НЭП-К перед началом работы не менее 10 минут.
-
6.3 Средства поверки должны быть подготовлены к работе в соответствии с требованиями эксплуатационной документации на них.
-
7 Проведение поверки
-
7.1.1 При проведении внешнего осмотра НЭП-К проверяют:
-
- соответствие комплектности перечню, указанному в руководстве по эксплуатации;
-
- отсутствие механических повреждений и внешних дефектов корпусов и разъемов;
-
- целостность кабеля сигнального;
-
- отсутствие потеков воды;
-
- отсутствие пыли на внешней поверхности НЭП-К;
-
- маркировку и наличие необходимых надписей на НЭП-К.
-
7.1.2 Результат внешнего осмотра считают положительным, если соблюдаются вышеупомянутые требования.
-
7.2.1 Встроенное программное обеспечение (далее по тексту - ПО) может быть проверено, установлено или переустановлено только на заводе-изготовителе с использованием специальных средств программно-технических устройств, поэтому при поверке встроенное программное обеспечение не проверяется.
-
7.2.2 Идентификация внешнего программного обеспечения, используя алгоритм вычисления цифрового идентификатора «md5», производится в следующей последовательности:
-
1) проверить идентификационное наименование и версию ПО;
-
2) запустить программу на персональном компьютере (ПК) «md5_filechecker»;
-
3) с помощью команды «Обзор» выбрать по наименованию имя проверяемого файла;
-
4) с помощью команды «Рассчитать» получить контрольную сумму проверяемого файла;
-
5) затем с помощью команды «Проверить» ввести контрольную сумму исполняемого кода, указанную в формуляре на НЭП-К.
Результат проверки считается положительным, если наименование ПО, идентификационное наименование, версия программного обеспечения, а также введенная контрольная сумма и «рассчитанная» совпадают с указанными в формуляре на НЭП-К.
7.3 Подготовка к проверке измерительных каналов НЭП-К-
7.3.1 ВНИМАНИЕ! Проверка измерительных каналов НЭП-К должна проводиться на откалиброванном НЭП-К.
-
7.3.2 Перед проведением проверки измерительных каналов необходимо создать рабочую среду (если она не была создана ранее):
-
- включить ПК. загрузить операционную систему;
-
- запустить на ПК программу «Totalcmd» (файл «Totalcmd.exe»), если она не была запущена ранее:
-
- в правой панели «Totalcmd» открыть содержимое папки с именем «NEP-К».
-
7.3.3 Вставить карту памяти в НЭП-К, если она не была установлена.
-
7.3.4 Подать питание на схему проверки. На НЭП-К должны кратковременно загореться и погаснуть желтый и зеленый светодиоды, после чего должен включиться зеленый светодиод. НЭП-К приступило к измерению входных сигналов.
-
7.3.5 Установить актуальное значение текущего времени:
-
- запустить на ПК программу «cmd» (файл cmd.exe);
-
- в открывшемся окне напечатать «telnet 192.168.201.183», нажать клавишу Enter;
-
- ждать вывода строки «Х512 »;
-
- напечатать «date», нажать клавишу Enter;
-
- ждать вывода в строку данных о текущем времени в формате «YYYY-MM-DD HH:mm:ss.hds»;
-
- если значение текущего времени, считанное из НЭП-К, не соответствует значению текущего времени на ПК, необходимо установить актуальное значение текущего времени в НЭП-К, для чего:
-
- напечатать «date [YYYY-MM-DD HH:mm:ss.hds]», нажать клавишу Enter;
-
- ждать вывода строки «Time updated»;
-
- напечатать «date», нажать клавишу Enter;
-
- ждать вывода в строку данных о текущем времени НЭП-К, убедиться, что текущее время НЭП-К соответствует текущему времени ПК;
-
- значение текущего времени введено в НЭП-К;
-
- закрыть программу «cmd», если не планируется использовать ее далее.
-
7.3.6 Получить значение серийного номера НЭП-К:
-
- запустить на ПК программу «cmd», если она не была запущена ранее;
-
- в открывшемся окне напечатать «telnet 192.168.201.183», нажать клавишу Enter;
-
- ждать вывода строки «Х512»;
-
- напечатать «SN», нажать клавишу Enter;
-
- ждать вывода в строку числового значения серийного номера;
-
- убедиться в том, что выведенный в строку номер, соответствует номеру, указанному на шильдике НЭП-К;
-
- закрыть программу «cmd», если не планируется использовать ее далее.
-
7.3.7 В правой панели рабочей среды создать рабочую папку, использовав в качестве ее имени значение серийного номера НЭП-К.
-
7.3.8 Получить доступ к файловой системе НЭП-К:
-
- запустить на ПК программу «Totalcmd» (файл «Totalcmd.exe»), если она не была запущена ранее;
-
- средствами «Totalcmd» установить соединение с FTP-сервером по адресу 192.168.201.183;
-
- в активной панели «Totalcmd» наблюдать содержимое файловой системы НЭП-К.
-
7.3.9 Запустить на ПК программу «Registrator-19 » (файл «Registrator-19.exe»). Откроется основная форма программы чтения файлов данных измерений.
Результаты считаются положительными, если текущее время на НЭП-К и ПК совпадает, считанный серийный номер НЭП-К совпадает с серийным номером указанным на шильдике НЭП-К, открылась основная форма программы чтения файлов данных измерений.
7.4 Определение основной погрешности измерений фазного тока-
7.4.1 Выполнить действия по подготовке к проверке измерительных каналов НЭП-К по п.7.3.1-7.3.9, если они не были выполнены ранее.
-
7.4.2 Собрать схему в соответствии с рисунком 1 для НЭП-К ДКНБ.468157.004 или 1а для НЭП-К ДКНБ.468157.004-01.
-
7.4.3 Подать питание на схему проверки.
-
7.4.4 Включить калибратор А6.
Перед началом измерений необходимо обеспечить прогрев калибратора до рабочей температуры (10-15 минут холостой работы).
-
7.4.5 В соответствии с требуемым диапазоном измерений фазного тока выбрать таблицу соответствующего диапазона (приложение А). Установить на ДТ-ЗП в соответствии с таблицей 5 (для НЭП-К ДКНБ.468157.004) и на МДТН-КР в соответствии с таблицей 5.1 (для НЭП-К ДКНБ.468157.004-01) требуемый диапазон измерений фазного тока.
Таблица 5 - Положение переключателей выбора диапазона измерений фазного тока (для НЭП-К ДКНБ.468157.004)
Диапазон измерений фазного тока (А) |
от 0.05 до 2,5 |
от 0,1 до 10 |
от 0,5 до 50 |
от 1,0 до 100 |
от 1,5 до 150 |
Код диапазона |
0 |
1 |
3 |
7 |
F |
Таблица 5.1 - Положение переключателей выбора диапазона измерений фазного тока (для НЭП-К ДКНБ.468157.004-01)
Диапазон измерений фазного тока (А)
от 0,05 до 2,5
от 0,1 до 10
от 0,5 до 50
от 1,0 до 100
от 1,5 до 150
Положение переключателей
ON
12 3 4
ON ввва 12 3 4
-
7.4.6 Установить на калибраторе очередное значение фазного тока и его частоты согласно приложению А.
-
7.4.7 Подать сигнал на вход НЭП-К соответствующей кнопкой калибратора.
-
7.4.8 Дождаться сигнализации НЭП-К о том, что сигнальное воздействие достигло необходимого значения.
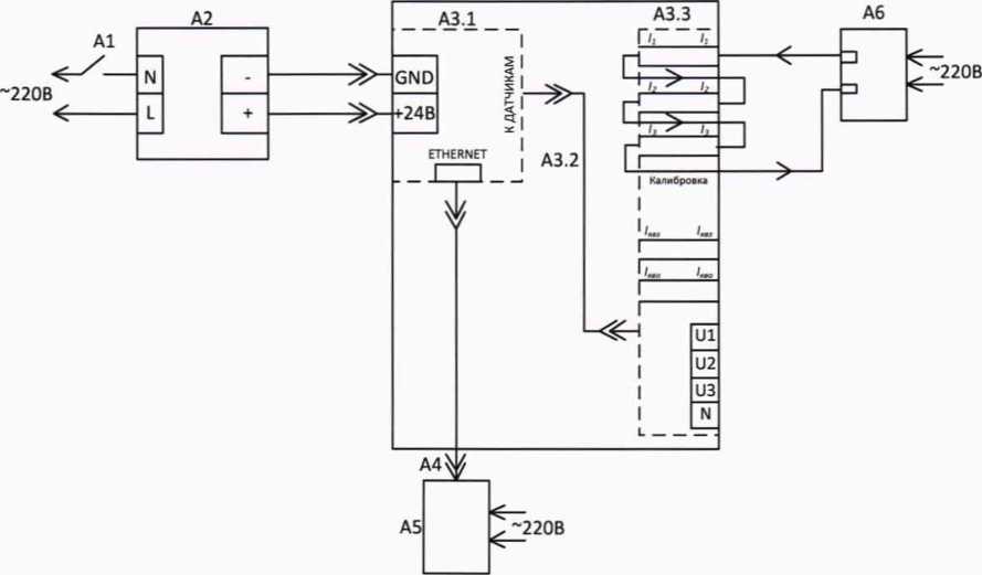
АЗ
А1 - выключатель автоматический;
А2 - блок питания +24 В (см. таблицу 3);
АЗ - накопитель электрических параметров НЭП-К ДКНБ.468157.004:
А3.1 - модуль НЭП-512М;
АЗ.2 - кабель НЭП-512-S-K;
АЗ.З - датчик тока ДТ-ЗП;
АЗЛ - датчик напряжения ДН-ЗП:
А4 - патч-корд;
А5-ПК;
А6 - калибратор (см. таблицу 3)
Рисунок 1 - Схема для определения основной погрешности измерений фазного тока ДКНБ.468157.004
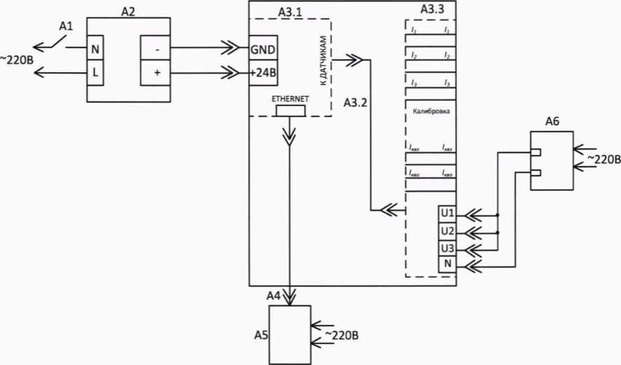
АЗ

Al - выключатель автоматический;
А2 - блок питания +24 В (см. таблицу 3);
АЗ - накопитель электрических параметров НЭП-К ДКНБ.468157.004-01:
А3.1 - модуль измерительный НЭП-512С;
А3.2 - кабель НЭП-512-S;
АЗ.З - модуль измерительный МДТН-КР;
А4 - патч-корд;
А5 - ПК;
А6 - калибратор (см. таблицу 3)
Рисунок 1а - Схема для определения основной погрешности измерений фазного тока НЭП-К ДКНБ.468157.004-01
-
7.4.9 Нажать кнопку «Запись» на НЭП-К.
Загорится желтый светодиод, ждать пока не погаснет.
-
7.4.10 Через FTP-клиент убедиться, что сформирован файл с записью сигнала, имеющий в виде заголовка временную метку (дату) измерения.
Загрузить файл в папку с соответствующим серийным номером НЭП-К.
-
7.4.11 Программой «Registrator-19» открыть загруженный файл и рассчитать среднее квадратичное значение (СКЗ) сигнала трех каналов фазного тока, занести в таблицу.
-
7.4.12 Рассчитать основную погрешность измерений фазного тока уОсн, %, для данной точки по формуле (1) и занести полученное значение в таблицу.
= _™.---ffiLxlQQ
(1)
• оснт j ’
1 <>uan
где /кал - значение фазного тока, установленное на калибраторе. А;
/изм - измеренное значение фазного тока, А;
Лиап - верхний предел диапазона измерений.
-
7.4.13 Повторить действия п.7.4.6 - п.7.4.12 для заполнения соответствующей таблицы (приложение А).
-
7.4.14 Результаты считаются положительными, если полученные значения основной погрешности измерений фазного тока не превышают ±0,5 %.
-
7.5.1 Выполнить действия по подготовке к проверке измерительных каналов НЭП-К по п.7.3.1-7.3.9, если они не были выполнены ранее.
-
7.5.2 Собрать схему в соответствии с рисунком 2 для НЭП-К ДКНБ.468157.004 или 2а для НЭП-К ДКНБ.468157.004-01.
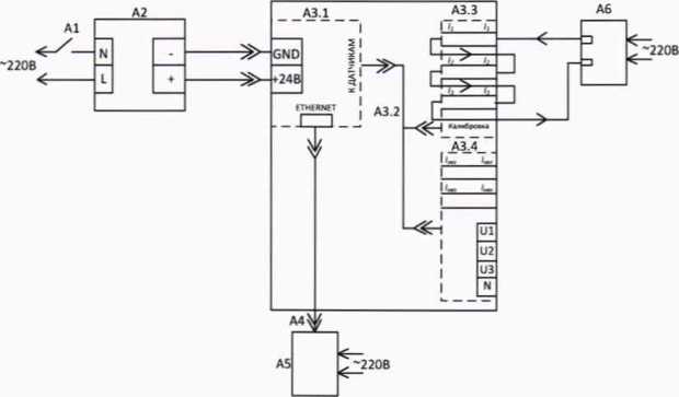
АЗ
I
ETHERNET
I I I
I
N
-
L
♦
А4^
~220В
Al - выключатель автоматический;
А2 - блок питания +24 В (см. таблицу 3);
АЗ - накопитель электрических параметров НЭП-К ДКНБ.468157.004:
А3.1 - модуль НЭП-512М;
АЗ.2 - кабель НЭП-512-S-K;
АЗ.З - датчик тока ДТ-ЗП;
АЗЛ - датчик напряжения ДН-ЗП;
А4 - патч-корд;
А5 - ПК;
А6 - калибратор (см. таблицу 3)
Рисунок 2 - Схема для определения основной погрешности измерений фазного напряжения для НЭП-К ДКНБ.468157.004
АЗ

Al - выключатель автоматический;
А2 - блок питания +24 В (см. таблицу 3);
АЗ - накопитель электрических параметров НЭП-К ДКНБ. 468157.004-01:
А3.1 - модуль измерительный НЭП-512С;
АЗ.2 - кабель НЭП-512-S;
АЗ.З - модуль измерительный МДТН-КР:
А4 - патч-корд;
А5 - ПК;
А6 - калибратор (см. таблицу 3)
Рисунок 2а - Схема для определения основной погрешности измерений фазного напряжения изделия НЭП-К ДКНБ. 468157.004-01
-
7.5.3 Подать питание на схему проверки.
-
7.5.4 Включить калибратор А6.
Перед началом измерений необходимо обеспечить прогрев калибратора до рабочей температуры (10-15 минут холостой работы), если калибратор не был включен ранее.
-
7.5.5 Установить на калибраторе очередное значение напряжения и его частоты согласно приложению Б.
-
7.5.6 Подать сигнал на вход НЭП-К соответствующей кнопкой калибратора.
-
7.5.7 Дождаться сигнализации НЭП-К о том, что сигнальное воздействие достигло необходимого значения.
-
7.5.8 Нажать кнопку «Запись» на НЭП-К.
Загорится желтый светодиод, ждать пока не погаснет.
-
7.5.9 Через FTP-клиент убедиться, что сформирован файл с записью сигнала, имеющий в виде заголовка временную метку (дату) измерения.
Загрузить файл в папку с соответствующим серийным номером НЭП-К.
-
7.5.10 Программой «Registrator-19» открыть загруженный файл и рассчитать СКЗ сигнала трех каналов фазного напряжения, занести в таблицу.
-
7.5.11 Рассчитать основную погрешность уосН для данной точки по формуле (3) и занести полученное значение в таблицу.
(3)
где икал - значение фазного напряжения, установленное на калибраторе. В;
иизм - измеренное значение фазного напряжения. В;
Пдиап - верхний предел диапазона измерений.
-
7.5.12 Повторить действия п.7.5.5 - п.7.5.11 для заполнения соответствующей таблицы (приложение Б).
-
7.5.13 Результаты считаются положительными, если полученные значения основной погрешности измерений фазного напряжения не превышает ±0,5 %.
8.1 Положительные результаты поверки НЭП-К оформляют свидетельством о поверке или соответствующей записью в формуляре по форме, установленной в документе «Порядок проведения поверки средств измерений, требования к знаку поверки и содержанию свидетельства о поверке», утвержденном приказом Минпромторга России от 2 июля 2015 г. № 1815 и нанесением знака поверки.
8.2. Знак поверки наносится в свидетельство о поверке и (или) в формуляр.
8.3 Отрицательные результаты поверки НЭП-К оформляют извещением о непригодности по форме, установленной в документе «Порядок проведения поверки средств измерений, требования к знаку поверки и содержанию свидетельства о поверке», утвержденном приказом Минпромторга России от 2 июля 2015 г. № 1815, свидетельство о предыдущей поверке аннулируют, а системы не допускают к применению.
Заместитель начальника отдела испытаний и поверки средств измерений ООО «ИЦРМ»
Инженер ООО «ИЦРМ»

Ю. А. Винокурова
.А. Юлык
Приложение А
(рекомендуемое) Форма записи измеренных значений сигналов фазного тока для расчета основной приведенной погрешности измерений фазного тока
Форма записи измеренных значений сигналов фазного тока для расчета основной приведенной погрешности измерений фазного тока приведена в таблицах А.1-А.5.
Таблица А.1
№пп |
Заводской № НЭП-К: | ||||||||
Задаваемые значения |
I А *ИЗМ9 ™ |
Основная погрешность уоснт., % | |||||||
I А ‘кал’ |
Частота, Гц |
Канал 1 |
Канал 2 |
Канал 3 |
I А *диап’ ™ |
Канал 1 |
Канал 2 |
Канал 3 | |
1 |
0,05 |
50 |
2,5 | ||||||
2 |
0,25 |
50 | |||||||
3 |
0,50 |
50 | |||||||
4 |
2,50 |
50 |
Таблица А.2
№пп |
Заводской № НЭП-К: |
1 | |||||||
Задаваемые значения |
I А |
Основная погрешность уоснт., % | |||||||
I А |
Частота, Гц |
Канал 1 |
Канал 2 |
Канал 3 |
I А •диап* |
Канал 1 |
Канал 2 |
Канал 3 | |
1 |
0,10 |
50 |
10,0 | ||||||
2 |
1,00 |
50 | |||||||
3 |
5,00 |
50 | |||||||
4 |
10,00 |
50 |
Таблица А.З
№пп |
Заводской № НЭП-К: |
1 | |||||||
Задаваемые значения |
I А |
Основная погрешность уоснт., % | |||||||
1 А жкал* |
Частота, Гц |
Канал 1 |
Канал 2 |
Канал 3 |
1 А 'диагг |
Канал 1 |
Канал 2 |
Канал 3 | |
1 |
0,5 |
50 |
50,0 | ||||||
2 |
5,00 |
50 | |||||||
3 |
10,00 |
50 | |||||||
4 |
15,00 |
50 | |||||||
5 |
20,00 |
50 |
Таблица А.4
№пп |
Заводской № НЭП-К: | ||||||||
Задаваемые значения |
I А *ИЗМ’ ** |
Основная погрешность уоснт., % | |||||||
I А Акал’ п |
Частота, Гц |
Канал 1 |
Канал 2 |
Канал 3 |
I А 1диал’ z Y |
Канал 1 |
Канал 2 |
Канал 3 | |
1 |
1,00 |
50 |
100,0 | ||||||
2 |
5,00 |
50 | |||||||
3 |
10,00 |
50 | |||||||
4 |
15,00 |
50 | |||||||
5 |
20,00 |
50 |
Таблица А.5
№пп |
Заводской № НЭП-К: | ||||||||
Задаваемые значения |
I А ЖИЗМ* ™ |
Основная погрешность уоснт., % | |||||||
I А жкал9 |
Частота, Гц |
Канал 1 |
Канал 2 |
Канал 3 |
I А ‘диап? z v |
Канал 1 |
Канал 2 |
Канал 3 | |
1 |
1,50 |
50 |
150,0 | ||||||
2 |
5,00 |
50 | |||||||
3 |
10,00 |
50 | |||||||
4 |
15,00 |
50 | |||||||
5 |
20,00 |
50 |
Приложение Б
(рекомендуемое)
Форма записи измеренных значений сигналов фазного напряжения для расчета основной приведенной погрешности измерений фазного напряжения
Форма записи измеренных значений для расчета основной погрешности приведена в таблице Б.1.
Таблица Б.1
№пп |
Заводской № НЭП-К: | ||||||||
Задаваемые значения |
ии3ы |
илиап. В |
Основная погрешность уосн., % | ||||||
Uил, В |
Частота, Гц |
Канал 4 |
Канал 5 |
Канал 6 |
Канал 4 |
Канал 5 |
Канал 6 | ||
1 |
2,5 |
50 |
250 | ||||||
2 |
50 |
50 | |||||||
3 |
100 |
50 | |||||||
4 |
250 |
50 |
Рисунок Б.1
Лист регистрации изменений
Изм. |
Номера листов (страниц) |
Всего листов (страниц) в докум. |
№ докум. |
Входящий № сопроводительного докум.и дата |
Подп. |
Дата | |||
Измененных |
Замененных |
Новых |
Аннулированных | ||||||
ДКНБ.468157.004ПМ
17