Руководство по эксплуатации «Преобразователь расхода индукционный микропроцессорный прим» (КЛУБ.407112.002 РЭ)
ОКП 421354
УТВЕРЖДАЮ
В части методики поверки (раздел 9) Руководитель ГЦИ СИ-заместитель

УТВЕРЖДАЮ
Директор-главный конструктор
ФГУП «ОКБ «Маяк»

ПРЕОБРАЗОВАТЕЛЬ РАСХОДА ИНДУКЦИОННЫЙ МИКРОПРОЦЕССОРНЫЙ ПРИМ
Руководство по эксплуатации
КЛУБ.407112.002 РЭ г. Пермь
Преобразователь расхода ПРИМ
СодержаниеНастоящий документ объединяет инструкцию по эксплуатации, инструкцию по монтажу, методику поверки и содержит описание устройства, принцип действия, технические характеристики и сведения, необходимые для правильной эксплуатации преобразователей расхода жидкости индукционных микропроцессорных ПРИМ и поддержания их работоспособности.
1. Назначение и область применения-
1.1. Преобразователь расхода индукционный микропроцессорный ПРИМ (в дальнейшем - преобразователь), предназначен для преобразования расхода жидкости в импульсный электрический сигнал.
Область применения преобразователей: учет расхода и количества потребляемой питьевой и технической воды в составе расходомеров и теплосчетчиков, а также других электропроводящих жидкостей в системах контроля и регулирования технологических процессов в промышленности, в том числе в пищевой.
Преобразователи выпускаются в двух исполнениях, имеющих различные метрологические характеристики, и обозначаемых буквенными индексами «О» (обычное исполнение) и «П» (прецизионное исполнение). По классификации средств измерений объема и массы жидкости, приведенной в ГОСТ 8.510-2002, преобразователи с индексом «О» относятся к рабочим средствам измерений, преобразователи с индексом «П» относятся к рабочим эталонам 2-го разряда.
Запись преобразователя при заказе и в документации другой продукции, в которой он может быть применен:
Преобразователь расхода ПРИМ-[1]-[2] -[3] КЛУБ.407112.002ТУ, где позиции в записи означают следующее:
-
[1] -условный проход (номинальный размер) трубопровода DN,
-
[2] - цифра, определяющая способ подключения внешнего кабеля:
«1» или отсутствует - клеммное соединение кабеля через гермоввод;
«2» - паяное соединение кабеля с внешним разъемом, поставляемым с преобразователем;
-
[3] - буквенный индекс исполнения:
«О» или отсутствует - обычное исполнение;
«П» - прецизионное исполнение.
-
1.2. Преобразователь работает в комплекте с вторичным прибором, определяющим количество импульсов и переводящим их в значение расхода (расходомер) или объема (счетчик жидкости). В качестве вторичных приборов могут использоваться теплоэнергоконтроллеры ИМ2300, контроллеры измерительные регистрирующие МЕР АДАТ-М или аналогичные им.
-
1.3. Преобразователь предназначен для работы в макроклиматических районах с умеренным и холодным климатом по ГОСТ 15150-69 и имеет вид климатического исполнения УХЛЗ для эксплуатации в закрытых помещениях
Преобразователь расхода ПРИМ (объемах) с естественной вентиляцией без искусственно регулируемых климатических условий.
Преобразователь предназначен для работы во взрывобезопасном помещении.
По защищенности от воздействия окружающей среды преобразователь соответствует исполнению IPX5 по ГОСТ 14254-96.
По стойкости к механическим воздействиям преобразователь соответствует исполнению N2 по ГОСТ Р 52931-2008.
По устойчивости к воздействию температуры и влажности окружающего воздуха преобразователь относится к группе СЗ по ГОСТ Р 52931-2008, для температур от минус 10 до +50°С и относительной влажности не более 95%.
2.Технические данные-
2.1. Измеряемая среда - невзрывоопасная жидкость, не содержащая растворённый сероводород. Измеряемая среда должна быть неагрессивной к стали марки 12Х18Н10Т ГОСТ 5632-72, и фторопласту Ф-4 ГОСТ 10007-80.
Параметры измеряемой среды: Температура, °C Рабочее давление, МПа Удельная электрическая проводимость, См/м Механические примеси, г/л
от 1 до 150 ДО 2,5 от 5-Ю’4 до 10 не более 0,5
-
2.2. Преобразователь вырабатывает импульсный выходной сигнал, гальванически развязанный с электрической схемой (через оптопару).
Длительность импульса не менее 250 мкс.
-
2.3. Номинальные размеры и диапазоны расхода преобразователей.
-
2.3.1. Условные проходы трубопроводов, на которые устанавливаются преобразователи, и диапазоны преобразования расхода приведены в табл.2.1
-
2.3.2. Предельные значения весов импульсов (коэффициентов К) преобразователей с различными номинальными размерами приведены в табл.2.2. Конкретное значение коэффициента К указывается в паспорте преобразователя.
-
Длительность выходного импульса устанавливается при настройке прибора. Стандартные длительности импульсов составляют:
-
- при максимальном значении коэффициента К - 300 мкс;
-
- при минимальном значении коэффициента К - 30000 мкс.
Таблица 2.1
Условные проходы (номинальные размеры) |
Индекс исполнения |
о Диапазоны преобразования расхода, м /ч | ||
QiiaHM |
Qnepex |
Qnan6 | ||
DN 10 |
О |
0,03 |
0,03 |
3 |
П |
0,03 |
- |
2 | |
DN 15 |
О |
0,03 |
0,06 |
6 |
DN20 |
о |
0,06 |
0,12 |
12 |
DN25 |
О |
0,075 |
0,15 |
15 |
п |
0,15 |
10 | ||
DN32 |
О |
0,15 |
0,3 |
30 |
DN40 |
О |
0,2 |
0,4 |
40 |
DN50 |
О |
0,3 |
0,6 |
60 |
DN80 |
О |
0,75 |
1,5 |
150 |
п |
1,5 |
- |
100 | |
DN 100 |
О |
1,0 |
2,0 |
200 |
DN 150 |
О |
2,0 |
4,0 |
400 |
Таблица 2.2
Номинальные размеры |
Коэффициент К, импульс/м3 | |
Минимальное значение |
Максимальное значение | |
DN 10 |
12000 |
2000000 |
DN 15 |
6000 |
1000000 |
DN20 |
3000 |
500000 |
DN25 |
2400 |
400000 |
DN32 |
1200 |
200000 |
DN40 |
900 |
150000 |
DN50 |
600 |
- 100000 |
DN80 |
240 |
40000 |
DN 100 |
180 |
30000 |
DN 150 |
90 |
15000 |
-
2.4. Предел допускаемой относительной погрешности преобразователя не превышает:
-
- для преобразователя исполнения «О» - (±1,0)% от преобразуемого значения измеряемого расхода в диапазоне от Qnepex до QHan6 и (±2,0)% от преобразуемого значения измеряемого расхода в диапазоне от QHailM до Qnepex ;
-
- для преобразователя исполнения «П» - (±0,25)% от преобразуемого
значения измеряемого расхода в диапазоне от QHaiIM до QHaH6.
Преобразователь расхода ПРИМ
-
2.5. Выходная цепь преобразователя гальванически развязана от остальных цепей и корпуса и имеет параметры:
Низкое сопротивление, Ом, не более - 200;
Высокое сопротивление, Ом, не менее - 50000;
Предельно допускаемый ток, мА - 30;
Предельно допускаемое напряжение гальванической развязки, В - 30.
-
2.6. Напряжение питания и потребляемая мощность.
-
2.6.1. Питание преобразователей исполнения «О» осуществляется от внешнего источника постоянного тока стабилизированным напряжением (24±3)В. Потребляемый ток - не более 40 мА (потребляемая мощность не более
-
-
1 Вт).
-
2.6.2. Питание преобразователей исполнения «П» осуществляется от внешнего источника постоянного тока стабилизированным напряжением (24±1)В. Потребляемый ток - не более 80 мА (потребляемая мощность не более
-
2 Вт).
-
2.7. Соединение преобразователя с источником питания производится 2-х жильным кабелем или отдельными проводами сечение жилы и длина кабеля должны быть подобраны так, чтобы выполнялись требования п.2.6. Сигнал от преобразователя во вторичный прибор должен передаваться по экранированному кабелю или по кабелю, выполненному в виде витой пары, с сопротивлением каждой жилы не более 20 Ом..
-
2.8. Масса преобразователя и его габаритные размеры приведены в приложении 3.
-
-
3.1. Комплект поставки преобразователя соответствует таблице 3.1.
Таблица 3.1
Наименование |
Обозначение документа |
Кол-во |
Примечание | ||
ПРИМ- |
[DN1 |
-1 |
КЛУБ.407112.002ТУ |
1 | |
ПРИМ- |
[DN] |
-2 |
КЛУБ.407112.002ТУ |
1 | |
Разъем 2РМ18КХХ7ГХХХ |
1 |
Для nPHM-[DN]-2 | |||
Комплект монтажных частей: Прокладки Фланцы ответные Болты Гайки |
1 |
По заказу |
Руководство по эксплуатации |
КЛУБ.407112.002РЭ |
1 |
На партию поставки, но не менее 1 экз. в один адрес |
Паспорт |
КЛУБ.407112.002ПС |
1 | |
Инструкция по тестированию и настройке |
КЛУБ.407112.002ИТН |
1 |
По заказу |
-
4.1. ПРИНЦИП ДЕЙСТВИЯ
-
4.1.1. Принцип действия преобразователя расхода основан на явлении электромагнитной индукции. В потоке электропроводной жидкости с помощью катушек индуктивности создается магнитное поле, перпендикулярное направлению потока. В жидкости, как в движущемся проводнике, наводится электродвижущая сила (ЭДС), величина которой пропорциональна средней по сечению скорости движения жидкости (т.е. текущему объемному расходу жидкости) и току в катушках. ЭДС снимается двумя электродами, установленными в трубе преобразователя перпендикулярно направлениям магнитного поля и потока жидкости и контактирующими с жидкостью.
-
4.1.2. Для исключения влияния статического электрического поля, возникающего между металлическими электродами в жидкости (электрохимический потенциал) и других случайных воздействий, магнитное поле, формируемое катушками, периодически изменяется по определенному алгоритму.
-
4.1.3. Формирование импульсов тока в катушках индуктивности, снятие величины ЭДС с электродов, выделение полезного сигнала и преобразование его в последовательность выходных импульсов осуществляется электронным блоком, работающим под управлением микропроцессора.
-
-
4.2. СОСТАВ ПРЕОБРАЗОВАТЕЛЯ
Преобразователь состоит из двух основных частей: проточной части и электронного блока, соединенных полым кронштейном.
-
4.2.1. Конструкция проточной части.
Проточная часть имеет трубу круглого сечения, футерованную фторопластом.*) В трубу диаметрально противоположно герметично вмонтированы два электрода из стали 12Х18Н10Т. Снаружи трубы расположены соосно две катушки индуктивности, оси катушек перпендикулярны направлению между электродами. Труба заключена в стальной корпус, являющийся одновременно магнитопроводом индуктора. Провода от катушек индуктора и от измерительных электродов проходят через полый кронштейн к электронному блоку.
) Примечание. Проточная часть не содержит внутренних выступающих частей, поэтому для расчета потерь напора при проектировании конкретного узла измерения расхода
Преобразователь расхода ПРИМ преобразователь следует рассматривать, как прямолинейный участок трубопровода, имеющий диаметр (DN) и длину (L) проточной части (Приложение 3).
-
4.2.2. Конструкция электронного блока.
Электронный блок ПРИМ имеет две модификации, отличающихся способом электрического соединения с вторичным прибором. Преобразователь с электронным блоком модификации 1 имеет обозначение ПРИМ-fDNJ-l, а преобразователь с электронным блоком модификации 2 имеет обозначение nPHM-[DN]-2, где DN - условный проход (номинальный размер) трубопровода.
-
4.2.2.1. В корпусе электронного блока модификации 1 имеется плата, на которой расположен разъемный соединитель для подключения разъема с проводами от проточной части и клеммные колодки для присоединения внешнего кабеля (провода питания и сигнальные провода). Кабель входит внутрь электронного блока через гермоввод. Схема подключения приведена в приложении 1, рис.1.
Плата крепится к корпусу электронного блока двумя винтами.
-
4.2.2.2. В корпусе электронного блока модификации 2 имеется такая же плата, как в модификации 1, но клеммные колодки соединены проводами с внешним разъемным соединителем с помощью пайки. Преобразователь имеет выходной разъем ХР1 (2РМГ18Б7Ш) для подключения к вторичному прибору. Схема подключения приведена в приложении 1, рис.2.
-
4.2.3. Корпус электронного блока крепится болтовыми соединениями к кронштейну проточной части с герметизирующей прокладкой. С противоположной стороны корпус закрывается крышкой, также с герметизирующей прокладкой.
-
4.3. ОПИСАНИЕ РАБОТЫ ЭЛЕКТРОННОЙ СХЕМЫ
-
4.3.1. Электронная схема преобразователя расхода состоит из трех основных блоков: блок ключей возбуждения тока индуктора; усилитель сигналов ЭДС от электродов; микропроцессорный блок обработки.
-
4.3.1.1. Блок ключей возбуждения тока индуктора -формирует рабочий ток индуктора в последовательности: «Положительное» направление тока - «Ноль» тока - «Отрицательное» направление тока - «Ноль» тока.
-
-
Во время «Ноля» тока фиксируется электрохимический потенциал на электродах. Во время положительного и отрицательного тока измеряется сигнал. Длительность полного цикла измерения составляет примерно 80 мс. Ключи спроектированы так, что при включении быстро «накачивают» индуктивность катушек за счет энергии, запасенной в конденсаторе, и при напряжении большем, чем рабочее. При выключении структура ключей позволяет аккумулировать на конденсаторе энергию, выделяющуюся при коллапсе поля в индукторе, чтобы использовать ее в следующем цикле. В результате снижается токопотребление преобразователя, т.к. энергия тратится только на рассеяние на активном сопротивлении индуктора.
-
4.3.1.2. Усилитель усиливает сигнал с электродов до уровня около ЗВ, компенсирует электрохимический потенциал и передает полученный неосредненный сигнал на встроенный в микропроцессор аналого-цифровой преобразователь (АЦП).
-
4.3.1.3. Микропроцессорный блок управляет работой всей схемы в соответствии с программой, записанной во FLASH памяти. Его основные функции:
-
- управление ключами возбуждения индуктора;
-
- оцифровка, усреднение, фильтрация входного сигнала;
-
- формирование внутреннего сигнала по контрольным точкам расхода, измеренного по эталонному прибору при градуировке преобразователя на поверочной установке, возможно хранение до 10 контрольных точек;
-
- формирование выходной импульсной последовательности, пропорциональной расходу.
-
4.3.2. Электронный блок имеет технологический последовательный канал связи (интерфейс RS 232), который используется при тестировании и настройке преобразователя. Преобразователь имеет пломбу для защиты от несанкционированного доступа к каналу связи в условиях эксплуатации (см. Приложение 3).
-
5.1. После траснспортирования при низких температурах перед вводом в эксплуатацию необходимо выдержать преобразователь в рабочих условиях в течение одного часа.
-
5.2. Запрещается устанавливать преобразователи на трубопроводах с рабочим давлением выше паспортного значения, а также допускать гидравлические удары на участках трубопровода с установленными преобразователями.
-
5.3. Демонтаж преобразователей производить только после остановки перекачки жидкости и снятия избыточного давления по участку трубопровода, где установлен прибор.
-
- Запрещается проведение сварочных работ на трубопроводе с установленным преобразователем.
-
- Сварочные работы на трубопроводе производить с использованием имитаторов проточных частей преобразователей.
-
5.4. Преобразователь при штатной эксплуатации не имеет электрических цепей с напряжением, опасным для жизни человека.
-
5.5. При проведении ремонтных работ должны выполняться меры предосторожности при работе с фторопластом-4. Фторопласт-4 при
Преобразователь расхода ПРИМ температуре до 260°С не взрывоопасен. Однако при нагревании фторопласта-4 свыше 260°С выделяются вредные летучие вещества. Ремонтные работы должны проводиться в производственных помещениях, оборудованных приточно-вытяжной вентиляцией.
-
5.6. При утилизации преобразователей металлические части изделий направлять в металлолом, печатные платы измельчать и использовать в качестве инертных наполнителей, а части измерительной трубы из фторопласта-4 направлять в региональное специализированное учреждение по утилизации фторопласта-4.
-
6.1. Преобразователь устанавливается в трубопровод и крепится фланцевым соединением с помощью болтов. Преобразователь следует устанавливать в местах, удобных для монтажа и обслуживания. Размеры фланцев указаны в приложении 3. Для преобразователя ПРИМ-10 возможно муфтовое крепление (приложение 4). Внимание! Для монтажа/демонтажа ПРИМ-10 с муфтовым соединением при затягивании/ослаблении элементов крепления необходимо использовать гаечный ключ (32 мм), с помощью которого нужно удерживать штуцер с затягиваемой/ослабляемой муфтой или гайкой. Использовать корпус преобразователя или противоположный штуцер для удерживания при затягивании/ослаблении крепежа категорически запрещается во избежание осевого проворачивания деталей корпуса относительно друг друга.
-
6.2. При монтаже преобразователей для обеспечения их работоспособности необходимо обеспечить надежное электрическое соединение клеммы «Земля» корпуса электронного блока с участками трубопровода в соответствии с чертежом. Для обеспечения соединения в цилиндрической поверхности фланцев монтажных участков трубопровода необходимо выполнить отверстия с резьбой под винт Мб.
-
6.3. Допустимый уровень вибрации трубопровода в месте установки преобразователя: частота - до 55 Гц, амплитудой - до 0,35 мм.
-
6.4. Амплитуда напряженности внешнего магнитного поля, меняющегося синусоидально с частотой 50 Гц, в месте расположения преобразователя должна быть не более 400 А/м. Не рекомендуется устанавливать преобразователь вблизи источников электромагнитных помех, таких как электродвигатели, трансформаторы или другие источники энергии, которые могут вызывать искажения магнитного поля, генерируемого индуктором.
-
6.5. При монтаже преобразователей в трубопроводе необходимо выполнение следующих условий:
-
- преобразователь можно устанавливать на вертикальном, горизонтальном или наклонном участке трубопровода, наличие грязевиков или специальных фильтров не обязательно;
-
- проточная часть преобразователя во время его работы должна быть заполнена жидкостью;
- в потоке жидкости, протекающей через преобразователь, не должно быть пузырьков воздуха или других газов и примесей веществ, которые могут оседать на внутренние стенки проточной части преобразователя.
Для выполнения условий необходимо учесть изложенные ниже рекомендации по установке преобразователя.
-
6.5.1. Монтаж на вертикальном участке трубопровода
Рис. 6.1.
Монтаж рекомендуется для жидкостей или суспензий, содержащих твердые частицы, которые при таком монтаже будут оседать на дно трубопровода (рис. 6.1)
-
6.5.2. Монтаж на горизонтальном участке трубопровода
При монтаже на горизонтальном участке отклонение оси кронштейна от вертикали должно составлять не более 30° (рис. 6.2).

При повышенных температурах жидкости (например, теплоносителя в системах водяного теплоснабжения) рекомендуется устанавливать электронный блок снизу трубопровода для предотвращения его перегрева конвективными воздушными потоками от горячих участков трубопровода.
-
6.5.3. Монтаж в системах с открытым разбором жидкости
Для обеспечения заполнения проточной части преобразователя жидкостью при монтаже в системах с открытым разбором рекомендуется устанавливать преобразователь на поднимающейся под углом к горизонтали части трубопровода так, чтобы жидкость через преобразователь протекала в направлении снизу вверх (рис. 6.3а) или в горизонтальном участке U-образного трубопровода (рис. 6.36).


прямые участки
Рис. 6.3 б.
Преобразователь расхода ПРИМ
-
6.5.4. Длины прямых участков.
-
6.5.4.1. Прямые участки на входе преобразователя.
Для обеспечения требуемой точности измерения расхода участок трубопровода, примыкающей к входу преобразователя должен иметь внутренний диаметр, совпадающий с условным проходом преобразователя, и иметь длину не менее 3 условных проходов.
-
6.5.4.2. Прямые участки на выходе преобразователя.
На выходе преобразователя необходимо создать прямой участок трубопровода с внутренним диаметром равным условному проходу преобразователя, длина участка должна составлять не менее 2 условных проходов.
Соединение прямых участков с трубопроводом при необходимости выполнять концентрическими переходами по ГОСТ 17378-2001
7. Подготовка к работе-
7.1. Преобразователь, установленный в трубопровод, необходимо соединить со вторичным прибором в соответствии со схемой приложения 1 и инструкцией по эксплуатации вторичного прибора.
-
7.2. При подключении преобразователя следует проследить за тем, чтобы вторичный прибор был настроен на работу с данным преобразователем: паспортные данные (диапазон измерения, коэффициент К, длительность выходных импульсов) должны совпадать с установками вторичного прибора.
-
7.3. После заполнения трубопровода жидкостью и удаления воздуха из системы в соответствии с правилами эксплуатации трубопроводов подать питание на преобразователь и прогреть прибор в течение 5 минут.
-
8.1. Определение объема и расхода протекающей жидкости производится по показаниям вторичного прибора. Текущие показания индицируются на табло вторичного прибора и/или на встроенном индикаторе при его наличии. Архив хранится в электронной памяти вторичного прибора.
-
8.2. При отсутствии жидкости в трубопроводе питание преобразователя рекомендуется отключить.
-
8.3. Если при эксплуатации преобразователя возникают причины, приводящие к неустойчивой работе преобразователя, преобразователь вырабатывает нулевой выходной сигнал. Возможные причины неустойчивой работы преобразователя и способы их устранения приведены в таблице 8.1.
Таблица 8.1
Возможная причина неустойчивой работы преобразователя |
Способ устранения |
Наличие воздуха в трубопроводе |
Удалить воздух из системы с помощью спускников |
Наличие повышенной электромагнитной помехи |
Определить источник помехи и уменьшить его влияние, например, улучшить качество заземляющих устройств электродвигателей, частотных приводов и т.п. Проверить выполнение требований п.6.2 и при необходимости восстановить электрические соединения преобразователя с трубопроводом |
Отложение изолирующего осадка на электродах |
Снять преобразователь, очистить электроды и промыть внутреннюю поверхность проточной части преобразователя |
Выпадение на внутренние стенки проточной части электро проводящего осадка, вызванное нарушением правил водо подготовки (снижение сигнала преобразователя) |
Снять преобразователь и промыть внутреннюю поверхность проточной части. Определить причину появления осадка и устранить ее, например, восстановить нормальную работу угольных фильтров |
-
9.1. Данный раздел Руководства по эксплуатации распространяется на методику поверки преобразователя ПРИМ и устанавливает методику его первичной и периодической поверок.
Межповерочный интервал:
-
- для преобразователя исполнения «О» - 4 года;
-
- для преобразователя исполнения «П» - 1 год.
При выпуске из производства преобразователи ПРИМ подлежат поверке. В эксплуатации преобразователи ПРИМ подлежат поверке или калибровке в зависимости от сферы применения.
-
9.2. ОПЕРАЦИИ ПОВЕРКИ
-
9.2.1. При проведении поверки должны выполняться следующие операции, приведенные в таблице 9.1.
-
Преобразователь расхода ПРИМ
Таблица 9.1
Наименование операции |
Номер пункта РЭ |
Проведение операции при | |
Первичной поверке |
Периодической поверке | ||
1.Внешний осмотр |
9.7.1 |
Да |
Да |
2.Проверка герметичности |
9.7.2 |
Да |
Да |
3.Определение относительной погрешности преобразователя |
9.7.3 |
Да |
Да |
-
9.3. СРЕДСТВА ПОВЕРКИ
-
9.3.1. При проведении поверки должны применяться следующие средства поверки, приведенные в таблице 9.2.
-
Таблица 9.2
Номер пункта РЭ |
Наименование и тип (условное обозначение) основного или вспомогательного средства поверки; обозначение нормативного документа, регламентирующего технические требования, и (или) метрологические и основные технические характеристики средства поверки |
9.7.2. |
Манометр МПЗ-УУ2 ТУ 25-02, диапазон измерений от 0 до 4,0 МПа, класс точности 1,5. |
9.7.3.2 |
Установка поверочная расходомеров-счетчиков жидкости с пределами допускаемой погрешности при измерении среднего расхода и объема воды (±0,33)%, с диапазоном воспроизводимых расходов от 0,03 до 100 м3/ч. |
9.7.3.2 |
Прибор вторичный теплоэнергоконтроллер ИМ2300 23.00.00.001ТУ,ГР 14527-95. |
9.7.3.3 |
Поверочная установка для поверки методом измерения объёма или массы с основной погрешностью не более (±0,33)% - для поверки преобразователя ПРИМ исполнения «О»; (±0,08)% - для поверки преобразователя ПРИМ исполнения «П» |
9.7.3.3 |
Частотомер 43-54, Ея2.721.039ТУ |
-
9.3.2. Допускается применение другого оборудования, приборов и устройств, характеристики которых не уступают характеристикам оборудования и приборов, приведенных в п. 9.3.1. При отсутствии оборудования и приборов с характеристиками, не уступающими указанным, по согласованию с представителем территориального органа Государственной метрологической службы, выполняющим поверку, допускается применение оборудования и приборов с характеристиками, достаточными для получения достоверного результата поверки.
-
9.3.3. Все средства измерения и контроля должны быть поверены и иметь действующие свидетельства или отметки о поверке.
-
9.4. ТРЕБОВАНИЯ БЕЗОПАСНОСТИ
-
9.4.1. К проведению измерений при поверке и обработке результатов измерений допускаются лица, аттестованные в качестве поверителя, изучившие эксплуатационную документацию на преобразователь и средства их поверки, имеющие опыт поверки средств измерений расхода и объема жидкости, а также прошедшие инструктаж по технике безопасности в установленном порядке.
-
-
9.5. УСЛОВИЯ ПРОВЕДЕНИЯ ПОВЕРКИ
-
9.5.1. При проведении поверки преобразователей ПРИМ с помощью поверочных расходомерных установок должны соблюдаться следующие условия:
-
-
- измеряемая среда - водопроводная вода, проточная часть преобразователя полностью заполнена водой;
-
- температура окружающего воздуха - от +15 до +35°С;
-
- температура измеряемой среды - от +5 до +40°С;
-
- давление измеряемой среды - не более 2,5 МПа;
-
- относительная влажность окружающего воздуха - от 30 до 80%;
-
- атмосферное давление - от 86 до 106,7кПа;
-
- напряжение питания - (24±3) В;
-
- внешние электрические и магнитные поля в пределах, не влияющих на работу поверяемых приборов;
-
- длина прямолинейных участков трубопровода на входе в патрубок преобразователя не менее 3-DN, на выходе преобразователя не менее 2-DN;
-
- вибрация в пределах, не влияющих на работу поверяемых приборов.
-
9.5.2. На первичную поверку представляются преобразователи, прошедшие настройку в соответствии с инструкцией КЛУБ.407112.002ИТН.
-
9.6. ПОДГОТОВКА К ПРОВЕДЕНИЮ ПОВЕРКИ
-
9.6.1. Перед проведением поверки должны быть выполнены следующие подготовительные работы:
-
-
- проверка наличия паспорта;
-
- проверка наличия лицензии на право изготовления данного средства измерения (при проведении первичной поверки);
-
- проверка наличия поверочного оборудования в соответствии с п.п. 9.3.1 и п.п. 9.3.2 настоящего Руководства;
-
- проверка наличия действующих свидетельств или отметок о поверке средств измерения и контроля;
-
- проверка соблюдения условий п.п. 9.5.1 настоящего Руководства.
-
9.6.2. Перед проведением поверки должна быть проведена подготовка к работе каждого прибора, входящего в состав поверочного оборудования, в соответствии с его инструкцией по эксплуатации.
-
9.7. ПРОВЕДЕНИЕ ПОВЕРКИ
-
9.7.1. Внешний осмотр
-
При внешнем осмотре устанавливается:
-
- соответствие маркировки требованиям технической документации;
-
- наличие паспорта на преобразователь, выпущенный из производства, и свидетельства о предыдущей поверке преобразователя, находящегося в эксплуатации;
-
- отсутствие повреждений и дефектов покрытий, ухудшающих технические характеристики и влияющих на работоспособность.
-
9.7.2. Проверка герметичности
-
9.7.2.1. Проверку герметичности преобразователя проводят испытанием водой путем создания в полости проточной части преобразователя давления 3,8 МПа при первичной поверке и 2,5 МПа при периодической поверке. Время выдержки под давлением - 15 минут.
-
Преобразователь считается выдержавшим проверку, если в течение 15 минут не наблюдалось просачивания жидкости, а также снижения давления по контрольному манометру.
При первичной поверке проверка на герметичность преобразователя осуществляется путем проверки наличия паспорта на проточную часть с отметкой предприятия-изготовителя проточной части, подтверждающей ее герметичность.
-
9.7.3. Определение относительной погрешности преобразователя
-
9.7.3.1. Относительная погрешность преобразователя определяется в трех точках. Поверочные точки приведены в табл.9.3. В зависимости от особенностей эксплуатации поверяемых преобразователей могут быть установлены другие поверочные точки.
-
Таблица 9.3
Условные проходы (номинальные размеры) |
Индекс исполнения |
Расход, м3/ч | ||
Поверочные точки | ||||
1 |
2 |
3 | ||
DN 10 |
О |
3 |
1,5 |
0,03 |
П |
2 |
1 |
0,03 | |
DN 15 |
О |
6 |
3 |
0,03 |
DN20 |
О |
12 |
6 |
0,06 |
DN25 |
О |
15 |
7,5 |
0,075 |
п |
10 |
5 |
0,15 | |
DN32 |
О |
30 |
15 |
0,15 |
DN40 |
О |
40 |
20 |
0,2 |
DN50 |
О |
60 |
30 |
0,3 |
DN80 |
о |
75 |
38 |
0,75 |
п |
100 |
50 |
1,5 | |
DN100 |
о |
100 |
50 |
1,0 |
DN150 |
О |
100 |
50 |
2,0 |
Примечание: Поверочные значения расходов допускается устанавливать с точностью:
1-я точка минус 10%, 2-я точка (+10 -50)%, 3-я точка +50%.
Минимальное количество жидкости, проливаемое через преобразователь при поверке (объем проливки) приведено в табл.9.4.
Таблица 9.4
Условные проходы (номинальные размеры) |
Индекс исполнения |
Минимальный объем проливки, м3 | ||
Поверочные точки | ||||
1 |
2 |
3 | ||
DN 10 |
О |
0,05 |
0,02 |
0,003 |
П |
0,05 |
0,02 |
0,005 | |
DN 15 |
О |
0,10 |
0,04 |
0,005 |
DN20 |
о |
0,20 |
0,08 |
0,01 |
DN25 |
О |
0,75 |
0,33 |
0,015 |
п |
0,75 |
0,33 |
0,03 | |
DN32 |
о |
1,5 |
0,75 |
0,025 |
DN40 |
о |
2,0 |
1,0 |
0,04 |
DN50 |
О |
3,0 |
1,5 |
0,05 |
DN80 |
О |
7,5 |
3,3 |
0,15 |
п |
7,5 |
3,3 |
0,3 | |
DN 100 |
О |
10,0 |
5,0 |
0,20 |
DN 150 |
О |
20,0 |
10,0 |
0,35 |
-
9.7.3.2. Определение относительной погрешности преобразователя ПРИМ на поверочной установке методом сличения с показанием эталонного преобразователя расхода, входящего в состав установки (рекомендуется для преобразователей ПРИМ исполнения «О»).
Сигналы от поверяемых преобразователей и от эталонного преобразователя подаются во вторичные приборы. При использовании вторичного прибора ИМ2300 (приложение 2, рис. 1) одновременно могут поверяться несколько преобразователей, количество которых определяется конструкцией поверочной установки и количеством свободных входов у вторичного прибора.
-
9.7.3.2.1. Собрать схему, приведенную на рис. 1 приложения 2.
-
9.7.3.2.2. Установить расход по эталонному преобразователю для к-й поверочной точки (к=1, 2, 3) с учетом требований п.п.9.7.3.1.
-
9.7.3.2.3. Считать значения среднего расхода из электронных архивов вторичных приборов для поверяемого преобразователя Qnk и для эталонного £?эк в м3/ч. Записать показания в протокол произвольной формы или внести в память компьютера для последующей обработки.
-
9.7.3.2.4. Определить относительную погрешность в k-й поверочной точке Sk по формуле:
л -100%.
Q3k
-
9.7.3.2.5. Повторить действия п.п.9.7.3.2.2-9.7.3.2.4 для каждой поверочной точки1.
Максимальное значение вычисленных погрешностей принимается за относительную погрешность преобразователя.
9.7.3.3. Определение относительной погрешности преобразователя на поверочной установке методом измерения объёма (применяется для преобразователей ПРИМ исполнения «П», может использоваться для преобразователей ПРИМ исполнения «О»).
-
9.7.3.3.1. Собрать схему, приведенную на рис.2 приложения 2.
-
9.7.3.3.2. Установить требуемый расход для k-й поверочной точки (к=1, 2, 3) с учетом требований п.9.7.3.1.
-
9.7.3.3.3. Определить относительную погрешность в k-й поверочной точке 5к по формуле:
5к = .1Оо%,
где:
8к - погрешность преобразователя в к-той поверочной точке;
V3k - значение действительного объёма воды по показаниям поверочной установки, м3;
Nk - показания частотомера, работающего в режиме счета импульсов, подключенного к импульсному выходу преобразователя, имп;
К - константа импульсного выхода преобразователя (имп/м3), указанная в паспорте на преобразователь (см. табл. 2.2).
Результат занести в протокол произвольной формы.
-
9.7.3.3.4. Повторить действия пп.9.7.3.3.2-9.7.3.3.3 для каждой поверочной точки.
Максимальное значение вычисленных погрешностей принимается за относительную погрешность преобразователя.
-
9.7.3.4. Преобразователь признается годным, если значение относительной погрешности, определенной по п.9.7.3.2 или 9.7.3.3 не превышает
- для преобразователя исполнения «О» - (±1,0)% в 1-й и 2-й поверочных точках и (±2,0)% в 3-й поверочной точке;
- для преобразователя исполнения «П» - (±0,25)% во всех поверочных точках.
-
9.8. ОФОРМЛЕНИЕ РЕЗУЛЬТАТОВ ПОВЕРКИ
-
9.8.1. Положительные результаты поверки оформляются записью в паспорте или в свидетельстве о поверке преобразователя ПРИМ, заверенной подписью поверителя и поверительным клеймом.
-
9.8.2. В случае отрицательных результатов первичной поверки преобразователь возвращается в производство на доработку, после чего подлежит повторной поверке.
-
9.8.3. При отрицательных результатах определения погрешности при периодической поверке преобразователь подлежит настройке по п.9.5.2. Преобразователь, не прошедший поверку после настройки, к применению не допускается, в его паспорте производится запись о непригодности преобразователя к эксплуатации, а клеймо гасится.
-
-
10.1. Обслуживание преобразователей расхода в процессе эксплуатации заключается в проведении периодических поверок в соответствии с методикой поверки, приведенной в п.9, а также периодических осмотров. Периодические осмотры должны проводиться не менее двух раз в течение одного межповерочного интервала.
При периодическом осмотре обследуется:
-
- состояние герметизирующих элементов преобразователя;
-
- состояние наружных поверхностей, отсутствии вмятин, следов коррозии и других повреждений;
-
- целостность соединительного кабеля и надежность соединений.
-
10.2. Осмотр преобразователей производится в следующей последовательности:
-
- отсоединить разъем кабеля подключения, а затем заземляющее устройство;
-
- остановить перекачку жидкости по трубопроводу;
-
- убедиться в отсутствии избыточного давления в трубопроводе;
-
- отвернуть фланцевый крепеж и извлечь преобразователь.
Осмотреть рабочие поверхности преобразователя, удалить механические отложения и налет внутри проточной части промыванием этиловым спиртом ГОСТ Р 51652-2000 или бензином Б70 ГОСТ 1012-72.
-
10.3. Осмотреть разъемное соединение преобразователя и в случае обнаружения налета промыть контакты этиловым спиртом. Суммарное количество этилового спирта - 30 г на один преобразователь.
-
10.4. Установить преобразователь на трубопровод в соответствии с п.6.
-
10.5. Подключить внешний кабель к преобразователю с помощью разъема или клеммных соединений.
-
10.6. Осмотр и ремонт преобразователя, связанный со вскрытием электронного блока, производить только на предприятии-изготовителе или в специализированной организации, обладающей соответствующей лицензией, с последующей настройкой и поверкой преобразователя.
-
10.7. При выходе из строя в течение гарантийного срока преобразователь должен быть отправлен в ремонт на предприятие-изготовитель с приложением паспорта и рекламационного акта.
-
11.1. Преобразователи расхода должны храниться на стеллажах в упакованном виде в сухом отапливаемом помещении при температуре окружающего воздуха от 5°С до 40°С и относительной влажности до 80 %. Воздух не должен содержать примеси агрессивных паров и газов.
-
11.2. Обслуживание преобразователей во время хранения не предусматривается.
-
12.1. Транспортирование преобразователей должно производиться в упакованном виде в контейнерах, закрытых железнодорожных вагонах, в трюмах речных и морских судов, и автомобильным транспортом с защитой от атмосферных осадков.
При погрузке и выгрузке необходимо соблюдать требования, оговоренные предупредительными знаками на таре.
-
12.2. После транспортирования при отрицательных температурах необходима выдержка преобразователей в упаковке в течение одного часа при температуре не ниже 15 °C и влажности окружающего воздуха до 80%.
Схемы подключения преобразователя ПРИМ к вторичному прибору (ВП) и к источнику питания (ИП)

ПРИМ
PBD-08 (разъем закрыт опломбированной пластинкой)

• |
+24V |
• |
GND |
-F |
• |
+F |
• |

Рис.1. Схема подключения преобразователя ПРИМ-fDNJ-l.

5BD-08 (разъем закрыт -- опломбированной "2 пластинкой)
ПРИМ

-F |
• |
+F |
• |
+24V |
• |
GND |
• |
F-O) |
1 |
F + (K) . |
2 ■ |
3 | |
4 | |
5 | |
+ U |
6 |
- и |
7 • |


2РМГ18Б7Ш
______________________I
Рис.2. Схема подключения преобразователя nPHM-[DN]-2.
Преобразователь расхода ПРИМ
Приложение 2
Схемы подключения преобразователя ПРИМ при поверке

Рис.1. Схема подключения при поверке на установке методом сличения с помощью прибора ИМ2300.
1- поверяемый преобразователь, 2 - эталонный преобразователь поверочной установки с импульсным выходом, 3 - прибор ИМ2300, 4 - персональный компьютер.

Рис.2. Схема подключения при поверке с помощью частотомера.
1 - поверяемый преобразователь, 2 - поверочная установка для определения погрешностей методом измерения объёма, 3 - источник питания 24В, 4 -частотомер.
Преобразователь расхода ПРИМ Установка преобразователя на трубопроводе
Исполненные 1 (ПРИМ-1 0-1 ...ПРИМ-150-1)



1 - Преобразователь расхода
-
2— Трубопровод с фланцем
-
3— Болт М XX -6д х XX
-
4— Гайка М .XX -7Н
-
5— Шайба XX 65Г
6~ Шайба XX
-
7- Прокладка
-
8- ПроВод ’’общий”
-
9- Перемычка
10” Винт Мб-бдхЮ
14 — Шайба 6 65Г
Размера б мм

Приложение 3 (окончание)
ПреоброзоВотель расхода ПРИМ
Установка преобразователя на трубопроводе
Исполнении© 2 (ПРИМ-10—2...ПРИМ-150-2)


-
1- Преобразователь расхода
-
2- Трубопровод с фланцем
-
3- Болт М XX 6д х XX
-
4- Гайка М XX -7Н
-
5- Шайба XX 65Г
-
6- Шайба XX
-
7- Прокладка
-
8- ПроВод "общий”
-
9- Перемычка
-
10- Винт М6-6дх10
41 — Шайба 6 65Г
Размера 6 мм




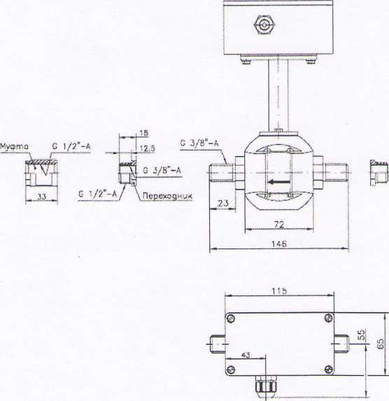
Преобразователь расхода ПРИМ-10 (бесфланцевое исполнение). Габаритно-установочные размеры
Примечания: 1. Муфты и переходники для монтажа преобразователя являются покупными изделиями и в комплект поставки не входят.
2. Прямые измерительные участки по п. 6.5.4 выполнены внутри присоединительных резьбовых штуцеров.
Преобразователь расхода ПРИМ
ЛИСТ РЕГИСТРАЦИИ ИЗМЕНЕНИЙ
Изм. |
Номера листов (страниц) |
Всего листов в документе |
№ документа |
Вход. № и дата |
Подпись |
Дата | |||
измененных |
замененных |
новых |
аннулированных | ||||||
• |
26
При использовании компьютерной программы “FlowCalibration” (разработка ФГУП «ОКБ «Маяк») требования пп.9.7.3.2.3-4 выполняются программой автоматически.