Методика поверки «Счетчики электрической энергии однофазные статические РиМ 129.01, РиМ 129.02, РнМ 129.03, РиМ 129.04» (ВНКЛ.411152.080 ДИ)
СОГЛАСОВАНО

УТВЕРЖДАЮ
_ ''х
Заместитель директора ФГУП «СНИИМ»
_Е.С К

Счетчики электрической энергии однофазные статические
РиМ 129.01, РиМ 129.02, РиМ 129.03, РиМ 129.04
Методика поверки
ВНКЛ.411152.080 ДИ
л -16г. Новосибирск 2015
Настоящая методика поверки распространяется на счетчики электрической энергии однофазные статические РиМ 129.01, РиМ 129.02, РиМ 129.03, РиМ 129.04 (далее - счетчики) и устанавливает методику их первичной и периодической поверки. Основные характеристики исполнений счетчиков приведены в приложении Д.
Межповерочный интервал счетчиков 16 лет.
1 Операции поверки-
1.1 При проведении поверки счетчиков должны быть выполнены операции, указанные в таблице 1. При получении отрицательных результатов при проведении любой операции поверка прекращается.
Таблица 1
|
Наименование операции |
Номер пункта методики |
Наименование эталонных и вспомогательных средств поверки |
|
1 Внешний осмотр |
6.1 | |
|
2 Испытание изоляции счетчика напряжением переменного тока |
6.2 |
Универсальная пробойная установка УПУ-1М: испытательное напряжение до 10 кВ, погрешность установки напряжения не более 10 % |
|
3 Опробование счетчика: а) идентификация программного обеспечения (ПО); б) проверка правильности работы оптического испытательного выхода ТМ; в) проверка интерфейса PLC; г) проверка интерфейса RF; д) проверка устройства коммутации нагрузки (УКН). |
6.3 |
Установка ЦУ6800. Номинальное напряжение 220 / 380 В, ток 0,001 - 100 А, Госреестр № 11863-96. Счетчик трехфазный образцовый ЦЭ 6806, класс точности 0,2, Госреестр № 14447-00. Персональный компьютер. Программа Crowd_Pk.exe. Конвертор USB-RF РиМ 043.01 ВНКЛ.426487.031 (далее - USB-RF, в составе терминала мобильного РиМ 099.01 (МТ)). Конвертор USB-PLC РиМ 053.01 ВНКЛ.426487.032 (далее - USB-PLC, в составе МТ) |
|
4 Проверка стартового тока |
6.4 |
Установка ЦУ6800. Номинальное напряжение 220/380 В, ток 0,001 - 100 А. Секундомер СОСпр-2б, Госреестр № 2231-72 |
|
5 Проверка отсутствия самохода |
6.5 |
Установка ЦУ6800. Номинальное напряжение 220 / 380 В, ток 0,001 - 100 А. Секундомер СОСпр-2б. |
|
6 Определение погрешности счетчика при измерении активной энергии |
6.6 |
Установка ЦУ6800. Номинальное напряжение 220/380 В, ток 0,001 -100 А. |
|
7 Определение погрешности счетчика при измерении активной мощности |
6.7 |
Установка ЦУ6800. Номинальное напряжение 220 / 380 В, ток 0,001 - 100 А. Счетчик трехфазный образцовый ЦЭ 6806, класс точности 0,2. Персональный компьютер. Программа Crowd Pk.exe. USB-RF |
|
^Допускается проводить до поверки. При предъявлении протокола испытаний повторные испытания по этой позиции не проводятся. | ||
-
1.2 Допускается проведение поверки счетчиков с применением эталонных средств измерений и вспомогательных средств поверки, не указанных в таблице 1, но обеспечивающих контроль метрологических характеристик поверяемых счетчиков с требуемой точностью.
К проведению поверки допускаются лица, аттестованные в качестве поверителей, изучившие эксплуатационную документацию счетчиков, руководство по эксплуатации на МТ. К работе должны допускаться поверители, имеющие группу по электробезопасности не ниже 3.
3 Требование безопасности-
3.1 Помещение для проведения поверки и размещения поверочного оборудования должно соответствовать правилам техники безопасности и производственной санитарии.
-
3.2 При проведении поверки должны выполняться правила и требования, предусмотренные действующими «Правилами устройства электроустановок потребителей» и «Правилами по охране труда при эксплуатации электроустановок», утвержденными приказом Министерства труда и социальной защиты РФ №328н от 24 июля 2013 г.
-
4.1 Поверка должна осуществляться на поверенном оборудовании и с применением средств измерений, имеющих действующее клеймо поверки.
-
4.2 Все испытания, если условия их проведения не указаны при описании методов, следует проводить в нормальных условиях применения:
-
- температура окружающего воздуха (23 ± 5) °C;
-
- относительная влажность воздуха от 30 до 80 %;
-
- атмосферное давление от 70 до 106,7 кПа (от 630 до 800 мм рт.ст.);
-
- напряжение переменного тока (230 ± 2,3) В;
-частота (50±0,3) Гц.
-
4.3 На первичную поверку должны предъявляться счетчики, принятые отделом технического контроля предприятия-изготовителя или уполномоченными на то представителями организации, проводившей ремонт.
-
5.1 Перед проведением поверки необходимо подготовить к работе МТ (выполняет администратор сети или лицо, ответственное за подготовку оборудования). Порядок работы описан в приложении В. МТ представляет собой персональный компьютер (ноутбук) с комплектом аппаратных средств (конверторов) для подключения к интерфейсам счетчиков и соответствующих программных продуктов. Информация, считанная со счетчиков (значения измеряемых величин, заводские номера, параметры адресации и другие служебные параметры), отображается на мониторе МТ в рабочем окне соответствующей программы.
-
5.2 Подготовить к работе поверочную установку в соответствии с требованиями ее эксплуатационных документов.
-
6 Проведение поверки
При проведении внешнего осмотра должно быть установлено соответствие счетчика следующим требованиям:
а) в паспорте счетчика должна стоять отметка о приемке ОТК;
б) поверхности корпуса не должны иметь механических повреждений;
в) корпус не должен иметь трещин;
г) надписи и обозначения на шильдике должны быть четкими и ясными;
д) провода не должны иметь повреждений, кроме технологических проколов изоляции на расстоянии не более 10 мм от конца провода.
6.2 Проверка изоляцииИспытательное напряжение переменного тока 4 кВ должно быть приложено в течение 1 мин между зажимами «1», «2», «N» счетчика, соединенными вместе, и «землей» (у исполнений счетчиков, не оснащенных УКН, зажим «1» отсутствует, см. приложение Г).
В качестве «земли» используется специально наложенная на корпус счетчика фольга, касающаяся всех доступных частей корпуса счетчика и присоединенная к плоской проводящей поверхности, на которой установлен счетчик. Фольга должна находиться от зажимов и от отверстий для проводов на расстоянии не менее 10 и не более 20 мм.
Результат испытания считается положительным, если во время испытания не было искрения, пробивного разряда или пробоя.
6.3 Опробование счетчикаДля проведения опробования и проверки требований точности, стартового тока и отсутствия самохода счетчик подключают к поверочной установке в соответствии со схемами подключения (см. рисунки Б.1-Б.6) и эксплуатационной документацией на поверочную установку. На схемах подключения обозначено: Г, Н - сторона генератора и сторона нагрузки при подключении токовых цепей поверочной (испытательной) установки соответственно, U, 0 (N) - фазный и нулевой провода при подключении цепей напряжения поверочной (испытательной) установки соответственно. Маркировка зажимов счетчиков показана в приложении Г.
Органы управления поверочной установки устанавливают в соответствии с руководством по эксплуатации на поверочную установку.
Перед проведением проверки характеристик счетчиков, оснащенных УКН, необходимо установить УКН в состояние «Замкнуто», если нет иных указаний. Управление УКН выполняют по интерфейсу RF с использованием USB-RF и программы Crowd_Pk.exe при помощи команд управления нагрузкой (см. Руководство пользователя на программу Crowd_Pk.exe, электронный документ).
Прогрев проводят в течение 5 мин при номинальном напряжении и базовом токе, при коэффициенте мощности, равном 1.
Счетчики оснащены оптическим испытательным выходом ТМ и оптическим индикатором стартового тока /самохода TMF. Характеристики оптического испытательного выхода ТМ соответствуют 5.11 ГОСТ 31818.11-2012. Характеристики оптического индикатора TMF не нормируются.
-
6.3.1 Идентификация ПО
Идентификацию метрологически значимой части ПО счетчиков проводят считыванием версии программного обеспечения счетчика по интерфейсу RF при помощи USB-RF с использованием программы - конфигуратора Crowd_Pk.exe.
Идентификацию ПО проводят в последовательности:
-включить МТ (см. приложение В).
-провести считывание данных со счетчика, выполнив соответствующие команды в рабочем окне программы.
Результат проверки считают положительным, если версия ПО счетчика соответствует данным, приведенным в таблице 2.
Таблица 2
|
Номер версии (идентификационный номер) программного обеспечения |
Исполнения счетчиков |
|
12901 vl.00 и выше |
РиМ 129.01 |
|
12902 vl.00 и выше |
РиМ 129.02 |
|
12903 vl .00 и выше |
РиМ 129.03 |
|
12904 vl .00 и выше |
РиМ 129.04 |
-
6.3.2 Опробование и проверку работоспособности счетчика, оптического испытательного выхода ТМ, интерфейса PLC, интерфейса RF проводят во время прогрева счетчика или при определении погрешности по п. 6 таблицы 1 при базовом токе, номинальных значениях напряжения, частоты.
-
6.3.2.1 Опробование и проверка работы оптического испытательного выхода заключается в установлении факта его работоспособности - наличия оптического выходного сигнала ТМ, принимаемого фотосчитывающим устройством и регистрируемого соответствующими устройствами поверочной установки.
-
Схема расположения оптического испытательного выхода ТМ и индикатора TMF счетчиков приведена в приложении Г.
-
6.3.2.2 Опробование интерфейса RF заключается в регистрации факта считывания информации со счетчика при помощи USB-RF, с использованием МТ и установленной программы Crowd_Pk.exe. При проведении опробования необходимо обеспечить расстояние от места расположения счетчика до USB-RF (100 ± 5) м свободного пространства, или ему эквивалентном.
Порядок работы при считывании информации приведен в приложении В.
Результат опробования интерфейса RF считают положительным, если в рабочем окне программы отображаются данные проверяемого счетчика: его тип и заводской номер.
-
6.3.2.3 Опробование счетного механизма счетчика заключается в проверке правильности считывания информации со счетчика при помощи USB-RF с использованием программы Crowd_Pk.exe.
Порядок работы с программой Crowd_Pk.exe приведен в приложении В.
Результат проверки считают положительным, если:
-в рабочем окне МТ отображаются тип и показания счетчика;
-при последовательных считываниях данных со счетчика происходит приращение показаний.
-
6.3.2.4 Опробование интерфейса PLC счетчика заключается в проверке правильности считывания информации со счетчика при помощи USB-PLC с использованием программы Crowd_Pk.exe.
Порядок работы с программой Crowd_Pk.exe приведен в приложении В.
Результат проверки считают положительным, если в рабочем окне МТ отображаются тип, заводской номер и показания счетчика.
-
6.3.2.5 Опробование У КН заключается в проверке правильности выполнения коммутации УКН при управлении по интерфейсу RF при помощи USB-RF с использованием программы Crowd_Pk.exe.
Проверку выполняют при номинальном напряжении, при токе не более 0,116 и коэффициенте мощности, равном 1.
Порядок работы с программой Crowd_Pk.exe при считывании данных со счетчиков при помощи USB-RF и управлении УКН описан в приложении В.
Результат проверки считают положительным, если правильно выполняются команды размыкание и замыкание УКН. Состояние УКН «Замкнуто» или «Разомкнуто» определяется по наличию или отсутствию тока в цепи тока поверочной установки.
6.4 Проверка стартового токаПроверку стартового тока проводят при номинальном напряжении и коэффициенте мощности cos ф=1 в последовательности:
-
- установить испытательный ток 20 мА;
-
- наблюдать состояние индикатора TMF.
Результат проверки считают положительным, если индикатор TMF мигает (изменяет яркость) не позднее чем через 5 с после подачи испытательного тока.
6.5 Проверка отсутствия самоходаПроверку отсутствия самохода проводят при приложении напряжения, равного 264 В, при отсутствии тока в цепи тока.
Проверку проводят в последовательности:
-
- подать испытательное напряжение;
-
- наблюдать состояние индикатора TMF в течение 10 с.
Результат испытания считают положительным, если индикатор TMF не мигает (не изменяет яркость).
6.6 Определение погрешностей счетчика при измерении активной энергииОпределение погрешностей счетчика при измерении активной энергии проводят по методике, приведенной в руководстве по эксплуатации на поверочную установку.
-
6.6.1 Определение допускаемой основной погрешности счетчиков проводят при номинальном напряжении в режимах, указанных в таблице 5
Погрешность поверяемого счетчика определяют по индикаторному устройству поверочной установки.
Таблица 5
|
Ток, от 16 |
COS ф |
Пределы допускаемой основной погрешности, при измерении активной энергии, % |
Угол ф,0 |
|
0,05 |
1 |
1,50 |
0 |
|
0,10 |
1 |
1,00 |
0 |
|
1,00 |
1 |
1,00 |
0 |
|
I макс |
1 |
1,00 |
0 |
|
0,10 |
0,5 инд |
1,50 |
60 |
|
0,20 |
0,5 инд |
1,00 |
60 |
|
1,00 |
0,5 инд |
1,00 |
60 |
|
I макс |
0,5 инд |
1,00 |
60 |
|
0,10 |
0,8 емк |
1,50 |
323 |
|
0,20 |
0,8 емк |
1,00 |
323 |
|
1,00 |
0,8 емк |
1,00 |
323 |
|
I макс |
0,8 емк |
1,00 |
323 |
Результаты проверки погрешностей счетчика при измерении активной энергии считают положительными, если полученные значения погрешностей соответствуют требованиям, приведенным в таблице 5.
6.7 Определение погрешности при измерении активной мощности с периодом интегрирования 1 с-
6.7.1 Определение погрешности при измерении активной мощности с периодом интегрирования 1 с проводят при номинальном напряжении, базовом токе и коэффициенте мощности cos ф=1.
Проверку проводят в последовательности:
подать на счетчик номинальное напряжение;
-
- подать базовый ток;
-
- определить значение допускаемой основной погрешности при измерении активной мощности по формуле
8р — 100 х (Р исп — Р обР)/Р обр» (1)
где 5Р - расчетное значение допускаемой основной погрешности при измерении активной мощности, %;
Робр - текущее значение активной мощности с периодом интегрирования 1 с, определенной по показаниям поверочной установки;
Рисп - текущее значение активной мощности с периодом интегрирования 1 с, определенное по показаниям поверяемого счетчика. РИСп определяют считыванием показаний по интерфейсам счетчика при помощи USB-RF и МТ по данным в соответствующем окне программы Crowd_Pk.exe (см. приложение В).
Результат испытаний считают положительным, если расчетное значение 8Р не превышает ±1 %.
7 Оформление результатов поверки-
7.1 Результаты поверки счетчика заносят в протокол. Форма протокола поверки счетчика дана в приложении А.
-
7.2 Положительные результаты первичной поверки оформляют записью в соответствующем разделе паспорта счетчика и нанесением знака поверки оттиском поверительного клейма. Счетчик пломбируют с нанесением знака поверки оттиском поверительного клейма в установленном месте в соответствии с рисунком 1 .

Рисунок 1 - Место установки пломбы поверителя
-
7.3 Положительные результаты периодической поверки счетчика оформляют свидетельством о поверке, гасят клеймо предыдущей поверки и пломбируют счетчик с нанесением знака поверки оттиском поверительного клейма на установленном месте в соответствии с рисунком 1.
ВНИМАНИЕ! Пломбу на счетчик следует навешивать только с использованием проволоки пломбировочной, изготовленной из нержавеющей стали (например, проволоки 0,5-ТС-1-12Х18Н10Т ГОСТ 18143-72 или аналогичной).
-
7.4 При отрицательных результатах поверки оформляют извещение о непригодности. Клеймо и свидетельство предыдущей поверки гасят.
А.Ф. Уточкина
Технический директор ЗАО «Радио и Микроэлектроника»
Гл. контролер ЗАО «Радио и Микроэлектроника»

-
7.3 Положительные результаты периодической поверки счетчика оформляют свидетельством о поверке, гасят клеймо предыдущей поверки и пломбируют счетчик с нанесением знака поверки оттиском поверительного клейма на установленном месте в соответствии с рисунком 1.
ВНИМАНИЕ! Пломбу на счетчик следует навешивать только с использованием проволоки пломбировочной, изготовленной из нержавеющей стали (например, проволоки 0,5-ТС-1-12Х18Н10Т ГОСТ 18143-72 или аналогичной).
-
7.4 При отрицательных результатах поверки оформляют извещение о непригодности. Клеймо и свидетельство предыдущей поверки гасят.
Технический директор ЗАО «Радио и Микроэлектроника»

Гл. контролер ЗАО «Радио и Микроэлектроника»

А.Ф. Уточкина
Приложение А ПРОТОКОЛ ПОВЕРКИ СЧЕТЧИКА РиМ 129.___
Счетчик РиМ 129.__№___________ Класс точности_______Год выпуска____________
Дата предыдущей поверки:________________________
Вид поверки (ненужное зачеркнуть) Первичная / Периодическая /Внеочередная
Поверочная установка_______________________№
свидетельство о поверке установки №________от_______20_____, срок действия до
г. образцовый счетчик (энергомонитор) _____________№
предназначена для поверки счетчиков класса точности________при соотношении основных
относительных погрешностей эталонного и поверяемого счетчиков, не превышающем________
-
1 Внешний осмотр__________________________________________________________________
-
2 Проверка изоляции_____■___________________________________
-
3 Опробование
Идентификация ПО____________ RF__________________
PLC__________________(только для счетчиков, оснащенных PLC)
УКН__________________(только для счетчиков, оснащенных УКН)
-
4 Проверка отсутствия самохода______________________________________________________
-
5 Проверка стартового тока________________________________________________________
-
6 Определение основной погрешности при измерении активной энергии при номинальном напряжении
230 В
Таблица А. 1
|
Значение тока, А/ Минимальное число импульсов испытательного выхода поверяемого счетчика |
Коэффициент мощности |
Угол <р,с |
Измеренное значение погрешности, % |
Пределы допускаемой основной погрешности, % |
|
0,25 / 4 имп |
1 |
0 |
± 1,5 | |
|
0,50 / 4 имп |
1 |
0 |
±1,0 | |
|
5,00 / 8 имп |
1 |
0 |
±1,0 | |
|
Imax / 40 имп |
1 |
0 |
±1,0 | |
|
0,50 / 4 имп |
0,5 (инд) |
60 |
±1,5 | |
|
1,00/4 имп |
0,5 (инд) |
60 |
±1,0 | |
|
5,00 / 8 имп |
0,5 (инд) |
60 |
±1,0 | |
|
Imax / 40 имп |
0,5 (инд) |
60 |
±1,0 | |
|
0,50 / 4 имп |
0,8 (емк) |
323 |
±1,5 | |
|
1,00/4 имп |
0,8 (емк) |
323 |
±1,0 | |
|
5,00 / 8 имп |
0,8 (емк) |
323 |
±1,0 | |
|
Imax / 40 имп |
0,8 (емк) |
323 |
±1,0 | |
|
Примечание - Для счетчиков, не оснащенных УКН, Imax=l 00 А; для счетчиков, оснащенных УКН, Imax=80 А. | ||||
7 Определение основной погрешности при измерении активной мощности при номинальном напряжении 230 В и токе 5 А
Таблица А.2
|
Угол ср, |
Показания счетчика в окне программы, Вт |
Показания энергомонитора (образцового счетчика), Вт |
Расчетное значение погрешности, % |
Пределы допускаемой основной погрешности, % |
|
0 |
±1,0 |
Заключение______________________________________________________________
Дата поверки____
Поверку провел_____________________________________________
Приложение Б
(обязательное)
Схемы включения при поверке




РиМ 129.02, РиМ 129.04
РиМ 129.01, РиМ 129.03
Рисунок Б. 1 - Схемы включения счетчиков при проведении опробования, при проверке погрешностей при измерении активной энергии, мощности Примечание - Для счетчиков РиМ 129.02, РиМ 129.04 допускается при необходимости использовать схему, приведенную на рисунке Б.2
Внимание! При подключении счетчиков к поверочной установке следует руководствоваться указаниями, приведенными на рисунке Б.З для счетчиков, оснащенных УКН, или Б.За для счетчиков, не оснащенных УКН.


Рисунок Б.2 - Схема включения счетчиков РиМ 129.02, РиМ 129.04 при проведении опробования (кроме опробования УКН), при проверке погрешностей при измерении активной энергии, мощности
Внимание! При подключении счетчиков к поверочной установке следует руководствоваться схемой, приведенной на рисунке Б.За

|
Н ? | |||
|
1 |
о I CD £ со 1_______.г’Э Е | ||
|
установке яжения) 1 |
и 1 |
ГII CD О С | |
|
К поверочной (цепи напр. Г J | |||
РиМ 129.02, РиМ 129.04
Рисунок Б.З
РиМ 129.01, РиМ 129.03
Рисунок Б.За



ТМ
nPl-FIPN - гальваническая развязка по сети U (230 В), коэффициент преобразования 1:1, класс не ниже 0,2.
Рисунок Б.4 - Схема подключения счетчиков РиМ 129.02, РиМ 129.04 групповым способом при проверке опробования, при проверке погрешностей при измерении энергии, мощности Примечание - Допускается использовать схему, приведенную на рисунке Б.5 (кроме опробования УКН)



Рисунок Б.5 - Схема включения счетчиков, оснащенных УКН, при проведении опробования (кроме проверки УКН), при проверке погрешностей при измерении энергии, мощности



Рисунок Б.6 - Схема подключения счетчиков, не оснащенных УКН, групповым способом при проведении опробования, при проверке погрешностей при измерении энергии, мощности
ПРИЛОЖЕНИЕ В
(обязательное)
Порядок работы с программой Crowd_Pk.exe при идентификации ПО, опробовании интерфейсов PLC, RF, УКН и определении значений текущей активной мощности с периодом интегрирования 1 с
В.1 Программа Crowd_Pk.exe предназначена для занесения служебной информации в счетчик перед установкой их у потребителя, а также для проведения опробования интерфейсов PLC, RF, УКН.
Для поверки счетчика требуется МТ РиМ 099.01 производства ЗАО «Радио и Микроэлектроника».
Для опробования интерфейса PLC требуется USB-PLC РиМ 053.01.
Для опробования интерфейса RF требуется USB-RF РиМ 043.01.
Программа Crowd_Pk.exe может работать в нескольких режимах работы, каждому режиму соответствует определенная кнопка:
Для опробования интерфейса PLC при помощи USB-PLC используется кнопка «Режим совместимости».
Для опробования интерфейса RF используется кнопка «Радиомодем».
Другие кнопки для опробования не используются.
ВНИМАНИЕ! Программа Crowd_Pk.exe работает, когда к МТ подключен только один конвертор (USB-RF или USB-PLC). Если оба конвертора подключены к МТ одновременно, то программа работать не будет.
При считывании данных со счетчика по интерфейсу PLC в рабочем окне программы Crowd_Pk.exe выбирать номер частотного канала не требуется.
При считывании данных со счетчика по интерфейсу RF требуется знать на каком частотном канале (1-8) работает интерфейс RF поверяемого счетчика и соответственно выбрать частотный канал в рабочем окне программы Crowd_Pk.exe.
В.2 Проведение опробования интерфейса PLC:
-
- подключить USB-PLC к любому USB - порту МТ (при проведении опробования счетчиков, оснащенных PLC);
-
- подключить USB-PLC параллельно к поверяемого счетчику;
-
- включить МТ (согласно руководству по эксплуатации МТ);
-
- подать на счетчик и USB-PLC номинальное напряжение;
-
- на рабочем столе дисплея МТ запустить программу Crowd_Pk.exe, в отобразившемся рабочем окне программы «Программирование устройств через RFPLC» нажать кнопку «Прозрачный режим», в поле «Порт» выбрать номер СОМ порта, к которому подключен USB-PLC. Все остальные настройки оставить без изменения;
-
- нажать кнопку «Установить связь». При успешном установлении связи в правом верхнем углу должен отобразиться символ круга зеленого цвета, в случае неудачного установления связи должен отобразиться символ круга красного цвета, в этом случае следует проверить работоспособность USB-PLC и правильность выбора СОМ порта;
-
- ввести в полях «Номер цели» и «Номер ретранслятора» заводской номер поверяемого счетчика, в поле «Индекс ретрансляции» установить «0»;
-
- ввести в поле «Пароль» пароль счетчика, при выпуске из производства пароль - пустой. ВНИМАНИЕ! Если пароль не известен, то следует обратиться в компанию, предоставившую счетчик на поверку;
-
- нажать кнопку «Прочитать». На панели «Инфо» закладки «РиМ» в полях «Тип», «Номер» должны отобразиться тип и заводской номер поверяемого счетчика.
Результат опробования считают положительным, если считанный номер и тип соответствуют типу и заводскому номеру счетчика.
В.З Определение частотного канала интерфейса RF по интерфейсу PLC
Для того чтобы определить на каком частотном канале работает интерфейс RF, следует выполнить действия:
-
- в рабочем окне программы «Crowd_Pk.exe» выбрать закладку «129»;
-
- выбрать вкладку «Общие», при этом должно отобразиться содержание данной закладки в виде набора панелей;
-
- на панели «Режим радиомодема» нажать кнопку «Прочитать», в поле «Номер канала» должен отобразиться номер частотного канала, на котором работает интерфейс RF;
-
- нажать кнопку «Разорвать связь»;
-
- отсоединить USB-PLC от USB-порта МТ.
В.4 Проведение опробования интерфейса RF
Опробование интерфейса RF проводят в последовательности:
-
- подключить USB-RF к любому USB - порту МТ, расположить USB-RF на расстоянии 100 м пустого пространства от поверяемого счетчика, или на эквивалентном расстоянии;
-
- на рабочем столе дисплея МТ запустить программу Crowd_Pk.exe, в отобразившемся рабочем окне программы «Программирование устройств через RFPLC» нажать кнопку «Радиомодем», в поле «Порт» выбрать номер СОМ порта, к которому подключен USB-RF, в поле «Частотный канал» выбрать номер частотного канала, считанный по интерфейсу PLC. Все остальные настройки оставить без изменения;
-
- нажать кнопку «Установить связь». При успешном установлении связи в правом верхнем углу должен отобразиться символ круга зеленого цвета, в случае неудачного установления связи должен отобразиться символ круга красного цвета, в этом случае следует проверить работоспособность USB-RF и правильность выбора СОМ порта;
-
- ввести в полях «Номер цели» и «Номер ретранслятора» заводской номер поверяемого счетчика, в поле «Индекс ретрансляции» установить «0»;
-
- нажать кнопку «Прочитать». На панели «Инфо» закладки «РиМ» в полях «Тип», «Номер» должны отобразиться тип и заводской номер поверяемого счетчика.
В.5 Идентификация ПО
Идентификацию ПО проводят в последовательности.
В рабочем окне программы Crowd_Pk.exe:
-
- выбрать закладку «129»,
-
- нажать кнопку «Общие»,
-
- считать данные с поверяемого счетчика.
Идентификатор ПО отображается в окнах «Тип» и «Версия», с предваряющими символами РиМ.
В. 6 Проведение опробования У КН
Опробование УКН проводят в последовательности:
-
- в рабочем окне программы «Crowd_Pk.exe» выбрать вкладку «специфические для РиМ 129»;
-
- нажать на кнопку «Прочитать» на панели «номер пульта и режим нагрузки», при этом поле в панели должно отобразиться «Включено, запрещено включение с пульта»;
-
- контролировать установленное значение базового тока на индикаторе тока поверочной установки;
-
- выполнить команду размыкания УКН, для чего выбрать режим ««Выключено, запрещено включение с пульта», нажать кнопку «Записать»;
-
- контролировать значение тока на индикаторе тока поверочной установки, оно должно быть близким к нулю;
-
- выполнить команду замыкания УКН, для чего выбрать режим «Включено, запрещено включение с пульта».
ПРИЛОЖЕНИЕ Г
(обязательное)
Схема расположения контактов и индикаторов счетчика
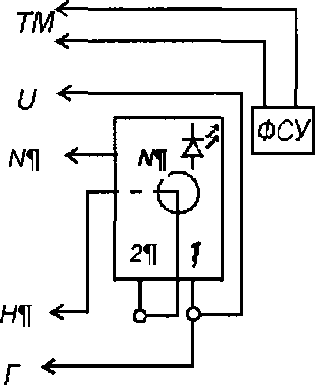
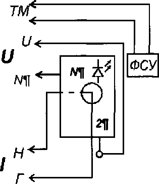
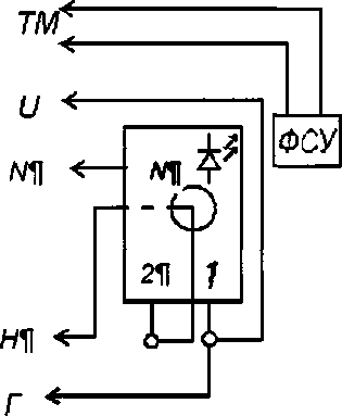
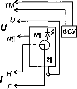
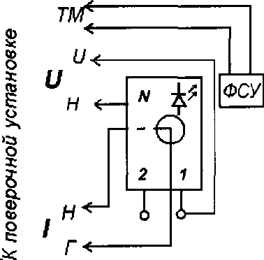
Счетчик оснащен оптическим испытательным выходом ТМ, который используется при проведении поверки, и одновременно служит индикаторами функционирования, и индикатор TMF, который используется как технологический при проверке стартового тока и отсутствия самохода счетчиков. Характеристики оптического испытательного выхода ТМ соответствуют ГОСТ 31818.11-2012.
Их расположение, а также расположение контактов счетчиков приведено на рисунках Г.1, Г.2.


Рисунок Г.1 - Схема расположения контактов и индикаторов счетчиков РиМ 129.01, РиМ 129.03

TMF

Рисунок Г.2 - Схема расположения контактов и индикаторов счетчиков РиМ 129.02, РиМ 129.04
ПРИЛОЖЕНИЕ Д (обязательное) Описание исполнений счетчиков
Исполнения счетчиков отличаются наличием или отсутствием УКН и интерфейсаРЬС. Постоянная всех исполнений счетчиков 4000 имп./(кВтч).
Основные характеристики исполнений счетчиков приведены в таблице Д. 1.
Таблица Д.1
|
Условное обозначение исполнения счетчика |
Базовый/ максимальный ток, А |
Количество тарифов/ тарифных зон ' |
Интерфейсы |
УКН |
Штрих-код по EAN-13 |
Код типа счетчика |
|
РиМ 129.01 |
5/100 |
2/6 |
PLC, RF |
Нет |
4607134511899 |
12901 |
|
РиМ 129.02 |
5/80 |
2/6 |
PLC, RF |
Есть |
4607134511905 |
12902 |
|
РиМ 129.03 |
5/100 |
2/6 |
RF |
Нет |
4607134511912 |
12903 |
|
РиМ 129.04 |
5/80 |
2/6 |
RF |
Есть |
4607134511929 |
12904 |
|
'При работе в составе АС. При автономной работе счетчики реализуют однотарифный учет | ||||||
Лист регистрации изменений
|
Изм. |
Номера листов (страниц) |
Всего листов (страниц) в докум. |
№ докум. |
Входящий № сопроводительного докум. и дата |
Поди. |
Дата | |||
|
измененных |
замененных |
новых |
аннулированных | ||||||
Настоящая методика поверки распространяется на счетчики электрической энергии однофазные статические РиМ 129.01, РиМ 129.02, РиМ 129.03, РиМ 129.04 (далее - счетчики) и устанавливает методику их первичной и периодической поверки. Основные характеристики исполнений счетчиков приведены в приложении Д.
Межповерочный интервал счетчиков 16 лет.
1 Операции поверки-
1.1 При проведении поверки счетчиков должны быть выполнены операции, указанные в таблице 1. При получении отрицательных результатов при проведении любой операции поверка прекращается.
Таблица 1
|
Наименование операции |
Номер пункта методики |
Наименование эталонных и вспомогательных средств поверки |
|
1 Внешний осмотр |
6.1 | |
|
2 Испытание изоляции счетчика напряжением переменного тока |
6.2 |
Универсальная пробойная установка УПУ-1М: испытательное напряжение до 10 кВ, погрешность установки напряжения не более 10 % |
|
3 Опробование счетчика: а) идентификация программного обеспечения (ПО); б) проверка правильности работы оптического испытательного выхода ТМ; в) проверка интерфейса PLC; г) проверка интерфейса RF; д) проверка устройства коммутации нагрузки (УКН). |
6.3 |
Установка ЦУ6800. Номинальное напряжение 220 / 380 В, ток 0,001 - 100 А, Госреестр № 11863-96. Счетчик трехфазный образцовый ЦЭ 6806, класс точности 0,2, Госреестр № 14447-00. Персональный компьютер. Программа Crowd_Pk.exe. Конвертор USB-RF РиМ 043.01 ВНКЛ.426487.031 (далее - USB-RF, в составе терминала мобильного РиМ 099.01 (МТ)). Конвертор USB-PLC РиМ 053.01 ВНКЛ.426487.032 (далее - USB-PLC, в составе МТ) |
|
4 Проверка стартового тока |
6.4 |
Установка ЦУ6800. Номинальное напряжение 220/380 В, ток 0,001 - 100 А. Секундомер СОСпр-2б, Госреестр № 2231-72 |
|
5 Проверка отсутствия самохода |
6.5 |
Установка ЦУ6800. Номинальное напряжение 220/380 В, ток 0,001 -100 А. Секундомер СОСпр-2б. |
|
6 Определение погрешности счетчика при измерении активной энергии |
6.6 |
Установка ЦУ6800. Номинальное напряжение 220/380 В, ток 0,001 - 100 А. |
|
7 Определение погрешности счетчика при измерении активной мощности |
6.7 |
Установка ЦУ6800. Номинальное напряжение 220 / 380 В, ток 0,001 - 100 А. Счетчик трехфазный образцовый ЦЭ 6806, класс точности 0,2. Персональный компьютер. Программа Crowd Pk.exe. USB-RF |
|
'Допускается проводить до поверки. При предъявлении протокола испытаний повторные испытания по этой позиции не проводятся. | ||
-
1.2 Допускается проведение поверки счетчиков с применением эталонных средств измерений и вспомогательных средств поверки, не указанных в таблице 1, но обеспечивающих контроль метрологических характеристик поверяемых счетчиков с требуемой точностью.
К проведению поверки допускаются лица, аттестованные в качестве поверителей, изучившие эксплуатационную документацию счетчиков, руководство по эксплуатации на МТ. К работе должны допускаться поверители, имеющие группу по электробезопасности не ниже 3.
3 Требование безопасности-
3.1 Помещение для проведения поверки и размещения поверочного оборудования должно соответствовать правилам техники безопасности и производственной санитарии.
-
3.2 При проведении поверки должны выполняться правила и требования, предусмотренные действующими «Правилами устройства электроустановок потребителей» и «Правилами по охране труда при эксплуатации электроустановок», утвержденными приказом Министерства труда и социальной защиты РФ №328н от 24 июля 2013 г.
-
4.1 Поверка должна осуществляться на поверенном оборудовании и с применением средств измерений, имеющих действующее клеймо поверки.
-
4.2 Все испытания, если условия их проведения не указаны при описании методов, следует проводить в нормальных условиях применения:
-
- температура окружающего воздуха (23 ± 5) °C;
-
- относительная влажность воздуха от 30 до 80 %;
-
- атмосферное давление от 70 до 106,7 кПа (от 630 до 800 мм рт.ст.);
-
- напряжение переменного тока (230 ± 2,3) В;
-частота (50 ±0,3) Гц.
-
4.3 На первичную поверку должны предъявляться счетчики, принятые отделом технического контроля предприятия-изготовителя или уполномоченными на то представителями организации, проводившей ремонт.
-
5.1 Перед проведением поверки необходимо подготовить к работе МТ (выполняет администратор сети или лицо, ответственное за подготовку оборудования). Порядок работы описан в приложении В. МТ представляет собой персональный компьютер (ноутбук) с комплектом аппаратных средств (конверторов) для подключения к интерфейсам счетчиков и соответствующих программных продуктов. Информация, считанная со счетчиков (значения измеряемых величин, заводские номера, параметры адресации и другие служебные параметры), отображается на мониторе МТ в рабочем окне соответствующей программы.
-
5.2 Подготовить к работе поверочную установку в соответствии с требованиями ее эксплуатационных документов.
-
6 Проведение поверки
При проведении внешнего осмотра должно быть установлено соответствие счетчика следующим требованиям:
а) в паспорте счетчика должна стоять отметка о приемке ОТК;
б) поверхности корпуса не должны иметь механических повреждений;
в) корпус не должен иметь трещин;
г) надписи и обозначения на шильдике должны быть четкими и ясными;
д) провода не должны иметь повреждений, кроме технологических проколов изоляции на расстоянии не более 10 мм от конца провода.
6.2 Проверка изоляцииИспытательное напряжение переменного тока 4 кВ должно быть приложено в течение 1 мин между зажимами «1», «2», «N» счетчика, соединенными вместе, и «землей» (у исполнений счетчиков, не оснащенных УКН, зажим «1» отсутствует, см. приложение Г).
В качестве «земли» используется специально наложенная на корпус счетчика фольга, касающаяся всех доступных частей корпуса счетчика и присоединенная к плоской проводящей поверхности, на которой установлен счетчик. Фольга должна находиться от зажимов и от отверстий для проводов на расстоянии не менее 10 и не более 20 мм.
Результат испытания считается положительным, если во время испытания не было искрения, пробивного разряда или пробоя.
6.3 Опробование счетчикаДля проведения опробования и проверки требований точности, стартового тока и отсутствия самохода счетчик подключают к поверочной установке в соответствии со схемами подключения (см. рисунки Б.1-Б.6) и эксплуатационной документацией на поверочную установку. На схемах подключения обозначено: Г, Н - сторона генератора и сторона нагрузки при подключении токовых цепей поверочной (испытательной) установки соответственно, U, 0 (N) - фазный и нулевой провода при подключении цепей напряжения поверочной (испытательной) установки соответственно. Маркировка зажимов счетчиков показана в приложении Г.
Органы управления поверочной установки устанавливают в соответствии с руководством по эксплуатации на поверочную установку.
Перед проведением проверки характеристик счетчиков, оснащенных УКН, необходимо установить УКН в состояние «Замкнуто», если нет иных указаний. Управление УКН выполняют по интерфейсу RF с использованием USB-RF и программы Crowd_Pk.exe при помощи команд управления нагрузкой (см. Руководство пользователя на программу Crowd_Pk.exe, электронный документ).
Прогрев проводят в течение 5 мин при номинальном напряжении и базовом токе, при коэффициенте мощности, равном 1.
Счетчики оснащены оптическим испытательным выходом ТМ и оптическим индикатором стартового тока /самохода TMF. Характеристики оптического испытательного выхода ТМ соответствуют 5.11 ГОСТ 31818.11-2012. Характеристики оптического индикатора TMF не нормируются.
-
6.3.1 Идентификация ПО
Идентификацию метрологически значимой части ПО счетчиков проводят считыванием версии программного обеспечения счетчика по интерфейсу RF при помощи USB-RF с использованием программы - конфигуратора Crowd_Pk.exe.
Идентификацию ПО проводят в последовательности:
-включить МТ (см. приложение В).
-провести считывание данных со счетчика, выполнив соответствующие команды в рабочем окне программы.
Результат проверки считают положительным, если версия ПО счетчика соответствует данным, приведенным в таблице 2.
Таблица 2
|
Номер версии (идентификационный номер) программного обеспечения |
Исполнения счетчиков |
|
12901 у1.00ивыше |
РиМ 129.01 |
|
12902 v 1.00 и выше |
РиМ 129.02 |
|
12903 у1.00и выше |
РиМ 129.03 |
|
12904 v 1.00 и выше |
РиМ 129.04 |
-
6.3.2 Опробование и проверку работоспособности счетчика, оптического испытательного выхода ТМ, интерфейса PLC, интерфейса RF проводят во время прогрева счетчика или при определении погрешности по п. 6 таблицы 1 при базовом токе, номинальных значениях напряжения, частоты.
-
6.3.2.1 Опробование и проверка работы оптического испытательного выхода заключается в установлении факта его работоспособности - наличия оптического выходного сигнала ТМ, принимаемого фотосчитывающим устройством и регистрируемого соответствующими устройствами поверочной установки.
-
Схема расположения оптического испытательного выхода ТМ и индикатора TMF счетчиков приведена в приложении Г.
-
6.3.2.2 Опробование интерфейса RF заключается в регистрации факта считывания информации со счетчика при помощи USB-RF, с использованием МТ и установленной программы Crowd_Pk.exe. При проведении опробования необходимо обеспечить расстояние от места расположения счетчика до USB-RF (100 ± 5) м свободного пространства, или ему эквивалентном.
Порядок работы при считывании информации приведен в приложении В.
Результат опробования интерфейса RF считают положительным, если в рабочем окне программы отображаются данные проверяемого счетчика: его тип и заводской номер.
-
6.3.2.3 Опробование счетного механизма счетчика заключается в проверке правильности считывания информации со счетчика при помощи USB-RF с использованием программы Crowd_Pk.exe.
Порядок работы с программой Crowd_Pk.exe приведен в приложении В.
Результат проверки считают положительным, если:
-в рабочем окне МТ отображаются тип и показания счетчика;
-при последовательных считываниях данных со счетчика происходит приращение показаний.
-
6.3.2.4 Опробование интерфейса PLC счетчика заключается в проверке правильности считывания информации со счетчика при помощи USB-PLC с использованием программы Crowd_Pk.exe.
Порядок работы с программой Crowd_Pk.exe приведен в приложении В.
Результат проверки считают положительным, если в рабочем окне МТ отображаются тип, заводской номер и показания счетчика.
-
6.3.2.5 Опробование УКН заключается в проверке правильности выполнения коммутации У КН при управлении по интерфейсу RF при помощи USB-RF с использованием программы Crowd_Pk.exe.
Проверку выполняют при номинальном напряжении, при токе не более 0,116 и коэффициенте мощности, равном 1.
Порядок работы с программой Crowd_Pk.exe при считывании данных со счетчиков при помощи USB-RF и управлении УКН описан в приложении В.
Результат проверки считают положительным, если правильно выполняются команды размыкание и замыкание УКН. Состояние УКН «Замкнуто» или «Разомкнуто» определяется по наличию или отсутствию тока в цепи тока поверочной установки.
6.4 Проверка стартового токаПроверку стартового тока проводят при номинальном напряжении и коэффициенте мощности cos <р=1 в последовательности:
-
- установить испытательный ток 20 мА;
-
- наблюдать состояние индикатора TMF.
Результат проверки считают положительным, если индикатор TMF мигает (изменяет яркость) не позднее чем через 5 с после подачи испытательного тока.
6.5 Проверка отсутствия самоходаПроверку отсутствия самохода проводят при приложении напряжения, равного 264 В, при отсутствии тока в цепи тока.
Проверку проводят в последовательности:
-
- подать испытательное напряжение;
-
- наблюдать состояние индикатора TMF в течение 10 с.
Результат испытания считают положительным, если индикатор TMF не мигает (не изменяет яркость).
6.6 Определение погрешностей счетчика при измерении активной энергииОпределение погрешностей счетчика при измерении активной энергии проводят по методике, приведенной в руководстве по эксплуатации на поверочную установку.
-
6.6.1 Определение допускаемой основной погрешности счетчиков проводят при номинальном напряжении в режимах, указанных в таблице 5
Погрешность поверяемого счетчика определяют по индикаторному устройству поверочной
установки.
Таблица 5
|
Ток, от 16 |
COS ф |
Пределы допускаемой основной погрешности, при измерении активной энергии, % |
Угол ф,0 |
|
0,05 |
1 |
1,50 |
0 |
|
0,10 |
1 |
1,00 |
0 |
|
1,00 |
1 |
1,00 |
0 |
|
I макс |
1 |
1,00 |
0 |
|
0,10 |
0,5 инд |
1,50 |
60 |
|
0,20 |
0,5 инд |
1,00 |
60 |
|
1,00 |
0,5 инд |
1,00 |
60 |
|
I макс |
0,5 инд |
1,00 |
60 |
|
0,10 |
0,8 емк |
1,50 |
323 |
|
0,20 |
0,8 емк |
1,00 |
323 |
|
1,00 |
0,8 емк |
1,00 |
323 |
|
I макс |
0,8 емк |
1,00 |
323 |
Результаты проверки погрешностей счетчика при измерении активной энергии считают положительными, если полученные значения погрешностей соответствуют требованиям, приведенным в таблице 5.
6.7 Определение погрешности при измерении активной мощности с периодом интегрирования 1 с-
6.7.1 Определение погрешности при измерении активной мощности с периодом интегрирования 1 с проводят при номинальном напряжении, базовом токе и коэффициенте мощности cos (р=1.
Проверку проводят в последовательности:
-
- подать на счетчик номинальное напряжение;
-
- подать базовый ток;
-
- определить значение допускаемой основной погрешности при измерении активной мощности по формуле
5Р = 100 х (Рисп - Робр)/Робр, (1)
где 5Р - расчетное значение допускаемой основной погрешности при измерении активной мощности, %;
РОбР - текущее значение активной мощности с периодом интегрирования 1 с, определенной по показаниям поверочной установки;
РИСп - текущее значение активной мощности с периодом интегрирования 1 с, определенное по показаниям поверяемого счетчика. Рисп определяют считыванием показаний по интерфейсам счетчика при помощи USB-RF и МТ по данным в соответствующем окне программы Crowd_Pk.exe (см. приложение В).
Результат испытаний считают положительным, если расчетное значение Зр не превышает ±1 %.
7 Оформление результатов поверки-
7.1 Результаты поверки счетчика заносят в протокол. Форма протокола поверки счетчика дана в приложении А.
-
7.2 Положительные результаты первичной поверки оформляют записью в соответствующем разделе паспорта счетчика и нанесением знака поверки оттиском поверительного клейма. Счетчик пломбируют с нанесением знака поверки оттиском поверительного клейма в установленном месте в соответствии с рисунком 1 .

Рисунок 1 - Место установки пломбы поверителя
Приложение А ПРОТОКОЛ ПОВЕРКИ СЧЕТЧИКА РиМ 129.___
Счетчик РиМ 129.__№___________ Класс точности_______Год выпуска____________
Дата предыдущей поверки:________________________
Вид поверки (ненужное зачеркнуть) Первичная / Периодическая /Внеочередная
Поверочная установка_______________________№
свидетельство о поверке установки №________от_______20_____, срок действия до
г. образцовый счетчик (энергомонитор) _____________№
предназначена для поверки счетчиков класса точности________при соотношении основных
относительных погрешностей эталонного и поверяемого счетчиков, не превышающем________
-
1 Внешний осмотр__________________________________________________________________
-
2 Проверка изоляции_______________________________________
-
3 Опробование
Идентификация ПО____________ RF__________________
PLC__________________(только для счетчиков, оснащенных PLC)
УКН__________________(только для счетчиков, оснащенных УКН)
-
4 Проверка отсутствия самохода______________________________________________________
-
5 Проверка стартового тока ________________________________________________________
-
6 Определение основной погрешности при измерении активной энергии при номинальном напряжении
230 В
Таблица А. 1
|
Значение тока, А/ Минимальное число импульсов испытательного выхода поверяемого счетчика |
Коэффициент мощности |
Угол ф,0 |
Измеренное значение погрешности, % |
Пределы допускаемой основной погрешности, % |
|
0,25 / 4 имп |
1 |
0 |
± 1,5 | |
|
0,50 / 4 имп |
1 |
0 |
±1,0 | |
|
5,00 / 8 имп |
1 |
0 |
±1,0 | |
|
Imax / 40 имп |
1 |
0 |
±1,0 | |
|
0,50 / 4 имп |
0,5 (инд) |
60 |
±1,5 | |
|
1,00/ 4 имп |
0,5 (инд) |
60 |
±1,0 | |
|
5,00 / 8 имп |
0,5 (инд) |
60 |
±1,0 | |
|
Imax / 40 имп |
0,5 (инд) |
60 |
±1,0 | |
|
0,50 / 4 имп |
0,8 (емк) |
323 |
±1,5 | |
|
1,00/ 4 имп |
0,8 (емк) |
323 |
±1,0 | |
|
5,00 / 8 имп |
0,8 (емк) |
323 |
±1,0 | |
|
Imax / 40 имп |
0,8 (емк) |
323 |
±1,0 | |
|
Примечание - Для счетчиков, не оснащенных УКН, Imax=l 00 А; для счетчиков, оснащенных УКН, Imax=80 А. | ||||
7 Определение основной погрешности при измерении активной мощности при номинальном напряжении 230 В и токе 5 А
Таблица А.2
|
Угол ф, ) |
Показания счетчика в экне программы, Вт |
Показания энергомонитора (образцового счетчика), Вт |
Расчетное значение погрешности, % |
Пределы допускаемой эсновной погрешности, % |
|
0 |
±1,0 |
Заключение___________________________________________________
Дата поверки______________________________________________
Поверку провел_____________________________________________
Приложение Б
(обязательное)
Схемы включения при поверке




РиМ 129.02, РиМ 129.04
РиМ 129.01, РиМ 129.03
Рисунок Б. 1 - Схемы включения счетчиков при проведении опробования, при проверке погрешностей при измерении активной энергии, мощности Примечание - Для счетчиков РиМ 129.02, РиМ 129.04 допускается при необходимости использовать схему, приведенную на рисунке Б.2
Внимание! При подключении счетчиков к поверочной установке следует руководствоваться указаниями, приведенными на рисунке Б.З для счетчиков, оснащенных УКН, или Б.За для счетчиков, не оснащенных УКН.

Рисунок Б.2 - Схема включения счетчиков РиМ 129.02, РиМ 129.04 при проведении опробования (кроме опробования УКН), при проверке погрешностей при измерении активной энергии, мощности
Внимание! При подключении счетчиков к поверочной установке следует руководствоваться схемой, приведенной на рисунке Б.За


РиМ 129.02, Рим 129.04
РиМ 129.01, РиМ 129.03
Рисунок Б.З
Рисунок Б.За


ТМ
ПР 1-I1PN - гальваническая развязка по сети U (230 В), коэффициент преобразования 1:1, класс не ниже 0,2.
Рисунок Б.4 - Схема подключения счетчиков РиМ 129.02, РиМ 129.04 групповым способом при проверке опробования, при проверке погрешностей при измерении энергии, мощности Примечание - Допускается использовать схему, приведенную на рисунке Б.5 (кроме опробования УКН)



Рисунок Б. 5 - Схема включения счетчиков, оснащенных УКН, при проведении опробования (кроме проверки УКН), при проверке погрешностей при измерении энергии, мощности



Рисунок Б.6 - Схема подключения счетчиков, не оснащенных УКН, групповым способом при проведении опробования, при проверке погрешностей при измерении энергии, мощности
ПРИЛОЖЕНИЕ В
(обязательное)
Порядок работы с программой Crowd_Pk.exe при идентификации ПО, опробовании интерфейсов PLC, RF, УКН и определении значений текущей активной мощности с периодом интегрирования 1 с
В.1 Программа Crowd_Pk.exe предназначена для занесения служебной информации в счетчик перед установкой их у потребителя, а также для проведения опробования интерфейсов PLC, RF, УКН.
Для поверки счетчика требуется МТ РиМ 099.01 производства ЗАО «Радио и Микроэлектроника ».
Для опробования интерфейса PLC требуется USB-PLC РиМ 053.01.
Для опробования интерфейса RF требуется USB-RF РиМ 043.01.
Программа Crowd_Pk.exe может работать в нескольких режимах работы, каждому режиму соответствует определенная кнопка:
Для опробования интерфейса PLC при помощи USB-PLC используется кнопка «Режим совместимости».
Для опробования интерфейса RF используется кнопка «Радиомодем».
Другие кнопки для опробования не используются.
ВНИМАНИЕ! Программа Crowd_Pk.exe работает, когда к МТ подключен только один конвертор (USB-RF или USB-PLC). Если оба конвертора подключены к МТ одновременно, то программа работать не будет.
При считывании данных со счетчика по интерфейсу PLC в рабочем окне программы Crowd_Pk.exe выбирать номер частотного канала не требуется.
При считывании данных со счетчика по интерфейсу RF требуется знать на каком частотном канале (1-8) работает интерфейс RF поверяемого счетчика и соответственно выбрать частотный канал в рабочем окне программы Crowd_Pk.exe.
В.2 Проведение опробования интерфейса PLC:
-
- подключить USB-PLC к любому USB - порту МТ (при проведении опробования счетчиков, оснащенных PLC);
-
- подключить USB-PLC параллельно к поверяемого счетчику;
-
- включить МТ (согласно руководству по эксплуатации МТ);
-
- подать на счетчик и USB-PLC номинальное напряжение;
-
- на рабочем столе дисплея МТ запустить программу Crowd_Pk.exe, в отобразившемся рабочем окне программы «Программирование устройств через RFPLC» нажать кнопку «Прозрачный режим», в поле «Порт» выбрать номер СОМ порта, к которому подключен USB-PLC. Все остальные настройки оставить без изменения;
-
- нажать кнопку «Установить связь». При успешном установлении связи в правом верхнем углу должен отобразиться символ круга зеленого цвета, в случае неудачного установления связи должен отобразиться символ круга красного цвета, в этом случае следует проверить работоспособность USB-PLC и правильность выбора СОМ порта;
-
- ввести в полях «Номер цели» и «Номер ретранслятора» заводской номер поверяемого счетчика, в поле «Индекс ретрансляции» установить «0»;
-
- ввести в поле «Пароль» пароль счетчика, при выпуске из производства пароль - пустой. ВНИМАНИЕ! Если пароль не известен, то следует обратиться в компанию, предоставившую счетчик на поверку;
-
- нажать кнопку «Прочитать». На панели «Инфо» закладки «РиМ» в полях «Тип», «Номер» должны отобразиться тип и заводской номер поверяемого счетчика.
Результат опробования считают положительным, если считанный номер и тип соответствуют типу и заводскому номеру счетчика.
В.З Определение частотного канала интерфейса RF по интерфейсу PLC
Для того чтобы определить на каком частотном канале работает интерфейс RF, следует выполнить действия:
-
- в рабочем окне программы «Crowd_Pk.exe» выбрать закладку «129»;
-
- выбрать вкладку «Общие», при этом должно отобразиться содержание данной закладки в виде набора панелей;
-
- на панели «Режим радиомодема» нажать кнопку «Прочитать», в поле «Номер канала» должен отобразиться номер частотного канала, на котором работает интерфейс RF;
-
- нажать кнопку «Разорвать связь»;
-
- отсоединить USB-PLC от USB-порта МТ.
В.4 Проведение опробования интерфейса RF
Опробование интерфейса RF проводят в последовательности:
-
- подключить USB-RF к любому USB - порту МТ, расположить USB-RF на расстоянии 100 м пустого пространства от поверяемого счетчика, или на эквивалентном расстоянии;
-
- на рабочем столе дисплея МТ запустить программу Crowd_Pk.exe, в отобразившемся рабочем окне программы «Программирование устройств через RFPLC» нажать кнопку «Радиомодем», в поле «Порт» выбрать номер СОМ порта, к которому подключен USB-RF, в поле «Частотный канал» выбрать номер частотного канала, считанный по интерфейсу PLC. Все остальные настройки оставить без изменения;
-
- нажать кнопку «Установить связь». При успешном установлении связи в правом верхнем углу должен отобразиться символ круга зеленого цвета, в случае неудачного установления связи должен отобразиться символ круга красного цвета, в этом случае следует проверить работоспособность USB-RF и правильность выбора СОМ порта;
-
- ввести в полях «Номер цели» и «Номер ретранслятора» заводской номер поверяемого счетчика, в поле «Индекс ретрансляции» установить «0»;
-
- нажать кнопку «Прочитать». На панели «Инфо» закладки «РиМ» в полях «Тип», «Номер» должны отобразиться тип и заводской номер поверяемого счетчика.
В.5 Идентификация ПО
Идентификацию ПО проводят в последовательности.
В рабочем окне программы Crowd_Pk.exe:
-
- выбрать закладку «129»,
-
- нажать кнопку «Общие»,
-
- считать данные с поверяемого счетчика.
Идентификатор ПО отображается в окнах «Тип» и «Версия», с предваряющими символами РиМ.
В. 6 Проведение опробования У КН
Опробование УКН проводят в последовательности:
-
- в рабочем окне программы «Crowd_Pk.exe» выбрать вкладку «специфические для РиМ 129»;
-
- нажать на кнопку «Прочитать» на панели «номер пульта и режим нагрузки», при этом поле в панели должно отобразиться «Включено, запрещено включение с пульта»;
-
- контролировать установленное значение базового тока на индикаторе тока поверочной установки;
-
- выполнить команду размыкания УКН, для чего выбрать режим ««Выключено, запрещено включение с пульта», нажать кнопку «Записать»;
-
- контролировать значение тока на индикаторе тока поверочной установки, оно должно быть близким к нулю;
-
- выполнить команду замыкания УКН, для чего выбрать режим «Включено, запрещено включение с пульта».
ПРИЛОЖЕНИЕ Г
(обязательное)
Схема расположения контактов и индикаторов счетчика
Счетчик оснащен оптическим испытательным выходом ТМ, который используется при проведении поверки, и одновременно служит индикаторами функционирования, и индикатор TMF, который используется как технологический при проверке стартового тока и отсутствия самохода счетчиков. Характеристики оптического испытательного выхода ТМ соответствуют ГОСТ 31818.11-2012.
Их расположение, а также расположение контактов счетчиков приведено на рисунках Г.1, Г.2.


Рисунок Г.1 - Схема расположения контактов и индикаторов счетчиков РиМ 129.01, РиМ 129.03


Рисунок Г.2 - Схема расположения контактов и индикаторов счетчиков РиМ 129.02, РиМ 129.04
ПРИЛОЖЕНИЕ Д (обязательное) Описание исполнений счетчиков
Исполнения счетчиков отличаются наличием или отсутствием У КН и интерфейсаРЬС. Постоянная всех исполнений счетчиков 4000 имп./(кВтч).
Основные характеристики исполнений счетчиков приведены в таблице Д. 1.
Таблица Д.1
|
Условное обозначение исполнения счетчика |
Базовый/ максимальный ток, А |
Количество тарифов/ тарифных зон ) |
Интерфейсы |
УКН |
Штрих-код по EAN-13 |
Код типа счетчика |
|
РиМ 129.01 |
5/100 |
2/6 |
PLC, RF |
Нет |
4607134511899 |
12901 |
|
РиМ 129.02 |
5/80 |
2/6 |
PLC, RF |
Есть |
4607134511905 |
12902 |
|
РиМ 129.03 |
5/100 |
2/6 |
RF |
Нет |
4607134511912 |
12903 |
|
РиМ 129.04 |
5/80 |
2/6 |
RF |
Есть |
4607134511929 |
12904 |
|
‘Т1ри работе в составе АС. При автономной работе счетчики реализуют однотарифный учет | ||||||
Лист регистрации изменений
|
Изм. |
Номера листов (страниц) |
Всего листов (страниц) в докум. |
№ докум. |
Входящий № сопроводительного докум. и дата |
Поди. |
Дата | |||
|
измененных |
замененных |
новых |
аннулированных | ||||||
17
