Методика поверки «ГСИ. РАСХОДОМЕРЫ-СЧЕТЧИКИ ЭЛЕКТРОМАГНИТНЫЕ PCM - 05» (МП. МН 789-2010)

Руководитель ГЦИ СИ Заместитель генерального директора ёст-Москва»

Москву
s / Государственен центр испытаний соедота измерении Т (ГЦИ СИ)
XL Евдокимов
2010 г.
РЕКОМЕНДАЦИЯ
Государственная система обеспечения единства измерений
РАСХОДОМЕРЫ-СЧЕТЧИКИ ЭЛЕКТРОМАГНИТНЫЕ
РСМ - 05Методика поверки
МП. МН 789-2010
(Взамен МП.МН 789 - 2005)
2010 г.
СОДЕРЖАНИЕНастоящая методика поверки распространяется на расходомеры — счетчики электромагнитные РСМ - 05, выпускаемые по ТУ 4213-005-52392185 — 2005, (в дальнейшем - расходомеры) и устанавливает методику их первичной и периодической поверок.
Межповерочный интервал - 4 года.
В состав расходомеров входят:
-
• электромагнитный первичный преобразователь расхода (ППР);
-
• промежуточный преобразователь микропроцессорный (ППМ);
-
• по заказу: термопреобразователь сопротивления (ТС) или комплект ТС.
В состав расходомеров исполнения РСМ - 05.07 термопреобразователи сопротивления не входят.
1 ОПЕРАЦИИ ПОВЕРКИ-
1.1 При проведении поверки должны выполняться операции, указанные в таблице 1.
Таблица 1
Наименование операции |
Номер пункта методики поверки |
Обязательность проведения операции | ||||
для исполнения расходо- |
при поверке | |||||
мера РСМ |
-05. | |||||
03 |
05 |
07 |
первичной |
периодической | ||
1 |
2 |
3 |
4 |
5 |
6 |
7 |
Внешний осмотр |
6.1 |
+ |
+ |
+ |
+ |
+ |
Проверка герметичности и прочности ПГ1Р |
6.2 |
+ |
+ |
+ |
+ |
- |
Проверка электрической прочности изоляции |
6.3 |
+ |
+ |
+ |
+ |
- |
Проверка электрического сопротивления изоляции электродов ППР |
6.4 |
+ |
+ |
+ |
+ |
+ |
Проверка электрического сопротивления изоляции цепей питания ППР и ППМ |
6.5 |
+ |
+ |
+ |
+ |
+ |
Опробование |
6.6 |
+ |
+ |
+ |
+ |
+ |
Определение относительной погрешности при измерении среднего объемного расхода |
6.7.1 |
+ |
+ |
- |
+ |
+ |
Определение относительной погрешности при измерении объема жидкости |
6.7.2 |
+ |
+ |
- |
+ |
+ |
Определение абсолютной погрешности преобразования сигналов от ТС |
6.7.3 |
+ |
+ |
- |
+ |
+ |
Определение относительной погрешности при измерении разности температур |
6.7.4 |
- |
+ |
- |
+ |
+ |
Определение погрешности ТС |
6.7.5 |
+ |
+ |
- |
+ |
+ |
Определение приведенной погрешности преобразования сигналов от датчиков давления с токовым выходом |
6.7.6 |
■ |
+ |
- |
+ |
+ |
Продолжение таблицы 1
1 |
2 |
3 |
4 |
5 |
6 |
7 |
Определение относительной погрешности при измерении массового расхода |
6.7.7 |
+ |
- |
- |
+ |
+ |
Определение относительной погрешности при измерении массы жидкости |
6.7.8 |
+ |
- |
- |
+ |
+ |
Определение приведенной погрешности преобразования измеренного значения среднего объемного расхода в сигнал постоянного тока |
6.7.9.1 |
+ |
- |
- |
+ |
+ |
Определение приведенной погрешности преобразования температуры в сигнал постоянного тока |
6.7.9.2 |
+ |
- |
- |
+ |
+ |
Определение относительной погрешности преобразования среднего объемного расхода в частотный выходной сигнал |
6.7.10 |
+ |
+ |
+ |
± |
4- |
Определение относительной погрешности преобразования протекшего объема в импульсный выходной сигнал |
6.7.11 |
+ |
+ |
+ |
+ |
+ |
Определение относительной погрешности измерения времени |
6.7.12 |
+ |
+ |
- |
+ |
+ |
Примечания:
|
2 СРЕДСТВА ПОВЕРКИ
-
2.1 При проведении поверки должны применяться средства измерений и вспомогательное оборудование с характеристиками, указанными в таблице 2.
Таблица 2
Наименование средства измерений или вспомогательного оборудования |
Основные метрологические и технические характеристики |
Установка поверочная для поверки и градуировки расходомеров-счетчиков жидкости |
Диапазон расходов от 0,03 - 600 м3/ч. Предел допускаемой относительной погрешности измерения ±0,3 %. |
Мегаомметр Е6 - 16 |
Диапазон измерений от 2 Ом до 200 МОм при U=500 В. Основная приведенная погрешность, не более ±1,5 % |
Универсальная пробойная установка У ПУ-1М |
Мощность 0,25 кВт Напряжение (0 - 10) кВ |
Стенд проверки гермегичносги |
Ртах =2,5 Ml 1а, манометр кл. т. 1,5 |
Магазин сопротивлений Р4831 |
Диапазон измерения от 0,002 Ом до 111111,10 Ом. Предел допускаемой погрешности, %, 5 = ± {0,02±2xl0'6(Rmax/R-l)} |
Частотомер 43 - 63/1 |
F от 0,005 Гц до 1500 МГц, of = 5-10'7 |
Продолжение таблицы 2
Наименование средств измерений |
Основные метрологические и технические характеристики |
Прибор комбинированный цифровой Щ - 300 |
Диапазоны измерения: 0,001 ... 1000В; 100нА ...1 А. Погрешность ±(0,05 ...0,2) % |
Секундомер электронный СТЦ - 2 |
Предел допускаемой погрешности измерения интервалов времени А = ±15 х 10 |
Калибратор программируемый П320 |
Диапазон калиброванных выходных напряжений от 10’1 до 102 3 4 В, токов от 10'5 до 10'1 А. |
Примечание: допускается применение других средств поверки с аналогичными характеристиками, разрешенных к применению в Российской федерации.
3 ТРЕБОВАНИЯ БЕЗОПАСНОСТИ-
3.1 К проведению поверки допускаются лица, изучившие настоящую методику поверки, техническое описание расходомера, эксплуатационную документацию на применяемые средства измерения и оборудование и прошедшие инструктаж по технике безопасности.
-
3.2 При проведении поверки должны соблюдаться требования ГОСТ 12.2.007, ГОСТ 12.3.019, «Правил устройства электроустановок», «Правил технической эксплуатации электроустановок потребителей» и «Правил техники безопасности при эксплуатации электроустановок потребителей».
-
4.1 При проведении поверки должны соблюдаться следующие условия:
поверочная жидкость
- вода;
температура воды, °C
- 25±10;
температура окружающего воздуха, °C
- 20±5;
относительная влажность окружающего
воздуха, %
- от 30 до 80;
атмосферное давление кПа,
- от 86.0 до 106.7;
напряжение питания. В
от 215,6 до 22
4,4 (от 35,3 до 36,7);
частота, Гц
- (от 49 до 51);
- прямолинейный участок трубопровода должен быть не менее 5Ду до плоскости электродов установленного ПНР и ЗДу после нее.
6 ПРОВЕДЕНИЕ ПОВЕРКИ-
6.1 Внешний осмотр.
При внешнем осмотре должно быть установлено:
-
- наличие паспорта;
-
- соответствие комплектности и маркировки расходомера требованиям технической документации;
-
- отсутствие повреждений и дефектов, препятствующих чтению надписей, снятию показаний с индикатора и ухудшающих внешний вид;
-
- отсутствие внутри прибора незакрепленных деталей и посторонних предметов.
-
6.2 Проверка герметичности и прочности ПНР. ПНР устанавливают на стенд проверки герметичности. В течение 1 минуты плавно повышают давление до 2,4 МПа.
Расходомеры считают выдержавшими испытания, если в течение 5 мин манометр стенда не зафиксировал падения давления.
-
6.3 Проверку электрической прочности изоляции проводят в соответствии с требованиями к проведению испытаний ГОСТ 26104. Проверку электрической прочности изоляции цепи возбуждения Г1ПР проводят для раздельных конструктивных исполнений расходомеров.
-
- переменное напряжение прикладывают между замкнутыми накоротко цепями питания ППМ и защитным экраном ППМ, с замкнутыми на него вторичными цепями (при отключенном ПГ1Р),
-
- переменное напряжение прикладывают между замкнутыми накоротко цепями возбуждения ППР и корпусом ППР (при отключенном ППМ). Поверхность измерительного канала ППР должна быть сухой и чистой.
Величины испытательных напряжений 1500 и 500 В соответственно. Расходомеры считают выдержавшими испытание, если в течение 1 мин не обнаружено пробоя изоляции.
-
6.4 Проверку электрического сопротивления изоляции электродов ППР производят мегаомметром с погрешностью не более ±5 % и номинальным напряжением 500 В. Внутренняя поверхность канала ППР должна быть сухой и чистой. Испытания проводят при отключённом ППМ от ППР. Один зажим мегаомметра с обозначением "ЗЕМЛЯ" соединить с корпусом, а другой - с каждым из электродов ППР. Расходомеры считают выдержавшими испытания, если значение сопротивления изоляции электродов не менее 100 МОм.
-
6.5 Проверку электрического сопротивления изоляции цепей питания ППР и ПГ1М относительно корпуса (защитного экрана) ППР и ППМ соответственно производят мегаомметром с погрешностью не более ±20 % и номинальным напряжением 500 В. Мегаомметр подключают между замкнутыми накоротко проводами цепи питания ППМ и корпусом.
Расходомеры считают выдержавшим испытания, если измеренное значение сопротивления изоляции составляет не менее 40 МОм.
-
6.6 Опробование.
Опробование включает следующие операции:
-
- установку расходомеров на измерительный участок поверочной расходомерной установки в соответствии с требованиями паспорта расходомера и инструкции по эксплуатации расходомерной установки, заполнение внутреннего объема ППР водой и выдержку при расходе « 50 %Gmax в течение 15 минут;
-
- проверку действия органов управления расходомеров РСМ-05.03 переключением режимов работы с помощью кнопок управления;
-
- проверку работоспособности интерфейса RS485 (RS232) путём сличения значений установленных параметров (Ду, сетевой адрес, Gmax, тип ТС) и выводимых на экран монитора (кроме РСМ-05.07). Расходомеры считают прошедшими испытания, если в процессе испытаний не обнаружено разночтений между информацией, выводимой на монитор ПК, и установленными параметрами расходомера.
-
- проверку установки измеренного значения объёмного расхода на ноль и отсутствия импульсов на частотном выходе при отсутствии расхода поверочной жидкости6 7;
-
- проверку работоспособности расходомера при изменении расхода в пределах рабочего диапазона изменением расхода через ПНР в пределах установленного диапазона расходов.
-
6.7 Определение метрологических характеристик расходомеров.
-
6.7.1 Определение относительной погрешности при измерении среднего объемного расхода (РСМ-05.03 и РСМ-05.05).
-
Подключают расходомеры, установленные предварительно на поверочную расходомерную установку, к средствам поверки в соответствии с Приложением А. Погрешность измерения среднего объемного расхода определяют в контрольных точках, приведенных в таблице 3, и вычисляют по приведенным ниже формулам:
Таблица 3
Ду, мм |
- - -——-- Контрольные точки, м' /ч | |||
1 |
2 |
3 | ||
110% Gmin |
4 % Gmax |
90 % Gmlx | ||
РСМ-05.05 класса 1 |
РСМ-05.03, РСМ-05.05 класса 2 | |||
15 |
0,0165 (0,0066) |
0,033 |
0,24 |
5,4 |
25 |
0,0440 (0,0176) |
0,088 |
0,64 |
14,4 |
32 |
0,0825 (0,033) |
0,165 |
1,2 |
27 |
40 |
0,110 (0,044) |
0,22 |
1,6 |
36 |
50 |
0,165 (0,066) |
0,33 |
2,4 |
54 |
80 |
0,440 (0,176) |
0,88 |
6,4 |
144 |
100 |
0,825 (0,33) |
1,65 |
12 |
270 |
150 |
1,650 (0,66) |
3,30 |
24 |
540 |
Примечания:
1. Установку расхода жидкости, соответствующего выбранной точке поверки, следует осуществлять с погрешностью не более ±5 % от указанного значения.
-
2. Если расходомерная установка не воспроизводит расходов, соответствующих 90 % Gmax, то допускается выполнять измерения на максимальном воспроизводимом установкой расходе, при условии, что его значение не менее 30 % Gmax
-
3. В скобках указаны значения расхода, на которых проводится поверка расходомеров с динамическим диапазоном измерений Gmax/ Gmin=1000.
при поверке методом сличения:

к 100 %,
)
(1)
где Gy - показания поверяемого расходомера. м8/ч, Go- показания эталонного расходомера, м8/ч.
Время измерения не менее 120 с.
при поверке объемным методом:
' Gv
УЗбООУ^Т^

*100
(2)
где Vo - объем, измеренный эталонным средством, м3, Тизм - время измерения, с.
Количество измерений в каждой точке поверки равно трем.
Расходомеры считаются прошедшими поверку, если значения погрешностей, определенные по формулам (1) или (2), не выходят за пределы, приведенные в табл. 3.1.
Таблица 3.1
Исполнение РСМ-05 |
03 |
05 и 07, класс 1 |
05 и 07, класс 2 | ||||||
Номер контрольной точки |
1 |
2 |
3 |
1 |
2 |
3 |
1 |
2 |
3 |
Пределы допустимой погрешности измерений,% |
±3,0 |
±1,0 (±0,5)* |
±1,0 (±0,5)* |
±2,0 |
±0,8 |
±0,8 |
±2,8 |
±1,0 |
±0,8 |
* - в скобках указаны значения пределов погрешностей для расходомеров РСМ-05.03 класса 1 (значения приводятся в паспорте на изделие) |
-
6.7.2 Определение относительной погрешности расходомеров при измерении объема жидкости (совмещают с проверкой по п. 6.7.1).
Относительную погрешность измерения объема определяют по формуле:

хЮО

(3)
где: Vu- показания поверяемого расходомера, м3,
Vo - образцовое значение объёма (для метода сличения: Vo =Go -Тизл1, для объемного метода: = Vo- объём рабочего эталона), м3,
Расходомеры считаются прошедшими поверку, если максимальное значение погрешности. определенное по формулам (1) или (2) не превышает пределов, приведенных в табл. 3.1.
-
6.7.3 Определение абсолютной погрешности преобразования сигналов от ТС.
В соответствии с градуировочной характеристикой применяемого ТС (ГОСТ Р 8.625) на магазине сопротивлений поочерёдно установить соответствующие значения сопротивлений (см. таблицу 4).
Абсолютную погрешность преобразования сигналов от термопреобразователей сопротивления в градусах Цельсия определяют по формуле:
= (4)
где tu - показания поверяемого расходомера, °C,
tp - расчетное значение температуры, приведенное в таблице 4.
Таблица 4
Контрольные точки |
Расчетное зна-чение температуры, tp, °C |
Сопротивление ТС, Ом | |||||
Pt’ 100 |
Pt 100 |
Pt’ 500 |
Pt 500 |
Си’100 |
CulOO | ||
1. |
10 |
103,96 |
103,90 |
519.80 |
519,50 |
104,28 |
104,26 |
2. |
80 |
131,38 |
130,90 |
656,90 |
654,50 |
134,22 |
134,09 |
3. |
145 |
156,33 |
155,46 |
781,65 |
777,30 |
162,02 |
161,79 |
Расходомеры считают прошедшими поверку если, абсолютная погрешность преобразования сигналов от ТС, определенная по формуле (4) не превышает ±( 0,2 + 0,0014) °C, где t - температура измеряемой среды в градусах Цельсия (температура в контрольной точке).
Аналогичным образом для расходомера РСМ-05.05 определяется погрешность второго канала измерения температуры.
-
6.7.4 Определение относительной погрешности расходомера РСМ-05.05 при измерении разности температур.
Устанавливают на магазинах сопротивлений значения в соответствии с таблицей 5. Относительную погрешность измерения разности температур определяют по формуле:


\
-1 х100
/

(5)
где Atu = tl -t2,
tl, t2 - показания расходомера по первому и второму каналам измерения температуры соответственно,
Atp - расчетное значение разности температур, приведенное в таблице 5.
Таблица 5
Точка поверки |
tl, °C |
t2, °C |
^tp, °C |
Сопротивление термопреобразователей, Ом | |||||||
tl |
t2 | ||||||||||
Pt’100 |
Pt 100 |
Си’100 |
Си 100 |
Pt’100 |
Pt 100 |
Си’100 |
Си 100 | ||||
1 |
60 |
57 |
3 |
123,61 |
123,24 |
125,67 |
125,57 |
122,44 |
122,09 |
124,38 |
124,29 |
2 |
80 |
70 |
10 |
131,38 |
130,90 |
134,22 |
134,09 |
127,50 |
127,08 |
129,94 |
129,83 |
3 |
145 |
10 |
135 |
156,33 |
155,46 |
162,02 |
161,79 |
103,96 |
103,90 |
104,28 |
104,26 |
Расходомеры считают прошедшими поверку, если погрешность, определенная по формуле (5), не превышает 1,5 % для первой точки поверки и 0,5 % - для второй и третьей.
-
6.7.5 Определение погрешности ТС.
Поверка термопреобразователей сопротивления производится по ГОСТ 8.624-2006 на соответствие классам А или В по ГОСТ 8.625-2006.
-
6.7.6 Определение приведенной погрешности расходомеров РСМ-05.05 при преобразования сигналов от датчиков давления с токовым выходом.
Подают поочерёдно с калибратора на входы +11, -II и +12, -12 (см. рисунок А.З) ток, пропорциональный значениям избыточного давления (см. таблицу 6)
Таблица 6
Диапазон изменения |
Точка поверки |
% от диапазона измерения |
давления |
выходного сигнала |
0 |
50 |
100 |
датчика давления, мА |
Расчётное значение тока, мА | ||
0-5 |
0, 00 |
2,50 |
5,00 |
4 - 20 |
4,00 |
12,0 |
20,0 |
Приведенную погрешность преобразования сигналов от датчиков давления с токовым выходом определяют по формуле:
-- Рр]хЮ0 %, (6)
ч * max )
где Ри - показания расходомера, МПа,
Рр- расчетное значение давления, определяемое по формуле:
Рр ~ Ртах' (I ~ hnin)/(Jmax ~ ^min)>
Р'тах~ максимальное значение измеряемого давления, Ртах =1,6 МПа,
I - значение тока калибратора (в контрольной точке), мА.
Расходомеры считают прошедшими поверку, если погрешность, определенная по формуле (6) для каждого канала измерения, не превышает ±0,5 %.
-
6.7.7 Определение относительной погрешности измерения массового расхода. Проводят для расходомеров РСМ-05.03 совместно с п. 6.7.1 в точке 90 % Gmax.
В соответствии с типом применяемых с расходомером ТС, установить на магазине сопротивлений сопротивление, соответствующее 150 °C.
Погрешность измерения массового расхода определятся по формуле:

(7)
где Gm - показания поверяемого расходомера, т/ч,
Gp - расчетное значение массового расхода, т/ч,
Для метода сличения: Gp=Go -р,
Для объемного метода: Ср=(36ОО-Уо1Тизм)'Р-р- плотность воды при 150 °C и давлении 1,6 МПа (917, 65 кг/м3).
Расходомеры считают прошедшими поверку, если погрешность, определенная по формуле (7) не превышает ±1,5 %.
-
6.7.8 Определение относительной погрешности измерения массы жидкости. Проводят для расходомеров РСМ-05.03 совместно с п. 6.7.7.
Погрешность измерения массы определяют по формуле:


\
-1
/
*100 %,
(8)
где Ми - показания поверяемого расходомера, т,
Мр = У0-р- расчетное значение массы, т.
Расходомеры считают прошедшими поверку, если погрешность, определенная по формуле (8) не превышает ±1,5 %.
-
6.7.9 Определение приведенной погрешности преобразования измеряемого параметра в сигнал постоянного тока (только для РСМ-05.03). Допускается проводить операцию поверки одного из измеряемых параметров (расхода или температуры).
-
6.7.9.1 Определение приведенной погрешности преобразования измеренного значения среднего объемного расхода в сигнал постоянного тока.
-
Поверку проводят совместно с проверкой по п. 6.7.1.
Приведенную погрешность преобразования измеренного значения среднего объемного расхода в сигнал постоянного тока определяют по формуле:
//
\
*100, %
(9)
где 1и- измеренное значение выходного тока, мА,
/у
1 р ~ - ^min)+ ^min ' расчетное значение выходного тока,
Imin, Imax - минимальное и максимальное значения выходного тока, мА,
Gmax ~ верхний предел измерений, м3/ч.
Расходомеры считают прошедшими поверку, если погрешность, определенная по формуле (9), не выходит за пределы ±1,0 % во всех контрольных точках.
-
6.7.9.2 Определение приведенной погрешности преобразования температуры в сигнал постоянного тока проводят совместно с проверкой по п. 6.7.3
преобразования температуры в сигнал постоянного
Приведенную погрешность ППМ тока определяют по формуле:
Yt =
*100 %,
(Ю)
/ р где I р = ----(lmax - Imin) + Imin - расчетное значение выходного тока,
^тах
?,„ях - верхний предел измерения температуры, (150 (,С).
Расходомеры считают прошедшими поверку, если погрешность, определенная по формуле (10), не выходит за пределы ±1,0 % во всех точках поверки.
-
6.7.10 Определение относительной погрешности преобразования среднего объемного расхода в частотный выходной сигнал. Проверку проводят в контрольных точках согласно табл. 3 по методике п 6.7.1.
Подключают к выводам F+ и F ~ расходомера частотомер и устанавливают его в режим измерения частоты. Относительную погрешность преобразования среднего объемного расхода в частоту определяют по формуле:
fu f р
< fp
х100 %,
(11)
VRQ fp—(GolGmax) ■ fmax
fu - значение частоты на выходе расходомера, Гц,
/,,шл ~ частота, соответствующая верхнему пределу измерения объемного расхода, Гц.
Расходомеры РСМ-05.03 считают прошедшими поверку, если погрешность, определенная по формуле (11), не выходит за пределы ±3,5 % в первой точке поверки и ±1,5 % (для класса 1 ±1,0 %) во всех остальных точках поверки. Для расходомеров исполнения РСМ-
05.05, РСМ-05.07 - не выходит за пределы, приведенные в табл. 3.1.
-
6.7.11 Определение относительной погрешности преобразования протекшего объема в импульсный выходной сигнал.
6.7.11.1 Для РСМ - 05.03 проводят совместно с п. 6.7.1 в точке 90 % Gmax- Подключают к выводам расходомера N+ и N' частотомер и устанавливают его в режим счёта импульсов. Весовой коэффициент Ку , л/имп, устанавливается согласно таблице 7.
Таблица 7
Ду. мм, |
15 |
25 |
32 |
40 |
50 |
80 |
100 |
150 |
Ку л/имп ------------*»_______________________ |
0,5 |
2,5 |
2,5 |
2,5 |
5 |
10 |
10 |
10 |
Погрешность преобразования протекшего объема в импульсный сигнал определяют по
формуле:

(12)
где Nu - показания частотомера;
У/?-расчетное количество импульсов (определяется по формуле: Nр -
Vo - образцовое значение объёма (для метода сличения: Vo =Go -Тизм, ного метода: Vo = Vp- объём рабочего эталона), м3,

для объем-
Расходомеры считают прошедшими поверку, если погрешность, определённая по формуле (12), не превышает ±3,0 % в первой контрольной точке и ±1,0 % (для класса 1 ±0,5 %) - в остальных.
-
6.7.11.2 Для РСМ - 05.05 и РСМ - 05.07 проводят одним из двух приведенных ниже методов в точке 90 % Gmax. Для PC М-05.07 проводится поверка каждого измерительного канала. Допускается проводить поверку одновременно двух каналов.
Метод 1 (с изменением весового коэффициента импульса Ку). Рекомендуется использовать при поверке на расходомерных установках с объемным или массовым методом измерения расхода. Операция поверки выполняется по методике п.6.7.11.1. Устанавливаемое в расходомере значение Ку должно удовлетворять условию: Ку s Go/24. Рекомендуемые значения Ку в точках поверки для всех Ду ППР приведены в таблице 8.
Таблица 8.
Точки по-верки |
Ду, ММ, И /Су, л/имп. | ||||||
15 |
25 |
32 |
50 |
80 |
100 |
150 | |
90 % Gmax |
0,2 |
0,6 |
1 |
2 |
6 |
10 |
20 |
Установка Ку осуществляется через преобразователь RS-232 при помощи персонального компьютера (ПК) и программного обеспечения "RSM-05.0Xset.exe".
Минимально необходимый объем жидкости, пропускаемой через ППР при одном измерении, должен быть таким, чтобы набрать не менее 250 импульсов.
Примечание: для уменьшения методической погрешности измерения рекомендуемый объем жидкости, пропускаемой через ППР при одном измерении, должен быть таким, чтобы набрать не менее 500 импульсов.
Погрешность преобразования протекшего объема в импульсный сигнал определяют по формуле (12).
По окончании проведения операции поверки, значение Ку устанавливается согласно указанному в паспорте расходомера.
Метод 2 (без изменения весового коэффициента Ку). Рекомендуется использовать при поверке на расходомерных установках, у которых используется метод сличения с показаниями образцового расходомера.
Начало измерения синхронизируется по времени с началом очередного импульса на выходе РСМ-05. Время проведения измерения должно быть не менее, чем период следования импульсов и не менее 30 с в случае автоматической синхронизации по времени.
Если на поверочной установке невозможна автоматическая синхронизация, то допускается ручная синхронизация с допуском ±1 с. В этом случае время проведения измерения должно быть не менее 300 с.
Окончание измерения также синхронизируется во времени с началом очередного импульса на выходе РСМ-05.
Погрешность преобразования протекшего объема в импульсный сигнал определяют по формуле:
= ~ljxl00% (13)
РСМ-05 считают прошедшими поверку, если погрешность, определённая по формуле (12) или (13), не выходит за пределы ±0,8 %.
-
6.7.12 Определение относительной погрешности измерения времени.
Включить РСМ-05 в сеть. По сигналам точного времени зафиксировать показания времени на индикаторе расходомера.
По истечении 24 часов по сигналам точного времени повторно зафиксировать показания времени на индикаторе расходомера.
Относительную погрешность измерения времени определяют по формуле:
Sr=l^--j]xl00%, (14)
Vo /
где Ти - период времени, измеренный расходомером, с;
То - расчетный период времени, с. (То = 86400 с).
Расходомеры считают прошедшими испытания, если относительная погрешность измерения времени не выходит за пределы ±0,01 %.
7 ОФОРМЛЕНИЕ РЕЗУЛЬТАТОВ ПОВЕРКИ-
7.1 При положительных результатах поверки:
оформляется протокол поверки по форме Приложения В;
оформляется свидетельство о поверке установленной формы; наносится оттиск поверительного клейма на лицевую панель ППМ.
-
7.2 В случае отрицательных результатов первичной поверки расходомер бракуется.
-
7.3 При отрицательных результатах периодической поверки расходомер к применению не допускается, в его паспорте производится запись о непригодности, а оттиск клейма гасится.
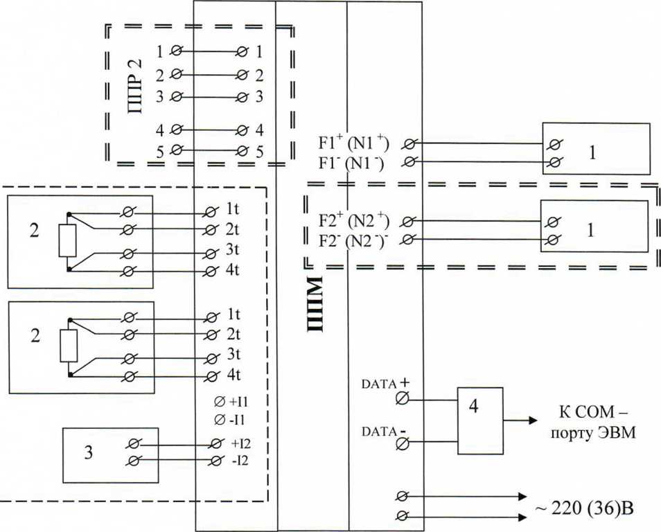
ПРИЛОЖЕНИЕ А
Схема подключения расходомеров РСМ-05.03

1 - прибор комбинированный цифровой 1Ц300, 2 - частотомер, 3 - магазин сопротивлений, 4 - секундомер электронный СТЦ - 2, 5 - преобразователь интерфейсов ADAM 4522.
Примечание:
-
1. Выходы XS3 (N+, N-), XS4 (F+, F-) и выход таймера (Т+, Т-) подключаются в зависимости от поверяемого параметра.
Рисунок А. 1
ПРИЛОЖЕНИЕ А
(обязательное)
(продолжение)
Схема подключения расходомеров РСМ-05.05, РСМ-05.07

1 - частотомер, 2 - магазин сопротивлений, 3- калибратор, 4- преобразователь интерфейсов.
Примечание:
-
1. В РСМ-05.07 отсутствуют каналы измерения температуры и давления (обведены пунктиром). Магазины сопротивлений 2 и калибратор 3 не подключаются;
-
2. В РСМ-05.05 отсутствует второй канал измерения расхода (обведен двойным пунктиром);
-
3. Тип выходного сигнала: импульсный (N+, N') или частотный (F+, F') устанавливается перемычкой на плате ППМ в зависимости от поверяемого параметра.
Рисунок А.2
ПРИЛОЖЕНИЕ Б
(обязательное)
ПРОТОКОЛ
Поверки расходомера РСМ - 05.__№__________Ду____
Предприятие-изготовитель................................................................
Тип поверочной установки:.........................................................................
Предприятие, проводившее поверку.........................................................................
Температура воды ..................................................................................................
Температура воздуха................................................................................................
Относительная влажность воздуха.........................................................
Атмосферное давление........................................................................
Внешний осмотр расходомера:...................................СООТВЕТСТВУЕТ
Сопротивление изоляции электродов................................................>100 МОм
Сопротивление изоляции цепей питания расходомера.....................>40 МОм
Определение относительной погрешности при измерении объема и среднего объемного расхода и пре- образовании его в токовый и частотный выходные сигналы
Go, м3/ч |
Gv, м3/ч |
^jV,, % |
Ио, м3 |
Ии, м3 |
<5v, % |
3GM доп, доп, % |
Ги. mA, |
Гр, mA, |
/ь % |
ДОП, % |
/и, Гц |
Ур- Гц |
<*, % |
8( доп. % | |
2% Gmax 1 |
±3,0 |
±1,0 |
±3,5 | ||||||||||||
4% Gmax 1 |
±1,0 |
±1,5 | |||||||||||||
90% Gmaxl |
±1,0 |
±1,5 | |||||||||||||
л rl X О g Os = |
±1,0 |
±1,5 | |||||||||||||
Определение относительной погрешности при измерении массового расхода и массы и преобразова- нии объема в импульсный сигнал.
GM. т/ч, |
Gp, т/ч, |
Азм, % |
А/и, т |
/ИР,т |
<5м, % |
Np, имп |
имп |
<$N, % |
<%м доп -± 1,5 %; дОП -± 1,5 %; & доп = ± 1,5 %
Определение погрешности измерения температуры и преобразования ее в сигнал постоянного тока.
!/с |
4, "С |
At, °C |
At доп, "С |
Гц мА |
Гр, мА |
/п % |
7/ДОП, % |
10 |
±0,21 |
±1,0 | |||||
80 |
±0,28 | ||||||
145 |
±0,345 |
Относительная погрешность таймера...................................................< ±0,01 %
Заключение:_________________________________________________________________
Поверитель___________________ /___________________/ Дата________
Относительная погрешность таймера...................................................< ±0,01 %
Заключение:_________________________________________________________________
Поверитель___________________ /___________________/ Дата________
подпись Расшифровка подписи
ПРОТОКОЛ
Поверки расходомера РСМ - 05.__№_________Ду____
Предприятие-изготовитель................................................................
Тип поверочной установки:..........................................................................
Предприятие, проводившее поверку.........................................................................
Температура воды ..................................................................................................
Температура воздуха................................................................................................
Относительная влажность воздуха.........................................................
Атмосферное давление........................................................................
Внешний осмотр расходомера:...................................СООТВЕТСТВУЕТ
Сопротивление изоляции электродов..................................................>100 МОм
Сопротивление изоляции цепей питания расходомера.......................>40 МОм
Определение относительной погрешности при измерении объема и среднего объемного расхода и пре-

Определение относительной погрешности при измерении массового расхода и массы и преобразова- нии объема в импульсный сигнал.
GM, т/ч, |
Gp т/ч. |
&м, % |
А7И, т |
А/Р,т |
41, % |
УР, имп |
Nyi, имп |
4, % |
ИлМ доп ±1,5 /о, доп —1,5 /о, доп, ±1,5 /о
Определение погрешности измерения температуры и преобразования ее в сигнал постоянного тока.
tut °C |
At, °C |
At доп, °C |
Ль мА |
Ip, мА |
Г/, % |
//ДОП, % | |
10 |
±0,21 |
±1,0 | |||||
80 |
±0,28 | ||||||
145 |
±0,345 |
Относительная погрешность таймера
< +0,01 %
Заключение:___________________________________________________________
Поверитель___________________ /___________________/ Дата________
подпись Расшифровка подписи
ПРОТОКОЛ
Поверки расходомера РСМ - 05.05 №__________Ду____
Предприятие-изготовитель................................................................
Тип поверочной установки:.........................................................................
Предприятие, проводившее поверку.........................................................................
Температура воды ..................................................................................................
Температура воздуха................................................................................................
Относительная влажность воздуха.........................................................
Атмосферное давление........................................................................
Внешний осмотр расходомера:...................................СООТВЕТСТВУЕТ
Сопротивление изоляции электродов................................................^100 МОм
Сопротивление изоляции цепей питания расходомера......................>40 МОм
Определение относительной погрешности при измерении среднего объемного расхода (объёма) и преобразовании его в частотный (импульсный) выходной сигнал.
С |
Go, м3/ч |
Gv, м/ч |
Ей, м |
^V, % |
Sqm % |
^GV ДОП 9 ДОП5 % |
/и, Гц |
/р, Гц |
Я, % |
доп, % |
имп |
Ки, имп |
% |
АЧдоп % | |
110% Gminl Vo__ |
- |
- |
- |
- | |||||||||||
- |
- |
- | |||||||||||||
- |
- |
- | |||||||||||||
4% Gmaxl Vo__ | |||||||||||||||
90% Gmaxl Vo_ |
- |
- |
- |
- | |||||||||||
- |
- |
- | |||||||||||||
- |
- |
- |
Определение погрешности измерения давления, температуры и разности температур.
Р/и, МПа |
Е/р, МПа |
Г1р % |
Р2и, МПа |
Р2р, МПа |
Г2р % |
//’ДОП > % |
tl " £ J м С |
/2" С |
Atl °C |
At2 °C |
At ДОП, °C |
AtP, °C |
At„, "C |
8дь % |
5it доп, % | |
±0,5 |
10 |
±0,21 |
3 |
±2,0 | ||||||||||||
80 |
±0,28 |
10 |
±1.0 | |||||||||||||
145 |
±0,345 |
135 |
Относительная погрешность таймера...........................................< ± 0,01 %
Заключение:___________________________________________________________
ПРОТОКОЛ
Поверки расходомера РСМ- 05.05 №_________Ду____
Предприятие-изготовитель................................................................
Тип поверочной установки:.........................................................................
Предприятие, проводившее поверку.........................................................................
Температура воды ..................................................................................................
Температура воздуха................................................................................................
Относительная влажность воздуха.........................................................
Атмосферное давление........................................................................
Внешний осмотр расходомера:...................................СООТВЕТСТВУЕТ
Сопротивление изоляции электродов.................................................>100 МОм
Сопротивление изоляции цепей питания расходомера.......................5:40 МОм
Определение относительной погрешности при измерении среднего объемного расхода (объёма) и преобразовании его в частотный (импульсный) выходной сигнал.
Gq, м3/ч |
Ov, м3/ч |
<$?1V % |
Ио, м3 |
Ии, м |
% |
$3V доп? доп? % |
/и, Гц |
/р, Гц |
4 % |
доп, % |
Np, имп |
Мъ имп |
&I, % |
^Ь!доп % | |
110% Gminl |
- |
- |
- |
- | |||||||||||
- |
- |
- | |||||||||||||
- |
- |
- | |||||||||||||
4% Gmaxl | |||||||||||||||
90% Gmaxl |
- |
- |
- |
- | |||||||||||
- |
- |
- | |||||||||||||
- |
- |
- |
Определение погрешности измерения давления , температуры и разности температур.
Р1и, МПа |
Pip. МПа |
/Л- % |
Р2и, МПа |
Р2р, МПа |
У2р % |
Уряоп, % |
1гс |
°C |
t2„ °C |
Atl °C |
At2 °C |
At ДОП, °C |
Atp, °C |
At„, °C |
З.м, % |
Sai доп, % |
±0,5 |
10 |
±0,21 |
3 |
±2,0 | ||||||||||||
80 |
±0,28 |
10 |
±1.0 | |||||||||||||
145 |
±0,345 |
135 |
Относительная погрешность таймера
< ±0,01 %
Заключение:___________________________________________________________
Поверитель_______________ /_______________I Дата_______________
Подпись Расшифровка подписи
ПРОТОКОЛ
Поверки расходомера РСМ - 05.07№__________Ду____
Предприятие-изготовитель................................................................
Тип поверочной установки:.........................................................................
Предприятие, проводившее поверку.........................................................................
Температура воды ..................................................................................................
Температура воздуха................................................................................................
Относительная влажность воздуха.........................................................
Атмосферное давление........................................................................
Внешний осмотр расходомера:.............................................................
Сопротивление изоляции электродов.................................................(>100 МОм)
Сопротивление изоляции цепей питания расходомера.......................(>40 МОм)
Определение относительной погрешности при преобразовании протекшего объема (объемного расхода) в импульсный (частотный) выходной сигнал.
Первый канал |
Точка поверки |
/р, Гц |
/и, Гц |
% |
доп, % |
М, имп |
К\\, имп |
% |
<5ь1доп % |
1 | |||||||||
2 | |||||||||
3 | |||||||||
Второй канал |
Точка поверки |
/р, Гц |
Уй, Гц |
4 % |
доп, % |
М, имп |
имп |
4, % |
4|доп % |
1 | |||||||||
2 | |||||||||
3 | |||||||||
Заключение:___________________________________________________________
Дата_____________
ПРИЛОЖЕНИЕ В
ЛИСТ РЕГИСТРАЦИИ ИЗМЕНЕНИЙ
Изм. |
Номера листов (страниц) |
Всего листов (страниц) в документе |
№ документа |
Подпись |
Дата | |||
Измененных |
Замененных |
Новых |
Аннули рован ных | |||||
Лист 21
ПОДГОТОВКА К ПОВЕРКЕ
-
5.1 Перед проведением поверки необходимо выполнить следующие операции:
-
- проверить наличие паспорта с отметкой ОТК,
-
- проверить наличие СИ и вспомогательного оборудования в соответствии с таблицей 2,
-
- проверить наличие действующих свидетельств или отметок о поверке СИ,
-
- проверить соблюдение условий п.4.1, настоящей методики.
-
5.2 Перед проведением поверки СИ, входящие в состав поверочного оборудования, должны быть подготовлены к работе в соответствии с эксплуатационной документацией на них.
Здесь и далее при проведении поверки для расходомеров РСМ-05.05 в качестве показаний
измеренных и преобразованных значений использовать значения, индицируемые на экране
монитора ПК.