Методика поверки «СИСТЕМА АВТОМАТИЗИРОВАННАЯ ИЗМЕРИТЕЛЬНАЯ ТЕСТ-1201-01» (РЭ ФТКС.411713.179)
УТВЕРЖДАЮ
В части раздела 13 «Поверка»
Заместитель
В.Н. Яншин
2015 г.
Л Ь №
СИСТЕМА АВТОМАТИЗИРОВАННАЯ ИЗМЕРИТЕЛЬНАЯ ТЕСТ-1201-01
Руководство по эксплуатации
ФТКС.411713.179РЭ

2016
СИСТЕМА АВТОМАТИЗИРОВАННАЯ ИЗМЕРИТЕЛЬНАЯ ТЕСТ-1201-01
Руководство по эксплуатации
ФТКС.411713.179РЭ
|
Подп. и дата | |
|
4 ю « и К | |
|
Взам. инв. N | |
|
Подп. и дата | |
|
к ч о к Z « и К |
2016
O', г-
Содержание
0Э Ph О c
10
11
14
15
17
21
10
22
11
25
12
27
13
30
c5
Й
к
ч о С
ti ю
« и К
« и S
S ч м m
c5
Й
к
ч о С
к ч о к Z
« и К
14
15
16
17
Приложение
Приложение координаты
Приложение изделия ...
45
47
53
54
|
Изм. |
Лист |
N докум. |
Подп. |
Дата |
|
Разраб. |
Смирнов | |||
|
Пров. |
Семенов | |||
|
Н. контр. |
Стороженкс | |||
|
Утв. |
Стороженко | |||
55
56
59

ФТКС.411713.179РЭ
|
Лит. |
Лист |
1 тт листов | |
|
Система автоматизированная |
| | |
2 |
1 76 |
|
измерительная ТЕСТ-1201-01 | |||
|
Руководство по эксплуатации |
к
ч о С
ti ю
« и К
« и S
S ч м m
к
ч о С
к ч о к Z
« и К
Приложение исполнение
Приложение
Приложение протоколах
Приложение
60
61
64
Приложение К (обязательное) Перечень сокращений и обозначений ............................................................ 68
Приложение Л (обязательное) Алгоритм проверки модулей и мезонинов ..............................................
69
|
Изм. |
Лист |
N докум. |
Подп. |
Дата |
ФТКС.411713.179РЭ
Лист
Настоящий документ предназначен для руководства при эксплуатации изделия Система автоматизированная измерительная ТЕСТ-1201-01 ФТКС.411713.179 (далее - изделие), являющегося модификацией №1 изделия ТЕСТ-1201 ФТКС.411713.115.
Руководство по эксплуатации является обязательным руководящим документом для лиц, эксплуатирующих изделие.
При изучении и эксплуатации изделия следует дополнительно руководствоваться документами, перечисленными в документе ФТКС.411713.179ВЭ Система автоматизированная измерительная ТЕСТ-1201-01 Ведомость эксплуатационных документов.

|
Изм. |
Лист |
N докум. |
Подп. |
Дата |
ФТКС.411713.179РЭ
Лист

-
-
1.1 Изделие предназначено для выдачи на объект контроля (далее -ОК) управляющих воздействий, приема и обработки параметров контроля и имеет возможность отображения и документирования результатов обработки и протоколирования выдачи управляющих воздействий и действий оператора.
-
1.2 Изделие предназначено для использования в составе автоматизированной системы контроля при проведении электрических испытаний ОК.

Изм.
Лист
N докум.
Подп.
Дата
ФТКС.411713.179РЭ
Лист
-
-

-
2.1 Общие сведения об изделии
-
2.1.1 Изделие представляет собой комплект аппаратно-программных средств на базе устройств стандарта магистрали VXI-bus, который является составной частью, на основе которой создается автоматизированная система контроля.
-
2.1.2 Изделие обеспечивает:
-
-
-
- подключение стойки СЭ80 посредством сетевого кабеля длиной не менее 10 м с евровилкой к распределительному щиту (РЩ);
-
- информационную взаимосвязь между составными частями изделия;
-
- программное управление работой функциональных модулей VXI;
-
- проверку функциональных модулей VXI и источника питания постоянного тока в составе изделия программой проверки модулей.
-
2.1.3 Масса СЭ80 не более 350 кг.
-
2.1.4 Потребляемая изделием по сети питания мощность не более 700 ВА.
-
2.1.5 Электрическое сопротивление защитного заземления изделия СЭ80 не более 0,1 Ом.
Электрическая прочность изоляции цепей сетевого питания изделия относительно корпуса должна быть не менее 1500 В.
Сопротивление изоляции цепей сетевого питания изделия относительно корпуса должно быть не менее 20 МОм.
-
2.1.6 Время подготовки изделия к работе не более 30 минут, в том числе:
-
1) включение изделия и загрузка операционной среды не более
10 минут;
-
2) прогрев аппаратуры, загрузка исполняемой программы не более 20 мин.
-
2.1.7 Изделие обеспечивает непрерывный режим работы в течение 100 часов с последующим перерывом не менее двух часов.
-
2.1.8 Питание изделия осуществляется от однофазной сети переменного тока напряжением (220 ± 22) В и частотой (50 ± 1) Гц.
-
2.1.9 Электробезопасность изделия соответствует классу I по ГОСТ 12.2.007.0-75.
Лист
ФТКС.411713.179РЭ
6
Изм.
Лист
N докум.
Подп.
Дата
-
2.2 Основные функции, реализуемые изделием

-
2.2.1 При инициализации программы менеджера ресурсов («Resource Manager» или «RESMAN») происходит автоматическое определение конфигурации - количества крейтов, наименования модулей, мезонинов и мест их установки в крейтах.
-
2.2.2 Изделие своими аппаратными средствами обеспечивает выполнение следующих функций:
-
-
- подача электропитания на АРН;
-
- формирование и выдача на АРН управляющих воздействий;
-
- контроль параметров низкочастотных сигналов;
-
- обеспечение информационной связи по интерфейсным каналам;
-
- отображение и документирование результатов контроля;
-
- протоколирование выдачи управляющих воздействий и действий оператора.
-
2.2.3 Модули и мезонины, установленные в БЭ153, реализуют следующие функции:
-
- реализация обмена с ОК через мультиплексный канал обмена (МКО) по ГОСТ Р 52070-2003.
Функция реализуется покупным устройством адаптер TH6-PCI фирмы «Элкус»;
-
- электропитание ОК и формирование команд управления от общего источника питания.
Параметры электропитания ОК:
-
- напряжение питания 25 28 В;
-
- ток потребления не более 2 А;
-
- пусковой ток не более 4,5 А. Параметры команд управления:
-
- тип команды - импульсная;
-
- количество команд - не более 8-ми;
-
- длительность команд должна быть программируемой в диапазоне от 0,04 до 0,15 с;
-
- команды выдаются последовательно напряжением от 22 до 31 В;
-
- ток нагрузки 0,01 до 0,1 А.
Функция реализуется покупной сконфигурированной модульной системой питания N6712A фирмы «Keysight»;
-
- контроль состояния 64 сигнальных датчиков (дискретных сигналов) с групповой гальванической развязкой.
Функция реализуется двумя мезонинами МДС32 ФТКС.468266.009 (см. ФТКС.468266.009РЭ МДС32 Руководство по эксплуатации; ФТКС.75009-01 32 01 Драйвер мезонина МДС32 Руководство системного программиста);
-
- измерение напряжения постоянного тока, поступающего по 16 каналам в диапазоне от минус 10 до 10 В.
Лист
ФТКС.411713.179РЭ
7
Изм.
Лист
N докум.
Подп.
Дата
Функция реализуется двумя мезонинами Измеритель мгновенных значений напряжения МН8И-10В ФТКС.468266.023-01
(см. ФТКС.468266.023РЭ Измеритель мгновенных значений напряжения МН8И-50В Руководство по эксплуатации, ФТКС.75023-01 32 01 МН8И Руководство системного программиста);
- измерение напряжения постоянного тока, поступающего по 16 каналам в диапазоне от минус 50 до 50 В.
Функция реализуется двумя мезонинами Измеритель мгновенных значений напряжения МН8И-50В ФТКС.468266.023-01
(см. ФТКС.468266.023РЭ Измеритель мгновенных значений напряжения МН8И-50В Руководство по эксплуатации, ФТКС.75023-01 32 01 МН8И Руководство системного программиста);
- измерение напряжения постоянного тока, поступающего по 6 каналам в диапазоне от минус 150 до 150 В.
Функция реализуется мезонином Измеритель мгновенных значений напряжения МН6И-150В ФТКС.468266.035 (см. ФТКС.468266.035РЭ Измеритель мгновенных значений напряжения МН6И-150В Руководство по эксплуатации, ФТКС.75023-01 32 01 МН8И Руководство системного программиста);
- формирование по 24 каналам импульсных команд в виде замыкания пары контактов реле («сухой» контакт).
Функция реализуется мезонином МФСК-24Э ФТКС.468266.040 (см. ФТКС.468266.040РЭ МФСК-24Э Руководство по эксплуатации;
ФТКС.75010-01 32 01 Драйвер мезонина МФСК-24 Руководство системного программиста).
к
ч о С
2.2.4 Система проверки проверку работоспособности постоянного тока, входящих (режим самоконтроля).
функций ФТКС.52060-01 обеспечивает модулей, мезонинов и источника питания в состав изделия в режиме «ОК подключен»
ч ю
« и К
функций ФТКС.52060-01 обеспечивает модулей и мезонинов, входящих в состав
2.2.5 Система проверки проверку работоспособности изделия, в режиме «ОК отключен».
« и S
S ч м m
2.3 Погрешности измерений
электрических величин
абсолютной погрешности измерения диапазоне от минус 10 до 10 В
к
ч о С
к ч о к Z
« и К
2.3.1 Пределы допускаемой напряжения постоянного тока в измерителем мгновенных значений напряжения МН8И-10В равны ± 20 мВ.
|
Изм. |
Лист |
N докум. |
Подп. |
Дата |
ФТКС.411713.179РЭ
Лист

-
2.3.2 Пределы допускаемой абсолютной погрешности измерения напряжения постоянного тока в диапазоне от минус 50 до 50 В измерителем мгновенных значений напряжения МН8И-50В равны ± 50 мВ.
-
2.3.3 Пределы допускаемой абсолютной погрешности измерения напряжения постоянного тока в диапазоне от минус 150 до 150 В измерителем мгновенных значений напряжения МН6И-150В равны ± 100 мВ.
к
ч о С
ч ю
« и К
« и S
S ч м m
к
ч о С
к ч о к Z
« и К
Изм.
Лист
N докум.
Подп.
Дата
ФТКС.411713.179РЭ
Лист

3.1 В состав изделия входят:
|
- стойка для размещения оборудования |
- |
1 |
шт.; | ||
|
- крейт VXI-С 6 slots |
- |
1 |
шт.; | ||
|
- комплект функциональных модулей |
- |
1 |
компл.; | ||
|
- управляющая ЭВМ промышленного исполн |
ения |
- |
1 |
шт.; | |
|
- комплект внешних устройств ЭВМ (мони |
тор |
22”, | |||
|
клавиатура, манипулятор типа «мышь») |
- |
1 |
шт.; | ||
|
- устройство обмена по каналу МКО |
- |
2 |
шт.; | ||
|
- 16 портовый преобразователь USB в RS |
-232 |
/422/485 |
- |
1 |
шт.; |
|
- коммутационная панель КП 1201-01 ФТК |
С.68 |
7287.154 |
- |
1 |
шт.; |
|
- источник бесперебойного питания для |
стой |
ки |
- |
1 |
шт.; |
|
- источник питания |
- |
1 |
шт.; | ||
|
- комплект кабелей |
- |
1 |
шт.; | ||
|
- комплект эксплуатационно-технической |
док |
ументации |
на |

поставляемое изделие;
- программное обеспечение (операционная система, программные панели функциональных модулей, тестовое ПО);
- одиночный ЗИП (ЗИП-О).
Подробно комплектность изделия указана в формуляре ФТКС.411713.179ФО.
-
3.2 Структурная схема изделия приведена в ФТКС.411713.179Е1.
-
3.3 Схема деления на составные части приведена в ФТКС.411713.179Э4.
-
3.4 В состав комплекта ЗИП одиночного входят запасные модули, служащие для восстановления изделия, а также кабели и устройства, необходимые для работы, поверки и проверки составных частей изделия.
Подробно состав комплекта ЗИП-О приведен в ведомости ФТКС.411713.179ЗИ.
Порядок эксплуатации ЗИП-О приведен в приложении А.
-
3.5 Для задания режимов работы изделия и параметров режимов при эксплуатации изделия разрешается использовать программное обеспечение, разработанное пользователем.
Лист
ФТКС.411713.179РЭ
10
Изм.
Лист
N докум.
Подп.
Дата
-

-
4.1 Конструкция
-
4.1.1 Крейт и функциональные модули изделия выполнены в конструктиве «евромеханика» с учетом требований стандарта IEEE Std 1155-1992.
-
4.1.2 Конструкция изделия имеет четыре основных уровня иерархии:
-
-
- мезонин;
- модуль;
- крейт;
- стойка.
-
4.1.3 Мезонин представляет собой функционально законченное электронное устройство, устанавливаемое на модуль носитель мезонинов, снабженное передней панелью и соединителем для связи с модулем носителем мезонинов и через него с магистралью крейта. Мезонин крепится к модулю носителю мезонинов механическим разборным соединением.
-
4.1.4 Модуль представляет собой функционально законченное электронное устройство, снабженное передней панелью, экраном и соединителями для связи с магистралью крейта. Модуль устанавливается в крейт по направляющим и крепится к крейту механическим разборным соединением.
-
4.1.5 Крейт представляет собой защищенную кожухом несущую конструкцию, снабженную соединителями для подвода информационных и энергетических каналов.
Крейт предназначен для размещения модулей и взаимодействия их друг с другом.
В крейте размещена кросс-плата, реализующая магистраль VXIbus, удовлетворяющая требованиям стандарта IEEE Std 1155-1992.
В крейте размещены также источники вторичного питания, питающиеся от сети (220 ± 22) В переменного тока частотой (50 ± 1) Гц и
удовлетворяющие требованиям стандарта IEEE Std 1155-1992.
В крейте имеются электровентиляторы для создания воздушного потока (принудительная приточная вентиляция), обтекающего установленные в крейт модули в направлении снизу вверх.
Крейт INTE006 FC VXI 3.0 Mainframe ФТКС.469133.005 устанавливается в стойку и крепится к стойке разборным соединением.
|
Лист | ||||||
|
ФТКС.411713.179РЭ |
11 | |||||
|
Изм. |
Лист |
N докум. |
Подп. |
Дата |
-
4.1.6 Стойка предназначена для установки крейтов, приборов и устройств, предназначенных для установки в 19” стойку, подвода цепей сетевого питания и заземления.
На задней части стойки (снизу) расположена распределительная панель питания (панель питания), на которой размещены шесть евророзеток «220В» для подключения кабелей потребителей электрической энергии, автомат защиты сети от перегрузки и вилка (обозначение «Вход 220В») для подключения кабеля первичного питания.
На лицевой части стойки под БЭ153 установлена коммутационная электрическое соединение модулей опоры, облегчающие ее перемещение
панель КП 1201-01, обеспечивающая изделия с объектом контроля.
Стойка опирается на роликовые при установке.
-
4.2 Структура
номенклатуры установленных в него
В состав изделия входит один
-
4.2.1 Крейт, в зависимости от модулей, образует блок электронный БЭ153. тип БЭ153.
-
4.2.2 Стойка, БЭ153 и покупное оборудование, установленное в нее, образуют стойку электронную СЭ80.
-
4.2.3 Управление работой СЭ80 осуществляет функциональная ПЭВМ, которая выполнена с возможностью связи по магистрали USB через USB CONTROLLER, установленный в БЭ153, с установленными в БЭ153 функциональными модулями.
к
ч о С
ч ю
« и К
4.2.4 Взаимные соединения составных частей изделия приведены на схемах:
- ФТКС.411713.179Э4 Система автоматизированная измерительная ТЕСТ-1201-01 Схема электрическая соединений;
СЭ80 Схема электрическая соединений;
БЭ153 Схема электрическая соединений.
ФТКС.411187.089Э4
ФТКС.411259.167Э4
« и S
S ч м m
4.2.5 имеет имя
При обращении
«крейт» и логический номер.
программного обеспечения изделия к БЭ153 он
При обращении программного обеспечения изделия к модулю модуля) модуль имеет координаты вида: «логический адрес
к
ч о С
4.2.6 (драйверу крейта/номер слота» (сокращенно: «крейт/слот»).
При обращении программного обеспечения изделия к мезонину (драйверу мезонина) мезонин имеет координаты вида: «логический адрес крейта/номер слота/номер позиции в носителе мезонинов» (сокращенно: «крейт/слот/позиция»).
Координаты модулей и мезонинов изделия приведены в приложении Б.
к ч о к Z
« и К
Изм.
Лист
N докум.
Подп.
Дата
ФТКС.411713.179РЭ
Лист
12
-
-
4.3 Работа изделия
-
4.3.1 Порядок выполнения изделием реализуемых им функций и задаваемые при этом значения параметров определяются прикладными программами, управляющими работой изделия.
-
Прикладные программы разрабатываются пользователем.
-
4.3.2 Прикладные программы исполняются ПЭВМ, входящей в состав изделия.
-
4.3.3 ПО изделия работает в операционной системе Windows (32-bit).
-
4.3.4 Каждый из модулей изделия со своим драйвером образует «инструмент», реализующий определенный для этого инструмента набор функций.
-
4.3.5 Для реализации некоторой функции изделия необходимо открыть сеанс управления инструментом, участвующим в реализации этой функции, сообщить драйверу инструмента необходимые данные, требуемую последовательность допустимых для драйвера функций и передать ему управление.
-
4.3.6 Для инструмента не рекомендуется открывать одновременно более одного сеанса управления.

Лист
ФТКС.411713.179РЭ
13
Изм.
Лист
N докум.
Подп.
Дата
-
5 Устройство и работа составных частей
-
5.1 Устройство и работа покупных составных частей изделия изложены в поставляемых с ними эксплуатационных документах.
-
5.2 Работа модулей и мезонинов, входящих в состав изделия, описана в руководствах по эксплуатации:
-
- ФТКС.468260.016РЭ USB CONTROLLER Руководство по эксплуатации;
- ФТКС.468266.009РЭ МДС32 Руководство по эксплуатации;
- ФТКС.468266.023РЭ Измеритель мгновенных значений напряжения МН8И-50В Руководство по эксплуатации;
- ФТКС.468266.035РЭ Измеритель мгновенных значений напряжения МН6И-150В Руководство по эксплуатации;
- ФТКС.468266.040РЭ МФСК-24Э Руководство по эксплуатации;
- ФТКС.468269.011РЭ НМ-М Руководство по эксплуатации.

-
5.3 Функции, допустимые для драйверов модулей и мезонинов, описаны в документах:
- ФТКС.75009-01 32 01 Драйвер мезонина МДС32 Руководство системного программиста;
-
- ФТКС.75010-01 32 01 Драйвер мезонина МФСК-24 Руководство системного программиста;
-
- ФТКС.75023-01 32 01 МН8И Руководство системного программиста;
-
- ФТКС.76902-01 32 01 Драйвер НМ Руководство системного программиста.
в документах:
01 Управляющая панель
01 Управляющая панель
01 Управляющая панель
01 Управляющая панель
-
5.4 Порядок работы с модулями и мезонинами через управляющие программные панели описан
-
- ФТКС.65009-01 34 Руководство оператора;
-
- ФТКС.65010-01 34 Руководство оператора;
-
- ФТКС.65023-01 34
Руководство оператора;
-
- ФТКС.66902-01 34 Руководство оператора.
мезонина МДС32 мезонина МФСК-24 инструмента МН8И инструмента НМ
Лист
ФТКС.411713.179РЭ
14
Изм.
Лист
N докум.
Подп.
Дата
6.1 Принадлежности, используемые при проверке модулей и мезонинов, входящих в состав изделия, программой проверки модулей (см. ФТКС.52060-01 34 01 Система автоматизированная измерительная ТЕСТ-1201-01 Система проверки функций Руководство оператора) приведены в таблице 6.1.

Таблица 6.1
|
Наименование принадлежности |
Обозначение принадлежности |
Кол., шт. |
Примечание |
|
Соединитель контрольный СК-2 |
ФТКС.685621.415 |
1 | |
|
Соединитель контрольный СК-3 |
ФТКС.685621.416 |
1 | |
|
Соединитель контрольный СК-4 |
ФТКС.685621.417 |
1 | |
|
Соединитель контрольный СК-5 |
ФТКС.685621.418 |
1 | |
|
Соединитель контрольный СК-1 |
ФТКС.685623.220 |
1 | |
|
Кабель TH6-PC |
ФТКС.685623.222 |
1 | |
|
Соединитель контрольный СК-6 |
ФТКС.685624.260 |
1 | |
|
Кабель T-1201-01 МН |
ФТКС.685626.385 |
1 | |
|
Кабель Т-1201-01_МФСК-24Э |
ФТКС.685626.386 |
1 | |
|
Соединитель контрольный RS-232 |
ФТКС.685629.023 |
1 | |
|
Соединитель контрольный RS-422 |
ФТКС.685629.024 |
1 | |
|
Соединитель контрольный RS-485 |
ФТКС.685629.025 |
1 |
|
Лист | ||||||
|
ФТКС.411713.179РЭ |
15 | |||||
|
Изм. |
Лист |
N докум. |
Подп. |
Дата |
-
6.2 Принадлежности, используемые при калибровке и поверке модулей и мезонинов, входящих в состав изделия, приведены в таблице 6.2.
Таблица 6.2
|
Наименование принадлежности |
Обозначение принадлежности |
Кол., шт. |
Примечание |
|
Кабель ШШВ |
ФТКС.685621.038 |
3 | |
|
Кабель Т-1201-01_МН6И-150В |
ФТКС.685623.221 |
1 | |
|
Кабель Т-1201-01_МН8И-50В |
ФТКС.685625.220 |
1 | |
|
Кабель Т-1201-01_МН |
ФТКС.685626.385 |
1 | |
|
ИОН |
ФТКС.687420.028 |
1 | |
|
Кабель ШШ |
UNC4.853.185 |
2 | |
|
Кабель НШ |
UNC4.853.410 |
1 |


|
Лист | ||||||
|
ФТКС.411713.179РЭ |
16 | |||||
|
Изм. |
Лист |
N докум. |
Подп. |
Дата |
-
1) в виде шильдиков:
- на СЭ80;
-
- сзади в левом верхнем углу рамы стойки (шильдики видны при снятой задней крышке стойки), а также на лицевой части наверху в левом верхнем углу рамы стойки (шильдики видны при снятой передней крышке стойки);
-
- на БЭ153;
-
- на лицевой панели крейта и на задней стенке крейта;
-
2) в виде этикеток на кабелях;
-
3) в виде гравировки:
-
- на модулях (под ручкой в верхней части лицевой панели или на верхней ручке);
-
- на КП 1201-01 на лицевой панели сверху;
-
7.2 Модули, входящие в состав изделия, за исключением модулей НМ-М с установленными на них мезонинами, опломбированы этикетками с клеймом ОТК и ВП МО, закрепленными клеем на экране модуля поверх головок винтов крепления экрана и сверху закрытых прозрачной липкой лентой, обеспечивающей контроль целостности этикеток с клеймом.

Изм.
Лист
N докум.
Подп.
Дата
ФТКС.411713.179РЭ
Лист
17
-
-
8.1 Конструкция тары
-
8.1.1 Транспортная тара изделия конструктивно выполнена в виде односекционных деревянных ящиков.
-
8.1.2 Эксплуатационная документация на изделие укладывается в ящик с номером 1/N, где N - общее число поставляемых ящиков.
-
8.1.3 БЭ153 устанавливается на два опорных бруска, расположенных на дне ящика. При этом его ручки должны быть обращены в сторону опорного бруска, расположенного на дне ящика вдоль его короткой стороны.
-
8.1.4 Ящик с ЗИП-О и кабелями заполняется коробками и упаковками в соответствии с описью и схемой укладки.
-
8.1.5 Источник питания транспортируется в ящике, уложенный в заводскую коробку.
-
8.1.6 Источник бесперебойного питания транспортируется в ящике, уложенный в заводскую коробку.
-
8.1.7 Фиксация упаковок в ящиках, кроме стойки, производится двумя прижимными брусками, которые закрепляются шурупами с наружной стороны ящиков.
-
8.1.8 Сторона прижимных брусков, обращенных к упаковке, оклеена амортизирующим материалом.
-
8.1.9 Фиксация стойки осуществляется с помощью брусков, расположенных (по отношению к стойке) на передней и задней стенках ящика.
Лист
ФТКС.411713.179РЭ
18
Изм.
Лист
N докум.
Подп.
Дата
-
-
8.2 Расконсервация изделия
-
8.2.1 Вскройте транспортную тару и извлеките упакованные составные части изделия. Проверьте извлеченные из ящиков составные части изделия на соответствие описям и ведомости упаковки.
-
8.2.2 Вскройте упаковку. При вскрытии полиэтиленовых мешков отрежьте минимально необходимую для вскрытия полоску со швом, обеспечив возможность повторного использования упаковки.
-
8.2.3 Разверните и удалите обертку с БЭ153 и стойки.
-
8.2.4 Снимите с распакованных составных частей изделия мешочки с линасилем.
-
8.2.5 Обеспечьте сохранность деталей и составных частей упаковки на случай повторной консервации.
-
-
8.3 Консервация изделия

-
8.3.1 Консервация изделия должна производиться в специально оборудованном помещении при температуре воздуха не ниже плюс 15 оС и не выше плюс 35 оС и при относительной влажности не более 70 %.
-
8.3.2 Изделие, поступившее на консервацию, должно быть сухим, очищенным от жировых и других загрязнений и пыли.
-
8.3.3 Подготовьте мешочки с предварительно высушенным (при температуре плюс 150 - 200 оС не менее 4 часов) линасилем ИФХАН-100 ТУ-02-7-194-85.
-
8.3.4 Подготовьте к упаковке все кабели, для чего сверните их в скрутки и свяжите шпагатом, а соединители оберните оберточной бумагой и закрепите обертки шпагатом.
-
8.3.5 Подвяжите мешочки с линасилем к ручкам БЭ153 (по одному мешочку к каждой ручке), стойке (четыре мешочка), равномерно расположив их по объему.
-
8.3.6 Установите на все соединители, расположенные на лицевых панелях модулей БЭ153 соответствующие типам соединителей заглушки.
-
8.3.7 Винты и набор крепежа снятых составных частей установить на свои штатные места в стойке.
Лист
ФТКС.411713.179РЭ
19
Изм.
Лист
N докум.
Подп.
Дата
-
8.3.8 Оберните в оберточную бумагу БЭ153 и стойку, уложите их в полиэтиленовые мешки. Мешки заварите.
-
8.3.9 Уложите упакованный БЭ153 в транспортную тару согласно описи на крышке ящика.
-
8.3.10 Заполните свободные пространства между укладкой БЭ153 и препятствующими
стенками ящика прокладками из гофрированного картона, перемещению упаковки относительно тарного ящика.
-
-
8.3.11 Установите стопорные бруски амортизирующей сторону укладки БЭ153 и прикрепите шурупами к стенкам
прокладкой в ящика.
8.3.12 Уложите в полиэтиленовые мешки составные предварительно обернув их оберточной бумагой. Мешки
части ЗИП-О, заварите.
8.3.13
наклеенной
Уложите кабели и составные на коробку этикетке.
части ЗИП-О в
коробку, согласно
8.3.14
Уложите коробку с кабелями ящик согласно описи.
и составными частями ЗИП-О в
8.3.15 Подвяжите в ящик с ЗИП-О и одному мешочку с линасилем.
кабелями к стопорным брускам по
8.3.16 Проверьте правильность укладки и упаковки на соответствие описям. Проверка (приемка) правильности укладки и упаковки производится в соответствии с нормативными документами потребителя (пользователя).
к
ч о С
8.3.17 Установите крышки на ящики и прикрепите их к ящикам гвоздями.
ю
« и К
8.3.18 Установите стойку на поддон ящика. Соберите стенки ящика, следя за тем, чтобы опорные бруски на передней и задней (по отношению к стойке) стенках ящика точно заняли свое место по отношению к соответствующим опорным поверхностям на стойке.
« и s
S ч м m
к
ч о С
к ч о к Z
« и К
|
Изм. |
Лист |
N докум. |
Подп. |
Дата |
ФТКС.411713.179РЭ
Лист

-
9 Меры безопасности при эксплуатации

-
9.1 К проведению работ с изделием допускаются лица, имеющие практические навыки эксплуатации радиоэлектронной аппаратуры и ЭВМ, знающие необходимые правила техники безопасности, соответствующие квалификационной группе не ниже III.
-
9.2 Перед подключением изделия к сети питания необходимо заземлить стойку СЭ80 в соответствии документами:
-
-
- ФТКС.411187.089МЧ СЭ80 Монтажный чертеж;
-
- ФТКС.411187.089Э4 СЭ80 Схема электрическая соединений;
-
- ФТКС.411713.179МЧ Система автоматизированная измерительная ТЕСТ-1201-01 Монтажный чертеж;
-
- ФТКС.411713.179Э4 Система автоматизированная измерительная ТЕСТ-1201-01 Схема электрическая соединений.
-
9.3 Для электрического соединения составных частей изделия, изделия и контролируемого объекта, изделия и питающей сети, необходимо использовать только предназначенные для соответствующих соединений кабели.
-
9.4 В подключенных к питающей сети составных частей изделия запрещается:
-
- отсоединять составные части изделия от шины заземления;
-
- извлекать из крейта установленные в нем модули;
-
- извлекать и заменять вставки плавкие;
-
- отсоединять от изделия и подсоединять к изделию кабели питания;
-
- касаться контактов соединителей коммутационной панели и контактов соединителей модулей и мезонинов изделия.
-
9.5 Лица, выполняющие работы по подключению и отключению кабелей, установке и изъятию крейтов и модулей изделия, должны соблюдать требования по защите от статического электричества согласно
ОСТ 11073.062, группа жесткости II.
|
Лист | ||||||
|
ФТКС.411713.179РЭ |
21 | |||||
|
Изм. |
Лист |
N докум. |
Подп. |
Дата |
-

-
10.1 Состав персонала
-
10.1.1 Установка, сборка и разборка изделия должны производиться не менее чем двумя специалистами, один из которых имеет квалификацию инженера.
-
-
10.2 Требования к месту установки
-
10.2.1 Изделие должно эксплуатироваться в сухом отапливаемом помещении, удовлетворяющем нормам СНиП-512-79 и обеспечивающем следующие климатические условия:
-
-
-
- температура окружающей среды - от 10 до 40 °С;
-
- относительная влажность воздуха при температуре 25 °С от 45 до 80 %;
-
- атмосферное давление - от 86,0 до 106,0 кПа.
-
10.2.2 Запрещается установка и эксплуатация изделия в помещениях с химически активной средой и с токопроводящей пылью.
-
10.2.3 Проложенные по полу кабели изделия должны быть защищены от повреждения.
-
10.2.4 Питание изделия должно производиться от промышленной сети напряжением (220 ± 10) В переменного тока частотой (50 ± 1) Гц.
-
10.2.5 В климатических зонах с частыми грозами промышленная электросеть должна быть оборудована защитой от перенапряжения. К цепям электропитания, предназначенным для питания изделия, не должно подключаться оборудование с высокими токами потребления, а также устройства, создающие высокочастотные и пусковые импульсные помехи.
-
10.2.6 Место для установки изделия должно быть оборудовано:
-
- шиной (контуром) заземления;
-
- распределительным электрощитом с евророзеткой для подключения сетевого кабеля посредством евровилки.
-
10.2.7 Шины (контуры), используемые для заземления составных частей изделия, должны быть отделены от шин (контуров) промышленного заземления и должны использоваться только для заземления средств измерений.
Лист
ФТКС.411713.179РЭ
22
Изм.
Лист
N докум.
Подп.
Дата
-
10.2.8 Для обеспечения погрешностей измерений и формирования электрических величин не выше предельных значений, установленных в документах на изделие и его составные части, должны выполняться следующие условия:
-
1) место размещения изделия и его составных частей по степени интенсивности электромагнитных помех должно соответствовать классу не более третьего по ГОСТ Р 51317.2.5-2000;
служащий для передачи измеряемых или формируемых составных частей к должен быть заключен в экран, соединенный с шиной (контуром) заземления) с обеих сторон
-
2) каждый кабель,
электрических величин от изделия и его контролируемому объекту заземленным корпусом (с кабеля;
прямого и возвратного тока рекомендуется пары, заключенной в экран, соединенный с шиной (контуром) заземления) с обеих сторон
-
3) каждую пару цепей выполнять в виде свитой заземленным корпусом (с кабеля.
ВНИМАНИЕ: в розетках, предназначенных для питания любой составной части изделия, контакты, имеющие маркировку «заземление», запрещается соединять с «нулевой» (нейтральной) линией сети питания.
Контакты, имеющие маркировку «заземление» должны быть соединены с шиной (контуром) заземления.
10.3 Порядок установки
к
ч о С
ч ю
« и К
10.3.1 Установку изделия документами:
- ФТКС.411187.089МЧ
выполняйте, руководствуясь следующими
Монтажный чертеж; Схема электрическая соединений;
Система ТЕСТ-1201-01 Монтажный чертеж;
- ФТКС.411713.179Э4 Система
ТЕСТ-1201-01 Схема электрическая
ФТКС.411187.089Э4
ФТКС.411713.179МЧ
СЭ80
СЭ80
автоматизированная измерительная
автоматизированная измерительная соединений.
10.3.2 Произведите расконсервацию изделия в соответствии с подразделом 8.2.
« и s
S ч м m
-
10.3.3 Проверьте комплектность изделия на соответствие документу ФТКС.411713.179ФО.
к
ч о С
-
10.3.4 Извлеките модули из крейта, отвинтив крепящие их винты, и проверьте целостность пломб модулей и соответствие оттисков клейм ОТК и ВП МО указанным в разделе «СВИДЕТЕЛЬСТВО О ПРИЕМКЕ» и в листе «ЗАКЛЮЧЕНИЕ ПРЕДСТАВИТЕЛЬСТВА ЗАКАЗЧИКА» паспортов модулей. Установите и закрепите в крейте модули.
к ч о к Z
« и К
Изм.
Лист
N докум.
Подп.
Дата
ФТКС.411713.179РЭ
Лист

-
10.3.5 Подготовьте кабели, входящие в состав изделия, вынув их из коробок и пакетов и освободив соединители кабелей от бумаги.

-
10.3.6 СЭ80 поставляется с установленным в нее оборудованием и аксессуарами.
-
10.3.7 БЭ153 из состава СЭ80, поставляется с установленными в него модулями.
В случае самостоятельной установки пользователем модулей в крейт необходимо пользоваться документом ФТКС.411259.167Э4 БЭ153 Схема электрическая соединений.
-
10.3.8 Выполните заземление корпусов (каркасов) составных частей изделия, имеющих клеммы (болты) заземления. Величина электрического сопротивления провода заземления на один метр длины не должна превышать 0,002 Ом.
ВНИМАНИЕ: запрещается соединять корпусные клеммы и клеммы заземления составных частей изделия с «нулевой» (нейтральной) линией сети питания.
Корпусные клеммы и клеммы заземления должны быть соединены с шиной (контуром) заземления.
-
10.3.9 Проверьте визуально наличие цепи электрической связи корпуса (каркаса) составных частей изделия, в том числе СЭ80 с основной шиной (контуром) заземления, проведенной в помещении, где установлено изделие.
-
10.3.10 Соедините между собой кабелями составные части изделия, руководствуясь документами:
-
- ФТКС.411187.089МЧ СЭ80 Монтажный чертеж;
-
- ФТКС.411187.089Э4 СЭ80 Схема электрическая соединений;
-
- ФТКС.411713.179МЧ Система автоматизированная измерительная ТЕСТ-1201-01 Монтажный чертеж;
-
- ФТКС.411713.179Э4 Система автоматизированная измерительная ТЕСТ-1201-01 Схема электрическая соединений.
При подсоединении кабелей к ИБП и ИП руководствуйтесь эксплуатационными документами на ИБП и ИП.
|
Лист | ||||||
|
ФТКС.411713.179РЭ |
24 | |||||
|
Изм. |
Лист |
N докум. |
Подп. |
Дата |
-

-
11.1 Перед началом работы с изделием изучите документы, перечисленные во введении к настоящему руководству по эксплуатации.
-
11.2 Проверьте правильность соединения между собой составных частей изделия, руководствуясь документами:
-
-
- ФТКС.411187.089МЧ СЭ80 Монтажный чертеж;
-
- ФТКС.411187.089Э4 СЭ80 Схема электрическая соединений;
-
- ФТКС.411713.179МЧ Система автоматизированная измерительная ТЕСТ-1201-01 Монтажный чертеж;
-
- ФТКС.411713.179Э4 Система автоматизированная измерительная ТЕСТ-1201-01 Схема электрическая соединений.
-
11.3 Установите кнопки и переключатели включения питания всех устройств изделия в отключенное (отжатое) положение.
-
11.4 Включите изделие, руководствуясь указаниями приложения В.
ВНИМАНИЕ: между моментом выключения любой составной части изделия и моментом ее очередного включения, а также между моментом включения любой составной части изделия и моментом ее выключения, должна быть выдержана пауза не менее 10 секунд.
-
11.5 Если программное обеспечение (ПО) изделия раннее не было инсталлировано, установите его в следующей последовательности:
ПО Informtest VISA;
драйверы модулей;
LabWindows/CVI RTE; тестовое ПО Informtest СПФ.
Порядок установки программ приведен в приложении Г.
-
11.6 При замене драйверов модулей и мезонинов или программы проверки модулей на новые версии первый запуск программы Setup.exe приводит к удалению предыдущих версий (сообщение «Uninstall» программы Setup.exe). Повторный запуск программы Setup.exe устанавливает новые версии ПО.
-
11.7 При поставке новых версий драйверов модулей и мезонинов холдинга «Информтест» установочный диск применим для всех ранее поставленных холдингом «Информтест» изделий.
-
11.8 Если программное обеспечение ИБП ранее не было инсталлировано, установите его в соответствии с эксплуатационной документацией на них.
Лист
ФТКС.411713.179РЭ
25
Изм.
Лист
N докум.
Подп.
Дата
к
ч о С
ч ю
« и К
« и S
S ч м m
к
ч о С
к ч о к Z
« и К
11.9 Если в изделие установлены модули VXI, не входящие в состав изделия, инсталлируйте их программное обеспечение, руководствуясь их эксплуатационными документами.
11.10 Выдержите изделие во включенном состоянии 10 мин.
11.11 Если изделие запускается в работу впервые, выполните проверку СЭ80 изделия в режиме «ОК отключен» программы проверки модулей (см. ФТКС.52060-01 34 01 Система автоматизированная измерительная ТЕСТ-1201-01 Система проверки функций Руководство оператора).
11.12 Проверка покупных составных частей изделия должна выполняться в соответствии с эксплуатационными документами на них.
11.13 Выполните поверку изделия в соответствии с разделом 13.
11.14 Если в крейт изделия установлены модули VXI, не входящие в состав изделия, настройте программу проверки модулей ФТКС.52060-01 в части конфигурации параметров модулей VXI, установленных в крейт изделия (см. измерительная оператора), и
ФТКС.52060-01 34 01 Система автоматизированная ТЕСТ-1201-01 Система проверки функций Руководство выполните их проверку в режиме «ОК подключен».
положительных результатах проверки всех модулей,
11.15 При
составных частей изделия и поверки изделия изделие готово к работе. При наличии сообщений о неисправности руководствоваться указаниями раздела 14.
11.16 При восстановлении работоспособности изделия путем замены неисправного модуля (мезонина) соответствующим исправным модулем (мезонином) из состава ЗИП-О повторного заключения на изделие не требуется.
Вновь установленный в изделие модуль (мезонин) должен быть проверен в режиме «ОК отключен» программой проверки модулей (см. ФТКС.52060-01 34 01 Система автоматизированная измерительная ТЕСТ-1201-01 Система проверки функций Руководство оператора).
О проведенной замене модуля (мезонина) должна быть сделана запись в формуляре ФТКС.411713.179ФО в разделе «Особые отметки» или в специальном журнале учета движения модулей.
При замене мезонина дополнительно должна быть сделана соответствующая запись в паспортах снятого и установленного мезонинов в подраздел «Движение мезонина при эксплуатации» и паспорте носителя мезонинов в подраздел «Сведения об установке и снятии мезонинов».
|
Изм. |
Лист |
N докум. |
Подп. |
Дата |
ФТКС.411713.179РЭ
Лист

-

-
12.1 Состав обслуживающего персонала
-
12.1.1 Для эксплуатации изделия необходим один специалист, имеющий квалификацию инженера, обладающий навыками работы на ЭВМ и исполнения прикладных программ в операционной среде Windows (32 bit).
-
-
12.2 Общие положения
-
12.2.1 Порядок работы с изделием (порядок задания рабочих режимов, исполнения алгоритмов контроля электронных объектов, документирования результатов контроля) определяется прикладным ПО.
-
12.2.2 При разработке прикладного ПО необходимо руководствоваться документами, перечисленными в разделе 5.
-
12.2.3 Если в изделии используются модули VXI, не входящие в состав изделия, при разработке прикладного ПО необходимо руководствоваться документами, поставляемыми с этими модулями VXI.
-
12.2.4 Прикладная программа должна начинаться открытием сеансов связи со всеми используемыми программой инструментами, а заканчиваться закрытием всех открытых сеансов.
-
-
Открытие второго сеанса с инструментом при незакрытом первом сеансе с этим же инструментом может привести к непредсказуемому поведению модуля (мезонина).
-
12.2.5 Под действиями, производимыми с модулями и мезонинами, подразумеваются вызовы функций их драйверов с указанием сеанса для соответствующего адреса (крейт, слот) модуля и (крейт, слот, позиция) мезонина.
-
12.2.6 После открытия сеансов связи с инструментами необходимо выполнить калибровку модулей и мезонинов, имеющих функцию калибровки, в соответствии с руководством системного программиста на драйвер.
-
12.2.7 Драйвер, в общем случае, содержит мелкие функции, соответствующие отдельным действиям, и крупные функции, соответствующие заданной последовательности действий.
При выполнении последовательности большого числа однотипных действий, например, последовательности измерений в одном режиме и диапазоне, рекомендуется пользоваться мелкими функциями драйвера:
-
- для установки параметров режима до начала действий;
-
- для выполнения последовательности действий без изменения параметров;
Лист
ФТКС.411713.179РЭ
27
Изм.
Лист
N докум.
Подп.
Дата
к
ч о С
ч ю
« и К
« и S
S ч м m
к
ч о С
к ч о к Z
« и К
- для отключения режима по окончании всей последовательности действий.
12.2.8 Каждый модуль и мезонин, работа с которым закончена, должен быть приведен в исходное состояние, например, путем применения функции его программного сброса.
12.3 Проверка изделия
12.3.1 Проверку работоспособности изделия в режиме «ОК подключен» выполнить в следующем порядке:
-
1) включить изделие согласно указаниям приложения В;
-
2) выждать 10 минут;
-
3) запустить на указаниям приложения
-
4) запустить на режим «ОК подключен»
исполнение программу «Resource Manager» согласно Д;
исполнение программу проверки модулей, выбрать (см. ФТКС.52060-01 34 01
автоматизированная измерительная ТЕСТ-1201-01 функций Руководство оператора);
-
5) в окне программы выбрать для проверки источники питания постоянного тока;
-
6) проконтролировать свечение индикатора источника питания постоянного тока;
Система
Система проверки
все модули, мезонины и
LAN на передней панели
-
7) нажать кнопку «Старт» (при необходимости прервать исполнение программы нажатием кнопки «Остановить»);
-
8) в окне «Протокол проверки» проконтролировать отсутствие (наличие) сообщений о неисправностях;
-
9) после завершения программы выйти из нее;
-
10) выключить изделие согласно указаниям приложения В.
Результаты проверки считать положительными при условии отсутствия сообщений о неисправностях.
12.3.2 Проверку работоспособности изделия в режиме выполнить в следующем порядке:
подготовить кабели и принадлежности из состава включить изделие согласно указаниям приложения выждать 10 минут;
«ОК отключен»
1)
2)
3)
4)
5)
ЗИП-О изделия;
В;
запустить на исполнение программу «Resource Manager»; запустить на исполнение программу проверки модулей, выбрать режим «ОК отключен» (см. ФТКС.52060-01 34 01 Система автоматизированная измерительная ТЕСТ-1201-01 Система проверки функций Руководство оператора);
-
6) нажать кнопку «Старт» (при необходимости прервать исполнение программы нажатием кнопки «Остановить»);
-
7) контролировать сообщения программы и выполнять выводимые на экран монитора указания;
-
8) в окне «Протокол проверки» контролировать результаты проверок (наличие или отсутствие сообщений о неисправностях);
-
9) после останова программы выйти из программы;
|
Изм. |
Лист |
N докум. |
Подп. |
Дата |
ФТКС.411713.179РЭ
Лист

10) выключить изделие согласно указаниям приложения В.

-
12.4 Реализация функций
-
12.4.1 Реализация функций модулей и мезонинов, входящих в состав изделия, должна осуществляться в соответствии с документами:
-
- ФТКС.468260.016РЭ USB CONTROLLER Руководство по эксплуатации;
-
- ФТКС.468266.009РЭ МДС32 Руководство по эксплуатации;
-
- ФТКС.468266.023РЭ Измеритель мгновенных значений напряжения МН8И-50В Руководство по эксплуатации;
-
- ФТКС.468266.035РЭ Измеритель мгновенных значений напряжения МН6И-150В Руководство по эксплуатации;
-
- ФТКС.468266.040РЭ МФСК-24Э Руководство по эксплуатации;
-
- ФТКС.468269.011РЭ НМ-М Руководство по эксплуатации;
-
- ФТКС.75009-01 32 01 Драйвер мезонина МДС32 Руководство системного программиста;
-
- ФТКС.75010-01 32 01 Драйвер мезонина МФСК-24 Руководство системного программиста;
-
- ФТКС.75023-01 32 01 МН8И Руководство системного программиста;
-
- ФТКС.76902-01 32 01 Драйвер НМ Руководство системного программиста.
-
12.4.2 Реализация функций покупных модулей и других покупных составных частей изделия должна осуществляться в соответствии с документами, поставленными с покупными модулями и другими покупными составными частями.
Лист
ФТКС.411713.179РЭ
29
Изм.
Лист
N докум.
Подп.
Дата
Настоящая методика распространяется на изделие ФТКС.411713.179 и устанавливает порядок проведения первичной и периодической поверок.
-
13.1 Общие требования

-
13.1.1 Поверка изделия должна проводиться предприятием, имеющим метрологическую службу, аккредитованную в установленном порядке на проведение данных работ.
-
13.1.2 Поверка изделия должна производиться не реже одного раза в год, перед началом эксплуатации, а также после хранения, продолжавшегося более 6 месяцев.
-
13.1.3 При поверке должны использоваться поверенные в установленном порядке средства измерения и контроля, имеющие действующие свидетельства о поверке.
-
Перед началом поверки необходимо проверить изделие в режиме «ОК отключен» программы проверки модулей, (см. ФТКС.52060-01 34 01 Система автоматизированная измерительная ТЕСТ-1201-01 Система проверки функций Руководство оператора).
Выявленные неисправности устранить, руководствуясь разделом 14.
-
13.1.4 Изделие подвергать поверке только при положительном результате выполнения проверки всех модулей.
-
13.1.5 При отрицательных результатах поверки модулей и мезонинов МН8И-10В, МН8И-50В и МН6И-150В необходимо выполнить их внешнюю калибровку в соответствии с руководством по эксплуатации на соответствующий модуль (мезонин), а затем повторить поверку.
-
13.1.6 При выполнении поверки рекомендуется вести протоколы в виде файлов согласно РЭ на соответствующий модуль или мезонин. Все вводимые в ЭВМ значения величин должны быть представлены в основных единицах международной системы единиц физических величин СИ в формате с плавающей точкой.
При вводе нецелых чисел разделителем целой и дробной частей числа является символ «.» (точка).
Разделителем мантиссы и порядка является буква «Е» или буква «е» латинского или русского шрифтов.
-
13.1.7 При включении и выключении изделия руководствоваться указаниями приложения В.
Лист
ФТКС.411713.179РЭ
30
Изм.
Лист
N докум.
Подп.
Дата
13.1.8 Допускается не выключать изделие по окончании выполнения очередного пункта поверки, если сразу же вслед за ним начинается выполнение следующего пункта поверки.
13.1.9 О результатах поверки должна быть сделана запись в формуляре изделия, формуляре или паспорте составной части изделия.
13.2 Операции поверки
13.2.1 При проведении поверки должны выполняться операции, указанные в таблице 13.1.

Таблица 13.1
|
Наименование операции |
Номер пункта документа по поверке |
Проведение операции при | |
|
первичной поверке или после ремонта |
периодической поверке | ||
|
1 Внешний осмотр |
13.6.1 |
+ |
+ |
|
2 Опробование |
13.6.2 |
+ |
+ |
|
3 Определение электрического сопротивления защитного заземления, сопротивления изоляции цепей сетевого питания относительно корпуса, проверка электрической прочности изоляции цепей сетевого питания |
13.6.3 |
+ |
- |
|
4 Определение метрологических характеристик | |||
|
4.1 Определение диапазона и абсолютной погрешности измерений напряжения постоянного тока в диапазоне от минус 10 до 10 В измерителем мгновенных значений напряжения МН8И-10В |
13.6.4.1 |
+ |
+ |
|
4.2 Определение диапазона и абсолютной погрешности измерений напряжения постоянного тока в диапазоне от минус 50 до 50 В измерителем мгновенных значений напряжения МН8И-50В |
13.6.4.2 |
+ |
+ |
|
Лист | ||||||
|
ФТКС.411713.179РЭ |
31 | |||||
|
Изм. |
Лист |
N докум. |
Подп. |
Дата |
Продолжение таблицы 13.1
|
Наименование операции |
Номер пункта документа по поверке |
Проведение операции при | |
|
первичной поверке или после ремонта |
периодической поверке | ||
|
4.3 Определение диапазона и абсолютной погрешности измерений напряжения постоянного тока в диапазоне от минус 150 до 150 В измерителем мгновенных значений напряжения МН6И-150В |
13.6.4.3 |
+ |
+ |
|
5 Проверка номера версии и контрольной суммы исполняемого кода (цифрового идентификатора ПО) |
13.6.5 |
+ |
+ |
-
13.3 Средства поверки
-
13.3.1 При проведении поверки должны применяться средства поверки, указанные в таблице 13.2.

Таблица 13.2
№ пункта методики поверки
Наименование и тип основного или вспомогательного средства поверки, метрологические и основные технические характеристики средства поверки
13.6.3
Установка для проверки параметров электрической безопасности GPT-79804:
Испытательное напряжение не менее 1500 В; диапазоны измерения: сопротивления изоляции до 30 МОм, сопротивления заземления до 0,2 Ом при испытательном токе 25 А
-
13.6.4.1,
-
13.6.4.2,
-
13.6.4.3,
Мультиметр цифровой Agilent 3458A:
Диапазон измерения напряжения постоянного тока от минус 10 до плюс 10 В; пределы абсолютной погрешности измерения, В: ± (0,5x10-6xd + 0,05 х 10-6 хЕ);
Диапазон измерения напряжения постоянного тока от минус 50 до плюс 50 В; пределы абсолютной погрешности измерения, В: ± (2,5x10-6D + 0,3x10-6E);
Диапазон измерения напряжения постоянного тока от минус 150 до плюс 150 В; пределы абсолютной погрешности измерения, В: ± (2,5x10-6D + 0,1x10-6E);
Где D - значение предела измерений, E - измеренное значение
Лист
ФТКС.411713.179РЭ
32
Изм.
Лист
N докум.
Подп.
Дата
-
Продолжение таблицы 13.2
|
№ пункта методики поверки |
Наименование и тип основного или вспомогательного средства поверки, метрологические и основные технические характеристики средства поверки |
|
Вспомогательные средства измерений | |
|
13.6.4.1 |
Магазин электрического сопротивления Р4834: Диапазон от 1 Ом до 1 кОм, относительная погрешность не более 0,02 |
|
Источник питания постоянного тока GPR-30H10D: Выходное напряжение 0 - 300 В, пределы абсолютной погрешности измерения выходного напряжения, В: ± (0, 005хиуст + 0,2); где иуст значение выходного напряжения по встроенному индикатору |
|
Термогигрометр ИВА-6Н-Д: Диапазон измерений от 0 до 50 оС, цена деления 0,5 %, диапазон измерений от 30 до 110 кПа, пределы абсолютной погрешности измерения ± 2,5 кПа, диапазон измерений относительной влажности от 10 до 98 %, пределы абсолютной погрешности измерения ± 3,0 % |
|
Примечания
| |
|
Лист | ||||||
|
ФТКС.411713.179РЭ |
33 | |||||
|
Изм. |
Лист |
N докум. |
Подп. |
Дата |
-
13.4 Требования безопасности
-
13.4.1 При проведении поверки должны быть соблюдены требования безопасности, предусмотренные «Правилами технической эксплуатации электроустановок потребителей», «Правилами техники безопасности при эксплуатации электроустановок потребителей», а также изложенные в руководстве по эксплуатации на изделие и в технической документации на применяемые при поверке рабочие эталоны и вспомогательное оборудование.
-
13.4.2 При включении и выключении изделия руководствуйтесь приложением В.
-
13.5 Условия поверки и подготовка к ней

-
13.5.1 При проведении поверки должны быть условия:
температура окружающего воздуха,°С относительная влажность воздуха, % атмосферное давление, кПа (мм рт. ст.) напряжение питающей сети, В частота питающей сети, Гц
соблюдены следующие
2 0 ± 5;
65 ± 15;
100 ± 4 (750 ± 30);
220 ± 10;
50 ± 1.
-
13.5.2 Перед проведением поверки необходимо выполнить следующие подготовительные работы:
выдержать изделие в условиях, указанных в п. 13.5.1 в течение не менее 8 ч;
выполнить операции, оговоренные в технической документации на применяемые средства поверки по их подготовке к измерениям;
выполнить операции, оговоренные в разделе 11 «Подготовка к работе»;
собрать схему поверки в соответствии с проводимой операцией.
|
Лист | ||||||
|
ФТКС.411713.179РЭ |
34 | |||||
|
Изм. |
Лист |
N докум. |
Подп. |
Дата |
-
13.6 Порядок проведения поверки

-
13.6.1 Внешний осмотр
-
13.6.1.1 При внешнем осмотре проверить наличие товарного знака фирмы-изготовителя, заводского номера изделия и состояние покрытий.
-
13.6.2 Опробование
-
13.6.2.1 Опробование изделия выполняется согласно пп. 12.3.1, 12.3.2.
Результаты опробования считать положительными, если при проверке изделия не было сообщений о неисправностях.
-
13.6.3 Определение электрического сопротивления защитного заземления, сопротивления изоляции цепей сетевого питания относительно корпуса, проверка электрической прочности изоляции цепей сетевого питания
-
13.6.3.1 Определение электрического сопротивления защитного заземления выполнить в следующем порядке:
-
1) подготовить установку для проверки параметров электрической безопасности GPT-79804 (далее - пробойная установка), установить режим измерений электрического сопротивления заземления, испытательный ток установить равным 25 А;
-
2) измерить пробойной установкой сопротивление цепи между клеммой заземления корпуса крейта БЭ153 и винтом крепления любого модуля НМ-М из состава БЭ153 к крейту.
Результаты проверки считать положительными, если измеренное значения сопротивления заземления не превышает 0,1 Ом.
-
13.6.3.2 Проверку электрической прочности изоляции цепей сетевого питания изделия выполнить в следующем порядке:
-
1) подготовить пробойную установку;
-
2) выключить все составные части изделия, если они не были выключены;
-
3) отсоединить кабель сетевого питания БЭ153 от сети питания и от БЭ153;
-
4) общий (соединенный с корпусом) выход пробойной установки соединить с контактом цепи защитного заземления кабеля;
-
5) высоковольтный выход пробойной установки соединить с первым контактом вилки, соединяемым с сетью питания;
-
6) в соответствии с эксплуатационными документами на пробойную установку установить следующий режим проверки электрической прочности изоляции:
- испытательное напряжение 1500 В переменного тока;
|
Лист | ||||||
|
ФТКС.411713.179РЭ |
35 | |||||
|
Изм. |
Лист |
N докум. |
Подп. |
Дата |
-
- время нарастания испытательного напряжения до установившегося значения 10 с;
-
- время выдержки в установившемся состоянии 1 мин;
-
- минимальный ток измерения 0 мА;
-
- максимальный ток измерения 10 мА.
-
7) подать испытательное напряжение на проверяемую цепь, выдержать в течение одной минуты, зарегистрировать результат;
-
8) высоковольтный выход пробойной установки отсоединить от первого контакта вилки и соединить его со вторым контактом вилки, соединяемым с сетью питания;
-
9) повторить действие 7);
от контактов вилки
-
10) отсоединить выходы пробойной установки кабеля сетевого питания;
БЭ153, а затем к сети
-
11) подсоединить кабель сетевого питания к питания.
если при проведении
Результаты проверки считать положительными, проверки не произошло пробоя электрической изоляции.

13.6.3.3 Определение сопротивления изоляции, цепей сетевого питания изделия, относительно корпуса выполнить в следующем порядке:
-
1) в соответствии с эксплуатационными документами на пробойную установку подготовить пробойную установку в режиме измерений сопротивления изоляции со следующими параметрами:
-
- испытательное напряжение 500 В;
-
- диапазон измерений сопротивления изоляции не менее 30 МОм;
-
2) выключить все составные части изделия, если они не были выключены;
отсоединить кабель сетевого питания БЭ153
3) БЭ153;
4)
первым
вторым
5) кабеля
6)
измерить и зарегистрировать сопротивление
между контактом цепи защитного заземления контактом сетевого питания вилки кабеля,
между контактом цепи защитного заземления контактом сетевого питания вилки кабеля;
отсоединить выходы пробойной установки от сетевого питания;
от сети питания и от
изоляции: вилки кабеля и
вилки кабеля и
контактов вилки
подсоединить кабель сетевого питания к БЭ153, а затем к сети питания.
Результаты проверки считать положительными, если все измеренные значения сопротивления изоляции не менее 20 МОм.
|
Изм. |
Лист |
N докум. |
Подп. |
Дата |
ФТКС.411713.179РЭ
Лист

-
13.6.4 Определение метрологических характеристик изделия

-
13.6.4.1 Определение диапазона и пределов абсолютной погрешности измерения напряжения постоянного тока в диапазоне от минус 10 до 10 В измерителем мгновенных значений напряжения МН8И-10В выполнить в следующем порядке:
1) подготовить приборы:
-
- мультиметр цифровой Agilent 3458A (далее - мультиметр) -
1 шт.;
-
- источник питания постоянного тока GPR-30H10D (далее - источник питания) - 1 шт.;
-
- магазин электрического сопротивления Р4834 (далее - магазин электрического сопротивления) - 1 шт.;
и принадлежности из комплекта ЗИП-О изделия:
-
- ИОН ФТКС.687420.028 - 1 шт.;
-
- кабель ШШВ ФТКС.685621.038 - 3 шт.;
-
- кабель ШШ UNC4.853.185 - 2 шт.;
-
- кабель НШ UNC4.853.410 - 1 шт.;
-
- кабель Т-1201-01_МН ФТКС.685626.385 - 1 шт.
-
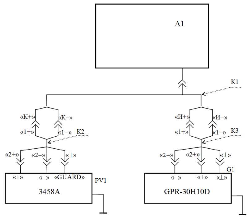
2) подключить соединитель «Х1» кабеля Т-1201-01_МН к разъему «Каналы 1-8» коммутационной панели КП 1201-01;
-
3) собрать рабочее место в соответствии с рисунком Е.1 Приложения Е;
-
4) включить изделие руководствуясь указаниями приложения В, выждать не менее 20 минут;
-
5) включить мультиметр, установить его в режим измерений напряжения постоянного тока с автоматическим выбором диапазона измерений. Выдержать мультиметр во включенном состоянии не менее 20 мин. Провести автокалибровку мультиметра в части измерения напряжения постоянного тока;
-
6) запустить на исполнение программу «ТЕСТ-1201-01. Программа поверки» (см. ФТКС.52060-01 34 01 Система автоматизированная измерительная ТЕСТ-1201-01 Система проверки функций Руководство оператора);
-
7) в открывшемся окне «Поиск инструментов» после появления списка инструментов нажать кнопку «ОК»;
-
8) в поле перечня инструментов выбрать первый проверяемый модуль «МН8И-10В», нажать кнопку «Проверка»;
-
9) в открывшейся панели «Выбор файла протокола» указать маршрут размещения файла протокола. В поле «Имя файла» ввести желаемое имя файла протокола. Нажать кнопку «ОК».
Примечание - если не указан каталог размещения файла протокола, то место размещения файла DOCUMENTS\INFORMTEST\ТЕСТ-1201-01.СПФ\ППВ;
|
Лист | ||||||
|
ФТКС.411713.179РЭ |
37 | |||||
|
Изм. |
Лист |
N докум. |
Подп. |
Дата |
-
10) выполнять действия, предписанные в правом верхнем поле окна программы, нажимая кнопку «Далее>>», а так же выполнять действия, указываемые в диалоговых окнах;
-
11) установить ручки регулировки выходного напряжения источника питания в крайнее левое положение, а ручки регулировки выходного тока источника питания в среднее положение;
-
12) включить мультиметр, установить его в режим измерения постоянного напряжения с автоматическим выбором диапазона;
-
13) включить источник питания, выставить на источнике питания значение напряжения (16,0 ± 0,5) В;
-
14) включить ИОН, выдержать его во включенном состоянии не менее 10 мин., установить тумблер «Питание» в положение «Вкл», тумблер «Rnep» - в положение «ВНЕШН»; тумблер «АТ» - в положение «10В»;
-
15) установить на входах мезонина плавным вращением регуляторов магазина электрического сопротивления, с одновременным наблюдением за показаниями мультиметра, первое значение проверочного напряжения в соответствии с таблицей 13.3. После задания требуемого напряжения выждать завершение переходных процессов в течение не менее 1 мин.;

Таблица 13.3
№ проверки
Проверяемое напряжение, В
Пределы допускаемой абсолютной погрешности измерений напряжения постоянного тока, В
1
10
± 0,02
2
7,5
3
5
4
2,5
5
1
6
0,05
7
минус 1
8
минус 2,5
9
минус 5
10
минус 7,5
11
минус 10

-
16) наблюдать показания мультиметра. Измеренное мультиметром значение напряжения с точностью не менее пяти значащих цифр ввести в окно «Измеренное напряжение, В» на программной панели и нажать кнопку «Далее>>», в окне протокола наблюдать результат.
Вычислить абсолютную погрешность измерений напряжения постоянного тока AU, мВ, по формуле:
AU = Ux - Un, (1)

где Ux - измеренное значение напряжения постоянного тока,
Un - воспроизводимое значения напряжения постоянного тока.

-
17) повторить действия 15), 16) для значений 7,5; 5; 2,5; 1; 0,05 В (см. таблицу 13.3);
Лист
ФТКС.411713.179РЭ
38
Изм.
Лист
N докум.
Подп.
Дата


к
ч о С
ч ю
« и К
« и S
S с5 оо CQ
к
ч о С
к ч о к Z
« и К
18) изменить полярность подачи проверочных напряжений. Для этого необходимо штепсель «2+» кабеля К3 подключить к гнезду «-» ИОН, штепсель «2-» кабеля К3 подключить к гнезду «+» ИОН;
повторить действия 16), 17) для отрицательных проверочных 1; минус 2,5; минус 5; минус 7,5; минус 10 В (см.
19) напряжений (минус таблицу
20)
21)
«Каналы
22)
«Каналы
23)
13.3)); выключить отключить
1-8» коммутационной панели КП 1201-01;
подключить соединитель «Х2» кабеля Т-1201-01_МН к разъему 9-16» коммутационной
для поверки второго
источник питания;
соединитель «Х1» кабеля Т-1201-01_МН от разъема
панели КП 1201-01;
мезонина МН8И-10В повторить действия
8) - 19)
24)
;
выключить изделие и принадлежности.
Результаты поверки абсолютной погрешности в допускаемых пределах получен результат
приборы, отсоединить кабели и
считать положительными, если значения пределов измерения напряжения постоянного тока находятся ± 20 мВ и по каждому измерению для всех каналов норма (Обозначения, принятые в протоколах поверки,
см. в приложении Ж.).
13.6.3.2 Определение диапазона и пределов абсолютной погрешности до 50 В в
измерения напряжения постоянного тока в диапазоне от минус 50 измерителем мгновенных значений напряжения МН8И-50В выполнить следующем порядке:
1) подготовить приборы:
-
- мультиметр - 1 шт.;
-
- источник питания - 1 шт.;
и принадлежности из комплекта ЗИП-О изделия:
-
- кабель ШШВ ФТКС.685621.038 - 2 шт.;
-
- кабель Т-1201-01_МН8И-50В ФТКС.685625.220 - 1 шт.
2)
разъему
3)
разъему
4)
подключить соединитель «Х1» кабеля Т-1201-01_МН8И-50В «ХА208 (МШУ) Каналы 1-4» коммутационной панели КП 1201-01;
подключить соединитель «Х2» кабеля Т-1201-01_МН8И-50В к «Каналы 5-16» коммутационной панели КП 1201-01;
собрать рабочее место в соответствии с рисунком Е.2
Приложения Е;
-
5) включить
выждать не менее
-
6) включить
изделие руководствуясь указаниями приложения В,
20 минут; мультиметр, установить его в режим измерений напряжения постоянного тока с автоматическим выбором диапазона
измерений. Выдержать мультиметр во включенном состоянии не менее 20 мин. Провести автокалибровку мультиметра в части измерения напряжения постоянного тока;
7) запустить на исполнение программу «ТЕСТ-1201-01. Программа поверки» (см. ФТКС.52060-01 34 01 Система автоматизированная
|
Изм. |
Лист |
N докум. |
Подп. |
Дата |
ФТКС.411713.179РЭ
Лист

измерительная ТЕСТ-1201-01 Система проверки функций Руководство оператора);
-
8) в открывшемся окне «Поиск инструментов» после появления списка инструментов нажать кнопку «ОК»;
-
9) в поле перечня инструментов выбрать первый проверяемый модуль «МН8И-50В», нажать кнопку «Проверка»;
-
10) в открывшейся панели «Выбор файла протокола» указать маршрут размещения файла протокола. В поле «Имя файла» ввести желаемое имя файла протокола. Нажать кнопку «ОК».
Примечание - если не указан каталог размещения файла протокола, то место размещения файла DOCUMENTS\INFORMTEST\TECT-1201-01.СПФ\ППВ;
-
11) выполнять действия, предписанные в правом верхнем поле окна программы, нажимая кнопку «Далее>>», а так же выполнять действия, указываемые в диалоговых окнах;
-
12) установить ручки регулировки выходного напряжения источника питания в крайнее левое положение, а ручки регулировки выходного тока источника питания в среднее положение;
-
13) включить мультиметр, установить его в режим измерения постоянного напряжения с автоматическим выбором диапазона;
-
14) установить на входах мезонина плавным вращением регуляторов источника питания, с одновременным наблюдением за показаниями мультиметра, первое значение проверочного напряжения в соответствии с таблицей 13.4. После задания требуемого напряжения выждать завершение переходных процессов в течение не менее 1 мин.;


Таблица 13.4
№
проверки
Проверяемое
напряжение, В
Пределы допускаемой абсолютной погрешности измерений напряжения постоянного тока, В
1
50
± 0, 05
2
40
3
30
4
20
5
10
6
0,1
7
минус 10
8
минус 20
9
минус 30
10
минус 40
11
минус 50

-
15) наблюдать показания мультиметра. Измеренное мультиметром значение напряжения с точностью не менее пяти значащих цифр ввести в окно «Измеренное напряжение, В» на программной панели и нажать кнопку «Далее>>», в окне протокола наблюдать результат. Вычислить абсолютную погрешность измерений напряжения постоянного тока AU, мВ, по формуле (1);
Лист
ФТКС.411713.179РЭ
40
Изм.
Лист
N докум.
Подп.
Дата
к
ч о С
ч ю
« и К
« и S
S ч м m
к
ч о С
к ч о к Z
« и К
-
16) повторить действия 14), 15) для значений 40; 30; 20; 10; 0,1 В (см. таблицу 13.4);
-
17) изменить полярность подачи проверочных напряжений. Для этого необходимо штепсель «2+» кабеля К3 подключить к гнезду «-» источника питания, штепсель питания;
-
18) повторить напряжений (минус таблицу 13.4));
«2-» кабеля К3 подключить к гнезду «+» источника
действия
10; минус
-
19) для поверки второго
8) - 18);
-
20) выключить изделие и принадлежности.
14), 15) для отрицательных проверочных
20; минус 30; минус 40; минус 50 В (см.
мезонина МН8И-50В повторить действия
приборы, отсоединить кабели и
Результаты поверки считать положительными, если значения пределов абсолютной погрешности измерения напряжения постоянного тока находятся в допускаемых пределах ± 50 мВ и по каждому измерению для всех каналов получен результат - норма (Обозначения, принятые в протоколах поверки, см. в приложении Ж.).
13.6.3.3 Определение диапазона и пределов абсолютной погрешности измерения напряжения постоянного тока в диапазоне от минус 150 до 150 В измерителем мгновенных значений напряжения МН6И-150В выполнить в следующем порядке:
1) подготовить приборы:
-
- мультиметр - 1 шт.;
-
- источник питания - 1 шт.;
и принадлежности из комплекта ЗИП-О изделия:
-
- кабель ШШВ ФТКС.685621.038 - 2 шт.;
-
- кабель Т-1201-01_МН6И-150В ФТКС.685623.221 - 1 шт.
-
2) подключить соединитель «Х1» кабеля Т-1201-01_МН6И-150В к разъему «Каналы 1-6» коммутационной панели КП 1201-01;
-
3) собрать рабочее место в соответствии с рисунком Е.3 Приложения Е;
-
4) включить
выждать не менее
-
5) включить
изделие руководствуясь указаниями приложения В,
20 минут;
мультиметр, установить его в режим измерений напряжения постоянного тока с автоматическим выбором диапазона
измерений. Выдержать мультиметр во включенном состоянии не менее 20 мин. Провести автокалибровку мультиметра в части измерения напряжения постоянного тока;
-
6) запустить на исполнение программу «ТЕСТ-1201-01. Программа поверки» (см. ФТКС.52060-01 34 01 Система автоматизированная измерительная ТЕСТ-1201-01 оператора);
-
7) в открывшемся окне инструментов нажать кнопку
Система проверки функций Руководство
«Поиск инструментов» после появления списка «ОК»;
|
Изм. |
Лист |
N докум. |
Подп. |
Дата |
ФТКС.411713.179РЭ
Лист

-
8) в поле перечня инструментов выбрать проверяемый модуль «МН6И-150B», нажать кнопку «Проверка»;
-
9) в открывшейся панели «Выбор файла протокола» указать маршрут размещения файла протокола. В поле «Имя файла» ввести желаемое имя файла протокола. Нажать кнопку «ОК».
Примечание - если не указан каталог размещения файла протокола, то место размещения файла DOCUMENTS\INFORMTEST\TECT-1201-01.СПФ\ППВ;
-
10) выполнять действия, предписанные в правом верхнем поле окна программы, нажимая кнопку «Далее>>», а так же выполнять действия, указываемые в диалоговых окнах;
-
11) установить ручки регулировки выходного напряжения источника питания в крайнее левое положение, а ручки регулировки выходного тока источника питания в среднее положение;
-
12) включить мультиметр, установить его в режим измерения постоянного напряжения с автоматическим выбором диапазона;
-
13) установить на входах мезонина плавным вращением регуляторов источника питания, с одновременным наблюдением за показаниями мультиметра, первое значение проверочного напряжения в соответствии с таблицей 13.5. После задания требуемого напряжения выждать завершение переходных процессов в течение не менее 1 мин.;

Таблица 13.5
№
проверки
Проверяемое
напряжение, В
Пределы допускаемой абсолютной погрешности измерений напряжения постоянного тока, В
1
150
± 0,1
2
120
3
90
4
60
5
30
6
0,5
7
минус 30
8
минус 60
9
минус 90
10
минус 120
11
минус 150


-
14) наблюдать показания мультиметра. Измеренное мультиметром значение напряжения с точностью не менее пяти значащих цифр ввести в окно «Измеренное напряжение, В» на программной панели и нажать кнопку «Далее>>», в окне протокола наблюдать результат. Вычислить абсолютную погрешность измерений напряжения постоянного тока AU, мВ, по формуле (1);
-
15) повторить действия 13), 14) для значений 120; 90; 60; 30; 0,5 В (см. таблицу 13.5);
-
16) изменить полярность подачи проверочных напряжений. Для этого необходимо штепсель «2+» кабеля К3 подключить к гнезду «-» источника
Лист
ФТКС.411713.179РЭ
42
Изм.
Лист
N докум.
Подп.
Дата
к
ч о С
ю
« и К
« и S
S ч м m
к
ч о С
к ч о к Z
« и К
питания, штепсель питания;
17) повторить напряжений (минус таблицу 13.5));
18) выключить принадлежности.
«2-» кабеля К3 подключить к гнезду «+» источника
действия
30; минус
изделие и
13), 14) для отрицательных проверочных 60; минус 90; минус 120; минус 150 В (см.
приборы, отсоединить кабели и
Результаты поверки считать положительными, если значения пределы абсолютной погрешности измерения напряжения постоянного тока находятся в допускаемых пределах ± 100 мВ и по каждому измерению для всех каналов получен результат - норма (Обозначения, принятые в протоколах поверки, см. в приложении Ж.).
13.6.4 Проверка номера версии и контрольной суммы исполняемого кода (цифрового идентификатора ПО)
Проверку номера версии и контрольной суммы исполняемого кода (цифрового идентификатора ПО) выполнить следующим образом:
1) на ПЭВМ запустить на исполнение программный файл «mbase.exe», расположенный в директории ПЭВМ «C:\VXIPNP\WINNT\UNMBASE»;
в открывшейся панели выбрать вкладку «Справка», в ней выбрать «О программе»;
в открывшейся панели в поле «метрологически значимые части ПО» и зарегистрировать номера версии и контрольной суммы файла рассчитанные по алгоритму CRC32;
2) вкладку
3) выбрать
PovCalc.dll,
4) сравнить номера версии и контрольной суммы, зарегистрированные в действии 3), с номерами версии и контрольной суммы, записанными в формуляре изделия ФТКС.411713.179ФО.
Результаты проверки считать положительными, если полученные идентификационные данные программных компонентов (номер версий и цифровой идентификатор) соответствуют идентификационным данным, записанным в формуляре изделия ФТКС.411713.179ФО.
13.7 Обработка результатов измерений
13.7.1 Обработка результатов измерений, полученных экспериментально, осуществляется в соответствии с ГОСТ 8.207-76.
13.7.2 Результаты измерений заносятся в файлы протоколов (значения погрешностей подсчитываются автоматически), содержащих информацию о выполнении поверки по методике, изложенной в разделе 13.
|
Изм. |
Лист |
N докум. |
Подп. |
Дата |
ФТКС.411713.179РЭ
Лист

13.8 Оформление результатов поверки
-
13.8.1 Для каждой измеряемой величины, погрешность которой определяется, составляется протокол, в котором указываются:
-
1) результат измерения величины;
-
2) значение погрешности измерений, рассчитанной в результате обработки результатов измерений;
-
3) предел допускаемой погрешности для каждого измеренного значения измеряемой величины;
-
4) результат сравнения значения погрешности измерений, рассчитанного в результате обработки результатов измерений, с пределом допускаемой погрешности.
-
13.8.2 Результаты поверки оформляются в соответствии с ПР 50.2.006-94. При положительных результатах поверки на изделие выдаётся свидетельство установленной формы. В случае отрицательных результатов поверки применение изделия запрещается, на него выдаётся извещение о непригодности к применению с указанием причин.

|
Изм. |
Лист |
N докум. |
Подп. |
Дата |
ФТКС.411713.179РЭ
Лист
44
14.1 Возможные неисправности и способы их устранения приведены в таблице 14.1.

Таблица 14.1
|
Наименование неисправности, внешнее проявление и дополнительные признаки |
Вероятная причина |
Способ устранения |
Примечания |
|
Не включается электропитание БЭ153 |
Сработал предохранитель цепи сетевого питания |
На задней панели БЭ153 в СЭ80 проверить состояние предохранителя. При необходимости предохранитель заменить | |
|
Не обнаруживаются некоторые модули или мезонины изделия при проверке модулей программой проверки модулей |
Модуль или мезонин неисправен |
Заменить модуль или мезонин на исправный из состава ЗИП-О | |
|
Выдано сообщение о неисправности модуля (мезонина) при проверке модулей программой проверки модулей |
Неисправен указанный модуль (мезонин) |
Заменить неисправный модуль (мезонин) соответствующим исправным модулем (мезонином) из состава ЗИП-О изделия | |
|
Погрешность измерений или формирования электрической величины превышает предельно допустимые значения, указанные в руководстве по эксплуатации соответствующего модуля или мезонина |
Изменились условия эксплуатации изделия, влияющие на величину погрешности |
Выполнить калибровку модуля или мезонина в соответствии с его руководством по эксплуатации |
При замене неисправных модулей, мезонинов руководствоваться Приложением И.
|
Лист | ||||||
|
ФТКС.411713.179РЭ |
45 | |||||
|
Изм. |
Лист |
N докум. |
Подп. |
Дата |
Примечание - При неполадках покупных устройств руководствоваться документами на покупные устройства.
-
14.2 Если не удалось восстановить изделие, срочно свяжитесь с представителями предприятия-изготовителя и сообщите им всю имеющуюся информацию:
-
1) о порядке ваших действий при работе с изделием;
-
2) о всех сообщениях программного обеспечения о подозреваемых неисправностях;
-
3) о внешних признаках (результатах измерения, результатах взаимодействия изделия с внешними объектами и приборами), позволяющими судить о состоянии изделия;
-
4) о действиях по восстановлению изделия, для анализа имеющейся информации и установления истинных причин появления сообщений о неисправности.
к
ч о С
ч ю
« и К
« и S
S ч м m
к
ч о С
к ч о к Z
« и К
Изм.
Лист
N докум.
Подп.
Дата
ФТКС.411713.179РЭ
Лист


-
15.1 Виды и периодичность технического обслуживания
-
15.1.1 Техническое обслуживание изделия включает следующие виды:
-
- ежедневное техническое обслуживание (ЕТО);
-
- периодическое техническое обслуживание (ТО-1);
-
- ежегодное техническое обслуживание (ТО-2).
-
15.1.2 ЕТО проводится при подготовке изделия к использованию и назначению.
-
15.1.3 ТО-1 рекомендуется проводить один раз в месяц, а также перед постановкой изделия на кратковременное хранение. Допускается увеличивать периодичность проведения ТО-1, но не реже, чем один раз в три месяца.
-
15.1.4 ТО-2 проводится один раз в год, независимо от интенсивности эксплуатации изделия, а также перед постановкой изделия на длительное хранение.
-
15.2 Порядок технического обслуживания
-
15.2.1 Порядок технического обслуживания соответствует порядку записи операций в таблице 15.1.
-
15.2.2 Операция технического обслуживания выполняется в соответствии с ее технологической картой.
-
15.2.3 При техническом обслуживании изделия обязательным является выполнение всех действий, изложенных в технологических картах операций.
-
15.2.4 Техническое обслуживание покупных составных частей изделия выполнять в соответствии с эксплуатационными документами на них.
-
15.2.5 Все неисправности, выявленные в процессе технического обслуживания, должны быть устранены. При этом должна быть сделана запись в соответствующем разделе формуляра изделия
ФТКС.411713.179ФО.
-
15.2.6 О проведении и результатах ТО-2 должна быть сделана запись в соответствующем разделе формуляра изделия ФТКС.411713.179ФО.
Лист
ФТКС.411713.179РЭ
47
Изм.
Лист
N докум.
Подп.
Дата
Таблица 15.1
|
Наименование операции технического обслуживания |
Номер технологической карты |
Виды технического обслуживания | ||
|
ЕТО |
ТО-1 |
ТО-2 | ||
|
1 Проверка состояния и чистка наружных поверхностей изделия |
1 |
+ |
+ |
+ |
|
2 Проверка работоспособности изделия |
2 |
+ |
- |
- |
|
3 Проверка работоспособности и выходных цепей изделия |
3 |
- |
+ |
+ |
|
4 Проверка комплектности и состояния ЗИП-О |
4 |
- |
- |
+ |
|
5 Детальный осмотр и чистка изделия |
5 |
- |
- |
+ |
|
6 Проверка эксплуатационных документов |
6 |
- |
- |
+ |

-
15.3 Технологические карты операций технического обслуживания
15.3.1 Технологическая карта 1
Проверка состояния и чистка наружных поверхностей изделия Средства измерения: нет.
Инструмент: нет.
Расходные материалы:
-
- ветошь обтирочная 627 ГОСТ 5364-79 - 1,0 кг;
-
- кисть флейцевая КФ251 - 2 шт.
Действия:
-
1) отключить изделие от сети согласно указаниям приложения В;
-
2) произвести внешний осмотр изделия, убедиться в отсутствии деформаций кожухов и корпусов составных частей изделия, целостности -органов управления и индикации;
-
3) удалить пыль с наружных поверхностей всех составных частей изделия сухой ветошью (кистью).
Лист
ФТКС.411713.179РЭ
48
Изм.
Лист
N докум.
Подп.
Дата
-
15.3.2 Технологическая карта 2
Проверка работоспособности изделия в режиме «ОК подключен» Средства измерений: нет.
Инструмент: нет.
Расходные материалы: нет.
Действия:
-
1) включить изделие согласно указаниям приложения В;
-
2) убедиться в положительном результате самотестирования VXI и правильности загрузки операционной среды;
-
3) выдержать изделие во включенном состоянии 10 минут;
-
4) выполнить проверку изделия в режиме «ОК подключен» программы проверки модулей (см. ФТКС.52060-01 34 01 Система проверки функций Руководство оператора и п.12.3.1 данного РЭ);
-
5) отключить изделие от сети согласно указаниям приложения В.
При положительном результате проверки изделие готово к работе. Если обнаружена неисправность изделия, устранить ее, руководствуясь указаниями раздела 14, и убедиться в ее отсутствии, вторично выполнив необходимую проверку.

-
15.3.3 Технологическая карта 3
Проверка работоспособности изделия в режиме «ОК отключен» Средства измерений: нет.
Инструмент: нет.
Расходные материалы: нет.
Действия:
-
1) включить изделие согласно указаниям приложения В;
-
2) убедиться в положительном результате самотестирования и правильности загрузки операционной среды;
-
3) выдержать изделие во включенном состоянии 10 минут;
-
4) выполнить проверку изделия в режиме «ОК отключен» программы проверки модулей, (см. ФТКС.52060-01 34 01 Система проверки функций Руководство оператора и п.12.3.2 данного РЭ);
-
5) отключить изделие от сети согласно указаниям приложения В. При положительном результате проверки изделие готово к работе.
Если обнаружена неисправность изделия, устранить ее, руководствуясь указаниями раздела 14, и убедиться в ее отсутствии, вторично выполнив необходимую проверку.
|
Лист | ||||||
|
ФТКС.411713.179РЭ |
49 | |||||
|
Изм. |
Лист |
N докум. |
Подп. |
Дата |
-
15.3.4 Технологическая карта 4

Проверка комплектности и состояния ЗИП-О
Средства измерения: нет. Инструмент: нет.
Расходные материалы: нет.
Действия:
-
1) проверить наличие принадлежностей ЗИП-О изделия по ведомости ФТКС.411713.179ЗИ. Недостающие принадлежности добавить до полного комплекта ЗИП-О;
-
2) произвести осмотр модулей и мезонинов, убедиться в целостности креплений, покрытий и контактов соединителей, а также в целостности пломбировки модулей и соответствии оттисков клейм ОТК и ВП МО указанным в разделе «СВИДЕТЕЛЬСТВО О ПРИЕМКЕ», в листе «ЗАКЛЮЧЕНИЕ ПРЕДСТАВИТЕЛЬСТВА ЗАКАЗЧИКА» и учетом записей в разделе «ОСОБЫЕ ОТМЕТКИ» паспортов модулей;
-
3) проверить внешний вид принадлежностей и сохранность упаковки ЗИП-О изделия.
-
15.3.5 Технологическая карта 5
Детальный осмотр и чистка изделия
Средства измерения: нет.
Инструмент:
-
- отвертка с набором сменных насадок.
Расходные материалы:
-
- бязь отбеленная арт. 224 ГОСТ 11680-76 - 2,0 м;
-
- спирт этиловый ГОСТ Р 51625-2000 - 4,5 л.
При разборке разборных механических соединений (креплений) позаботиться о сохранности крепежа и деталей.
Действия:
-
1) выключить изделие согласно указаниям приложения В;
-
2) отсоединить вилки всех сетевых кабелей изделия от сети;
-
3) отсоединить все отсоединяемые кабели от всех составных частей изделия.
Проверку и чистку составных частей изделия производить следующим образом:
-
1) отвинтить винты, крепящие модули к БЭ153 в СЭ80;
-
2) извлечь модули из крейта и аккуратно сложить их на заранее подготовленном столе;
Лист
ФТКС.411713.179РЭ
50
Изм.
Лист
N докум.
Подп.
Дата
к
ч о С
ч ю
« и К
« и S
S ч м m
к
ч о С
к ч о к Z
« и К
3) произвести осмотр модулей, убедиться в целостности креплений, покрытий и контактов соединителей, а также в целостности пломбировки модулей и соответствии оттисков клейм ОТК и ВП МО указанным в разделе «СВИДЕТЕЛЬСТВО О ПРИЕМКЕ», в листе «ЗАКЛЮЧЕНИЕ ПРЕДСТАВИТЕЛЬСТВА ЗАКАЗЧИКА» и учетом записей в разделе «ОСОБЫЕ ОТМЕТКИ» паспортов модулей;
-
4) произвести осмотр модулей, убедиться в целостности креплений, покрытий и контактов соединителей;
-
5) отвинтить шесть винтов на задней панели крейта (три в крайней левой части панели и три в крайней правой источников вторичного питания из крейта и столе;
6) произвести осмотр блока источников
части панели), извлечь блок аккуратно уложить его на
вторичного питания, убедиться в целостности проводников и контактов соединителей;
-
7) произвести осмотр крейта, убедиться в целостности кросспанели, контактов соединителей;
-
8) очистить от пыли все доступные поверхности модулей, источников вторичного питания,
-
9) соблюдая осторожность, контакты соединителей модулей, крейта;
крейта;
протереть бязью, смоченной в блока источников вторичного
блока
спирте, питания и
-
10) протереть бязью, смоченной в спирте, загрязненные места модулей, блока источников вторичного питания и крейта;
11) установить питания;
12) установить
ФТКС.411259.167Э4
13) произвести заземления;
бязью, смоченной в спирте, загрязненные
и закрепить в крейте блок источников вторичного
модули в крейт, руководствуясь документом БЭ153 Схема электрическая;
осмотр стойки СЭ80, убедиться в целостности и
надежности цепей
-
14) протереть
СЭ80;
-
15) выполнить входящих в состав на них;
места стойки
техническое обслуживание ИБП, источника
СЭ80 в соответствии с эксплуатационными
16) собрать изделие, руководствуясь документами:
-
- ФТКС.411713.179МЧ Система ТЕСТ-1201-01 Монтажный чертеж;
-
- ФТКС.411713.179Э4 Система ТЕСТ-1201-01 Схема электрическая
ФТКС.411187.089МЧ СЭ80
ФТКС.411187.089Э4 СЭ80
а также эксплуатационными изделия.
|
Изм. |
Лист |
N докум. |
Подп. |
Дата |
питания,
документами
автоматизированная измерительная
автоматизированная измерительная соединений;
Монтажный чертеж;
Схема электрическая соединений;
документами на покупные составные части
ФТКС.411713.179РЭ
Лист

-
15.3.6 Технологическая карта 6
Проверка эксплуатационных документов
Средства измерения: нет.
Инструмент: нет.
Расходные материалы: нет.
Действия:
1) проверить наличие эксплуатационных документов изделия по ведомости ФТКС.411713.179ВЭ, а также их состояние;
2) проверить своевременность внесения необходимых записей в формуляры изделия ФТКС.411713.179ФО.

|
Изм. |
Лист |
N докум. |
Подп. |
Дата |
ФТКС.411713.179РЭ
Лист
52

-
16.1 Составные части изделия должны храниться в складских условиях, в ящиках и коробках в которых изделие поставляется изготовителем.
Складские условия:
-
— температура воздуха от 5 до 40 °C;
-
— относительная влажность воздуха не более 80 % при температуре 20 °C;
-
— воздух не должен содержать пыли, паров кислот, щелочей и других агрессивных примесей.
-
16.2 Если изделие расконсервировано, то при подготовке его к хранению должно быть выполнено техническое обслуживание изделия в объеме ТО-2 в соответствии с разделом 15, а также выполнена консервация изделия в соответствии с подразделом 8.3.
-
16.3 При хранении в складских условиях изделие допускает хранение в течение всего срока гарантии при условии выполнения его переконсервации после каждых двух лет хранения согласно требованиям настоящего руководства по эксплуатации.
-
16.4 При перерыве в эксплуатации изделия, установленного на рабочем месте, необходимо отсоединить от сети питания и от составных частей изделия кабели сетевые, обеспечив сохранность всех отсоединенных кабелей на время перерыва в эксплуатации изделия.
-
16.5 В течение всего перерыва в эксплуатации изделия необходимо выполнять все виды технического обслуживания изделия в соответствии с их периодичностью, кроме операций, описанных в технологических картах 2 (Проверка работоспособности изделия), 3 (Проверка работоспособности и выходных цепей изделия) и 4 (Проверка комплектности и состояния ЗИП-О).
Лист
ФТКС.411713.179РЭ
53
Изм.
Лист
N докум.
Подп.
Дата

-
17.1 Изделие, упакованное в ящики, может транспортироваться следующими видами транспорта с соблюдением требований манипуляционных знаков, нанесенных на ящики:
-
- железнодорожным в закрытых вагонах на любые расстояния со скоростями, допустимыми на железнодорожном транспорте;
-
- воздушным и водным в закрытых герметичных отсеках на любые расстояния без ограничения скорости;
-
- автомобильным в закрытых фургонах:
-
1) по дорогам 1-3 категории - на расстояние до 2000 км со скоростью до 60 км/час;
-
2) по дорогам 4,5 категории - на расстояние до 1000 км со скоростью до 20 км/час.
-
17.2 При транспортировании ящики с изделием должны быть надежно закреплены креплениями, исключающими их перемещение относительно транспортного средства при воздействии механических нагрузок.
-
17.3 Допускается транспортирование изделия в ящиках при температуре окружающей среды от минус 50 до 50 °C и относительной влажности до 98 % при температуре 25 °C.
Давление окружающего воздуха должно соответствовать нормам, принятым для данного вида транспорта.
|
Лист | ||||||
|
ФТКС.411713.179РЭ |
54 | |||||
|
Изм. |
Лист |
N докум. |
Подп. |
Дата |
Приложение А
(обязательное)
Порядок эксплуатации ЗИП-О

А.1 При замене неисправной составной части изделия аналогичной из состава ЗИП-О сделать запись о выполненной замене в разделе «Особые отметки» формуляра изделия ФТКС.411713.179ФО или в специальном журнале учета движения составных частей ЗИП-О.
А.2 После возврата из ремонта составных частей изделия должна быть выполнена проверка:
-
- для модулей VXI в режиме «ОК отключен» (см. ФТКС.52060-01 34 01 Система автоматизированная измерительная ТЕСТ-1201-01 Система проверки функций Руководство оператора);
-
- для ИБП, ИП, модуля вентиляторного, MOXA UPort 1650/16 и промышленного компьютера должна быть выполнена проверка работоспособности в соответствии с их эксплуатационными документами.
А.3 Для составных частей изделия Система автоматизированная измерительная ТЕСТ-1201-01, являющихся средствами измерений, рекомендуется провести дополнительные проверки их метрологических характеристик в объеме поверки.
А.4 В случае заведения специального журнала для учета движения составных частей ЗИП-О в местах эксплуатации, в журнале должна отражаться следующая информация:
-
- в исходном состоянии в журнал должны быть внесены данные о фактически поставленных составных частях ЗИП-О в соответствии с ведомостью ЗИП-О ФТКС.411713.179ЗИ;
-
- в журнал должна вноситься информация о составных частях ЗИП-О, переданных для восстановления работоспособности изделия, а также о неисправных составных частях, которые были заменены;
-
- в журнал должна вноситься информация о составных частях, вернувшихся из ремонта.
Лист
ФТКС.411713.179РЭ
55
Изм.
Лист
N докум.
Подп.
Дата
Приложение Б (обязательное) Логические номера крейта и координаты модулей и мезонинов изделия
Б.1 Номер крейта изделия приведён в таблице Б.1.
Таблица Б.1 - Номер крейта
|
Логический номер крейта |
Наименование по КД |
Местоположение |
|
1 |
БЭ153 |
СЭ80, место 1 |
Б.2 Логические адреса и координаты модулей изделия приведены в таблице Б.2.

Таблица Б.2 - Координаты модулей (крейт/слот) или (крейт/слот/позиция) и их логический адрес
|
Модуль, мезонин |
Координаты |
|
USB CONTROLLER |
(1/0) |
|
НМ-М |
(1/3), (1/5) |
|
МФСК-24Э |
(1/3/1) |
|
МДС32 |
(1/3/2), (1/3/3) |
|
Измеритель мгновенных значений напряжения МН6И-150В |
(1/3/4) |
|
Измеритель мгновенных значений напряжения МН8И-10В |
(1/5/1),(1/5/2) |
|
Измеритель мгновенных значений напряжения МН8И-50В |
(1/5/3),(1/5/4) |
Б.3 Логический адрес модуля USB CONTROLLER не конфигурируется. Логический адрес прочих модулей в изделии соответствует их порядковому номеру (отсчёт начинается в направлении от слота ноль).
Б.4 Логический адрес устанавливается постоянным (статическим) с помощью переключателя (статическая конфигурация).
Б.5 Статический логический адрес модуля определяется двоичным кодом, устанавливаемым движками переключателя (см. рисунок Б.1).
Младший разряд адреса определяется положением первого движка переключателя, а старший разряд адреса - положением восьмого движка переключателя.
|
Лист | ||||||
|
ФТКС.411713.179РЭ |
56 | |||||
|
Изм. |
Лист |
N докум. |
Подп. |
Дата |
Положение движка переключателя «Вверх» соответствует логической единице в разряде адреса, а положение движка переключателя «Вниз» соответствует логическому нулю в разряде адреса.
Б.6 Номера крейтов устанавливаются при помощи переключателей номера интерфейса «INTF» на лицевых панелях модулей USB CONTROLLER. При этом нумерация интерфейсов начинается с нуля, т.е. в крейте 1 переключатели должны быть установлены в положение «0», в крейте 2 - в положение «1» и.т.д.



Соединитель Х1

а) Пример 1 - Установка логического адреса 1

б) Пример 2 - Установка логического адреса 16
Рисунок Б.1 - Примеры установки логического адреса модуля
|
Лист | ||||||
|
ФТКС.411713.179РЭ |
57 | |||||
|
Изм. |
Лист |
N докум. |
Подп. |
Дата |
Приложение В (обязательное) Порядок включения и выключения изделия

ВНИМАНИЕ: между моментом выключения любой составной части изделия и моментом ее очередного включения, а также между моментом включения любой составной части изделия и моментом ее выключения должна быть выдержана пауза не менее 10 секунд.
В.1 Включение изделия выполнять в следующем порядке:
-
1) На источнике бесперебойного питания (ИБП) Eaton 9SX 5000i RT3U (внизу СЭ80) нажать кнопку (I) и держать её несколько секунд до возникновения на индикаторе ИБП надписи «Self Diagnostic in Progress». Дождаться окончания диагностики и появление на индикаторе ИБП надписи «Load Protected».
-
2) Включить переключатель на панели питания СЭ80.
-
3) Включить модуль вентиляторный.
-
4) Включить ПЭВМ и монитор убедиться в отсутствии ошибок самотестирования ПЭВМ и загрузки операционной системы.
-
5) Включить питание крейта БЭ153.
-
6) Включить источник питания Keysight N6712A и проконтролировать свечение индикатора АС источника на его лицевой панели.
-
7) Включить MOXA UPort 1650/16 и проконтролировать свечение индикатора на его лицевой панели.
-
8) На промышленном компьютере запустить на исполнение программу Resource Manager (RESMAN). После завершения операций программы Resource Manager (появления сообщения «Resource manager operations completed») на программной панели нажать кнопку «Close».
В.2 Выключение изделия выполнять в следующем порядке:
-
1) Прекратить исполнение всех программ, запущенных ранее на исполнение в ПЭВМ.
-
2) Выключить крейт изделия, для чего переключатель, расположенный на лицевой панели крейта, установить в положение «0».
-
3) Выйти из операционной системы, убедиться, что произошло выключение питания управляющей ПЭВМ, и погас экран дисплея, выключить монитор.
-
4) Если источник питания Keysight N6712A не выключен, то выключить источник и проконтролировать гашение индикатора АС источника.
-
5) Если MOXA UPort 1650/16 не выключен, то выключить источник и проконтролировать гашение индикатора АС источника.
-
6) Выключить переключатель на панели питания СЭ80.
-
7) Выключить модуль вентиляторный.
-
8) На источнике бесперебойного питания (ИБП) Eaton 9SX 5000i (внизу СЭ80) нажать кнопку (I) и держать её несколько секунд до возникновения на индикаторе ИБП надписи «Load On Protected».
Лист
ФТКС.411713.179РЭ
58
Изм.
Лист
N докум.
Подп.
Дата
Приложение Г
(рекомендуемое)
Порядок установки программ

Г.1 Порядок установки программ является типовым для операционных сред семейства Windows.
Г.2 Установку программ необходимо выполнять в следующей последовательности:
1) вставить компакт-диск (CD) с устанавливаемым ПО в DVD-RW, подключенный и установленный в ПЭВМ;
2) программа установки на исполнение запускается автоматически, если операционная среда Windows не сконфигурирована для автозапуска компакт-дисков, необходимо запустить на исполнение программу «setup.exe» с установочного диска;
-
3) выполнить все указания программы установки, которые выводятся на экран монитора. Для установки программы с параметрами по умолчанию (рекомендуется именно этот вариант) достаточно на каждый запрос программы установки в окне программной панели нажимать клавишу «Next».
Г.3 По завершению установки в меню «Пуск»\«Программы» активизируется программная группа, соответствующая установленной программе.
Примечание - Более подробную информацию по порядку установки программного обеспечения см. ФТКС.52060-01 34 01 Система автоматизированная измерительная ТЕСТ-1201-01 Система проверки функций Руководство оператора Приложение А.
|
Лист | ||||||
|
ФТКС.411713.179РЭ |
59 | |||||
|
Изм. |
Лист |
N докум. |
Подп. |
Дата |
Приложение Д (обязательное) Порядок запуска программ на исполнение

Д.1 После каждого включения крейта, перед запуском программы проверки, необходимо запустить на исполнение программу - менеджер ресурсов VXI.
Д.2 Для запуска программы - менеджера ресурсов VXI («Resource Manager») в среде Windows необходимо в меню «Пуск» (путь: Программы/Informtest/VISA/resman) выбрать ярлык запускаемой программы.
Д.3 Запуск на исполнение любой программы из меню «Пуск»: В меню «Пуск» необходимо выбрать подменю «Выполнить». В появившемся окне необходимо нажать кнопку «Обзор». В окне «Обзор» необходимо выбрать диск и папку местонахождения файла запускаемой программы и, отметив файл запуска, нажать кнопку «Открыть». При этом сведения о размещении исполняемого файла перемещаются в командную строку окна «Запуск программы». Затем необходимо нажать на кнопку «ОК», программный файл запустится на исполнение.
Д.4 Запуск на исполнение любой программы из программы «Проводник»:
Из меню «Пуск», в подменю «Программы», выбрать программу «Проводник». В раскрывшемся окне необходимо выбрать диск и папку местонахождения файла запускаемой программы. Установить указатель манипулятора «Мышь» (в дальнейшем - «мышь») на файл программы и дважды нажать на левую кнопку мыши.
Д.5 Упростить запуск программ можно поместив ярлыки к ним на «рабочем столе» экрана. Для этого необходимо обратиться к справочной системе Windows.
Для запуска программы на исполнение достаточно установить указатель мыши на ярлык программы и дважды нажать левую кнопку «мыши».
Д.6 В случае использования программ проверки модулей, после запуска программ необходимо выбрать инструменты (модули, мезонины) для проверки, для чего:
-
- на панели «Выбор инструмента» установить указатель «мыши» на название инструмента и отметить его (нажать левую кнопку «мыши»);
-
- нажать кнопку «Выбрать».
Лист
ФТКС.411713.179РЭ
60
Изм.
Лист
N докум.
Подп.
Дата
Приложение Е (обязательное) Схема рабочего места
«и +»
К5
Р1
«1+»
гг
«2+»
А1
К1
«ИЗМ о»
«2+»
х
«—» «+» «_1_»
«ВЫХ 2»
А2
«1-» КЗ
«ИЗЫ о»
‘Магазин
сопр.
«пит»
«+16В » «ов »
«—» «+» «_1_»
«ВЫХ 2»
кК—»
К7
«ЬО» «GUARD»
«Н1»
PV1
345 8А
«2+»
«1—» К2
:<_!_»
G1
«+»
GPR-30H10D
«—» «_1_»
К1-» К4
Магазин сопротивлений
A1
А2
G1
P1
PV1
К1
K2, K3, K4
K5, K6
К7
КП 1201-01 ФТКС.687287.154
ИОН ФТКС.687420.028
Источник питания постоянного тока GPR-30H10D
Магазин электрического сопротивления Р4834
Мультиметр 3458A
Кабель Т-1201-01_МН ФТКС.685626.385
Кабель ШШВ ФТКС.685621.038-01
Кабель ШШ UNC4.853.185
Кабель НШ UNC4.853.410
Рисунок Е.1 - Схема рабочего места для определения диапазонов и пределов абсолютной погрешности измерения напряжения постоянного тока измерителем мгновенных значений напряжения МН8И-10В
|
Лист | ||||||
|
ФТКС.411713.179РЭ |
61 | |||||
|
Изм. |
Лист |
N докум. |
Подп. |
Дата |
A1
G1

PV1
К1
K2, K3
КП 1201-01 ФТКС.687287.154
Источник питания постоянного тока GPR-30H10D Мультиметр 3458A
Кабель Т-1201-01_МН8И-50В ФТКС.685625.220 Кабель ШШВ ФТКС.685621.038-01
Рисунок Е.2 - Схема рабочего места для определения диапазонов и пределов абсолютной погрешности измерения напряжения постоянного тока измерителем мгновенных значений напряжения МН8И-50В
|
Лист | ||||||
|
ФТКС.411713.179РЭ |
62 | |||||
|
Изм. |
Лист |
N докум. |
Подп. |
Дата |
A1
G1

PV1
К1
K2, K3
КП 1201-01 ФТКС.687287.154
Источник питания постоянного тока GPR-30H10D Мультиметр 3458A
Кабель Т-1201-01_МН6И-150В ФТКС.685623.221 Кабель ШШВ ФТКС.685621.038-01
Рисунок Е.3- Схема рабочего места для определения диапазонов и пределов абсолютной погрешности измерения напряжения постоянного тока измерителем мгновенных значений напряжения МН6И-150В
|
Лист | ||||||
|
ФТКС.411713.179РЭ |
63 | |||||
|
Изм. |
Лист |
N докум. |
Подп. |
Дата |
Приложение Ж (рекомендуемое) Обозначения, принятые в протоколах проверки
Wx
- эталонное значение величины, подаваемое на входы измерительных каналов (W = U);
среднее измеренное значение;
dWmax
dWs
Axs
- максимальное значение абсолютной погрешности измерений
- среднее значение абсолютной погрешности измерений
- среднее значение относительной погрешности измерений
Axmax
An
-
- максимальное значение относительной погрешности измерений
-
- норма погрешности
Примечание - Значения Wx, dWmax и dWs рассчитывается по значениям Wi , находящимся внутри доверительного интервала E. Доверительный интервал E рассчитывается по всей совокупности результатов измерений Wi
следующим образом:
100
' - Wmid )2
к
ч о С
ч ю
« и К
W где mid
« и S
S ч м m
к
ч о С
к ч о к Z
« и К
|
Изм. |
Лист |
N докум. |
Подп. |
Дата |
ФТКС.411713.179РЭ
Лист
64
Приложение И
(обязательное) Порядок замены неисправного модуля и неисправного автомата защиты исправными
И.1 Порядок замены неисправного модуля исправным модулем:
-
- выключить питание крейта;
-
- отсоединить от лицевой панели модуля все кабели;
-
- извлечь модуль из крейта;
-
- извлечь упаковку с исправным модулем;
-
- освободить модуль от упаковки;
-
- проверить целостность пломбировки модулей, а также целостность и состояние контактов всех соединителей. Убедиться в отсутствии внешних повреждений на модуле, а также в наличии штатного крепежа во втулках на лицевой панели;
-
- установить модуль в крейт (при необходимости руководствуясь документом ФТКС.411259.167Э4 БЭ153 Схема электрическая соединений);
-
- восстановить подключение кабелей к лицевой панели модуля, руководствуясь документом ФТКС.411187.089Э4 СЭ80 Схема электрическая соединений.
Примечание
модуля в
Порядок извлечения модуля из крейта и установки крейт указаны в пункте И.2.
к
ч о С
И.2 фильтров крейта
Порядок извлечения и установки модулей, вентиляторов крейта и блоков источников
крейта, воздушных вторичного питания
ч ю
« и К
ВНИМАНИЕ: все действия, изложенные в данном выполнять при отключенном питании СЭ80.
пункте, необходимо
« и S
S ч м m
И.2.1 Порядок извлечения модуля из крейта:
- открутить два невыпадающих винта, расположенных в верхней и нижней части лицевой панели модуля;
с помощью ручек, расположенных в верхней и нижней части панели, отсоединить модуль от кросспанели, для чего развести противоположные стороны друг от друга вдоль вертикальной оси панели до характерного «щелчка»;
извлечь модуль из крейта.
лицевой ручки в лицевой
к
ч о С
И.2.2 Порядок установки модуля в крейт:
- установить модуль в верхние и нижние направляющие соответствующего слота крейта следя за тем, чтобы наименование модуля при его установке в крейт находилось в верхней части лицевой панели;
к ч о к Z
« и К
|
Изм. |
Лист |
N докум. |
Подп. |
Дата |
ФТКС.411713.179РЭ
Лист
65
-
- плавно продвинуть модуль вглубь крейта до касания модуля с кросспанелью затем с небольшим усилием окончательно задвинуть модуль до соприкосновения лицевой панели модуля со стяжками крейта;
-
- закрепить модуль в крейте, для чего закрутить невыпадающие винты, расположенные в верхней и нижней части лицевой панели модуля.
И.2.3 Порядок извлечения крейта из стойки:
ВНИМАНИЕ: Извлечение крейта из стойки производится двумя сотрудниками из обслуживающего персонала.
-
- отсоединить со стороны задней стенки крейта кабель питания и провод заземления крейта;
для чего открутить восемь винтов
-
- отсоединить крейт от стойки, расположенных на лицевой стороне крейта и соединяющих его со стойкой.
-
- извлечь крейт из стойки;
-
- на время изъятия крейта из стойки винты крепления установить на их штатные места в стойке.
И.2.4 Порядок установки крейта в стойку:
ВНИМАНИЕ: установка крейта в стойку производится двумя сотрудниками из обслуживающего персонала.
-
- снять
-
- установить задние ножки крейта на поддон стойки и крейт в горизонтальном положении, продвинуть его по поддону вглубь стойки до упора крепежных кронштейнов крейта в вертикальные угольники стойки;
-
- закрепить крейт в стойке штатным крепежом;
-
- подключить провод заземления
винты крепления крейта со штатных мест на стойке;
, удерживая
со стороны задней стенки крейта кабель крейта;
питания и
ю
cd щ
К
И.2.5 Порядок
-
- отвернуть и воздушный фильтр, крейта;
крейта:
снятия воздушных фильтров вентиляторов скобы удерживающей с задней стороны
снять четыре винта крепления расположенный в нижней
части
Z cd щ s
£ с5 оо CQ
-
- снять скобу;
-
- снять фильтр.
-
- на время снятия воздушных фильтров на их штатные места в крейте.
установить
винты
крепления скобы
к о к
Z
cd щ К
вентиляторов крейта: винты крепления скобы со штатных мест на крейте; воздушный фильтр на его штатное место;
И.2.6 Порядок установки воздушных фильтров
снять
установить
установить скобу крепления воздушных фильтров на крейт и
следя скобу
за совпадением отверстий на скобе и в кожухе крейта штатным крепежом.
,
, закрепить
|
Изм. |
Лист |
N докум. |
Подп. |
Дата |
ФТКС.411713.179РЭ
Лист
66
к
ч о С
ч ю
« и К
« и s
S ч м m
к
ч о С
к ч о к Z
« и К
И.2.7 Порядок извлечения блоков источников крейта:
-
- отвернуть винты крепления блока питания
-
- выдвинуть по направляющим и вынуть блок
вторичного питания
к крейту;
питания из крейта.
вторичного питания
И.2.8 Порядок установки блоков источников крейта:
-
- установить блок питания на направляющие
-
- закрепить блок питания на крейте четырьмя штатными невыпадающими винтами.
и задвинуть в крейт;
И.3 Порядок замены неисправного автомата защиты исправным:
ВНИМАНИЕ: все действия, изложенные выполнять при отключенном питании СЭ80 внешней сети 220 В).
в данном пункте, необходимо (кабель питания
СЭ80 должен
быть отсоединен от
отсоединить
отсоединить
кабель питания
панель
220 В;
с автоматом защиты от стойки, для ее со стойкой;
СЭ80
от внешней сети
питания чего открутить винты, соединяющие
- отсоединить DIN-рейку с автоматом защиты от панели питания стойки, для чего открутить четыре винта крепления DIN-рейки к панели питания стойки;
от автомата защиты и промаркировать их в
соответствии
отсоединить провода
местом их подключения к автомату защиты;
с с DIN-рейки неисправный автомат защиты;
-
- извлечь
-
- освободить автомат защиты от упаковки и убедиться в отсутствии
снять
упаковку с исправным автоматом защиты;
на нем внешних повреждений;
-
- установить на DIN-рейку исправный автомат защиты таким образом, чтобы при установленной в стойку панели питания автомат защиты обеспечивал состояние «ВКЛ» при верхнем положении выключателя автомата защиты;
-
- подсоединить снятые ранее провода к исправному автомату защиты в соответствии с ранее выполненной маркировкой на них;
-
- проверить отсутствие замыкания между собой проводов кабеля питания стойки СЭ80 при каждом положении выключателя автомата защиты;
-
- установить DIN-рейку с автоматом защиты на панель питания для чего закрутить четыре винта крепления DIN-рейки к панели стойки;
стойки, питания
с автоматом защиты стойкой;
в стойку,
для чего
-
- установить панель питания закрутить винты, соединяющие ее со
-
- проверить отсутствие замыкания между собой и корпусом стойки проводов кабеля питания стойки СЭ80 при каждом положении выключателя автомата защиты;
-
- установить
выключатель автомата защиты в положение «0» и
подключить кабель питания стойки к сети 220 В.
|
Изм. |
Лист |
N докум. |
Подп. |
Дата |
ФТКС.411713.179РЭ
Лист
67
Приложение К (обязательное) Перечень сокращений и обозначений
ЕТО - ежедневное техническое обслуживание;
ИБП - источник бесперебойного питания;
ИП - источник питания;
ОК - объект контроля;
ПО - программное обеспечение;
ПЭВМ - персональная ЭВМ;
СЭ - стойка электронная;
ТО-1 - ежемесячное техническое обслуживание;
ТО-2 - ежегодное техническое обслуживание; ЭВМ - электронная вычислительная машина.

|
Изм. |
Лист |
N докум. |
Подп. |
Дата |
ФТКС.411713.179РЭ
Лист
68
Приложение Л (обязательное) Алгоритм проверки модулей и мезонинов

Л.1 Алгоритмы проверок модулей, используемые программой ППМ в режиме «ОК отключен», позволяют полностью удостовериться в исправности модулей, либо выявить конкретный неисправный модуль. Описание алгоритмов приведено в качестве справочной информации для помощи в интерпретации результатов проверок.
Л.2 Проверка модуля МДС32 №1
Л.2.1 Используемые модули - отсутствуют.
Л.2.2 Используемые соединители - СК-1 ФТКС.685623.220,
СК-2 ФТКС.685621.415, СК-3 ФТКС.685621.416, СК-4 ФТКС.685621.417, СК-5 ФТКС.685621.418.
Л.2.3 Проверяемые параметры:
-
1) целостность входных цепей;
-
2) регистрация состояний входов МДС32;
-
3) отсутствие ложной регистрации и взаимовлияния входов МДС32.
Л.2.4 Алгоритм проверки:
-
1) Включаются входные реле каналов 1-31 МДС32 при отсутствии подключения соединителей контрольных. Измеряется обрыв (отсутствие сигнала).
-
2) Сообщение оператору:
Соединитель контрольный СК-1 ФТКС.685623.220 подключить к разъему «ХА220(ТМ) Каналы 1-32» коммутационной панели КП 1201-01 ФТКС.687287.154.
-
3) Включаются входные реле каналов 1-17 МДС32. Измеряется
закоротка (наличие сигнала).
-
4) Сообщение оператору:
Соединитель контрольный СК-2 ФТКС.685621.415 подключить к разъему «ХА208 (МШУ) Каналы 1-4» коммутационной панели КП 1201-01 ФТКС.687287.154.
-
5) Включается входное реле канала 18 МДС32. Измеряется закоротка (наличие сигнала).
-
6) Сообщение оператору:
Соединитель контрольный СК-1 ФТКС.685623.220 подключить к разъему «ХА203 (КУ) 1-6» коммутационной панели КП 1201-01 ФТКС.687287.154.
-
7) Включается входное реле канала 19 МДС32. Измеряется закоротка (наличие сигнала).
-
8) Сообщение оператору:
Соединитель контрольный СК-3 ФТКС.685621.416 подключить к разъему «ХА201-БТ» коммутационной панели КП 1201-01 ФТКС.687287.154.
|
Лист | ||||||
|
ФТКС.411713.179РЭ |
69 | |||||
|
Изм. |
Лист |
N докум. |
Подп. |
Дата |
к
ч о С
ч ю
« и К
« и S
S ч м m
к
ч о С
к ч о к Z
« и К
9) Включается входное реле канала 20 МДС32. Измеряется (наличие сигнала).
10) Сообщение оператору:
Соединитель контрольный СК-3 ФТКС.685621.416 подключить «ХА201» коммутационной панели КП 1201-01 ФТКС.687287.154.
11) Включается входное реле канала 21 МДС32. Измеряется (наличие сигнала).
12) Сообщение оператору:
Соединитель контрольный СК-4 ФТКС.685621.417 подключить «ХА202 (Пит. АРН) ИП1» коммутационной панели КП 1201-01 ФТКС.687287.154.
13) Включается входное реле канала 22. Измеряется закоротка (наличие сигнала).
14) Сообщение оператору:
Соединитель контрольный СК-4 ФТКС.685621.417 подключить к «ИП2» коммутационной панели КП 1201-01 ФТКС.687287.154.
15) Включается входное реле канала 23. Измеряется закоротка (наличие сигнала).
16) Сообщение оператору:
Соединитель контрольный СК-4 ФТКС.685621.417 подключить к «ИП3» коммутационной панели КП 1201-01 ФТКС.687287.154.
17) Включается входное реле канала 24. Измеряется закоротка (наличие сигнала).
18) Сообщение оператору:
Соединитель контрольный СК-4 ФТКС.685621.417 подключить к «ИП4» коммутационной панели КП 1201-01 ФТКС.687287.154.
19) Включается входное реле канала 25. Измеряется закоротка (наличие сигнала).
20) Сообщение оператору:
Соединитель контрольный СК-5 ФТКС.685621.418 подключить к «Каналы 1-8» коммутационной панели КП 1201-01 ФТКС.687287.154.
21) Включается входное реле канала 26. Измеряется закоротка (наличие сигнала).
22) Сообщение оператору:
Соединитель контрольный СК-5 ФТКС.685621.418 подключить к «Каналы 9-16» коммутационной панели КП 1201-01 ФТКС.687287.154.
23) Включается входное реле канала 27. Измеряется закоротка (наличие сигнала).
24) Сообщение оператору:
Соединитель контрольный СК-2 ФТКС.685621.415 подключить к «Каналы 5-16» коммутационной панели КП 1201-01 ФТКС.687287.154.
25) Включается входное реле канала 28. Измеряется закоротка (наличие сигнала).
26) Сообщение оператору:
Соединитель контрольный СК-5 ФТКС.685621.418 подключить к «Каналы 1-6» коммутационной панели КП 1201-01 ФТКС.687287.154.
27) Включается входное реле канала 29. Измеряется закоротка (наличие сигнала).
закоротка
к разъему
закоротка
к разъему
разъему
разъему
разъему
разъему
разъему
разъему
разъему
|
Изм. |
Лист |
N докум. |
Подп. |
Дата |
ФТКС.411713.179РЭ
Лист

к
ч о С
ч ю
« и К
« и S
S ч м m
28) Сообщение оператору:
Соединитель контрольный СК-2 ФТКС.685621.415 подключить к разъему «7-12» коммутационной панели КП 1201-01 ФТКС.687287.154.
29) Включается входное реле канала 30. Измеряется закоротка (наличие сигнала).
30) Сообщение оператору:
Соединитель контрольный СК-1 ФТКС.685623.220 подключить к разъему «Каналы 33-64» коммутационной панели КП 1201-01 ФТКС.687287.154.
31) Включается входное реле канала 31. Измеряется закоротка (наличие сигнала).
Л.3 Проверка модуля МДС32 №2
Л.3.1
Л.3.2
Используемые модули - отсутствуют.
Используемый соединитель - СК-6 ФТКС.685624.260.
Л.3.3
целостность входных цепей;
регистрация состояний входов МДС32;
отсутствие ложной регистрации и взаимовлияния входов МДС32.
1)
2)
3)
Проверяемые параметры:
Л.3.4 Алгоритм проверки:
-
1) Включаются входные реле каналов 1-32 МДС32 при отсутствии подключения соединителя контрольного. Измеряется обрыв (отсутствие сигнала).
-
2) Сообщение оператору:
Соединитель контрольный СК-6 ФТКС.685624.260 подключить к разъему «Каналы 33-64» коммутационной панели КП 1201-01 ФТКС.687287.154.
-
3) Включаются входные реле каналов 1-32 МДС32. Измеряется закоротка (наличие сигнала).
Л.4 Проверка модуля МФСК-24Э
Л.4.1
Л.4.2
Л.4.3
1)
2)
Используемый модуль - МДС32 №2.
Используемый кабель - Т-1201-01 МФСК-24Э ФТКС.685626.386.
Проверяемые параметры: целостность выходных цепей; отсутствие ложных срабатываний.
к
ч о С
Л.4.4 Алгоритм проверки:
-
1) Сообщение оператору:
Подключить разъем «Х1» кабеля Т-1201-01_МФСК-24Э ФТКС.685626.386 к разъему «ХА203 (КУ) 1-6» коммутационной панели КП 1201-01 ФТКС.687287.154.
к ч о к Z
« и К
|
Изм. |
Лист |
N докум. |
Подп. |
Дата |
ФТКС.411713.179РЭ
Лист




Подключить разъем «Х3» кабеля Т-1201-01_МФСК-24Э ФТКС.685626.386 к разъему «7-12» коммутационной панели КП 1201-01 ФТКС.687287.154.
Подключить разъем «Х4» кабеля Т-1201-01_МФСК-24Э ФТКС.685626.386 к разъему «2» коммутационной панели КП 1201-01 ФТКС.687287.154.
2) Поочередно включаются/выключаются выходные реле мезонина МФСК-24Э.
3) МДС32 регистрирует либо закоротку, либо обрыв проверяемого реле на каналах 1-12, 17-28 согласно таблице Л.1.
Таблица Л.1
|
Проверяемый канал МФСК-24Э |
Соответствующий канал МДС32 №2 |
|
1 |
1 |
|
2 |
2 |
|
3 |
3 |
|
4 |
4 |
|
5 |
5 |
|
6 |
6 |
|
7 |
7 |
|
8 |
8 |
|
9 |
9 |
|
10 |
10 |
|
11 |
11 |
|
12 |
12 |
|
13 |
17 |
|
14 |
18 |
|
15 |
19 |
|
16 |
20 |
|
17 |
21 |
|
18 |
22 |
|
19 |
23 |
|
20 |
24 |
|
21 |
25 |
|
22 |
26 |
|
23 |
27 |
|
24 |
28 |
|
Лист | ||||||
|
ФТКС.411713.179РЭ |
72 | |||||
|
Изм. |
Лист |
N докум. |
Подп. |
Дата |
Л.5 Проверка модулей МН8И-10В №1, МН8И-10В №2, МН8И-50В №1, МН8И-50В №2, МН6И-150В

Л.5.1 Используемый прибор - источник питания Keysight N6712A.
Л.5.2 Используемый кабель - T-1201-01 МН ФТКС.685626.385.
Л.5.3 Проверяемые параметры:
-
1) целостность выходных цепей;
-
2) измерение напряжения постоянного ток на измерительных каналах.
Л.5.4 Алгоритм проверки:
-
1) Сообщение оператору:
Подключить разъем «Х1» кабеля T-1201-01 МН ФТКС.685626.385 к разъему «Каналы 1-9» коммутационной панели КП 1201-01 ФТКС.687287.154.
Подключить разъем «Х2» кабеля T-1201-01 МН ФТКС.685626.385 к разъему «Каналы 9-16» коммутационной панели КП 1201-01 ФТКС.687287.154.
Подключить разъем «Х3» кабеля T-1201-01 МН ФТКС.685626.385 к разъему «ХА208 (МШУ) Каналы 1-4» коммутационной панели КП 1201-01 ФТКС.687287.154.
Подключить разъем «Х4» кабеля T-1201-01 МН ФТКС.685626.385 к разъему «Каналы 5-16» коммутационной панели КП 1201-01 ФТКС.687287.154.
Подключить разъем «Х5» кабеля T-1201-01 МН ФТКС.685626.385 к разъему «Каналы 1-6» коммутационной панели КП 1201-01 ФТКС.687287.154.
Подключить разъем «ИП1» кабеля T-1201-01 МН ФТКС.685626.385 к разъему «ИП1» коммутационной панели КП 1201-01 ФТКС.687287.154.
-
2) Источник питания Keysight N6712A формирует напряжение 5В.
-
3) Мезонины МН8И-10В №1, МН8И-10В №2, МН8И-50В №1, МН8И-50В №2 и МН6И-150В измеряют напряжение (5±1) В.
Л.6 Проверка плат TH6-PCI производства фирмы «Элкус»
Л.6.1 Используемый модуль - отсутствует.
Л.6.2 Используемый кабель - TH6-PC ФТКС.685623.222.
Л.6.3 Проверяемые параметры:
1) целостность выходных цепей.
Л.6.4 Алгоритм проверки.
-
1) Сообщение оператору:
Подключить разъем «ХА201-БТ» кабеля TH6-PC ФТКС.685623.222 к разъему «ХА201-БТ» коммутационной панели КП 1201-01 ФТКС.687287.154.
Подключить разъем <<K3(R)» кабеля TH6-PC ФТКС.685623.222 к разъему <<K3(R)» коммутационной панели КП 1201-01 ФТКС.687287.154.
-
2) Плата TH6-PCI №1 работает в режиме контроллера, плата TH6-PCI №2 работает в режиме монитора.
Лист
ФТКС.411713.179РЭ
73
Изм.
Лист
N докум.
Подп.
Дата
к
ч о С
ч ю
« и К
« и S
S ч м m
к
ч о С
к ч о к Z
« и К
-
3) Контроллер отправляет сообщение монитору, монитор принимает сообщение.
-
4) Плата TH6-PCI №2 работает в режиме контроллера, плата TH6-PCI №1 работает в режиме монитора.
-
5) Контроллер отправляет сообщение.
-
6) Сообщение оператору:
Отключить разъем «X3(R)» «X3(R)» коммутационной панели
сообщение монитору, монитор принимает
кабеля TH6-PC ФТКС.685623.222 от разъема КП 1201-01 ФТКС.687287.154.
Отключить разъемы «ТН6-РС1 1 Х2» и ТН6-РС1 1 Х3» кабелей коммутационной панели КП 1201-01 ФТКС.687287.154 от компьютера.
Подключить разъемы «Осн» и «Рез» кабеля TH6-PC ФТКС.685623.222 на место отключенных ранее кабелей. Разъём «Осн» подключить к «Х2», «Рез» - к «Х3».
Подключить разъем «ХА201_1» Кабеля TH6-PC ФТКС.685623.222 к разъему «ХА201» коммутационной панели КП 1201-01 ФТКС.687287.154.
-
7) Плата TH6-PCI №1 работает в режиме контроллера, плата TH6-PCI №2 работает в режиме монитора.
-
8) Контроллер отправляет сообщение монитору, монитор принимает сообщение.
-
9) Плата TH6-PCI №2 работает в режиме контроллера, плата TH6-PCI №1 работает в режиме монитора.
-
10) Контроллер отправляет сообщение монитору, монитор принимает сообщение.
-
11) Сообщение оператору:
Отключить разъем «ХА201_1» кабеля TH6-PC ФТКС.685623.222 от разъема «ХА201» коммутационной панели КП 1201-01 ФТКС.687287.154.
Подключить разъем «ХА201_2» кабеля TH6-PC ФТКС.685623.222 к разъему «ХА201» коммутационной панели КП 1201-01 ФТКС.687287.154.
-
12) Плата TH6-PCI №1 работает в режиме контроллера, плата TH6-PCI №2 работает в режиме монитора.
-
13) Контроллер отправляет сообщение монитору, монитор принимает сообщение.
-
14) Плата TH6-PCI №2 работает в режиме контроллера, плата TH6-PCI №1 работает в режиме монитора.
-
15) Контроллер отправляет сообщение монитору, монитор принимает сообщение.
Л.7 Проверка устройства МОХА UPort 1650/16
Л.7.1 Используемый
модуль - отсутствует.
Л.7.2 Используемые
RS-422 ФТКС.685629.024,
соединители - RS-232 ФТКС.685629.023,
RS-485 ФТКС.685629.025.
Л.7.3 Проверяемые параметры:
1) целостность выходных цепей.
Л.7.4 Алгоритм проверки
|
Изм. |
Лист |
N докум. |
Подп. |
Дата |
ФТКС.411713.179РЭ
Лист

к
ч о С
ч ю
« и К
« и S
S ч м m
к
ч о С
к ч о к Z
« и К
1) Сообщение оператору:
Подключить соединитель контрольный RS-232 ФТКС.685629.023/ RS-422 ФТКС.685629.024/ RS-485 ФТКС.685629.025 к разъёму «Каналы 1-4» на коммутационной панели КП 1201-01 ФТКС.687287.154.
устройства MOXA UPort 1650/16 (далее - устройство) контроллера, порты 2, 4
2) Порты 1, 3 работают в режиме монитора.
3) Устройству принять сообщения
4) Порты 1, 3
отправить сообщения по по портам 2 и 4.
устройства работают в
устройства работают в режиме
портам
режиме
1 и 3, устройству
монитора, порты 2, 4
устройства работают в режиме контроллера.
5) Устройству отправить сообщения по принять сообщения по портам 1 и 3.
6) Сообщение оператору:
Подключить соединитель контрольный RS-232 ФТКС.685629.023/ RS-422 ФТКС.685629.024/ RS-485 ФТКС.685629.025 к разъёму «Каналы 5-8» на коммутационной панели КП 1201-01 ФТКС.687287.154.
7) Порты 5, 7 устройства работают в режиме контроллера, порты 6, 8 устройства работают в режиме монитора.
8) Устройству отправить сообщения по портам 5 и 7, устройству принять сообщения по портам 6 и 8.
9) Порты 5, 7 устройства работают в режиме монитора, порты 6, 8 устройства работают в режиме контроллера.
10) Устройству отправить сообщения по портам 6 и 8, устройству принять сообщения по портам 5 и 7.
11) Сообщение оператору:
Подключить соединитель контрольный RS-232 ФТКС.685629.023/ RS-422 ФТКС.685629.024/ RS-485 ФТКС.685629.025 к разъёму «Каналы 9-12» на коммутационной панели КП 1201-01 ФТКС.687287.154.
12) Порты 9, 11 устройства работают в режиме
10, 12 устройства работают в режиме монитора.
13) Устройству отправить сообщения по портам принять сообщения по портам 10 и 12.
14) Порты 9, 11 устройства работают в режиме
12 устройства работают в режиме контроллера.
15) Устройству отправить сообщения по портам принять сообщения по портам 9 и 11.
16) Сообщение оператору:
Подключить соединитель контрольный RS-232 ФТКС.685629.023/ RS-422 ФТКС.685629.024/ RS-485 ФТКС.685629.025 к разъёму «Каналы 13-16» на коммутационной панели КП 1201-01 ФТКС.687287.154.
17) Порты 13, 15 устройства работают в режиме контроллера, порты 14, 16 устройства работают в режиме монитора;
18) Устройству отправить сообщения по портам 13 и 15, устройству принять сообщения по портам 14 и 16;
19) Порты 13, 15 устройства работают в режиме монитора, порты 14, 16 устройства работают в режиме контроллера;
20) Устройству отправить сообщения по портам 14 и 16, устройству принять сообщения по портам 13 и 15.
портам
2 и 4, устройству
контроллера, порты
9 и 11, устройству
монитора, порты 10,
10 и 12, устройству
|
Изм. |
Лист |
N докум. |
Подп. |
Дата |
ФТКС.411713.179РЭ
Лист

