Методика поверки «Каналы измерительные систем диагностики компрессорного оборудования СДКО» (МП ФКПР.468266.001-01 )
V
ФЕДЕРАЛЬНОЕ ГОСУДАРСТВЕННОЕ УНИТАРНОЕ ПРЕДПРИЯТИЕ «ВСЕРОССИЙСКИЙ НАУЧНО-ИССЛЕДОВАТЕЛЬСКИЙ ИНСТИТУТ МЕТРОЛОГИЧЕСКОЙ СЛУЖБЫ»
(ФГУП «ВНИИМС»)
УТВЕРЖДАЮ

Каналы измерительные систем диагностики компрессорного оборудования СДКО
Методика поверки
ФКПР.468266.001 -01 МП
л ь.(25953"<&Москва
2016

Содержание
Ссылочные нормативные документы
Вариант приспособления для крепления токовихревых датчиков
Вспомогательные приспособления для поверки
Настоящая методика поверки распространяется на каналы измерительные систем диагностики компрессорного оборудования СДКО (далее по тексту - «КИ СДКО» или «каналы») и устанавливает методы первичной и периодической поверки.
КИ СДКО выпускаются в разных исполнениях, отличающихся типом и количеством входящих в состав применяемых измерительных компонентов.
Примечание - Наличие в составе КИ СДКО измерительных компонентов, количество и типы измерительных каналов определяется заказанной спецификацией, указанной в формуляре.
Далее в тексте используются следующие сокращения:
АЧХ - амплитудно-частотная характеристика;
АРМ - автоматизированное рабочее место оператора (АРМ-01, АРМ-02);
БПО - блок предварительной обработки сигналов;
БУС - блок усиления и согласования;
ПО - программное обеспечение;
ПК - персональный компьютер;
РЭ - руководство по эксплуатации;
СКЗ - среднеквадратическое значение уровня сигнала (англ. RMS);
ТУ - технические условия;
МП - методика поверки;
ФО - формуляр;
ЦАП - цифроаналоговый преобразователь;
Пик-пик - размах (двойная амплитуда) сигнала.
Перечень документов, на которые даются ссылки в тексте настоящей методики, приведен в Приложении А.
-
1 ОСНОВНЫЕ СВЕДЕНИЯ
-
1.1 Методика позволяет проверить метрологические характеристики измерительных каналов:
-
-
- числа оборотов (основную относительную погрешность);
-
- СКЗ виброскорости (основную относительную погрешность) и СКЗ и размаха виброперемещения (основную относительную погрешность), а также неравномерность АЧХ (относительно базовых частот) при измерении СКЗ виброскорости и виброперемещения;
-
- неравномерности АЧХ (относительно базовых частот) при измерении СКЗ виброскорости и виброперемещения;
-
- СКЗ виброскорости (основную относительную погрешность);
-
- СКЗ и размаха виброперемещения (основную относительную погрешность);
-
- осевого сдвига (основную приведенную погрешность);
-
- идентификационные данные ПО.
-
1.2 Первичная поверка измерительных каналов проводится после монтажа, наладки и ввода в эксплуатацию. Периодическая поверка производится в процессе эксплуатации.
-
1.3 Межповерочный интервал для каналов - один год.
-
2 ОПЕРАЦИИ ПОВЕРКИ
-
2.1 При проведении первичной и периодической поверки системы должны выполнять
-
ся операции, указанные в таблице 2.1.
Таблица 2.1 - Перечень операций
Наименование |
Номер пункта методики поверки |
Внешний осмотр |
7.1 |
Опробование. Проверка функционирования |
7.2 |
Определение основной погрешности каналов |
7.3 |
Проверка основной относительной погрешности каналов измерения частоты вращения |
7.3.1 |
Проверка неравномерности АЧХ (относительно базовых частот) каналов измерения СКЗ виброскорости и виброперемещения |
7.3.2 |
Проверка основной относительной погрешности СКЗ виброскорости |
7.3.3 |
Проверка основной относительной погрешности каналов измерения виброперемещения |
7.3.4 |
Проверка основной приведённой погрешности каналов измерения осевого сдвига |
7.3.5 |
Контроль идентификационных данных программного обеспечения |
7.4 |
-
3 СРЕДСТВА ПОВЕРКИ
-
3.1 Для проведения поверки рекомендуется применять средства измерения и оборудование, указанное в таблице 3.1.
-
Таблица 3.1- Средства измерений для поверки
Номер пункта методики поверки |
Наименование эталона и вспомогательных средств поверки; номер документа, регламентирующего технические требования; метрологические и основные технические характеристики |
7.2-7.4 |
IBM-совместимый ПК: ОС Windows ХР/7; порты COM, USB, LAN |
7.3.1 |
Генератор сигналов специальной формы SFG 2110: частота от 5 до 10000 Гц; погрешность установки/контроля частоты F не хуже ±(2-10'5 • Р+0,0001Гц/+1 младшего разряда) |
7.3.2-7.3.4 |
Установка поверочная вибрационная 2 разряда в соответствии с МИ 2070-90: вибратор калибровочный портативный 9100С; частотный диапазон от 10 Гц до 10 кГц, амплитудный диапазон: виброскорости от 0 до 0,16 м/с, перемещения от 0 до 0,48 мм; погрешность не более 3 % |
7.3.5 |
Устройство для поверки преобразователей вихретоковых в статическом режиме УПД |
7.3.1-7.3.5 |
Мультиметр 34410А: основная погрешность при измерении напряжения постоянного тока от 0 до 10 В - не более ±[0,003иизм+0,005ипред] и постоянного тока от 0 до 100 мА - не более ±[0,0031изм+0,0051пред] |
Примечание - Допускается применение других средств измерений и испытательного оборудования, погрешность которых не превышает 1/3 предела допускаемого значения основной погрешности поверяемого канала. |
-
4 ТРЕБОВАНИЯ К КВАЛИФИКАЦИИ ПОВЕРИТЕЛЕЙ
-
4.1 Проведение поверки должен выполнять персонал, аттестованный в соответствии с ПР 50.2.012-94 (Порядок аттестации поверителей средств измерений), прошедший инструктаж по технике безопасности и обучение работ с каналами.
-
-
5 ТРЕБОВАНИЯ БЕЗОПАСНОСТИ
-
5.1 При подключении и поверке необходимо соблюдать общие требования безопасности, установленные в документах ГОСТ 12.2.007.0, ГОСТ 12.3.019, «Правила эксплуатации электроустановок потребителей», «Правила охраны труда при эксплуатации электроустановок потребителей».
-
5.2 Все работы должны производиться только квалифицированными специалистами, изучившими руководство по эксплуатации системы СДКО, знающими принцип действия используемых при проведении испытаний средств измерений и прошедшими инструктаж по технике безопасности.
-
5.3 Установку и подключение средств поверки, поверяемых первичных преобразователей, а также вспомогательного оборудования производить при отключенном питании.
-
-
6 ПОДГОТОВКА И УСЛОВИЯ ПОВЕРКИ
-
6.1 Поверка проводится при следующих условиях:
-
-
- температура окружающего воздуха (20 ±5) °C;
-
- относительная влажность воздуха от 30 до 80 %;
-
- атмосферное давление от 84,0 до 106,7 кПа (от 630 до 800 мм рт. ст.);
-
- напряжение питающей сети (220 ±11) В;
-
- частота тока питающей сети (50 ±0,5) Гц;
-
- время выдержки системы во включенном состоянии до проведения испытаний должно быть не менее 5 мин.
Примечание - При невозможности обеспечения нормальных условий, поверку проводят в фактических условиях эксплуатации. Условия поверки измерительных каналов системы на месте эксплуатации не должны выходить за пределы рабочих условий, указанных в технической документации на систему и на применяемые средства поверки. В этом случае должны быть рассчитаны пределы допускаемых погрешностей измерительных каналов и применяемых средств измерений для фактических условий поверки по РД 50-453-84.
-
6.2 Испытательное оборудование, стенды и устройства, применяемые при испытаниях, должны иметь паспорт и быть аттестованы в соответствии с действующей нормативнотехнической документацией.
-
6.3 Средства измерений, применяемые при испытаниях, должны быть поверены в соответствии с правилами по метрологии ПР 50.2.006 и иметь действующие доверительные клейма или свидетельства о поверке.
-
6.4 Эталонные, поверяемые и вспомогательные средства должны быть выдержаны в нормальных условиях (п. 6.1) не менее двух часов.
-
6.5 Подготавливаются к работе средства поверки в соответствии с эксплуатационными документами на них.
-
6.6 Крепление пьезоэлектрических вибропреобразователей и акселерометров к поверочной вибрационной установке (вибровозбудителю) должно соответствовать их руководству по эксплуатации.
-
6.7 Крепление вихретоковых вибропреобразователей (проксиметров) к вибрационной установке осуществляется с помощью кронштейна, конструкция которого должна обеспечивать:
-
- отсутствие механической связи с рабочей поверхностью вибровозбудителя (далее -вибростол);
-
- надежное крепление вибропреобразователей над вибростолом;
-
- совпадение направления главной оси чувствительности вибропреобразователя с направлением колебаний вибростола;
-
- отсутствие резонансных явлений в полосе частот в два раза превышающей рабочую полосу частот, контролируемое независимым устройством измерений вибрации (например, пьезоэлектрическим вибропреобразователем, установленным на кронштейне). В качестве кронштейна может использоваться приспособление, показанное в Приложении Б.
При креплении вибропреобразователя устанавливается зазор между его чувствительным элементом и эталонным образцом (закрепленным на вибростоле) в соответствии с проектными данными, указанными в формуляре. Эталонный образец изготавливается из того же материала, что и контролируемый объект (см. Приложение В).
-
6.8 Для обезжиривания рабочей поверхности вибростола и основания вибропреобразователя перед установкой'его на вибростол применяется спирт этиловый (по ГОСТ Р 51723) из расчета 5 г на один вибропреобразователь.
-
6.9 Управление работой системы при испытаниях должно производиться в соответствии с указаниями,'Приведенными в разделе «Эксплуатация системы» РЭ (ФКПР.425200.001 РЭ). Результаты измерений считываются на ПК АРМ.
Примечания
1 Если поверочная виброустановка не позволяет задавать непосредственно требуемые действительные значения виброперемещения, то значение виброперемещения вычисляют по одной из фор
мул


io6=2k.io3,
2#
(6.1)
(2#)2

где Яд - значение виброперемещения, мкм;
ад - значение виброускорения, м/с2;
Кд - значение виброскорости, мм/с;
f - частота колебаний, задаваемых с помощью поверочной виброустановки, Гц; тг« 3,1416.
2 При необходимости, можно воспользоваться формулами пересчета значений размаха (Пик-пик) в амплитуду (Пик) или «СКЗ», которые действуют для синусоидальной формы сигнала вибрации
Пик-Пик ъ „Пик /о СКЗ
-
(6.3)
-
(6.4)
-
(6.5)
ад =2'ад = 2'ч2*ад ,
5
тг Пик-Пик >> у г Пик /о т/САЗ •
_2**д -2--у2-Ид j
$ пик-Пик _ 2 ^пик_2 >/2
-
7 ПРОВЕДЕНИЕ ПОВЕРКИ
При внешнем осмотре проверяется соответствие системы следующим требованиям:
-
- наличие полного комплекта документации в соответствии с формуляром;
-
- наличие лакокрасочных и гальванических покрытий;
-
- наличие всех крепежных элементов (болтов, гаек, шайб);
-
- надежность крепления изделий;
-
- целостность металлорукава кабеля датчика (при его наличии);
-
- крепление кабелей и надежность контактных соединений;
-
- целостность соединительных кабелей;
-
- наличие заземляющих устройств;
-
- наличие и четкость маркировочных надписей.
При обнаружении механических дефектов, а также несоответствия маркировки эксплуатационной документации определяется возможность проведения поверки и дальнейшего использования системы.
7.2 Опробование. Проверка функционирования системыПроверка функционирования системы производится при ее функционировании в рабочем режиме путем визуального контроля приема и отображения информации от датчиков на ПК АРМ. Для проверки выполняются действия в следующей последовательности:
-
1) включить систему по методике, приведенной в разделе «Эксплуатация системы» РЭ;
-
2) на мониторе ПК АРМ проконтролировать отображение всех установленных на агрегате датчиков со значениями их текущего состояния (для автономных систем виброзащиты наличие сигналов контролировать на аналоговых выходах или встроенных технологических индикаторах).
Результат испытаний считать положительным, если от каждого измерительного канала информация отображается на ПК АРМ (или выводится на аналоговый выход).
7.3 Определение основной погрешности каналовПоверка производится в контрольных точках диапазона измерений, указанного в формуляре.
7.3.1 Проверка основной относительной погрешности каналов измерения частоты вращения-
7.3.1.1 Проверка каналов производится путем имитации сигнала датчика при помощи генератора (например, SFG-2110), формирующего сигналы с параметрами, указанными на рисунке 7.1 (F - частота генератора).
Рисунок 7.1 - Форма сигнала генератора для проверки канала измерения частоты вращения:: Uo(уровень смещения)=-8,0...-11,0В; UMax (амплитуда) =-2,0...-4,5В; Ги (ширина импульсов) = 1/(100-79; Т (период импульсов) = \/F
-
7.3.1.2 Проверяются каналы в следующей последовательности:
-
1) выполнить подключение генератора сигналов к входу проверяемого канала блока БПО;
-
2) включить систему по методике, приведенной в разделе «Эксплуатация системы» РЭ;
-
3) последовательно устанавливая частоту поступающего на вход сигнала, соответствующую пяти контрольным точкам диапазона измерения, зафиксировать измеренные значения частоты оборотов на ПК АРМ или соответствующем аналоговом выходе и занести их в таблицу 7.1;
Примечание - При измерениях на аналоговом выходе БПО выходное напряжение постоянного тока или выходной постоянный ток, измеренное с помощью мультиметра (например, 34401 А), пересчитывается на число оборотов в соответствии с конфигурацией блока.
Таблица 7.1 - Измеренные значения в контрольных точках

•100%,
Измеряемый параметр |
Контрольные точки диапазона, % (частота генератора, Гц) | ||||
0 |
25 |
50 |
75 |
100 | |
Частота оборотов (канал 1), Гц | |||||
Частота оборотов (канал 2), Гц | |||||
Частота оборотов (канал 3), Гц | |||||
Частота оборотов (канал 4), Гц |
4) рассчитать для каждой контрольной точки относительную погрешность по формуле
(7-1)
где /! - относительная погрешность, %;
/Гди ~ измеренное на ПК АРМ или соответствующем аналоговом выходе БПО значение частоты, Гц;
F ~ значение частоты для данной контрольной точки, Гц;
5) по методике пп. (1)-(4) для каждого канала произвести измерения и расчет основной относительной погрешности.
-
7.3.1.3 Результат испытаний считать положительным, если для каждого канала основная относительная погрешность не превышает ±0,1 %.
-
7.3.2.1 Проверка неравномерности АЧХ каналов проводится с использованием поверочной виброустановки методом прямых измерений.
-
7.3.2.2 Проверяются каналы в следующей последовательности:
-
1) первичный преобразователь, подключенный к каналу измерения, закрепить на поверочной виброустановке (например, модели 9100С) согласно рекомендациям раздела 6 настоящей МП;
-
2) включить систему по методике, приведенной в разделе «Эксплуатация системы» РЭ на систему;
-
3) подготовить виброустановку к работе, задав параметры:
-для акселерометров и вибропреобразователей (контроль неравномерности АЧХ при измерении СКЗ виброскорости): частота вибрации 80 Гц; СКЗ виброскорости 12 мм/с;
-для преобразователей относительной вибрации (контроль неравномерности АЧХ при измерении размаха (Пик-пик) виброперемещения): частота вибрации 45 Гц; размах колебаний 50 мкм.
Зафиксировать измеренные значения (виброскорость, виброперемещение) на ПК АРМ или соответствующем аналоговом выходе БПО;
Примечание - При измерениях на аналоговом выходе БПО выходное напряжение постоянного тока или выходной постоянный ток, измеренное с помощью мультиметра (например, 34401 А), пересчитывается на значение параметра в соответствии с конфигурацией блока.
-
4) на вибростенде последовательно задавать частоты в контрольных точках диапазона от 10 до 100 Гц - с шагом 10 Гц, диапазона от 100 до 1000 Гц - с шагом 100 Гц, - зафиксировать показания измеренных значений (амплитуду соответствующей гармонической составляющей виброскорости по спектру, СКЗ виброскорости, размах соответствующей гармонической составляющей виброперемещения по спектру, виброперемещения) на ПК АРМ;
Примечания:
1 В зависимости от возможностей виброустановки допускается изменить значения задаваемых СКЗ виброскорости или размаха колебаний.
2 Для другого диапазона, указанного в формуляре на систему, допускается проводить измерения не менее чем для пяти точек, равномерно распределенных по диапазону (включая граничные точки диапазона).
-
5) для каждой проверенной контрольной точки рассчитать неравномерность АЧХ относительно уровня сигнала, измеренного на базовой частоте (соответственно, 80 и 45 Гц) по формулам:
- неравномерность АЧХ при измерении СКЗ виброскорости (амплитуды гармонической составляющей виброскорости по спектру)
= ^иЫ-^80ГЧ) J00 о/о , (7 2)
^(«ОГц)
где - неравномерность АЧХ относительно частоты 80 Гц при измерении СКЗ
виброскорости (неравномерность АЧХ амплитуды соответствующей
гармонической составляющей виброскорости по спектру), %;
Гцзм _ измеренное на ПК АРМ или соответствующем аналоговом выходе БПО значение СКЗ (амплитуды гармонической составляющей) виброскорости в контрольной точке диапазона частот вибрации, мм/с;
К(8о гц) - измеренное на ПК АРМ или соответствующем аналоговом выходе БПО значение СКЗ (амплитуды гармонической составляющей) виброскорости на частоте вибрации 80 Гц, мм/с;
-неравномерности АЧХ при измерении размаха (Пик-пик) виброперемещения (размаха соответствующей гармонической составляющей виброперемещения по спектру)
= ^~^(45 A) jQQ о/о , (? J)
^(45 Гц)
где 8S - неравномерность АЧХ относительно частоты 45 Гц при измерении СКЗ размаха
(Пик-пик) виброперемещения (неравномерность АЧХ размаха гармонической составляющей виброперемещения), %;
Susm ~ измеРенное на ПК АРМ или соответствующем аналоговом выходе БПО значение виброперемещения (размаха гармонической составляющей) в контрольной точке диапазона частот вибрации, мкм;
/>(45 гц) - измеренное на ПК АРМ или соответствующем аналоговом выходе БПО значение виброперемещения (размаха гармонической составляющей) на частоте вибрации 45 Гц, мкм;
-
6) по методике пп. (1)-(5) для каждого канала произвести измерения и расчет неравномерности АЧХ.
-
1.3.2.3 Результат испытаний считать положительным, если для каждого канала неравномерность АЧХ не превышает ±10 %.
-
7.3.3.1 Проверка каналов проводится с использованием поверочной виброустановки методом прямых измерений.
-
7.4.3.2 Проверяются каналы в следующей последовательности:
-
1) первичный преобразователь, подключенный к каналу измерения, закрепить на вибростоле поверочной виброустановки согласно рекомендациям раздела 6 настоящей МП;
-
2) подготовить виброустановку к работе, задав параметры: частота - 80 Гц, виброскорость - 2 мм/с (соответствует контрольной точке диапазона 0 %). Зафиксировать показания измеренного значения СКЗ (амплитуды гармоники) виброскорости на ПК АРМ или соответствующем аналоговом выходе БПО аналогично примечанию п. 7.3.1.2;
-
3) на виброустановке последовательно задавать значения виброскорости в контрольных точках 25, 50, 75 и 100 % рабочего диапазона канала - фиксировать измеренные значения СКЗ (амплитуды гармоники) виброскорости на ПК АРМ или соответствующем аналоговом выходе БПО;
Примечание - При измерениях на аналоговом выходе БПО выходное напряжение постоянного тока или выходной постоянный ток, измеренное с помощью мультиметра (например, 34401 А), пересчитывается на значение параметра в соответствии с конфигурацией блока.
-
4) рассчитать для каждой проверенной контрольной точки относительную погрешность по формуле
где /2 - относительная погрешность, %;
Уизм ~ измеренное на ПК АРМ или соответствующем аналоговом выходе БПО зна
чение СКЗ (амплитуды гармоники) виброскорости, мм/с;
- заданное на виброустановке значение виброскорости для контрольной точки, мм/с;
-
5) по методике пп. (1)-(4) для каждого канала произвести измерения и расчет основной относительной погрешности.
-
7.3.3.3 Результат испытаний считать положительным, если для каждого канала основная относительная погрешность не превышает ±10 %.
7.3.4 Проверка основной относительной погрешности каналов измерения виброперемещения
-
7.3.4.1 Проверка каналов производится с использованием поверочной виброустановки методом прямых измерений.
-
7.3.4.2 Проверяются каналы в следующей последовательности:
-
1) первичный преобразователь, подключенный к каналу измерения, закрепить над вибростолом поверочной виброустановки согласно рекомендациям раздела 6 настоящей МП;
-
2) подготовить виброустановку к работе, задав параметры: частота - 45 Гц, размаха (Пик-пик) виброперемещения - 10 мкм (соответствует СКЗ - 3,6 мкм) - соответствует контрольной точке диапазона 0 %. Зафиксировать показания измеренного значения виброперемещения на ПК АРМ или соответствующем аналоговом выходе БПО аналогично примечанию п. 7.3.2.1;
-
3) на виброустановке последовательно задавать значения виброперемещения в контрольных точках 25, 50, 75 и 100 % рабочего диапазона - фиксировать измеренные значения размаха (размаха гармоники) виброперемещения на ПК АРМ или соответствующем аналоговом выходе БПО аналогично примечанию п. 7.3.1.2;
-
4) рассчитать для каждой проверенной контрольной точки погрешность по формуле
= 4oqo/0) (7 5)
^изм
где /з - относительная погрешность, %;
5^ - измеренное на ПК АРМ или соответствующем аналоговом выходе значение
виброперемещения (размаха гармоники), мкм;
S - заданное на виброустановке значение виброперемещения (размаха гармоники) для контрольной точки, мкм;
-
5) по методике пп. (1)-(4) для каждого канала произвести измерения и расчет основной относительной погрешности.
-
7.3.4.3 Результат испытаний считать положительным, если для каждого канала основная относительная погрешность не превышает ±12 %.
-
7.3.5.1 Проверка каналов производится с использованием устройства для поверки преобразователей вихретоковых в статическом режиме УПД.
-
7.3.5.2 Проверяются каналы в следующей последовательности:
1) при помощи УПД последовательно устанавливается минимальный, средний и максимальный зазоры в измерительной зоне - фиксировать измеренные значения на ПК АРМ или соответствующем аналоговом выходе БПО;
Примечание - При измерениях на аналоговом выходе БПО выходное напряжение постоянного тока или выходной постоянный ток, измеренное с помощью мультиметра (например, 34401 А), пересчитывается на значение параметра в соответствии с конфигурацией блока.
-
2) рассчитать для каждой проверенной контрольной точки погрешность по формуле
уЛ = -100%, (7.6)
Ав
где у/ - приведенная погрешность измерения, %;
- измеренное значение перемещения на ПК АРМ или соответствующем аналоговом выходе БПО, мм;
- установленное юстировочным устройством значение зазора;
L,, - нормирующее значение, равное разности между верхней и нижней границами
диапазона, мм;
-
3) по методике пп. (1)-(2) для каждого канала произвести измерения и расчет основной приведенной погрешности.
-
7.3.5.3 Результат испытаний считать положительным, если для каждого измерительного канала основная относительная погрешность в диапазоне измерений не превышает ±5 %.
-
7.4.1 Проверка идентификационных данных программного обеспечения производится путем проверки соответствия версий ПО в КИ СДКО, представленных на поверку, версиям ПО, указанным в описании типа КИ СДКО.
-
7.4.2 Результат подтверждения соответствия ПО считают положительным, если идентификационные данные соответствуют указанным в Описании типа на КИ СДКО (приложение к Свидетельству об утверждении типа).
-
8 ОФОРМЛЕНИЕ РЕЗУЛЬТАТОВ ПОВЕРКИ
-
8.1 Результаты поверки оформляются протоколом по форме, установленной метрологической службой, проводящей поверку.
-
8.2 Положительные результаты поверки оформляются записью в паспорте на КИ СДКО с нанесением оттиска поверительного клейма.
-
8.3 При положительном результате периодической поверки оформляется свидетельство о поверке.
-
8.4 При отрицательных результатах поверки каналы к эксплуатации не допускаются и выдается извещение о непригодности к применению.
-
Разработала
Зам. нач. отдела 201

И.Г. Средина
ФГУП «ВНИИМС»
ПРИЛОЖЕНИЕ А (справочное)
Ссылочные нормативные документы
Обозначение |
Наименование |
ГОСТ 12.2.007.0-75 |
Система стандартов безопасности труда Изделия электротехнические. Общие требования безопасности |
ГОСТ 12.3.019-80 |
Система стандартов безопасности труда. Испытания и измерения электрические. Общие требования безопасности |
ГОСТ Р 51723-2001 |
Спирт этиловый питьевой 95 %-ный. Технические условия |
ПУЭ |
Правила устройства электроустановок, издание 7-е, 2001 г. |
ПР 50.2.006-94 |
ГСИ. Поверка средств измерений. Организация и порядок проведения |
ПР 50.2.012-94 |
ГСИ. Порядок аттестации поверителей средств измерений |
МИ 2070-90 |
Государственная поверочная схема средств измерений виброперемещения, виброскорости и виброускорения в диапазоне частот 310’1-2104Гц |
РД 50-453-84 |
Методические указания. Характеристики погрешности средств измерений в реальных условиях эксплуатации. Методы расчета |
ФКПР.425200.001 ФО |
Системы диагностики компрессорного оборудования СДКО. Руководство по эксплуатации. Формуляр |
ФКПР.425200.001 РЭ |
Системы диагностики компрессорного оборудования СДКО. Руководство по эксплуатации. Руководство по эксплуатации |
ПРИЛОЖЕНИЕ Б (справочное)
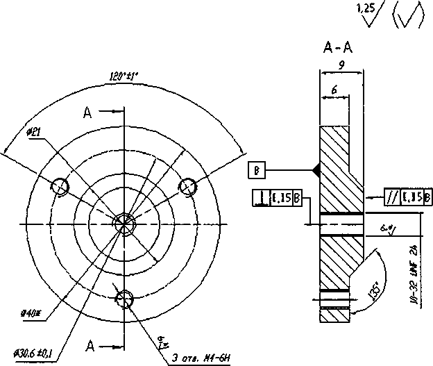
Вариант приспособления для крепления токовихревых датчиков

Рисунок Б. 1 - Кронштейн для закрепления датчика над рабочим столом вибростенда в установке поверочной вибрационной модели 9100С

Рисунок Б.2 - Вид юстировочного устройства с закрепленным датчиком
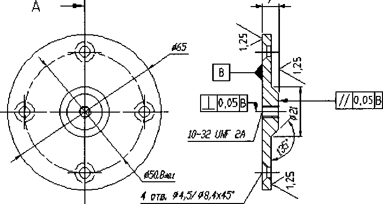
ПРИЛОЖЕНИЕ В (справочное) Вспомогательные приспособления для поверки

1. хРазнео для с/шяок.
Е Материал: пруток Я 3-1 40 ГОСТ 26433-85.
3, Остальные ТТ па ОСТ 4Г9.07Ш4.
Рисунок В.1 - Приспособление для поверки каналов измерения СКЗ виброскорости
А-А
Материал» сталь 40X33 ГШ4543-73.
Рисунок В.2 - Приспособление для поверки каналов измерения СКЗ и Пик-пик виброперемещения
Продолжение приложения В03.2/06x90*

4
Рисунок В.З - Конструкция образца металла для установки в юстировочное устройство

Рисунок В.4 - Вид поверочного стенда УПД с закрепленным датчиком (для поверки преобразователей вихретоковых в статическом режиме)
Лист регистрации изменений
№ изм. |
Номера листов (страниц) |
Всего листов (страниц) |
Дата внесения |
Подпись | |||
изменен |
заменен |
новых |
аннулир. | ||||
ФКПР.468266.001-01 МП
20