Методика поверки «ГСОЕИ. Имитаторы 8714» (МП 56-221-2013)
ФЕДЕРАЛЬНОЕ АГЕНТСТВО ПО ТЕХНИЧЕСКОМУ РЕГУЛИРОВАНИЮ И МЕТРОЛОГИИ
ФЕДЕРАЛЬНОЕ ГОСУДАРСТВЕННОЕ УНИТАРНОЕ ПРЕДПРИЯТИЕ УРАЛЬСКИЙ НАУЧНО-ИССЛЕДОВАТЕЛЬСКИЙ ИНСТИТУТ МЕТРОЛОГИИ (ФГУП “УНИИМ”)

ФГУП “УНИИМ”
В.В. Казанцев
2013 г.
Государственная система обеспечения единства измерений
Имитаторы 8714Методика поверки
МП 56-221-2013
Екатеринбург
2013
Предисловие-
1. Разработана: ФГУП «Уральский научно-исследовательский институт метрологии» (ФГУП “УНИИМ”)
-
2. Исполнитель: Клевакин Е.А. ведущий инженер ФГУП «УНИИМ».
-
3. Утверждена ФГУП “УНИИМ” «___» _________ 2013 г.
-
5 ТРЕБОВАНИЯ БЕЗОПАСНОСТИ И ТРЕБОВАНИЯ К КВАЛИФИКАЦИИ
Приложение А ФОРМА ПРОТОКОЛА ПОВЕРКИ
|
Государственная система обеспечения единства измерений Имитаторы 8714 Методика поверки |
МП 56-221-2013 |
Дата введения «___»___________2013 г.
1 ОБЛАСТЬ ПРИМЕНЕНИЯ-
1.1 Настоящий документ распространяется на имитаторы 8714 (в дальнейшем - имитаторы) и устанавливает методику их первичной и периодической поверок.
-
1.2 Интервал между поверками - 2 года.
В настоящей методике использованы ссылки на нормативные документы, приведенные в таблице 1.
Таблица 1
|
Обозначение |
Наименование |
|
ГОСТ 12.2.007.0-75 |
ССБТ. Изделия электротехнические. Общие требования безопасности |
|
ПР 50.2.006-94 |
ГСП. Порядок проведения поверки средств измерений |
|
ПР 50.2.007-2001 |
ГСИ. Поверительные клейма |
|
ПОТ Р М-016-2001, РД 153-34.0-03.150-00 |
Межотраслевые правила по охране труда (Правила безопасности) при эксплуатации электроустановок |
-
3.1 При проведении поверки выполняют операции, указанные в таблице 2.
Таблица 2
|
Наименование операции |
Пункт методики |
Проведение операций при поверке | |
|
первичной |
периодической | ||
|
Внешний осмотр |
8.1 |
+ |
+ |
|
Опробование |
8.2 |
+ |
+ |
|
Проверка воспроизводимых значений и определение относительной погрешности при воспроизведении напряжения (скорости) |
8.3 |
+ |
+ |
Примечание. Знак «+» обозначает, что соответствующую операцию поверки проводят.
-
3.2 При получении отрицательных результатов на любой из операций, указанных в таблице 2, поверку прекращают.
-
4.1 При проведении поверки применяют средства поверки, указанные в таблице 3.
Таблица 3
|
Наименование и тип средства поверки |
Основные характеристики |
Кол- во |
|
Мультиметр 345 8А |
Предел измерений напряжения 100 мВ. Пределы допускаемой абсолютной погрешности ± (2,5- 10'6D+3,5- 10'6Е) В. |
1 |
|
Катушка электрического сопротивления Р321 |
Класс точности 0,01, сопротивление 0,1 Ом, |
1 |
|
Источник питания Agilent Е3631А |
Максимальное напряжение 25 В, максимальный ток 1 А. Пределы допускаемой абсолютной погрешности ±(0,0005-U+20 мВ) В и ±(0,00154+4 мА) А, |
1 |
|
Гигрометр психрометрический ВИТ-2 |
Диапазон измерения относительной влажности 20-90 %, диапазон измерения температуры 15-40 °C. Цена деления шкал термометров 0,2 °C. |
1 |
|
Барометр-анероид метеорологический БАММ-1 |
Диапазон измерения давления от 80 до 106 кПа, основная допустимая погрешность 0,2 кПа |
1 |
-
4.2 Допускается использование средств поверки, отличающихся от указанных в таблице 3, но обеспечивающих определение метрологических характеристик с требуемой точностью.
-
5.1 При проведении поверки необходимо соблюдать требования ГОСТ 12.2.007.0, ПОТ Р М-016-2001, РД 153-34.0-03.150-00 и требования безопасности, установленные в документации на средства поверки.
-
5.2 К поверке допускаются лица, изучившие настоящую методику, эксплуатационную документацию на системы и средства поверки и прошедшие обучение в качестве поверителей средств измерений.
Поверку системы проводят в следующих условиях:
-
- температура окружающего воздуха: 20±5 °C;
-
- относительная влажность воздуха: от 30 до 80 %;
-
- атмосферное давление от 84 до 106,7 кПа.
Имитаторы подготавливают к работе в соответствии с руководством по эксплуатации, средства поверки - в соответствии с эксплуатационной документацией.
8 ПРОВЕДЕНИЕ ПОВЕРКИ-
8.1 Внешний осмотр.
-
8.1.1 При внешнем осмотре проверить:
-
-
- соответствие комплектности эксплуатационной документации;
-
- отсутствие механических повреждений;
-
- наличие заводских номеров и маркировки.
-
8.1.2 Результаты внешнего осмотра считают положительными, если выполняются требования, указанные в 8.1.1.
-
8.2 Опробование.
-
8.2.1 При опробовании проверить функционирование имитатора по изменению значений напряжения на мультиметре при изменении положения переключателя имитатора.
-
8.2.2 Результаты опробования считают положительными, если при увеличении (уменьшении) имитируемой скорости на имитаторе, значение напряжения на мультиметре увеличивается (уменьшается).
-
8.3 Проверка воспроизводимых значений и определение относительной погрешности при воспроизведении напряжения (скорости).
-
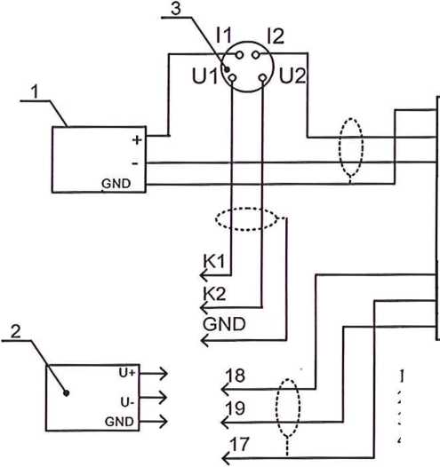
8.3.1 Собрать схему соединений в соответствии с рисунком 1 и включить на время не ме
нее 3 ч. С помощью источника напряжения и катушки электрического сопротивления во входном контуре имитатора задать ток (500±5) мА. Для этого, на источнике питания задать значения напряжения на контактах К1 и К2 (СТ/) = (50±0,5) мВ. После этого провести регулировку тока во входном контуре имитатора, задать ток (500±5) мА.
Рисунок 1 - Схема соединений при поверке имитатора 8714

SHIELD
COIL+
COIL-
Имитатор 8714
ELECTRODE+
SHIELD
ELECTRODE-
-
1 - источник напряжения постоянного тока;
-
2 - мультиметр;
-
3 - катушка электрического сопротивления;
-
4 - имитатор 8714.
-
-
8.3.2 Измерить мультиметром значения напряжения Uj на контактах К1 и К2 и значения напряжения U на контактах 18 и 19 имитатора при положениях переключателя имитатора: 9,14 м/с; 3,05 м/с; 0,91 м/с.
Расчетное значение напряжения Up (мВ) соответствующее имитируемому значению скорости потока рассчитать по формуле

0,235781-у Uj
(1)
1000 ' 0,1 ’
где Uj = 0,1/- значение напряжения, измеренное мультиметром на контактах К1 и К2, мВ; (I-значение тока в контуре, мА);
v - имитируемое значение скорости потока (9,1439; 3,0480; 0,9143) м/с.
-
8.3.3 Операции по 8.3.2 повторить с измененной полярностью подключения к источнику напряжения.
-
8.3.4 Относительную погрешность имитатора (%) при воспроизведении напряжения (скорости) для значений скорости (9,1439; 3,0480; 0,9143) м/с рассчитать по формуле где U+ - значение напряжения, измеренное мультиметром на контактах 18 и 19, мВ;
(<7++t/-)-(t/p++C/p-) 10()
(C/p++t/p_)
(2)
U_ - значение напряжения, измеренное мультиметром на контактах 18 и 19, при измененной полярности подключения к источнику напряжения, мВ;
U р+ - значение напряжения, рассчитанное по формуле 1, мВ;
Uр_ - значение напряжения, рассчитанное по формуле 1, при измененной полярности подключения к источнику напряжения, мВ.
-
8.3.5 Результаты считают положительными, если относительная погрешность при воспроизведении напряжения (скорости) для значений скорости (9,1439; 3,0480; 0,9143) м/с находится в интервале ± 0,04 %.
-
9.1 Результаты заносят в протокол, форма которого приведена в приложении А.
-
9.2 При положительных результатах поверки оформляют свидетельство о поверке в соответствии с ПР 50.2.006 и делают запись в эксплуатационной документации имитатора, заверенную подписью поверителя с нанесением знака поверки по ПР 50.2.007.
-
9.3 При отрицательных результатах поверки свидетельство о поверке аннулируют, оформляют извещение о непригодности с указанием причин в соответствии с ПР 50.2.006 и делают соответствующую запись в эксплуатационной документации.
Ведущий инженер ФГУП «УНИИМ»

Е.А. Клевакин
(рекомендуемое)
ФОРМА ПРОТОКОЛА ПОВЕРКИв соответствии с документом «ГСИ. Имитаторы 8714. Методика поверки» МП 56-221-2013
ПРОТОКОЛ ПОВЕРКИ №___от_____
Заводской номер:____________________________________________________________________
Принадлежит:___________________________________________________________________
Дата первичной поверки:___________________________________________________________
Условия поверки:__________________________________________________________________
Результаты внешнего осмотра:______________________________________________________
Результаты опробования:
Таблица - Результаты измерений и расчетов для имитатора
|
Й |
Положительное подключение токового контура | |||
|
Имитируемая скорость потока v, м/с |
Результаты измерений |
Расчетные значения | ||
|
U/, мВ |
U-, мВ |
1о,мА |
Up+, мВ | |
|
9,1439 | ||||
|
3,0480 | ||||
|
0,9143 | ||||
|
Отрицательное подключение токового контура | ||||
|
Имитируемая ско-рость потока v, м/с |
Результаты измерений |
Расчетные значения | ||
|
U/, мВ |
U+, мВ |
1о,мА |
ир., мВ | |
|
9,1439 | ||||
|
3,0480 | ||||
|
0,9143 | ||||
|
Расчет относительной погрешности. | ||||
|
Относительная погрешность при воспроизведении имитируемой скорости потока, % 9,1439 м/с 3,0480 м/с 0,9143 м/с | ||||
|
Пределы допускаемой относительной погрешности, % |
±0,04 | |||
Заключение по результатам поверки:
На основании положительных результатов поверки выдано свидетельство о поверке
№______от_______________20____г.
На основании отрицательных результатов поверки выдано извещение о непригодности
№______от______________20____г.
Дата поверки_________________ Подпись поверителя____________________________
Организация, проводившая поверку_________________________________________________
8
