Методика поверки «Контроллеры логические программируемые ПЛК73» (КУВФ.421445.017МП)
ООО «Производственное Объединение ОВЕН»

1ПТ7Ю I. \ I < )

mockui
ше пикников 2ИЮг.
ЕРЖДАЮ
in шректор
-
I НИ (II мс»
В. Н. Яншин
2011г.
ИНСТРУКЦИЯ КОНТРОЛЛЕРЫ ЛОГИЧЕНКИЕ ПРОГРАММИРУЕМЫЕ ПЛК73
МЕТОДИКА ПОВЕРКИКУВФ. 421445.017МП
Москва
2011
СОДЕРЖАНИЕ-
5 Требования безопасности и требования к квалификации поверителей
-
-
8.4 Определение основной приведенной погрешности измерения входных
-
8.5 Определение основной приведенной погрешности сигналов аналоговых
-
9 Оформление результатов поверки
КУВФ.421445.017МП
Лист
2
Изм.
Лист
№ докум.
Подпись
Дата
1 ОБЛАСТЬ ПРИМЕНЕНИЯ
Настоящая рекомендация распространяется на контроллеры логические программируемые ПЛК73 (далее - контроллеры) пр-ва ООО «Производственное Объединение ОВЕН», г. Москва и устанавливает методику их первичной и периодической поверок.
Межповерочный интервал - согласно эксплуатационной документации, но не более двух лет.
-
2 НОРМАТИВНЫЕ ССЫЛКИ
ПР 50.2.006-94 Государственная система обеспечения единства измерений. Порядок проведения поверки средств измерений.
ПР 50.2.012-94 Государственная система обеспечения единства измерений. Порядок аттестации поверителей средств измерений.
ГОСТ 12.3.019-80 Система стандартов безопасности труда. Испытания и измерения электрические. Общие требования безопасности.
ГОСТ Р 52931-2008 Приборы контроля и регулирования технологических процессов. Общие технические условия.
ГОСТ 6651-2009 Государственная система обеспечения единства измерений. Термопреобразователи сопротивления из платины, меди и никеля. Общие технические требования и методы испытаний.
ГОСТ Р 8.585-2001 Государственная система обеспечения единства измерений. Термопары.
Номинальные статические характеристики преобразования. ГОСТ 26.011-80 Средства измерений и автоматизации. Сигналы тока и напряжения электрические непрерывные входные и выходные.
3 ОПЕРАЦИИ ПОВЕРКИПри проведении поверки выполняют следующие операции:
- внешний осмотр ( п .8.1);
- проверка электрического сопротивления изоляции ( п .8.2);
- опробование ( п .8.3);
- определение основной приведенной погрешности контроллера ( п .8.4);
- определение основной приведённой погрешности сигналов аналоговых выходов (цифроаналоговых преобразователей (ЦАП)) (п.8.5).
4 СРЕДСТВА ПОВЕРКИ-
4.1 Средства измерений, используемые в качестве мер входного сигнала поверяемого прибора, должны иметь технические характеристики, обеспечивающие поверку в диапазоне измерений поверяемого контроллера.
-
4.2 Измерительная цепь (включая меры входного сигнала), при помощи которой поверяют контроллеры, должна обеспечивать такую точность измерений, при которой верно неравенство: д Ц < ^З д П, где ДП - предел допускаемого абсолютного значения основной погрешности поверяемого контроллера.
-
4.3 Для определения основных погрешностей контроллера необходимо применять
следующие средства поверки.
4.3.1 При измерении входных сигналов от термопреобразователей сопротивления:
КУВФ.421445.017МП |
Лист | |||||
3 | ||||||
Изм. |
Лист |
№ докум. |
Подпись |
Дата |
- магазин сопротивлений (мера сопротивления): диапазон выходных
сопротивлений 0,001 Ом - 10 кОм, класс точности не более 0,02 (например, Р4831, МСР-60М, калибратор унифицированных сигналов ИКСУ 2000).
-
4.3.2 При измерении входных сигналов от термоэлектрических преобразователей:
-
- низкоомный потенциометр постоянного тока или калибратор напряжения постоянного тока, используемые в качестве меры напряжения с диапазоном выходного сигнала от 0 до 100 мВ, класс точности не более 0,05 (например, потенциометры постоянного тока Р306, Р348, Р363, ПП-63; универсальный переносной измерительный прибор типа УПИП-60М; компаратор напряжений Р3003; калибратор напряжения П 320; установки В1-12, В1-13, В1-28; калибратор унифицированных сигналов ИКСУ 2000);
-
- жидкостной термостат (аттестованный метрологической службой, проводящей поверку) для обеспечения стабильной температуры холодных спаев термоэлектродных и медных проводов.
Термостат в условиях поверки должен обеспечивать такое постоянство температуры, при котором за время поверки прибора изменение температуры, выраженное в процентах, не должно превышать V10 уп, где Yn - предел допускаемого значения приведенной основной погрешности поверяемого прибора.
Термостат в условиях поверки должен быть снабжен термометром в месте расположения спаев термоэлектродных и медных проводов: диапазон (0...50) оС; ц.д. 0,1 оС; допускаемая погрешность ± 0,2 оС (например, ТЛ-4).
-
- аттестованные (метрологической службой, проводящей поверку) удлиняющие компенсационные провода. Значение ТЭДС скомплектованной пары проводов при температуре рабочего и свободных концов пары, соответственно равной 100 оС и 0 оС, не должно отклоняться от значений соответствующей типу ТП НСХ более чем на ± 0,2 Ддоп, где Ддоп - предел допускаемых отклонений значений ТЭДС ТП от значений НСХ, указанных в ГОСТ, выраженного в милливольтах (для ТХК (L) - 0,036 мВ, для ТХКн (Е) -0,020 мВ, для ТЖК (J) - 0,016 мВ, для ТХА (К) - 0,012 мВ, для ТНН (N) - 0,009 мВ, для ТСС (I) - 0,012 мВ, для ТПП10 (S) - 0,002 мВ, для ТПП13 (R) - 0,002 мВ).
-
4.3.3 При измерении входных сигналов от датчиков с унифицированными сигналами постоянного тока:
-
- источник постоянного тока с диапазоном выходного сигнала от 0 до 20 мА, класс точности не хуже 0,01 (например, калибратор тока П 321, калибратор унифицированных сигналов ИКСУ 2000);
-
- сопротивление 100 Ом, класс точности не хуже 0,05 (например, магазин сопротивлений МСР-63 или катушка электрического сопротивления Р331)
или:
-
- вольтметр, класс точности не более 0,01/0,03 с диапазонами входных сигналов постоянного напряжения от 0 до 10 В (например, универсальные вольтметры В7-46, Щ31);
-
- сопротивление 100 Ом класс точности не хуже 0,05 (например, магазин сопротивлений МСР-63 или катушка электрического сопротивления Р331);
-
- источник постоянного напряжения с максимальным выходным напряжением 10 В, обеспечивающим постоянство напряжения, при котором за время определения основной погрешности прибора на одной отметке изменение тока, выраженное в процентах не должна превышать 1/10 Yп , где где Yп - предел допускаемого значения приведенной основной погрешности поверяемого прибора (например, источник питания постоянного тока Б5-44А, Б5-47, Б5-48, Б5-49).
-
4.3.4 При измерении входных сигналов от датчиков с унифицированными сигналами постоянного напряжения:
-
- источник регулируемого напряжения класс точности не хуже 0,01 (например, калибратор напряжения П 320; компаратор напряжений Р3003; установки В1-12, В1-13,
КУВФ.421445.017МП
Лист
4
Изм.
Лист
№ докум.
Подпись
Дата
В1-28).
-
4.3.5 При определении основной приведенной погрешности сигналов аналоговых выходов (цифроаналоговых преобразователей (ЦАП)) с выходным устройством типа
«параметр - ток»:
- цифровой миллиамперметр класс точности не более 0,005 с диапазонами входных сигналов постоянного тока от 4 до 20 мА (например, калибратор унифицированных сигналов ИКСУ 2000), сопротивление 500 Ом класс точности не хуже 0,05 (например, магазин сопротивлений МСР-63), источник постоянного напряжения с выходным напряжением (24 ± 3) В (например, источник питания постоянного тока Б5-44А, Б5-47, Б5-48, Б5-49)
или:
- цифровой вольтметр класс точности не более 0,05/0,05 с диапазонами входных сигналов постоянного напряжения от 0 до 10 В (например, вольтметр В7-16, Щ302) и сопротивления 500 Ом и 2000 Ом класс точности не хуже 0,05 (например, магазин сопротивлений МСР-63), источник постоянного напряжения с выходным напряжением (24 ± 3) В (например, источник питания постоянного тока Б5-44А, Б5-47, Б5-48, Б5-49).
-
4.3.6 При определении основной приведенной погрешности сигналов аналоговых выходов (цифроаналоговых преобразователей (ЦАП)) с выходным устройством типа «параметр - напряжение»:
- цифровой вольтметр класс точности не более 0,05/0,05 с диапазонами входных сигналов постоянного напряжения от 0 до 10 В (например, вольтметр В7-16, Щ302) и сопротивления 500 Ом класс точности не хуже 0,05 (например, магазин сопротивлений МСР-63), источник постоянного напряжения с выходным напряжением (24 ± 3) В (например, источник питания постоянного тока Б5-44А, Б5-47, Б5-48, Б5-49).
-
4.3.7 При определении основной приведенной погрешности сигналов активного сопротивления:
- магазин сопротивлений (мера сопротивления): диапазон выходных сопротивлений 0,001 Ом - 10 кОм, класс точности не более 0,02 (например, Р4831, МСР-60М, калибратор унифицированных сигналов ИКСУ 2000);
-
4.4 Мегаомметр для измерения сопротивления изоляции с номинальным напряжением 500 В класс точности 1,0 (например, М4100/3).
-
4.5 Персональный компьютер с установленным ПО «CoDeSys» для определения идентификационного наименования программного обеспечения.
-
4.6 Допускается применять другие средства поверки, в том числе
автоматизированные, удовлетворяющие требованиям настоящей методики.
-
4.7 Средства поверки должны быть исправны и поверены в соответствии с ПР50.2.006.
-
5 ТРЕБОВАНИЯ БЕЗОПАСНОСТИ И ТРЕБОВАНИЯ К КВАЛИФИКАЦИИ ПОВЕРИТЕЛЕЙ
-
5.1 При проведении поверки необходимо соблюдать требования ГОСТ 12.3.019 - 92, «Правил технической эксплуатации электроустановок потребителей», «Правил техники безопасности при эксплуатации электроустановок потребителей».
-
5.2 Любые подключения контроллеров производить только при отключенном напряжении питания контроллера.
-
ВНИМАНИЕ! На открытых контактах клеммных колодок контроллера напряжение опасное для жизни - 220 В.
5.3 К работе с контроллерами допускаются лица, изучившие РЭ контроллеров, знающие принцип действия используемых средств измерений и прошедшие инструктаж
КУВФ.421445.017МП |
Лист | |||||
5 | ||||||
Изм. |
Лист |
№ докум. |
Подпись |
Дата |
по технике безопасности (первичный и на рабочем месте) в установленном в организации порядке.
5.4 К поверке допускаются лица, освоившие работу с контроллерами и используемыми эталонами, изучившими настоящую рекомендацию, аттестованных в соответствии с ПР 50.2.012 и имеющих достаточную квалификацию для выбора методики поверки и выбора соответствующих эталонов (пп. 4.3.1...4.3.4 настоящей рекомендации).
6 УСЛОВИЯ ПОВЕРКИ-
6.1 При проведении поверки соблюдают следующие условия:
О
20 ± 5;
30 - 80; 84,0 - 106,7;
220+-1150 ;
50 ± 1. быть защищены от
-
- температура окружающего воздуха, С
-
- относительная влажность окружающего воздуха, %
-
- атмосферное давление, кПа
-
- напряжение питания, В
-
- частота питающей сети, Гц
-
6.2 Средства поверки и поверяемые контроллеры должны вибраций и ударов.
-
7.1 Подготовить к работе поверяемый контроллер в соответствии с указаниями, изложенными в РЭ контроллера.
Контроллеры включают на предварительный прогрев не менее чем за 20 мин. до начала поверки.
К контроллерам, поверяемым по схеме, указанной на рисунке 2, термоэлектродные провода, холодные спаи которых с медными проводами помещены в термостат, подключают не менее чем за 2 ч. до начала измерений.
-
7.2 Подготовить к работе средства поверки в соответствии с распространяющимися на них эксплуатационными документами.
-
7.3 Управление работой контроллера при поверке, задание его программируемых параметров должны производиться в соответствии с указаниями РЭ на контроллер.
-
8 ПРОВЕДЕНИЕ ПОВЕРКИ
Все действия с контроллером (программирование и т.д.), а также подключение первичных преобразователей должны производиться в соответствии с руководством по эксплуатации.
-
8.1 Внешний осмотр
-
8.1.1 При проведении внешнего осмотра должно быть проверено соответствие контроллера следующим требованиям:
-
- контроллер должен быть представлен на поверку с эксплуатационной документацией, входящей в комплект поставки контроллера (паспорт, компакт-диск с программным обеспечением и руководство по эксплуатации).
-
- контроллер должен быть чистым и не иметь механических повреждений на корпусе и лицевой панели;
-
- контроллер не должен иметь механических повреждений входных и выходных клеммных соединителей;
-
- на контроллере должна быть маркировка, соответствующая РЭ.
Изм.
Лист
№ докум.
Подпись
Дата
-
8.1.2 При обнаружении механических дефектов, а также несоответствия маркировки эксплуатационной документации определяется возможность проведения поверки и дальнейшего использования контроллера.
-
8.2 Проверка электрического сопротивления изоляции
8.2.1 Определение электрического сопротивления изоляции токоведущих цепей поверяемого прибора относительно его корпуса производить между контактами для подсоединения сетевого напряжения и корпусом по методике, изложенной в ГОСТ Р 52931, в климатических условиях, приведенных в п. 6.1 настоящей МП.
-
8.2.2 Прибор считают выдержавшим испытание, если измеренное сопротивление изоляции не менее 20 МОм.
-
8.3 Опробование
8.3.1 Приборы устанавливают в нормальное рабочее положение.
-
8.3.2 Перед проведением поверки выполнить следующие действия:
- при выключенном питании подключить контроллер к компьютеру согласно РЭ контроллера;
- включить питание контроллера;
- включить питание компьютера и дождаться загрузки операционной системы;
- загрузить на компьютере среду программирования и установить связь с контроллером.
-
8.3.3 Определение идентификационного наименования программного обеспечения.
Для этого необходимо в окне «Настройки целевой платформы» выбрать модель проверяемого контроллера и затем, действуя по алгоритму, указанному на рисунках 1-7 открыть закладку «Конфигурация ПЛК», где указаны сведения об идентификационном наименовании автономной части программного обеспечения поверяемого контроллера.

Рисунок 1
КУВФ.421445.017МП |
Лист | |||||
7 | ||||||
Изм. |
Лист |
№ докум. |
Подпись |
Дата |

Рисунок 2
КУВФ.421445.017МП |
Лист | |||||
8 | ||||||
Изм. |
Лист |
№ докум. |
Подпись |
Дата |

Изм. |
Лист |
№ докум. |
Подпись |
Дата |

ТЭТфОрМЫ
я Файл Правка Проект Вставка Дополнения Онлайн Окно Справка
а№1 Ш1
|ОНЛАЙН [ЗАМ" (ПРОСМОТР
CoDeSys - (Untitled)* - [Конфигурация ПЛК]
g Конфигурация П.ПК
JL.I эесурсы ф-О Глобс Ф О библк Ф О библк Ф-ЕЗ библ> ФО библр
Версии Проши во i
Передняя панель
■/ Показывать в меню
Настройка шаблона
урация зад<
-урация треЕ
А КОВОМ) !1 tlXG/S). (’Имя ус tpoMcika'JICHANNt ;;))) a WIMI5- I 41\«: 141’1 1р<шмкка’)| : AXN il)|
А’ %ОВО 5 2 STHIXC;- с П::гргм*?а •)(CHANNEL (Q)j
RS 1[F1X]
RS 2T X)
W:-ikliid| IX)
ГцрМн' ii !‘l (>l|
SubMer ulSLOl)
SubMenu(SLOT)
■PLC73
ф—Configuration[FIX]
•-Dlnputs(FIX) -Outputs [FIX] •Ain puts [FIX]
•MR1_Outputs[FIX] ••Additional[FIX] fVersionslFlA
Рисунок 4
Изм. |
Лист |
№ докум. |
Подпись |
Дата |

Изм. |
Лист |
№ докум. |
Подпись |
Дата |

Рисунок 6
КУВФ.421445.017МП |
Лист | |||||
12 | ||||||
Изм. |
Лист |
№ докум. |
Подпись |
Дата |

-PLC73
Значение
*■ Показывать в меню
IаЙ Файл Правка Проект Вставка Дополнения Онлайн Окно Справка
аН|н| csn,M|
Настройка шаблона
(•I
Передняя панель
|ОНЛАЙН: Local. |ЗМУ П | ЗАПУЩЕНО [ТЁГ |ФИКС. |ЗАМ |ПРОСМОТР
CoDeSys - (Untitled}* - [Конфигурация ПЛК]
(±)
F)
Fl-
Версии Проши во г
^Ресурсы
$ ф-ф ф-ф
а кмю.м) ;i iiNcii.'b) ;*и-.--/с1р:йсчч')|- anm ;:j))-iijikz:i АТ % ВС 5 1 3’RI\G(-5| (• Прошивка (CHANNEL (•) - ‘215
А ЖХЮ5Р til ilMG(Jb) О I Ipoip-.VMH’) ANM •<»)-•
RS 1(F1X]
H‘W|I X|
WxHndfFIX)
r.uh,.*ftn.,|fj| ОТ]
Sul»Meiiu|SLOI|
SuMlenufSI ОТ]
I i|urabon|l i*| □
2 n:ut:(FlX] <Xilpnls|l IX) AlnputsflX]
MR! OutpulsinX] Add I on j|- IX] Vers onsF X]
Конфигурация задач
a Конфигурация тревог ffi] Менеджер библиотек
Менеджер просмотра
•- Настройки целевой платформы
Рабочая область
■й Глобальные переменные
О библиотека ANALYZATION.LIB 5.1 ОД
-Й библиотека IECSFC.LIB 13.4.0615:51 •О библиотека SYSLIBTIME.LIB 20.2.06
-Й библиотека SYSTASKINFO.LIB 20.2.1
EQ Бортжурнал__________________

Ж Файл Правка Проект Вставка Дополнения Онлайн Окно Справка
Конфигурация задач
Конфигурация тревог
ftfl Менеджер библиотек
Менеджер просмотра
S» Нагтппйки пр левой ппатФппмы
переменные
библиотека ANALYZATION.LIB 5.10.! библиотека IE OS FC. LI В 13.4.06 15:51 библиотека SYSLIBTIME.LIB 20.2.06 библиотека SYS TASKINFO. LI В 20.2. (
JZj Ресурсы вП Глобальные и-о И-О s-O
.....Бортжурнал
FLC73
В—Configuration[FIX]
ф—Dlnputs[FIX]
E......Outputs [FIX]
E3—Alnputs[FIX]
В......MR1_Outputs[FIX]
E......AdditionalfFIX]
S—Versions[FIX]
|—-AT %QB0 5.0: STRING(16); (* Имя устройства *) [CHANNEL (Q)] = ’ПЛК7
|.........AT%IB0.5.1: STRING(15); (* Прошивка ') [CHANNEL (l)| = '215 11@)
I.........AT %QB0 5.2: STRING(16); (* Программа *) [CHANNEL (Q)] = •
—RS-1 [FIX]
] Конфигурация ПЛК
CoDeSys - (Untitled)* - [Конфигурация ПЛК]
б) Рисунок 7
соответствия
программного обеспечения считается
Результат подтверждения положительным, если полученные идентификационные данные программного обеспечения средства измерений (идентификационное наименование программного
если
данные
Изм. |
Лист |
№ докум. |
Подпись |
Дата |
обеспечения, номер версии (идентификационный номер) программного обеспечения) соответствуют идентификационным данным, указанным в разделе «Метрологические и технические характеристики» описания типа средства измерений.
-
8.3.4 Выбрать в среде программирования вход и тип датчика.
Примечание - настройку входа и типа датчика можно произвести при помощи кнопок на лицевой панели.
-
8.4 Определение основной приведенной погрешности измерения входных величин контроллера
Номинальные статические характеристики преобразования (НСХ)
термопреобразователей сопротивления соответствуют ГОСТ 6651, НСХ термоэлектрических преобразователей соответствуют ГОСТ Р 8.585, источники унифицированных сигналов соответствуют ГОСТ 26.011.
При первичной поверке контроллеров значения основной приведенной погрешности определяют для следующих типов датчиков:
-
- термометр сопротивления 100 П (а=0,00391 °С-1);
-
- термоэлектрический преобразователь ТХА(К);
-
- любой унифицированный сигнал постоянного тока;
-
- любой унифицированный сигнал постоянного напряжения;
-
- любой сигнал активного сопротивления.
Поверка производится в точках 0, 50 и 100 % диапазона измерений на одном (любом) входе.
При периодической поверке основную приведенную погрешность определяют в точках, соответствующих 0, 25, 50, 75, 100 % диапазона измерений.
В случае, когда контроллер работает только с заданным пользователем типом первичного преобразователя, допускается определять погрешность контроллера в указанных контрольных точках при работе только с заданным преобразователем, при этом в свидетельстве о поверке указываются тип первичного преобразователя и диапазон измерений.
В случае, когда комплектация контроллера первичными преобразователями (датчиками) в процессе эксплуатации не известна, либо может изменяться, поверка производится по методике первичной поверки.
-
8.4.1 Определение основной приведенной погрешности контроллера при измерении входных сигналов от термометров сопротивления.
Собрать схему по рисунку 8.

Рисунок 8
Подключение меры сопротивления производить по трехпроводной схеме согласно РЭ, при этом сопротивления соединительных проводов должны быть равны и не должны превышать 15 Ом.
Установить в среде программирования вход (любой) и выбрать тип датчика -термометр сопротивления и его НСХ.
КУВФ.421445.017МП |
Лист | |||||
14 | ||||||
Изм. |
Лист |
№ докум. |
Подпись |
Дата |
Последовательно устанавливая на мере сопротивлений сопротивления, соответствующие контрольным точкам, зафиксировать по установившимся показаниям измеренную контроллером температуру для каждой из контрольных точек.
Рассчитать для каждой проверенной контрольной точки основную приведенную погрешность измерения входных сигналов при работе с термометрами сопротивления по формуле 1:

(1)
где Yi - значение основной приведенной погрешности контроллера, %;
Аизм - значение измеряемой контроллером величины в заданной контрольной точке (оС, мА, мВ, В, Ом);
АНСХ - значение измеряемой контроллером величины в заданной контрольной точке по НСХ первичного преобразователя (оС, мА, мВ, В, Ом);
Анорм - нормирующее значение, равное разности между верхней и нижней границей диапазона измерения (контрольные точки 100 % и 0 %) (оС, мА, мВ, В, Ом).
Контроллер признается годным, если наибольшее из рассчитанных значений основной приведенной погрешности не превышает значения допускаемой основной приведенной погрешности Yn .
-
8.4.2 Определение основной приведенной погрешности контроллера при измерении входных сигналов от термоэлектрических преобразователей.
Собрать схему по рисунку 9.

Рисунок 9
К входу поверяемого контроллера подключают термоэлектродные (компенсационные) провода, НСХ которых, соответствуют НСХ преобразования термопары. Концы проводов соединяют с медными проводами и спаи их помещают в термостат со стабильной температурой, измеряемой термометром для введения поправки по ТЭДС на температуру термостата.
Тип компенсационных проводов должен соответствовать типу термоэлектрического преобразователя, по НСХ которого будет проводиться поверка.
Температуру свободных концов контролировать с помощью эталонного термометра для введения поправки на температуру свободных концов (при температуре, отличающейся от 0 оС более чем на 0,1 оС).
Подать питание на контроллер и установить его связь со средой программирования на ПК.
Изм. |
Лист |
№ докум. |
Подпись |
Дата |
Установить в среде программирования вход и выбрать тип датчика -термоэлектрический преобразователь и его НСХ.
Последовательно устанавливая на мере напряжения напряжения, соответствующие контрольным точкам, зафиксировать по установившимся показаниям измеренную контроллером температуру для каждой из контрольных точек.
Рассчитать для каждой проверенной контрольной точки основную приведенную погрешность измерения входных сигналов при работе с термоэлектрическими преобразователями по формуле 2:
2^2^^11x100%
и z л
л j-TO-RM , (2)
где Y2 - основная приведённая погрешность прибора в контрольной точке, % ;
Аизм - измеренное контроллером значение температуры в заданной контрольной о
точке, С;
АНСХ - значение температуры в заданной контрольной точке по НСХ термопреобразователя, оС;
Анорм - нормирующее значение, равное разности максимальной и минимальной
о температур диапазона измеряемых температур контроллером, С;
е - поправка на температуру свободных концов холодных спаев компенсационных о
проводов, находящихся в термостате, С.
Контроллер признается годным, если наибольшее из рассчитанных значений основной приведенной погрешности не превышает Yn .
-
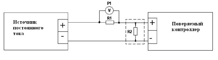
8.4.3 Определение основной приведенной погрешности контроллера при работе с унифицированным сигналом постоянного тока.
Собрать схему по рисунку 10.

а)

б)
Рисунок 10
а) при использовании в качестве эталона калибратора постоянного тока.
б) при использовании в качестве эталона источника питания и универсального вольтметра.
Изм. |
Лист |
№ докум. |
Подпись |
Дата |
R1 - сопротивление 100 Ом (магазин сопротивлений или катушка электрического сопротивления Р331);
R2 - внешний нагрузочный резистор (в зависимости от типа поверяемого прибора необходимость данного сопротивления необходимо проверить по РЭ на поверяемый прибор), с характеристиками не хуже указанных в РЭ на поверяемый прибор;
Р1 - вольтметр универсальный цифровой.
Подать питание на контроллер и установить его связь со средой программирования на ПК.
С помощью среды программирования настроить аналоговые входы контроллера для работы с входными сигналами постоянного тока.
Задать нижний предел показаний аналоговых входов равным нижней границе диапазона измеряемого сигнала и задать верхний предел показаний аналоговых входов равным верхней границе диапазона измеряемого сигнала.
При определении погрешности по схеме рисунок 2а) к входу поверяемого канала контроллера вместо первичного преобразователя подключить калибратор тока.
Последовательно устанавливая на выходе калибратора токи, соответствующие значениям входного сигнала в контрольных точках, зафиксировать установившиеся значения для каждой из этих точек. 7
При определении погрешности по схеме рисунок 2б) на источнике постоянного напряжения увеличивают напряжение до достижения на поверяемом контроллере значения входного сигнала равного значениям входного сигнала в контрольных точках.
Входной ток определяют измерением падения напряжения на сопротивлении R1 при помощи цифрового вольтметра и рассчитывают по формуле 3:
_ U 1_Е-, (3)
где I - значение входного тока, мА;
U - напряжение по показаниям цифрового вольтметра, мВ;
R - сопротивление меры электрического сопротивления R1, Ом.
Рассчитать основную приведенную погрешность по формуле 1.
Контроллер признается годным, если наибольшее из рассчитанных значений основной приведенной погрешности не превышает Yn .
-
8.4.4 Определение основной приведенной погрешности контроллера при работе с унифицированным сигналом постоянного напряжения.
Собрать схему по рисунку 11.

Рисунок 11
С помощью среды программирования настроить аналоговые входы контроллера для работы с входными сигналами постоянного напряжения.
Задать нижний предел показаний аналоговых входов равным нижней границе диапазона измеряемого сигнала и задать верхний предел показаний аналоговых входов равным верхней границе диапазона измеряемого сигнала.
КУВФ.421445.017МП |
Лист | |||||
17 | ||||||
Изм. |
Лист |
№ докум. |
Подпись |
Дата |
Последовательно устанавливая на выходе источника постоянного напряжения напряжения, соответствующие значениям входного сигнала в контрольных точках, зафиксировать установившиеся значения для каждой из этих точек;
Рассчитать основную приведенную погрешность по формуле 1.
Контроллер признается годным, если наибольшее из рассчитанных значений основной приведенной погрешности не превышает Yn .
-
8.4.5 Определение основной приведенной погрешности контроллера при работе с входными сигналами активного сопротивления.
Собрать схему по рисунку 12.

Рисунок 12
Подать питание на контроллер и установить его связь со средой программирования на ПК.
С помощью среды программирования настроить аналоговые входы контроллера для работы с входными сигналами активного сопротивления.
Задать нижний предел показаний аналоговых входов равным нижней границе диапазона измеряемого сигнала и задать верхний предел показаний аналоговых входов равным верхней границе диапазона измеряемого сигнала.
Последовательно устанавливая на мере сопротивления сопротивления, соответствующие контрольным точкам, зафиксировать по установившимся показаниям значения измеренного сигнала для каждой из контрольных точек.
Рассчитать для каждой проверенной контрольной точки основную приведенную погрешность измерения по формуле 1.
Контроллер признается годным, если наибольшее из рассчитанных значений основной приведенной погрешности не превышает Yn .
-
8.5 Определение основной приведенной погрешности сигналов аналоговых выходов (цифроаналоговых преобразователей (ЦАП)) контроллера
При первичной поверке контроллеров значения основной приведенной погрешности производится в точках 0, 50 и 100 % диапазона выходного сигнала.
При периодической поверке основную приведенную погрешность определяют в точках, соответствующих 0, 25, 50, 75, 100 % диапазона выходного сигнала.
-
8.5.1 Определение основной приведенной погрешности контроллера с выходным устройством типа «параметр - ток».
Собрать схему по рисунку 13.
КУВФ.421445.017МП |
Лист | |||||
18 | ||||||
Изм. |
Лист |
№ докум. |
Подпись |
Дата |
Поверяемый контроллер
Выход + | |
Выход - |

Источник постоянного напряжения
+24В | |
00 |
а)
Поверяемый контроллер
Выход + | |
Выход - |
Источник постоянного

б)
Рисунок 13
+240 | |
00 |
а) схема подключения контроллеров при использовании в качестве эталона миллиамперметра.
PA1 - миллиамперметр цифровой;
R1 - сопротивление 500 Ом (магазин сопротивлений).
б) схема подключения контроллеров при использовании в качестве эталона универсального вольтметра.
PV1 - вольтметр цифровой;
R1 - сопротивление 500 Ом (магазин сопротивлений).
Подать питание на контроллер и установить его связь со средой программирования на ПК.
Установить в среде программирования выход и выбрать тип выходного сигнала -ток (4.. .20) мА.
Последовательно устанавливая сигналы на выходе (выходную мощность, выраженную в процентах от выходного сигнала), соответствующие контрольным точкам изменения выходного параметра измерить фактическое значение выходного сигнала:
-
- при определении погрешности по схеме рисунок 13а) при помощи
миллиамперметра;
-
- при определении погрешности по схеме рисунок 13б) при помощи цифрового вольтметра, измерением падения напряжения на сопротивлении R1. Выходной ток рассчитывают по формуле 3.
Рассчитать для каждой проверенной контрольной точки основную приведенную погрешность по формуле 4:

(4),
Изм. |
Лист |
№ докум. |
Подпись |
Дата |
где y3 - основная приведенная погрешность выходного сигнала, %;
Аизм - измеренное значение выходного параметра (мА, В);
Ауст - значение параметра, установленное при помощи тестовой программы (мА, В);
Amax и Amin - верхняя и нижняя границы диапазона изменения выходного параметра (мА, В).
Контроллер признается годным, если наибольшее из рассчитанных значений основной приведенной погрешности не превышает ± 0,5 %.
-
8.5.2 Определение основной приведенной погрешности контроллера с выходным устройством типа «параметр - напряжение».
Собрать схему по рисунку 14.
Поверяемый контроллер
Источник постоянного напряжения
Питание + | |
Выход + | |
Выход - |
+24Э | |
DB |

Рисунок 14
PV1 - вольтметр цифровой;
R1 - сопротивление 2000 Ом (магазин сопротивлений).
Подать питание на контроллер и установить его связь со средой программирования на ПК.
Установить в среде программирования выход и выбрать тип выходного сигнала -напряжение (0.. .10) В.
Последовательно устанавливая сигналы на выходе (выходную мощность, выраженную в процентах от выходного сигнала), соответствующие контрольным точкам изменения выходного параметра измерить при помощи вольтметра фактическое значение выходного сигнала.
Рассчитать для каждой проверенной контрольной точки основную приведенную погрешность по формуле 4.
Контроллер признается годным, если наибольшее из рассчитанных значений основной приведенной погрешности не превышает ± 0,5 %.
Изм. |
Лист |
№ докум. |
Подпись |
Дата |
9.1 Результаты поверки оформляются протоколом по форме, установленной метрологической службой, проводящей поверку.
-
9.2 Положительные результаты первичной поверки оформляются записью в паспорте с нанесением оттиска поверительного клейма.
-
9.3 При положительном результате периодической поверки выдается свидетельства о поверке в соответствии с ПР 50.2.006.
-
9.4 При отрицательных результатах поверки прибора к эксплуатации не допускается, свидетельство о предыдущей поверке аннулируется и выдается извещение о непригодности
КУВФ.421445.017МП
Лист
21
Изм.
Лист
№ докум.
Подпись
Дата