Методика поверки «Вольтметр универсальный В7-91» (УШЯИ.411182.046 МП МРБ МП.2594-2016)
РЕСПУБЛИКА БЕЛАРУСЬ
«ОАО «МНИЛИ»

ВОЛЬТМЕТР УНИВЕРСАЛЬНЫЙ В7-91
МЕТОДИКА ПОВЕРКИ
А.4.8 Определение основной погрешности измерения сопротивления постоянному току (4.4.8.1)
Таблица А.4.8
Rk |
Поверяемая точка |
Тип эталонного СИ |
Пределы допускаемой основной погрешности, ± единицы младшего разряда |
Результаты измерений вольтметра | |
В7-91 |
В7-91/1 | ||||
200 Ом |
Р3026 рисунок 5.7 |
Ом |
Ом | ||
001,000 Ом |
21 | ||||
100,000 Ом |
120 | ||||
200,000 Ом |
220 | ||||
2 кОм |
кОм |
кОм | |||
0,10000 кОм |
30 | ||||
1,00000 кОм |
120 | ||||
2,00000 кОм |
220 | ||||
20 кОм |
01,0000 кОм |
30 | |||
10,0000 кОм |
120 | ||||
20,0000 кОм |
220 | ||||
200 кОм |
010,000 кОм |
30 | |||
100,000 кОм |
120 | ||||
200,000 кОм |
Р4002 рисунок 5.7 |
220 | |||
2 МОм |
0,10000 МОм |
МОм |
МОм | ||
30 | |||||
1,00000 МОм |
120 | ||||
2,00000 МОм |
220 | ||||
20 МОм |
01,00000 МОм |
Р4002 рисунок 5.7 |
230 | ||
10,000 МОм |
500 | ||||
20,0000 МОм |
800 |
(соотв., не соотв.)
Результаты поверки..............................................................................
Поверитель
(подпись)
(расшифровка подписи)
Дата поверки
.................................20 г.
(число, месяц, год)
Система обеспечения единства измерений Республики Беларусь ВОЛЬТМЕТР УНИВЕРСАЛЬНЫЙ В7-91
Методика поверки
УШЯИ.411182.046 МП
МРБ МП.2594-2016
Содержание
КАЛ Определение основной погрешности измерения среднего квадратического значения силы переменного тока синусоидальной формы и диапазонов измерений (5.4.7.1)
Таблица КАЛ
1к |
Проверяемая точка |
1к эталонного ей |
Частота |
Пределы допускаемой основной погрешности, ± единицы младшего разряда |
Результаты измерений вольтметра | |
В79Т |
В7-91/1 | |||||
мкА |
мкА | |||||
200 мкА |
010,000 мкА |
0,2 мА |
20 Гц |
230 | ||
1 кГц |
230 | |||||
100,000 мкА |
0,2 мА |
20 Гц |
500 | |||
1 кГц |
500 | |||||
200,.000 мкА |
0,2 мА |
20 Гц |
800 | |||
1 кГц |
800 | |||||
2 мА |
0,10000 мА |
0,2 мА |
20 Гц |
мА |
мА | |
230 | ||||||
1 кГц |
230 | |||||
1,00000 мА |
2 мА |
20 Гц |
500 | |||
1 кГц |
500 | |||||
2,00000 мА |
2 мА |
20 Гц |
800 | |||
1 кГц |
800 | |||||
20 мА - |
01 0000 мА |
2П Гц |
230 | |||
1 кГц |
230 | |||||
Ю,0000мА |
20 мА |
20 Гц |
500 | |||
1 кГц |
500 | |||||
20,0000 мА |
20 мА |
20 Гц |
800 | |||
1 кГц |
800 | |||||
200 мА |
010,000 мА |
20 мА |
20 Гц |
230 | ||
1 кГц |
230 | |||||
100,000 мА |
200 мА |
20 Гц |
500 | |||
1 кГц |
500 | |||||
200,000 мА |
200 мА |
20 Гц |
800 | |||
1 кГц |
800 | |||||
2А |
0,10000 А |
2А |
20 Гц |
А |
А | |
230 | ||||||
1 кГц |
230 | |||||
1,00000 А |
20 Гц |
500 | ||||
1 кГц |
500 | |||||
2,00000 А |
20 Гц |
800 | ||||
1 кГц |
800 | |||||
20 А |
01,0000 А |
20 Гц |
260 |
- | ||
1 кГц |
260 |
- | ||||
10,0000 А |
20 В |
20 Гц |
800 |
- | ||
1 кГц |
800 |
- | ||||
20,0000 А |
20 Гц |
1400 |
- | |||
1 кГц |
1400 |
- |
(соотв., не соотв.)
А.4.6 Определение основной погрешности измерения силы постоянного тока и диапазонов измерений (5.4.6.1)
Таблица А.4.6
1к |
Поверяемая точка |
1к эталонного СИ |
Пределы допускаемой основной погрешности, ± единицы младшего разряда |
Результаты измерений вольтметра | |
В7-91 |
В7-91/1 | ||||
мкА |
мкА | ||||
200 мкА |
001,000 мкА |
0,2 мА |
41 | ||
100,000 мкА |
70 | ||||
200,000 мкА |
100 | ||||
-200,000 мкА |
100 | ||||
2 мА |
0,1000 мА |
2 мА |
мА |
мА | |
43 | |||||
1,00000 мА |
70 | ||||
2,00000 мА |
100 | ||||
-2,00000 мА |
100 | ||||
20 мА |
01,0000 мА |
20 мА |
43 | ||
10,0000 mA |
70 | ||||
20,0000 ма |
100 | ||||
-20,0000 мА |
100 | ||||
200 мА |
010,000 mA |
200 мА |
43 | ||
100,000 mA |
70 | ||||
200,000 мА |
100 | ||||
-200,000 мА |
100 | ||||
2А |
0,10000 А |
А |
А | ||
43 | |||||
1.00000А |
2 А |
70 | |||
2,00000 А |
100 | ||||
-2,00000 А |
100 | ||||
20 А |
61,0000 А |
60 |
- | ||
Ю.ООООА |
Совместо сЯ9-44 |
240 |
- | ||
20,0000 А |
440 |
- | |||
-20,0000 А |
440 |
- |
(соотв., не соотв.)
Вводная частьНастоящая методика поверки (МП) распространяется на вольтметр универсальный В7-91 с модификацией В7-91/1 ТУ BY 100039847.140-2016 (далее по тексту - вольтметр) и устанавливает методику его первичной и последующей поверок.
Вольтметр подлежит первичной поверке при выпуске из производства или после гарантийного ремонта и последующей поверке при эксплуатации и хранении.
Поверка должна проводиться в органах, аккредитованных в данном виде деятельности.
Межповерочный интервал вольтметра - 12 мес.
1 Операции и средства поверки1.1 При проведении поверки должны быть выполнены следующие операции и применены средства поверки с характеристиками, указанными в таблице 1.
Таблица 1.1
Наименование операции |
Номер пункта МП |
Наименование и тип эталонов и вспомогательных средств поверки, их метрологические и основные технические характеристики |
Проведение операции при | |
первичной поверке |
последующей поверке | |||
1 |
2 |
3 |
4 |
5 |
Внешний осмотр |
5.1 |
Да |
Да | |
Проверка электрической прочности изоляции |
5.2 |
Установка высоковольтная измерительная (испытательная) УПУ-21:
до 10000 В;
|
Да |
Да |
Опробование |
5.3 |
- |
Да |
Да |
Определение метрологических характеристик: |
5.4 | |||
★Гигрометр ВИТ-1:
90 %,
★Вольтметруниверсальный В7-65:
| ||||
- определение основной погрешности измерения напряжения постоянного тока |
5.4.1 |
Калибратор универсальный Н4-7 с усилителем напряжения: - воспроизведение напряжения постоянного тока в диапазоне от 10 мкВ до 1000 В; погрешность ± (0,002 - 0,004) %. |
Да |
Да |
Продолжение таблицы 1.1
Наименование операции |
Номер пункта МП |
Наименование и тип эталонов и вспомогательных средств поверки, их метрологические и основные технические характеристики |
Проведение операции при | ||
первичной поверке |
периодической поверке | ||||
1 |
2 |
3 |
4 |
5 | |
- определение основной погрешности измерения напряжения постоянного тока до 6 кВ |
5.4.2 |
Установка высоковольтная измерительная (испытательная) УПУ-21: ■ выходное напряжение постоянного тока до 6 кВ;
Киловольтметр VITREK 4700:
|
Да |
Да | |
- определение основной погрешности измерения |
5.4.3 |
Калибратор универсальный Н4-7 с усилителем напряжения: |
Да |
Да | |
среднего квадратического значения напряжения переменного тока синусоидальной формы |
0,1 мкВ до 700 В, диапазон частот от 0,1 Гц до 100 кГц,
| ||||
- определение основной погрешности измерения среднего квадратического значения напряжения переменного тока несинусоидальной формы |
5.4.4 |
Генератор импульсов точной амплитуды Г5-75:
Частотомер электронно-счетный 43-63:
|
Да |
Да |
А.4.4 Определение основной погрешности измерения среднего квадратического значения напряжения переменного тока несинусоидальной формы (5.4.4.1)
Таблица А.4.4
Поверяемая характеристика |
Результаты измерений вольтметра |
Допускаемые значения | ||
В7-91 |
В7-91 |
В7-91/1 |
В7-91/1 | |
Напряжение Ui, В | ||||
Напряжение U2, В | ||||
Период Т, мкс | ||||
Длительность т, мкс | ||||
Напряжение искз, В | ||||
Разность напряжений U2 - искз, ед.мл.разряда (измеренная) |
2800 |
2800 |
Примечание - искз = Ui’t/TV Т/т - 1
(соотв., не соотв.)
А.4.5 Определение основной погрешности измерения среднего квадратического значения напряжения переменного тока до 3 кВ (5.4.5.1)
Таблица А.4.5
Uk, кВ |
Поверяемая точка, кВ |
Схема соединения |
Частота, Гц |
Пределы допускаемой основной погрешности, ± единицы младшего разряда |
Результаты измерений вольтметра, кВ |
В7-91 | |||||
3 |
00,1000 |
Рисунок 5.3 а) |
50 |
105 | |
01,5000 |
Рисунок 5.3 а) |
50 |
308 | ||
03,0000 |
Рисунок 5.3 б) |
50 |
540 |
(соотв., не соотв.)
А.4.3 Определение основной погрешности измерения среднего квадратического значения напряжения переменного тока синусоидальной формы (5.4.3.1)
Таблица А.4,3
Uk |
Поверяемая точка |
Поддиапазон эталонного СИ, В |
Частота |
Пределы допускаемой основной погрешности, ± единицы младшего разряда |
Результаты измерений вольтметра | |
В7-91 |
В7-91/1 | |||||
200 мВ |
001,000 мВ |
0,2 (рисунок 5.1) |
20 Гц |
мВ |
мВ | |
203 | ||||||
10 кГц |
203 | |||||
100,000 мВ |
20 Гц |
500 | ||||
20 кГц |
600 | |||||
100 кГц |
700 | |||||
200,000 мВ |
20 Гц |
800 | ||||
20 кГц |
1000 | |||||
100 кГц |
1200 | |||||
2В |
0,10000 В |
20 Гц |
В |
В | ||
230 | ||||||
20 кГц |
240 | |||||
100 кГц |
250 | |||||
1,00000 В |
2 (рисунок 5.1) |
20 Гц |
500 | |||
20 кГц |
600 | |||||
100 кГц |
700 | |||||
2,0000 В |
20 Гц |
800 | ||||
20 кГц |
1000 | |||||
100 кГц |
1200 | |||||
20 В |
01,0000 В |
20 Гц |
230 | |||
20 кГц |
240 | |||||
100 кГц |
250 | |||||
10,0000 в |
20 (рисунок 5.1) |
20 Гц |
500 | |||
20 кГц |
600 | |||||
100 кГц |
700 | |||||
20,0000 В |
20 Гц |
800 | ||||
20 кГц |
1000 | |||||
100 кГц |
1200 | |||||
200 В |
010,000 В |
20 Гц |
230 | |||
20 кГц |
240 | |||||
100,000 в |
200 (рисунок 5.2) |
20 Гц |
500 | |||
20 кГц |
600 | |||||
200,000 В |
20 Гц |
800 | ||||
20 кГц |
1000 | |||||
750 В |
0100,00 В |
20 Гц |
115 | |||
1 кГц |
115 | |||||
0700,00В |
700 (рисунок 5.2) |
20 Гц |
355 | |||
1 кГц |
355 |
(соотв., не соотв.)
Продолжение таблицы 1.1
1 |
2 |
3 |
4 |
5 |
- определение основной погрешности измерения среднего квадратического значения напряжения переменного тока до 3 кВ |
5.4.5 |
Установка высоковольтная измерительная (испытательная) УПУ-21:
Киловольтметр VITREK 4700:
|
Да |
Да |
- определение основной погрешности измерения силы постоянного тока |
5.4.6 |
Калибратор универсальный Н4-7 с преобразователем напряжение-ток Я9-44:
|
Да |
Да |
- определение основной погрешности измерения среднего квадратического значения силы переменного тока синусоидальной формы |
5.4.7 |
Калибратор универсальный Н4-7 с преобразователем напряжение-ток Я9-44:
|
Да |
Да |
- определение основной погрешности измерения сопротивления постоянному току |
5.4.8 |
Магазин сопротивления измерительный Р4002:
20 МОм; погрешность ± 0,05 %. Мера электрического сопротивления постоянного тока многозначная Р3026:
|
Да |
Да |
Примечания
|
-
2.1 Поверка вольтметра должна осуществляться непосредственно поверителями, которые подтвердили компетентность данного вида поверочных работ в соответствии с ТКП 8.003-2011.
-
2.2 Поверители должны пройти инструктаж по технике безопасности и иметь группу допуска не ниже III по электробезопасности на право работы с напряжением до 1000 В, группу допуска не ниже IV по электробезопасности на право работы на электроустановках с напряжением выше 1000 В в соответствии с ТКП 181-2009 «Правила технической эксплуатации электроустановок потребителей».
3.1 При проведении поверки вольтметра должны соблюдаться следующие
требования безопасности:
- общие требования безопасности, предусмотренные «Правилами технической эксплуатации электроустановок потребителей», «Правилами техники безопасности при эксплуатации электроустановок» и ГОСТ 12.2.091-2012, ГОСТ IEC 61010-031-2011 (для
щупа высоковольтного 80К-6 фирмы Fluke);
вольтметра и эксплуатационной документации применяемых СИ.
по эксплуатации
-
4.1 При проведении поверки должны соблюдаться следующие условия:
-
- температура окружающего воздуха (20 + 5) “С;
-
- относительная влажность окружающего воздуха от 30 % до 80 %;
-
- атмосферное давление от 84 до 106 кПа (от 630 до 795 мм рт. ст.);
-
- напряжение питающей сети (230 ± 23) В;
-
- частота питающей сети (50 ± 0,5) Гц.
-
4.2 Перед проведением поверки должны быть выполнены следующие подготовительные работы:
-
- вольтметр должен быть выдержан в нормальных условиях применения не менее 3 ч;
-
- СИ должны быть выдержаны в условиях, оговоренных для проведения поверки, и прогреты в соответствии с их эксплуатационными документами.
-
4.3 При подготовке к поверке электрических характеристик должны быть выполнены следующие действия:
-
- вольтметр подготовлен к работе в соответствии с руководством по эксплуатации УШЯИ.411182.046 РЭ, а все СИ - в соответствии с их эксплуатационными документами;
-
- на индикаторе установлен формат индикации 5,5 разрядов.
-
4.4 При проведении поверки следует использовать принадлежности из комплекта поставки вольтметра.
А.4.1 Определение основной погрешности измерения напряжения постоянного тока (5.4.1.1)
Таблица А.4.1
Uk |
Проверяемая точка |
Uk эталонного СИ, В |
Пределы допускаемой основной погрешности, ± единицы младшего разряда |
Результаты измерений вольтметра | |
В7-91 |
В7-91/1 | ||||
200 мВ |
000,010 мВ |
0,2 рисунок 5.1 |
5 |
мВ |
мВ |
100,000 мВ |
2 рисунок 5.1 |
35 | |||
200,000 мВ |
65 | ||||
-200,000 мВ |
65 | ||||
2В |
в |
в | |||
0,10000 В |
7 | ||||
1,00000 В |
34 | ||||
2,00000 В |
64 | ||||
-2,00000 В |
64 | ||||
------------------------J | |||||
20 В |
рисунок 5.1 | ||||
10,0000 В |
20 рисунок 5.1 |
34 | |||
20,0000 В |
64 | ||||
-20,0000 В |
64 | ||||
200 В |
010,000 В |
7 | |||
100,000 В |
200 рисунок 5.1 |
34 | |||
200,000 В |
64 | ||||
-200,000 В |
64 | ||||
1000 В |
0100,00 В |
8 | |||
0500,00 В |
1000 рисунок 5.2 |
20 | |||
1000,00 В |
35 | ||||
-1000,00 В |
35 |
(соотв., не соотв.)
А.4.2 Определение основной погрешности измерения напряжения постоянного тока до 6 кВ (5.4.2.1)
Таблица А.4.2
Uk, кВ |
Поверяемая точка, кВ |
Схема соединения |
Пределы допускаемой основной погрешности, ± единицы младшего разряда |
Результаты измерений вольтметра, кВ |
В7-91 | ||||
6 |
оо,юоо |
рисунок 5.3 а) |
72 | |
оз,оооо |
420 | |||
об.оооо |
рисунок 5.3 б) |
780 |
(соотв., не соотв.)
Приложение А
(обязательное)
Форма протокола поверки
Протокол поверки №...........
вольтметра универсального В7-91, В7-91/1 зав. №........................выпуск 20 г.
Принадлежит:.......................................................................................
(наименование организации)
Наименование организации, проводившей поверку:......... ..............................
Методика поверки..................................................................................
Условия поверки:
-
- температура окружающего воздуха, °C
-
- относительная влажность воздуха, % ......................................................
-
- атмосферное давление, кПа (мм рт. ст.) ...................................................
-
- напряжение питающей сети, В ......................................................
-
- частота питающей сети, Гц
Средства поверки: ......................................................
-
5 Проведение поверки
-
5.1 Внешний осмотр
-
5.1.1 При проведении внешнего осмотра должно быть установлено соответствие вольтметра следующим требованиям;
-
-
-
- наличие руководства по эксплуатации;
-
- соответствие комплектности требованиям руководства по эксплуатации;
-
- наличие четкой маркировки и необходимых надписей на наружных панелях вольтметра;
-
- отсутствие на корпусе, разъемах, гнездах и деталях механических повреждений в виде сколов, царапин, вмятин, трещин;
-
- качество крепления, четкость фиксации и срабатывания всех органов управления;
-
- отсутствие внутри незакрепленных узлов.
Вольтметр, не соответствующий указанным требованиям, не допускается к дальнейшей поверке и направляется в ремонт.
-
5.2 Проверка электрической прочности изоляции
-
5.2.1 Проверку электрической прочности изоляции проводят в нормальных условиях применения по ГОСТ 12.2.091-2012 с помощью установки высоковольтной измерительной (испытательной) УПУ-21 следующим образом:
-
-
- подсоединяют к вольтметру шнур сетевой и устанавливают сетевой переключатель в положение «| »;
-
- подают с выхода установки высоковольтной измерительной (испытательной) УПУ-21 на проверяемую цепь вольтметра испытательное напряжение в соответствии с указанным в таблицей 5.1, начиная со значения максимального рабочего напряжения 253 В, установленного с погрешностью ±10 %;
-
- увеличивают напряжение до испытательного значения равномерно ступенями, не превышающими 10 % значения испытательного напряжения, в течение от 5 до 10 с;
-
- выдерживают изоляцию под полным испытательным напряжением в течение 1 мин и снижают его равномерно ступенями, не превышающими 10 % установленного значения испытательного напряжения, до нуля.
А.1 Внешний осмотр (5.1)
А.2 Электрическая прочность изоляции (5.2)
А.З Опробование (5.3)
(соотв., не соотв.)
(соотв., не соотв.)
(соотв., не соотв.)
Таблица 5.1
Испытываемая изоляция |
Испытательное напряжение (среднее квадратическое значение), В |
Между соединенными вместе цепями сети и корпусом |
1350 |
Между гнездом «U,R» и корпусом |
2200 |
Между соединенными вместе гнездом «0» и корпусом |
1350 |
Результаты проверки электрической прочности изоляции считают удовлетворительными, если во время проверки не произошло пробоя или поверхностного перекрытия изоляции. Появление «короны» или шума не является признаком неудовлетворительных результатов проверки.
<
5.3 Опробование-
5.3.1 Опробование вольтметра проводят в следующей последовательности:
-
- подготавливают вольтметр к работе в соответствии с его руководством по эксплуатации;
-
- включают сетевой переключатель в положение « |». На индикаторном табло появляется сообщение: «В7-91» или «В7-91/1» в зависимости от модели, после чего проходит тестовая проверка работоспособности составных частей вольтметра Затем проходит автокалибровка АЦП. При этом на индикаторном табло появляется сообщение «АВК». После чего на вольтметре устанавливается режим измерения постоянного напряжения на диапазоне 1000 В.
Результаты опробования считают удовлетворительными, если на вольтметре устанавливается режим измерения постоянного напряжения на диапазоне 1000 В.
5.4 Определение метрологических характеристик-
5.4.1 Определение основной погрешности измерения напряжения постоянного тока
-
5.4.1.1 Определение основной погрешности вольтметра при измерении напряжения постоянного тока проводят в следующей последовательности:
-
-
- соединяют приборы по схемам, приведенным на рисунках 5.1 или 5.2 в зависимости от диапазона измерений, используя здесь и далее принадлежности из комплекта поставки вольтметра;
-
- определяют погрешность вольтметра в точках, указанных в таблице 5.2, при этом перед определением погрешности На каждом диапазоне измерения производят установку нулевых показаний вольтметра, для чего устанавливают нулевые показания на выходе калибратора универсального Н4-7 (далее - калибратор) и, после их установления, если показания поверяемого вольтметра больше ±3 единицы младшего разряда, нажимают кнопку НУЛЬ на поверяемом вольтметре.
Таблица 5.8
Rk |
Поверяемая точка |
Тип эталонного СИ |
Пределы допускаемой основной погрешности, ± единицы младшего разряда |
В7-91, В7-91/1 | |||
200 0м |
001,000 Ом |
Р3026 рисунок 5.7 |
21 |
100,000 Ом |
120 | ||
200,000 Ом |
220 | ||
2 кОм |
0,10000 кОм |
30 | |
1,00000 кОм |
120 | ||
2,00000 кОм |
220 | ||
20 кОм |
01,0000 кОм |
30 | |
10,0000 кОм |
120 | ||
20,0000 кОм |
220 | ||
200 кОм |
010,000 кОм |
30 | |
100,000 кОм |
120 | ||
200,000 кОм |
Р4002 рисунок 5.7 |
220 | |
2 МОм |
0,10000 МОм |
30 | |
1,00000 МОм |
120 | ||
2,00000 МОм |
220 | ||
20 МОм |
01,00000 МОм |
Р4002 рисунок 5.7 |
230 |
10,0000 МОм |
500 | ||
20,0000 МОм |
800 |
Результаты определения основной погрешности измерения сопротивления постоянному току считают удовлетворительными, если основная погрешность вольтметра ие превышает значений, указанных в таблице 5.8.
6 Оформление результатов поверки-
6.1 Результаты поверки оформляют протоколом по форме приложения А.
-
6.2 Положительные результаты поверки вольтметра удостоверяют нанесением оттиска поверительиого клейма на задней панели вольтметра, в руководстве по эксплуатации и (или) выдачей свидетельства о поверке установленного образца.
-
6.3 При отрицательных результатах поверки вольтметр бракуется и выдается извещение о непригодности с указанием причин. Прн этом оттиск поверительиого клейма подлежит погашению, а свидетельство о поверке аннулируют.
5.4.8 Определение основной погрешности измерения сопротивления постоянному току
-
5.4.8.1 Определение основной погрешности вольтметра прн измерении сопротивления постоянному току проводят в следующей последовательности:
-
- соединяют приборы по схеме, приведенной на рисунке 5.7;
-
- определяют погрешность вольтметра в точках, указанных в таблице 5.8, прн этом перед определением погрешности на диапазонах с верхними пределами измерений Rk 200 Ом, 2; 20 кОм производят установку нулевых показаний, для чего устанавливают нулевые показания на выходе эталонного СИ н, после их установления, нажимают кнопку НУЛЬ на поверяемом вольтметре.
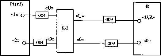
Р1 - Мера электрического сопротивления постоянного тока многозначная Р3026; Р2 - Магазин сопротивления измерительный Р4002;
К-2, 004, 009 - кабель и насадки из комплекта поверяемого вольтметра;
В - поверяемый вольтметр.
Рисунок 5.7 - Схема соединения приборов для определения основной погрешности вольтметра прн измерении сопротивления постоянному току на диапазонах с верхними пределами измерений Rk 200 Ом, 2; 20; 200 кОм, 2; 20 МОм.
Таблица 5.2
Uk |
Поверяемая точка |
Uk эталонного СИ, В |
Пределы допускаемой основной погрешности, + единицы младшего разряда |
В7-91, В7-91/1 | |||
200 мВ |
000,010 мВ |
0,2 рисунок 5.1 |
5 |
100,000 мВ 200,000 мВ -200,000 мВ |
2 рисунок 5.1 |
35 65 65 | |
2В |
0,10000 В 1,00000 В 2,00000 В -2,00000 В |
7 34 64 64 | |
20 В |
01,0000 В 10,0000 в 20,0000 В -20,0000 В |
2 рисунок 5.1 |
7 34 64 64 |
20 рисунок 5.1 | |||
200 В |
010,000 В 100,000 В 200,000 В -200,000 В |
7 34 64 64 | |
200 рисунок 5.1 | |||
1000 В |
0100,00 В 0500,00 В 1000,00 в -1000,00 в |
8 20 35 35 | |
1000 рисунок 5.2 |
Примечание — В таблицах и по тексту Uk (Ik, Rk) - верхнее значение поверяемого диапазона напряжения (тока, сопротивления).

Н4-7 - калибратор универсальный;
В - поверяемый вольтметр;
К-2, 009- кабель и насадки из комплекта поверяемого вольтметра. Примечание - Здесь и далее по тексту:
-
- красная насадка 009 подключается к кабелю К-2 с маркировкой «U»;
-
- черная насадка 009 подключается к кабелю К-2 с маркировкой «О»;
Рисунок 5.1 - Схема соединения приборов для определения погрешности RnnRTMftTpa при измерении напряжения ПОСТОЯННОГО и переменного ТОКОВ НЯ ДИЯГТЯ?ОНЯХ с верхними пределами измерений Uk 200 мВ; 2; 20 В, напряжения постоянного тока на диапазоне с верхним пределом измерения Uk 200 В.

Н4-7 - калибратор универсальный;
У - усилитель напряжения из комплекта калибратора Н4-7;
К-2, 009 - кабель и насадки из комплекта поверяемого вольтметра;
В - поверяемый вольтметр.
Рисунок 5.2 - Схема соединения приборов для определения погрешности вольтметра при измерении напряжения постоянного тока на диапазоне с верхним пределом измерения Uk 1000 В и напряжения переменного тока на диапазонах с верхними пределами измерений Uk 200 и 750 В.
1к |
Проверяемая точка |
1к эталонного СИ |
Частота |
Пределы допускаемой основной погрешности, ± единицы младшего разряда В7-91 | B7-9I/1 | |
200 мА |
010,000 мА |
20 мА |
20 Гц |
230 | |
I кГц |
230 | ||||
100,000 мА |
200 мА |
20 Гц |
500 | ||
1 кГц |
500 | ||||
200,000 мА |
200 мА |
20 Гц |
800 | ||
1 кГц |
800 | ||||
2А |
0,10000 А |
2А |
20 Гц |
230 | |
1 кГц |
230 | ||||
1,00000 А |
20 Гц |
500 | |||
1 кГц |
500 | ||||
2,00000 А |
20 Гц |
800 | |||
1 кГц |
800 | ||||
20 А |
Л1 АААА А vT,VUvtrA | ||||
ZU 1 ц |
260 | ||||
1 кГц |
260 | ||||
10,0000 А |
20 В |
20 Гц |
800 | ||
1 кГц |
800 | ||||
ОА АААА А ZVjVVUV А |
20 Гц |
1400---- | |||
1 кГц |
1400 |
Результаты определения основной погрешности измерения силы переменного тока считают удовлетворительными, если основная погрешность вольтметра не превышает значений, указанных в таблице 5.7.
Результаты определения основной погрешности измерения силы постоянного тока считают удовлетворительными, если основная погрешность вольтметра не превышает значений, указанных в таблицей 5.6.
5.4.7 Определение основной погрешности вольтметра измерения среднего квадратического значения силы переменного тока синусоидальной формы
-
5.4.7.1 Определение основной погрешности вольтметра измерения среднего квадратического значения силы переменного тока синусоидальной формы проводят в следующей последовательности:
-
- соединяют приборы по схемам, приведенным на рисунках 5.5, 5.6 в зависимости от диапазона измерений;
-
- устанавливают на калибраторе режим воспроизведения силы переменного тока в соответствии с таблицей 5.7, поверяемый вольтметр - в режим измерения силы переменного тока;
Таблица 5.7
1к |
Проверяемая точка |
1к эталонного СИ |
Частота |
Пределы допускаемой основной погрешности, ± единицы младшего разряда |
B7-9I, В7-91/1 | ||||
200 мкА |
010,000 мкА |
0,2 мА |
20 Гц |
230 |
1 кГц |
230 | |||
100,000 мкА |
0,2 мА |
20 Гц |
500 | |
1 кГц |
500 | |||
200,000 мкА |
0,2 мА |
20 Гц |
800 | |
1 кГц |
800 | |||
2 мА |
0,10000 мА |
0,2 мА |
20 Гц |
230 |
1 кГц |
230 | |||
1,00000 мА |
2 мА |
20 Гц |
500 | |
1 кГц |
500 | |||
2,00000 мА |
2 мА |
20 Гц |
800 | |
1 кГц |
800 | |||
20 мА |
01,0000 мА |
2 мА |
20 Гц |
230 |
1 кГц |
230 | |||
10,0000 мА |
20 мА |
20 Гц |
500 | |
1 кГц |
500 | |||
20,0000 мА |
20 мА |
20 Гц |
800 | |
1 кГц |
800 |
Результаты определения основной погрешности измерения напряжения постоянного тока считают удовлетворительными, если основная погрешность вольтметра не превышает значений, указанных в таблице 5.2.
5.4.2 Определение основной погрешности измерения напряжения постоянного тока до 6 кВ
-
5.4.2.1 Определение основной погрешности вольтметра В7-91 при измерении напряжения постоянного тока до 6 кВ на диапазоне с верхним пределом измерения Uk 6 кВ проводят в следующей последовательности:
-
- соединяют приборы по схемам, приведенным на рисунках 5.3 а) и 5.3 б);
-
- определяют погрешность вольтметра в точках, указанных в таблице 5.3.
Н4-7 - калибратор универсальный;
В - поверяемый вольтметр;
Fluke 80К-6, GND - щуп высоковольтный из комплекта поверяемого вольтметра.
Рисунок 5.3 а) - Схема соединения приборов для определения погрешности вольтметра В7-91 в комплекте со щупом высоковольтным 80К-6 фирмы Fluke при измерении напряжений постоянного и переменного тока на диапазоне с верхним пределом измерения Uk 6 кВ в точке 00,1000 кВ

УПУ-21 - установка высоковольтная (испытательная);
КВ - киловольтметр VITREK 4700;
Fluke 80К.-6, GND - щуп высоковольтный из комплекта поверяемого вольтметра; В - поверяемый вольтметр.
Рисунок 5.3 б) - Схема соединения приборов для определения погрешности вольтметра В7-91 в комплекте со щупом высоковольтным 80К-6 фирмы Fluke при ___________измерении напряжений постоянного тока на диапазоне с верхним пределом измерения Uk 6 кВ в точках 03,0000 кВ; 06,0000 кВ и переменного тока на диапазоне с верхним пределом измерения Uk 3 кВ в точке 03,0000 кВ.
Таблица 5.3
Uk, кВ |
Поверяемая точка, кВ |
Схема соединения |
Пределы допускаемой основной погрешности, ± единицы младшего разряда |
В7-91 | |||
6 |
00,1000 |
рисунок 5.3 а) |
72 |
03,0000 |
420 | ||
06,0000 |
рисунок 5.3 б) |
780 |
Результаты определения основной погрешности измерения напряжения постоянного тока положительной и отрицательной полярностей до 6 кВ на диапазоне с верхним пределом измерения Uk 6 кВ считают удовлетворительными, если основная погрешность вольтметра В7-91 не превышает значений, указанных в таблице 5.3.
-
5.4.3 Определение основной погрешности измерения среднего квадратического значения напряжения переменного тока синусоидальной формы
-
5.4.3.1 Определение основной погрешности вольтметра при измерении среднего квадратического значения напряжения переменного тока синусоидальной формы проводят в следующей последовательности:
- соединяют приборы по схеме, приведенной на рисунке 5.1 или 5.2, в зависимости от диапазона измерений;

Н4-7 - калибратор универсальный;
Я9-44 - преобразователь напряжение-ток из комплекта калибратора Н4-7;
К, 009 - кабели измерительные и насадки из комплекта поверяемого вольтметра; В - поверяемый вольтметр.
Рисунок 5.6 - Схема соединения приборов для определения основной погрешности вольтметра В7-91 при измерении силы постоянного тока и среднего квадратического значения силы переменного тока на диапазоне с верхним пределом измерения 1к 20 А.
Таблица 5.6
1к |
Поверяемая точка |
1к эталонного СИ |
Пределы допускаемой основной погрешности, + единицы младшего разряда | |
В7-91 П В7-91/1 | ||||
200 мкА |
001,000 мкА |
0,2 мА |
41--- | |
100,000 мкА |
70 | |||
200,000 мкА |
100 | |||
-200,000 мкА |
100 | |||
2 мА |
0,10000 мА |
43 | ||
1,00000 мА |
2 мА |
70 | ||
2,00000 мА |
100 | |||
-2,00000 мА |
100 | |||
20 мА |
01,0 000 мА |
43 | ||
10,0000 мА |
20 мА |
70 | ||
20,0000 ма |
100 | |||
-20,0000 мА |
100 | |||
200 мА |
010,000 мА |
43 | ||
100,000 мА |
200 мА |
70 | ||
200,000 мА |
100 | |||
-200,000 мА |
100 | |||
2А |
0,10000 А |
43 | ||
1,00000 А |
2 А |
70 | ||
2,00000 А |
100 | |||
-2,00000 А |
100 | |||
20 А |
01,0000 А |
60 |
- | |
10,0000 А |
Совместо СЯ9-44 |
240 |
- | |
20,0000 А |
440 |
- | ||
-20,0000 А |
440 |
- |
Результаты определения основной погрешности вольтметра В7-91 при измерении среднего квадратического значения напряжения переменного тока до 3 кВ на диапазоне с верхним пределом измерения Uk 3 кВ на частоте 50 Гц считают удовлетворительными, если основная погрешность вольтметра не превышает значений, указанных в таблице 5.5.
5.4.6 Определение основной погрешности вольтметра при измерении силы постоянного тока
-
5.4.6.1 Определение основной погрешности вольтметра при измерении силы постоянного тока проводят в следующей последовательности:
соединяют приборы по схемам, приведенным на рисунках 5.5, 5.6 в зависимости от диапазона измерений;
-
- устанавливают на калибраторе режим воспроизведения силы постоянного тока в соответствии с таблицей 5.6, поверяемый вольтметр - в режим измерения силы постоянного тока;
-
- устанавливают значения тока на выходе калибратора в соответствии с таблицей 5.6 н фиксируют показания вольтметра.
Н4-7 - калибратор универсальный (при измерении силы переменного тока перемычки калибратора Н4-7 «Lo» «1-V», «I-G» и перемычка «Hi» «I-V» должны быть удалены);
К-2, 009 - кабель и насадки нз комплекта поверяемого вольтметра;
В - поверяемый вольтметр.
Рисунок 5.5 - Схема соединения приборов для определения погрешности вольтметра при измерении силы постоянного тока и среднего квадратического значения силы переменного тока на диапазонах с верхними пределами измерений 1к 200 мкА; 2; 20; 200 мА; 2 А
• определяют погрешность вольтметра в точках н на частотах, указанных в таблице 5.4, Отсчет показаний поверяемого вольтметра производят noc$ie устанЛления параметров входного сигнала.
Таблица 5.4
Uk |
Поверяемая точка |
Поддиапазон эталонного СИ, В |
Частота |
Пределы допускаемой основной погрешности, ± единицы младшего разряда |
В7-91, В7-91/1 | ||||
200 мВ |
001,000 мВ |
0,2 (рисунок 5.1) |
20 Гц |
203 |
10 кГц |
203 | |||
100,000 мВ |
20 Гц |
500 | ||
20 кГц |
600 | |||
100 кГц |
700 | |||
200,000 мВ |
20 Гц |
800 | ||
20 кГц |
1000 | |||
100 кГц |
1200 | |||
2В |
0,10000 В |
20 Гц |
230 | |
20 кГц |
240 | |||
100 кГц |
250 | |||
1,00000 В |
2 (рисунок 5.1) |
20 Гц |
500 | |
20 кГц |
600 | |||
100 кГц |
700 | |||
2,0000 В |
20 Гц |
800 | ||
20 кГц |
1000 | |||
100 кГц |
1200 | |||
20 В |
01,0000 В |
20 Гц |
230 | |
20 кГц |
240 | |||
100 кГц |
250 | |||
10,0000 в |
20 (рисунок 5.1) |
20 Гц |
500 | |
20 кГц |
600 | |||
100 кГц |
700 | |||
20,0000 В |
20 Гц |
800 | ||
20 кГц |
1000 | |||
100 кГц |
1200 | |||
200 В |
010,000 в |
20 Гц |
230 | |
20 кГц |
240 | |||
100,000 в |
200 (рисунок 5.2) |
20 Гц |
500 | |
20 кГц |
600 | |||
200,000 В |
20 Гц |
800 | ||
20 кГц |
1000 | |||
750 В |
0100,00 в |
20 Гц |
115 | |
1 кГц |
115 | |||
0700,00 В |
700 (рисунок 5.2) |
20 Гц |
355 | |
1 кГц |
355 |
Результаты определения основной погрешности измерения напряжения переменного тока синусоидальной формы считают удовлетворительными, если основная погрешность вольтметра не превышает значений, указанных в таблице 5.4.
-
5.4.4 ЦпруЗеление основной погрешности измерения среднего квадратического значения напряжения переменного тока несинусоидальной формы
5.4.4.1 Определение основной погрешности вольтметра при измерении среднего квадратического значения напряжения переменного тока несинусоидальной формы с коэффициентом амплитуды Ка < 3 проводят в следующей последовательности:
- соединяют приборы по схеме, приведенной на рисунке 5.4;

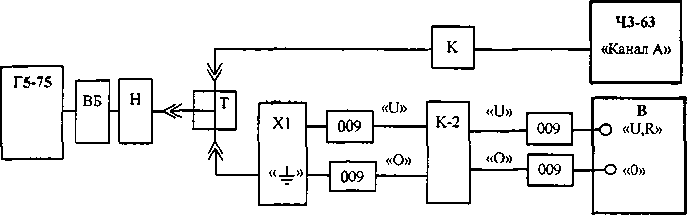
Г5-75 - генератор импульсов точной амплитуды;
ВБ - выносной блок к генератору Г5-75;
Н - нагрузка 50 Ом нз комплекта генератора Г5-75;
Т - переход СР-50-95Ф ВР0.364.013 ТУ;
XI - низкочастотный тройник нз комплекта генератора Г5-75;
К - кабель 4.950.192-06 нз комплекта генератора Г5-75;
“Ч?-63 -частотомер электронно-счетный;
К-2, 009 - кабель и насадки нз комплекта поверяемого вольтметра; В - поверяемый вольтметр.
Рисунок 5.4 - Схема соединения приборов для определения основной погрешности вольтметра прн измерении напряжения переменного тока несинусоидальной формы.
-
- устанавливают на вольтметре режим измерения напряжения постоянного тока на диапазоне с верхним пределом измерения Uk 20 В;
-
- устанавливают на генераторе импульсов точной амплитуды Г5-75 (далее -генератор Г5-75) режим постоянного тока, полярность положительная, для чего:
-
1) нажимают кнопку ПОЛЕ и наблюдают включение светодиода над этой
-
3) нажимают кнопку «----» и наблюдают включение светодиода «
-
4) нажимают кнопку « Т2 »;
-
5) нажимают кнопку ПОЛЕ и наблюдают включение светодиода под этой кнопкой;
-
6) устанавливают при помощи кнопок « 1 » - « 9 » генератора Г5-75 напряжение (6 ±0,04) В и контролируют значение напряжения на информационном табло вольтметра. Записывают показание Ui вольтметра;
-
- устанавливают на генераторе Г5-75 режим импульсного тока, для чего нажимают кнопку ПОЛЕ н наблюдают включение светодиода над этой кнопкой, после чего нажимают кнопку СБРОС;
-
- устанавливают на табло генератора Г5-75 клавиатурой периодическую последовательность импульсов с периодом следования 10000 мкс, длительностью 1000 мкс, что соответствует коэффициенту амплитуды напряжения без постоянной составляющей Ка = 3;
-
- устанавливают на вольтметре режим измерения напряжения переменного тока на диапазоне с верхним пределом измерения Uk 2 В;
-
- измеряют частотомером электронно-счетным 43-63 период Т и длительность т импульсов, для чего устанавливают иа частотомере переключатель МЕТКИ ВРЕМЕНИ в положение «10’7», переключатель ВРЕМЯ СЧЕТА - в положение «10’*», записывают показания частотомера;
-
- отсоединяют частотомер и записывают показание U2 проверяемого вольтметра, оно должно быть (1,8 ±0,04) В;
-
- определяют среднее квадратическое значение переменной составляющей напряжения искз, В, на входе вольтметра по формуле
искз = U|-TfN Т/т -1 ,
(1)
где Ui - показание вольтметра, В; т - длительность импульсов, мкс; Т - период, мкс.
Результаты определения основной относительной погрешности при измерении напряжения переменного тока несинусоидальной формы считают удовлетворительными, если основная относительная погрешность вольтметров не превышает ±1,5 % пределов допускаемой основной погрешности вольтметров прн измерении среднего квадратического значения напряжения переменного тока синусоидальной—фирмьт (показание вольтметров U2 отличается от рассчитанного по формуле (1) значения искз не более, чем на 2800 единиц младшего разряда (2240 единиц младшего разряда с учетом производственного запаса).
-
5.4.5 Определение основной погрешности измерения среднего квадратического значения напряжения переменного тока до 3 кВ
-
5.4.5.1 Определение основной погрешности вольтметра В7-91 при измерении среднего квадратического значения напряжения переменного тока до 3 кВ на диапазоне с верхним пределом измерения Uk 3 кВ на частоте 50 Гц проводят в следующей последовательности:
-
- соединяют приборы по схемам, приведенным на рисунках 5.3 а) н 5.3 б);
-
- определяют погрешность вольтметра В7-91 в точках, указанных в таблице 5.5.
Таблица 5.5
Uk, кВ |
Поверяемая точка, кВ |
Схема соединения |
Частота, Гц |
Пределы допускаемой основной погрешности, ± единицы младшего разряда |
В7-91 | ||||
3 |
00,1000 |
Рисунок 5.3 а) |
50 |
105 |
01,5000 |
Рисунок 5.3 а) |
50 |
308 | |
03,0000 |
Рисунок 5.3 б) |
50 |
540 |
15