Руководство по эксплуатации «СИСТЕМЫ АВТОМАТИЗИРОВАННЫЕ ИЗМЕРИТЕЛЬНЫЕ ТЕСТ-7007» (ФТКС.411713.369РЭ)

СОГЛАСОВАНО

13 «Методика
директор
заков М.С.
20
УТВЕРЖДАЮ
Генеральный директор
ООО Фирма «ИНФОРМТЕСТ»

И не. №подл. Подл, и дата Взам. ине. Ns Ине. №дубл. Подл, и дата
о см о см об о
о


ГГ\ГТ Ъ 4Г\А
СИСТЕМЫ АВТОМАТИЗИРОВАННЫЕ ИЗМЕРИТЕЛЬНЫЕ ТЕСТ-7007
Руководство по эксплуатации
ФТКС.411713.369РЭ
2021
^ППИППбДП

Фолмат А4


Содержание


«о
9 Меры безопасности при эксплуатации изделия
27
<в
Е со СО

11 Подготовка к работе
31

12 Порядок работы ..................................................
-
12.1 Состав обслуживающего персонала ...............................
-
12.2 Общие положения ...............................................
-
12.3 Проверка работоспособности изделия ............................
-
12.4 Реализация функций ............................................
33
33
-
33
-
34
-
35

13 Методика поверки . .
-
13.1 Общие требования
-
13.2 Операции поверки


36
36
36

3 |
Изм |
ФТКС. 14-2021 | ||
2 |
Все |
ФТКС.5-2021 | ||
Изм. |
Лист |
№ докум. |
Подп. |
Дата |
Разраб. |
Донцова | |||
Пров. |
Смирнов | |||
H. контр. |
Стороженко | |||
Утв. |
Стороженко |

ФТКС.411713.369РЭ
Лист
Листов
Руководство по эксплуатации
Система автоматизированная измерительная ТЕСТ-7007

-
13.3
-
13.4
-
13.5
-
13.6
Требования к условиям проведения поверки...................... Требования к специалистам, осуществляющим поверку............. Метрологические и технические требования к средствам измерений Требования (условия) по обеспечению безопасности проведения
-
37
-
38
38
поверки ............................................................
-
13.7 Внешний осмотр ................................................
-
13.8 Подготовка к поверке и опробование средства измерений .........
-
13.9 Проверка программного обеспечения средства измерений ..........
-
13.10 Определение метрологических характеристик средства измерения .
-
13.11 Подтверждение соответствия средства измерений метрологическим
требованиям ........................................................
-
13.12 Оформление результатов поверки ...............................
41
41
41
44
44
-
47
-
48
14 Возможные неисправности и способы их устранения
49
15 Техническое обслуживание..................................
-
15.1 Виды и периодичность технического обслуживания ..........
-
15.2 Порядок технического обслуживания .......................
-
15.3 Технологические карты операций технического обслуживания
51
51
-
51
-
52
16 Хранение
56
17 Транспортирование
57
Приложение А (справочное)
Перечень сокращений и обозначений
58
Приложение Б (справочное) модулей/мезонинов изделия
Логические номера крейтов и координаты
59
Инв. № подл. Подп. и дата Взам. инв. Ns Инв. Ns дубл. Подл, дата
о
О C\j об о о
со
00 о> <о
Приложение
Приложение
Приложение
Приложение
Приложение
Приложение
Приложение
Приложение
Приложение
(обязательное)
(обязательное)
(обязательное)
(обязательное)
(обязательное)
IP-адреса устройств
Инструкция по сборке
Порядок включения и выключения изделия .
Порядок установки программ
Схемы рабочих мест
Проведение входного контроля
Порядок замены неисправного модуля
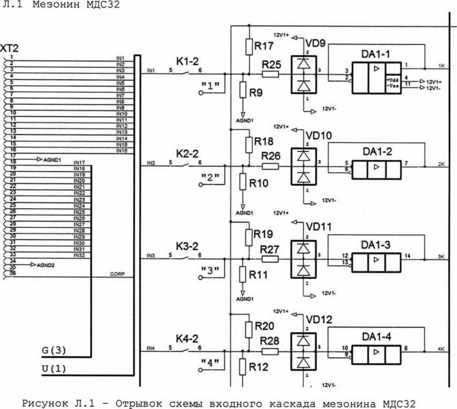
(справочное) Схемы входных каскадов мезонинов изделия .
(справочное) Алгоритм проверки модулей и мезонинов . . . .
Изм. |
Лист |
Ns докум. |
Подп. |
Дата |
ФТКС.411713.369РЭ
61
62
65
66
68
71
73
75
84
Лист

Настоящее руководство по эксплуатации предназначено для изучения системы автоматизированной измерительной ТЕСТ-7007 (далее по тексту -изделие), а также правил ее эксплуатации.
Руководство по эксплуатации является обязательным руководящим документом для лиц, эксплуатирующих изделие.
При изучении и эксплуатации изделия следует дополнительно руководствоваться документами, перечисленными в документе ФТКС.411713.369ВЭ Система автоматизированная измерительная ТЕСТ-7007 Ведомость эксплуатационных документов.
Перечень принятых сокращений и обозначений приведен в приложении А.
Инв. № подл. Подп. и дата Взам. инв. № Инв. № дубл. Подл, и дата

Изм. |
Лист |
Ns докум. |
Подп. |
Дата |
ФТКС.411713.369РЭ
Лист

1 Назначение
-
1.1 Изделие является имитатором бортового комплекса управления и предназначено для использования в составе КПА БСК при проведении проверок БСК.
-
1.2 Изделие обеспечивает:
-
- выдачу на ОК управляющих воздействий;
-
- прием и обработку параметров с ОК;
-
- обеспечение информационного обмена по каналу МКО
(ГОСТ Р 52070-2003);
-
- отображение и документирование результатов обработки;
-
- протоколирование выдачи управляющих воздействий, контролируемых параметров и действий оператора.
Инв. № подл. Подл, и дата | Взам. инв. № Инв. № дубл. Подл, и дата

со
Изм. |
Лист |
Na докум. |
Подп. |
Дата |
ФТКС.411713.369РЭ
Лист
2 Технические данные
2.1 Общие сведения об изделии
Инв. № подл. Подл, и дата | Взам. инв. № Инв. № дубл. Подп. и дата

-
2.1.1 Изделие соответствует требованиям ФТКС.411713.369ТУ и комплекту конструкторской документации ФТКС.411713.369.
-
2.1.2 Изделие разработано на базе унифицированных устройств открытых стандартов VXI, LXI и стандартных технических устройств в целях обеспечения возможности построения автоматизированных комплексов по принципу открытых магистрально-модульных систем по технологии plug&play.
-
2.1.3 Изделие обеспечивает:
-
- электрический интерфейс с ОК, выдачу управляющих воздействий и контроль электрических параметров ОК;
-
- управление оборудованием из состава изделия в процессе испытаний ОК при использовании прикладного ПО.
-
2.1.4 Габаритные размеры изделия не более:
-
- высота - 1768 мм;
-
- ширина - 600 мм;
-
- глубина - 793 мм.
-
2.1.5 Масса изделия - не более 300 кг.
-
2.1.6 Мощность, потребляемая изделием от сети питания, не более 700 ВА.
-
2.1.7 Система электропитания изделия обеспечивает его функционирование при питании от промышленной однофазной сети переменного тока напряжением (220 ± 22) В, частотой (50 ± 1) Гц.
-
2.1.8 Изделие обеспечивает непрерывный режим работы в течение 600 ч с последующим перерывом не менее 1 ч.
-
2.1.9 Среднее время восстановления работоспособности изделия при единичном отказе при использовании комплекта ЗИП-0 (без учета времени транспортирования ЗИП-0 от места хранения до места эксплуатации изделия) - не более 1 ч.
-
2.1.10 Время подготовки изделия к работе не более 30 мин, в том числе включение стойки СЭ246 и блока БЭ312, источника питания ИП-400, прогрев аппаратуры, загрузка исполняемой программы не более 20 мин.
-
2.1.11 Электрическое сопротивление цепи защитного заземления стойки СЭ246 - не более 0,1 Ом.


Изм. |
Лист |
№ докум. |
Подп. |
Дата |
ФТКС.411713.369РЭ
Лист
2.1.12 Электрическая прочность изоляции между цепями сетевого питания и корпусом стойки СЭ246 - не менее 1500 В.
-
2.1.13 Сопротивление изоляции между цепями сетевого питания и корпусом стойки СЭ246 - не менее 20 МОм.
-
2.1.14 Электробезопасность изделия соответствует классу I по ГОСТ 12.2.007.0-75.
2.2 Основные функции, реализуемые изделием

Инв. № подл. Подп. и дата | Взам. инв. № | Инв. № дубл. | Подл, и дата

-
2.2.1 Изделие обеспечивает проверку работоспособности модулей/мезонинов, входящих в состав изделия, в режиме «ОК подключен» с помощью программы проверки модулей (далее - ППМ) (см. ФТКС.52101-01 34 01 Система автоматизированная измерительная ТЕСТ-7007 Система проверки функций Руководство оператора).
-
2.2.2 Изделие обеспечивает проверку целостности входных/выходных линий и работоспособности модулей/мезонинов, входящих в состав изделия, в режиме «ОК отключен» с помощью ППМ (см. ФТКС.52101-01 34 01 Система автоматизированная измерительная ТЕСТ-7007 Система проверки функций Руководство оператора).
-
2.2.3 Изделие осуществляет управляемую по времени коммутацию двух входных линий на любую из 30 выходных линий в каждом мезонине.
Функция реализуется мезонинами МФТК1Э ФТКС.468266.039-01.
Технические характеристики мезонинов МФТК1Э приведены в документе ФТКС.468266.039РЭ МФТКЭ Руководство по эксплуатации.
-
2.2.4 Изделие обеспечивает измерение сопротивления постоянному току по четырехпроводной схеме измерений.
Функция реализуется мезонинами измерителями сопротивления постоянному току МТ16-4Л-01 ФТКС.468266.026-01.
Технические характеристики измерителей сопротивления постоянному току МТ16-4Л-01 приведены в документе ФТКС.468266.026РЭ Измеритель сопротивления постоянному току МТ16-4Л Руководство по эксплуатации.
-
2.2.5 Изделие обеспечивает контроль дискретных сигналов.
Функция реализуется модулем РДС ФТКС.468260.081.
Технические характеристики модуля РДС приведены в документе
ФТКС.468260.081РЭ Модуль РДС Руководство по эксплуатации.
Изм. |
Лист |
№ докум. |
Подп. |
Дата |
ФТКС.411713.369РЭ
Лист
-
2.2.6 Изделие определяет состояние следующих типов дискретных датчиков:
-
- незапитанный релейный контакт;
-
- незапитанный/запитанный электронный ключ.
Функция реализуется мезонином МДС32 ФТКС.468266.009.
Технические характеристики мезонина МДС32 приведены в документе ФТКС.468266.009РЭ МДС32 Руководство по эксплуатации.
-
2.2.7 Изделие обеспечивает измерение напряжения постоянного тока по шести гальванически развязанным каналам.
Функция реализуется мезонином измерителем мгновенных значений напряжения МН6И-150В ФТКС.468266.035.
Технические характеристики измерителя мгновенных значений напряжения МН6И-150В приведены в документе ФТКС.468266.035РЭ Измеритель мгновенных значений напряжения МН6И-150В Руководство по эксплуатации.
2.2.8 Изделие обеспечивает измерение напряжения постоянного тока по восьми гальванически развязанным каналам.
Функция реализуется мезонином измерителем мгновенных значений напряжения МН8ИП ФТКС.468266.062.
Технические характеристики измерителя мгновенных значений напряжения МН8ИП приведены в документе ФТКС.468266.062РЭ Измеритель мгновенных значений напряжения МН8ИП Руководство по эксплуатации.
Инв. № подл. Подп. и дата Взам. инв. № Инв. № дубл. Подп. и дата

-
2.3 Основные технические характеристики
-
2.3.1 Основные технические характеристики изделия приведены в таблице 2.1.
Таблица 2.1
Параметр
Значение
Количество формируемых импульсных
не менее 75
управляющих воздействий:
- напряжением, В
от 24 до 31
- длительностью, с
от 0,04 до 0,5
с шагом установки, с
0,005
- максимальный коммутируемый ток, А
1
при максимальной коммутируемой мощности,
50
Вт
- количество одновременно выдаваемых команд
1
Изм.
Лист
№ докум.
Подп.
Дата
ФТКС.411713.369РЭ
Продолжение таблицы 2.1
Параметр
Количество каналов измерений сопротивления постоянному току (четырехпроводная схема измерения) - диапазоны измерений сопротивления постоянному току, Ом
-
- значение тока опроса, мкА
-
- пределы допускаемой относительной погрешности измерений сопротивления постоянному току, при минимальном
периоде семплирования, |
%: до |
62 Ом; | ||||
- для диапазона |
от |
0,6 | ||||
- для |
диапазона |
от |
1/2 |
до |
125 |
Ом; |
- для |
диапазона |
от |
2,5 |
до |
250 |
Ом; |
диапазона диапазона
от
от
от
для
для
для диапазона
5 до 500 Ом;
12,5 до 1250 Ом;
25 до 2500 Ом
Значение
176
от |
0,6 |
до |
62; |
от |
1/2 |
до |
125; |
от |
2,5 |
до |
250; |
от 5 до 500; от 12,5 до
от 25 до
927 ±
1250;
2500
0,092(Rm/Rx -
0,048(Rm/Rx -0,023(Rm/Rx -
0,027(Rm/Rx -
0,022(Rm/Rx -
0,022(Rm/Rx -
Ине. № подл. Подп. и дата Взам. ине. Ns Ине. № дубл. Подл, и дата

Формирование дискретных параметров с формированием прерывания:
-
- амплитудой, В
-
- частотой, Гц_________________________
Количество каналов состояния датчиков дискретных сигналов:
-
- тип гальванической развязки
-
- максимальная емкость цепей____________
Характеристики датчиков типа запитанный электронный ключ:
-
- напряжение в состоянии «замкнуто», В
-
- напряжение в состоянии «разомкнуто», В
-
- напряжение в любом состоянии
«замкнуто»/«разомкнуто», В____________
Характеристики датчиков типа незапитанный электронный ключ:
-
- напряжение в состоянии «замкнуто», В
-
- сопротивление в состоянии «разомкнуто», кОм
-
- напряжение в любом состоянии «замкнуто»/«разомкнуто», В
-
- сопротивление в любом состоянии
«замкнуто»/«разомкнуто», кОм
Изм. |
Лист |
№ докум. |
Подп. |
Дата |

групповой (по 16 каналов в группе) от 3000 пФ до нагрузки
до 1
от 3 до 10
от 1 до 3
от 0 до 1
не менее 100
не менее 1
не более 100
ФТКС.411713.369РЭ
Продолжение таблицы 2.1
Параметр |
Значение |
Характеристики датчиков типа незапитанный релейный контакт: | |
- сопротивление в состоянии «замкнуто», Ом |
до 5 |
|
не менее 100 |
«замкнуто»/«разомкнуто», кОм |
от 5 до 100 |
Количество дублированных каналов МКО (ГОСТ Р 52070-2003) информационного обмена |
1 |
Диапазон измерений напряжения постоянного тока, В |
от 0,5 до 110 |
Относительная погрешность измерений напряжения постоянного тока, % |
± [0, 1 + 0,05-(150/Ux - 1) ] , |
Количество каналов измерений |
не менее 5 |
Диапазон измерений напряжения постоянного тока, В |
от 0,1 до 10 |
Относительная погрешность измерений напряжения постоянного тока, % |
± [0,1 + 0,03-(Ю/их -1)], |
Количество каналов измерений |
не менее 5 |
Примечание - Rm - значение верхней границы диапазона измерений | |
сопротивления, Ом; Rx - измеренное значение сопротивления, Ом; Ux - | |
измеренное значение напряжения постоянного тока, В. |
Инв. Ns подл. Подп. и дата | Взам. инв. № Инв. № дубл. Подл, и дата

-
2.3.2 Основные технические характеристики управляющей ПЭВМ:
-
- привод DVD-ROM;
-
- процессор IntelCore 17;
-
- объем ОЗУ 4 Гбайт (две планки по 2 Гбайт);
-
- объем SSD 500 Гбайт;
-
- слоты расширения:
а) слот PCI - 2 шт.;
б) слот PCI Express х4 - 2 шт.;
в) слот PCI Express х16 - 2 шт.;
-
- порты:
а) Ethernet 1 Гбит/с;
б) USB 2.0;
в) USB 3.0;
г) COM-порт RS232/422/485;
-
- видеовыход (для подключения консоли оператора).
со
<*> _________________________________________________________________
о>
<о
■V-
Лист
ФТКС.411713.369РЭ
Изм.
Лист
№ докум.
Подп.
Дата
10
3 Состав
3.1 Состав изделия
3.1.1 Изделие состоит из следующих составных частей:
-
- магистрально-модульной системы, реализующей целевые функции;
-
- комплекта
-
- комплекта
-
- комплекта
ПО;
ЗИП-О;
ЭД.
-
3.1.2 Магистрально-модульная система, реализующая целевые функции, предназначена для реализации требований по назначению, предъявляемых к изделию, и обеспечивает:
-
- электрический интерфейс с ОК;
-
- выдачу управляющих воздействий;
-
- контроль электрических параметров ОК;
-
- управление процессом испытаний ОК.
стойке
1)
Инв. № подл. Подп. и дата Взам. инв. № Инв. № дубл. Подп. и дата
-
3.1.3 Оборудование, реализующее целевые функции, располагается в СЭ246, в которой расположены:
блок БЭ312, состоящий из крейта INTE004-01 FC VXI 3.0 Mainframe с установленными в него (позиции установки модулей/мезонинов в блоке БЭ312 приведены в приложении Б):
-
- системным модулем ETHERNET CONTROLLER;
-
- модулем РДС;
-
- мезонином МДС32;
-
- измерителями сопротивления постоянному току МТ16-4Л-01;
-
- измерителем мгновенных значений напряжения МН6И-150В;
-
- мезонинами МФТК1Э;
-
- измерителем мгновенных значений напряжения МН8ИП;
-
- носителем мезонинов НМУ;
-
- носителями мезонинов НМ-М;
источник питания ИП-400 (далее - ИП-400);
панель индикации;
панель КП-ВВ191;
панель питания;
блок питания МОХА NDR-120-24;
блок розеток 60110-214;
консоль оператора SMK-920-19UB;
коробка соединительная КСТ2-1-С;
2)
-
3)
-
4)
-
5)
-
6)
-
7)
-
8)
-
9)
-
10) плата ТА1-РЕ2-М;
-
11) ПЭВМ;
-
12) сетевой коммутатор МОХА EDS-G308-T;
-
13) комплект кабелей.
3.1.4 Более подробно комплектность изделия указана в формуляре ФТКС.411713.369ФО.
Изм. |
Лист |
№ докум. |
Подп. |
Дата |
ФТКС.411713.369РЭ
3.1.5 ПО изделия реализовывает:
-
- программную поддержку функционирования аппаратных средств на уровне драйверов;
-
- обеспечение режима программных панелей для каждого модуля;
-
- выполнение тестирования и диагностирования изделия по запросам оператора.
В состав комплекта ПО изделия входят:
-
- антивирус Dr.Web Enterprise Security Suite;
-
- операционная система Astra Linux Special Edition «Смоленск»;
-
- Informtest VISA LINUX;
-
- система проверки функций;
-
- комплект ПО Linux модулей Информтест.
Для задания режимов работы изделия и параметров режимов при эксплуатации изделия разрешается использовать ПО, разработанное пользователем.
-
3.1.6 В состав комплекта ЗИП-0 входят запасные модули, служащие для восстановления работоспособности изделия, а также кабели и устройства, необходимые для работы, поверки и проверки составных частей изделия.
Подробно состав комплекта ЗИП-0 приведен в формуляре на изделие ФТКС.411713.369ФО и ведомости ФТКС.411713.3693И.
-
3.1.7 ЭД предназначена для подготовки обслуживающего персонала и использования в работе
при эксплуатации на рабочем месте.
Инв. № подл. Подп. и дата Взам. инв. № Инв. № дубя. Подп. и дата
3.1.8 Допускается
дополнительные модули, спецификациям Альянса производителей систем VXI plug&play.
устанавливать в свободные слоты крейта изделия соответствующие стандарту IEEE Std 1155-1992 и
3.2 Назначение функциональных узлов
3.2.1 Стойка состава изделия.
3.2.2 Крейт
предназначен для
3.2.3
составных
3.2.4
датчиков.
предназначена для размещения в ней оборудования из
INTE004-01 FC VXI 3.0 Mainframe (далее - крейт) размещения функциональных модулей стандарта VXI.
ETHERNET CONTROLLER предназначен для обеспечения связи частей изделия с управляющей ПЭВМ.
Модуль РДС предназначен для опроса состояний дискретных
Мезонин МДС32 предназначен для определения состояния дискретного датчика трех типов: незапитанный релейный контакт, незапитанный электронный ключ, запитанный электронный ключ.
3.2.5
3.2.6 Измеритель сопротивления постоянному току МТ16-4Л-01 предназначен для измерений по четырёхпроводной схеме величины
Изм.
Лист
№ докум.
Подп.
Дата
ФТКС.411713.369РЭ
сопротивления постоянному току по 16 независимым каналам, изолированным от схемы управления и корпуса.
-
3.2.7 Измеритель мгновенных значений напряжения МН6И-150В предназначен для измерения напряжения постоянного тока.
-
3.2.8 МФТК1Э предназначен для формирования токовых команд.
-
3.2.9 Измеритель мгновенных значений напряжения МН8ИП предназначен для измерений мгновенных значений напряжения.
-
3.2.10 Носители мезонинов НМУ, НМ-М предназначены для установки в них мезонинов.
3.2.11 ИП-400 предназначен для выдачи управляющих воздействий на ОК.
3.2.12 Панель индикации предназначена для оценки состояния питания стойки СЭ246 изделия.
3.2.13
подключения
Панель КП-ВВ191 предназначена для обеспечения электрического каналов функциональных модулей изделия к ОК.
3.2.14
Панель питания и блок розеток 60110-214 предназначены для распределения питания между оборудованием внутри стойки СЭ246 изделия.
3.2.15 Блок питания МОХА NDR-120-24 предназначен для преобразования напряжения.
3.2.21
3.2.20 организации изделия.
3.2.19
изделием.
Инв. № подл. Подп. и дата Взам. инв. Ns Инв. № дубл. Подл, и дата

3.2.16 Консоль оператора SMK-920-19UB предназначена для управления работой изделия.
3.2.17 Коробка соединительная КСТ2-1-С предназначена для организации трансформаторной развязки линии МКО.
3.2.18 Плата ТА1-РЕ2-М предназначена для подключения ПЭВМ с шиной PCI Express к одной или двум резервированным магистралям ГОСТ Р 52070-2003 (MIL-STD-1553B).
ПЭВМ предназначена для обеспечения
Сетевой коммутатор МОХА EDS-G308-T локально-вычислительной сети между
программного управления
предназначен для составными
частями
Комплект кабелей предназначен для обеспечения электрических соединений между составными частями изделия с ЭД.
Изм. |
Лист |
№ докум. |
Подп. |
Дата |
ФТКС.411713.369РЭ
необходимых
в соответствии
4 Устройство и работа
4.1 Конструкция
4.1.1 Крейт и функциональные модули/мезонины изделия выполнены в конструктиве «Евромеханика» с учетом требований стандартов IEEE Std 1155-1992.
4.1.2 Конструкция изделия имеет четыре основных уровня иерархии:
-
- мезонин;
-
- модуль;
-
- крейт;
-
- стойка.
4.1.3 Мезонин представляет собой функционально законченное электронное устройство, устанавливаемое в модуль носитель мезонинов, снабженное передней панелью и соединителем для связи с носителем мезонинов мезонинов
и через него с магистралью крейта. Мезонин крепится к носителю механическим разборным соединением.
Инв. № подл. Подп. и дата Взам. инв. № Инв. № дубл. Подл, и дата

Модуль представляет собой функционально законченное электронное устройство, снабженное передней панелью, экраном и соединителями для связи с магистралью крейта. Модуль устанавливается в крейт по направляющим и механически крепится к ним разборным соединением.
4.1.4
4.1.5 Крейт представляет собой защищенную кожухом несущую конструкцию, снабженную соединителями для подвода информационных и энергетических каналов.
Крейт предназначен для размещения модулей и взаимодействия их друг с процессором.
другом и с управляющим
В крейте размещена кросс-плата, реализующая магистраль VXIbus, удовлетворяющая требованиям стандарта IEEE Std 1155-1992.
В крейте размещены также источники вторичного питания, сети (220 ± 22) В переменного тока частотой требованиям стандарта IEEE Std 1155-1992.
В крейте имеются электровентиляторы для обтекающего установленные в крейт модули.
питающиеся от
(50 ± 1) Гц и удовлетворяющие
создания воздушного потока,
боковыми защитными панелями.
4.1.6 Стойка представляет собой шкаф с
Стойка опирается на роликовые опоры, облегчающие ее перемещение при установке. Стойка предназначена для установки крейта, ИП-400, ПЭВМ и прочего оборудования, подвода цепей сетевого питания и заземления.
Конструкция стойки обеспечивает свободный монтаж, техническое кабелей внешних устройств.
обслуживание и подключение
Изм. |
Лист |
№ докум. |
Подп. |
Дата |
ФТКС.411713.369РЭ
4.1.7 Внешний вид панели КП-ВВ191 приведен на рисунке 4.1.

Формирование команд управления

44-W

- ±40В -| Каналы 4-4 И

94-420 424-450

-M50B-I
Каналы 4-4 II

Измерение напряжения


(Контроль дискретных — параметров Каналы 4-32 Каналы 33-44

О


Инв. № подл. | Подп. и дата | Взам. инв. № | Инв. № дубл. | Подл, и дата

Рисунок 4.1
Соединители, расположенные на панели КП-ВВ191, приведены в таблице
4.1.
Таблица 4.1 - Соединители, расположенные на панели КП-ВВ191
Наименование соединителей |
Тип соединителя |
Кол-во | ||
«Выход ИП» |
вилка ОНЦ-БС-2-19/18-В1-1-В |
1 | ||
«Формирование команд |
«Входы ФКУ» |
вилка ОНЦ-БС-2-19/18-В1-1-В |
1 | |
«1-30» | ||||
управления» |
«Выходы ФКУ» |
«31-60» |
вилка | |
«61-90» |
ОНЦ-БС-2-32/22-В1-1-В |
5 | ||
«91-120» | ||||
«121-150» | ||||
«Измерение |
«±10 В» |
«Каналы 1-8» |
вилка ОНЦ-БС-2-19/18-В1-1-В |
1 |
напряжения» |
«±150 В» |
«Каналы 1-6» |
вилка ОНЦ-БС-2-19/18-В1-1-В |
1 |
«МКО-1» |
«Канал 1» |
вилка ОНЦ-БС-2-Ю/14-В1-1-В |
1 | |
«Канал 2Т» |
вилка ОНЦ-БС-2-19/18-В1-1-В |
1 |

Изм. |
Лист |
№ докум. |
Подп. |
Дата |
ФТКС.411713.369РЭ
Лист
15
Инв. № подл. I Подп. и дата | Взам. инв. № | Инв. № дубл. | Подп. и дата

Продолжение таблицы 4.1
Наименование соединителей |
Тип соединителя |
Кол-во | |||
«МКО-2» |
«Канал 1» |
вилка ОНЦ-БС-2-Ю/14-В1-1-В |
1 | ||
«Канал 2Т» |
вилка ОНЦ-БС-2-19/18-В1-1-В |
1 | |||
«Контроль дискретных параметров» |
«Каналы» |
«1 |
-32» |
вилка ОНЦ-БС-2-50/27-В1-1-В |
2 |
«33-64» | |||||
«1 с» |
BNC-056 (Розетка) |
1 | |||
«Контроль тмс» |
«Каналы 1-32» |
вилка ОНЦ-БС-2-50/27-В1-1-В |
1 | ||
«Измерение сопротивления» |
«Каналы» |
«1-12», «13-24», «25-36», «37-48», «49-60», «61-72», «73-84», «85-96», «97-108», «109-120», «121-132», «133-144», «145-156», «157-168», «169-176» |
вилка ОНЦ-БС-2-50/27-В1-1-В |
15 |
4.2 Структура
-
4.2.1 Структура изделия приведена на схеме деления структурной ФТКС.411713.369Е1.
-
4.2.2 Крейт, в составе с установленными в него модулями и мезонинами, образует блок электронный БЭ312.
Состав блока БЭ312 приведен в документе ФТКС.411259.339Э4 Блок БЭ312 Схема электрическая соединений.
-
4.2.3 Панель индикации, панель КП-ВВ191, панель питания, блок питания, блок розеток, консоль оператора, коробка соединительная, сетевой коммутатор помещаются в стойку электронную СЭ246. Состав стойки СЭ246 приведен в документе ФТКС.411187.256Э4 Стойка СЭ246 Схема электрическая соединений.
со
со ------------ О) <о |
Лист | ||||||
ФТКС.411713.369РЭ | |||||||
Изм. |
Лист |
№ докум. |
Подп. |
Дата |
16 |
-
4.2.4 Взаимные соединения составных частей изделия приведены на схемах:
-
- ФТКС.411713.369Э4 Система автоматизированная измерительная ТЕСТ-7007 Схема электрическая соединений;
-
- ФТКС.411187.256Э4 Стойка СЭ246 Схема электрическая соединений.
4.2.5 Управление работой изделия осуществляется посредством ПЭВМ с ОС Astra Linux Special Edition по магистрали Ethernet через системный модуль блока БЭ312 ETHERNET CONTROLLER.
На ПЭВМ устанавливается программное обеспечение, входящее в состав изделия.
4.2.6 При обращении программного обеспечения изделия к модулям/мезонинам блока БЭ312 (драйверу модуля) модуль/мезонин имеет координаты вида: «Логический номер крейта/номер слота» (сокращенно: «крейт/слот»).
IP-адреса блока БЭ312, источника питания ИП-400 и ПЭВМ приведены в приложении В.
-
4.3 Работа изделия
Инв. № подл. Подп. и дата Взам. инв. № Инв. Na дубл. Подл, и дата
4.3.1 Порядок выполнения изделием реализуемых им функций и задаваемые при этом значения параметров определяются ПО, управляющим работой изделия.
4.3.2 Каждый из модулей/мезонинов изделия со своим драйвером образует «инструмент», реализующий определенный для этого инструмента набор функций.
-
4.3.3 Для реализации функции изделия необходимо открыть сеанс управления инструментом, участвующим в реализации этой функции, сообщить драйверу инструмента необходимые данные, требуемую последовательность допустимых для драйвера функций и передать ему управление.
-
4.3.4 Для инструмента не рекомендуется открывать одновременно более одного сеанса управления.
Изм.
Лист
Na докум.
Подп.
Дата
ФТКС.411713.369РЭ
Лист
5 Устройство и
работа составных частей изделия
5.1 Устройство
поставляемых с ними
и работа покупных составных частей изделия изложены в эксплуатационных документах.
5.2 Работа блока БЭ312 и входящих в него модулей и мезонинов описана в руководствах по эксплуатации:
ETHERNET CONTROLLER
Руководство
Модуль РДС
Руководство
МДС32
Руководство
ФТКС.468260.041РЭ
ФТКС.468260.081РЭ
ФТКС.468266.009РЭ
ФТКС.468266.026РЭ
ФТКС.468266.035РЭ
ФТКС.468266.039РЭ
ФТКС.468266.062РЭ
ФТКС.468269.003РЭ
по
по
по
эксплуатации;
эксплуатации;
эксплуатации;
Инв. № подл. Подп. и дата Взам. инв. № Инв. № дубл. Подл, и дата

5.3
ФТКС.436237.003РЭ
5.4 Функции, документах:
ФТКС.75009-01
ФТКС.468266.011РЭ
ФТКС.469133.003-01РЭ
Измеритель сопротивления постоянному току МТ16-4Л Руководство по эксплуатации;
Измеритель мгновенных значений напряжения МН6И-150В Руководство по эксплуатации;
МФТКЭ
Руководство по эксплуатации;
Измеритель мгновенных значений напряжения МН8ИП Руководство НМУ
Руководство
НМ-М
Руководство
по
по
по
эксплуатации;
эксплуатации;
эксплуатации;
INTE004-01 FC VXI 3.0 Mainframe
Руководство по эксплуатации.
питания ИП-400 описана в документе
Работа источника
Источник питания ИП-400 Руководство по эксплуатации.
допустимые для драйверов модулей и мезонинов, описаны в
ФТКС.75012-01
ФТКС.75019-01
ФТКС.75023-01
ФТКС.76081-01
ФТКС.76902-01
32 |
01 |
32 |
01 |
32 |
01 |
32 |
01 |
32 |
01 |
32 |
01 |
Драйвер мезонина МДС32 Руководство системного Драйвер мезонина МФТК Руководство системного
Драйвер МН32С Руководство
МН8И
Руководство
Модуль РДС
Драйвер Руководство
Драйвер НМ
Руководство
программиста;
программиста;
системного
системного
системного
системного
программиста ;
программиста;
программиста;
программиста;
Изм. |
Лист |
№ докум. |
Подп. |
Дата |
ФТКС.411713.369РЭ
Лист

ФТКС.77001-01 32 01 - Источник питания ИП-400
Драйвер
Руководство системного программиста.
5.5 Порядок работы с модулями и мезонинами через управляющие программные панели описан в документах:
ФТКС.65009-02 34 01 |
- Мезонин МДС32 Управляющая панель Qt Руководство оператора; |
ФТКС.65012-02 34 01 |
- Мезонин МФТК Управляющая панель Qt Руководство оператора; |
ФТКС.65019-02 34 01 |
- Мезонин МН32С Управляющая панель Qt Руководство оператора; |
ФТКС.65023-02 34 01 |
- Мезонин МН8И Управляющая панель Qt Руководство оператора; |
ФТКС.66081-02 34 01 |
- Модуль РДС Управляющая панель Qt Руководство оператора; |
ФТКС.66902-02 34 01 |
- Носитель мезонинов НМ Управляющая панель Qt Руководство оператора; |
ФТКС.67001-02 34 01 |
- Источник питания ИП-400 |
Управляющая панель Qt Руководство оператора
Инв. № подл. Подп. и дата Взам. инв. № Инв. № дубл. Подп. и дата

<м
об О

Изм. |
Лист |
№ докум. |
Подп. |
Дата |
ФТКС.411713.369РЭ
Лист
19
6 Инструменты и принадлежности
6.1 Принадлежности, используемые при проверке входящих в состав изделия модулей и мезонинов при помощи ППМ (см. ФТКС.52101-01 34 01 Система автоматизированная измерительная ТЕСТ-7007 Система проверки функций Руководство оператора) приведены в таблице 6.1.
Инв. № подл. Подп. и дата Взам. инв. № Инв. № дубл. Подл, и дата
о см о ем об о
о
Таблица 6.1
Наименование принадлежности |
Обозначение принадлежности |
Количество, шт. |
Примечание |
Принадлежности собственного производства | |||
ФТКС.685611.122 |
Кабель ФКУ |
1 | |
ФТКС.685611.123 |
Кабель Измерение напряжения ±10 В |
1 | |
ФТКС.685611.124 |
Кабель Измерение напряжения ±150 В |
1 | |
ФТКС.685611.125 |
Кабель МКО-1 |
1 | |
ФТКС.685611.126 |
Кабель МКО-2 |
1 | |
ФТКС.685611.127 |
Кабель 75 Ом |
1 | |
ФТКС.685611.130 |
Кабель Контроль дискретных параметров 1 с |
1 | |
ФТКС.685611.131 |
Кабель Контроль дискретных параметров |
1 | |
ФТКС.685629.438 |
Соединитель контрольный СК-Контроль ТМС |
1 | |
ФТКС.685629.439 |
Соединитель контрольный СК-Измерение сопротивления |
1 |
6.2 Принадлежности, используемые при поверке изделия программой поверки модулей (далее - ППВ) (см. ФТКС.52101-01 34 01 Система автоматизированная измерительная ТЕСТ-7007 Система проверки функций Руководство оператора), приведены в таблице 6.2.
00
О) <о |
Лист | ||||||
ФТКС.411713.369РЭ |
20 | ||||||
Изм. |
Лист |
№ докум. |
Подп. |
Дата |
Таблица 6.2
Наименование принадлежности |
Обозначение принадлежности |
Количество, шт. |
Примечание |
Принадлежности собственного производства | |||
ФТКС.685611.132 |
Кабель Т7007-МН6И |
1 | |
ФТКС.685611.136 |
Кабель Т7007-МН8ИП |
1 | |
ФТКС.685611.139 |
Кабель Т7007-МТ16-1 |
1 | |
ФТКС.685611.140 |
Кабель Т7007-МТ16-2 |
1 | |
ФТКС.685621.038-01 |
Кабель ШШВ |
2 | |
ФТКС.685621.531 |
Кабель ШШВЭ |
2 | |
ФТКС.687420.028 |
ИОН |
1 | |
ФТКС.687420.145 |
Фильтр |
1 |
-
6.3 Принадлежности, используемые при калибровке и поверке модулей и мезонинов, входящих в состав изделия, приведены в таблице 6.3.
Инв. № подл. Подп. и дата | Взам. инв. № Инв. № дубл. Подл, и дата
Таблица 6.3
Наименование
Обозначение
Количество,
Примечание
принадлежности
принадлежности
шт.
Принадлежности собственного производства
ФТКС.685611.142
Кабель РДС
1
ФТКС.685611.143
Кабель РДС-Т1
1
ФТКС.685621.002
Кабель К-УКСИ
2
ФТКС.685621.030
Кабель МФТК-3
1
ФТКС.685621.038
Кабель ШШВ
2
ФТКС.685621.053
Кабель НЧ-01
1
ФТКС.685621.099
Кабель ШШ2
1
ФТКС.685621.531
Кабель ШШВЭ
2
ФТКС.685621.535
Кабель НН1
1
ФТКС.685622.034
Кабель МН6И-Г4
1
ФТКС.685626.035
Соединитель контрольный Т-МТ16
1
со
<*> ---------------------
о>
(О
Лист
ФТКС.411713.369РЭ
Изм.
Лист
№ докум.
Подп.
Дата
21
Продолжение таблицы б.3
Наименование принадлежности |
Обозначение принадлежности |
Количество, шт. |
Примечание |
ФТКС.685629.038 |
Соединитель контрольный Т-МН8ИП |
1 | |
ФТКС.685661.182 |
Кабель BNC-BNC |
3 | |
ФТКС.687420.003 |
УКСИ |
1 | |
ФТКС.687420.028 |
ИОН |
1 | |
ФТКС.687420.031 |
УКСИ68 |
1 | |
ФТКС.687420.145 |
Фильтр |
1 | |
Принадлежности покупные | |||
- |
Тройник BNC-BNC |
4 |
-
6.4 Кабели ИП-ФКУ ФТКС.685611.117 - 2 шт. поставляются совместно с панелью КП-ВВ191 ФТКС.687287.321 и предназначены для подачи напряжения с ИП-400 на соединитель «Входы ФКУ».
-
6.5 Все принадлежности входят в состав комплекта ЗИП-0.
Инв. № подл. Подп. и дата | Взам. инв. № Инв. № дубя. Подп. и дата
со оо о
<о
Изм.
Лист
№ докум.
Подп.
Дата
ФТКС.411713.369РЭ
Лист
22
7 Маркировка
-
7.1 Маркировка изделия и его составных частей выполнена:
-
- в виде шильдиков на стойке СЭ246 (на лицевой и задней стороне стойки);
-
- в виде шильдиков на блоке БЭ312 (на лицевой и боковой стороне кожуха);
-
- в виде шильдика на панели КП-ВВ191 (на лицевой панели);
-
- в виде наклейки на лицевой панели и шильдика на боковой стенке
ИП-400;
-
- в виде этикеток на кабелях;
-
- в виде гравировки на модулях (под ручкой в верхней части лицевой панели или на верхней ручке).
-
7.2 Модули, мезонины и ИП-400, входящие в состав изделия, за исключением модулей НМ-М и НМУ, опломбированы этикетками с клеймом ОТК и ВП МО РФ, закрепленными клеем на экране модуля поверх головок винтов крепления экрана.
юдл. I Подп. и дата | Взам. ине. № Ине. № дубл. Подл, и дата
8 Тара и упаковка
-
8.1 Конструкция тары
-
8.1.1 Транспортная тара изделия выполнена в виде односекционных деревянных ящиков.
-
8.1.2 Эксплуатационная документация на изделие укладывается в ящик с номером 1/N, где N - общее число поставляемых ящиков.
-
8.1.3 Блок БЭ312 устанавливается на два опорных бруска, расположенных на дне ящика. При этом его ручки должны быть обращены в сторону опорного бруска, расположенного на дне ящика вдоль его короткой стороны.
-
8.1.4 Стойка ФТКС.301422.171 и блок БЭ312 из состава изделия поставляются в собранном виде.
-
8.1.5 Транспортная тара предназначена для многоразового использования и должна храниться в течение всего срока эксплуатации изделия.
-
8.1.6 Состав упаковки приведен в таблице 8.1.
№ подл. Подп. и дата Взам. ине. № Ине. № дубл. Подл, и дата
о еч о см об о о
со оо
Таблица 8.1
№ ящика
Упаковываемое оборудование
1/10
Эксплуатационная документация, кабели из состава изделия, детали и сборки из состава изделия, кабели и принадлежности из состава ЗИП-0, модули и мезонины из состава ЗИП-0
2/10
ПЭВМ с платами ТА1-РЕ2-М
3/10
ПЭВМ с платой ТА1-РЕ2-М из состава ЗИП-0
4/10
Коммутатор EDS-G308-T, коммутатор EDS-G308-T из состава ЗИП-0, блок питания МОХА NDR-120-24, блок розеток 60110-214, панель индикации ФТКС.687420.242, панель питания ФТКС.687420.241
5/10
Консоль оператора SMK-920-19UB, источник питания ИП-400, коробка соединительная КСТ2-1-С (4 шт.)
6/10
Консоль оператора SMK-920-19UB из состава ЗИП-0, источник питания ИП-400 из состава ЗИП-0
7/10
ФТКС.687287.321 Панель КП-ВВ191
8/10
ФТКС.301422.171 Стойка
9/10
ФТКС.411259.339 Блок БЭ312
10/10
ФТКС.436717.001 Блок питания из состава ЗИП-0
8.2 Расконсервация изделия
-
8.2.1 Вскрыть упаковку. При вскрытии полиэтиленовых мешков отрезать минимально необходимую для вскрытия полоску со швом, обеспечив возможность повторного использования упаковки.
-
8.2.2 Развернуть и удалить обертку со стойки и блока БЭ312.
-
8.2.3 Снять с распакованных составных частей изделия мешочки с линасилем.
-
8.2.4 Обеспечить сохранность деталей и составных частей упаковки и тары на случай повторной консервации.
-
8.3 Консервация изделия
Подп. и дата
Инв. № дубл.
Взам. инв. №
Подп. и дата
10.08.2020
-
8.3.1 Консервация изделия должна производиться в специально оборудованном помещении при температуре воздуха не ниже 15 °C и не выше 35 °C и при относительной влажности не более 70 %.
-
8.3.2 Изделие, поступившее на консервацию должно быть сухим, очищенным от пыли, жировых и других загрязнений.
-
8.3.3 Подготовить мешочки с предварительно высушенным (при температуре от плюс 150 до плюс 200 °C не менее 4 ч) линасилем ИФХАН-100 ТУ-02-7-194-85.
-
8.3.4 Упаковать покупные составные части изделия в их штатную тару.
-
8.3.5 Все составные части изделия перед укладкой в ящики уложить в соответствующие полиэтиленовые мешки. Допускается укладка в один полиэтиленовый мешок всего содержимого одного ящика. В полиэтиленовые мешки поместить мешочки с линасилем и зафиксировать их. Полиэтиленовые мешки заварить.
-
8.3.6 Подготовить к упаковке все кабели, для чего свернуть их в скрутки и связать шпагатом.
-
8.3.7 Подвязать мешочки с линасилем к ручкам блока БЭ312 (по одному мешочку к каждой ручке), стойке (четыре мешочка), равномерно расположив их по объему.
-
8.3.8 Винты и набор крепежа снятых составных частей установить на свои штатные места в стойке.
-
8.3.9 Установить крышку на стойку, обернуть в упаковочную пленку, уложить в полиэтиленовый мешок. Мешок заварить.
-
8.3.10 Уложить упакованную стойку в транспортную тару согласно описи на крышке ящика.
-
8.3.11 Заполнить свободные пространства между стойкой и стенками ящика прокладками из гофрированного картона, препятствующими перемещению упаковки относительно тарного ящика.
-
8.3.12 Уложить в полиэтиленовые мешки составные части ЗИП-0. Мешки заварить.
-
8.3.13 Уложить кабели и составные части ЗИП-0 в ящик согласно описи.
-
8.3.14 Проверить правильность укладки и упаковки на соответствие описям.
Инв. № подл. Подп. и дата | Взам. инв. № Инв. № дубл. Подп. и дата



Изм. |
Лист |
№ докум. |
Подп. |
Дата |
ФТКС.411713.369РЭ
Лист
26
Инв. № подл. Подп. и дата Взам. инв. № Инв. № дубл. Подл, и дата


9 Меры безопасности при эксплуатации изделия
-
9.1 К эксплуатации изделия допускаются лица, имеющие практические навыки эксплуатации радиоэлектронной аппаратуры, знающие необходимые правила техники безопасности, соответствующие квалификационной группе не ниже II.
-
9.2 Перед подключением изделия к сети питания необходимо заземлить стойку СЭ246 в соответствии с документами:
-
- ФТКС.411187.256МЧ Стойка СЭ246 Монтажный чертеж;
-
- ФТКС.411187.256Э4 Стойка СЭ246 Схема электрическая соединений;
-
- ФТКС.411713.369МЧ Система автоматизированная измерительная ТЕСТ-7007 Монтажный чертеж;
-
- ФТКС.411713.369Э4 Система автоматизированная измерительная ТЕСТ-7007 Схема электрическая соединений.
-
9.3 Для электрического соединения составных частей изделия, изделия и ОК, изделия и питающей сети, необходимо использовать только предназначенные для соответствующих соединений кабели.
-
9.4 В подключенном к питающей сети изделии, запрещается:
-
- отсоединять составные части изделия от шины заземления;
-
- извлекать из крейта установленные в него модули;
-
- извлекать и заменять вставки плавкие;
-
- отсоединять от изделия и подсоединять к изделию кабели питания;
-
- касаться контактов соединителей коммутационной панели и контактов соединителей модулей и мезонинов изделия.
-
9.5 Лица, выполняющие работы по подключению и отключению кабелей, установке и изъятию крейта и модулей изделия, должны соблюдать требования по защите от статического электричества согласно ОСТ 11073.062-2001, группа жесткости II.
Изм. |
Лист |
№ докум. |
Подп. |
Дата |
ФТКС.411713.369РЭ
Лист
27
10 Порядок установки
10.1 Состав персонала
10.1.1 Установка, сборка и разборка изделия должны производиться не менее чем двумя специалистами, один из которых имеет квалификацию инженера.
10.2 Требования к месту установки
Инв. № подл. Подл, и дата | Взам. инв. № Ина. № дубл. Подл, и дата

-
10.2.1 Изделие должно эксплуатироваться в сухом отапливаемом помещении, удовлетворяющем нормам СНиП-512-79 и обеспечивающем следующие климатические условия:
-
- температура воздуха от плюс 5 до плюс 35 °C;
-
- относительная влажность воздуха не более 80 % при температуре
25 °C;
-
- атмосферное давление от 86 до 106 кПа (от 645 до 795 мм рт. ст.).
-
10.2.2 Запрещается установка и эксплуатация изделия в помещениях с химически активной средой и с токопроводящей пылью.
-
10.2.3 Проложенные по полу кабели изделия должны быть защищены от повреждения.
-
10.2.4 Питание изделия должно производиться от промышленной сети напряжением (220 ±22) В переменного тока частотой (50 ± 1) Гц.
-
10.2.5 В климатических зонах с частыми грозами промышленная электросеть должна быть оборудована защитой от перенапряжения. К цепям электропитания, предназначенным для питания изделия, не должно подключаться оборудование с высокими токами потребления, а также устройства, создающие высокочастотные и пусковые импульсные помехи.
-
10.2.6 Место для установки изделия должно быть оборудовано:
-
- шиной (контуром) заземления;
-
- распределительным электрощитом с розетками для подключения сетевых кабелей к сети электропитания «евророзеток».
-
10.2.7 Шины (контуры), используемые для заземления составных частей изделия, должны быть отделены от шин (контуров) промышленного заземления и должны использоваться только для заземления средств измерений.

Изм. |
Лист |
Ns докум. |
Подл. |
Дата |
ФТКС.411713.369РЭ
Лист
28
10.2.8 Для обеспечения погрешностей измерений и формирования электрических величин не выше предельных значений, установленных в документах на изделие и его составные части, должны выполняться следующие условия:
-
1) место размещения изделия и его составных частей по степени интенсивности электромагнитных помех должно соответствовать классу не более третьего по ГОСТ Р 51317.2.5-2000;
-
2) каждый кабель, служащий для передачи измеряемых или формируемых электрических величин от изделия и его составных частей к ОК, должен быть заключен в экран, соединенный с заземленным корпусом (с шиной (контуром) заземления) с обеих сторон кабеля;
-
3) каждую пару цепей прямого и возвратного тока рекомендуется выполнять в виде витой пары, заключенной в экран, соединенный с заземленным корпусом (с шиной (контуром) заземления) с обеих сторон кабеля.
ВНИМАНИЕ: В РОЗЕТКАХ, ПРЕДНАЗНАЧЕННЫХ ДЛЯ ПИТАНИЯ ЛЮБОЙ СОСТАВНОЙ ЧАСТИ ИЗДЕЛИЯ, КОНТАКТЫ, ИМЕЮЩИЕ МАРКИРОВКУ «ЗАЗЕМЛЕНИЕ», ЗАПРЕЩАЕТСЯ СОЕДИНЯТЬ С «НУЛЕВОЙ» ЛИНИЕЙ СЕТИ ПИТАНИЯ!
КОНТАКТЫ, ИМЕЮЩИЕ МАРКИРОВКУ «ЗАЗЕМЛЕНИЕ» ДОЛЖНЫ БЫТЬ СОЕДИНЕНЫ С ШИНОЙ (КОНТУРОМ) ЗАЗЕМЛЕНИЯ.
-
10.3 Порядок установки
Инв. № подл. Подп. и дата Взам. ине. № Инв. № дубл. Подл, и дата

10.3.1 Установку изделия выполнять, руководствуясь следующими документами:
-
- ФТКС.411713.369 Система автоматизированная измерительная ТЕСТ-7007 Спецификация;
-
- ФТКС.411713.369СБ Система автоматизированная
ТЕСТ-7007 Сборочный чертеж;
-
- ФТКС.411713.369МЧ Система автоматизированная ТЕСТ-7007 Монтажный чертеж;
-
- ФТКС.411713.369Э4 Система автоматизированная ТЕСТ-7007 Схема электрическая соединений;
-
- ФТКС.411187.256 Стойка СЭ246 Спецификация;
-
- ФТКС.411187.256СБ
-
- ФТКС.411187.256МЧ
-
- ФТКС.411187.256Э4
измерительная
измерительная
измерительная
Стойка
Стойка
Стойка
СЭ24 6
СЭ246
СЭ246
10.3.2 Произвести расконсервацию
Сборочный чертеж;
Монтажный чертеж;
Схема электрическая соединений.
изделия в соответствии с п. 8.2.
10.3.3 Проверить комплектность изделия на соответствие документу ФТКС.411713.369ФО.
10.3.4 Подготовить кабели, а также принадлежности, входящие в состав изделия, вынув их из ящика и индивидуального пакета.
10.3.5 Установить стойку из состава стойки СЭ246 на отведенное для нее место.
Изм. |
Лист |
Ns докум. |
Подп. |
Дата |
ФТКС.411713.369РЭ
Лист

Инв. № подл. | Подл, и дата Взам. инв. № Ине. № дубя. Подп. и дата
од о
о

Допускается перемещение стойки из состава стойки СЭ246 в разобранном виде (блок БЭ312 и оборудование должны быть сняты).
-
10.3.6 Руководствуясь документами:
— ФТКС.411187.256Э4 Стойка СЭ246 Схема электрическая соединений;
-
- ФТКС.411187.256МЧ Стойка СЭ246 Монтажный чертеж
выполнить монтаж стойки СЭ246, для чего:
-
- открыть переднюю и заднюю двери стойки;
-
- установить все устройства в стойку;
-
- закрыть двери стойки СЭ246 (при необходимости).
-
10.3.7 Заземлить корпуса (каркасы) составных частей изделия, имеющих клеммы (болты) заземления. Величина электрического сопротивления провода заземления на один метр длины не должна превышать 0,002 Ом.
ВНИМАНИЕ: ЗАПРЕЩАЕТСЯ СОЕДИНЯТЬ КОРПУСНЫЕ КЛЕММЫ И КЛЕММЫ ЗАЗЕМЛЕНИЯ СОСТАВНЫХ ЧАСТЕЙ ИЗДЕЛИЯ С «НУЛЕВОЙ» (НЕЙТРАЛЬНОЙ) ЛИНИЕЙ СЕТИ ПИТАНИЯ.
КОРПУСНЫЕ КЛЕММЫ И КЛЕММЫ ЗАЗЕМЛЕНИЯ ДОЛЖНЫ БЫТЬ СОЕДИНЕНЫ С ШИНОЙ (КОНТУРОМ) ЗАЗЕМЛЕНИЯ.
-
10.3.8 Проверить визуально наличие цепи электрической связи корпуса (каркаса) составных частей изделия, в том числе стойки СЭ246, с основной шиной (контуром) заземления, проведенной в помещении, где установлено изделие.
-
10.3.9 Соединить между собой кабелями составные части изделия, руководствуясь документами, приведенными в п. 10.3.1.
При подсоединении кабелей к покупным составным частям руководствоваться эксплуатационными документами на них.
Примечание - Более подробно порядок сборки стойки СЭ246 и изделия приведен в приложении Г.
-
10.3.10 Подключить изделие к сети питания.
Изм. |
Лист |
№ докум. |
Подп. |
Дата |
ФТКС.411713.369РЭ
Лист
30
-
11 Подготовка к работе
-
11.1 Перед началом работы с изделием необходимо изучить документы, приведенные в документе ФТКС.411713.369ВЭ Система автоматизированная измерительная ТЕСТ-7007 Ведомость эксплуатационных документов.
11.2 Проверить правильность соединения между собой составных изделия, руководствуясь документами:
-
- ФТКС.411713.369Э4 Система автоматизированная измерительная 7007 Схема электрическая соединений;
-
- ФТКС.411713.369МЧ Система автоматизированная измерительная 7007 Монтажный чертеж;
частей
ТЕСТ-
ТЕСТ-
-
- ФТКС.411187.256Э4 Стойка СЭ246 Схема электрическая соединений;
-
- ФТКС.411187.256МЧ Стойка СЭ246 Монтажный чертеж.
11.3 Установить переключатель включения питания крейта в отключенное положение. Проконтролировать, что все составные части изделия выключены.
11.4 Включить изделие, руководствуясь указаниями приложения Д.
ВНИМАНИЕ: МЕЖДУ МОМЕНТОМ ВЫКЛЮЧЕНИЯ ЛЮБОЙ СОСТАВНОЙ ЧАСТИ ИЗДЕЛИЯ И МОМЕНТОМ ЕЕ ОЧЕРЕДНОГО ВКЛЮЧЕНИЯ, А ТАКЖЕ МЕЖДУ МОМЕНТОМ ВКЛЮЧЕНИЯ ЛЮБОЙ СОСТАВНОЙ ЧАСТИ ИЗДЕЛИЯ И МОМЕНТОМ ЕЕ ВЫКЛЮЧЕНИЯ ДОЛЖНА БЫТЬ ВЫДЕРЖАНА ПАУЗА НЕ МЕНЕЕ 10 с.
11.5 Для входа в операционную систему Astra Linux необходимо ввести:
-
- имя: test;
-
- пароль:
astralinux.
11.7 Выдержать изделие во
11.6 Если установить его
Инв. № подл. I Подп. и дата | Взам. ине. № | Инв. № дубл. | Подп. и дата
ПО изделия раннее не было инсталлировано (установлено), в следующем порядке:
-
- ПО Informtest VISA LINUX - ФТКС.34003-02;
-
- драйверы модулей - Комплект ПО Linux модулей Информтест ФТКС.85001-02;
-
- тестовое ПО - ФТКС.52101-01 Система автоматизированная измерительная ТЕСТ-7007
Порядок установки программ
Система проверки функций, приведен в приложении Е.
включенном состоянии не менее 10 мин.
11.8 Если изделие запускается в работу впервые, после хранения, продолжавшегося более года, а также после упаковки и транспортировки, следует осуществить проверку работоспособности изделия в режиме «ОК отключен» с помощью ППМ (см. п. 12.3.2).
11.9 Проверка покупных составных частей изделия должна выполняться в соответствии с эксплуатационными документами на них.
11.10 Выполнить поверку изделия в соответствии с разделом 13.
Изделие готово к работе при положительных результатах проверки всех модулей и составных частей изделия, а также поверки изделия.
При наличии сообщений о неисправности следует руководствоваться указаниями раздела 14.
Изм.
Лист
№ докум.
Подп.
Дата
ФТКС.411713.369РЭ
Лист
-
-
-
11.11 При восстановлении работоспособности изделия путем замены неисправного модуля (мезонина) соответствующим исправным модулем (мезонином) из состава ЗИП-0 повторного заключения на изделие не требуется.
-
11.12 Вновь установленный в изделие модуль (мезонин) должен быть проверен в режиме «ОК отключен» с помощью ППМ (см. п. 12.3.2).
-
11.13 О проведенной замене модуля (мезонина) должна быть сделана запись в формуляре ФТКС.411713.369ФО изделия в разделе «Особые отметки» или в специальном журнале учета движения модулей.
При замене мезонина дополнительно должна быть сделана соответствующая запись в паспорте снятого и установленного мезонина в подразделе «Движение мезонина при эксплуатации» и паспорте носителя мезонина в подразделе «Сведения об установке и снятии мезонина».
Инв. № подл. Подп. и дата Взам. инв. № Инв. № дубл. Подл, и дата
о см О см со О
о
со СО
О)

ФТКС.411713.369РЭ |
Лист | ||||||
32 | |||||||
Изм. |
Лист |
№ докум. |
Подп. |
Дата |
-
12 Порядок работы
-
12.1 Состав обслуживающего персонала
-
12.1.1 Для эксплуатации изделия необходим один специалист, имеющий квалификацию инженера, обладающий навыками работы на ПЭВМ и исполнения прикладных программ в операционной среде Linux.
-
-
12.2 Общие положения
Инв. № подл. Подп. и дата Взам. инв. № Инв. № дубл. Подп. и дата
о см о см со о с>
-
12.2.1 Порядок работы с изделием (порядок задания рабочих режимов, исполнения алгоритмов контроля электронных объектов, документирования результатов контроля) определяется прикладным ПО.
-
12.2.2 При разработке прикладного ПО необходимо руководствоваться документами, перечисленными в разделе 5.
-
12.2.3 Прикладная программа должна начинаться открытием сеансов связи со всеми используемыми программой инструментами, а заканчиваться закрытием всех открытых сеансов.
Открытие второго сеанса с инструментом при незакрытом первом сеансе с этим же инструментом запрещается.
-
12.2.4 Под действиями, производимыми с модулями и мезонинами, подразумеваются вызовы функций их драйверов с указанием сеанса для соответствующего адреса модуля (крейт, слот) или соответствующего адреса мезонина (крейт, слот, позиция).
-
12.2.5 После открытия сеансов связи с инструментами необходимо выполнить калибровку модулей, имеющих функцию калибровки, в соответствии с руководством системного программиста на драйвер модуля.
-
12.2.6 Драйвер модуля, в общем случае, содержит мелкие функции, соответствующие отдельным действиям, и крупные функции, соответствующие заданной последовательности действий.
При выполнении последовательности большого числа однотипных действий, например, последовательности измерений в одном режиме и диапазоне, рекомендуется пользоваться мелкими функциями драйвера:
-
- для установки параметров режима до начала действий;
-
- для выполнения последовательности действий без изменения параметров;
-
- для отключения режима по окончании всей последовательности действий.
-
12.2.7 Каждый модуль, работа с которым закончена, должен быть приведен в исходное состояние путем применения, например, функции его программного сброса.
00
<*) --------------------
о>
<о
Лист
ФТКС.411713.369РЭ
Изм.
Лист
№ докум.
Подп.
Дата
33
-
12.3.1 Проверку работоспособности изделия в режиме «ОК подключен» выполнять в следующем порядке:
-
1) включить изделие согласно указаниям приложения Д, до начала проверки выждать не менее 10 мин;
-
2) на управляющей ПЭВМ запустить ППМ ТЕСТ-7007 (см. ФТКС.52101-01 34 01 Система автоматизированная измерительная ТЕСТ-7007 Система проверки функций Руководство оператора);
-
3) в окне программы выбрать вкладку «ОК подключен», отметить режим «Все»;
-
4) нажать кнопку запуска;
-
5) в окне протокола проверки наблюдать результаты проверок (наличие или отсутствие сообщений о неисправностях);
-
6) по окончании проверки закрыть ППМ ТЕСТ-7007. При необходимости, выключить изделие согласно указаниям приложения Д.
Результат проверки считать положительным, если при проверке работоспособности не было сообщений о неисправностях.
-
12.3.2 Проверку работоспособности изделия в режиме «ОК отключен» выполнять в следующем порядке:
-
1) подготовить кабели и принадлежности (из состава ЗИП-0):
- кабель ФКУ ФТКС.685611.122 - 1 шт.;
Инв. № подл. | Подп. и дата | Взам. инв. № | Инв. № дубл. | Подп. и дата

-
- кабель Измерение напряжения ±10 В ФТКС.685611.123
-
- кабель Измерение напряжения ±150 В ФТКС.685611.124
-
- кабель МКО-1 ФТКС.685611.125 - 1 шт.;
- кабель МКО-2 ФТКС.685611.126 - 1 шт.;
- кабель 75 Ом ФТКС.685611.127 - 1 шт.;
кабель Контроль дискретных параметров_1 с
ФТКС.685611.130 - 1 шт.;
-
- кабель Контроль дискретных параметров ФТКС.685611.131 - 1 шт.;
-
- соединитель контрольный СК-Контроль ТМС
ФТКС.685629.438 - 1 шт.;
- соединитель контрольный СК-Измерение сопротивления ФТКС.685629.439 - 1 шт.;
-
2) включить изделие согласно указаниям приложения Д, до начала проверки выждать не менее 10 мин;
-
3) на управляющей ПЭВМ запустить ППМ ТЕСТ-7007 (см. ФТКС.52101-01 34 01 Система автоматизированная измерительная ТЕСТ-7007 Система проверки функций Руководство оператора);
-
4) в окне программы выбрать вкладку «ОК отключен», отметить режим «Все»;
-
5) нажать кнопку запуска;
-
6) в процессе выполнения проверки выполнять все указания программы;
-
7) в окне «Протокол проверки» наблюдать результаты проверок (наличие или отсутствие сообщений о неисправностях);
-
8) по окончании проверки закрыть ППМ ТЕСТ-7007. При необходимости, выключить изделие согласно указаниям приложения Д.
Результат проверки считать положительным, если при выполнении проверки работоспособности не было сообщений о неисправностях.

12.4 Реализация функций
12.4.1 Реализация функций модулей и мезонинов, входящих в состав изделия, должна осуществляться в соответствии с документами:
ETHERNET CONTROLLER
Руководство
Модуль РДС
Руководство
МДС32
Руководство
ФТКС.468260.041РЭ
ФТКС.468260.081РЭ
ФТКС.468266.009РЭ
ФТКС.468266.026РЭ
ФТКС.468266.035РЭ
ФТКС.468266.039РЭ
ФТКС.468266.062РЭ
ФТКС.468269.003РЭ
по
по
по
эксплуатации;
эксплуатации;
эксплуатации;
Инв. № подл. Подп. и дата Взам. инв. № Инв. № дубл. Подп. и дата

ФТКС.468266.011РЭ
ФТКС.75009-01 |
32 |
01 |
ФТКС.75012-01 |
32 |
01 |
ФТКС.75019-01 |
32 |
01 |
ФТКС.75023-01 |
32 |
01 |
ФТКС.76081-01 |
32 |
01 |
ФТКС.76902-01 |
32 |
01 |
Измеритель сопротивления постоянному току МТ16-4Л
Руководство по эксплуатации;
Измеритель мгновенных значений напряжения МН6И-150В Руководство по эксплуатации; МФТКЭ Руководство по эксплуатации; Измеритель мгновенных значений напряжения МН8ИП Руководство
НМУ
Руководство
НМ-М
Руководство
по
по
по
эксплуатации;
эксплуатации;
эксплуатации; Драйвер мезонина МДС32 Руководство системного Драйвер мезонина МФТК Руководство системного Драйвер МН32С Руководство системного МН8И Руководство системного Модуль РДС Драйвер Руководство системного Драйвер НМ Руководство системного
программиста;
программиста;
программиста;
программиста;
программиста;
программиста.
12.4.2 Реализация функций покупных составных частей изделия должна осуществляться в соответствии с документами, поставленными с покупными составными частями.
Изм. |
Лист |
№ докум. |
Подп. |
Дата |
ФТКС. 411713.369РЭ
Лист

-
13 Методика поверки
-
13.1 Общие положения
-
13.1.1 Настоящая методика распространяется на системы автоматизированные измерительные ТЕСТ-7007 ФТКС.411713.369 (далее изделие) и устанавливает порядок проведения первичной и периодической поверок.
-
13.1.2 При проведении поверки должна обеспечиваться прослеживаемость
-
-
изделия к ГЭТ 13-2001 согласно государственной поверочной схеме, утвержденной Приказом Федерального агентства по техническому
регулированию и метрологии от 30 декабря 2019 года № 3457, ГЭТ 14-2014 утвержденной Приказом Федерального агентства по техническому
регулированию и метрологии от 30 декабря 2019 г. № 3456.
Инв. № подл. Подп. и дата Взам. инв. № Инв. № дубл. Подл, и дата
о см О СМ
со о
Qi
со со о <о
-
13.1.3 Допускается проведение первичной (периодической) поверки отдельных измерительных каналов и проведение периодической поверки для меньшего числа измеряемых величин в соответствии с заявлением владельца средства измерений, с обязательным указанием в сведениях о поверке информации об объеме проведенной поверки.
-
13.1.4 Поверка изделия должна проводиться в соответствии с требованиями настоящей методики поверки. Интервал между поверками - 1 год.
-
13.1.5 Методы, обеспечивающие реализацию методики поверки, - прямой метод измерений, метод непосредственного сличения.
13.2 Перечень операций поверки средства измерений
13.2.1 При проведении поверки должны выполняться операции, указанные в таблице 13.1.
Изм. |
Лист |
№ докум. |
Подп. |
Дата |
ФТКС.411713.369РЭ
Лист
36
Инв. № подл. | Подп. и дата | Взам. инв. № Инв. Ns дубл. Подл, и дата

Таблица 13.1 - Операции поверки
Наименование операции |
Проведение операции при | ||
первичной поверке или после ремонта |
периодической поверке | ||
1 Внешний осмотр средства р |
1змерений |
+ |
+ |
2 Подготовка к поверке и опробование с |
редства измерений | ||
2.1 Опробование |
+ |
+ | |
2.2 Определение электрического сопротивления цепи защитного заземления, электрического сопротивления изоляции цепи сетевого питания относительно корпуса, электрической прочности изоляции цепи сетевого питания |
+ |
- | |
3 Проверка программного обеспечения средства измерений |
+ |
+ | |
4 Определение метрологических характеристик | |||
4.1 Определение относительной погрешности измерений напряжения постоянного тока, реализуемого измерителем МН6И-150В |
+ |
+ | |
4.2 Определение относительной погрешности измерений напряжения постоянного тока, реализуемого измерителем МН8ИП |
+ |
+ | |
4.3 Определение относительной погрешности измерений электрического сопротивления постоянному току |
+ |
+ | |
5 Подтверждение соответствия средства измерений метрологическим требованиям |
+ |
+ |
-
13.2.2 Допускается не отключать изделие по окончании выполнения очередного пункта поверки, если вслед за ним сразу же начинается выполнение следующего пункта поверки.
-
13.2.3 Допускается не выходить из программы поверки (далее - ППВ) по окончании выполнения очередного пункта поверки, если вслед за ним сразу же начинается выполнение следующего пункта поверки, требующего запуска программы поверки.
13.3 Требования к условиям проведения поверки
13.3.1 При проведении поверки должны быть соблюдены следующие условия:
-температура окружающей среды, °C
Z %
-относительная влажность -атмосферное давление, -напряжение питающей сети -частота питающей сети,
Изм. |
Лист |
№ докум. |
Подп. |
Дата |
кПа (мм рт. ст.)
, В
Гц
плюс (20±5);
65±15;
100±4 (750±30); 220±22;
50±1.
ФТКС.411713.369РЭ
Лист

13.4 Требования к специалистам, осуществляющим поверку
-
13.4.1 К проведению поверки допускаются лица, изучившие настоящую методику поверки, эксплуатационную документацию на поверяемые изделия и средства поверки.
-
13.4.2 К проведению поверки допускаются лица, соответствующие требованиям, изложенным в статье 41 Приказа Минэкономразвития России от 26.10.2020 года № 707 (ред. от 30.12.2020 года) «Об утверждении критериев аккредитации и перечня документов, подтверждающих соответствие заявителя, аккредитованного лица критериям аккредитации».
13.5 Метрологические и
технические требования к средствам измерений
При проведении поверки должны применяться средства поверки, указанные в таблице 13.2.
Инв. № подл. Подп. и дата | Взам. инв. № Инв. № дубл. Подл, и дата


Таблица 13.2 - Средства поверки
Метрологические и технические требования к средствам поверки |
Наименование и тип (условное обозначение) основного или вспомогательного средства поверки, обозначение нормативного документа, регламентирующего технические требования, и (или) метрологические и основные технические характеристики средства поверки |
Диапазон измерений | |
напряжения постоянного |
Мультиметр 3458А: |
тока от 0,1 до 110 В. |
- пределы измерений напряжения постоянного тока 100 мВ; 1 В; 10 В; 100 В, 1000 В, |
Соотношение пределов общей |
пределы допускаемой абсолютной погрешности |
погрешности средства |
измерений на пределах измерений: |
воспроизведений входного |
- 100 мВ ± (2,5 • 10_б • D+3, 5 ■ 10~б • Е) ; |
сигнала и средства |
- 1 В ±(l,5-10_6-D +0,3- 10”б,Е) ; |
измерений выходного |
- 10 В ±(0,5-10_6-D + 0,05 • 10’6 • Е) ; |
сигнала и пределов |
- 100 В ±(2,5-10"6-D + 0,3-10"б-Е); |
допускаемой погрешности |
- 1000 В ±(2,5-10"6,D + 0,1-10’б-Е), |
поверяемого средства |
где D - показание мультиметра, Е - предел |
измерений должно быть не |
измерений |
более 1:3. | |
Диапазон воспроизведений |
Магазин электрического сопротивления |
электрического |
Р4834-М1: |
сопротивления постоянному |
- диапазон воспроизводимых значений |
току от 0,6 Ом до 2,5 кОм. |
электрического сопротивления, Ом: 0,01 - 111111,1. |
Соотношение пределов |
Класс точности при использовании в качестве |
допускаемой погрешности |
ММЭС по ГОСТ 23737: 0,02/(2,5-10'7) . |
средства воспроизведений |
Пределы допускаемой относительной |
входного сигнала и |
погрешности (d) воспроизведения |
00
09 -------------- О (О |
Лист | ||||||
ФТКС.411713.369РЭ | |||||||
Изм. |
Лист |
№ докум. |
Подп. |
Дата |
38 |
Инв. № подл. Подп. и дата Взам. инв. № Инв. № дубл. Подп. и дата
о см О см
00 о
о
Метрологические и технические требования к средствам поверки |
Наименование и тип (условное обозначение) основного или вспомогательного средства поверки, обозначение нормативного документа, регламентирующего технические требования, и (или) метрологические и основные технические характеристики средства поверки | |
пределов допускаемой погрешности поверяемого средства измерений должно быть не более 1:3. |
номинального значения сопротивления в нормальных условиях применения, %: ±[0,02+2,5 •10’7(105/R-l) ] , где R -номинальное значение включенного сопротивления | |
Вспомогательные средства поверки | ||
Диапазон воспроизведений напряжения постоянного тока от 0,5 до 110 В. |
Источник питания постоянного тока GPR-30H10D: диапазон установки значений выходного напряжения от 0 до 300 В; предел допускаемой абсолютной погрешности установки выходного напряжения прибора, (иуст), В ±(0,005-иуст+0,2); диапазон установки значений выходного тока от 0 до 1 А; предел допускаемой абсолютной погрешности установки выходного тока прибора, (1уст), А ±(0,005 -1уст+0,02) | |
Диапазон воспроизведений напряжения постоянного тока от 0,1 до 10 В. |
Источник питания постоянного тока GPS-3030D:
| |
Воспроизведение среднеквадратического значения напряжения переменного тока 1500 В частотой 50 Гц; Воспроизведение напряжения постоянного тока 500 В; Измерение сопротивления изоляции свыше 20 МОм. Измерение сопротивления заземления до 0,1 Ом. |
Установка для проверки параметров электрической безопасности GPT-79804:
±(0,01-иизм. + 5 В);
Пределы допускаемой основной абсолютной погрешности измерений сопротивления изоляции в диапазонах:
|
00
<т> --------------------- О) <о |
Лист | ||||||
ФТКС.411713.369РЭ |
39 | ||||||
Изм. |
Лист |
№ докум. |
Подп. |
Дата |
Инв. № подл. Подп. и дата Взам. инв. № Ине. № дубл. Подл, и дата
о <м о
со о
<5
00
СО о <о
Метрологические и технические требования к средствам поверки |
Наименование и тип (условное обозначение) основного или вспомогательного средства поверки, обозначение нормативного документа, регламентирующего технические требования, и (или) метрологические и основные технические характеристики средства поверки | |
±(0,01*Иизм + 2 мОм), где Иизм - измеренное значение сопротивления, Ом, □изм - измеренное значение напряжения, В | ||
- |
Источник опорного напряжения постоянного тока ИОН ФТКС.687420.028 | |
Диапазон измерений температуры окружающей среды от +5 до +35 °C, диапазон измерений относительной влажности до 80 %. |
Термогигрометр «ИВА-6Н-Д»:
Пределы допускаемой основной абсолютной погрешности измерений относительной влажности при 23 °C ± 2,0 %;
| |
Диапазон воспроизведений напряжения переменного тока от 198 до 240 В с частотой от 49 до 51 Гц. |
Прибор электроизмерительный цифровой (мультиметр) ИМС-Ф1:
|
-
13.5.1 Допускается применение средств поверки с метрологическими и техническими характеристиками, обеспечивающими требуемую точность передачи единиц величин поверяемому средству измерений, указанную в таблице 2.
-
13.5.2 Допускается применение аналогичного вспомогательного оборудования, обеспечивающего проведение операций поверки.
Изм. |
Лист |
№ докум. |
Подп. |
Дата |
ФТКС.411713.369РЭ
Лист
13.6 Требования (условия) по обеспечению безопасности проведения поверки
13.6.1 При проведении поверки необходимо соблюдать требования безопасности, установленные ГОСТ 12.3.019-80, «Правилами технической эксплуатации электроустановок потребителей». Также должны быть соблюдены требования безопасности, изложенные в эксплуатационных документах на поверяемые изделия и применяемые средства поверки.
13.7 Внешний осмотр средства измерений
Инв. № подл. Подп. и дата Взам. инв. № Инв. № дубл. Подп. и дата
о см о 04
00 О ci
00
00
ъ-
13.7.1.1 При внешнем осмотре проверить наличие товарного знака фирмы-изготовителя, наличие заводского номера изделия, комплектность изделия на соответствие формуляру ФТКС.411713.369ФО, состояние покрытий.
Результат внешнего осмотра считать положительным, если при выполнении внешнего осмотра было установлено:
-
- наличие товарного знака фирмы-изготовителя изделия;
-
- наличие заводского номера изделия;
-
- соответствие комплектности изделия указанной в формуляре ФТКС.411713.369ФО;
-
- отсутствие нарушений целостности элементов, контактов и покрытий изделия.
13.8 Подготовка к поверке и опробование средства измерений
-
13.8.1 При выполнении поверки изделия следует использовать ППВ.
Программой создается и ведется файл протокола, содержащий результаты поверки.
-
13.8.2 Все вводимые в ПЭВМ значения величин должны быть представлены в основных единицах международной системы единиц физических величин СИ в формате с плавающей точкой.
При вводе нецелых чисел разделителем целой и дробной частей числа является символ «.» (точка).
Разделителем мантиссы и порядка являются символ (буква) «Е» или «е» латинского или русского алфавита.
-
13.8.3 Перед проведением поверки необходимо выполнить следующие подготовительные работы:
-
1) выдержать изделие в условиях, указанных в п. 13.3.1 в течение не менее 8 ч;
-
2) выполнить операции, оговоренные в разделе 11 «Подготовка к работе»;
Лист
Изм.
Лист
№ докум.
Подп.
Дата
ФТКС.411713.369РЭ
-
3) выполнить операции, оговоренные в технической документации на применяемые средства поверки по их подготовке к измерениям;
-
4) собрать схему поверки в соответствии с проводимой операцией.
13.8.4 Опробование
-
13.8.4.1 Опробование изделия выполнять согласно пп. 12.3.1, 12.3.2 настоящего руководства.
Результат опробования считать положительным, если при выполнении проверки работоспособности изделия не было сообщений о неисправностях.
Изделие подвергать поверке только при положительном результате его опробования.
Инв. № подл. Подп. и дата Взам. инв. № Инв. № дубл. Подп. и дата
о см о см об о о
13.8.5 Определение электрического сопротивления цепи защитного заземления, электрической сопротивления изоляции цепи сетевого питания относительно корпуса, электрической прочности изоляции цепи сетевого питания
-
13.8.5.1 Определение электрического сопротивления защитного заземления выполнять в следующем порядке:
-
1) подготовить установку GPT-79804 (далее - пробойная установка) для проверки электрической безопасности:
-
- установить режим измерения электрического сопротивления заземления;
-
- испытательный ток установить равным 25 А;
-
2) отключить пробойную установку;
-
3) подключить один вывод высоковольтного выхода пробойной установки к штырю (болту) заземления блока БЭ312;
-
4) подключить второй вывод высоковольтного выхода (общий, соединенный с корпусом пробойной установки) к штырю (болту) заземления стойки СЭ246;
-
5) включить пробойную установку и провести измерение электрического сопротивления между штырем заземления стойки СЭ2 4 6 и штырем заземления блока БЭ312;
-
6) выключить пробойную установку и отключить контакты ее высоковольтного выхода от стойки СЭ246 и блока БЭ312.
Результат проверки считать положительным, если измеренные значения электрического сопротивления не превышают 0,1 Ом.
-
13.8.5.2 Определение электрической прочности изоляции цепи сетевого питания изделия относительно корпуса выполнять в следующем порядке:
-
1) подготовить пробойную установку;
-
2) выключить изделие согласно указаниям приложения Д, если оно не было выключено, вилку кабеля сетевого питания стойки СЭ246 изделия отсоединить от сети питания;
-
3) открыть заднюю дверь стойки СЭ246 и отсоединить от крейта, источника питания, сетевого фильтра и остальных устройств их кабели сетевого питания, аккуратно повесив свободные концы кабелей;
-
4) соединить вход «RETURN» пробойной установки с шиной заземления стойки СЭ246;
00
00 о <£>
6)
7)
8)
9)
Ю)
соединить высоковольтный выход пробойной установки с первым контактом вилки сетевого кабеля стойки СЭ246;
установить следующий режим работы пробойной установки:
-
- испытательное напряжение среднеквадратического значения напряжения переменного тока частотой 50 Гц 1500 В;
-
- время нарастания испытательного напряжения до установившегося значения 10 с;
-
- время выдержки в установившемся состоянии 1 мин;
-
- минимальный ток измерения 0 мА;
-
- максимальный ток измерения 20 мА;
включить пробойную установку и дождаться появления сообщения «PASS»;
высоковольтный выход пробойной установки отсоединить от первого контакта и подсоединить ко второму контакту вилки сетевого кабеля стойки СЭ246;
повторить действие 7);
отсоединить кабели пробойной установки от сетевого кабеля и шины заземления стойки СЭ246;
соединить между собой составные части изделия, руководствуясь документом ФТКС.411713.369Э4 Стойка СЭ246 Схема электрическая соединений;
подсоединить кабель питания изделия к сети питания.
если при выполнении
12)
Результат проверки считать положительным, проверки не произошло пробоя электрической изоляции.
-
-
13.8.5.3 Определение электрического сопротивления изоляции цепи сетевого питания изделия относительно корпуса выполнять в следующем порядке:
подготовить пробойную установку для работы в режиме измерения сопротивления изоляции со следующими параметрами:
-
- испытательное напряжение 500 В;
-
- диапазон измерений сопротивления изоляции не менее 20 МОм; выключить изделие согласно указаниям приложения Д, если оно не было выключено, вилку кабеля сетевого питания стойки СЭ246 изделия отсоединить от сети питания;
открыть заднюю дверь стойки СЭ246 и отсоединить от блока вентиляторов, панели индикации, источника питания, консоли оператора, ПЭВМ, крейта, блока розеток их кабели сетевого питания, аккуратно повесив свободные концы кабелей;
соединить с помощью зажима с изолирующим покрытием вход «RETURN» пробойной установки с шиной заземления стойки СЭ246;
соединить с помощью зажима с изолирующим покрытием высоковольтный выход пробойной установки с первым контактом вилки сетевого кабеля СЭ246;
измерить электрическое сопротивление изоляции цепи; высоковольтный выход пробойной установки отсоединить от первого контакта и подсоединить ко второму контакту вилки сетевого кабеля СЭ246;
повторить действие 6);
отсоединить кабели пробойной установки от сетевого кабеля и шины заземления стойки СЭ246;
соединить между собой составные части изделия, руководствуясь документом ФТКС.411713.369Э4 Стойка СЭ246 Схема электрическая соединений;
Инв. № подл. Подп. и дата Взам. инв. № Инв. № дубл. Подл, и дата

Изм. |
Лист |
№ докум. |
Подп. |
Дата |
ФТКС.411713.369РЭ
-
11) подсоединить кабель питания изделия к сети питания.
Результат проверки считать положительным, если измеренные значения электрического сопротивления изоляции имеют величину не менее 20 МОм.
13.9 Проверка программного обеспечения средства измерений
-
13.9.1 Проверку номера версии и контрольной суммы исполняемого кода (цифрового идентификатора ПО) выполнять следующим образом:
1)
на ПЭВМ запустить на исполнение программу ppv, расположенную по пути /usr/local/Ып/ (можно запустить из терминала или с помощью ярлыка на рабочем столе ППВ ТЕСТ-7007);
в открывшейся панели выбрать пункт меню «О программе»;
в открывшейся панели в поле «Метрологически значимые части ПО» выбрать и зарегистрировать номера версии и контрольной суммы файла povCalc.so, рассчитанной по алгоритму CRC32;
4)
сравнить номера версии и контрольной суммы, зарегистрированные в действии 3), с номерами версии и контрольной суммы, записанными в формуляре изделия ФТКС.411713.369ФО.
Результаты проверки считать положительными, если полученные идентификационные данные программных компонентов (номер версии и цифровой идентификатор) соответствуют идентификационным данным, записанным в формуляре изделия.
Инв. № подл. Подл, и дата Взам. инв. № Инв. № дубл. Подп. и дата

13.10 Определение метрологических характеристик средства измерения
13.10.1 Определение относительной погрешности измерений постоянного тока, реализуемого измерителем МН6И-150В следующем порядке:
1) подготовить приборы и принадлежности:
-
- мультиметр 3458А (далее - мультиметр)
-
- источник питания постоянного
(далее - источник питания) - 1 шт.;
-
- кабель Т7007-МН6И ФТКС.685611.132 - 1 шт.;
-
- кабель ШШВ ФТКС.685621.038-01 - 2 шт.; собрать рабочее место согласно рисунку Ж.1 (приложение Ж); включить изделие, руководствуясь приложением выждать не менее 10 мин;
включить мультиметр, установить его постоянного тока с автоматическим Выдержать мультиметр во включенном Провести автокалибровку мультиметра; на лицевой панели мультиметра в положение «Open»;
1 шт.;
тока
2)
3)
5)
Изм. |
Лист |
№ докум. |
Подп. |
Дата |
напряжения выполнять в
GPR-30H10D
Д. До начала поверки
в режим выбором состоянии
измерения напряжения диапазона измерений, не менее 20 мин.
установить кнопку «GUARD»
ФТКС.411713.369РЭ
б)
7)
установить регуляторы источника питания в положение. Включить источник питания. Ручкой тока выставить необходимое значение силы тока от запустить на исполнение программу на
крайнее регулировки 0,1 до 0,15 рабочем
левое силы
А;
столе
ППВ ТЕСТ-7007(см. ФТКС.52101-01 34 01 Система автоматизированная измерительная ТЕСТ-7007 Система проверки функций Руководство оператора);
в открывшемся окне «Поиск инструментов» инструментов нажать кнопку «Ок»;
в поле перечня инструментов выбрать напряжения в диапазоне от 0,5 В до 110 кнопку запуска;
процессе выполнения поверки выполнять Установить на источнике питания тока с отклонением не более ±5 % 20,0; 40,0; 80,0; 110,0 Примечание - После задания
переходных процессов в течение
8)
9)
после появления списка
«Измерение постоянного
В (МН6И-150В)» и нажать
все указания программы, значение напряжения постоянного от номинального значения: 0,5;
В.
требуемого не менее 1
напряжения выждать завершение мин;
10)при необходимости,
отсоединить от изделия все приборы и принадлежности.
по
окончании поверки закрыть ППВ ТЕСТ-7007,
Инв. № подл. Подп. и дата Взам. инв. № Инв. № дубл. Подп. и дата

13.10.2 Определение относительной погрешности измерений напряжения постоянного тока, реализуемого измерителем МН8ИП выполнять в следующем порядке:
подготовить приборы и принадлежности (из состава ЗИП-0):
-
- мультиметр 3458А (далее - мультиметр) - 1 шт.;
-
- источник питания постоянного тока GPS-3030D(далее питания) - 1 шт.;
-
- кабель
-
- кабель
-
- кабель
1)
2)
3)
5)
б)
9)
источник
Т7007-МН8ИП ФТКС.685611.136 -ШШВЭ ФТКС.685621.531 - 2 шт.;
ШШВ ФТКС.685621.038-01
1 шт.;
ИОН) - 1 шт.; шт.;
-
- ИОН ФТКС.687420.028 (далее -
-
- фильтр ФТКС.687420.145 - 1
собрать рабочее место согласно рисунку Ж.2 (приложение Ж); включить изделие, руководствуясь приложением выждать не менее 10
включить мультиметр постоянного тока с
Выдержать мультиметр во включенном Провести автокалибровку мультиметра; на лицевой панели мультиметра в положение «Open»;
установить регуляторы источника положение. Включить источник питания. Ручкой тока выставить необходимое значение силы тока от выставить на источнике питания значение напряжения равное (16,0 ± 0,5) В;
включить питание верхнее положение.
5 мин; установить тумблер «АТ» - в положение
Изм. |
Лист |
№ докум. |
Подп. |
Дата |
Д. До начала поверки
мин;
, установить его автоматическим во
ИОН, установив Выдержать ИОН во
«Rnep» на ИОН «10 В».
в режим выбором состоянии
измерения напряжения диапазона измерений, не менее 20 мин.
установить
питания в
кнопку «GUARD»
крайнее регулировки 0,1 до 0,15
левое силы
А;
тумблер «Питание» на ИОН в включенном состоянии не менее
в положение «ВНУТР», тумблер
ФТКС.411713.369РЭ
Инв. № подл. Подп. и дата Взам. инв. № Инв. № дубл. Подл, и дата
о ом о см со о
о
Примечание - Тумблер «АТ» на ИОН рекомендуется устанавливать в положение «10 В» при подаче на входы изделия испытательного напряжения величиной более 500 мВ и в положение «500 мВ» при подаче на входы изделия испытательного напряжения величиной менее 500 мВ;
-
10) запустить на исполнение программу на рабочем столе ППВ ТЕСТ-7007(см. ФТКС.52101-01 34 01 Система автоматизированная измерительная ТЕСТ-7007 Система проверки функций Руководство оператора);
-
11) в открывшемся окне «Поиск инструментов» после появления списка инструментов нажать кнопку «Ок»;
-
12) в поле перечня инструментов выбрать «Измерение постоянного напряжения в диапазоне от 0,1 В до 10 В (МН8ИП)» и нажать кнопку запуска;
-
13) в процессе выполнения поверки выполнять все указания программы. Установить на источнике питания значение напряжения постоянного тока с отклонением не более ±5 % от номинального значения: 0,1; 2,5; 5,0; 7,5; 9,8 В. Установка величины напряжения производится плавным вращением регуляторов «ГРУБО» и «ТОЧНО» на лицевой панели ИОН с одновременным наблюдением за показаниями мультиметра.
Примечание - После задания требуемого напряжения выждать завершение переходных процессов в течение не менее 1 мин;
-
14) при необходимости, по окончании поверки закрыть ППВ ТЕСТ-7007, отсоединить от изделия все приборы и принадлежности.
-
13.10.3 Определение относительной погрешности измерений
электрического сопротивления постоянному току выполнять в следующем порядке:
-
1) подготовить приборы и принадлежности (из состава ЗИП-0):
-
- магазин электрического сопротивления Р4834-М1(далее - магазин) - 1 шт.;
-
- кабель Т7007-МТ16-1 ФТКС.685611.139 - 1 шт.;
-
- кабель Т7007-МТ16-2 ФТКС.685611.140 - 1 шт.;
-
2) собрать рабочее место согласно рисунку Ж.З (приложение Ж);
-
3) включить изделие, руководствуясь приложением Д. До начала поверки выждать не менее 10 мин;
-
4) запустить на исполнение программу на рабочем столе ППВ ТЕСТ-7007(см. ФТКС.52101-01 34 01 Система автоматизированная измерительная ТЕСТ-7007 Система проверки функций Руководство оператора);
-
5) в открывшемся окне «Поиск инструментов» после появления списка инструментов нажать кнопку «Ок»;
-
6) в поле перечня инструментов выбрать «Измерение сопротивления постоянному току от 0,6 Ом до 2,5 кОм каналы 1-12 (МТ16-4Л-01)» и нажать кнопку запуска. В процессе выполнения программы воспроизвести следующие значения электрического сопротивления постоянному току:
- диапазон измерений от 0,6 до 62 Ом: 0,6; 12,0, 22,0, 42,0, 62,0 Ом;
00
О) <О |
Лист | ||||||
ФТКС. 411713.369РЭ | |||||||
Изм. |
Лист |
№ докум. |
Подп. |
Дата |
46 |
Инв. № подл. Подп. и дата Взам. инв. № Инв. № дубл. Подл, и дата
-
- диапазон измерений от 1,2 до 125 Ом: 1,2; 30,0; 70,0; 100,0; 125,0 Ом;
-
- диапазон измерений от 2,5 до 250 Ом: 2,5; 50,0; 100,0; 150,0; 250,0 Ом;
-
- диапазон измерений от 5 до 500 Ом: 5; 100; 200; 350; 500 Ом;
-
- диапазон измерений от 12,5 Ом до 1,25 кОм: 12,5; 200,0; 500,0; 700,0 Ом; 1,25 кОм;
-
- диапазон измерений от 25 Ом до 2,5 кОм: 25; 500 Ом; 1,0; 1,5;
2,5 кОм.
-
7) в процессе выполнения поверки выполнять все указания программы;
-
8) повторить действия 2), 6)-7) для инструментов «Измерение
сопротивления постоянному току от 0,6 Ом до 2,5 кОм каналы 13-24 (МТ16-4Л-01)», «Измерение сопротивления постоянному току от
0,6 Ом до 2,5 кОм каналы 25-36 (МТ16-4Л-01)», «Измерение
сопротивления постоянному току от 0,6 Ом до 2,5 кОм каналы 37-48 (МТ16-4Л-01)», «Измерение сопротивления постоянному току от
0,6 Ом до 2,5 кОм каналы 49-60 (МТ16-4Л-01)», «Измерение
сопротивления постоянному току от 0,6 Ом до 2,5 кОм каналы 61-72 (МТ16-4Л-01)», «Измерение сопротивления постоянному току от
0,6 Ом до 2,5 кОм каналы 73-84 (МТ16-4Л-01)», «Измерение
сопротивления постоянному току от 0,6 Ом до 2,5 кОм каналы 85-96 (МТ16-4Л-01)», «Измерение сопротивления постоянному току от
0,6 Ом до 2,5 кОм каналы 97-108 (МТ16-4Л-01)», «Измерение сопротивления постоянному току от 0,6 Ом до 2,5 кОм каналы 109-120 (МТ16-4Л-01)», «Измерение сопротивления постоянному току от
0,6 Ом до 2,5 кОм каналы 121-132 (МТ16-4Л-01)», «Измерение
сопротивления постоянному току от 0,6 Ом до 2,5 кОм каналы 133-144 (МТ16-4Л-01)», «Измерение сопротивления постоянному току от
0,6 Ом до 2,5 кОм каналы 145-156 (МТ16-4Л-01)», «Измерение сопротивления постоянному току от 0,6 Ом до 2,5 кОм каналы 157-168 (МТ16-4Л-01)», «Измерение сопротивления постоянному току от
0,6 Ом до 2,5 кОм каналы 169-176 (МТ16-4Л-01)»;
-
9) при необходимости, по окончании поверки закрыть ППВ ТЕСТ-7007, отсоединить от изделия все приборы и принадлежности.
13.11 Подтверждение соответствия средства измерений метрологическим требованиям
о OJ О
об О ci
-
13.11.1 Результаты измерений заносятся в файл протокола (значения погрешностей подсчитываются автоматически), содержащий информацию о выполнении поверки по методике, изложенной в разделе 13.
-
13.11.2 Изделие подтверждает соответствие метрологическим требованиям, установленным при утверждении типа, если для всех измеренных значений напряжения постоянного тока погрешность измерений находится в пределах, указанных в п. 13.10.
При невыполнении любого из вышеперечисленных условий (когда изделие не подтверждает соответствие метрологическим требованиям),

Изм. |
Лист |
№ докум. |
Подп. |
Дата |
ФТКС.411713.369РЭ
Лист
47
поверку изделия прекращают, изделие дальнейшей поверке не подвергается и направляется в ремонт или для проведения настройки результаты повторной поверки признают окончательными.
13.12 Оформление результатов поверки
13.12.1 Результаты поверки изделия подтверждаются сведениями,
в Федеральный информационный фонд по обеспечению единства соответствии с порядком, установленным действующим
включенными измерений в законодательством.
13.12.2 на поверку, соответствие поверке по
По заявлению владельца изделия или лица, представившего его положительные результаты поверки (когда изделие подтверждает метрологическим требованиям) оформляют свидетельством о установленной в соответствии с действующим (или) нанесением на изделие знака поверки, и (или) изделия записи о проведенной поверке, заверяемой знаком поверки, с указанием даты поверки.
форме,
и
законодательством, внесением в паспорт подписью поверителя и
Инв. № подл. Подп. и дата Взам. инв. № Инв. № дубл. Подл, и дата

представившего его результаты поверки (когда изделие не метрологическим требованиям) оформляют
По заявлению владельца изделия или лица,
отрицательные
соответствие
непригодности к применению средства измерений по форме в
внесением в паспорт изделия соответствующей записи.
13.12.3 на поверку, подтверждает извещением о
установленной
/
соответствии с действующим законодательством, и (или)
13.12.4 Протоколы поверки изделия формируются автоматически ППВ.
Изм. |
Лист |
№ докум. |
Подп. |
Дата |
ФТКС.411713.369РЭ
14 Возможные неисправности и способы их устранения
14.1 Возможные неисправности и способы их устранения приведены в таблице 14.1.
Инв. № подл. Подп. и дата | Взам. инв. № Инв. № дубл. Подп. и дата



Таблица 14.1
Наименование неисправности, внешнее проявление и дополнительные признаки |
Зероятная причина |
Способ устранения | |
Не включается электропитание блока БЭ312 |
Неисправен предохранитель цепи сетевого питания |
На задней панели блока БЭ312 проверить состояние предохранителя. При необходимости предохранитель заменить | |
Не обнаруживаются некоторые модули изделия при программной проверке изделия |
Не включено питание блока БЭ312 |
Включить электропитание блока БЭ312 | |
Модули не до конца установлены в слоты крейта |
Выключить изделие. Проверить установку модулей в крейте, проверить, что винты крепления модулей в крейте завинчены до упора | ||
Не подсоединен или неисправен кабель информационной магистрали |
Проверить кабель. При обнаружении неисправности, отремонтировать или заменить | ||
Модуль или мезонин неисправен |
Заменить модуль или мезонин на исправный | ||
Выдано сообщение о неисправности модуля при программной проверке изделия |
Неисправен указанный модуль (мезонин) |
Заменить неисправный модуль соответствующим исправным модулем | |
Погрешность измерений или формирования электрической величины превышает предельно допустимые значения, указанные в руководстве по эксплуатации соответствующего модуля или мезонина |
Изменились условия эксплуатации изделия, влияющие на величину погрешности |
Выполнить калибровку модуля или мезонина | |
14.2 Вышедший из строя |
модуль необходимо заменить аналогичным |
исправным модулем. Перед установкой в изделие на исправном модуле необходимо установить переключатели логического адреса и линии прерывания в такое же положение, что и на вышедшем из строя модуле. Установку переключателей необходимо выполнять в соответствии с руководством по эксплуатации соответствующего модуля.
При восстановлении работоспособности изделия путем замены неисправного модуля исправным повторного заключения на изделие не требуется. Вновь установленный в состав изделия модуль должен быть проверен с помощью ППМ в режиме «ОК отключен». О проведенной замене
Изм. |
Лист |
№ докум. |
Подп. |
Дата |
ФТКС.411713.369РЭ
Лист
49
модуля должна быть сделана изделие.
При замене мезонинного
запись
в разделе «Особые отметки» формуляра на
модуля соответствующая запись в паспорте мезонина при эксплуатации») и паспорте носителя мезонинов (подраздел «Сведения об установке и снятии мезонинов»).
дополнительно должна быть сделана мезонинного модуля (подраздел «Движение
-
14.3 Если не удалось восстановить изделие, свяжитесь с представителями изготовителя и сообщите им всю имеющуюся информацию:
-
- о порядке ваших действий при работе с изделием;
-
- о всех сообщениях программного обеспечения о подозреваемых неисправностях;
-
- о внешних признаках (результатах измерений, результатах взаимодействия изделия с внешними объектами и приборами), позволяющих судить о состоянии изделия;
-
- о действиях по восстановлению изделия,
для анализа имеющейся информации и установления истинных причин появления сообщений о неисправности.
Инв. № подл. Подп. и дата Взам. инв. № Инв. № дубл. Подп. и дата

Изм. |
Лист |
№ докум. |
Подп. |
Дата |
ФТКС.411713.369РЭ
15 Техническое обслуживание
-
15.1 Виды и периодичность технического обслуживания
-
15.1.1 Техническое обслуживание изделия включает следующие виды:
-
- ежедневное техническое обслуживание (ЕТО);
-
- периодическое техническое обслуживание (ТО-1);
-
- ежегодное техническое обслуживание (ТО-2).
15.1.2
назначению.
ЕТО проводится
при подготовке изделий к использованию и
15.1.3
постановкой периодичность проведения ТО-1,
ТО-1 рекомендуется проводить один раз в месяц, а также перед изделия на кратковременное хранение. Допускается увеличивать но не реже, чем один раз в три месяца.
15.1.4 ТО-2 проводится один раз в год, независимо от интенсивности эксплуатации изделия, а также перед постановкой изделия на длительное хранение.
Инв. № подл. Подп. и дата Взам. инв. № Инв. № дубл. Подл, и дата

15.2 Порядок технического обслуживания
15.2.1 Порядок технического обслуживания соответствует порядку записи операций в таблице 15.1.
15.2.2 Операция технического обслуживания выполняется в соответствии с ее технологической картой.
15.2.3
выполнение
15.2.4
При
всех
техническом обслуживании изделия обязательным является действий, изложенных в технологических картах операций.
несоответствия, выявленные в процессе технического обслуживания, должны быть устранены. При этом должна быть сделана запись в соответствующем разделе формуляра изделия ФТКС.411713.369ФО.
Все
15.2.5 О проведении и результатах ТО должна быть сделана запись в соответствующем разделе формуляра изделия ФТКС.411713.369ФО.
Изм. |
Лист |
№ докум. |
Подп. |
Дата |
ФТКС.411713.369РЭ
Таблица 15.1
Наименование операции технического обслуживания |
Номер технологи-ческой карты |
Виды технического обслуживания | |||
ЕТО |
ТО-1 |
ТО-2 | |||
1 Проверка состояния и чистка наружных поверхностей изделия |
1 |
+ |
+ |
+ | |
2 Проверка работоспособности изделия |
2 |
+ |
- |
- | |
3 Проверка работоспособности и выходных цепей изделия |
3 |
- |
+ |
+ | |
4 Проверка комплектности и ЗИП-0 |
состояния |
4 |
- |
- |
+ |
5 Детальный осмотр и чистке |
1 изделия |
5 |
- |
- |
+ |
6 Проверка эксплуатационные документов |
с |
6 |
- |
- |
+ |
-
15.3 Технологические карты операций технического обслуживания
Инв. № подл. Подп. и дата | Взам. инв. № Инв. № дубл. Подл, и дата
-
15.3.1 Технологическая карта 1
Проверка состояния и чистка наружных поверхностей изделия
Средства измерений: нет.
Инструмент: нет.
Расходные материалы:
-
- ветошь обтирочная 627 ГОСТ 5364-79 - 0,7 кг;
-
- кисть флейцевая КФ251 - 1 шт.
Действия:
-
1) отключить изделие от сети;
-
2) произвести внешний осмотр изделия, убедиться в отсутствии деформаций кожухов и корпусов составных частей изделия, убедиться в целостности органов управления и индикации;
-
3) удалить пыль с наружных поверхностей изделия сухой ветошью (кистью), в том числе и с поверхностей его составных частей.
-
15.3.2 Технологическая карта 2
Проверка работоспособности изделия
Средства измерений: нет.
Инструмент: нет.
Расходные материалы: нет.
со
<*> --------------------- О) <о |
Лист | ||||||
ФТКС.411713.369РЭ | |||||||
Изм. |
Лист |
№ докум. |
Подп. |
Дата |
52 |
Действия:
1)
2)
-
3)
-
4)
включить изделие;
убедиться в положительном результате самотестирования ПЭВМ и правильности загрузки операционной среды;
выдержать изделие во включенном состоянии не менее 10 мин; выполнить проверку изделия в режиме «ОК подключен» ППМ (см. п. 12.3.1).
При положительном результате проверки изделие готово к работе.
Если обнаружена неисправность изделия, устранить ее, руководствуясь указаниями раздела 14, убедиться в ее отсутствии, вторично выполнив проверку, при которой была обнаружена неисправность.
15.3.3 Технологическая карта 3
Проверка работоспособности и целостности выходных цепей изделия Средства измерений: нет.
Инструмент: нет.
Расходные материалы: нет.
Действия:
1)
2)
Инв. Ns подл. Подл, и дата Взам. инв. № Инв. № дубл. Подл, и дата

включить изделие;
убедиться в положительном результате самотестирования правильности загрузки операционной среды;
выдержать изделие во включенном состоянии не менее 10 выполнить проверку изделия в режиме «ОК отключен» 12.3.2).
При положительном результате проверки изделие готово
Если обнаружена неисправность изделия, устранить ее,
ППМ
ПЭВМ и
мин;
(см.
к работе, руководствуясь
указаниями раздела 14, и убедиться в ее отсутствии, вторично выполнив проверку, при которой была обнаружена неисправность.
15.3.4 Технологическая карта 4
Проверка комплектности и состояния ЗИП-0
Средства измерений: нет. Инструмент: нет.
Расходные материалы: нет.
Действия:
1)
2)
3)
4)
проверить наличие принадлежностей и запасных частей по таблице 3 формуляра ФТКС.411713.369ФО;
произвести осмотр модулей и мезонинов, убедиться в целостности креплений, покрытий и контактов соединителей, а также в целостности пломбировки модулей и соответствии оттисков клейм ОТК и ВП МО РФ;
проверить внешний вид запасных частей и принадлежностей, проверить сохранность упаковки ЗИП-0;
проверить работоспособность модулей и мезонинов комплекта ЗИП-0.
Изм. |
Лист |
Ns докум. |
Подп. |
Дата |
ФТКС. 411713.369РЭ
Детальный осмотр и чистка изделия Средства измерений: нет. Инструмент: отвертка.
Расходные материалы:
-
- бязь отбеленная ГОСТ 29298-2005
-
- кисть флейцевая - 2
-
- спирт этиловый ГОСТ При разборке разборных
позаботиться о сохранности
Действия:
1)
2,5 м;
шт;
Р 55878-2013 - 4,5 л.
механических соединений (креплений) крепежа и деталей.
Инв. № подл. Подп. и дата Взам. инв. № Инв. № дубл. Подл, и дата

выключить изделие, отсоединить вилки сетевых кабелей изделия от сети питания;
отсоединить все кабели от внешних устройств и ОК; очистить от пыли внешние поверхности кабелей изделия;
отключить кабели панели КП-ВВ191 от модулей блока БЭ312, отвинтить винты, крепящие модули к блоку БЭ312, извлечь модули из крейта и аккуратно сложить их на заранее подготовленном столе;
-
10) произвести осмотр модулей, убедиться в целостности креплений, покрытий и контактов соединителей, а также в целостности пломбировки модулей и соответствии оттисков клейм ОТК и ВП МО РФ;
-
11) произвести осмотр крейта из состава стойки СЭ246. Очистить от пыли внешнюю поверхность крейта, загрязненные места протереть бязью, смоченной в спирте, и высушить;
-
12) установить модули в крейт, руководствуясь документом
ФТКС.411259.339Э4 Блок БЭ312 Схема электрическая соединений;
-
13) произвести осмотр ИП-400, убедиться в целостности креплений, покрытий и контактов соединителей, а также в целостности пломбировки и соответствии оттисков клейм ОТК и ВП МО РФ. Очистить от пыли внешнюю поверхность ИП-400, загрязненные места протереть бязью, смоченной в спирте, и высушить;
-
14) произвести осмотр стойки СЭ246, убедиться в целостности и надежности цепей заземления;
-
15) протереть бязью, смоченной в спирте, загрязненные места стойки СЭ246;
-
16) выполнить техническое обслуживание покупных устройств в соответствии с эксплуатационными документами на них;
-
17) соединить составные части изделия кабелями, руководствуясь документами:
-
- ФТКС.411713.369Э4 Система автоматизированная измерительная ТЕСТ-7007 Схема электрическая соединений;
-
- ФТКС.411713.369МЧ Система автоматизированная измерительная ТЕСТ-7007 Монтажный чертеж;
-
- ФТКС.411187.256Э4 Стойка СЭ246 Схема электрическая соединений;
-
- ФТКС.411187.256МЧ Стойка СЭ246 Монтажный чертеж.
Изм.
Лист
№ докум.
Подп.
Дата
ФТКС.411713.369РЭ
Проверка эксплуатационных документов
Средства измерений: нет.
Инструмент: нет.
Расходные материалы: нет.
Действия:
1)
2)
3)
проверить наличие эксплуатационных документов по ведомости ФТКС.411713.369ВЭ;
проверить состояние
проверить своевременность внесения необходимых записей в формуляр изделия ФТКС.411713
эксплуатационных документов;
.369ФО.
Инв. № подл. Подл, и дата Взам. инв. № Инв. № дубл. Подл, и дата

Изм. |
Лист |
№ докум. |
Подл. |
Дата |
ФТКС.411713.369РЭ
16 Хранение
Ине. № подл. Подп. и дата Взам. ине. № Ине. № дубл. Подл, и дата
-
16.1 Изделие должно храниться в складских условиях в транспортной таре, в которой изделие поставляется изготовителем.
Складские условия:
-
- температура воздуха от плюс 5 до плюс 40 °C;
-
- относительная влажность воздуха не более 80 % при температуре
20 °C;
-
- воздух не должен содержать пыли, паров кислот, щелочей и других агрессивных примесей.
-
16.2 При хранении в штатной упаковке в складских условиях изделие допускает хранение в течение всего срока гарантии при условии переконсервации после каждых двух лет хранения согласно требованиям эксплуатационной документации.
-
16.3 Изделие, упакованное в транспортную тару, должно храниться с соблюдением требований манипуляционных знаков, нанесенных на тару.
-
16.4 В помещении для хранения изделия не должно быть пыли, паров кислот, щелочей и других агрессивных примесей.
-
16.5 При перерыве в эксплуатации изделия, установленного на рабочем месте, необходимо отсоединить от сети питания и от составных частей изделия кабели сетевые, обеспечив сохранность всех отсоединенных кабелей на время перерыва в эксплуатации изделия.
В течение всего перерыва в эксплуатации изделия необходимо выполнять все виды технического обслуживания изделия в соответствии с их периодичностью, кроме операций, описанных в технологических картах 2 (Проверка работоспособности изделия), 3 (Проверка работоспособности и выходных цепей изделия) и 4 (Проверка комплектности и состояния ЗИП-0).

со
о> <о Т— |
ФТКС.411713.369РЭ |
Лист | |||||
56 | |||||||
Изм. |
Лист |
№ докум. |
Подп. |
Дата |
17 Транспортирование
17.1 Изделие, упакованное в транспортную тару, допускает транспортирование следующими видами транспорта:
-
- воздушным транспортом и железнодорожным транспортом без ограничения дальности и скорости;
-
- автомобильным транспортом:
а) по дорогам I категории - на расстояние до 1 000 км;
б) по дорогам II - III категории - на расстояние до 250 км со скоростью 40 км/ч.
-
17.2 При транспортировании транспортная тара с изделием должна быть надежно закреплена креплениями, исключающими ее перемещение относительно транспортного средства при воздействии механических нагрузок.
-
17.3 Изделие должно транспортироваться в закрытых транспортных средствах, исключающих попадание атмосферных осадков, в соответствии с правилами перевозок, действующими на транспорте.
-
17.4 Допускается транспортирование изделия в штатной упаковке изготовителя при следующих климатических условиях:
-
- температура окружающей среды от минус 50 до плюс 50 °C;
-
- относительная влажность воздуха до 98 % в диапазоне температур от плюс 15 до плюс 20 °C.
Инв. № подл. Подп. и дата | Взам. инв. Ns Инв. № дубл. Подл, и дата


Изм. |
Лист |
№ докум. |
Подп. |
Дата |
ФТКС.411713.369РЭ
Лист
57
Приложение А
(справочное)
Перечень сокращений и обозначений
Инв. № подл. Подп. и дата Взам. инв. № Инв. № дубл. Подл, и дата
о см об о о

бортовой специальный комплекс;
блок электронный;
Военное представительство Министерства обороны РФ; ведомость эксплуатационных документов;
ежедневное техническое обслуживание;
запасные части, инструменты и принадлежности; источник питания;
коммутационная панель; контрольно-проверочная аппаратура; мультиплексный канал обмена;
монтажный чертеж;
оперативно-запоминающее устройство;
объект контроля;
отдел технического контроля; программное обеспечение;
программа поверки модулей;
программа проверки модулей;
персональная электронная вычислительная машина; руководство по эксплуатации;
средство измерения
система проверки функций;
стойка электронная;
ежемесячное техническое обслуживание; ежегодное техническое обслуживание;
Формуляр; эксплуатационная документация.
Изм. |
Лист |
№ докум. |
Подп. |
Дата |
ФТКС.411713.369РЭ
Лист
58
Приложение Б
(справочное)
Логические номера крейтов и координаты модулей/мезонинов изделия
Б.1 Логический номер крейта изделия приведён в таблице Б.1.
Таблица Б.1 - Логический номер крейта в стойке СЭ246
Логический номер крейта |
Наименование по КД |
1 |
Блок БЭ312 |
Б. 2 Координаты модулей и мезонинов изделия приведены в таблице Б.2.
Инв. № подл. | Подп. и дата | Взам. инв. № | Инв. № дубл. | Подп. и дата

Таблица Б.2 - Координаты модулей (крейт/слот) и мезонинов (крейт/слот/позиция) в стойке СЭ246
Модуль, мезонин |
Координаты |
ETHERNET CONTROLLER |
1/0 |
НМУ |
1/1 |
МФТК1Э |
1/1/1; 1/1/2; 1/1/3; 1/1/4 |
НМ-М |
1/2 |
МФТК1Э |
1/2/1 |
МДС32 |
1/2/3 |
Модуль РДС |
1/4 |
НМ-М |
1/6 |
Измеритель мгновенных значений напряжения МН6И-150В |
1/6/1 |
Измеритель мгновенных значений напряжения МН8ИП |
1/6/2 |
НМ-М |
1/8 |
Измеритель сопротивления постоянному току МТ16-4Л-01 |
1/8/1; 1/8/2; 1/8/3; 1/8/4 |
НМ-М |
1/10 |
Измеритель сопротивления постоянному току МТ16-4Л-01 |
1/10/1; 1/10/2; 1/10/3; 1/10/4 |
НМ-М |
1/12 |
Измеритель сопротивления постоянному току МТ16-4Л-01 |
1/12/1; 1/12/2; 1/12/3 |

Изм. |
Лист |
№ докум. |
Подп. |
Дата |
ФТКС.411713.369РЭ
Лист
59
Б.З Логический адрес модуля ETHERNET CONTROLLER не конфигурируется. Логический адрес прочих модулей в изделии соответствует их порядковому номеру (отсчёт начинается в направлении от слота ноль).
Б. 4 Логический адрес устанавливается постоянным (статическим) с помощью переключателя (статическая конфигурация).
Б. 5 Установка логического адреса модуля
Логический адрес модуля определяется двоичным кодом, устанавливаемым движками переключателя «S2» (см. рисунок Б.1).
Младший разряд адреса определяется положением первого движка переключателя, а старший разряд адреса - положением восьмого движка переключателя.
Верхнее положение движка переключателя соответствует логической единице в разряде адреса, а нижнее положение движка переключателя соответствует логическому нулю в разряде адреса.

Соединитель X1
Инв. № подл. Подп. и дата | Взам. инв. № Инв. № дубл. Подл, и дата



а) Пример 1 - Установки логического адреса 1

f
Соединитель X 1
б) Пример 2 - Установка логического адреса 16 Рисунок Б.1 - Примеры установки логического адреса модуля
Изм. |
Лист |
№ докум. |
Подп. |
Дата |
ФТКС.411713.369РЭ
Лист
60
Приложение В
(обязательное)
IP-адреса устройств
В.1 Заводские IP-адреса устройств приведены в таблице В.1.
Таблица В.1 - IP-адреса устройств
Наименование устройства |
IP-адреса |
Маска подсети |
ПЭВМ |
192.168.4.1 |
255.255.255.0 |
Блок БЭ312 |
192.168.4.2 |
255.255.255.0 |
Источник питания ИП-400 |
192.168.4.3 |
255.255.255.0 |
Инв. № подл. Подп. и дата | Взам. инв. № Инв. № дубл. Подл, и дата

со
| Изм. |
Лист |
№ докум. |
Подп. |
Дата |
Лист
ФТКС.411713.369РЭ
07
Приложение Г (обязательное) Инструкция по сборке
Г.1 Сборку стойки СЭ24 6 ФТКС.411187.256 выполнять в следующем порядке:
-
1) перед сборкой стойки СЭ246 ФТКС.411187.256 снять все двери стойки ФТКС.301422.171 и руководствуясь сборочным чертежом
ФТКС.411187.256СБ выполнить указания действий 2)-26);
-
2) установить закладные гайки Мб, 21100-004 (поз. 107);
-
3) установить монтажный рельс, заглубляющий, 3-рядный (Varistar), 800), 23130-082 (поз. 118);
-
4) установить направляющий рельс 25 кг (Varistar), 1 пара, 800, 23130-097 (поз. 120);
-
5) установить полку КСТ ФТКС.741128.385 (поз. 40) с помощью винтов (поз. 104) и шайб (130):
-
- на полку КСТ ФТКС.741128.385 (поз. 40) установить кронштейн ФТКС.301561.323 (поз. 4) с помощью винтов (поз. 72), шайб (поз. 84, 91) и гаек (поз. 79);
-
- на кронштейн ФТКС.301561.323 (поз. 4) установить покупные коробки соединительные КСТ2-1-С (поз. 116) с помощью винтов (поз. 70) и шайб (поз. 83, 90);
6)
установить полку доработку ФТКС.741128.386 (поз. 41) стационарная (Varistar), RAL 7035, 600x800, 22130-305 для ФТКС.741128.386));
(19" полка,
(Заготовка
7)
установить блок розеток 60110-214 (поз. 97) с помощью
винтов
(поз. 104) и шайб (130);
8)
установить панель питания ФТКС.687420.241 (поз. 32) с
помощью
винтов (поз. 104) и шайб (130):
Инв. № подл. I Подп. и дата | Взам. инв. № | Инв. № дубл. | Подл, и дата
-
- к панели питания ФТКС.687420.241 (поз. 32) подключить кабель питания блока вентиляторов из состава стойки ФТКС.301422.171;
-
9) установить уголок МОХА ФТКС.745232.008 (поз. 45) с помощью винтов (поз. 104) и шайб (130):
-
- на уголок МОХА ФТКС.745232.008 (поз. 45) установить рейку ФТКС.745422.211 с помощью винтов (поз. 72), шайб (поз. 84, 91) и гаек (поз. 79);
-
- на рейку ФТКС.745422.211 установить блок питания МОХА NDR-120-24 (поз. 99) и сетевой коммутатор МОХА EDS-G308-T (поз. 126) с помощью ограничителя на DIN-рейку ИЭК YXD10 (поз. 122):
-
- к блоку питания МОХА NDR-120-24 (поз. 99) подключить кабель питания БП ФТКС.685621.729-01 и установить кабель в блок розеток 60110-214 (поз. 97);
-
- к блоку питания МОХА NDR-120-24(поз. 99) и сетевому коммутатору МОХА EDS-G308-T (поз. 126) подключить кабель питания коммутатора ФТКС.685621.730-01;
-
10) установить панель КП-ВВ191 ФТКС.687287.321 (поз.30) с помощью винтов (поз. 104) и шайб (130);
-
11) установить блок БЭ312 ФТКС.411259.339 (поз. 6) с помощью винтов (поз. 104) и шайб (130):
-
- кабель питания из состава блока БЭ312 ФТКС.411259.339 (поз. 6) подключить к панели питания ФТКС.687420.241 (поз. 32);
-
12) установить источник питания ИП-400 ФТКС.436237.003 (поз. 8) с помощью винтов (поз. 104) и шайб (130):
00
<*> -------------------------------------------------- о <о |
Лист | ||||||
ФТКС. 411713.369РЭ | |||||||
Изм. |
Лист |
№ докум. |
Подп. |
Дата |
62 |
- кабель питания из состава источника питания ИП-400 ФТКС.436237.003 (поз. 8) подключить к панели питания ФТКС.687420.241 (поз. 32);
-
13) установить ПЭВМ (поз. 124) с помощью винтов (поз. 104) и шайб (130) :
- кабель питания из состава ПЭВМ (поз. 124) питания ФТКС.687420.241 (поз. 32);
подключить к панели
(поз. 33) с помощью
-
14) установить панель индикации ФТКС.687420.242 винтов (поз. 104) и шайб (130):
— панель индикации ФТКС.687420.242 (поз. 33) подключить к панели питания ФТКС.687420.241 (поз. 32);
-
15) установить консоль оператора SMK-920-19UB (поз. 114) с помощью винтов (поз. 104) и шайб (130):
-
- консоль оператора SMK-920-19UB (поз. 114) подключить к панели питания ФТКС.687420.241 (поз. 32);
-
- кабель из состава консоли оператора SMK-920-19UB (поз. 114) USB KVM подключить к ПЭВМ (поз. 124);
-
16) кабели из состава панели КП-ВВ191 ФТКС.687287.321 (поз.30) установить в:
-
- блок БЭ312 ФТКС.411259.339 (поз. 6) ;
-
- источник питания ИП-400 ФТКС.436237.003 (поз. 104);
-
- ПЭВМ (поз. 124) с предустановленными платами ТА1-РЕ2-М (поз. 123) ;
Инв. № подл. Подп. и дата | Взам. инв. № Инв. № дубл. Подл, и дата


- после подключения кабелей из состава панели КП-ВВ191
ФТКС.687287.321 (поз.30) установить скобы ФТКС.745422.052, ФТКС.745422.134, ФТКС.745422.174, ФТКС.745422.216 с помощью винтов (поз. 71) и шайб (поз. 83, 90);
-
17) установить кабели МКО ФТКС.685611.118 и ФТКС.685611.118-01 к коробке соединительной КСТ2-1-С (поз. 116) и к ПЭВМ (поз. 124) с предустановленными платами ТА1-РЕ2-М (поз. 123);
-
18) установить кабель заземления М5 - М8 ФТКС.685614.025 к шине заземления из состава стойки ФТКС.301422.171 (поз. 2) с помощью винтов (поз. 73), шайб (поз. 85, 92) и к источнику питания ИП-400 ФТКС.436237.003 (поз. 8);
-
19) установить кабель ФТКС.685621.060-01 к шине заземления из состава стойки ФТКС.301422.171 (поз. 2) с помощью винтов (поз. 73), шайб (поз. 85, 92) и к панели КП-ВВ191 ФТКС.687287.321 (поз.30) с помощью винтов (поз. 72), шайб (поз. 84, 91);
-
20) установить кабель ФТКС.685621.060-15 к шине заземления из состава стойки ФТКС.301422.171 (поз. 2) с помощью винтов (поз. 73), шайб (поз. 85, 92) и к сетевому коммутатору МОХА EDS-G308-T (поз.
126) ;
-
21) установить кабель ФТКС.685621.060-16 к шине заземления из состава стойки ФТКС.301422.171 (поз. 2) с помощью винтов (поз. 73), шайб (поз. 85, 92) и к болту заземления из состава стойки
ФТКС.301422.171 (поз. 2);
-
22) установить кабель ФТКС.685621.440-14 к шине заземления из состава стойки ФТКС.301422.171 (поз. 2) с помощью винтов (поз. 73), шайб (поз. 85, 92) и к блоку БЭ312 ФТКС.411259.339 (поз. 6);
-
23) установить кабель Ethernet 0,5 м к источнику питания ИП-400
ФТКС.436237.003 (поз. 8) и к сетевому коммутатору МОХА EDS-G308-T (поз. 12 6) ;
-
24) установить кабель Ethernet 1,5 м к ПЭВМ (поз. 124) и к сетевому коммутатору МОХА EDS-G308-T (поз. 126);
Изм. |
Лист |
№ докум. |
Подп. |
Дата |
ФТКС.411713.369РЭ
Лист
63
-
25) установить кабель Ethernet 2 м к блоку (поз. 6) и к сетевому коммутатору МОХА
-
26) установить стяжку нейлоновую КОС 3x100 кабелей к стойке ФТКС.301422.171 (поз. заглубляющему, 3-рядному ((Varistar), : к направляющему рельсу 25 кг (Varistar), 1 пара, (поз. 120) ;
-
27) установить двери из состава стойки ФТКС.301422.171.
БЭ312 ФТКС.411259.339 EDS-G308-T (поз. 126);
(поз. 128) для крепления
2), к монтажному рельсу, 800), 23130-082 (поз. 118), 800, 23130-097
Г. 2 Сборку изделия выполнять в следующем порядке: 1)
2)
4)
сборку производить в соответствии со сборочным чертежом
ФТКС.411713.369СБ. Перед сборкой необходимо снять заднюю дверь в стойке СЭ246 ФТКС411187.256;
провод заземления 8-15000 ГОСТ 18714-82 крепить в стойке к болту заземления М8 из состава стойки СЭ246 ФТКС.411187.256 (поз. 2); при необходимости, на свободные разъемы установить заглушки (поз. 25-31);
установить заднюю дверь.
Инв. № подл. Подп. и дата Взам. инв. № Инв. № дубл. Подл, и дата

Изм. |
Лист |
№ докум. |
Подп. |
Дата |
ФТКС.411713.369РЭ
Лист

Приложение Д
(обязательное)
Порядок включения и выключения изделия
Ине. № подл. Подп. и дата | Взам. ине. № Ине. № дубл. Подл, и дата

ВНИМАНИЕ: МЕЖДУ МОМЕНТОМ ВЫКЛЮЧЕНИЯ ЛЮБОЙ СОСТАВНОЙ ЧАСТИ ИЗДЕЛИЯ И МОМЕНТОМ ЕЕ ОЧЕРЕДНОГО ВКЛЮЧЕНИЯ, А ТАКЖЕ МЕЖДУ МОМЕНТОМ ВКЛЮЧЕНИЯ ЛЮБОЙ СОСТАВНОЙ ЧАСТИ ИЗДЕЛИЯ И МОМЕНТОМ ЕЕ ВЫКЛЮЧЕНИЯ ДОЛЖНА БЫТЬ ВЫДЕРЖАНА ПАУЗА НЕ МЕНЕЕ 10 с.
Д.1 Включение изделия выполнять в следующем порядке:
-
1) включить переключатель «ВКЛ.» на панели питания из состава стойки СЭ246. Произвести контроль свечения индикатора на панели индикации из состава стойки СЭ246;
-
2) проконтролировать свечение индикатора «DC ОК» блока питания МОХА NDR-120-24 на его лицевой панели;
-
3) проконтролировать свечение индикаторов «PWR1» и «PWR2» сетевого коммутатора МОХА EDS-G308-T на его лицевой панели;
-
4) включить питание консоли оператора, для чего переключатель, расположенный на задней панели консоли оператора, установить в положение «ON». Произвести контроль свечения индикатора после включения консоли оператора;
-
5) включить ПЭВМ и убедиться в отсутствии ошибок самотестирования ПЭВМ и загрузки операционной системы;
-
6) включить питание блока БЭ312, для чего переключатель, расположенный на лицевой панели блока, установить в положение «|». Произвести контроль свечения индикатора «FAN» после включения питания блока БЭ312;
-
7) включить источник питания ИП-400 и проконтролировать свечение индикатора «LAN» на его лицевой панели.
Д. 2 Выключение изделия выполнить в следующем порядке:
-
1) закрыть все программы, которые были запущены на исполнение на ПЭВМ;
-
2) выключить блок БЭ312, для чего переключатель, расположенный на лицевой панели блока, установить в положение «0». Проконтролировать, что погас индикатор «FAN»;
-
3) выйти из операционной системы, убедиться, что произошло выключение питания управляющей ПЭВМ и погас экран дисплея консоли оператора;
-
4) выключить питание консоли оператора, для чего переключатель, расположенный на задней панели консоли оператора, установить в положение «OFF». Проконтролировать, что погас индикатор после выключения консоли оператора;
-
5) если источник питания ИП-400 не выключен, то выключить его и проконтролировать, что погас индикатор «LAN»;
-
6) выключить переключатель «ОТКЛ.» на панели питания из состава стойки СЭ246. Проконтролировать, что погас индикатор на панели индикации из состава стойки СЭ246;
-
7) проконтролировать, что погасли индикаторы «PWR1» и «PWR2» сетевого коммутатора МОХА EDS-G308-T на его лицевой панели;
-
8) проконтролировать, что погас индикатор «DC ОК» блока питания МОХА NDR-120-24 на его лицевой панели.
со
СП
Изм. |
Лист |
№ докум. |
Подп. |
Дата |
ФТКС.411713.369РЭ
Лист
65
Инв. Na подл. | Подп. и дата | Взам. инв. № | Инв. № дубя. | Подп. и дата
Приложение Е
(обязательное)
Порядок установки программ
Е.1 Установка ПО должна осуществляться с правами суперпользователя. Состав инсталляционного пакета:
-
1) Диск №1 - программный комплекс Informtest VISA Linux -informtest-visa-x.x.x.x-Linux-'uname -r'.deb
-
2) Диск №2 - драйверы модулей, которые поставляются в виде репозитория Linux, содержащего все необходимые пакеты для работы с VXI Plug&Play инструментами Инфомтест.
Репозиторий может быть добавлен в систему следующими способами:
-
- с помощью программы synaptic-pkexec, после добавления следует обновить репозитории. Далее можно выбирать пакеты на установку в систему;
-
- вручную. CD должен быть примонтирован по пути /media/cdrom.
Примонтировать CD можно одним из двух способов:
-
- с помощью команды в терминале
$ sudo mount /dev/srO /media/cdrom
-
- вытащить и вставить CD диск в CDROM. Он будет примонтирован автоматически.
$ sudo apt-cdrom add
$ sudo apt-get update
$ sudo apt-get install <package ...>
Если требуется работа с МКО от компании Элкус, необходимо установить пакет elcus-tmkl553b из того же репозитория.
-
3) Диск №3 - система проверки функций -spf_TEST-7007-X.X.X.X-Linux-'uname -г'-generic.deb где x.x.x.x - номер версии.
ВАЖНО! Для работы программы spf необходимо установить драйвер elcus-tmkl553b.

Инв. № подл. I Подп. и дата Взам. инв. № Инв. № дубл. Подл, и дата



Е.2 Установку программ с дисков №1 и №3 необходимо выполнять в следующем порядке:
ВАЖНО! Для установки драйвера elcus-tmkl553b необходим CD «Средства разработки». После установки необходимо перезагрузить компьютер.
-
1) по очереди вставлять диски с дистрибутивами ПО в CD-привод и копировать содержимое в домашнюю папку. Это можно сделать в файловом менеджере;
-
2) перейти в Терминал одним из двух способов:
-
- в файловом менеджере, находясь в каталоге «Домашний», выбрать команду меню «Сервис» -» «Открыть Терминал Fly»;
-
- открыть меню Пуск->Системные-> Терминал Fly;
-
3) установить ПО командой в терминале:
$ sudo dpkg -i *.deb
Е.З Установку драйверов производить из репозитория Linux с диска №2.
Е.4 ПО с дисков №1 и №2 будет установлено в файловую систему по следующему пути: /usr/local/vxipnp/linux/
ПО с диска №3 будет установлено в файловую систему по следующему пути: /opt/informtest/spf_TEST-7007/
Е.5 По завершении установки на рабочем столе появятся ярлыки ППМ ТЕСТ-7007 и ППВ ТЕСТ-7007.
Е.6 Перед началом работы следует сконфигурировать библиотеку Informtest VISA с помощью программы конфигурации QtVisaConfig, как описано в документе ФТКС.34003-02 32 01 Программный комплекс Информтест VISA LINUX Руководство системного программиста.
Изм. |
Лист |
№ докум. |
Подп. |
Дата |
ФТКС.411713.369РЭ
Лист
Приложение Ж (обязательное) Схемы рабочих мест

Инв. № подл. Подп. и дата Взам. инв. № Инв. № дубл. Подл, и дата
об О
А1 панель КП-ВВ191 ФТКС.687287.321;
PV1 мультиметр 3458А;
G1 источник питания постоянного тока GPR-16H50D;
К1 кабель Т7007-МН6И ФТКС.685611.132;
К2,КЗ кабель ШШВ ФТКС.685621.038-01.
Рисунок Ж.1 - Схема рабочего места для определения диапазона и пределов относительной погрешности измерений напряжения постоянного тока измерителем мгновенных значений напряжения МН6И-150В
Изм |
Лист |
№ докум. |
Подп. |
Дата |
ФТКС.411713.369РЭ
Лист
68
А1
«Измерение напряжения ±10 В
Каналы 1-8»

«-» «ИЗ МО»
«ВЫХ2»
«Н1» «LO»«GUARD»
3458А
«ПИТАНИЕ»
«]» «+16В» «ов»
Г’“ т |
J^<OV» |
|«И+» |«И-» /S л |
«0V» |
к<-» |
Т<_1_» |
к<+» к<-» |
Y |
I’» Y |
К 1_» Y А2 |
«1» |
«2» |
«3» |
«1» |
«2» |
«3» |
«1+» «1-»

Ине. № подл. Подл, и дата | Взам. ине. № Ине. № дубл. Подл, и дата

00
«*) о>

«2+» * |
«2-» Y 1 |
<<_L» 01 |
«+» «-» « GPS-3030D |
_|_» |
А1 панель КП-ВВ191 ФТКС.687287.321;
А2 фильтр ФТКС.687420.145;
АЗ ИОН ФТКС.687420.028;
PV1 мультиметр 3458А;
G1 источник питания постоянного тока GPS-3030D;
К1 кабель Т7007-МН8ИП ФТКС.685611.136;
К2,КЗ кабель ШШВЭ ФТКС.685621.531;
К4 кабель ШШВ ФТКС.685621.038-01.
Рисунок Ж.2 - Схема рабочего места для определения диапазона и пределов относительной погрешности измерений напряжения постоянного тока измерителем мгновенных значений напряжения МН8ИП
<о
Изм. |
Лист |
№ докум. |
Подл. |
Дата |
ФТКС.411713.369РЭ
Лист
69
«Входы ФКУ»
«Измерение сопротивления Каналы 1-12»
«Формирование команд управления
Выходы ФКУ

«Измерение
у сопротивления»
Р4834-М1
к< 1-30»
«91-120»
А1 панель КП-ВВ191 ФТКС.687287.321;
Р1 магазин электрического сопротивления Р4834-М1;
К1 кабель Т7007-МТ16-1 ФТКС.685611.139;
К2 кабель Т7007-МТ16-2 ФТКС.685611.140.
Рисунок Ж.З - Схема рабочего места для определения диапазона и пределов относительной погрешности измерений сопротивления постоянному току измерителем сопротивления постоянному току МТ16-4Л-01
Инв. Ns подл. Подп. и дата Взам. ине. № Инв. № дубл. Подл, и дата
о <N О c\j со о
о

Изм. |
Лист |
№ докум. |
Подп. |
Дата |
ФТКС.411713.369РЭ
Лист
70
Приложение И
(обязательное)
Проведение входного контроля
И.1 Распаковку изделия проводить в соответствии с п. 8.2.
И. 2 Изделие подвергают входному контролю в объеме проверки и в соответствии с пунктами методики, приведенными в таблице И.1.
Инв. № подл. Подп. и дата Взам. инв. № Инв. № дубл. Подл, и дата
о см о см об о
00 <*) о> <о
Таблица И.1
Наименование проверок |
Номер пункта ФТКС.411713.369РЭ |
Примечание | |
технических требований |
методов проверки | ||
Контроль упаковки |
8.1.1-8.1.4 |
Визуально | |
Проверка комплектности изделия |
ФТКС.411713.369ФО раздел 4 |
И.3.2 | |
Проверка комплектности эксплуатационных документов |
ФТКС.411713.369ВЭ |
И.3.3 | |
Проверка внешнего вида и качества покрытия изделия |
Наличие товарного знака фирмы-изготовителя, наличие заводского номера изделия, отсутствие нарушений целостности элементов, контактов и покрытий изделия. |
И. 3.4 | |
Проверка качества защитного заземления |
2.1.11, 2.1.12, 2.1.13 |
И.3.5 | |
Проверка маркировки изделия |
Раздел 7 |
И.3.4 | |
Проверка массы изделия |
2.1.5 |
И. 3.6 | |
Проверка работоспособности изделия в режиме «ОК подключен» |
2.2.1 |
И. 3.7 | |
Проверка работоспособности изделия в режиме «ОК отключен» |
2.2.2 |
И. 3.8 |
Изм. |
Лист |
№ докум. |
Подп. |
Дата |
ФТКС.411713.369РЭ
Лист
71
И.З Методы проверки изделия при входном контроле
Инв. N° подл. Подп. и дата | Взам. инв. № Инв. № дубл. Подл, и дата

00 СП
О)
со

И. 3.1 Проверку изделия проводят в сухом отапливаемом помещении, удовлетворяющем нормам СНиП-512-79 и обеспечивающем следующие климатические условия:
-
- температура воздуха от плюс 5 до плюс 40 °C;
-
- относительная влажность воздуха не более 80 %;
-
- атмосферное давление от 86 до 106 кПа (от 645 до 795 мм рт. ст.).
И. 3.2 Комплектность изделия проверять на соответствие разделу 4 «Комплектность» формуляра изделия ФТКС.411713.369ФО.
И. 3.3 Проверку комплектности поставленных эксплуатационных документов проводить на соответствие ведомости ФТКС.411713.369ВЭ.
И. 3.4 Проверку внешнего вида изделия, качества покрытий и маркировки производить внешним осмотром.
Результат внешнего осмотра считать положительным, если при выполнении внешнего осмотра было установлено:
-
- наличие товарного знака фирмы-изготовителя изделия;
-
- наличие заводского номера изделия;
-
- отсутствие нарушений целостности элементов, контактов и покрытий изделия.
И. 3.5 Проверку качества защитного заземления выполнять согласно
п. 13.8.5.
И.З. 6 Проверку массы изделия проводить на весах, обеспечивающих погрешность измерения ± 100 г. Результаты проверки считать положительными, если масса изделия не более 300 кг.
И. 3.7 Проверку работоспособности изделия в режиме «ОК подключен» выполнять согласно п. 12.3.1.
И. 3.8 Проверку работоспособности изделия в режиме «ОК отключен» выполнять согласно п. 12.3.2.
И.З. 9 При получении положительных результатов по всем видам проверок таблицы И.1 изделие считать готовым к работе.
И.З.10 Результаты входного контроля оформлять в установленном порядке в соответствии с нормативно-технической документацией, действующей на предприятии.
Изм. |
Лист |
№ докум. |
Подп. |
Дата |
ФТКС. 411713.369РЭ
Лист
72
Приложение К
(обязательное)
Порядок замены неисправного модуля
К.1 Порядок замены неисправного модуля
К. 1.1 Для замены неисправного модуля следует:
-
1) выключить питание крейта;
-
2) отсоединить от лицевой панели модуля все кабели;
-
3) извлечь модуль из крейта (см. п. К.2.1);
-
4) извлечь исправный модуль в упаковке из состава ЗИП-0;
-
5) освободить модуль от упаковки;
-
6) проверить целостность пломбировки модуля, а также целостность и состояние контактов всех соединителей. Убедиться в отсутствии внешних повреждений модуля, а также в наличии штатного крепежа во втулках на лицевой панели;
-
7) установить модуль в крейт (см. п. К.2.2) при необходимости руководствуясь документом ФТКС.411259.33934 Блок БЭ312 Схема электрическая соединений;
-
8) восстановить подключение кабелей к лицевой панели модуля, руководствуясь документом ФТКС.411187.256Э4 Стойка СЭ246 Схема электрическая соединений.
К.2 Порядок извлечения и установки модулей и крейта
Инв. № подл. Подп. и дата Взам. инв. № Инв. № дубл. Подл, и дата
о см о см со о
о
ВНИМАНИЕ: ВСЕ ДЕЙСТВИЯ, ИЗЛОЖЕННЫЕ В ДАННОМ ПУНКТЕ, НЕОБХОДИМО ВЫПОЛНЯТЬ ПРИ ОТКЛЮЧЕННОМ ПИТАНИИ СТОЙКИ СЭ246.
К. 2.1 Порядок извлечения модуля из крейта:
-
1) отвинтить два невыпадающих винта, расположенных по краям на лицевой панели модуля;
-
2) с помощью ручек, расположенных по краям лицевой панели, отсоединить модуль от кросс-панели, для чего развести ручки в противоположные стороны друг от друга до характерного щелчка;
-
3) извлечь модуль из крейта.
К. 2.2 Порядок установки модуля в крейт:
-
1) вставить требуемый модуль в слот так, чтобы края платы попали в расположенные в крейте направляющие, следя за тем, чтобы надпись с наименованием модуля при его установке в крейте находилась в левой части лицевой панели. Ручки на лицевой панели модуля должны быть разведены в стороны;
-
2) плавно продвинуть модуль вглубь крейта до упора, затем с небольшим усилием окончательно задвинуть модуль до соприкосновения лицевой панели модуля со стяжками крейта, свести ручки до щелчка;
-
3) закрепить модуль в крейте, для чего завинтить невыпадающие винты.


Изм. |
Лист |
№ докум. |
Подп. |
Дата |
ФТКС.411713.369РЭ
Лист
73
К. 2.3 Порядок извлечения крейта из стойки:
ВНИМАНИЕ: ИЗВЛЕЧЕНИЕ КРЕЙТА ИЗ СТОЙКИ ДОЛЖНО ПРОИЗВОДИТЬСЯ ДВУМЯ СОТРУДНИКАМИ ОБСЛУЖИВАЮЩЕГО ПЕРСОНАЛА;
-
1) убедиться, что питание крейта выключено;
-
2) отсоединить со стороны задней стенки крейта кабель питания и провод заземления крейта;
-
3) отсоединить крейт от стойки, для чего отвинтить шесть винтов, соединяющих его со стойкой;
-
4) извлечь крейт из стойки;
-
5) на время изъятия крейта из стойки винты крепления установить на их штатные места в стойке.
К. 2.4 Порядок установки крейта в стойку:
ВНИМАНИЕ: УСТАНОВКА КРЕЙТА В СТОЙКУ ДОЛЖНА ПРОИЗВОДИТЬСЯ ДВУМЯ СОТРУДНИКАМИ ОБСЛУЖИВАЮЩЕГО ПЕРСОНАЛА;
-
1) снять винты крепления крейта со штатных мест на стойке;
-
2) установить задние ножки крейта на поддон стойки и, удерживая крейт в горизонтальном положении, продвинуть его по поддону вглубь стойки до упора крепежных кронштейнов крейта в вертикальные угольники стойки;
-
3) закрепить крейт в стойке штатным крепежом;
-
4) подключить со стороны задней стенки крейта кабель питания и провод заземления крейта.
Инв. № подл. Подп. и дата Взам. инв. № Инв. № дубл. Подл, и дата

00
о>
<о

Изм. |
Лист |
№ докум. |
Подп. |
Дата |
ФТКС.411713.369РЭ
Лист
74
Приложение Л
(справочное)
Схемы входных каскадов мезонинов изделия
Инв. № подл. Подп. и дата Взам. ине. № Инв. № дубл. Подл, и дата
о см о см со о
о


На рисунке Л.1 представлена часть схемы входного каскада для каналов 1-3. Остальные каналы выполнены по аналогичной схеме. Группы каналов 1 - 16 и 17 - 32 имеют раздельное питание. Перечень элементов к рисунку Л.1 приведен в таблице Л.1.
Таблица Л.1 - Перечень элементов входного каскада мезонина МДС32
Обозначение |
Наименование |
ХТ2 |
Розетка MDR 10236-55G3JL |
KI - К4 |
Реле 9814-05-20 |
R9 - R12 |
Резисторы CR0805-FX-2002E |
R17 - R20, R25 - R28 |
Резисторы CR0805-FX-1002E |
VD9 - VD12 |
Диоды BAV199 |
DA1 |
Микросхема OP482GS |
Изм. |
Лист |
№ докум. |
Подп. |
Дата |
ФТКС.411713.369РЭ
Лист
75
Л. 2 Мезонин МН6И-150В
о |
1 |
g | |
о |
■s ,, |
Инв. № подл. Подп. и дата Взам. инв. № Инв. N9 дубл. Подл, и дата

± ± I
тракт мезонина МН6И-150В
ФТКС.411713.369РЭ
ll | ||
0/D | ||
On |
Рисунок Л.2 - Входной
Изм. |
Лист |
№ докум. |
Подп. |
Дата |

» в |
- 8 | |
1 | ||
i |
h |
2 |
8 |
?? | |
5 | ||
SSs |
XI
>—£—t>AGNDl |N2p
г?— |
■ IN3FT |
- | |
} 5 |
IN5N |
1ЯЖ" | |
UK1 | |
IN4N | |
S * |
-----ИГР" |
IN6N | |
fm--- |
INIF |
--(W | |
? Я |
Сойр |
--IW | |
1N5P |
Рисунок Л.З - Распайка рзъема мезонина МН6И-150В
На рисунке Л.2 представлена часть схемы входного каскада МН6И-150В для каналов 1-2. Остальные каналы выполнены по аналогичной схеме. Все каналы имеют раздельное питание. На рисунке Л.З представлена распайка разъема мезонина МН6И-150В. Перечень элементов к рисункам Л.2 и Л.З приведен в таблице Л.2.
Инв. № подл. Подп. и дата | Взам. инв. № Инв. № дубл. Подл, и дата

00 <*■> О)
<о

Таблица Л.2 - Перечень элементов входного каскада мезонина МН6И-150В
Обозначение |
Наименование |
KI, К2 |
Реле DS2E-SL2-DC5V |
XI |
Розетка HDL15-SL-A |
К7 |
Реле AGQ200A4H |
R8-R11 |
Резистор С2-29В-0,125-1 МОм ±0,1 %-1,0-А |
R14-R17 |
Резистор PRO 0805 ТОЮ 13 кОм ± 0,1 % |
R20, R21 |
Резистор PRO 0805 ТОЮ 6,2 кОм ± 0,05 % |
R23, R24, R26, R27 |
Резистор PRO 0805 ТОЮ 10 кОм ± 0,1 % |
R29, R30 |
Резистор PRO 0805 ТОЮ 6,2 кОм ± 0,05 % |
R32-R35 |
Резистор CR0805-FX-10R0E |
027, С28 |
Конденсатор GRM31MR71H105KA88 |
СЗО, С31 |
Конденсатор NMC 0805 NPO 681 F 50 TRP М |
СЗЗ, С34, С36, С37, 038, С39, С42, С43, С45-С48, С51, С52, С54, С55 |
Конденсатор GRM31MR71H105KA88 |
С57-С60, 063, С64 |
Конденсатор NMC 0805 X7R 473 J 25 TRP М |
066, С67 |
Конденсатор ESVA0J476M |
С69, С70, С72, С7,3 С75, С76, 078, 079 |
Конденсатор GRM31MR71H105KA88 |
DA3, DA4 |
Микросхема ADuM1210BRZ |
DA6, DA7 |
Микросхема AD8250ARMZ |
DA9, DA10 |
Микросхема OP27GS |
DA12, DA12, DA13, DA13 |
Микросхема AD8620AR |
DA15, DA16 |
Микросхема AD7691BRMZ |
DA18, DA19 |
Микросхема ADuM1301CRW |
Изм. |
Лист |
№ докум. |
Подп. |
Дата |
ФТКС.411713.369РЭ
Лист
77
Л.З Мезонин МН8ИП
К6.2-1 R17.1

KJSK
AGND1
Рисунок
R21-1
R22-lt>’<VA'
OM14VA1
А
Входной
мезонина МН8ИП
каскад мезонина МН8ИП (продолжение)
Л. 5
Рисунок
Входной
ФТКС.411713.369РЭ
OUT
HR
R23-1
AGH01 <---1 I-
II “r
GHO
R15-1
5VAi-q—I t—
R16-1
AGNO1
3V3 4 GNO 4 ОНО <1
KUS10 7
1
Kusi3
KUS 12
Vin. |
> |
Vop |
Vin- |
Von | |
G4 |
EF | |
03 |
VOS | |
Vscp | ||
G1 |
Vson | |
GO |
V»p | |
ovco |
Von |
--t>AGND1
П____
uC51-l
R19-1
—I t---t>SVA1
=^С49-1
AGNO1
14 |
KUS10 |
13 |
Kusti |
12 |
kktsli |
II |
KUS 14 |
—--5VAI
--1> 5VA1 --OAGNC1 -->AGHO1 4=050-1
R24-1 HZZH
6 C57-1 R-M
JC56-11 1°7 T. TTCS|-
“T” AGH01 AGND1
AGN01
Инв. № подл. Подп. и дата Взам. инв. № Инв. № дубл. Подл, и дата



Изм. |
Лист |
№ докум. |
Подп. |
Дата |
Лист


Рисунок Л.6 - Распайка разъема мезонина МН8ИП
Инв. № подл. Подп. и дата | Взам. инв. № Инв. № дубл. Подп. и дата

00
00 о

На рисунках Л.4 и Л.5 представлена часть схемы входного каскада мезонина МН8ИП для одного канала. Остальные каналы выполнены по аналогичной схеме. Все каналы имеют раздельное питание. На рисунке Л.6 представлена распайка разъема мезонина МН8ИП. Перечень элементов к рисункам Л.4 - Л.6 приведен в таблице Л.З.
Таблица Л.З - Перечень элементов входного каскада мезонина МН8ИП
Обозначение |
Наименование |
Кб |
Реле AGQ200A4H |
хз |
Розетка 10236-55G3JL |
R13, R14 |
Резистор ERJ2RKD1004X |
R15 |
Резистор ERJ2GEJ512X |
R16 |
Резистор ERJ2GEJ101X |
R17, R18 |
Резистор ERJ2RHD5600X |
R19-R22 |
Резистор ERJ2GEJ100X |
R23, R24 |
Резистор ERJ2GEJ512X |
R25, R26 |
Резистор ERA-2ARB5621X |
R27, R28 |
Резистор ERJ2RHD1002X |
R29 |
Резистор ERJ2RHD2401X |
R30, R31 |
Резистор ERA-2ARB5621X |
R32-R34 |
Резистор ERJ2GEJ240X |
С45, С46 |
Конденсатор 04025А471JAT2A |
С47 |
Конденсатор CL05472KB5NNN |
С48-С57 |
Конденсатор 0402YD105KAT2A |
С58 |
Конденсатор ECJ0EB1H122K |
С59 |
Конденсатор 0402YD105KAT2A |
С60 |
Конденсатор C3216X5R1V226M |
С61, С62 |
Конденсатор 04023A181FAT2A |
С63, С64 |
Конденсатор 0402YD105KAT2A |
<о
Изм. |
Лист |
№ докум. |
Подп. |
Дата |
ФТКС.411713.369РЭ
Лист
79
Продолжение таблицы Л.З
Обозначение |
Наименование |
С65 |
Конденсатор CL05472KB5NNN |
Сбб |
Конденсатор 04023D473KAT2A |
С67 |
Конденсатор CL05472KB5NNN |
С68 |
Конденсатор C3216X5R1V226M |
С69 |
Конденсатор 04023D473KAT2A |
С70-С75 |
Конденсатор 0402YD105KAT2A |
DA4 |
Микросхема PGA281AIPW |
DA5 |
Микросхема MAX6350ESA |
DA6 |
Микросхема AD8137YR |
DA7 |
Микросхема AD8606AR |
DA8 |
Микросхема AD7691BRMZ |
DA9 |
Микросхема AM2S-0507SZ |
DA10 |
Микросхема AM2D-1215DZ |
DD7 |
Микросхема Si8645BA-B-IU |
DD8 |
Микросхема Si8641BA-B-IU |
Инв. № подл. Подп. и дата Взам. инв. № Инв. № дубл. Подл, и дата
о см о см
со о
о
со со О)
<о

Изм. |
Лист |
№ докум. |
Подп. |
Дата |
ФТКС.411713.369РЭ
Лист
80
Л. 4 Мезонин МТ16-4Л-01
Инв. № подл. | Подп. и дата | Взам. инв. № Инв. № дубл. Подл, и дата



Рисунок Л.7 - Схема входного измерительного каскада мезонина МТ16-4Л-01
Изм. |
Лист |
№ докум. |
Подп. |
Дата |
ФТКС.411713.369РЭ
Лист
81
Инв. № подл. Подп. и дата | Взам. инв. № Инв. № дубл. Подл, и дата


Рисунок Л.8 - Схема формирования тока опроса мезонина МТ16-4Л-01
На рисунках Л.7 и Л.8 представлена часть схемы входного каскада мезонина МТ16-4Л-01 для каналов 1-3. Остальные каналы выполнены по аналогичной схеме. Перечень элементов к рисункам Л.7 и Л.8 приведен в таблице Л.4.
Таблица Л.4 - Перечень элементов входного каскада мезонина МТ16-4Л-01
Обозначение |
Наименование |
XI |
Розетка 71430-0006 |
К1-КЗ, К17, К18, К25, К26 |
Реле AGQ210A4H |
DAI, DA2 |
Микросхема OP4177AR |
DA13, DA14 |
Микросхема INA2128U |
DA16, DA17 |
Микросхема OP2177AR |
R1-R6 |
Резистор CR0805-FX-1001E |
R33-R35 |
Резистор PRC1206 ТС10 2,7 кОм ± 0,1 % |
R39-R41 |
Резистор PRC1206 ТС10 1,0 кОм ± 0,1 % |
R88-R90 |
Резистор CR0805-FX-1001E |
С1-С6, С13, С15, С45, С47, С49, С51 |
Конденсатор 08052R104K9BB00 |
со
О) <о |
Лист | ||||||
ФТКС.411713.369РЭ | |||||||
Изм. |
Лист |
№ докум. |
Подп. |
Дата |
82 |
Л. 5 Мезонин МФТК1Э


Инв. № подл. Подп. и дата Взам. инв. № Инв. № дубл. | Подл, и дата
см
об о
о

00
00

Рисунок Л.9 - Входная часть мезонина МФТК1Э
На рисунке Л.9 представлена схема входной части мезонина МФТК1Э.
Перечень элементов к рисунку Л.9 приведен в таблице Л.5.
Таблица Л.5 - Перечень элементов входного каскада мезонина МФТК1Э
Обозначение |
Наименование |
Х2 |
Розетка 10240-55G3JL |
К1-К60 |
Реле G3VM-61ER |
О)
<о
Изм. |
Лист |
Ns докум. |
Подп. |
Дата |
ФТКС.411713.369РЭ
Лист
83
Приложение М
(справочное)
Алгоритм проверки модулей и мезонинов
Алгоритмы проверок модулей, используемые программой ППМ в режиме «ОК отключен», позволяют полностью удостовериться в исправности модулей, либо выявить конкретный неисправный модуль. Описание алгоритмов приведено в качестве справочной информации для помощи в интерпретации результатов проверок.
Инв. N° подл. Подп. и дата Взам. инв. № Инв. № дубл. Подл, и дата
М.1 Проверка мезонина МДС32
М.1.1 Используемый инструмент - отсутствует.
М.1.2 Используемый соединитель - соединитель контрольный СК-Контроль ТМС ФТКС.685629.438 - 1 шт.
М.1.3 Проверяемые параметры:
-
1) целостность входных цепей;
-
2) регистрация состояний входов МДС32;
-
3) отсутствие ложной регистрации и взаимовлияния входов МДС32.
М.1.4 Алгоритм проверки:
-
1) Включаются входные реле каналов 1-32 МДС32 при отсутствии подключения соединителя контрольного. Измеряется обрыв (отсутствие сигнала).
-
2) Сообщение оператору:
Подключить Соединитель контрольный СК-Контроль ТМС ФТКС.685629.438 к «разъёму Контроль ТМС - Каналы 1-32» КП-ВВ191.
-
3) Включаются входные реле каналов 1-32 МДС32. Измеряется закоротка (наличие сигнала).
М.2 Проверка мезонина МФТК1Э №1
М.2.1 Используемый инструмент - МДС32.
М.2.2 Используемый кабель - кабель ФКУ ФТКС.685611.122 - 1 шт.
М.2.3 Проверяемые параметры:
-
1) целостность выходных цепей;
-
2) отсутствие ложных срабатываний.
М.2.4 Алгоритм проверки:
-
1) Сообщение оператору:
Подключить Кабеля ФКУ ФТКС.685611.122:
- разъём «Входы ФКУ» к разъёму «Формирование команд управления -Входы ФКУ» КП-ВВ191;
со
<*) --------------------- о> <о |
Лист | ||||||
ФТКС. 411713.369РЭ | |||||||
Изм. |
Лист |
№ докум. |
Подп. |
Дата |
84 |
-
- разъём «Выходы ФКУ» к разъёму «Формирование команд управления -Выходы ФКУ - 1-30» КП-ВВ191;
-
- разъём «Контроль ТМС» к разъёму «Контроль ТМС - Каналы 1-32» КП-ВВ191.
-
2) Включаются входные реле каналов 1-32 МДС32. Измеряется обрыв (отсутствие сигнала).
-
3) Замыкаются реле Входа 1 МФТК1Э №1.
-
4) Поочередно включаются/выключаются выходные реле 1-16 мезонина МФТК1Э. МДС32 регистрирует закоротку проверяемого реле на каналах 1-16 согласно таблице М.1.
Инв. № подл. Подп. и дата | Взам. ине. № Инв. № дубл. Подл, и дата

Таблица М.1
№ |
№ контакта Входа 1 |
Проверяемый канал МФТК1Э |
Соответствующий канал МДС32 |
1 |
1 |
1 |
1 |
2 |
1 |
2 |
2 |
3 |
1 |
3 |
3 |
4 |
1 |
4 |
4 |
5 |
1 |
5 |
5 |
6 |
1 |
6 |
6 |
7 |
1 |
7 |
7 |
8 |
1 |
8 |
8 |
9 |
2 |
9 |
9 |
10 |
2 |
10 |
10 |
11 |
2 |
11 |
11 |
12 |
2 |
12 |
12 |
13 |
2 |
13 |
13 |
14 |
2 |
14 |
14 |
15 |
2 |
15 |
15 |
16 |
2 |
16 |
16 |
-
5) Размыкаются реле Входа 1 МФТК1Э №1.
-
6) Замыкаются реле Входа 2 МФТК1Э №1.
-
7) Поочередно включаются/выключаются выходные реле 17-30 мезонина МФТК1Э. МДС32 регистрирует закоротку проверяемого реле на каналах 17-30 согласно таблице М.2.
со
СП -------------- О) со |
Лист | ||||||
ФТКС.411713.369РЭ |
85 | ||||||
Изм. |
Лист |
№ докум. |
Подп. |
Дата |
Таблица М.2
№ |
№ контакта |
Проверяемый |
Соответствующий |
Входа 1 |
канал МФТК1Э |
канал МДС32 | |
1 |
39 |
17 |
17 |
2 |
39 |
18 |
18 |
3 |
39 |
19 |
19 |
4 |
39 |
20 |
20 |
5 |
39 |
21 |
21 |
6 |
39 |
22 |
22 |
7 |
39 |
23 |
23 |
8 |
40 |
24 |
24 |
9 |
40 |
25 |
25 |
10 |
40 |
26 |
26 |
11 |
40 |
27 |
27 |
12 |
40 |
28 |
28 |
13 |
40 |
29 |
29 |
14 |
40 |
30 |
30 |
Инв. № подл. Подп. и дата Взам. инв. Ns Ине. № дубл. Подл, и дата
о см о CXJ об О
о
М.З Проверка мезонина МФТК1Э №2
М.3.1 Используемый инструмент - МДС32.
М.З. 2 Используемый кабель - кабель ФКУ ФТКС.685611.122 - 1 шт.
М.3.3 Проверяемые параметры:
-
1) целостность выходных цепей;
-
2) отсутствие ложных срабатываний.
М.З. 4 Алгоритм проверки:
-
1) Сообщение оператору:
Подключить Кабель ФКУ ФТКС.685611.122:
-
- разъём «Входы ФКУ» к разъёму «Формирование команд управления -Входы ФКУ» КП-ВВ191;
-
- разъём «Выходы ФКУ» к разъёму «Формирование команд управления -Выходы ФКУ - 31-60» КП-ВВ191;
-
- разъём «Контроль ТМС» к разъёму «Контроль ТМС - Каналы 1-32» КП-ВВ191.
-
2) Производится проверка МФТК1Э №2 согласно действиям 2) - 7) п.
М.2.4.
со
со -------------- о> <о |
Лист | ||||||
ФТКС.411713.369РЭ |
86 | ||||||
Изм. |
Лист |
№ докум. |
Подп. |
Дата |
М.4.1 Используемый инструмент - МДС32.
М.4.2 Используемый кабель - Кабель ФКУ ФТКС.685611.122 - 1 шт.
М.4.3 Проверяемые параметры:
-
1) целостность выходных цепей;
-
2) отсутствие ложных срабатываний.
М.4.4 Алгоритм проверки:
-
1) Сообщение оператору:
Подключить Кабель ФКУ ФТКС.685611.122:
-
- разъём «Входы ФКУ» к разъёму «Формирование команд управления -Входы ФКУ» КП-ВВ191;
-
- разъём «Выходы ФКУ» к разъёму «Формирование команд управления -Выходы ФКУ - 61-90» КП-ВВ191;
-
- разъём «Контроль ТМС» к разъёму «Контроль ТМС - Каналы 1-32» КП-ВВ191.
-
2) Производится проверка МФТК1Э №3 согласно действиям 2) - 7) п.
М.2.4.,
М.5 Проверка мезонина МФТК1Э №4
Инв. Ns подл. Подп. и дата | Взам. инв. № Инв. № дубл. Подп. и дата


М.5.1 Используемый инструмент - МДС32.
М.5.2 Используемый кабель - кабель ФКУ ФТКС.685611.122 - 1 шт.
М.5.3 Проверяемые параметры:
-
1) целостность выходных цепей;
-
2) отсутствие ложных срабатываний.
М.5.4 Алгоритм проверки:
-
1) Сообщение оператору:
Подключить Кабель ФКУ ФТКС.685611.122:
-
- разъём «Входы ФКУ» к разъёму «Формирование команд управления -Входы ФКУ» КП-ВВ191;
-
- разъём «Выходы ФКУ» к разъёму «Формирование команд управления -Выходы ФКУ - 91-120» КП-ВВ191;
-
- разъём «Контроль ТМС» к разъёму «Контроль ТМС - Каналы 1-32» КП-ВВ191.
-
2) Производится проверка МФТК1Э №4 согласно действиям 2) - 7) п.
М.2.4.
Изм. |
Лист |
№ докум. |
Подп. |
Дата |
ФТКС.411713.369РЭ
Лист
87
М.6.1 Используемый инструмент - МДС32.
М.6.2 Используемый кабель - кабель ФКУ ФТКС.685611.122 - 1 шт.
М.6.3 Проверяемые параметры:
-
1) целостность выходных цепей;
-
2) отсутствие ложных срабатываний.
М.6.4 Алгоритм проверки:
-
1) Сообщение оператору:
Подключить Кабель ФКУ ФТКС.685611.122:
-
- разъём «Входы ФКУ» к разъёму «Формирование команд управления -Входы ФКУ» КП-ВВ191;
-
- разъём «Выходы ФКУ» к разъёму «Формирование команд управления -Выходы ФКУ - 121-150» КП-ВВ191;
-
- разъём «Контроль ТМС» к разъёму «Контроль ТМС - Каналы 1-32» КП-ВВ191.
-
2) Производится проверка МФТК1Э №5 согласно действиям 2) - 7) п. М.2.4.
Инв. № подл. Подп. и дата | Взам. инв. № Ине. № дубл. Подл, и дата
М.7 Проверка мезонина МН8ИП
М.7.1 Используемый инструмент - источник питания ИП-400.
М.7.2 Используемый кабель - кабель Измерение напряжения ±10 В ФТКС.685611.123 - 1 шт.
М.7.3 Проверяемые параметры:
-
1) целостность выходных цепей;
-
2) измерение напряжения постоянного тока на измерительных каналах.
М.7.4 Алгоритм проверки:
-
1) Сообщение оператору:
Подключить Кабель Измерение напряжения ±10 В ФТКС.685611.123:
-
- разъём «Выход ИП» к разъёму «Формирование команд управления -Выход ИП» КП-ВВ191;
-
- разъём «±10 В» к разъёму «Измерение напряжения - ±10 В - Каналы 1-8» КП-ВВ191.
-
2) Источник питания ИП-400 формирует напряжение 5 В.
-
3) МН8ИП измеряет напряжение (5 ± 0,5) В.
Изм.
Лист
№ докум.
Подп.
Дата
ФТКС.411713.369РЭ
Лист
88
-
М.8.1 Используемый инструмент - источник питания ИП-400.
М.8.2 Используемый кабель - кабель Измерение напряжения ±150 В ФТКС.685611.124 - 1 шт.
М.8.3 Проверяемые параметры:
-
1) целостность выходных цепей;
-
2) измерение напряжения постоянного тока на измерительных каналах.
М.8.4 Алгоритм проверки:
-
1) Сообщение оператору:
Подключить Кабель Измерение напряжения ±150 В ФТКС.685611.124:
-
- разъём «Выход ИП» к разъёму «Формирование команд управления -Выход ИП» КП-ВВ191;
-
- разъём «±150 В» к разъёму «Измерение напряжения - ±150 В -Каналы 1-6» КП-ВВ19.
-
2) Источник питания ИП-400 формирует напряжение 5 В.
-
3) МН6И-150В измеряет напряжение (5 ± 0,5) В.
Инв. № подл. Подп. и дата | Взам. инв. № Инв. № дубл. Подо, и дата
М.9 Проверка мезонина МТ16-4Л-01 №1
М.9.1 Используемый инструмент - отсутствует.
М.9.2 Используемый соединитель - соединитель контрольный СК-Измерение сопротивления ФТКС.685629.439 - 1 шт.
М.9.3 Проверяемые параметры:
-
1) целостность выходных цепей;
-
2) измерение сопротивления постоянного тока на измерительных каналах.
М.9.4 Алгоритм проверки:
-
1) Сообщение оператору:
Подключить Соединитель контрольный СК-Измерение сопротивления ФТКС.685629.439 к разъёму «Измерение сопротивления - Каналы -1-12» КП-ВВ191.
-
2) МТ16-4Л-01 №1 Каналы 1-12 измеряет сопротивление (51 ± 1,5) Ом.
-
3) Сообщение оператору:
Подключить Соединитель контрольный СК-Измерение сопротивления ФТКС.685629.439 к разъёму «Измерение сопротивления - Каналы -13-24» КП-ВВ191.
-
4) МТ16-4Л-01 №1 Каналы 13-16 измеряет сопротивление (51 ± 1,5) Ом.
со
<*> ---------------------
О)
<о
Лист
ФТКС.411713.369РЭ
89
Изм.
Лист
№ докум.
Подп.
Дата
М.10.1 Используемый инструмент - отсутствует.
М.10.2 Используемый соединитель - соединитель контрольный СК-Измерение сопротивления ФТКС.685629.439 - 1 шт.
М.10.3 Проверяемые параметры:
-
1) целостность выходных цепей;
-
2) измерение сопротивления постоянного тока на измерительных каналах.
М.10.4 Алгоритм проверки:
-
1) Сообщение оператору:
Подключить Соединитель контрольный СК-Измерение сопротивления ФТКС.685629.439 к разъёму «Измерение сопротивления - Каналы -13-24» КП-ВВ191.
-
2) МТ16-4Л-01 №2 Каналы 1-8 измеряет сопротивление (51 ± 1,5) Ом.
-
3) Сообщение оператору:
Подключить Соединитель контрольный СК-Измерение сопротивления ФТКС.685629.439 к разъёму «Измерение сопротивления - Каналы -25-36» КП-ВВ191.
-
4) МТ16-4Л-01 №2 Каналы 9-16 измеряет сопротивление (51 ± 1,5) Ом.
Инв. № подл. Подп. и дата | Взам. инв. № Инв. № дубл. Подл, и дата
М.11 Проверка мезонина МТ16-4Л-01 №3
М.11.1 Используемый инструмент - отсутствует.
М.11.2 Используемый соединитель - соединитель контрольный СК-Измерение сопротивления ФТКС.685629.439 - 1 шт.
М.11.3 Проверяемые параметры:
-
1) целостность выходных цепей;
-
2) измерение сопротивления постоянного тока на измерительных каналах.
М.11.4 Алгоритм проверки:
-
1) Сообщение оператору:
Подключить Соединитель контрольный СК-Измерение сопротивления ФТКС.685629.439 к разъёму «Измерение сопротивления - Каналы -25-36» КП-ВВ191.
-
2) МТ16-4Л-01 №3 Каналы 1-4 измеряет сопротивление (51 ± 1,5) Ом.
-
3) Сообщение оператору:
Подключить Соединитель контрольный СК-Измерение сопротивления ФТКС.685629.439 к разъёму «Измерение сопротивления - Каналы -37-48» КП-ВВ191.
-
4) МТ16-4Л-01 №3 Каналы 5-16 измеряет сопротивление (51 ± 1,5) Ом.
Изм.
Лист
№ докум.
Подп.
Дата
ФТКС.411713.369РЭ
Лист
90
-
М.12.1 Используемый инструмент - отсутствует.
М.12.2 Используемый соединитель - соединитель контрольный СК-Измерение сопротивления ФТКС.685629.439 - 1 шт.
М.12.3 Проверяемые параметры:
-
1) целостность выходных цепей;
-
2) измерение сопротивления постоянного тока на измерительных каналах.
М.12.4 Алгоритм проверки:
-
1) Сообщение оператору:
Подключить Соединитель контрольный СК-Измерение сопротивления ФТКС.685629.439 к разъёму «Измерение сопротивления - Каналы -49-60» КП-ВВ191.
-
2) МТ16-4Л-01 №4 Каналы 1-12 измеряет сопротивление (51 ± 1,5) Ом.
-
3) Сообщение оператору:
Подключить Соединитель контрольный СК-Измерение сопротивления ФТКС.685629.439 к разъёму «Измерение сопротивления - Каналы -61-72» КП-ВВ191.
-
4) МТ16-4Л-01 №4 Каналы 13-16 измеряет сопротивление (51 ± 1,5) Ом.
Инв. № подл. Подп. и дата Взам. ине. № Ине. № дубя. Подп. и дата
о CXJ о см со о
о
М.13 Проверка мезонина МТ16-4Л-01 №5
М.13.1 Используемый инструмент - отсутствует.
М.13.2 Используемый соединитель - соединитель контрольный СК-Измерение сопротивления ФТКС.685629.439 - 1 шт.
М.13.3 Проверяемые параметры:
-
1) целостность выходных цепей;
-
2) измерение сопротивления постоянного тока на измерительных каналах.
М.13.4 Алгоритм проверки:
-
1) Сообщение оператору:
Подключить Соединитель контрольный СК-Измерение сопротивления ФТКС.685629.439 к разъёму «Измерение сопротивления - Каналы -61-72» КП-ВВ191.
-
2) МТ16-4Л-01 №5 Каналы 1-8 измеряет сопротивление (51 ± 1,5) Ом.
-
3) Сообщение оператору:
Подключить Соединитель контрольный СК-Измерение сопротивления ФТКС.685629.439 к разъёму «Измерение сопротивления - Каналы -73-84» КП-ВВ191.
-
4) МТ16-4Л-01 №5 Каналы 9-16 измеряет сопротивление (51 ± 1,5) Ом.
Изм.
Лист
№ докум.
Подп.
Дата
ФТКС.411713.369РЭ
Лист
91
-
М.14.1 Используемый инструмент - отсутствует.
М.14.2 Используемый соединитель - соединитель контрольный СК-Измерение сопротивления ФТКС.685629.439 - 1 шт.
М.14.3 Проверяемые параметры:
-
1) целостность выходных цепей;
-
2) измерение сопротивления постоянного тока на измерительных каналах.
М.14.4 Алгоритм проверки:
-
1) Сообщение оператору:
Подключить Соединитель контрольный СК-Измерение сопротивления ФТКС.685629.439 к разъёму «Измерение сопротивления - Каналы -73-84» КП-ВВ191.
-
2) МТ16-4Л-01 №6 Каналы 1-4 измеряет сопротивление (51 ± 1,5) Ом.
-
3) Сообщение оператору:
Подключить Соединитель контрольный СК-Измерение сопротивления ФТКС.685629.439 к разъёму «Измерение сопротивления - Каналы -85-96» КП-ВВ191.
-
4) МТ16-4Л-01 №6 Каналы 5-16 измеряет сопротивление (51 ± 1,5) Ом.
Инв. № подл. Подп. и дата | Взам. инв. № Инв. № дубл. Подл, и дата
М.15 Проверка мезонина МТ16-4Л-01 №7
М.15.1 Используемый инструмент - отсутствует.
М.15.2 Используемый соединитель - соединитель контрольный СК-Измерение сопротивления ФТКС.685629.439 - 1 шт.
М.15.3 Проверяемые параметры:
-
1) целостность выходных цепей;
-
2) измерение сопротивления постоянного тока на измерительных каналах.
М.15.4 Алгоритм проверки:
-
1) Сообщение оператору:
Подключить Соединитель контрольный СК-Измерение сопротивления ФТКС.685629.439 к разъёму «Измерение сопротивления - Каналы -97-108» КП-ВВ191.
-
2) МТ16-4Л-01 №7 Каналы 1-12 измеряет сопротивление (51 ± 1,5) Ом.
-
3) Сообщение оператору:
Подключить Соединитель контрольный СК-Измерение сопротивления ФТКС.685629.439 к разъёму «Измерение сопротивления - Каналы -109-120» КП-ВВ191.
-
4) МТ16-4Л-01 №7 Каналы 13-16 измеряет сопротивление (51 ± 1,5) Ом.
Изм.
Лист
№ докум.
Подп.
Дата
ФТКС.411713.369РЭ
Лист
92
-
М.16.1 Используемый инструмент - отсутствует.
М.16.2 Используемый соединитель - соединитель контрольный СК-Измерение сопротивления ФТКС.685629.439 - 1 шт.
М.16.3 Проверяемые параметры:
-
1) целостность выходных цепей;
-
2) измерение сопротивления постоянного тока на измерительных каналах.
М.16.4 Алгоритм проверки:
-
1) Сообщение оператору:
Подключить Соединитель контрольный СК-Измерение сопротивления ФТКС.685629.439 к разъёму «Измерение сопротивления - Каналы -109-120» КП-ВВ191.
-
2) МТ16-4Л-01 №8 Каналы 1-8 измеряет сопротивление (51 ± 1,5) Ом.
-
3) Сообщение оператору:
Подключить Соединитель контрольный СК-Измерение сопротивления ФТКС.685629.439 к разъёму «Измерение сопротивления - Каналы -121-132» КП-ВВ191.
-
4) МТ16-4Л-01 №8 Каналы 9-16 измеряет сопротивление (51 ± 1,5) Ом.
Инв. № подл. Подп. и дата | Взам. инв. № Инв. № дубл. Подл, и дата
М.17 Проверка мезонина МТ16-4Л-01 №9
М.17.1 Используемый инструмент - отсутствует.
М.17.2 Используемый соединитель - соединитель контрольный СК-Измерение сопротивления ФТКС.685629.439 - 1 шт.
М.17.3 Проверяемые параметры:
-
1) целостность выходных цепей;
-
2) измерение сопротивления постоянного тока на измерительных каналах.
М.17.4 Алгоритм проверки:
-
1) Сообщение оператору:
Подключить Соединитель контрольный СК-Измерение сопротивления ФТКС.685629.439 к разъёму «Измерение сопротивления - Каналы -121-132» КП-ВВ191.
-
2) МТ16-4Л-01 №9 Каналы 1-4 измеряет сопротивление (51 ± 1,5) Ом.
-
3) Сообщение оператору:
Подключить Соединитель контрольный СК-Измерение сопротивления ФТКС.685629.439 к разъёму «Измерение сопротивления - Каналы -133-144» КП-ВВ191.
-
4) МТ16-4Л-01 №9 Каналы 5-16 измеряет сопротивление (51 ± 1,5) Ом.
Изм.
Лист
№ докум.
Подп.
Дата
ФТКС. 411713.369РЭ
Лист
93
-
М.18.1 Используемый инструмент - отсутствует.
М.18.2 Используемый соединитель - соединитель контрольный СК-Измерение сопротивления ФТКС.685629.439 - 1 шт.
М.18.3 Проверяемые параметры:
-
1) целостность выходных цепей;
-
2) измерение сопротивления постоянного тока на измерительных каналах.
М.18.4 Алгоритм проверки:
-
1) Сообщение оператору:
Подключить Соединитель контрольный СК-Измерение сопротивления ФТКС.685629.439 к разъёму «Измерение сопротивления - Каналы -145-156» КП-ВВ191.
-
2) МТ16-4Л-01 №10 Каналы 1-12 измеряет сопротивление (51 ± 1,5) Ом.
-
3) Сообщение оператору:
Подключить Соединитель контрольный СК-Измерение сопротивления ФТКС.685629.439 к разъёму «Измерение сопротивления - Каналы -157-168» КП-ВВ191.
-
4) МТ16-4Л-01 №10 Каналы 13-16 измеряет сопротивление (51 ± 1,5) Ом.
Инв. № подл. Подп. и дата | Взам. инв. № Инв. № дубл. Подл, и дата

М.19 Проверка мезонина МТ16-4Л-01 №11
М.19.1 Используемый инструмент - отсутствует.
М.19.2 Используемый соединитель - соединитель контрольный СК-Измерение сопротивления ФТКС.685629.439 - 1 шт.
М.19.3 Проверяемые параметры:
-
1) целостность выходных цепей;
-
2) измерение сопротивления постоянного тока на измерительных каналах.
М.19.4 Алгоритм проверки:
-
1) Сообщение оператору:
Подключить Соединитель контрольный СК-Измерение сопротивления ФТКС.685629.439 к разъёму «Измерение сопротивления - Каналы -157-168» КП-ВВ191.
-
2) МТ16-4Л-01 №11 Каналы 1-12 измеряет сопротивление (51 ± 1,5) Ом.
-
3) Сообщение оператору:
Подключить Соединитель контрольный СК-Измерение сопротивления ФТКС.685629.439 к разъёму «Измерение сопротивления - Каналы -169-176» КП-ВВ191.
-
4) МТ16-4Л-01 №11 Каналы 13-16 измеряет сопротивление (51 ± 1,5) Ом.

Изм. |
Лист |
№ докум. |
Подп. |
Дата |
ФТКС. 411713.369РЭ
Лист
94
М.20 Проверка модуля РДС
Инв. № подл. | Подп. и дата Взам. инв. № Инв. № дубл. Подл, и дата
о см о см
00 о
о

М.20.1 Используемый инструмент - отсутствует.
М.20.2 Используемый кабель - кабель Контроль дискретных параметров 1 с ФТКС.685611.130 - 1 шт.; кабель Контроль дискретных параметров
ФТКС.685611.131 - 1 шт.
М.20.3 Проверяемые параметры:
-
1) целостность входных цепей;
-
2) регистрация состояний входов РДС;
-
3) отсутствие ложной регистрации и взаимовлияния входов РДС;
-
4) измерение интервала времени на измерительных каналах.
М.20.4 Алгоритм проверки:
-
1) Проверяется регистрация изменений состояний каналами 1-64 РДС при отсутствии подключения кабеля.
-
2) Сообщение оператору:
Подключить Кабель Контроль дискретных параметров_1 с
ФТКС.685611.130:
-
- разъём «Контроль» к разъёму «КОНТРОЛЬ» Модуля РДС;
-
- разъём «1 с» к разъёму «Контроль дискретных параметров - 1 с» КП-ВВ191.
-
3) Формируется импульс со временем изменения состояния 0,2 с из логической «1» в логический «0».
-
4) РДС Канал 1 регистрирует изменения состояний и измеряет интервал времени 0,2 с.
-
5) Сообщение оператору:
Подключить Кабель Контроль дискретных параметров ФТКС.685611.131:
-
- разъём «Контроль» к разъёму «КОНТРОЛЬ» Модуля РДС;
-
- разъём «Каналы» к разъёму «Контроль дискретных параметров -Каналы 1-32» КП-ВВ191.
-
6) Формируются импульсы со временем изменения состояния 0,2 с из логической «1» в логический «0».
-
7) РДС Каналы 1-32 регистрируют изменения состояний и измеряют интервал времени 0,2 с.
-
8) Сообщение оператору:
Переподключить Кабель Контроль дискретных параметров
ФТКС.685611.131:
-
- разъём «Каналы» к разъёму «Контроль дискретных параметров -Каналы 33-64» КП-ВВ191.
-
9) Формируются импульсы со временем изменения состояния 0,2 с из логической «1» в логический «0».
-
10) РДС Каналы 33-64 регистрируют изменения состояний и измеряют интервал времени 0,2 с.
Изм. |
Лист |
№ докум. |
Подп. |
Дата |
ФТКС.411713.369РЭ
Лист
95
М.21 Проверка источника питания ИП-400
М.21.1 Используемый инструмент - МН6И-150В, МН8ИП.
М.21.2 Используемые кабели - кабель Измерение напряжения ±10 В
ФТКС.685611.123 - 1 шт.; кабель Измерение напряжения ±150 В ФТКС.685611.124 - 1 шт.
М.21.3 Проверяемые параметры:
-
1) целостность выходных цепей;
-
2) формирование напряжения постоянного тока.
Инв. № подл. Подп. и дата Взам. инв. № Инв. № дубл. Подл, и дата
М.21.4 Алгоритм проверки:
-
1) Сообщение оператору:
Подключить Кабель Измерение напряжения ±10 В ФТКС.685611.123:
-
- разъём «Выход ИП» к разъёму «Формирование команд управления -Выход ИП» КП-ВВ191;
-
- разъём «±10 В» к разъёму «Измерение напряжения - ±10 В - Каналы 1-8» КП-ВВ191.
-
2) Источник питания ИП-400 формирует напряжение 0,1 В.
-
3) МН8ИП (6/1) Каналы 1-8 измеряет напряжение (0,1 ± 0,01) В.
-
4) Источник питания ИП-400 формирует напряжение 1 В.
-
5) МН8ИП (6/1) Каналы 1-8 измеряет напряжение (1 ± 0,1) В.
-
6) Источник питания ИП-400 формирует напряжение 10 В.
-
7) МН8ИП (6/1) Каналы 1-8 измеряет напряжение (10 ±1) В.
-
8) Сообщение оператору:
Подключить Кабель Измерение напряжения ±150 В ФТКС.685611.124:
-
- разъём «Выход ИП» к разъёму «Формирование команд управления -Выход ИП» КП-ВВ191;
- разъём «±150 В» к разъёму «Измерение напряжения - ±150 В -Каналы 1-6» КП-ВВ191.
-
9) Источник питания ИП-400 формирует напряжение 20 В.
-
10) МН6И-150В (6/2) Каналы 1-6 измеряет напряжение (20
-
11) Источник питания ИП-400 формирует напряжение 30 В.
-
12) МН6И-150В (6/2) Каналы 1-6 измеряет напряжение (30
-
13) Источник питания ИП-400 формирует напряжение 40 В.
-
14) МН6И-150В (6/2) Каналы 1-6 измеряет напряжение (40
± 1) В.
± 1) В.
± 1) В.



Изм. |
Лист |
№ докум. |
Подп. |
Дата |
ФТКС.411713.369РЭ
Лист
96
М.22 Проверка плат ТА1-РЕ2-М
М.22.1 Используемый инструмент - МТ16-4Л-01.
М.22.2 Используемые кабели - кабель МКО-1 ФТКС.685611.125 кабель МКО-2 ФТКС.685611.126 - 1 шт.
М.22.3 Проверяемые параметры:
-
1) целостность выходных цепей;
-
2) обеспечение информационного обмена по каналу (ГОСТ Р 52070-2003).
МКО
М.22.4 Алгоритм проверки: 1)
Сообщение оператору:
Подключить Кабель МКО-1 ФТКС.685611.125:
-
- разъём «МКО-1» к разъёму «МКО-1 - Канал 1»
-
- разъём «МКО-2» к разъёму «МКО-2 - Канал 1» Соединитель ХЗ платы ТА1-РЕ2-М №1 работает в соединитель ХЗ платы ТА1-РЕ2-М №2 работает в
3)
КП-ВВ191;
КП-ВВ191.
режиме контроллера, режиме монитора.
4)
5)
6)
Инв. № подл. Подл, и дата Взам. инв. № Ине. № дубл. Подл, и дата
о см о см об о
Qi
00
С*) о> со
7)
8)
9)
Контроллер отправляет сообщение монитору, монитор принимает сообщение.
Соединитель ХЗ платы ТА1-РЕ2-М №2 работает в режиме контроллера, соединитель ХЗ платы ТА1-РЕ2-М №1 работает в режиме монитора; Контроллер отправляет сообщение монитору, сообщение.
Сообщение оператору:
Отключить Кабель МКО-1 ФТКС.685611.125 от
Подключить Кабель МКО-2 ФТКС.685611.126:
-
- разъём «МКО-1» к разъёму «МКО-1 - Канал
монитор принимает
КП-ВВ191.
2Т» КП-ВВ191;
-
- разъём «МКО-2_1» к разъёму «МКО-2 - Канал 2Т» КП-ВВ191. Соединитель Х2 платы ТА1-РЕ2-М №1 работает в режиме контроллера, соединитель Х2 платы ТА1-РЕ2-М №2 работает в режиме монитора. Контроллер отправляет сообщение монитору, монитор принимает сообщение.
Соединитель Х2 платы ТА1-РЕ2-М №2 работает в режиме контроллера, соединитель Х2 платы ТА1-РЕ2-М №1 работает в режиме монитора.
-
10) Контроллер отправляет сообщение монитору, монитор принимает сообщение.
-
11) Сообщение оператору:
Отключить Кабель МКО-2 ФТКС.685611.126:
-
- разъём «МКО-2_1» от разъёма «МКО-2 - Канал 2Т» КП-ВВ191. Подключить Кабель МКО-2 ФТКС.685611.126:
-
- разъём «МКО-2_2» к разъёму «МКО-2 - Канал 2Т» КП-ВВ191.
-
12) Соединитель Х2 платы ТА1-РЕ2-М №1 работает в режиме контроллера, соединитель Х2 платы ТА1-РЕ2-М №2 работает в режиме монитора.
-
13) Контроллер отправляет сообщение монитору, монитор принимает сообщение.
-
14) Соединитель Х2 платы ТА1-РЕ2-М №2 работает в режиме контроллера, соединитель Х2 платы ТА1-РЕ2-М N’1 работает в режиме монитора.
-
15) Контроллер отправляет сообщение монитору, монитор принимает сообщение.
Изм. |
Лист |
№ докум. |
Подп. |
Дата |
ФТКС.411713.369РЭ
Лист

Каналы - 73-84» КП-ВВ191;
1_1» к разъёму «МКО-1 - Канал 1» КП-ВВ191; 2Т_1» к разъёму «МКО-1 - Канал 2Т» КП-ВВ191;
1_2» к разъёму «МКО-2 - Канал 1» КП-ВВ191; 2Т_2» к разъёму «МКО-2 - Канал 2Т» КП-ВВ191.
«Канал
«Канал «Канал «Канал
-
16) Сообщение оператору: Отключить Кабель МКО-2 ФТКС.685611.126 от КП-ВВ191. Подключить Кабель 75 Ом ФТКС.685611.127:
-
- разъём «Измерение сопротивления» к разъёму «Измерение сопротивления
-
- разъём
-
- разъём
-
- разъём
-
- разъём
-
17) МТ16-4Л-01 №5 Каналы 9-16 измеряет сопротивление (75 ± 2) Ом.
Инв. № подл. Подп. и дата | Взам. инв. № Инв. Ns дубл. Подл, и дата


- |
Нов. |
ФТКС.5-2021 | ||
Изм. |
Лист |
№ докум. |
Подп. |
Дата |
ФТКС. 411713.369РЭ
Лист
98
Лист регистрации изменений
Инв. № подл. Подп. и дата | Взам. инв. № Инв. № дубл. Подл, и дата

Изм. |
Номера листов (страниц) |
Всего листов (страниц) в до кум. |
№ докум. |
Входящий № сопроводительного докум.и дата |
Подп. |
Дата | |||
измененных |
замененных |
новых |
аннулированных | ||||||
2 |
- |
Все |
100, 101 |
- |
101 |
ФТКС.5-2021 | |||
3 |
Введение литеры «О» |
101 |
ФТКС. 14-2021 | ||||||
со
-- О) <о |
Лист | ||||||
- |
Нов. |
ФТКС.5-2021 |
ФТКС.411713.369РЭ | ||||
Изм. |
Лист |
№ докум. |
Подп. |
Дата |
99 |
Форма 2а
ГОСТ 2.104
Копировал
Формат А4