Руководство по эксплуатации «ПРЕОБРАЗОВАТЕЛИ ТЕМПЕРАТУРЫ МЕТРАН-280, METPAH-280-Ex» (281.01.00.000 РЭ)

42 1199
ПРЕОБРАЗОВАТЕЛИ
ТЕМПЕРАТУРЫ
МЕТРАН-280,
МЕТРАН-280-Ех
Руководство по эксплуатации
281.01.00.000 РЭ
Челябинск
2007
Изготовитель __________________________
Заказы принимаются по адресу:
454138 г. Челябинск, Комсомольский пр., 29
тел. (351) 798-85-10, 741-68-01, 741-46-33, факс 741-68-11, 741-45-17. Http: //www.metran.ru.
E-mail: metran@metran.ru
Промышленная группа «МЕТРАН».
Содержание
Приложение А Ссылочные нормативные документы
Приложение Б Габаритные размеры, масса, исполнения ПТ
Приложение В Схема внешних соединений ПТ Метран-281, Метран-286
Приложение Г Схемы внешних соединений ПТ Метран-281, Метран-286
Приложение Д Схемы соединений ПТ при определении основной погрешности
Приложение Е Монтажные комплекты кабельного ввода
Приложение Ж Чертеж средств взрывозащиты ПТ Метран-281-Exd, Метран-288-Exd
Приложение И Чертеж средств взрывозащиты ПТ Метран-286-Exd
Приложение К Перечень команд прикладного уровня поддерживаемых Метран-280
Приложение Л Дерево меню коммуникатора Метран-650 при управлении
Приложение М Расчет параметров линии связи (токовой петли)
Приложение Н Generic Menu коммуникатора НС-275 (английская версия)
Приложение П Generic Menu коммуникатора НС-275 (перевод)
Приложение Р Чертеж средств взрывозащиты ПТ Метран-281-12-Exd,
Метран-281-13-Exd, Метра!i-28l-l4-Exd, Ме'тран-281-15-Е\Н
Приложение С Схемы внутренних соединений ПТ
Настоящее руководство по эксплуатации (РЭ) содержит технические данные, описание принципа действия, устройство и другие сведения, необходимые для правильной эксплуатации преобразователей температуры (ПТ) Метран-280: с первичными преобразователями термоэлектрическими ТХА Метран-281, Метран-281-Ех; ТНН Метран-288, Метран-288-Ех; с термопреобразователями сопротивления ТСП Метран-286, Метран-286-Ех, предназначенные для измерения температуры различных сред в составе систем автоматического управления технологическими процессами (АСУ ТП) путем преобразования сигнала первичного преобразователя температуры (ППТ) в унифицированный выходной сигнал постоянного тока и наложенный на него цифровой сигнал на базе HART протокола.
В РЭ приведены основные технические характеристики, сведения о работе ПТ, требования по монтажу, эксплуатации, правила транспортирования, хранения и другие сведения, необходимые для правильной эксплуатации.
-
1. ОПИСАНИЕ И РАБОТА
-
1.1 Назначение
-
Управление ПТ осуществляется дистанционно с помощью управляющих устройств, поддерживающих HART протокол. Связь ПТ с управляющими устройствами осуществляется:
-
- по аналоговому каналу - передачей информации об измеряемой температуре в виде постоянного тока 4-20 мА;
-
- по цифровому каналу - в соответствии с HART протоколом в стандарте Bell-202.
Использование ПТ допускается в нейтральных, а также в агрессивных средах, по отношению к которым материал защитной арматуры является коррозионностойким.
ПТ Метран-281-Ех, Метран-288-Ех Метран-286-Ех могут применяться во взрывоопасных зонах согласно требованиям главы 7.3 ПУЭ, в которых возможно образование взрывоопасных смесей газов, паров, горючих жидкостей с воздухом категории ПС групп Т1...Т6 по ГОСТ 12.1.011.
Ссылочные нормативные документы приведены в приложении А.
ПТ имеют особовзрывобезопасный уровень, обеспечиваемый видом взрывозащиты по ГОСТ Р 51330.10 «искробезопасная электрическая цепь ia», с маркировкой ExiaIICT5 X или ExiaIICT6 X, а также взрывобезопасный уровень, обеспечиваемый видом взрывозащиты по ГОСТ Р 51330.1 «взрывонепроницаемая оболочка d», с маркировкой 1ExdIICT5 X или 1ExdIICT6 X.
ПТ классифицированы в соответствии с ГОСТ 12997:
-
- по наличию информационной связи ПТ предназначены для информационной связи с другими изделиями;
-
- по виду энергии носителя сигналов в канале связи ПТ являются электрическими;
-
- в зависимости от эксплуатационной законченности относятся к изделиям третьего порядка;
-
- по метрологическим свойствам являются средствами измерений;
-
- по устойчивости к механическим воздействиям соответствуют исполнению V1 по ГОСТ 12997.
ПТ изготавливают следующих климатических исполнений:
-
- исполнения У1.1 по ГОСТ 15150, но для работы при значении температуры окружающего воздуха от минус 40 до плюс 70 °С (для исполнения Ех температурного класса Т6 от минус 20 до плюс 40 °С и для температурного класса Т5 от минус 40 до плюс 70 °С);
- тропического исполнения ТЗ по ГОСТ 15150, но для работы при значении температуры окружающего воздуха от минус 10 до 70 °С (для исполнения Ех температурного класса Т6 от минус 10 до плюс 40 °С и температурного класса Т5 от минус 10 до плюс 70 °С);
-
- по спецзаказу - от минус 50 до плюс 85 °С.
Примечание - Классификация ПТ по температурным классам Т5, Т6 - в соответствии с ГОСТ Р 51330.0.
По защищенности от воздействия окружающей среды ПТ являются пыле-, водозащищенными и соответствуют коду IP65 по ГОСТ 14254.
По ГОСТ 30232 ПТ подразделяются:
-
- по типу применяемых первичных преобразователей температуры - на ПТ с преобразователями термоэлектрическими ТХА с номинальной статической характеристикой преобразования (НСХ) типа «К» (Метран-281, Метран-281-Ех), ТНН с НСХ типа «N» по ГОСТ 6616 (Метран-288, Метран-288-Ех) и с термопреобразователями сопротивления ТСП с НСХ типа «Pt100» по ГОСТ 6651 (Метран-286, Метран-286-Ех);
-
- по типу применяемых измерительных преобразователей (ИП) - на ИП Метран-280 и ИП Метран-646;
-
- по связи между входными и выходными цепями - на ПТ с гальванической связью (при использовании ИП Метран-646) и без гальванической связи (при использовании ИП Метран-280).
ПТ согласно ГОСТ 27.003 относятся к изделиям конкретного назначения, вида 1, непрерывного применения, невосстанавливаемым.
В качестве первичных преобразователей температуры в ПТ Метран-281 используются первичные преобразователи ТХА Метран-201; ТХА Метран-251; в ПТ Метран-286 должны быть использованы первичные преобразователи ТСП Метран-206, ТСП Метран-256 с применением чувствительного элемента, имеющего НСХ типа Pt100; в ПТ Метран-288 должны быть использованы нихросил-нисиловые вставки кабельные МП 278.01.01.000 и 281.04.01.100, 288.01.01.000.
Коммуникатором или программным обеспечением H-Master для потребителя реализуются следующие функции пользовательской настройки ПТ с ИП (процедура настройки описана в Руководстве пользователя программой H-Master):
-
- перенастройка диапазона измерений ПТ;
-
- установка единиц измерений;
-
- калибровка выходного сигнала;
-
- выбор времени демпфирования/усреднения измеряемого сигнала;
-
- тэг путем указания строки из восьми допустимых символов HART-протокола;
-
- указание даты путем в формате дд.мм.гг.;
-
- описание путем указания строки из 16 допустимых символов HART-протокола;
-
- номер окончательной сборки путем указания числового значения в диапазоне от 0 до 16777215;
-
- сообщение путем указания строки из 24 допустимых символов HART-протокола;
-
- короткий адрес опроса устройства путем указания целого числового значения в диапазоне от 0 до 15;
-
- выбор фильтра питания АЦП (только для ПТ с ИП Метран-280);
-
- режим калибратора (только для ПТ с ИП Метран-280);
-
- коррекция двухпроводного соединения (только для ПТ с ИП Метран-280);
-
- просмотр температуры окружающего воздуха (ПТ с ИП Метран-280);
-
- выбор сигнала аварии, уровня насыщения (только для ПТ с ИП Метран-280);
-
- режим защиты от записи.
Технологическая настройка при производстве ПТ Метран-280 с ИП Метран-280 осуществляется технологическим программным обеспечением H-Master, а ПТ Метран-280 с ИП Мет-ран-646 программным обеспечением «Н-Conf».
Этими программными обеспечениями дополнительно к пользовательским настройкам реализуются следующие функции технологической настройки ПТ:
-
- серийный номер сенсора;
-
- выбор номинальной статической характеристики преобразования;
-
- выбор вида калибровки;
-
- калибровка;
-
- выбор схемы соединения сенсора;
-
- ввод параметров ПТ (информации о датчике).
-
1.2 Технические характеристики
1.2.1 Условное обозначение ПТ, типы НСХ первичных преобразователей температуры, параметры выходных сигналов (аналогового и цифрового), диапазоны измеряемых температур, материал защитной арматуры ПТ должны соответствовать значениям, указанным в таблице 1.
Пределы допускаемой основной приведенной погрешности ПТ должны соответствовать значениям, указанным в таблице 2.
Таблица 2______________________________________________________________________
Пределы допускаемой основной приведенной
Обозначение ПТ |
Диапазон измеряемых температур ПТ, °С |
Пределы допускаемой основной приведенной погрешности ПТ, % | |
По аналоговому сигналу |
По цифровому сигналу | ||
Метран-281 |
-50 ... 500 |
±0,40 |
±0,40 |
св. 500 ... 1000 |
±0,30 |
±0,30 | |
Метран-288 |
-50 ... 500 |
±0,40 |
±0,40 |
св. 500 ... 1200 |
±0,30 |
±0,30 | |
св. 500 ... 850 |
±0,15 |
±0,15 | |
Метран-286 |
-50 ... 500 |
±0,15 |
±0,15 |
Примечания
не менее минимального интервала измерений: для ПТ Метран-281, Метран-288 - 25 °С (ИП Метран-280), 50 °С (ИП Метран-646); для ПТ Метран-286 - 10 °С (ИП Метран-280), 25 °С (ИП Метран-646).
где ДППТ - допускаемая абсолютная погрешность первичного преобразователя (по ГОСТ 6616, ГОСТ 6651); дИП - допускаемая абсолютная погрешность измерительного преобразователя: ИП Метран-280: ±1,0 °С для типа «К»; ±1,3 °С для типа «N»; ±0,2 °С для типа «Pt100»; ИП Метран-646: ±1,6 °С для типа «К»; ±1,3 °С для типа «N»; ±0,5 °С для типа «Pt100» - по цифровому сигналу. Погрешность ИП Метран-646 по аналоговому сигналу складывается из погрешности по цифровому сигналу и погрешности цифро-аналогового преобразования, составляющей 0,05% от диапазона измерений ПТ. |
Таблица 1
Обозначение ПТ |
НСХ |
Выходные сигналы |
Диапазон измерений, °С |
Верхний предел измерений, °С |
Материал защитной арматуры (код материала) | |
аналоговый, мА |
Цифро вой | |||||
Метран-281 |
К |
4-20 |
В стандарте HART версия 5 |
от минус 50 до плюс 1000 |
плюс 800 |
12Х18Н10Т (Н10) 10Х17Н13М2Т (Н13) |
плюс 1000 |
ХН78Т (Н78) | |||||
Метран-288 |
N |
от минус 50 до плюс 1200 |
плюс 1000 |
10Х23Н18 (Н18) | ||
плюс 1100 1200 |
ХН78Т (Н78) ХН45Ю (Н45) | |||||
Метран-286 |
Pt100 |
от минус 50 до плюс 500 |
плюс 500 |
12Х18Н10Т (Н10) 10Х17Н13М2Т (Н13) |
-
1.2.2 Габаритные размеры, масса, конструктивные исполнения ПТ приведены в приложении Б.
-
1.2.3 ПТ соответствуют следующим требованиям:
- осуществляют перестройку диапазона измерений температуры с минимальным интервалом измерений:
а) для ПТ Метран-281, Метран-288:
25 °С (ИП Метран-280),
50 °С (ИП Метран-646),
б) для ПТ Метран-286:
10 °С (ИП Метран-280),
25 °С (ИП Метран-646);
- производят детектирование обрыва или короткого замыкания первичного преобразователя температуры, самодиагностику. При обнаружении неисправностей во время самодиагностики ПТ выходной аналоговый сигнал переводится в состояние соответствующее сигналу тревоги:
а) высокое значение: 21 мА <1вых < 23 мА (ИП Метран-280);
б) нижнее значение: 3,50 мА <1вых < 3,75 мА (ИП Метран-280), 1вых < 3,77 мА (ИП Мет-ран-646).
Примечание - Неисправность микропроцессора всегда вызывает высокий уровень сигнала тревоги, независимо от выбора направления уровня сигнала тревоги (высокого или низкого).
-
- при выходе температуры ППТ за пределы диапазона измерений температур (таблица 1) ИП Метран-280 переходит в режим насыщения:
а) нижний уровень: между нижним значением аварийного сигнала плюс 0,1мА и 3,9 мА;
б) высокий уровень: между 20,8 мА и высоким значением аварийного сигнала минус 0,1 мА
-
- ИП исполнения Exia соответствует требованиям ГОСТ Р 51330.10 и имеет следующие параметры искробезопасности:
а) внутренняя емкость Ci не более 50 нФ,
б) внутренняя индуктивность Li не более 0,1 мГн;
-
- ИП производит перенастройку НСХ в случае замены первичного преобразователя на другой тип;
- ИП предусматривает калибровку под индивидуальную статическую характеристику первичного преобразователя по 2 (ИП Метран-280), 2-8 (ИП Метран-646) температурным точкам для повышения точности ПТ;
- ИП имеет устройство автокомпенсации изменения термо-ЭДС от изменения температуры холодных спаев ЧЭ термоэлектрического преобразователя;
- в ИП Метран-280 между входной и выходной цепями обеспечена гальваническая развязка;
- в ИП предусмотрен режим защиты от случайного изменения установленных параметров;
- величина демпфирования по умолчанию составляет 5,0 секунд, и может быть перенастроена на любое значение между 0 и 32 сек;
- время выхода в рабочий режим с номинальными характеристиками после подачи питания на ИП (при нулевом времени демпфирования) не более 5 с (ИП Метран-280), 3 с (ИП Мет-ран-646);
- время обновления показаний менее 0,5 с (ИП Метран-280), 0,8 с (ИП Метран-646);
- время прерывания питания, которое не приводит к сбросу не более 25 мс.
-
1.2.4 Зависимость аналогового выходного сигнала от температуры линейная. Диапазон линейного выходного сигнала, мА:
-
- ПТ с ИП Метран-280 3,9 < 1вых < 20,5;
-
- ПТ с ИП Метран-646 3,84 < 1вых < 21,6.
-
1.2.5 Материал оболочки ПТ - алюминиевый сплав.
-
1.2.6 Подключение ПТ к питающей и информационной линии производится:
-
- ПТ общепромышленного и взрывозащищенного исполнения вида «искробезопасная цепь» - через штуцер кабельного ввода;
ПТ общепромышленного исполнения -31,-32,-33 через кабельные вводы К, К3, К4, К5, К6 приложения Е;
-
- ПТ взрывозащищенного исполнения вида «взрывонепроницаемая оболочка» - через кабельные вводы БК и ТБ, указанные в приложении Е, или другие кабельные вводы, сертифицированные в установленном порядке на соответствие требованиям ГОСТ Р 51330.1.
-
1.2.7 Способ контакта ПТ с измеряемой средой - погружаемый.
-
1.2.8 Способы крепления ПТ: неподвижный штуцер М20х1,5, подвижный штуцер, свободная установка в патрубке, фланцевое соединение.
-
1.2.9 Схема соединения ППТ с ИП Метран-280 - четырехпроводная, с ИП Метран-646 -двухпроводная, четырехпроводная по ГОСТ 6651. Схемы соединения приведены в приложении С.
-
1.2.10 Электрическая изоляция между электрически несвязанными цепями, а также между этими цепями и корпусом ПТ при температуре окружающего воздуха (25±10) °С и относительной влажности от 30 до 80 % , а также при относительной влажности 98 % и температуре 35 °С выдерживает в течение 1 мин:
- действие напряжения переменного тока 500 В (эффективное) практически синусоидаль -ной формы частотой 50, 60 Гц для ПТ с ИП Метран-280 и исполнений Exia;
- действие напряжения переменного тока 250 В (эффективное) практически синусоидаль -ной формы частотой 50 Гц для ПТ с ИП Метран-646, для исполнений Exia - 500 В.
-
1.2.11 Электрическое сопротивление изоляции между электрически несвязанными цепями, а также между этими цепями и корпусом ПТ не менее, МОм:
а) 40 - при температуре (25±10) °С и относительной влажности от 30 до 80 %;
б) 2 - при температуре (35±2) °С и относительной влажности 98 %;
в) 0,5 - при температуре 500 °С;
г) 0,01 - при температуре 1000 °С.
-
1.2.12 Электрическое питание ПТ осуществляется от источника постоянного тока с напряжением от 18 до 42 В класса стабилизации 2,0 по ГОСТ 18953.
Электрическое питание ПТ Метран-281-Ехia, Метран-288-Ехia, Метран-286-Exia осуществляется от искробезопасных цепей блоков питания (барьеров), имеющих вид взрывозащиты «искробезопасная электрическая цепь» с уровнем искробезопасности электрической цепи «ia», с напряжением холостого хода Uxx<24 В, током короткого замыкания 1кз< 120 мА.
Схемы внешних электрических соединений ПТ представлены в приложениях В, Г.
-
1.2.13 Максимальное сопротивление нагрузки Rmax, Ом выбирается из условия:
ПТ с ИП Метран-280:
Rmax = 40,8 (U-12) (1)
ПТ с ИП Метран-646:
Rmax = 45,5 (U-12), (2)
где U - напряжение питания, В.
Для обеспечения связи по HART-протоколу необходимо, чтобы сопротивление нагрузки находилось в пределах от 250 до 1100 Ом.
Номинальное значение сопротивления нагрузки должно составлять:
ПТ Метран-280 - 500 Ом,
ПТ Метран-280-Exia - не более 250 Ом, с HART сигналом - 250 Ом.
-
1.2.14 Пульсация выходного аналогового сигнала при сопротивлении нагрузки 250 Ом не более 0,25 % от диапазона изменения выходного сигнала.
-
1.2.15 Потребляемая мощность при максимальном значении выходного аналогового сигнала не превышает:
- 1,0 Вт;
- 0,5 Вт для взрывозащищенного исполнения вида «Exia».
-
1.2.16 ПТ исполнения У1.1 по ГОСТ 15150 устойчивы к воздействию температуры окружающей среды:
- от минус 40 до плюс 70 ° С ;
-взрывозащищенного исполнения:
а) температурного класса Т6 - от минус 20 до плюс 40 °С;
б) температурного класса Т5 - от минус 40 до плюс 70 °С
ПТ тропического исполнения ТЗ по ГОСТ 15150 должны быть устойчивыми к воздействию температуры окружающей среды:
-
- от минус 10 до плюс 70 °С;
-
- взрывозащищенного исполнения:
а) температурного класса Т6 - от минус 10 до плюс 40 °С;
б) температурного класса Т5 - от минус 10 до плюс 70 °С
-
- по спецзаказу - от минус 50 до плюс 85 °С.
-
1.2.17 Температура соединительной головки ПТ взрывозащищенного исполнения в наиболее нагретых местах при верхнем значении измеряемой температуры не более 85 °С для температурного класса Т5 ГОСТ Р 51330.0; 70 °С для температурного класса Т6 ГОСТ Р 51330.0.
-
1.2.18 Показатель тепловой инерции ПТ, определенный при коэффициенте теплоотдачи
практически равном бесконечности, соответствует значениям, приведенным в таблице 3. Таблица 3
Исполнение ПТ в соответствии с рисунком |
Показатель тепловой инерции, Г., с |
Б.1, Б.2, Б.8, Б.9 |
40 |
Б.3, Б.4, Б.5, Б.10, Б.19 |
20 |
Б.6, Б.11, Б.12, Б.13, Б.14, Б.15, Б.16, Б.17, Б.18, Б.20 |
8 |
Б.7 |
30 |
1.2.19 Монтажная часть защитной арматуры ПТ, рассчитанная на условное давление Ру , выдерживает испытания на прочность пробным давлением Рпр, указанным в таблице 4, а на герметичность - внутренним пневматическим избыточным давлением 0,4 МПа. Таблица 4
Исполнение ПТ в соответствии с рисунком |
Давление, МПа | |
Ру |
Рпр | |
Б.1, Б.4, Б.8, Б.11, Б.12, Б.13, Б.14, Б.15, Б.16, Б.17, Б.18 |
0,4 |
0,6 |
Б.2, Б.3, Б.5, Б.6, Б.7, Б.9, Б.10, Б.19, Б.20 |
6,3 |
10,0 |
-
1.2.20 ПТ устойчивы к воздействию синусоидальной вибрации с частотой от 10 до 150 Гц с амплитудой смещения для частот ниже частоты перехода 0,075 мм и амплитудой ускорения для частот выше частоты перехода 9,8 м/с2.
Дополнительная погрешность ПТ, вызванная воздействием вибрации ±0,1 % от диапазона изменения выходного сигнала.
-
1.2.21 Дополнительная погрешность ПТ, вызванная изменением температуры окружающего воздуха в рабочем диапазоне температур ±0,05% от диапазона изменения выходного сигнала по отношению к температуре калибровки 20 °С (ИП Метран-280), 23 °С (ИП Метран-646).
-
1.2.22 ПТ устойчивы к воздействию внешнего магнитного поля переменного тока с частотой (50±1) Гц и напряженностью до 400 А/м.
Дополнительная погрешность при самых неблагоприятных фазе и направлении магнитного поля ±0,1 % от диапазона изменения выходного сигнала.
-
1.2.23 Дополнительная погрешность ПТ, вызванная изменением сопротивления нагрузки от максимального (минимального) до номинального значения ±0,05 % от диапазона изменения выходного сигнала.
-
1.2.24 Дополнительная погрешность ПТ, вызванная изменением напряжения питания в пределах от его минимального до максимального значения при номинальной нагрузке, составляет ±0,005 % от диапазона изменения выходного сигнала на каждый 1 В изменения питания.
-
1.2.25 Изменение выходного сигнала ПТ, вызванное заземлением любого конца нагрузки при заземленном корпусе, - не более ±0,1 % от диапазона изменения выходного сигнала.
-
1.2.26 Соединительная головка ПТ исполнения Exd выдерживает испытание на взрыво-устойчивость внутренним гидравлическим (пневматическим) избыточным давлением 1,0 МПа в течение 1 мин. Соединительная головка выдерживает давление взрыва, возникающего при воспламенении взрывоопасной смеси во внутренней полости.
-
1.2.27 Кабельные вводы ТБ, БК герметичны при давлении 1,0 МПа и прочные при крутящем моменте до 40 Н-м.
-
1.2.28 ПТ характеризуется следующими значениями показателей надежности:
а) вероятность безотказной работы ПТ за 2000 ч - не менее 0,8;
б) средний срок службы:
-
- ПТ Метран-281- не менее 3 лет;
-
- ПТ Метран-288- не менее 4 лет;
-
- ПТ Метран-286 - не менее 6 лет.
-
1.2.29 ПТ с ИП Метран-280 должны быть устойчивы к воздействию индустриальных радиопомех:
-
- электростатических разрядов по ГОСТ Р 51317.4.2 - 6 кВ (контактный разряд), 8 кВ воздушный разряд (степень жесткости 3);
- радиочастотного электромагнитного поля по ГОСТ Р 51317.4.3 в полосе частот от 80 до 1000 МГц напряженностью 10 В/м (степень жесткости 3);
Примечание - Применение мобильных радиотелефонных систем в местах размещения ПТ не допускается.
-
- наносекундных импульсных помех по ГОСТ Р 51317.4.4 с амплитудой импульсов 1 кВ (степень жесткости 3);
-
- микросекундных импульсных помех по ГОСТ Р 51317.4.5 при подаче помехи по схеме «провод-провод» 0,5 кВ (степень жесткости 1), при подаче помехи по схеме «провод-земля» 1 кВ (степень жесткости 2);
-
- кондуктивных помех по ГОСТ Р 51317.4.6 в полосе частот от 0,15 до 80 МГц на
пряжением 10 В (степень жесткости 3).
Критерий качества функционирования при испытаниях на помехоустойчивость - А.
-
1.2.30 ПТ с ИП Метран-280 соответствуют нормам помехоэмиссии, установленным для класса Б по ГОСТ Р 51318.22.
-
1.3 Состав изделия
-
1.3.1 ПТ состоят из первичного преобразователя температуры (термопреобразователя сопротивления или термоэлектрического преобразователя) и измерительного преобразователя.
-
1.3.2 Основные детали, узлы приведены в приложениях Б, Ж, И, Р.
-
1.3.3 Монтажные комплекты кабельных вводов предприятия-изготовителя - в приложении Е.
1.4 Устройство и работа
-
1.4.1 Измерение температуры осуществляется путем преобразования сигнала первичного преобразователя температуры в унифицированный выходной сигнал постоянного тока 4-20 мА и наложенный на него цифровой сигнал на базе HART протокола версии 5 с физическим интерфейсом Bell-202 с помощью ИП.
-
1.4.2 Измеряемый параметр - температура в ПТ Метран-286 с помощью ППТ преобразуется в изменение омического сопротивления платинового чувствительного элемента (далее -ЧЭ). Аналоговый сигнал поступает на вход ИП, преобразуется с помощью аналоговоцифрового преобразователя (АЦП) в дискретный сигнал. Дискретный сигнал с помощью микропроцессорного преобразователя (МП) обрабатывается с целью:
-
- линеаризации НСХ ЧЭ ППТ;
-
- перестройки диапазонов измерений в пределах рабочего диапазона температур;
- самодиагностики составляющих узлов ПТ, детектирования обрыва или короткого замыкания ППТ.
С выхода МП дискретный сигнал поступает на цифро- аналоговый преобразователь (ЦАП), осуществляющий преобразование дискретного сигнала в унифицированный токовый аналоговый сигнал 4-20 мА, а также на блок частотного модулятора, преобразующий дискретный сигнал в частотно-модулированный и наложенный на аналоговый сигнал.
-
1.4.3 В ПТ Метран-281, Метран-288 измерение температуры основано на явлении возникновения в цепи термопреобразователя термоэлектродвижущей силы при разности температур между его горячим и холодными спаями. В ИП дополнительно к описанным выше функциям происходит компенсация изменения температуры холодных спаев.
-
1.4.4 При проведении с ПТ Метран-280 какие-либо действий, влияющих на его текущую конфигурацию, активизируется флажок «Конфигурация изменена» (Configuration Changed), что отображается в статусе прибора. Считать и снять флажок «Конфигурация изменена» можно только при помощи АСУ ТП или программы H-MASTER, поддерживающей соответствующую команду HART протокола. Согласно требованиям протокола HART в коммуникаторах эта возможность не реализована.
Включение (отмена) защиты от записи является специальной процедурой и может выполняться с помощью либо HART управляющих устройств производства ПГ «Метран», либо другими управляющими устройствами при наличии специального драйвера.
-
1.4.5 В многоточечном режиме ПТ работает только с цифровым выходным сигналом, аналоговый сигнал автоматически устанавливается на предел 4 мА и не зависит от измеряемой температуры. Значения измеряемой температуры считываются в цифровой форме.
К каждой паре проводов токовой петли может быть подключено до 15 ПТ, их количество определяется длиной и параметрами линии связи, мощностью блока питания.
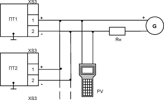
Каждый ПТ имеет свой уникальный адрес от 1 до 15, обращение к ПТ идет по этому адресу. ПТ Метран-280 в обычном режиме имеет адрес 0, если ему присваивается адрес от 1 до -15, то ПТ автоматически устанавливается в многоточечный режим. Коммуникатор Метран-650 или АСУ ТП определяют все ПТ, подключенные к линии, могут работать с каждым из них. Схема подсоединения приведена на рисунке В.2.
Многоточечный режим не рекомендуется использовать в искробезопасных цепях.
-
1.5 Обеспечение взрывозащиты
-
1.5.1 Взрывозащищенность ПТ исполнения Exd достигается заключением его электрических цепей во взрывонепроницаемую соединительную головку (оболочку), выполненную в соответствии с ГОСТ Р 51330.1.
Соединительная головка выдерживает давление взрыва внутри и исключает его передачу в окружающую взрывоопасную среду.
-
1.5.2 Прочность соединительной головки ПТ проверяется при ее изготовлении путем гидравлических испытаний избыточным давлением 1 МПа в течение 1 мин.
-
1.5.3 Взрывоустойчивость соединительной головки ПТ обеспечивается применением взрывозащиты вида «взрывонепроницаемая оболочка».
На чертежах средств взрывозащиты (приложения Ж, И, Р) словом «взрыв» обозначены сопряжения деталей ПТ и параметры, обеспечивающие его взрывозащиту: шаг резьбы, число полных непрерывных, неповрежденных ниток в зацеплении.
-
1.5.4 Врывозащищенность ввода кабеля при использовании кабельного ввода предприятия-изготовителя обеспечивается путем его уплотнения эластичным резиновым кольцом. Минимальная высота кольца (в сжатом состоянии) 9 мм, что регламентируется ГОСТ Р 51330.1.
-
1.5.5 Крышка соединительной головки ПТ предохранена от самоотвинчивания с помощью специального упора; корпус монтажного комплекта кабельного ввода предприятия-изготовителя и защитная арматура - с помощью клея К-300.
-
1.5.6 Заземляющие зажимы предохранены от самоотвинчивания применением пружинных шайб.
-
1.5.7 Искробезопасность электрических цепей ПТ исполнения Ехiа достигается за счет ограничения тока (1к.з. < 120 мА) и напряжения питания (ихх < 24 В) в электрических цепях до их искробезопасных значений за счет конструктивного исполнения электронного модуля в соответствии с требованиями ГОСТ Р 51330.10.
Ограничение тока и напряжения в электрических цепях ПТ до искробезопасных значений достигается за счет их обязательного функционирования в комплекте с блоками питания и барьерами искрозащиты:
-
- блок питания БПД-40-2к-Ех;
-
- блок питания БПС-300-2к-Ех;
-
- блок питания БП3С-Ех;
-
- барьеры искрозащиты D1010D; 9303/13; 9001/51.
-
1.5.8 Максимальная температура поверхности соединительной головки для ПТ исполнения Ех температурного класса Т5 - 85 °С, температурного класса Т6 - 70 °С.
-
1.6 Средства измерения, инструменты, принадлежности
Перечень средств измерения, инструментов, оборудования приведен в таблице 5.
Таблица 5
Наименование |
Основные характеристики |
Тип |
Примечание |
Мегаомметр |
Диапазон измерения 0-2000 МОм. Основная погрешность измерения ±2,5 % |
Ф4101 | |
Барометр |
Диапазон измерения 600-800 мм рт.ст., погрешность отсчета ±0,8 мм рт.ст. |
М67 | |
Вольтметр цифровой |
Диапазон измерения 0-2 В, 0-20 В Основная погрешность измерения ±0,0015% +2 ед.мл.разр. для межповерочного интервала 24 ч; ±0,004% +2 ед.мл.разр. для межповерочного интервала 12 мес. Диапазон измерения 0-200 Ом Основная погрешность измерения ±0,0035% +2 ед.мл.разр. для межповерочного интервала 24 ч; ±0,0085% +2 ед.мл.разр. для межповерочного интервала 12мес. Диапазон измерения 2 А (разрешение 10 мкА) Основная погрешность измерения - 0,15 % +200 ед. мл. р. |
В7-54/3 | |
Блок питания |
Напряжение постоянного тока 0-50 В, класс стабилизации 0,2 |
Б5-48 |
Б5-44 |
Магазин сопротивлений |
Сопротивление от 0 до 105 Ом, класс точности 0,02 |
МСР-60М |
Р4831 |
Мера сопротивления |
Сопротивление 100, 200, 250 Ом; класс точности 0,002 |
МС3007 | |
Термостат паровой |
Погрешность воспроизведения температуры кипения воды ±0,03 °С |
ТП-1М | |
Термостат нулевой |
Погрешность воспроизведения тройной точки воды ±0,02 °С |
ТН-1М | |
Калибратор температур |
Диапазон температур 50-500 °С. Глубина погружения 160 мм. Нестабильность поддержания температуры за 5 мин - ±0,015 °С. Максимальная разность температур в каналах с одинаковыми диаметрами 0,02 °С |
КТ-500 |
Использовать с теплопередающими вставками |
Эталонный ртутный термометр |
Третий разряд, диапазон измеряемых температур от минус 20 до плюс 30 °С, цена деления 0,2 °С |
ТЛ-21 Б-2 | |
Эталонный термометр сопротивления |
Первый разряд; диапазон измеряемых температур от 0 до плюс 630 °С |
ПТС-10М | |
Эталонный термоэлектрический преобразователь |
Первый разряд; диапазон измеряемых температур от 300 до 1200 °С |
ППО | |
Термометр сопротивления платиновый эталонный высокотемпературный |
Первый разряд; диапазон измеряемых температур от плюс 419,527 до плюс 1084,62 °С |
ВТС | |
Горизонтальная трубчатая печь |
Диапазон температур от 200 до 1200 °С |
МТП-2М |
Saturn 877 |
Компаратор напряжений |
Класс точности 0,0015, выходное напряжение 0-1,1111 В. |
Р3003 |
Продолжение таблицы 5
Наименование |
Основные характеристики |
Тип |
Примечание |
HART модем |
Сопряжение IBM PC через СОМ-порт с устройствами М-280 (RS232/HART) Прием и передача HART сигналов в соответствии с требованиями спецификации физического уровня HCF_SPEC-54 для первичного мастера. Амплитуда сигналов на RS232 ±4 - ±12 В. Уровень выходного HART сигнала (0,5±0,1)В синусоидальной формы частотой 1200 и 2200 Гц при передаче 1 и 0 соответственно. |
Метран-681 |
Аналог Viator фирмы «MAC- Tek» |
Коммуникатор |
Прием и выдача HART сигналов в соответствии с требованиями спецификации физического уровня HCF_SPEC-54. Диапазон частот при передаче «1» от 1188 до 1212 Гц; при передаче «0» - от 2178 до 2222 Гц. Входной импеданс при приеме сигналов не менее 5 кОм. Выходной импеданс не более 100 Ом. Программное обеспечение коммуникатора соответствует требованиям канального уровня HART-протокола (HCF_SPEC-81); поддерживает все универсальные команды (HCF_SPEC-127), поддерживает не менее 12 «общепрактических» команд (HCF_SPEC-151); совместимо с HART устройствами различных изготовителей; позволяет осуществлять ручную настройку параметров Метран-280 |
Метран-650 ТУ 4213-03212580824-01 |
HC 275, FC 375 производства компании «Fisher-Rose-mount». |
Психрометр |
Диапазон измерения относительной влажности от 20 до 95 %, диапазон измерения температуры воздуха от 15 до 45 °С. Погрешность измерения относительной влажности ±5%. |
ВИТ-2 | |
Персональный компьютер |
IBM совместимый, операционная система Windows |
Celeron 800/128/16/AG P/20Gb | |
Тераомметр |
Пределы измерения до 200 кОм. Напряжение питания <10В |
Е6-13А | |
Прецизионный преобразователь сигналов ТС и ТП |
Погрешность преобразования ТС ±0,01 °С; Погрешность преобразования ТП ±0,2 °С |
Теркон | |
Термометр сопротивления эталонный |
Третий разряд; диапазон измеряемых температур от минус 40 до плюс 400 °С |
ЭТС-100 | |
Криостат |
Диапазон температур от минус 50 до плюс 80 °С |
К-80 | |
Термостат жидкостный |
Диапазон температур от минус 30 до плюс 100 °С Неоднородность температурного поля в рабочем объеме не более 0,01 °С |
ТЕРМОТЕСТ- 100 | |
Термостат жидкостный |
Диапазон температур от 100 до 300 °С Неоднородность температурного поля в рабочем объеме не более 0,01 °С |
ТЕРМОТЕСТ- 300 | |
Программное обеспечение |
Тестирование, измерение параметров, конфигурирование и настройка ПТ |
Программа H-Master | |
Мост переменного тока |
Диапазон измеряемых емкостей от 0,01 до 0,1 мкФ. F^m-1000 Гц Диапазон измеряемых индуктивностей от 0,1 до 1,0 мГн. FmM-1000 Гц. |
Р5010 | |
Измеритель индуктивности и емкости |
Диапазон измеряемых емкостей от 1 пФ до 200 мкФ. Диапазон измеряемых индуктивностей от 1 мкГн до 2 Гн. |
MY 6243 | |
Высоковольтная пробойная установка |
Испытательное напряжение 250, 500 В. Мощность на стороне высокого напряжения 0,25 кВ •А. Ток короткого замыкания 1кз=0,5 мА |
6ТР-715А | |
Примечания
|
-
1.7 Маркировка и пломбирование
-
1.7.1 На паспортной табличке, расположенной на корпусе соединительной головки ПТ, нанесены следующие знаки и надписи:
- товарный знак предприятия-изготовителя;
- знак утверждения типа;
- модель ПТ с кодом исполнения защитной арматуры и видом взрывозащиты, например, Метран-281-02 ExiaIICT6 X;
- длина монтажной части L;
- диапазон измерений температуры ПТ, по заказу;
- выходные сигналы;
- предел допускаемой основной погрешности аналогового и цифрового выходных сигналов;
- климатическое исполнение;
-
- диапазон значений температуры окружающей среды ta для исполнения Ех;
-
- порядковый номер по системе нумерации предприятия-изготовителя;
-
- дата выпуска (год и месяц).
-
1.7.2 На паспортной табличке ПТ, поставляемого на экспорт нанесены следующие знаки и надписи:
-
- знак утверждения типа;
-
- модель ПТ с кодом исполнения защитной арматуры и видом взрывозащиты, например, Метран-281-02 ExiaIICT6 X;
-
- длина монтажной части L;
-
- диапазон измерений температуры ПТ, по заказу;
-
- выходные сигналы;
-
- предел допускаемой основной погрешности аналогового и цифрового выходных сигналов;
-
- климатическое исполнение;
-
- диапазон значений температуры окружающей среды ta для исполнения Ех;
-
- порядковый номер по системе нумерации предприятия-изготовителя;
-
- дата выпуска (год и месяц).
-
- надпись «Сделано в России».
-
1.7.3 На корпусах ПТ взрывозащищенного исполнения рядом с болтом заземления имеется знак заземления по ГОСТ 21130.
-
1.7.4 На крышке ПТ взрывозащищенного исполнения выполнена рельефная (высота рельефа 0,2-0,5 мм) предупредительная надпись «Открывать, отключив от сети» и маркировка взрывозащиты по ГОСТ Р 51330.0 в зависимости от исполнения ExiaIICT6 Х или ExiaIICT5 Х, ШхёПСТб Х или 1ExdIICT5 Х,
где - 1 - уровень взрывозащиты;
-
- Ех - знак, указывающий на то, что ПТ соответствует ГОСТ Р 51330.0;
-
- ia или d - вид взрывозащиты «искробезопасная цепь» или «взрывонепроницаемая оболочка», соответственно, по ГОСТ Р 51330.0;
-
- ПС - подгруппа электрооборудования по ГОСТ Р 51330.0;
-
- Т5, Т6 - температурный класс электрооборудования по ГОСТ Р 51330.0;
-
- Х - знак «Х» в маркировке взрывозащиты означает:
а) ПТ исполнения Exia применяется в комплекте с источником питания и регистрирующей аппаратурой, имеющей искробезопасную электрическую цепь и свидетельство или заключение о взрывозащищенности;
б) при эксплуатации необходимо принимать меры защиты от превышения температуры наружной части ПТ исполнения Exd вследствие передачи от измеряемой среды температуры со значением выше допустимого для соответствующей категории IIC групп Т5, Т6 по ГОСТ Р 51330.0 окружающей взрывоопасной смеси газов и паров с воздухом.
-
1.7.5 Пломбирование ПТ перед упаковкой производится согласно чертежам приложений Ж, И, Р. Пломбировка ПТ исполнений -31, -32, -33 не осуществляется.
-
1.7.6 Транспортная маркировка тары соответствует ГОСТ 14192, чертежам предприятия-изготовителя и содержать манипуляционные знаки «Верх, не кантовать».
Основные и дополнительные информационные данные нанесены на одну из боковых стенок тары (ящика) черной несмываемой краской.
Транспортная маркировка может быть нанесена на бирку, прочно прикрепленную к ящику, и содержать:
-
- условный знак предприятия-изготовителя;
-
- модель ПТ;
-
- порядковый номер изделия;
-
- год, месяц упаковки;
-
- штамп ОТК, подпись упаковщика.
-
1.7.7 Маркировка тары ПТ, поставляемых на экспорт, производится в соответствии с ГОСТ 14192 на языке, указанном в договоре.
-
1.8 Упаковка
-
1.8.1 Упаковка ПТ состоит из потребительской и транспортной тары, изготавливаемой по чертежам предприятия-изготовителя.
ПТ упаковывают в пленочные чехлы и укладывают в транспортные ящики вместе с эксплуатационной документацией.
-
1.8.2 Упаковка соответствует категории КУ-0 или КУ-3 (при поставке на экспорт) по ГОСТ 23170. Упаковочный лист укладывается в каждое грузовое место.
-
2 Использование по назначению
-
2.1 Эксплуатационные ограничения
-
2.1.1 В таблице 6 приведены параметры внешних эксплуатационных воздействий, при которых ПТ сохраняют свои характеристики.
-
-
Таблица 6
Параметры |
Предельные значения |
Климатические воздействия:
|
согласно 1.2.20 95 |
Механические нагрузки
|
10 - 150 0,075 9,8 |
Прочие параметры - условное давление ПТ, МПа: исполнения согласно рисункам Б.1, Б.4, Б.8, Б.11, Б.12, Б.13, Б.14, Б.15, Б.16, Б.17, Б.18 исполнения согласно рисункам Б.2, Б.3, Б.5, Б.6, Б.7, Б.9, Б.10, Б.19, Б.20 |
0,4 6,3 |
Напряжение питания, В |
согласно 1.2.15 |
Сопротивление нагрузки, Ом |
согласно 1.2.17 |
2.1.2 ПТ монтируются в любом положении, удобном для обслуживания.
При монтаже ПТ рекомендуется учитывать габаритные и присоединительные размеры, указанные в приложении Б.
При выборе места установки необходимо учитывать следующее:
- ПТ Метран-281, Метран-288 и ПТ Метран-286 нельзя устанавливать во взрывоопасных помещениях;
- ПТ Метран-281-Ех, Метран-288-Ех и ПТ Метран-286-Ех устанавливаются во взрывоопасных зонах помещений и наружных установок в соответствии с требованиями гл. 7.3 ПУЭ и других нормативных документов, регламентирующих применение оборудования во взрывоопасных зонах.
-
2.2 Подготовка ПТ к использованию
-
2.2.1 При получении ящиков с ПТ проверить сохранность тары. В случае ее повреждения следует составить акт и обратиться с рекламацией к транспортной организации.
-
2.2.2 В зимнее время ящики с ПТ распаковывать в отапливаемом помещении не менее чем через 12 ч после внесения их в помещение.
-
2.2.3 При получении ПТ рекомендуется сделать записи в соответствующем журнале, либо в разделе 6 паспорта 281.01.00.000 ПС (ПТ Метран-281, Метран-281-Ех, Метран-288, Метран-288-Ех), разделе 7 паспорта 286.01.00.000 (ПТ Метран-286, Метран-286-Ех).
-
В журнале должны быть указаны наименование и номер ПТ, наименование поставщика.
В паспорте или журнале должны быть включены данные , касающиеся эксплуатации ПТ. Например, дата установки ПТ, наименование организации, установившей ПТ, место установки ПТ, записи по обслуживанию с указанием имевших место неисправностей и их причин, восстановительных работ и времени, когда эти работы были проведены.
Предприятие-изготовитель заинтересовано в получении технической информации о работе ПТ и возникших неполадках с целью устранения их в дальнейшем.
Все предложения по усовершенствованию конструкции ПТ следует направлять в адрес предприятия-изготовителя.
-
2.2.4 Прежде чем приступить к монтажу ПТ необходимо осмотреть их. При этом необходимо проверить маркировку по взрывозащите и крепящие элементы, а также убедиться в целостности корпусов ПТ.
2.2.6 Монтаж ПТ производить в соответствии со схемами внешних соединений, приведенных в приложениях В, Г.
-
2.2.7 Линия связи может быть выполнена любым типом кабеля с медными проводами сечением не менее 0,2 мм2 согласно главе 7.3 ПУЭ. Параметры линии связи (СК, LK) между ПТ Метран-281-Ех, Метран-288-Ех или ПТ Метран-286-Ех и вторичными устройствами, имеющими вид взрывозащиты «искробезопасная электрическая цепь», не должны превышать 0,10 мкФ и 1,0 мГн соответственно.
Подбор параметров линии связи рекомендуется производить по приложению М.
Кабель необходимо пропустить через штуцер кабельного ввода и уплотнительную втулку.
-
2.2.8 При наличии в момент установки ПТ взрывоопасной смеси не допускается подвергать ПТ трению или ударам, способным вызвать искрообразование.
2.3 Обеспечение взрывозащищенности ПТ при монтаже и эксплуатации
-
2.3.1 Произвести монтаж ПТ на объекте. При монтаже необходимо руководствоваться:
-
- правилами устройства электроустановок - ПУЭ;
-
- инструкцией по проектированию электроустановок;
-
- инструкцией по проектированию электроустановок систем автоматизации технологических процессов;
- нормативными документами, действующими в данной отрасли;
- настоящим РЭ.
-
2.3.2 ПТ могут устанавливаться в зонах согласно 1.1 «Назначение» в соответствии с маркировкой.
-
2.3.3 Заземлить ПТ с помощью внутреннего и наружного заземляющих зажимов.
-
2.3.4 Протянуть кабель внутрь оболочки ПТ, подсоединить жилы кабеля к контактам в соответствии с маркировкой, уплотнить в кабельном вводе и подсоединить ПТ согласно схемам приложений В, Г в соответствии с видом исполнения ПТ.
Для ПТ с видом взрывозащиты «взрывонепроницаемая оболочка» присоединение электрических цепей необходимо осуществлять через кабельные вводы предприятия-изготовителя или другие кабельные вводы, сертифицированные в установленном порядке на соответствие требованиям ГОСТ Р 51330.1.
-
2.3.5 После подсоединения проверить, чтобы кабель не выдергивался и не проворачивался в узле уплотнения.
Внимание! Следует применять уплотнительные кольца только предприятия-изготовителя.
-
2.3.6 Поставить прокладку между крышкой и корпусом, затем завинтить крышку.
-
2.3.7 Установить стопорную планку и опломбировать ПТ в соответствии с приложениями Ж, И, Р.
-
2.3.8 Если в месте установки ПТ температура наружных частей объекта более 70 °С, то необходимо теплоизолировать ПТ, исключив передачу тепла к оболочке.
-
2.3.9 При эксплуатации ПТ необходимо руководствоваться главой 3.4 «Правил эксплуатации электроустановки потребителей» (ПЭЭП), настоящим руководством по эксплуатации, местными инструкциями на оборудование, в комплекте с которым работают ПТ.
К эксплуатации ПТ должны допускаться лица, ознакомленные с настоящим руководством по эксплуатации и прошедшие необходимый инструктаж.
-
2.3.10 Во время эксплуатации изделие должно подвергаться периодическому внешнему, а также профилактическим осмотрам. Периодичность осмотров в зависимости от условий эксплуатации, но не реже одного раза в месяц.
При внешнем осмотре необходимо проверить:
- целостность оболочки электрооборудования и кабеля, отсутствие на них повреждений, наличие пломбировки стопорного устройства крышки;
- наличие маркировки взрывозащиты ( для ПТ исполнения Ех).
ЗАПРЕЩАЕТСЯ ЭКСПЛУАТАЦИЯ ПТ С ПОВРЕЖДЕННЫМИ ДЕТАЛЯМИ ИЛИ НЕИСПРАВНОСТЯМИ.
-
2.3.11 Перед включением ПТ необходимо убедиться в соответствии их установки и монтажа указаниям, изложенным в подразделах 2.1, 2.2 настоящего РЭ. Подключить питание к ПТ, через 30 мин после включения электропитания убедиться в наличии выходного аналогового сигнала с помощью вольтметра, подключенного параллельно внешней нагрузке.
Проверка функционирования ПТ контролируется по изменению выходного сигнала при изменении температуры объекта.
2.4 Использование ПТ
-
2.4.1 Тестирование ПТ, измерение параметров регулирования и настройка производятся как с помощью системных средств АСУ ТП, так и HART коммуникатором Метран-650 или НС 275, (FC 375) производства компании «Emerson».
ПТ полностью соответствует HART протоколу, поэтому работать с ним можно при помощи любого HART сертифицированного устройства.
-
2.4.1.1 Для измерения параметров, регулирования и настройки ПТ с помощью системных средств АСУ ТП используется HART модем Метран-681 (HART/RS232) и программное обеспечение H-MASTER разработки ПГ «Метран», которые поставляются по отдельному заказу.
-
2.4.1.2 Все команды HART протокола делятся на три группы: универсальные, общие, специальные. Универсальные команды поддерживаются всеми HART-совместимыми устройствами; общие применяются для широкого класса приборов. Зачастую стандартных команд протокола HART недостаточно для полноценной работы ПТ, поэтому производители вынуждены разрабатывать некоторые дополнительные команды. В протоколе HART они относятся к разряду специальных и доступ к ним при помощи оборудования от стороннего производителя возможен только при наличии специального драйвера. В ПТ Метран-280 реализованы некоторые специальные команды. Доступ к остальным командам ПТ специального драйвера не требует. Полный список команд, реализованных в ПТ Метран-280, приведен в приложении К.
Перед тем, как приступить к использованию ПТ для конкретной задачи, необходимо просмотреть конфигурационные параметры, которые были установлены на заводе-изготовителе, и убедиться, что параметры ПТ подходят для данной задачи. При необходимости внесите изменения в конфигурацию датчика.
-
2.4.1.3 Первичная переменная ПТ представляет собой основную переменную прибора -измеряемую температуру.
Процент от диапазона - текущее значение первичной переменной, пересчитанное в процентах от диапазона измерений.
Токовый выход - значение аналогового выходного сигнала от 4 до 20 мА.
Вторичная переменная (только для ПТ с ИП Метран-280) - температура на клеммах (температура окружающей среды).
Эти параметры непрерывно обновляются. Можно выбирать единицы измерения этих переменных ( градусы Цельсия, градусы Фаренгейта, градусы Ренкина, градусы Кельвина).
-
2.4.1.4 Потребитель может осуществлять перестройку диапазона измеряемых температур ПТ с минимальной разницей между верхними и нижними значениями для удобства работы и максимального использования характеристик ПТ. Верхняя и нижняя граница настраиваемого диапазона не должны выходить за пределы диапазона измеряемых температур ПТ.
-
2.4.1.5 Команда «Фильтр 50/60 Гц» (только в ПТ с ИП Метран-280) необходима для установки электронного фильтра ПТ, который отфильтровывает частоту сети переменного тока, используемую на Вашем предприятии.
-
2.4.1.6 Команда «Демпфирование первичной переменной (время усреднения)» изменяет время реакции ПТ для сглаживания отклонений выходного сигнала, вызванных быстрыми изменениями на входе сенсора. Необходимый уровень демпфирования определяется по следующим параметрам: необходимое время отклика датчика, стабильность сигнала сенсора, а также по другим параметрам динамики контура в системе. Величина демпфирования по умолчанию составляет 5,0 с и может быть перенастроена на любое значение между 0 и 32 с.
Выбранная величина для демпфирования определяет время отклика датчика. Если эта величина установлена на ноль, это означает, что функция демпфирования отключена и выходной сигнал датчика будет меняться с той же скоростью, что и входной сигнал, в соответствии с сенсором. При увеличении параметра демпфирования увеличивается время отклика ПТ.
-
2.4.1.7 Информационные параметры ПТ включают в себя:
- тэг (идентификатор) предназначен для идентификации устройства и определения конкретного датчика в приложениях, в которых используется несколько однотипных датчиков. Вы можете использовать этот параметр для электронного обозначения датчиков в соответствии с задачами применения. После того, как Вы установили тег, он будет автоматически высвечиваться каждый раз, когда Вы установите связь с ПТ с помощью HART-коммуникатора после включения питания ПТ. Этот параметр может включать до 8 различных символов. Значения параметра не влияют на первичные переменные ПТ;
- дата - параметр, определяемый пользователем, который позволяет сохранить дату последней по времени ревизии информации по конфигурированию. Параметр не влияет на работу ПТ или HART-коммуникатора;
-
- дескриптор (описание) предусматривает пользовательскую электронную маркировку для более конкретной идентификации ПТ в отличие от тэга. Дескриптор может включать до 16 символов и не влияет на работу ПТ или HART-коммуникатора;
-
- сообщение - содержит наиболее конкретное пользовательское средство для идентификации ПТ, которое может потребоваться при использовании нескольких однотипных ПТ в одном контуре. Этот параметр включает до 32 символов и хранится вместе с другими конфигурационными данными. Значения параметра не влияют на работу ПТ или HART-коммуникатора;
-
- серийный номер сенсора (заводской номер сенсора) позволяет идентифицировать сенсор, который используется вместе с ПТ. Этот параметр может потребоваться при поиске калибровочных данных сенсора.
-
2.4.1.8 Команда «Активный калибратор» (только для ПТ с ИП Метран-280) служит для активации или отключения параметра пульсирующего тока. Обычно ПТ работает с пульсирующим током, обеспечивая надлежащее выполнение таких диагностических функций сенсора, как обнаружение разомкнутого сенсора или компенсация электромагнитного поля. Некоторым калибровочным устройствам для правильного функционирования требуется стабильный ток. При включении режима активного калибратора ПТ прекращает подачу на сенсор пульсирующего тока и начинает поставлять постоянный ток. Отключение данного режима возвращает ПТ в его нормальное рабочее состояние, когда он подает на сенсор пульсирующий ток, активируя таким образом диагностические функции сенсора. Режим активного калибратора является непостоянным и автоматически блокируется при цикличной подаче питания или при выполнении с помощью HART-коммуникатора перезапуска.
Примечание - Режим активного калибратора необходимо отключить перед возвращением ПТ к технологическому процессу. Это позволит задействовать все диагностические возможности ПТ. Отключение или включение режима активного калибратора не вызывает изменений в каких-либо значениях настройки сенсора.
-
2.4.1.9 Команда «Защита записи» позволяет защитить конфигурационные данные сенсора от случайных или негарантированных изменений.
-
2.4.1.10 Команда «Аварийный сигнал и насыщение» позволяет пользователю просматривать и изменять установки аварийного сигнала (высокий или низкий уровень) и значения насыщения.
Во время работы каждый датчик непрерывно выполняет самотестирование. Эта автоматическая диагностика заключается в постоянно повторяемых циклических проверках. Если система диагностики обнаружит неисправность сенсора или неисправность электроники датчика, то выходной сигнал последнего устанавливается в состояние, соответствующее верхнему или нижнему пределу диапазона, в зависимости от конфигурации режима неисправности.
-
2.4.1.11 Команда «Тестирование устройства» запускает процедуру более расширенной диагностики в отличие от той, которую непрерывно выполняет ПТ. Эта диагностика включает в себя:
а) тестирование контура (петли) - служит для проверки выходного параметра ПТ, целостности контура и операций записывающих или подобных устройств, установленных в контуре. Чтобы активировать тестирование контура, выполните следующую процедуру:
- подключите измерительный прибор к ПТ (амперметр). Для этого зашунтируйте цепь питания ПТ через этот измеритель в какой-либо точке контура;
- выберите тестирование контура;
- выберите дискретный миллиамперный уровень для выходного сигнала датчика. В окне-подсказке программы H-MASTER (коммуникатор) выберите аналоговый выход, опции «4 mA», «20 mA», «другое», чтобы вручную ввести значение между 4 и 20 мА. Программа переключит ПТ в режим фиксированного тока и в следующем окне выведет для контроля текущее значение выходного тока устройства;
- снимите показания с амперметра, убедитесь, что измеренное реальное значение соответствует заданному для выходного сигнала. Если измеренная величина отличается от заданной, это означает, что необходимо провести настройку выходного сигнала датчика (настройку ЦАП). По завершении процедуры тестирования на экране вновь появляется окно тестирования контура, что позволяет пользователю выбрать другое значение выходного сигнала;
б) самотестирование - служит для самотестирования ПТ. При возникновении какой-либо проблемы отображаются сообщения об ошибках;
в) полный перезапуск - служит для отправки команды, инициирующей перезапуск и тестирование ПТ. Выполнение данной команды аналогично кратковременному отключению питания ПТ. После проведения полного перезапуска конфигурационные данные остаются без изменений;
г) состояние - служит для вывода списка кодов ошибок. ON (Вкл.) обозначает какую-либо проблему, OFF (Выкл.) обозначает отсутствие ошибок.
-
2.4.1.12 Работа с коммуникатором Метран-650
Коммуникатор Метран-650 позволяет провести ручную настройку параметров микропроцессорных датчиков, имеющих на основе стандартного токового выхода 4-20 мА цифровой канал с HART-протоколом.
Коммуникатор может быть подключен к ПТ в любой точке токовой петли: на пульте управления, измерительном стенде или непосредственно к ПТ. При этом во всех случаях сопротивление цепи между точками подключения коммуникатора должно быть не менее 250 Ом.
Подсоединение коммуникатора к ПТ осуществляется через гнездо «линия 4-20 мА» на задней панели коммуникатора.
При включении коммуникатора после нажатия любой клавиши на экран выводится основное меню.
ввод
Для движения по меню коммуникатора используются клавиши: вверх Ш; вниз Ш; для выбора пункта меню используется клавиша ввод меню используется клавиша возврат. Выбранный пункт индицируется знаком «>» в левом столбце экрана.
; для возврата на предыдущий пункт
Алфавитно-цифровые клавиши и клавиши смены регистра используются для ввода данных.
В приложении Л представлен алгоритм работы коммуникатора Метран-650 при управлении Метран-280. Эту схему следует использовать при освоении меню.
Примечание - За более подробной информацией по HART-коммуникатору необходимо обращаться к руководству по эксплуатации СПГК 5145.000.00 РЭ.
-
2.4.1.13 Работа с полевым коммуникатором модели НС-275 (FC 375).
Разработчик коммуникатора модели НС-275 (FC 375) компания «Emerson». Коммуникатор имеет англоязычный интерфейс и взаимодействует с ПТ Метран-280 в полном объеме при условии, что в коммуникатор записан драйвер Метран-280. Если этого драйвера нет, ПТ воспринимается коммуникатором как абстрактное устройство, поддерживающее HART протокол, независимо от его функционального назначения.
Более полная информация о работе ПТ с коммуникатором НС-275 (FC 375) представлена в документе «Руководство пользователя на полевой коммуникатор модели НС-275 (FC 375)».
-
2.4.1.13 Для настройки параметров и регулировки ПТ с помощью системных средств АСУ ТП используют конфигурационную программу H-MASTER. Программа работает под ОС Windows 95/98/ME/NT.
При работе программы с ПТ используют модем Метран-681 (RS232/HART), подключаемый к последовательному СОМ-порту компьютера. Схема соединений показана в приложении Д.
Программа может быть поставлена на CD ROM по дополнительному запросу. Программа имеет удобный интерфейс пользователя, реализована русскоязычная система помощи. Полное описание работы программы представлена в документе «Руководству пользователя конфигурационной программы H-MASTER СПГК.00001-02-ИП».
-
2.4.2 Возможные неисправности
Процедура устранения неисправностей ПТ приведена в таблице 7.
Таблица 7
Неисправность |
Возможная причина |
Способ устранения |
ПТ не обменивается информацией с коммуникатором |
Неисправность проводки выходного контура |
Проверить сопротивление контура между точками подключения HART - коммуникатора (должно быть не менее 250 Ом) |
Проверить напряжение на клеммах ПТ. Напряжение должно быть 12В < U < 42В. | ||
Проверить весь выходной контур на обрыв или КЗ. Заземление должно быть только в одной точке. | ||
ПТ находится в многоточечном режиме |
Выполнить поиск датчика с адресом больше 0. | |
Неисправность ППТ или обрыв его соединительных проводников |
Проверить цепь ППТ. | |
Проверить состояние технического процесса и убедиться в том, что температура не вышла за пределы установленного диапазона | ||
Высокий уровень выходного сигнала |
Неисправность входа сенсора или соединений |
Подключить HART-коммуникатор, установить режим тестирования датчика для того, чтобы локализовать неисправность сенсора. Проверить сенсор на отсутствие обрыва или короткого замыкания. Проверить, не вышла ли переменная процесса за пределы диапазона. |
Неисправность проводов выходного контура |
Осмотреть клеммы ПТ, места подсоединений проводников. | |
Неисправность источника питания |
Проверить U пит.Напряжение питания блока должно соответствовать 1.2.15. | |
Неисправность ИП |
Подключить коммуникатор, установить режим тестирования ПТ для того, чтобы убедиться, что неисправность связана с ИП. Проверить с помощью коммуникатора рабочий диапазон ПТ, убедиться, что параметры калибровки соответствуют рабочему диапазону. При неисправности ИП ПТ отправить на предприятие-изготовитель. |
Продолжение таблицы 7
Неисправность |
Возможная причина |
Способ устранения |
Ошибочное состояние выходного сигнала |
Неисправность проводки выходного контура |
Проверить напряжение на клеммах ПТ. Напряжение должно быть 12В < U < 42В. |
Проверить выходной контур на обрыв или КЗ, выходной контур должен быть заземлен только в одной точке | ||
Подключить HART-коммуникатор, установить режим тестирования контура для выдачи сигналов в 4, 20 мА. | ||
Неисправность И1 |
Подключить HART-коммуникатор, установить режим тестирования ПТ для того, чтобы установить, что неисправность связана с ИП | |
1Т находится в режиме фиксированного тока или многоточечном режиме |
Подключите коммуникатор, проверьте адрес опроса датчика. Если адрес > 0, смените его на 0 (если этого требуют условия технологического процесса). Если датчик находится в режиме фиксированного тока с адресом 0, то выведите датчик из режима фиксированного тока через меню тестирования выхода 4-20 мА | |
Низкий уровень выходного сигнала или его отсутствие |
Неисправность 11Т |
Подключить коммуникатор, установить режим тестирования ПТ для того, чтобы убедиться, что неисправность связана с ППТ. |
1Т находится в режиме фиксированного тока или многоточечном режиме |
Подключить коммуникатор, проверить адрес опроса датчика. Если адрес больше 0, смените его на 0 (если этого требуют условия технологического процесса). Если датчик находится в режиме фиксированного тока с адресом 0, то вывести датчик из режима фиксированного тока через меню тестирования выхода 4-20 мА. | |
Неисправность электропроводки выходного контура ПТ |
Проверить напряжение на клеммах ПТ. Напряжение должно быть 12В < U < 42В. | |
Проверить не вышла ли переменная процесса (температура) за пределы рабочего диапазона. | ||
Проверить весь выходной контур на обрыв или КЗ. Заземление контура должно быть в одной точке. | ||
Подключить HART-коммуникатор и установить режим тестирования контура. | ||
Проверить полярность питания на клеммах ПТ. | ||
Проверить сопротивление контура. | ||
Неисправность ИП |
Подключить HART-коммуникатор, проверить рабочий диапазон ППТ, чтобы убедиться, что параметры калибровки ему соответствуют | |
Подключить HART-коммуникатор, установить режим тестирования ПТ для того, чтобы установить, что неисправность связана с ИП | ||
Примечание - Замена 1П ПТ, ИП - только у изготовителя. |
-
3 Техническое обслуживание
-
3.1 Общие указания
-
3.1.1 К техническому обслуживанию (ТО) допускаются лица, изучившие настоящее руководство по эксплуатации и прошедшие инструктаж на рабочем месте.
-
3.1.2 При эксплуатации ПТ необходимо руководствоваться настоящим руководством по эксплуатации, местными инструкциями на оборудование, в комплекте с которым работают ПТ.
-
3.1.3 Во время эксплуатации ПТ в специальном техническом обслуживании не нуждаются, за исключением периодического внешнего осмотра с целью контроля:
-
-
- соблюдения условий эксплуатации;
- целостности оболочки ПТ и кабеля;
- наличия заземления оболочки ПТ;
- наличия пломб;
- работоспособности ПТ.
Периодичность осмотров в зависимости от условий эксплуатации, но не реже одного раза в месяц.
-
3.1.4 Эксплуатация ПТ с повреждениями категорически запрещается.
-
3.1.5 Одновременно с внешним осмотром может производиться уход за ПТ, не требующий его отключения от сети:
- подтягивание болтов и гаек;
- чистка корпуса ПТ от пыли и грязи.
-
3.1.6 Оперативный контроль состояния ПТ осуществляется с помощью коммуникатора Метран-650.
Коммуникатор может быть подключен к ПТ в любой точке токовой петли: на пульте управления, измерительном стенде, непосредственно к преобразователю.
В оперативном режиме просматривается наиболее важная информация:
- измеряемая температура,
- выходной аналоговый сигнал,
- величина измеряемой температуры в процентах от установленного диапазона измерений.
-
3.2 Меры безопасности
-
3.2.1 При монтаже, техническом обслуживании и демонтаже ПТ необходимо соблюдать меры предосторожности от ожогов и других видов поражения в соответствии с правилами техники безопасности, установленными на объекте.
-
-
3.2.2 Замену, отсоединение, присоединение ПТ к трубопроводу объекта производить при полном отсутствии избыточного давления, при остановленном технологическом оборудовании.
-
3.2.3 Для исполнений Ех
Не снимать крышку корпуса ПТ во взрывоопасной зоне при подаче питающего напряжения.
Проверить установку крышки корпуса; кабельного ввода.
Все работы по установке ПТ должны выполняться опытными специалистами, имеющими соответствующую квалификацию и допуск.
При наличии электромагнитных полей использовать экранированный кабель. Экран должен быть заземлен в одной точке (около минуса источника питания).
-
3.3 Методика поверки
-
3.3.1 Операции поверки
-
Операции поверки ПТ должны проводиться в объеме и последовательности, представленных в таблице 8.
Периодические поверки проводятся в сроки, установленные предприятием-потребителем в зависимости от условий эксплуатации, но не реже одного раза в год для ПТ Метран -281, Метран-286; одного раза в два года для ПТ Метран-288.
Таблица 8
Наименование операции |
Номер пункта по поверке |
Проведение операции при | |
первичной поверке |
периодической поверке | ||
1 Внешний осмотр |
3.3.4.1 |
+ |
+ |
2 Опробование |
3.3.4.2 |
+ |
+ |
3 Проверка сопротивления изоляции ПТ |
3.3.4.3 |
+ |
+ |
4 Проверка основной погрешности ПТ |
3.3.4.4 |
+ |
+ |
Примечание - При получении отрицательных результатов поверки хотя бы по одному пункту таблицы 8 ПТ бракуется.
-
3.3.2 Средства поверки
Используемые средства измерения при поверке ПТ приведены в таблице 5.
-
3.3.3 Условия поверки и подготовка к ней
-
3.3.3.1 При проведении поверки должны соблюдаться следующие условия:
-
-
- температура окружающего воздуха (20±5) °С;
-
- относительная влажность от 30 до 80 %;
-
- атмосферное давление от 84 до 106,7 кПа (от 630 до 800 мм рт.ст);
- отсутствие вибрации, тряски и ударов, влияющих на работу ПТ;
- напряжение питания согласно 1.2.15;
- сопротивление нагрузки по 1.2.17.
-
3.3.3.2 Перед началом поверки необходимо выполнить следующие подготовительные работы:
- подготовить средства измерения и вспомогательные средства поверки согласно эксплуатационной документации и требований ГОСТ 8.461, ГОСТ 8.338;
- погрузить ПТ и образцовый термометр в термостат (печь) на одинаковую глубину, обеспечивающую условия термостатирования;
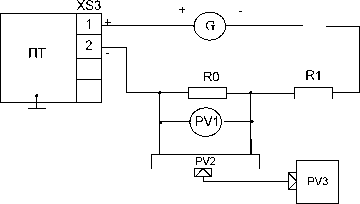
- собрать измерительную установку согласно ГОСТ 8.461 (ГОСТ 8.338) и приложения Д ;
- время выдержки эталонного средства измерения и поверяемого ПТ должно быть достаточным для установления теплового равновесия, но не менее 30 мин.
-
3.3.4 Проведение поверки
-
3.3.4.1 Внешний осмотр
-
При внешнем осмотре проверяют отсутствие механических повреждений, правильность маркировки, комплектность.
При наличии дефектов покрытий, несоответствия комплектности, маркировки определяют возможность дальнейшего применения ПТ.
Проверяют наличие паспорта с отметкой ОТК при предъявлении на первичную поверку и свидетельство о предыдущей поверке при предъявлении на периодическую поверку.
-
3.3.4.2 Опробование
Для проверки работоспособности поверяемого ПТ следует поместить его в термостат (электропечь) с температурой, соответствующей любой точке диапазона измерений, и убедиться в наличии выходного сигнала, который должен находиться в пределах диапазона. При извлечении ПТ из термостата (электропечи) выходной сигнал должен измениться.
-
3.3.4.3 Проверка сопротивления изоляции ПТ
Проверка проводится при условиях, установленных в 3.3.3.1.
Для проверки используется мегаомметр Ф4101 с номинальным рабочим напряжением 100 В, который подключается между закороченными выходными контактами ПТ и защитной арматурой.
Отсчет показаний производить по истечении 1 мин или через меньшее время, за которое показания мегаомметра практически установятся.
ПТ считается выдержавшим испытание, если сопротивление изоляции - не менее 40 МОм.
-
3.3.4.4 Проверку основной погрешности ПТ проводят в соответствии с МИ 280.01.00, но при двух любых значениях температуры диапазона измерений.
Допускается погружать в калибратор температуры (печь или криостат) кабельную вставку без защитной арматуры (для ПТ Метран-281, Метран-288), т.к. конструкция ПТ является разборной.
Количество отсчетов при каждом значении температуры - не менее 4. Значения температуры рассчитывают как среднее арифметическое из всех отсчетов с учетом поправки на эталонное средство. Результаты вычислений округляются до пяти значащих цифр.
t ср
i ср
n
i=1
n
(3)
где n - число измерений;
ti - значение температуры, измеряемой ПТ, °С.
Основную приведенную погрешность ПТ по аналоговому сигналу вычисляют по форму- | |
ле: |
Ya -100%, (4) где Да = ti - td - основная абсолютная погрешность ПТ по аналоговому сигналу, °С; ti - значение температуры, измеряемой поверяемым ПТ, °С; td -действительное значение температуры, измеряемое эталонным средством, °С; D - диапазон измерений температуры, °С. Значения температуры ti определяют по формуле: t,= I...,-Imin x( _, )+, . (5) max min |
где 1вых,1 - значение выходного тока, соответствующее измеряемой температуре, мА;
Imin , Imax - нижний и верхний пределы диапазона измерений выходного тока (соответственно 4 и 20 мА);
tmin, tmax - нижний и верхний пределы диапазона измерений, соответственно, °С.
Значения температуры ti по цифровому сигналу отсчитывают на экране коммуникатора Метран-650 или ПК. Основную приведенную погрешность ПТ по цифровому сигналу вычисляют по формуле:
А и
Yu = -D-100%, (6)
где где Дц = ti - td - основная абсолютная погрешность ПТ по цифровому сигналу, °С.
ПТ считается выдержавшим испытание, если основная приведенная или абсолютная погрешность при каждой измеряемой температуре не превышает значений, указанных в таблице 2.
3.3.5 Оформление результатов поверки
-
3.3.5.1 При положительных результатах поверки на ПТ (или паспорт) наносят повери-тельное клеймо в соответствии с ПР 50.2.007.
-
3.3.5.2 При отрицательных результатах поверки клеймо погашается, а в паспорте делается отметка о непригодности ПТ, выдается извещение о непригодности с указанием причин в соответствии с ПР 50.2.006.
-
4 Транспортирование и хранение
4.1 ПТ могут храниться как в транспортной таре, так и без упаковки.
ПТ в транспортной таре следует хранить в штабелях по 5 ящиков в соответствии с условиями хранения 3 по ГОСТ 15150, а без упаковки хранить на стеллажах в соответствии с условиями хранения 1 по ГОСТ 15150.
-
4.2 Транспортирование ПТ должно производиться всеми видами транспорта в крытых транспортных средствах в соответствии с правилами перевозки грузов действующими на данном виде транспорта.
-
4.3 Во время погрузочно-разгрузочных работ и транспортирования ящики не должны подвергаться резким ударам и воздействию атмосферных осадков.
-
5 Утилизация
Утилизация драгоценных металлов ПТ Метран-286 производится в соответствии с инструкцией № 67 Министерства финансов РФ «О порядке получения, расходования, учета и хранения драгоценных металлов и драгоценных камней на предприятиях, в учреждениях и организациях», утвержденной 04.08.92.
ПРИЛОЖЕНИЕ А (справочное) Ссылочные нормативные документы
Таблица А.1
Обозначение документа, на который дана ссылка |
Номер раздела, подраздела, приложения разрабатываемого документа, в котором дана ссылка |
ГОСТ 8.338-2002 |
3.3.3.2 |
ГОСТ 8.461-82 |
3.3.3.2 |
ГОСТ Р 8.568-97 |
1.6 |
ГОСТ 12.1.011-78 |
1.1 |
ГОСТ 27.003-90 |
1.1 |
ГОСТ 6111-52 |
Приложения Б, Р |
ГОСТ 6616-94 |
1.1, 1.2.1 |
ГОСТ 6651-94 |
1.1, 1.2.1, 1.2.9 |
ГОСТ 12997-84 |
1.1 |
ГОСТ 14254-96 |
1.1 |
ГОСТ 15150-69 |
1.1, 1.2.16, 4.1 |
ГОСТ 21130-75 |
1.7.3 |
ГОСТ 23170-78 |
1.8.2 |
ГОСТ 30232-94 |
1.1 |
ГОСТ Р 51317.4.2-99 |
1.2.29 |
ГОСТ Р 51317.4.3-99 |
1.2.29 |
ГОСТ Р 51317.4.4-99 |
1.2.29 |
ГОСТ Р 51317.4.5-99 |
1.2.29 |
ГОСТ Р 51317.4.6-99 |
1.2.29 |
ГОСТ Р 51318.22-99 |
1.2.29 |
ГОСТ Р 51330.0-99 |
1.1, 1.2.17, 1.7.4 |
ГОСТ Р 51330.1-99 |
1.1, 1.5.1, 1.5.4, 1.2.6, 2.3.4 |
ГОСТ Р 51330.10-99 |
1.1, 1.2.3, 1.5.7 |
ПР 50.2.006-94 Порядок проведения поверки средств измерений |
1.6, 3.3.5.2 |
ПР 50.2.007-2001 Поверительные клейма |
3.3.5.1 |
ПУЭ Правила устройства электроустановок, изд.7, 2002г. |
1.1, 2.1.2, 2.2.7, 2.3.1 |
МИ 280.01.00-2006 Преобразователи температуры Метран-280, Метран-280-Ех Методика поверки |
3.3.4.4 |
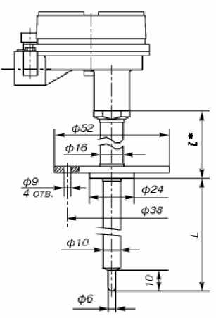
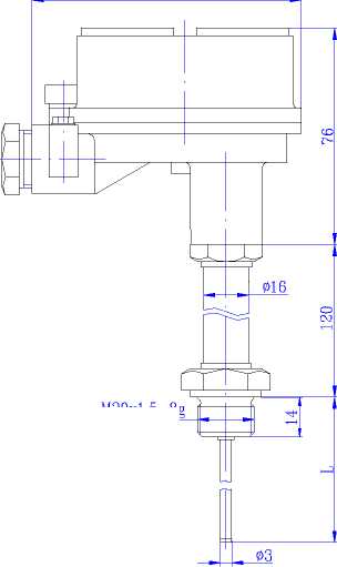
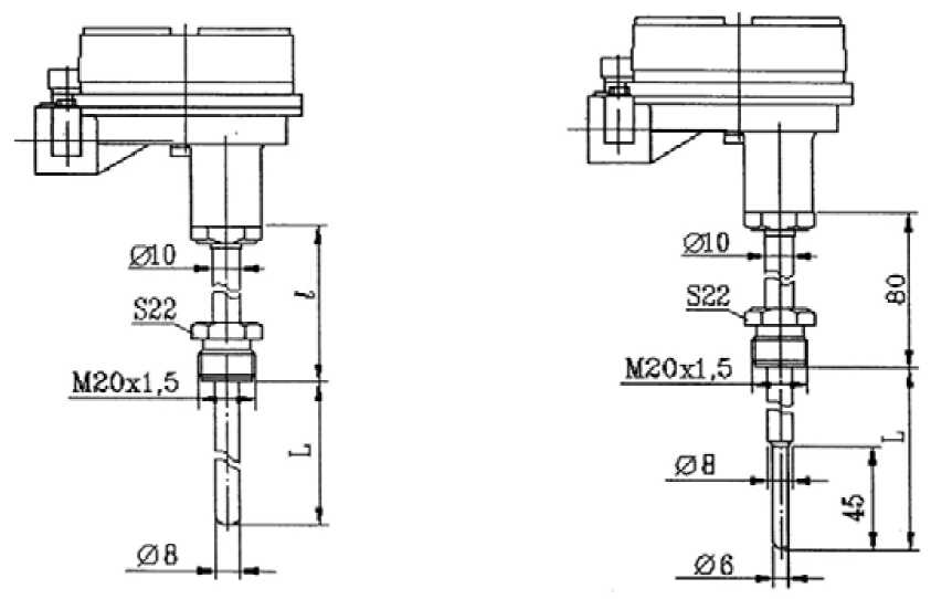
ПРИЛОЖЕНИЕ Б
(обязательное)
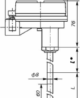
Габаритные размеры, масса, исполнения ПТ

Рисунок Б.1 - Исполнения
Метран-281-01
Метран-286-01
Метран-288-01
Рисунок Б.2 - Исполнения
Метран-281-02
Метран-286-02
Метран-288-02
Рисунок Б.3 - Исполнения
Метран-281-03
Метран-286-03
Метран-288-03
Примечание - * для ПТ Метран-286 l=120 мм, для ПТ Метран-281, Метран-288 l выбирается из ряда 120, 160, 200 мм; длина 160 или 200 мм дополнительно оговаривается при заказе.
Таблица Б.1 - Длина монтажной части и масса ПТ
Рисунок |
Масса, кг, в зависимости от длины монтажной части, L, мм | |||||||||||||||||
о |
о 00 |
о о |
о |
о |
о о |
о МО |
о со |
о о ■'Г |
о о МО |
о со |
о о 00 |
о о о |
1250 |
1600 |
2000 |
2500 |
3150 | |
Б.1, Б8 |
- |
- |
- |
0,50 |
0,65 |
0,75 |
1,00 |
1,20 |
- |
- | ||||||||
Б.2, Б9 |
0,52 |
0,65 |
0,83 |
1,25 |
1,60 | |||||||||||||
Б.3, Б10 |
- |
- |
0,55 |
0,65 |
0,85 |
1,10 |
1,23 |
1,60 | ||||||||||
Примечания
|
Уд

.к 2.

Рисунок Б.4 - Исполнения
Метран-281-04
Метран-286-04
Метран-288-04
Рисунок Б.5 - Исполнения
Метран-281-05
Метран-286-05
Метран-288-05



Рисунок Б.6 - Исполнения
Метран-286-06
Рисунок Б.7 - Исполнения
Метран-281-07
Метран-288-07
Примечание
-
1 Кабельные вводы не показаны, приведены в приложении Е .
-
2 * для ПТ Метран-286 l=80 мм, для ПТ Метран-281, Метран-288 l выбирается из ряда 120, 160, 200 мм; длина 160 или 200 мм дополнительно оговаривается при заказе.
Таблица Б.2 - Длина монтажной части и масса ПТ
Рисунок |
Масса, кг, в зависимости от длины монтажной части, L, мм | |||||||||||||||
о |
О 00 |
о о |
120 |
160 |
200 |
250 |
320 |
о о ■'Г |
о о |
630 |
о о 00 |
о о о |
1250 |
1600 |
2000 | |
Б.4 |
- |
- |
- |
0,85 |
0,92 |
1,20 |
1,35 | |||||||||
Б.5, Б.19 |
0,93 |
1,00 |
1,10 |
1,25 |
1,40 | |||||||||||
Б.6, Б.20 |
- |
- |
0,95 |
1,05 |
- |
- |
- |
- |
- |
- |
- |
- | ||||
Б.7 |
0,95 |
1,00 |
- |
- |
- |
- |
- |
- |
- |
- | ||||||
Примечания
50.300 °С, с длиной монтажной части 250 мм диапазон измерений минус 50.1000 °С. |



Рисунок Б.8 - Исполнения
Метран-281-31
Метран-286-31
Рисунок Б.9 - Исполнения
Метран-281-32
Метран-286-32
Рисунок Б.10 - Исполнения
Метран-281-33
Метран-286-33
Примечание - * 150 мм с кабельными вводами К3 - К6
Рисунок Б.13 - Исполнение Рисунок Б.14 - Исполнение
Метран-281-M-Exd Метран-281-^-Exd
Таблица Б.3 Длина монтажной части и масса ПТ
Рисунок |
Масса, кг, не более | ||||||||||
Длина монтажной части L, мм, не более | |||||||||||
200 |
250 |
320 |
400 |
500 |
630 |
800 |
1000 |
1250 |
1600 |
2000 | |
Б.11,Б.12,Б.13,Б.14 |
1,10 |
1,15 |
1,25 |
1,36 |
Таблица Б.4 Длина монтажной части и масса ПТ
Рисунок |
Масса, кг, не более | ||||||||||
Длина монтажной части L, мм, не более | |||||||||||
200 |
250 |
320 |
400 |
500 |
630 |
800 |
1000 |
1250 |
1600 |
2000 | |
Б.15,Б.16,Б.17,Б.18 |
1,10 |
1,15 |
1,25 |
1,36 |
95

95

Рисунок Б.11 - Исполнение
MeTpaH-281-12-Exd
Рисунок Б.12 - Исполнение
Метран-28143-Exd


95

95

M20xl,5-8g
Рисунок Б.15 - Исполнения
Метран-281-16
Метран-281-16-Exia
Рисунок Б.16 - Исполнения Метран-281-17 Метран-281-n-Exia
95
J | |||||||
F |
т |
со г- | |||||
с |
J |
Or |
016 | |
о сч | ||
X |
20 |
К1/2"Г0СТ 6111-52/1
Сварка лазерная/ |
—J . j |
.. 03 |

Рисунок Б.17 - Исполнения Метран-281-18 Метран-2 81 -18 -Exia
Рисунок Б.18 - Исполнения Метран-281-19 MeTpaH-281-19-Exia

Рисунок Б.19 - Исполнения
Метран-281-23 -Exd
MeTpaH-286-23-Exd
Рисунок Б.20 - Исполнения
MeTpaH-286-24-Exd
Примечания
-
1. l выбирается из ряда 120, 160, 200 мм - для MeTpaH-281-23-Exd; длина 160 или
200 мм дополнительно оговаривается при заказе.
-
2. Кабельные вводы не показаны, приведены в приложении Е.
-
3. Длина монтажной части и масса ПТ приведены в таблице Б.2.
ПРИЛОЖЕНИЕ В
(Справочное)
Схема внешних соединений ПТ Метран-281, Метран-288, Метран-286

250<Rh<1000 Ом
G-источник питания
PV - коммуникатор 650
Рисунок В.1 ПТ Метран-281, Метран-288, Метран-286

ПТ15 I |
+ | ||
1 | |||
2 | |||
- |
Рисунок В.2 - Многоточечный режим работы ПТ
ПРИЛОЖЕНИЕ Г
(Справочное)
Схемы внешних соединений
ПТ Метран-281, Метран-288, Метран-286 исполнения Exia

Параметры линии связи, не более:
Rh 250 Ом
C кабеля
0,1 мкФ
1,0 мГн 1000 м
L кабеля
Длина линии связи
1 - коммуникатор М-650
Рисунок Г.1 - Соединение ПТ с блоком питания БПД-40-2к-Ех
Взрывоопасная зона
Взрывобезопасная зона
XS3
1 | |
ПТ т |
2 |
~220B
о
1 |
1 | |
2 |
2 | |
БПЗС-Ех ХР1 | ||
1 | ||
2 |
1 |
Rh
1 - коммуникатор М-650
Rh - 250 Ом
Рисунок Г.2 - Соединение ПТ с блоком питания БПЗС-Ех

G - источник питания
PV1 - HART модем М-681
PV2 - персональный компьютер PV3 - коммуникатор Метран-650 Барьер искрозащиты D1010D (допускается 9303/13)
Рисунок Г.3 - Соединение ПТ Метран-281, Метран-288, Метран-286 исполнения Exia с барьером искрозащиты с гальванической развязкой цепи питания и информационной цепи

G - источник питания
PV1 - HART модем Метран-681
PV2 - персональный компьютер PV3 - Коммуникатор Метран-650 Барьер искрозащиты - 9001/51
Rh - сопротивление нагрузки, 250 Ом
Рисунок Г.4 - Соединение ПТ Метран-281, Метран-288, Метран-286 исполнения Exia с барьером искрозащиты без гальванической развязки цепи питания и информационной цепи
ПРИЛОЖЕНИЕ Д
(Справочное)
Схемы соединений ПТ при определении основной погрешности

R0 - образцовая катушка сопротивлений, 100 Ом
R1 - магазин сопротивлений
R2 - образцовая катушка сопротивления 250 Ом ставится при включении в схему коммуникатора
G - блок питания
Р V1 - цифровой вольтметр
PV2 - коммуникатор, подключаемый при определении основной погрешности цифрового выходного сигнала
Рисунок Д.1- ПТ Метран-281, Метран-288, Метран-286 при определении основной погрешности

PV1 - цифровой вольтметр
PV2 - HART модем Метран-281
PV3 - персональный компьютер с операционной системой Windows
Рисунок Д.2- ПТ Метран-281, Метран-288, Метран-286 при характеризации и определении основной погрешности
ПРИЛОЖЕНИЕ Е
(Справочное)
Монтажные комплекты кабельного ввода

Рисунок Е.1 - Ввод кабельный 251.01.08.000 для трубного монтажа (ТБ)

Рисунок Е.2 - Ввод кабельный 251.01.09.000 для монтажа бронированного кабеля (БК)
Таблица Е.1 - Параметры кабельных вводов К3-К6
В миллиметрах
Тип кабельного ввода |
Рисунок |
Резьба D1 |
Мин. длина резьбы L |
Диаметр D2 |
Диаметр D3 |
Толщина брони |
Диаметр D4 | ||
min |
max |
min |
max | ||||||
КЗ |
Е.З |
М20х1,5 |
15 |
3,1 |
8,6 |
6,0 |
13,4 |
0,90 |
24,4 |
К4 |
10 |
6,1 |
10,0 |
9,5 |
15,9 |
От 0,90 до 1,25 |
26,6 | ||
К5 |
Е.4 |
15 |
3,1 |
8,6 |
6,0 |
13,4 |
0,85 |
24,4 | |
К6 |
10 |
6,1 |
10,0 |
9,5 |
15,9 |
0,85 |
26,6 |


Рисунок Е.3 - Ввод кабельный для бронированного стальной проволокой кабеля (К3, К4)
Рисунок Е.4 - Ввод кабельный для бронированного стальной лентой или оплеткой кабеля (К5, К6)

Корпус соединительной головки

Рисунок Е.5 - Сальниковый ввод (К)
ПРИЛОЖЕНИЕ Ж
(обязо тельное)
Чертеж средств бары Боза щи ты ПТ Метран
2B1-bd, Метран-238-Exd
M7&1,5-7H/aq

-
I- корпус, 2-крышка, 3-му<рта, 4—штуцер,
5-прокладка, В-защитная арматура,
7-гаако, 8-прокладиа, Э-Вставкп термометрическая, Ю-злектранный модуль,
-
II- табличка паспортная, 12—балт заземления, 13-бинт внутреннего заземления, 1+-стопорная планка, 15,16-Винты, 17-ксшьцо уплотнительное, IB-планка, 19—мастика,
-
1. Свободный объем Взрывенепроницаемой оболочки
130 см3. Испытательное давление—1 МПа,
-
2. Материалы:
-корпус, крышка-сплав ЛК-12
-муфта (пахЗ), штуцер (поз.4), -таблица Ж.2; -защитная арматура-сталь 12Х18Н1ОТ или 1СХ17Н13М2Т В зависимости ат исполнения; -кольцо уплотнительное—таблица Ж.1;
-дайка (поэ.7)-сталь 12X1ВН10Т
-
3. На поверхностям обозначенных "ВзрнБ", не допускается забпины, раковины, трещины и другие дефекты,
4-. Кольцо уплотнительное поз.17 предназначено дли мантагка кабеля с наружным диаметром ат В до 10 мм,
-
5. В резьбовых соединению, обозначенная "Взрыв*, должно быть б зацеплении не менее 5 полных, неповрежденных, непрерывны* Битков.
-
6. Резь6оЬые соединения N20x1,5, обозначенные "Взрыв*, стопорить клеем K-30D-B1,
-
7. Пломбировка пломбировочной мастикой.
Вариант кабельного ВВода
251.01.00.000




Таблица Ж.1
Тип кабельного ббода |
Материал кольца уплотнительного |
L мм |
251.01.08.000 |
Резина ИРП-1 ззв |
16,5 |
251.01.09.000 |
.DSL


Только для ПТ Метран—2Н1—Eud
То&лицп Ж.2
Тип кабельного ВВода |
Материал деталеа | |
Hytpmo поз.3 |
Штуцер паз.4 | |
251.01.OB.000 |
Сплаб AK-1Z ар ми— роЬанний сталью 12К18Н1ПТ |
ОиаЬ АК-12 |
251.01.09.000 |
Сплаб АК-12 |
Б
3 гпГп


ПРИЛОЖЕНИЕ И
(обязательное)
Чертеж средств Взрывозащита ПТ
Метран-286-Ejd
M7S< 1,5-7Н/8д

-
I- корпус, 2-кришка, 3-муфта, 4—штуцер,
5-прокладка, 6-защитная арматура,
7-элемент чу^ствитальныо, В-элактранныа модуль, 9-табличка паспортная, ID-болт заземления,
-
II- Винт Внутреннего заземления, 12-стопорная планка, 13,14-Винты, 15-кольцо уплотнительное, 16-планка, 17-масгпи юа.
-
1. свободный айвам йэрыйонепроницаамой оболочки
130 см3. Испытательное давление-1 МПа.
-
2. Материалы:
-корпус, крышка-сплаб 4К-12
-г^фта (паз.З), штуцер (поз. 4)-таблица И.2; -защитная арматура-сталь 12X1BH1DT или 10W17H13M2T В зависимости от исполнения;
-кольцо уплотнительное-тоблицо И.1;
-
3. На поВермчастям, обозначении; "Взрый", не допускаются забоины, раковины, трещины и другие дефекты.
-
4. Кольцо уплотнительное поз. 15 предназначено для монтажа кабели с наружным диаметром от В да 10 мм.
-
5. 0 рЕзьбоВьк соединения;, обозначении:; "Взрыв", должно быть в зацеплении не мснес 5 полни;, ннппврежданни; непрерывны; Витка В.
-
6. Резьбовие соединения М20;1,5, обозначенные "Взрыв”, стопорить клеем К-300-61.
-
7. Пломбировка пломбировочной мастикой.
CG ID
Вариант кпЕйдьнбм E?Fj&gn
251.01.0B.00D





Та блица И.1
Тип кабельного Ввода |
Материал ШЬЦЯ уплотни-тельноЕа |
L.HM |
251.01.08.0tW |
Резина ИРП-133В |
16,5 |
251.01.09.0tW |




ТС115.1ица М.2
Тип кабельноЕа В&ода |
Материал деталей | |
Myoma паз.3 |
Штуцер паз.4- | |
251.01.06.000 |
Сплав АК-12 армированный сталью 12X1ВН1DT |
Сплаб М-12 |
251.ai.09.00D |
СплаВ АК-12 |
Б
3 min

В-0

’-г in
ПРИЛОЖЕНИЕ К (справочное)
Перечень команд прикладного уровня, поддерживаемых Метран-280 Таблица К.1
Команды |
Наличие команды | |
ПТ с ИП Метран-280 |
ПТ с ИП Метран-646 | |
1 |
2 |
3 |
Универсальные команды HCF TEST-3 для контроля настроек параметров ПТ | ||
1.1 Чтение универсального идентификатора |
+ |
+ |
1.2 Чтение первичной переменной |
+ |
+ |
1.3 Чтение первичной переменной, тока и процента диапазона |
+ |
+ |
1.4 Чтение динамических переменных и тока |
+ |
+ |
1.5 Запись адреса опроса |
+ |
+ |
1.6 Чтение уникального идентификатора, ассоциированного с тэгом |
+ |
+ |
1.7 Чтение сообщения |
+ |
+ |
1.8 Чтение тэга, дескриптора и даты |
+ |
+ |
1.9 Чтение информации о сенсоре первичной переменной |
+ |
+ |
1.10 Чтение информации о выходе первичной переменной |
+ |
+ |
1.11 Чтение номера окончательной сборки |
+ |
+ |
1.12 Запись сообщения |
+ |
+ |
1.13 Запись тэга, дескриптора и даты |
+ |
+ |
1.14 Запись номера окончательной сборки |
+ |
+ |
2 Общие команды для настроек параметров ПТ | ||
2.1 Чтение переменных датчика |
+ |
+ |
2.2 Запись величины демпфирования |
+ |
+ |
2.3 Запись диапазона |
+ |
+ |
2.4 Установить ВПИ |
- |
+ |
2.5 Установка НПИ |
- |
+ |
2.6 Установка режима фиксированного тока |
+ |
+ |
2.7 Самотестирование |
+ |
+ |
2.8 Перегрузка микропроцессора |
+ |
+ |
2.9 Установка единиц измерения |
+ |
+ |
2.10 Настройка нуля ЦАП |
+ |
+ |
Продолжение таблицы К.1
1 |
2 |
3 |
2.11 Настройка усиления ЦАП |
+ |
+ |
2.12 Установка функции выходного сигнала |
+ |
+ |
2.13 Добавочный статус прибора |
+ |
+ |
2.14 Запись серийного номера сенсора |
+ |
+ |
2.15 Запись количества преамбул в ответе датчика |
- |
+ |
2.16 Сброс флага изменения конфигурации |
+ |
- |
2.17 Запись единиц измерения сенсора окружающей среды |
+ |
- |
2.18 Чтение информации о сенсоре окружающей среды |
+ |
- |
2.19 Запись времени усреднения сенсора окружающей среды |
+ |
- |
2.20 Запись серийного номера сенсора окружающей среды |
+ |
- |
2.21 Запись команды монопольного режима |
+ |
- |
2.22 Монопольный режим |
+ |
- |
2.23 Чтение всех динамических переменных |
+ |
- |
3 Специальные команды | ||
3.1 Калибровка нижнего предела измерений (НПИ) |
+ |
+ |
3.2 Калибровка верхнего предела измерений (ВПИ) |
+ |
+ |
3.3 Чтение значения смещения двухпроводного выхода |
+ |
- |
3.4 Запись значения смещения двухпроводного входа |
+ |
- |
3.5 Чтение/запись дополнительной информации |
+ |
+ |
3.6 Чтение информации о сенсоре |
+ |
- |
3.7 Запись информации о сенсоре |
+ |
- |
3.8 Чтение информации по калибровке сенсора |
+ |
- |
3.9 Режим калибровки сенсора |
+ |
- |
3.10 Чтение информации о фильтре АЦП |
+ |
- |
3.11 Запись информации о фильтре АЦП |
+ |
- |
3.12 Запись уровня аварии и насыщения |
+ |
- |
3.13 Установление активного уровня аварии |
+ |
- |
3.14 Чтение режима калибратора |
- |
- |
3.15 Установление режима калибратора |
+ |
- |
3.16 Чтение уровня аварии |
+ |
- |
3.17 Установление режима защиты от записи |
+ |
- |
ПРИЛОЖЕНИЕ Л
(Справочное) Дерево меню коммуникатора Метран-650 при управлении датчиком Метран-280

Примечания
-
1 НИИ - нижний предел измерения; ВПИ - верхний предел измерения;
-
2 Дерево меню приведено для управления ПТ с ИП Метран-646.
ПРИЛОЖЕНИЕ М
(справочное)
Расчет параметров линии связи (токовой петли)
Сечение линии связи, тип кабеля выбирают по таблице М.1
Таблица М.1
Сечение проводников S, мм2 |
Диаметр проводников d, мм |
Рекомендуемый кабель |
Длина токовой петли L, м |
Удельная емкость кабеля Кс, пФ/м |
Удельное сопротивление кабеля р, Ом/м |
Рекомендуемый тип кабеля |
0,20 |
0,50 |
Экранированная витая пара, многожильный проводник |
До 1500 |
75-100 |
0,0875 |
24АGW/0.2 |
0,35 |
0,67 |
0,05 |
24АGW/0.35 | |||
0,5 |
0,80 |
Экранированная витая пара, одножильный проводник |
От 1500 до 3000 |
300 |
0,035 |
^GW^ |
0,75 |
1,00 |
300-400 |
0,023 |
^GW/Q^ | ||
Примечания. 1 Неэкранированный кабель может быть использован, если электрические помехи в линии не влияют на качество связи. 2 Максимальная длина кабеля токовой петли рассчитывается по данным рисунка М.1. |
Данные по длине кабеля линии связи при многоточечном режиме работы ПТ Метран-280 приведены в таблице М .2
Таблица М.2
Количество подключаемых ПТ |
Максимальная длина кабеля, м | |||
Удельная емкость кабеля, нФ/км | ||||
65 |
95 |
160 |
225 | |
1 |
2800 |
2000 |
1300 |
1000 |
5 |
2500 |
1800 |
1100 |
900 |
10 |
2200 |
1600 |
1000 |
800 |
15 |
1800 |
1400 |
900 |
700 |
R . О Ом

iw аи эй *ю я»
ем ты б« sw io» нсо
Ом
CN - предельная емкость линии связи
RS - последовательное сопротивление линии связи (кабель, барьеры искрозащиты)
RP - параллельное сопротивление линии связи
(сопротивление всех подключаемых приборов)
Рисунок М.1 - Предельная емкость линии связи при передаче HART символов
Последовательность вычисления длины кабеля:
-
- определяется по рисунку М .1 величина емкости CN;
-
- определяется емкость кабеля СК по формуле:
(М.1)
где CD - входная емкость всех подключенных приборов (регистраторов, регуляторов).
CD определяют практически между входными клеммами прибора или между входной клеммой и корпусом прибора. Вычисляют максимальную длину кабеля по формуле:
L = CK / KC
(М.2)
где КС - удельная емкость кабеля, выбирается из технических условий на кабель.
Пример расчета длины кабеля линии связи HART сети:
Используется один ПТ Метран-280, его сопротивление не менее 10 кОм, минимальное сопротивление линии связи для передачи HART сигналов 250 Ом.
Сопротивление RP (параллельно подключенных ПТ и линии) можно принять равным 250 Ом. Удельная емкость кабеля КС с сечением проводников 0,2 мм2 выбирается по таблице М.1, КС=100 пФ/м. RS определяется последовательным соединением линии связи и искрозащитного барьера, сопротивление искрозащитного барьера много меньше сопротивления линии связи. Для расчета принимается RS=250 Ом.
По рисунку М.1 определяется максимальная емкость линии связи CN (CN=130 нФ).
Если подключен только один ПТ Метран-280, то CD < 20 нФ (1.2.22) и Сс=130-20=110 нФ.
Максимальная длина кабеля определяется по формуле (М.2).
=1100 м
0,1 нФ / м
ПРИЛОЖЕНИЕ Н
(справочное)
Generic Menu коммуникатора HC-275 (английская версия)
Generic
Online Menu

1 Process Variables
2 Diagnostics and Service
3 Basic setup
4 Detailed setup
5 Review
' ---------------------------------------------- 1
1. Present variable
— 2. Percent Range
3. Analog Output
-
1. Test device
-
2. Loop test
-
3. Calibration
-
4. D/A Trim
2 ,_________________,
i—| Self test |
-
1 Apply Values
-
2 Enter Values
-
1. Tag
-
2.
-
3. Range values
-
4.
PV Snsr Unit
Device Info.
-
5. Xfer. Fnctn
-
6. PV Damp
1 Sensors
2 Signal condition
3 Output condition
4 Device
information
-
1. Model
-
2. Tag
Date Descriptor Message PV snsr s/n Final Asmbly #
Revision
-
3.
-
4.
-
5.
-
6.
-
7.
-
8.
------------------ 6
-
1. Process variables
-
2. PV Snsr Unit
-
3. Sensor Info
1. PV Damp PV URV PV LRV
2.
-
3.
-
4. Xfer Fnctn
-
5. PV % Range
1. Analog Output
2. HART Output
1 Univ Rev.
_ 2 Fld Dev Rev
3 Softw Rev
1. PV LSL
2. PV USL
3. PV Min Span
1. A/O 1
-
2. A/O Alarm Type
-
3. Loop test
-
4. D/A Trim
-
5. Scaled D/A Trim
-
1. Poll Address
-
2. Number of Request Preambles
-
1. Model
-
2. Tag
Date
Descriptor
Message
PV Snsr S/N
Final Asmbly Num
Revision
-
3.
-
4.
-
5.
-
6.
-
7.
-
8.
10
11
12
-
1 Univ Rev.
-
2 Fld Dev Rev
-
3 Softw Rev
13
ПРИЛОЖЕНИЕ П
(справочное)
Generic Menu коммуникатора HC-275 (перевод)
Оперативное меню
-
1 УСТАНОВКА
ПРИБОРА
-
2 Перем. процесса
-
3 Аналог. выход
-
4 Нижн. гран. диап.
-
5 Верхн. гран. диап.
ПРИЛОЖЕНИЕ Р (обяхппелшое) Чертеж средств ВйртЛшащцты ПТ Метран-ЙЙ1—LS-Ezd, MempaH-Sfll-lS-Ezd, MempaH-Efil-14-Ezd, MempHH-Efll-15-Ezd.

Рисунок Р.1
1 -корпус, 3-крышка, З-мусрта, 4-штуцер, 5-прпкдадка,
6-арматура, 7-термипарнып кабель, В—электронный модуль, 9-табличка паспортная,
10-болт заземления. 11-Винт Внутреннего заземления,
12-стопорная планка, 13, 14-Винты, 15-кольцо упдот нительное, 1 В-планха, 17-мастика, lfl-шаиба пружинная, 19-заика, 20-прокладка.
-
1. Свободный объем ВзрыВанепраницаемои оболочки 130 ем1 Испытательное дайление1МЛа
-
2. Материалы:
-корпус, крышка - сплаВ АК-12;
-jiytpma (поа.З), штуцер (пси.4) - таблица П.1;
-лщшпнм арматура - сталь 13Х18Н10Т;
-кольцо уплотнительное - резина ИРП-1330;
-заика (поз.19) - отпяль 12Х18НЮТ;
-
3. На поверхностях, обозначенных "ВЬрыВ”, не допускаются забоины, раковины трещины и другие дефекты.
-
4. Кольцо уплотнительное поз .15 предназначено для монтажа кабеля с наружным диаметрам от В до 10мм.
-
5. В резьбовых соединениях, обозначенных "ВэрыВ", должно быть В зацеплении не менее пяти полных, неповрежденных, непрерывных ВиткюБ.
В. Резиновые соединения М20х1,5, обозначенные "ВзрыВ”, стопорить клеем К-300-91.
7. ПломбироЬка пломбиревочнои мастикои.
В. Длина реъбы резьбоВых соединении, обозначенных :1ВзрыВ',
- не менее Нмм.
гч чо

Кольца уплшптппелише пи.15




ТвЛища Р.1
Тил Еййышо» |
Материал утвлеп | |
Ытата шиТЗ |
Штуцер пя.4 | |
351.QL.Ofl.OQQ |
йиай АК-13 арми-рЛанныи сталью 1211 АШОТ |
СплеЛ АК-12 |
351.01.09000 |
СпааЙ АК-12 |
CG чо
г-г
Теринит нвбельнааэ бЬцдн
351.D1.QB.OOO



ПРИЛОЖЕНИЕ С (обязательное) Схемы внутренних соединений ПТ
XS1 |
XS2 | |
4 |
- |
3 |
1 |
4- |
2 |
Рисунок С.1 - Схема внутренних соединений Метран-281,Метран-288 с ИП Метран-280
XS1 |
XS2 | ||
4 |
3 | ||
J £ |
L | ||
1 |
2 | ||
Рисунок С.2 - Схема внутренних соединений Метран-286 с ИП Метран-280 (четырехпроводная)

Рисунок С.3 - Размещение клемм ИП Метран-280 при установке в корпусе ПТ

XS2
Рисунок С.4 - Схема внутренних соединений Метран-281, Метран-288 с ИП Метран-646
XS1 |
XS2 | |
1 |
3 | |
о н —f\—1—' 1 1 1 1 1 1 1 1 1 1 1 1 1______________________________________________________________1 | ||
2 |
4 | |
Рисунок С.5- Схема внутренних соединений Метран-286 с ИП Метран-646 (двухпроводная, четырехпроводная)

Рисунок С.6 - Размещение клемм ИП Метран-646 при установке в корпусе ПТ
65