Методика поверки «УСТРОЙСТВО КОНТРОЛЯ ЗАГАЗОВАННОСТИ И РЕЖИМОВ УНИВЕРСАЛЬНОЕ УКЗ-РУ» (Код не указан!)
УСТРОЙСТВО КОНТРОЛЯ ЗАГАЗОВАННОСТИ И РЕЖИМОВ УНИВЕРСАЛЬНОЕ УКЗ- РУ
Методика поверки
г. Саратов
Настоящая методика испытаний распространяется на устройства контроля загазованности и режимов универсальные УКЗ-РУ всех модификаций.
Межповерочный интервал - 1 год.
-
1. Операции поверки.
При проведении поверки должны выполняться операции указанные в таблице 1.
Таблица 1.
Наименование операции |
Номер пункта документа по поверке |
Проведение операции | |
Первичная поверка |
Периодическая поверка | ||
1. Внешний осмотр |
6.1. |
Да |
Да |
2. Опробование |
6.2 |
Да |
Да |
3. Определение метрологических характеристик: | |||
определение порогов срабатывания и абсолютной погрешности срабатывания |
6.3.1 |
Да |
Да |
устройства; | |||
определение времени срабатывания устройства. |
6.3.2 |
Да |
Да |
4. Проверка электрического сопротивления изоляции. |
6.4 |
Да |
да |
Если при проведение той или иной операции получен отрицательный результат, то поверка прекращается.
-
2. Средства поверки.
При проведении поверки должны применяться средства поверки, указанные в таблице 2.
Таблица 2.
№ п/п |
Наименование образцового средства измерений или вспомогательного средства поверки |
ГОСТ, ТУ или основные технические характеристики |
1 |
Секундомер СОСпр-2б-2010 |
ГОСТ 5072-72, КТ3 0 - 60 с., 0 - 60 мин.. |
2 |
Барометр-анероид БАММ-1 |
ТУ 25-11.1513-79 |
3 |
Гигрометр психрометрический ВИТ 2 |
Диапазон измерения влажности от 20 до 93 % |
4 |
Термометр ТМ-14 |
ГОСТ 2045-71 от 0 до 65оС, ц.д. 0.5 оС |
5 |
Ротаметр РМ-А-0,063 УЗ |
ТУ 25-02.070213-82, КТ4 |
6 |
Поверочные газовые смеси (ПГС) |
ТУ 6-16-2956-92 (Приложение 1) |
7 |
Фольга алюминиевая АД1 |
ГОСТ 4784-74 |
8 |
Мегомметр ЭС020/2Г |
ТУ25-7534.014-90 |
Примечания. Все средства поверки должны иметь действующие свидетельства о поверке. При проведении поверки допускается замена средств измерений, приведенных в таблице 2 любыми другими, имеющими метрологические характеристики не хуже указанных средств измерений.
-
3. Требования техники безопасности.
При работе с газовыми смесями должны соблюдаться требования, изложенные в ''Правилах устройств и безопасной эксплуатации сосудов, работающих под давлением''.
Помещение для поверки устройств должно быть оборудовано вытяжной вентиляцией.
-
4. Условия поверки.
При проведении поверки должны быть соблюдены следующие условия: о
20 ± 5;
30- 80; от 84 до 106,7;
220+22-33;
- температура окружающей среды, С
- относительная влажность окружающей среды, %
- атмосферное давление, кПа
- напряжения питания переменного тока частотой (50 ± 1) Гц, В
- в помещениях, где проводится поверка, содержание коррозионно-активных агентов не должно превышать установленных для атмосферы типа I по ГОСТ 15150, должны отсутствовать агрессивные ароматические вещества (кислоты, лаки, растворители, светлые нефтепродукты, силикон).
-
5. Подготовка к поверке.
Перед проведением поверки должны быть выполнены следующие подготовительные работы:
- проверить устройство на отсутствие внешних повреждений;
- включить устройство и прогреть в соответствии с руководством по эксплуатации;
- проверить исправность функционирования устройства;
- выдержать баллоны с ПГС при температуре поверки 24 часа.
-
6. Проведение поверки.
-
6.1. Внешний осмотр.
-
При проведении внешнего осмотра должно быть установлено соответствие устройства следующим требованиям:
- комплектность устройства должна соответствовать руководству по эксплуатации УКЗ-РУ;
- устройство не должно иметь повреждений, влияющих на технические характеристики и препятствующие применению.
-
6.2. При опробовании проверяют работоспособность устройства в следующем порядке:
- включить устройство в сеть;
- выдержать устройство во включенном состоянии не менее 3-х минут для УКЗ-РУ-СН4 и 10 минут для УКЗ-РУ-СО.
Результаты опробования считаются положительными, если по истечении времени прогрева: индикатор зеленого цвета ''Питание'' переходит на постоянный режим свечения.
-
6.3. Проверка метрологических характеристик устройства.
Определение порогов срабатывания и абсолютной погрешности срабатывания устройства.
-
6.3.1.1. Собрать схему измерений, представленную на рисунке 1. Определение абсолютной погрешности срабатывания устройства УКЗ-РУ-СН4(1) проводят при поочередной подаче на устройство ПГС № 1 - №2 (Приложение 1) с расходом 30 40 л/ч.
Результаты определения абсолютной погрешности срабатывания устройства считают положительными, если:
-
- при подаче ПГС №1 не произошло срабатывание световой и звуковой сигнализации устройства в течение 30 с;
-
- при подаче ПГС №2 срабатывает звуковая и световая сигнализация «Порог 1», вырабатывается сигнал аварийной ситуации для внешнего исполнительного устройства в течение 10 с в соответствии с п.1.2.1(таблица 1 п.11) РЭ.
-
6.3.1.2. Собрать схему измерений, представленную на рисунке 1. Определение абсолютной
погрешности срабатывания устройства УКЗ-РУ-СН4(2), УКЗ-РУ-СН4(2В) с выносным датчиком проводят при поочередной подаче на устройство ПГС №1 - №2 - №3 (Приложение 1) с расходом 30 40 л/ч.
Результаты определения абсолютной погрешности срабатывания устройства считают положительными, если:
-
- при подаче ПГС №1 не произошло срабатывание звуковой и световой сигнализации устройства в течение 30 с;
-
- при подаче ПГС №2 срабатывает звуковая и световая сигнализация «Порог 1», вырабатывается сигнал предаварийной ситуации для внешнего исполнительного устройства в течение 10 с в соответствии с п.1.2.1(таблица 1 п.10) РЭ;
-
- при подаче ПГС №3 срабатывает световая сигнализация «Порог 2» и вырабатывается сигнал аварийной ситуации для внешнего исполнительного устройства в течение 10 с в соответствии с п.1.2.1(таблица 1 п.11) РЭ.
-
6.3.1.3. Собрать схему измерений, представленную на рисунке 1. Определение абсолютной
погрешности срабатывания устройства УКЗ-РУ-СО проводят при поочередной подаче на устройство ПГС №4 - №5 (Приложение 1) с расходом 30 40 л/ч.
Результаты определения абсолютной погрешности срабатывания устройства считают положительными, если:
-
- при подаче ПГС №4 срабатывает звуковая и световая сигнализация «Порог 1» (индикатор мигает с частотой 1 Гц), вырабатывается сигнал предаварийной ситуации для внешнего исполнительного устройства в течение 180 с в соответствии с п.1.2.1(таблица 1 п.11) РЭ;
-
- при подаче ПГС №5 срабатывает звуковая, световая сигнализация «Порог 1» и «Порог 2» (индикатор «Порог 1» мигает с частотой 4Гц) в течение 180 с и вырабатывается сигнал аварийной ситуации для внешнего исполнительного устройства в соответствии с п.1.2.1(таблица 1 п.11) РЭ .
-
6.3.1.4. Собрать схему измерений, представленную на рисунке 1. Определение абсолютной
погрешности срабатывания устройства УКЗ-РУ-СН4(2В)-СО проводят при поочередной подаче на устройство ПГС №1 - №2 - №3 - №4 - №5 (Приложение 1) с расходом 30 40 л/ч.
Результаты определения абсолютной погрешности срабатывания устройства считают положительными, если:
-
- при подаче на выносной датчик ПГС №1 не произошло срабатывание звуковой и световой сигнализации устройства в течение 30 с;
-
- при подаче на выносной датчик ПГС №2 срабатывает звуковая и световая сигнализация
«Порог 1» по СН4, вырабатывается сигнал предаварийной ситуации для внешнего исполнительного устройства в течение 10 с в соответствии с п.1.2.1(таблица 1 п.10) РЭ;
-
- при подаче на выносной датчик ПГС №3 срабатывает световая сигнализация «Порог 2» по СН4 и вырабатывается сигнал аварийной ситуации для внешнего исполнительного устройства в течение 10 с в соответствии с п.1.2.1(таблица 1 п.11) РЭ,
-
- при подаче на само устройство ПГС №4 срабатывает звуковая и световая сигнализация «Порог 1» по СО (индикатор мигает с частотой 1 Гц), вырабатывается сигнал предаварийной ситуации для внешнего исполнительного устройства в течение 180 с в соответствии с п.1.2.1(таблица 1 п.10) РЭ;
- при подаче на само устройство ПГС №5 срабатывает звуковая, световая сигнализация «Порог 1» и «Порог 2» по СО (индикатор «Порог 1» мигает с частотой 4Гц) в течение 180 с и вырабатывается сигнал аварийной ситуации для внешнего исполнительного устройства в соответствии с п.1.2.1(таблица 1 п.11) РЭ .
Данные результаты означают, что действительные значения погрешности срабатывания устройств не превышают пределов допускаемой абсолютной погрешности.
-
6.3.2. Определение времени срабатывания устройства.
Определение времени срабатывания устройства проводят путем скачкообразного изменения концентрации определяемого компонента на входе датчика от нуля до значения, превышающего сигнальную концентрацию в 1,6 раза, и фиксацией моментов времени скачкообразного изменения концентрации компонента и срабатывания устройства.
Собрать схему измерений, представленную на рисунке 1.
Подать ПГС с концентрацией СН4 - 0,7 % об (14% НКПР) на устройство УКЗ-РУ-СН4(1), УКЗ-РУ-СН4(2), УКЗ-РУ-СН4(2В) с выносным датчиком, УКЗ-РУ-СН4(2В)-СО и включить секундомер. В момент срабатывания световой сигнализации «Порог 1» и «Порог 2» выключить секундомер.
Результаты определения времени срабатывания устройства считаются положительными, если время срабатывания устройства не превышает 10 с.
Подать ПГС с концентрацией СО - 32мг/м3 на устройство УКЗ-РУ-СО, УКЗ-РУ-СН4(2В)-СО и включить секундомер. В момент срабатывания световой сигнализации «Порог 1» выключить секундомер.
Результаты определения времени срабатывания устройства считаются положительными, если время срабатывания устройства не превышает 180 с .
-
6.4. Проверка электрического сопротивления изоляции.
-
6.4.1. Проверку проводят мегомметром ЭС020/2Г. Концы мегомметра подключают к контактам вилки шнура питания и металлической фольге, плотно приложенной к корпусу устройства.
-
6.4.2. Через 1 минуту после приложения испытательного напряжения в 500В по шкале мегомметра фиксируют величину сопротивления изоляции.
-
6.4.3. Результаты поверки считают положительными, если измеренное значение сопротивления изоляции устройства не менее 5 Мом.
-
-
6.5. Оформление результатов поверки.
При положительных результатах поверки оформляют свидетельство о поверке установленной формы в соответствии с ПР 50.2.006. Устройство, не прошедшее поверку, к применению не допускается. Отрицательный результат оформляется извещением о непригодности в соответствии с требованиями ПР 50.2.006.

4
5
7

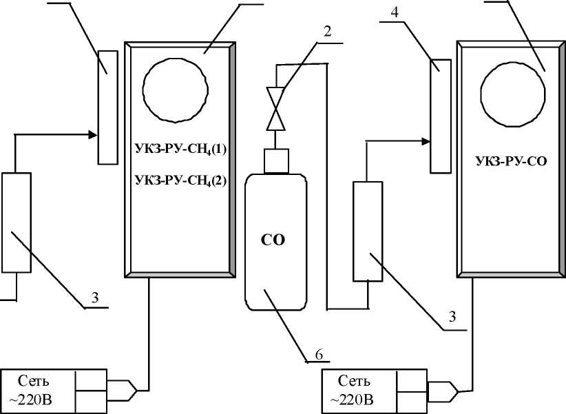
Рис. 1. Схема проверки устройства
-
1 - баллон с ПГС (СН4 + воздух);
-
2 - вентиль точной регулировки;
-
3 - ротаметр;
-
4 - насадка;
-
5 - устройство УКЗ-РУ-СН4(1), УКЗ-РУ-СН4(2), УКЗ-РУ-СН4(2В) с выносным датчиком;
-
6 - баллон с ПГС (СО + воздух);
-
7 - устройство УКЗ-РУ-СО УКЗ-РУ-СН4(2В)-СО;
Ш1 - разъем сигнала предаварийной ситуации;
Ш2 - разъем сигнала аварийной ситуации.
ПРИЛОЖЕНИЕ 1.
Технические характеристики ГСО-ПГС.
№ п/п |
ГСО-ПГС |
Содержание измеряемого компонента, % природный газ / сжиженный газ |
Пределы допускаемого отклонения, % |
Пределы допускаемой погрешности аттестации, % |
Номер ГСО-ПГС по Госреестру |
1 |
СН4 - воздух |
0,22 / 0,11 |
± 0,04 |
± 0,02 |
3904 - 87 |
2 |
СН4 - воздух |
0,66 / 0,33 |
± 0,04 |
± 0,02 |
3904 - 87 |
3 |
СН4 - воздух |
1,1 / 0,55 |
± 0,06 |
± 0,02 |
4272 - 88 |
№ п/п |
ГСО-ПГС |
Содержание измеряемого компонента, мг/м3 |
Пределы допускаемого отклонения, мг/м3 |
Пределы допускаемой погрешности аттестации, мг/м3 |
Номер ГСО- ПГС по Госреестру |
4 |
СО - воздух |
20 |
± 2,0 |
± 0,7 |
3843 - 87 |
5 |
СО - воздух |
100 |
± 7,0 |
± 3,0 |
3847 - 87 |

Насадка (устройство присоединительное) для проверки устройств УКЗ-РУ.
8