Стандарт «ДЛИНОМЕРЫ ВЕРТИКАЛЬНЫЕ ОПТИЧЕСКИЕ» (ГОСТ 8.114-74)
ГОСУДАРСТВЕННЫЙ СТАНДАРТ СОЮЗА ССР
ГОСУДАРСТВЕННАЯ СИСТЕМА ОБЕСПЕЧЕНИЯ ЕДИНСТВА ИЗМЕРЕНИЙ
ДЛИНОМЕРЫ ВЕРТИКАЛЬНЫЕ ОПТИЧЕСКИЕМЕТОДЫ И СРЕДСТВА ПОВЕРКИ
ГОСТ 8.114-74
Издание официальное
ГОСУДАРСТВЕННЫЙ КОМИТЕТ СТАНДАРТОВ СОВЕТА МИНИСТРОВ СССР
Москва
ГОСУДАРСТВЕННЫЙ СТАНДАРТ СОЮЗА ССР
ГОСУДАРСТВЕННАЯ СИСТЕМА ОБЕСПЕЧЕНИЯ ЕДИНСТВА ИЗМЕРЕНИЙ

МЕТОДЫ И СРЕДСТВА ПОВЕРКИ
ГОСТ 8.114—74

Издание официальное
МОСКВ А —1 974
РАЗРАБОТАН И ВНЕСЕН Всесоюзным научно-исследовательским институтом метрологии им. Д. И. Менделеева [ВНИИМ]
Руководитель темы Соур И. Г. Исполнитель Дмитриева Т. И.
ПОДГОТОВЛЕН К УТВЕРЖДЕНИЮ Управлением приборостроения, средств автоматизации и систем управления Госстандарта СССР
Начальник Алмазов И. А.
Всесоюзным научно-исследовательским институтом метрологической службы (ВНИИМС)
И. о. директора Закс Л. М.
УТВЕРЖДЕН И ВВЕДЕН В ДЕЙСТВИЕ Постановлением Государственного комитета стандартов Совета Министров СССР от 11 февраля 1974 г. № 393
©Издательство стандартов, 1974
УДК 531.717.53.089.6(083.74) Группа Т88.5
ГОСУДАРСТВЕННЫЙ СТАНДАРТ СОЮЗА ССР
Государственная система обеспечения единства измерений ДЛИНОМЕРЫ ВЕРТИКАЛЬНЫЕ ОПТИЧЕСКИЕ Методы и средства поверки
ГОСТ
8.114—74
Взамен
ГОСТ 12440—66
State system for ensuring the uniformity of measurements Vertical optical length comparators. Methods and means of verification
Постановлением Государственного комитета стандартов Совета Министров СССР от 11 февраля 1974 г. № 393 срок действия установлен
с 01.01 1976 г. до 01.01 1981 г.
Настоящий стандарт распространяется на вертикальные оптические длиномеры типов ДВО (ИЗВ-1 и ИЗВ-2) и ДВЭ (ИЗВ-З) по ГОСТ 14028—68 и устанавливает методы и средства их первичной и периодической поверок. Стандарт соответствует рекомендации СЭВ по стандартизации PC 3627—72.
-
1. ОПЕРАЦИИ И СРЕДСТВА ПОВЕРКИ
-
1.1. При проведении поверки должны выполняться операции и применяться средства поверки, указанные в таблице.
-
Издание официальное
★
|
Наименование операций |
Номера пунктов стандарта |
Средства поверки и их нор мат ив но-техн и чес кие характеристики |
|
Внешний осмотр |
3.1 |
— |
|
Опробование |
3.2 |
- |
|
Определение времени опускания измерительного стержня |
3.3 |
Секундомер по ГОСТ 5072—72 |
|
Проверка измерительных наконечников и сферического стола типа СТ-8 |
3.4 |
Измерительные наконечники по ГОСТ 11007—66 |
|
Определение измерительного усилия |
3.5 |
Динамометр (справочное приложение, п. 1) |
|
Определение изменения показаний прибора при действии на измерительный стержень в направлении, перпендикулярном оси стержня, усилия 2 Н |
3.6 |
Динамометрическое приспособление по ГОСТ 16969—71 (приложение 3) |
|
Проверка плоскостности измерительных поверхностей ребристого стола и столов типов СТ-5 и СТ-6 |
3.7 |
Плоскопараллельная концевая мера длины размером 5—10 мм 2-го класса по ГОСТ 9038—73. Нижняя плоская стеклянная пластина диаметром 120 мм 2-го класса по ГОСТ 2923—59 |
|
Определение отклонения от параллельности (плоскости измерительного наконечника относительно плоскости стола), достигаемой установкой |
3.8 |
Плоскопараллельная концевая мера длины размером 5—10 мм 2-го класса по ГОСТ 9038—73 |
|
Проверка параллельности измерительной поверхности стола типа СТ-6 относительно его опорной поверхности (проводится только при выпуске из производства и ремонта) |
3.9 |
Рычажный микрометр с пределами измерения от 0 до 25 мм по ГОСТ 4381—68 |
|
Проверка шероховатости измерительных поверхностей столов (проводится только при выпуске из производства и ремонта) |
3.10 |
Оптический прибор типа МИИ (микроинтерферометр) по ГОСТ 9847—61 или профилометр по ГОСТ 19300—73 |
|
Проверка параллельности штрихов шкалы десятых долей миллиметра штрихам миллиметровой шкалы |
3.11 |
П родолжение
|
Наименование операций |
Номера пунктов стандарта |
Средства поверки и их нормативно-технические характеристики |
|
Проверка параллельности оси (базовой линии) миллиметровой шкалы направлению перемещения измерительного стержня |
3.12 |
— |
|
Проверка параллакса изображения штрихов миллиметровой шкалы относительно витков спиральной сетки |
3.13 |
Диоптрийная трубка с увеличением 2—4* |
|
Проверка эксцентриситета спирали окулярного спирального микрометра относительно оси ее вращения |
3.14 | |
|
Проверка совпадений десяти делений шкалы десятых долей миллиметра и деления миллиметровой шкалы |
3.15 |
• |
|
Проверка соответствия диапазона показаний микрометровой шкалы одному делению шкалы десятых долей миллиметра |
3.16 | |
|
Проверка перпендикулярности поверхности ребристого стола к направлению движения измерительного стержня и прямолинейности перемещения измерительного стержня (проводится только при выпуске из производства и ремонта) |
3.17 |
Индикатор по ГОСТ 9696—61 с ценой деления 0,002 мм. Измерительная рычажно-зубчатая головка по ГОСТ 18833—73 с ценой деления 0,002 мм. Угольник УШ-0—250 по ГОСТ 3749—65. Держатель (справочное приложение, п. 2) Индикатор с ценой деления 0,001 мм по ГОСТ 9696—61 или измерительная рычажно — зубчатая головка с ценой деления 0,001 мм по ГОСТ 18833—73 или микатор с ценой деления 0,001 мм по ГОСТ 14712—69. Держатель (справочное приложение, п. 3) |
|
Проверка параллельности оси измерительного штифта направлению перемещения измерительного стержня |
3.18 | |
|
Определение среднего квадратического отклонения результата наблюдений длиномера |
3.19 |
Плоскопараллельные концевые меры длины размером 10 и 100 мм 1-го класса по ГОСТ 9038—73 |
|
Определение основной погрешности длиномеров |
3.20 |
Образцовые плоскопараллель ные концевые меры длины (10, 30, 50, 70, 100, 150, 250 мм) 1-го класса по ГОСТ 9038—73. Термометры (2 шт.) по ГОСТ 2045—71 с ценой деления 0.2 °C или термопары (2 шт.) по ГОСТ 6616—61 |
Разрешается применять отдельные, вновь разработанные или находящиеся в применении средства поверки, прошедшие метрологическую аттестацию в органах государственной метрологической службы и удовлетворяющих по точности требованиям стандарта. Плоскопараллельные концевые меры длины, применяемые в качестве образцовых, должны быть аттестованы в органах государственной метрологической службы.
-
2. УСЛОВИЯ ПОВЕРКИ И ПОДГОТОВКА К НЕЙ
-
2.1. Условия поверки длиномеров должны соответствовать нормальным по ГОСТ 8.050—73.
-
2.2. Прибор должен быть установлен на устойчивом столе, защищенном от толчков и вибраций.
-
Стол длиномера должен быть установлен в горизонтальном положении с отклонением не более 10' по уровню, встроенному в прибор ( у приборов типов ИЗВ-2 и ИЗВ-З) или положенному на ребристый стол (у приборов типа ИЗВ-1).
-
2.3. Перед поверкой необходимо снять смазочный материал с металлических частей прибора гигроскопической ватой по ГОСТ 12233—66 и бензином марки Б-70 по ГОСТ 1012—72, промыть концевые меры бензином и протереть их чистым мягким полотенцем по ГОСТ 7259—68.
-
3. ПРОВЕДЕНИЕ ПОВЕРКИ
-
3.1. При внешнем осмотре должно быть установлено соответствие длиномера следующим требованиям:
-
отсутствие на наружных поверхностях прибора и дополнительных столов коррозии, механических повреждений, влияющих на эксплуатационные свойства прибора. При выпуске из производства не допускаются дефекты, ухудшающие внешний вид прибора;
изображения штрихов и цифр на экране (длиномеров типа ДВЭ) должны быть отчетливыми и резкими;
непараллельность штрихов микрометровой шкалы индексу, заметная на глаз, не допускается;
маркировка, упаковка и комплектность длиномеров должны соответствовать ГОСТ 14028—68.
-
3.2. Опробование
3.2.1. При опробовании проверяют взаимодействие узлов длиномера:
крепление съемных, сменных и подвижных частей должно быть надежным; перемещение подвижных частей прибора должно быть плавным;
несимметричность концов любого штриха миллиметровой шкалы относительно шкалы десятых долей миллиметра у длиномеров типа ДВЭ не должно превышать >/6 длины штриха миллиметровой шкалы;
штрихи миллиметровой шкалы при совмещении с кривой спирали у длиномеров типа ДВО должны соприкасаться с ней в середине рабочего промежутка шкалы десятых долей миллиметра;
смещение изображения всех штрихов микрометровой шкалы относительно изображения индекса при перемещении изображения шкалы не должно превышать 0,1 длины короткого штриха у длиномеров типа ДВЭ.
-
3.3. Время опускания измерительного стержня из крайнего верхнего положения в крайнее нижнее определяют по секундомеру при открепленном стопорном винте. Продолжительность опускания стержня с полным комплектом грузовых шайб — от 4 до 17 с.
-
3.4. Соответствие измерительных наконечников, формы и шероховатости поверхности сферического стола типа СТ-8 1-му классу точности проверяют методами, указанными в ГОСТ 11007—66.
-
3.5. Измерительное усилие определяют динамометром (справочное приложение, п. 1), который устанавливают на ребристый стол длиномера по линии измерения.
Опускают измерительный стержень до контакта сферического наконечника с плоской пяткой динамометра при номинальном измерительном усилии 2 Н (с грузовыми шайбами) и отсчитывают показание динамометра, которое должно находиться в пределах 1,6—2,4 Н (160—240 гс).
Усилие определяют при двух положениях наконечника, которые соответствуют показаниям длиномера 0,50 и 100 мм.
-
3.6. Изменение показаний прибора при действии на измерительный стержень в направлении, перпендикулярном оси стержня, усилия 2 Н (200 гс) определяют при помощи динамометрического приспособления в последовательности, изложенной ниже.
На ребристый стол прибора помещают концевую меру и приводят в контакт с ее измерительной поверхностью сферический наконечник длиномера. Сделав отсчет по шкале длиномера, нажимают крючком динамометра на измерительный наконечник последовательно с четырех сторон и отпускают его. При этом наблюдают за изменением показаний по шкале, которая должна возвратиться в исходное положение после снятия усилия (миллиметровый штрих к биссектору подводят с одной и той же стороны) .
Разность между отсчетом при свободном положении наконечника и максимальным отсчетом, полученным при нажиме на наконечник, должна быть не более 0,0005 мм.
-
3.7. Плоскостность измерительной поверхности ребристого стола и столов типов СТ-5 и СТ-6 проверяют интерференционным методом при помощи нижней плоской стеклянной пластины.
Нижнюю пластину накладывают на стол и определяют отклонение от плоскостности по числу кольцевых интерференционных полос, которых должно быть не более трех у ребристого стола и стола типа СТ-6 и одной у стола типа СТ-5. При нажатии на пластину полосы у столов всех типов должны расходиться (т. е. допускается только выпуклость).
-
3.8. Отклонение от параллельности плоскости измерительного наконечника диаметром 8 мм относительно плоскости стола типа СТ-5 определяют в последовательности, изложенной ниже.
На стол типа СТ-6 устанавливают стол типа СТ-5.
Помещая последовательно концевую меру в положения 1, 2, 3 и 4, как указано на чертеже, отмечают наибольшее и наименьшее оказания длиномера.
3
4

Регулировочными винтами добиваются такого положения стола, при котором наибольшая разность между показаниями прибора при указанных выше положениях меры не превысит 0,0005 мм.
Отклонение от параллельности плоскости измерительного наконечника диаметром 8 мм относительно плоскости регулируемого стола определяют концевой мерой.
Стол прибора устанавливают параллельно плоской измерительной поверхности наконечника при помощи регулировочных винтов в соответствии с технической документацией по пользованию длиномером, утвержденной в установленном порядке.
Регулировочные винты стола должны обеспечивать установку, его измерительной поверхности параллельно плоской измерительной поверхности наконечника 0,0005 мм.
-
3.9. Параллельность измерительной поверхности стола типа СТ-6 относительно его опорной поверхности проверяют рычажным микрометром.
Толщину стола измеряют в четырех точках, расположенных примерно через 90° по окружности наибольшего диаметра. Разность толщины стола в измеренных точках должна быть не более 0,005 мм.
-
3.10. Шероховатость измерительных поверхностей столов (кроме стола типа СТ-8) проверяют на микроинтерферометре или профилометром по методике, приведенной в технической документации, утвержденной в установленном порядке.
Шероховатость измерительных поверхностей столов должна быть не грубее 12-го класса шероховатости ГОСТ 2789—73.
-
3.11. Параллельность штрихов шкалы десятых долей миллиметра штрихам миллиметровой шкалы у приборов типа ДВЭ проверяют последовательным совмещением концов одного из биссекторов со штрихом миллиметровой шкалы. Производят трехкратную наводку на каждый конец биссектора, отсчитывают показания по микрометровой шкале и определяют средние арифметические значения. Разность средних арифметических не должна превышать 0,0005 мм.
Ориентацию рабочего промежутка шкалы десятых долей по ходу измерительного стержня у приборов типа ДВО проверяют при перемещении измерительного стержня. Наблюдают за смещением какой-либо точки миллиметровой шкалы относительно рабочего промежутка шкалы десятых долей миллиметра. Смещение должно быть не более !Д ширины рабочего промежутка.
-
3.12. Параллельность оси (базовой линии) миллиметровой шкалы направлению перемещения измерительного стержня проверяют по поперечному смещению изображений ее штрихов.
У длиномеров типа ДВЭ к выбранной на экране точке (вертикальной линии цифры шкалы десятых долей миллиметра) последовательно подводят изображения нулевого и сотого штрихов миллиметровой шкалы. Смещение определяют по полоске миллиметровой бумаги, наложенной на экран.
Поперечное смещение концов штрихов не должно превышать 1 мм в плоскости экрана.
-
3.13. Параллакс изображения штрихов миллиметровой шкалы относительно спиральной сетки проверяют у приборов типа ДВО диоптрийной трубкой, помещаемой между глазом наблюдателя и окуляром микроскопа. Диоптрийную шкалу окуляра длиномера устанавливают в нулевое положение, а диоптрийную трубку последовательно наводят на резкость изображения штриха миллиметровой шкалы и спиральной сетки и отсчитывают показания по шкале диоптрийной трубки. Разность показаний дает значение параллакса в диоптриях. Параллакс должен проверяться последовательно по нулевому и сотому штрихам миллиметровой шкалы и должен быть не более 0,5 дптр.
У длиномеров, находящихся в эксплуатации, значение параллакса допускается определять по показаниям диоптрийной шкалы окуляра длиномера, последовательно устанавливаемого на резкость изображения нулевого (сотого) штриха миллиметровой шкалы и спиральной сетки.
-
3.14. Эксцентриситет спирали окулярного микрометра у приборов типа ДВО проверяют по вспомогательной окружности, находящейся в нижней части поля зрения окуляра. Один из штрихов миллиметровой шкалы подводят до касания со вспомогательной окружностью и поворачивают спиральную сетку маховичком на один оборот, при этом не должно наблюдаться смещения вспомогательной дуги относительно штриха миллиметровой шкалы.
-
3.15. Совпадение наблюдаемых в поле зрения десяти делений шкалы десятых долей миллиметра и деления миллиметровой шкалы проверяют при помощи микрометровой шкалы прибора по двум делениям, расположенным в начале и конце миллиметровой шкалы и образованных отметками шкалы с одинаковыми поправками по аттестату шкалы.
Последовательно совмещают нулевой и десятый биссекторы (у приборов типа ДВЭ) или витки спирали (у приборов типа .ДВО) с отметками выбранного деления миллиметровой шкалы. Разность отсчетов по микрометровой шкале длиномера определяет несовпадение размеров, которое измеряют не менее трех раз для одного деления. Среднеарифметическое из результатов проверки по двум миллиметровым делениям должно быть не более 0,0005 мм.
-
3.16. Соответствие диапазона показаний микрометровой шкалы одному делению шкалы десятых долей миллиметра проверяют в последовательности, изложенной ниже.
При неподвижном измерительном стержне прибора последовательно совмещают нулевой и первый биссекторы с одним и тем же штрихом миллиметровой шкалы. Разность отсчетов определяет 'Совпадение. Таких разностей необходимо получить не менее пяти и определить по ним среднеарифметическое значение, которое должно быть не более 0,0005 мм.
Так же поверяют еще три деления шкалы десятых долей миллиметра, расположенных равномерно по длине шкалы.
-
3.17. Перпендикулярность поверхности ребристого стола к направлению движения измерительного стержня, а также прямолинейность перемещения измерительного стержня проверяют угольником, устанавливаемым на ребристом столе, индикатором (или рычажно-зубчатой головкой), прикрепляемой к измерительному «стержню держателем (справочное приложение, п. 2). Перпендикулярность проверяют при двух крайних положениях кронштейна по высоте: нижнем и верхнем, при этом кронштейн должен быть закреплен.
Перемещая измерительный стержень длиномера, отмечают показания индикатора (рычажно-зубчатой головки) через каждые 20 мм. Строят график и проводят прилегающую прямую по ГОСТ 10356—63. Наибольшее расстояние от точек профиля до прилегающей прямой определит отклонение от прямолинейности перемещения измерительного стержня, которое должно быть не более 0,015 мм на длине 100 мм. Прямолинейность проверяют только при одном положении кронштейна.
Разность отсчетов, полученная при двух крайних положениях измерительного стержня, определяет отклонение от перпендикулярности направления движения измерительного стержня и должна быть не более 0,030 мм на длине 100 мм.
Отклонение от перпендикулярности и прямолинейности определяют в двух взаимно перпендикулярных направлениях.
-
3.18. Параллельность оси измерительного штифта направлению перемещения измерительного стержня проверяют измерительным устройством микатором, индикатором или рычажно-зубчатой головкой, укрепленным в держателе на ребристом столе (справочное приложение, п. 3) в двух взаимно перпендикулярных направлениях.
Разность показаний микатора (индикатора, рычажно-зубчатой головки) при перемещении измерительного стержня длиномера на длину штифта (шайбы при этом должны быть сняты) определяет отклонение от параллельности оси измерительного штифта направлению перемещения измерительного стержня, которое не должно превышать 0,006 мм на длине 10 мм.
-
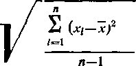
3.19. Среднее квадратическое отклонение результата наблюдений сг длиномера определяют на отметках миллиметровой шкалы 0 и 100 мм.
По концевой мере размером 10 мм устанавливают приблизительно нулевое показание. Затем не менее 10 раз поднимают и опускают стержень со сферическим наконечником прибора и отсчитывают показания прибора, совмещая каждый раз штрих с биссектором при прямой и обратной наводках. Среднее квадратическое отклонение а вычисляют по формуле
где п — количество показаний прибора;
Х{ — показание прибора;
х — среднее арифметическое значение для п показаний.
. Так же определяют среднее квадратическое отклонение результата наблюдений на отметке 100 мм по концевой мере 100 мм.
Среднее квадратическое отклонение должно быть не более 0,00010 мм у приборов, выпускаемых из производства, и 0,00020 мм у приборов, находящихся в эксплуатации и выпускаемых из ремонта.
-
3.20. Основную погрешность длиномеров определяют на отметках шкалы 10, 30, 50, 70 и 100 мм образцовыми концевыми мерами 10, 30, 50, 70, 100, 150 и 250 мм в последовательности, изложенной ниже.
Опускают измерительный стержень до контакта сферического наконечника с плоскостью ребристого стола и устанавливают по шкалам приблизительно нулевые отсчеты.
Помещают на стол концевую меру длины размером 100 мм так, чтобы ее середина находилась под измерительным наконечником. Отсчитывают показание А по шкалам прибора, если разность температур прибора и концевой меры, измеренная термометрами, укрепленными на корпусе вблизи миллиметровой шкалы и мере, не превышает 0,2°С.
Сняв меру, определяют нулевое показание Ао длиномера при соприкосновении измерительного наконечника с измерительным столом. Таким же образом поверяют другие интервалы миллиметровой шкалы с применением соответствующих мер. Для определения погрешности прибора при измерении длины 250 мм нулевую установку производят по концевой мере 150 мм.
Погрешность прибора 6 на поверяемом интервале определяют по формулам:
при поверке интервалов до 100 мм
ь = А Ао /.д
при измерении длины свыше 100 мм
0 == Ло—(£д ^-д о)>
где ЬЯо — действительное значение длины концевой меры размером 150 мм (по свидетельству о поверке);
Тд — действительное значение длины применяемой концевой меры (по свидетельству о поверке).
Погрешность длиномеров должна быть не более значений, указанных в ГОСТ 14028—68 и ГОСТ 5.1773—72.
4. ОФОРМЛЕНИЕ РЕЗУЛЬТАТОВ ПОВЕРКИ
-
4.1. Длиномеры, прошедшие поверку с положительными результатами, признаются годными к выпуску в обращение и применению и на них выдается свидетельство о государственной или ведомственной поверке по форме, установленной органами государственной метрологической службы.
-
4.2. Результаты поверки длиномеров при выпуске из производства заносят в паспорт.
-
4.3. Длиномеры, прошедшие поверку с отрицательными результатами, к выпуску в обращение и применению не допускаются, на них выдается извещение о непригодности или делается соответствующая запись в паспорте.
Стр. 12
ПРИЛОЖЕНИЕ к ГОСТ 8.114—74
Справочное
ПОВЕРОЧНЫЕ УСТРОЙСТВА И ПРИСПОСОБЛЕНИЯ
-
1. Динамометр для определения измерительного усилия должен соответствовать следующим требованиям:
диапазон измерения — от 0,7 до 2,5 Н (70—250 гс);
цена деления — не более 0,1 Н (10 гс);
пределы допустимой погрешности — не более ±0,05 Н (5 гс);
расстояние между измерительным наконечником и измерительной поверхностью стола — не более 125 мм;
линия измерения должна быть расположена вертикально.
-
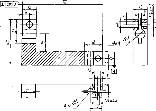
2. Держатель для крепления индикатора (измерительной головки) к измерительному стержню длиномера

Примечание. В отверстие М4 держателя должны быть ввинчены 2 винта М4Х12 по ГОСТ 1491—72.
-
3. Держатель для крепления индикатора (измерительной головки) к ребристому измерительному столу длиномера


Размеры для справок.
1—основание; 2—стойка; 3—винт; 4—винт М4Х12.
Группа Т88.5-
Изменение № 1 ГОСТ 8.114—74 Государственная система обеспечения единства измерений. Длиномеры вертикальные оптические. Методы и средства поверки Постановлением Государственного комитета СССР по стандартам от 18.09.81 № 4266 срок введения установлен
c oi.01.8:
Пункт I.L. Таблица. I рафа «Наименование операции». Для пункта. 3./ заменить слова: «Проверка плоскостноеiи» на «Определение отклонения от плоскостности»;
для пунктов 3.9, 3.1Ф, 3.12, 3.18 заменить слова: «Проверка параллельности» на «Определение отклонения от параллельности»;
для пункта 3.15 наименование операции изложить в новой редакции:
«Определение отклонения десяти делений шкалы десятых долей миллиметра относительно деления миллиметровой шкалы»;
для пункта 3.17 наименование операции изложить в новой редакции:
«Определение отклонения от перпендикулярности поверхности ребристого стола к направлению движения измерительного стержня и, отклонения от прямолинейности перемещения измерительного стержня (проводится только, при выпуске из производства и ремонта); к
графа «Средство поверки и его нормативно-технические характеристики». Заменить ссылки: ГОСТ 5072—72 на ГОСТ 6072—79, ГОСТ 2923—56 на ГОСТ 2923—75, ГОСТ 9847—64 па ГОСТ 9847—79, ГОСТ ---- - ----
9696—75, ГОСТ 3749—65 на ГОСТ 3749—77, ГОСТ 14712—79, ГОСТ 6616—61 на ГОСТ 661'6—74;
для пункта 3.20 заменить слова: «1-го класса по разряда по ГОСТ 8.166—75».
Пункт 2.3. Заменить ссылки: ГОСТ 12233—66 на 7259-68 на ГОСТ 7259—77.
Пункт 3.7. Первый абзац изложить в новой редакции: 7ы*у '
Пункт 3.9. Первый абзац изложить в новой редакции:
«Отклонение от параллельности измерительной поверхности /'типа
СТ-6 относительно его опорной поверхности определяют рычажный микрометром».
Пункт 3.10. Второй абзац изложить в новой редакции: ’
Пункт 3.1'1. Первый абзац изложить в новой редакции: -р урщ.« ■
«Отклонение от параллельности штрихов шкалы десятых долей "Д'мйлли-метра штрихам миллиметровой шкалы у приборов типа ДВЭ определяют'"Последовательным совмещением концов одного из биссекторов со штрихом, )мил»-лиметровой шкалы». '■
Пункт 3.12. Первый абзац изложить в новой редакции: '
«Отклонение ог параллельности оси (базовой линии) миллиметровой шка1 лы направлению перемещения измерительного стержня определяют по поперечному смещению изображений ее штрихов». ' ■ ‘
Пункт 3.15 изложить в новой редакции:
«3.15. Отклонение десяти делений шкалы десятых долей миллиметра относительно деления миллиметровой шкалы определяют при помощи микро-метровой шкалы прибора по десяти делениям миллиметровой шкалы, расположенным в начале и конце шкалы.
9696—61 на . ГОСТ
147'12-^9'.Жв*;' ГОСТ
ГОСТ
9038—73 на 4-га
ГОСТ

(Продолжение см. стр. 204)
(Продолжение изменения к ГОСТ 8.114—74)
Перемещают микрометровую шкалу до получения показания «2 мкм» и совмещают нулевой штрих миллиметровой шкалы с десятым биссектором (у приборов типа ДВЭ) или витком спирали (у приборов типа ДВО).
Для определения отклонения десяти делений шкалы десятых долей миллиметра относительно деления 0—1 миллиметровой шкалы маховичком микрометра совмещают нулевой биссектор с первым штрихом миллиметровой шкалы и снимают показание Ло по микрометровой шкале.
Отклонение вычисляют по формуле б|=Аю—
где A io —показание по микрометровой шкале (2 мкм) при совмещении штриха миллиметровой шкалы с ]О-м биссектором.
Затем повторно перемещают микрометровую шкалу до получения показания 2 мим, перемещением измерительного стержня совмещают первый штрих миллиметровой шкалы с десятым биссектором, маховичком микрометра совмещают нулевой биссектор со вторым штрихом миллиметровой шкалы, снимают показание До по микрометровой шкале и вычисляют отклонение по формуле б2 — Л10—Ло.
Аналогично определяют отклонения Б3, о4,..., о,0 на делениях 2—3,
3—4.....9—10 миллиметровой шкалы.
Отклонение десяти делений шкалы десятых долей миллиметра относительно деления миллиметровой шкалы 8 вычисляют по формуле
„ 8г-|-Б3-|-...-(-Б1О
8= .
Аналогично определяют отклонения 8е1, 692..... 8 1(ю на делениях 90—91,
91—92 99—100 миллиметровой шкалы и вычисляют отклонение 8 по формуле
,, 891-|~8в2-|-...-]-81ОО
5= _ .
Отклонения десяти делений шкалы десятых долей миллиметра относительно деления миллиметровой шкалы 8 не должны превышать значения, указанного в ГОСТ 14028—68».
Пункт 3.17. Первый абзац до слов «при двух крайних положениях» изложить в новой редакции:
«Отклонение от перпендикулярности поверхности ребристого стола к направлению движения измерительного стержня, а также отклонение от прямолинейности перемещения измерительного стержня определяют по угольнику, (установленному на ребристом столе, и индикатору (или рычажно-зубчатой головке), прикрепленному к измерительному стержню держателем (справочное приложение, п. 2). Отклонение от перпендикулярности определяют»;
второй абзац. Заменить слова: «Прямолинейность проверяют только при одном положении кронштейна» на ^Отклонение от прямолинейности определяют только при одном положении кронштейна».
Пл шкт 3.18. Первый абзац изложить в новой редакции:
«Отклонение от параллельности оси измерительного штифта направлению перемещения измерительного стержня определяют микатором или рычажнозубчатой головкой или индикатором, укрепленном в держателе на ребристом столе (справочное приложение, п. 3) в двух взаимно перпендикулярных направлениях».
Пункт 3.20 Последний абзац. Исключить ссылку на ГОСТ 5.1773—72.
(ИУС № 12 1981 г.)
Редактор Л. А. Бурмистрова
Технический редактор С. Ю. Миронова Корректор Е. И. Евтеева
Сдано в наб. 22.01.74
Подп. в печ. 25.04.74
1,0 п. л.
Тир. 10000
Издательство стандартов. Москва, Д-22, Новопресненский пер., 3
Тип. «Московский печатник». Москва, Лялин пер., 6. Зак. 536
