Номер по Госреестру СИ: 93536-24
93536-24 Счетчики газа турбинные
(РЕД-Т)
Назначение средства измерений:
Счетчики газа турбинные РЕД-Т (далее - счетчик) предназначены для коммерческого либо технологического измерения (учета) объемов плавно меняющегося потока очищенного неагрессивного, неоднородного по химическому составу газа, в том числе природного газа по ГОСТ 5542-2014 или по ГОСТ 5542-2022, а также воздуха, азота и других неагрессивных газов при использовании их в промышленных установках, магистральных трубопроводах, а также в системах энергоснабжения для коммерческого учета.

Внешний вид.
Счетчики газа турбинные
Рисунок № 1

Внешний вид.
Счетчики газа турбинные
Рисунок № 2

Внешний вид.
Счетчики газа турбинные
Рисунок № 3
Знак утверждения типа
Знак утверждения типананосится на маркировочную табличку методом термопечати, лазерной гравировки или нанесением краски и на титульный лист паспорта типографским способом или методом печати.
Сведения о методиках измерений
Сведения о методиках (методах) измерений приведены в разделе 2 руководства по эксплуатации.Нормативные и технические документы
Нормативные документы, устанавливающие требования к средству измеренийГОСТ Р 8.993-2020 Государственная система обеспечения единства измерений. Общие требования к средствам измерений расхода и объема газа;
ГОСТ Р 52931-2008 Приборы контроля и регулирования технологических процессов. Общие технические условия;
Постановление Правительства Российской Федерации от 16 ноября 2020 г. № 1847 «Об утверждении перечня измерений, относящихся к сфере государственного регулирования обеспечения единства измерений» (п 6.7.1);
Приказ Росстандарта от 11 мая 2022 г. № 1133 «Об утверждении государственной поверочной схемы для средств измерений объемного и массового расходов газа»;
ТУ 26.51.63.110-006-28494535-2024 «Счетчики газа турбинные РЕД-Т. Технические условия».
ПравообладательОбщество с ограниченной ответственностью «ПЛЕКСОР» (ООО «ПЛЕКСОР»)
ИНН 9709031809
Адрес юридического лица: 109029, г. Москва, пр-д Сибирский, д. 2, стр. 8, ком. 21
Испытательный центр
Общество с ограниченной ответственностью Центр Метрологии «СТП» (ООО ЦМ «СТП»)Адрес: 420107, Республика Татарстан, г. Казань, ул. Петербургская, д. 50, к. 5, оф. 7 Телефон: (843) 214-20-98, факс: (843) 227-40-10
E-mail: office@ooostp.ru
Web-сайт: http://www.ooostp.ru
Принцип действия счетчика основан на использовании энергии потока газа для вращения чувствительного элемента счетчика - измерительного турбинного колеса. При этом при взаимодействии потока газа с измерительным турбинным колесом последнее вращается со скоростью, пропорциональной скорости (объемному расходу) измеряемого газа. Вращательное движение измерительного турбинного колеса через механический редуктор и магнитную муфту передается на счетный механизм, показывающий объемное количество газа, прошедшее через счетчик за время измерения.
Конструкция счетчика представляет собой прочный корпус с установленным на нем счетным механизмом. В проточной части корпуса установлено измерительное устройство, выполненное в виде конструктивно
в себя
законченного узла, включающего колесо, редуктор, магнитную муфту и
струевыпрямитель, измерительное турбинное шарикоподшипниковые опоры вращения.
цифровых роликов. К счетному механизму импульсов. Электрические цепи датчиков
Счетный механизм состоит из восьми счетчика подключен низкочастотный датчик импульсов состоят из последовательно соединенных резисторов и герконов. Рабочий геркон формирует счетные импульсы, количество которых пропорционально объему газа, прошедшему через счетчик. При появлении сильного внешнего магнитного поля контакты контрольного геркона размыкаются. Для удобства считывания показаний корпус счетной головы имеет возможность поворачиваться вокруг вертикальной оси на 355°.
На корпусе счетчика имеются, в зависимости от типоразмера и исполнения счетчика, одно или два места для отбора давления и одно место установки гильзы датчика температуры. При отсутствии гильз датчиков температуры отверстия закрыты резьбовыми заглушками.
В зависимости от максимального рабочего давления счетчики имеют исполнения: 1,6 и 10.
В зависимости от измеряемого диапазона расхода газа счетчики имеют типоразмеры: G65; G100; G160; G250; G400, G650, G1000, G1600; G2500; G4000.
В зависимости от направления потока газа счетчики выпускаются в конструктивных исполнениях «Л» (слева направо) и «П» (справа налево).
В зависимости от метрологических характеристик счетчики выпускаются в исполнениях «1», «2», или «2У».
Дополнительно по заказу счетчик может комплектоваться масляным насосом, а также среднечастотным и высокочастотным датчиками импульсов.
Структура условного обозначения счетчика:
PEA-T.G{1]-[2]-[3]-[4]-[5]-[6], где:
-
[1] - типоразмер: 65; 100; 160; 250; 400, 650, 1000, 1600; 2500; 4000;
-
[2] - диаметр условного прохода: 50, 80, 100, 150, 200, 250, 300;
-
[3] - конструктивное исполнение: «Л», «П»;
-
[4] - исполнение в зависимости от метрологических характеристик: «1», «2», «2У»;
-
[5] - исполнение в зависимости от предельного рабочего давления: 1,6, 10;
-
[6] - диапазон расходов счетчика.
Пример условного обозначения счетчика типоразмера 1000, с номинальным диаметром DN 100, конструктивного исполнения «Л», с максимальным рабочим давлением 1,6 МПа, исполнения в зависимости от метрологических характеристик «2У», с диапазоном расхода 1:50: РЕД-Т G1000-100-Л-2У-1,6-(1:50).
Общий вид счетчиков представлен на рисунке 1.
Пломбировку от несанкционированного доступа осуществляют с помощью проволоки и свинцовой (пластмассовой) пломбы. Знак поверки наносят на пломбу винта крепления счетного механизма.
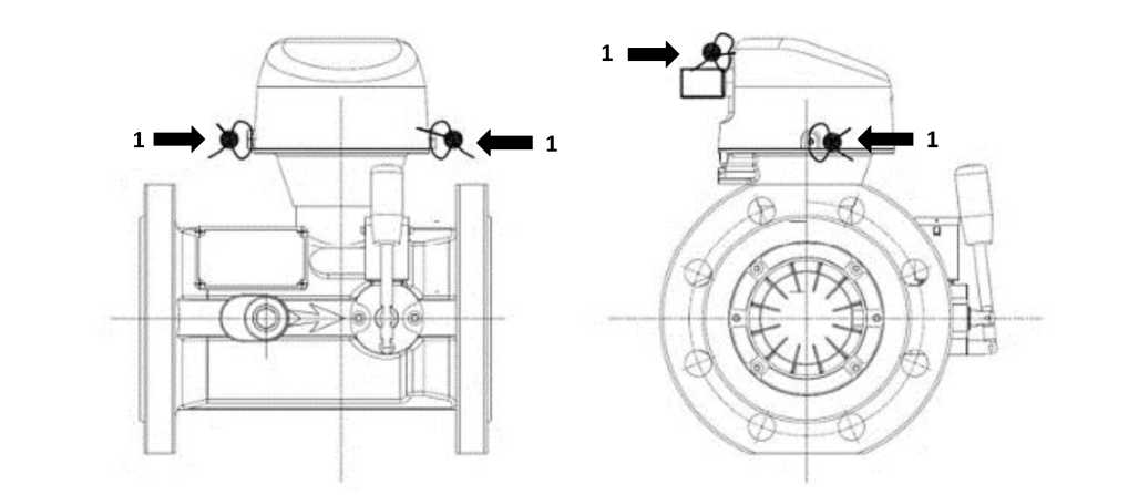
Заводской номер в виде цифрового кода наносится на циферблат отсчетного механизма одним из следующих методов: методом термопечати, лазерной маркировки или нанесением краски. Места нанесения заводского номера и знака утверждения типа представлены на рисунке 2. Схема пломбировки от несанкционированного доступа и место нанесения знака поверки представлены на рисунке 3.


Рисунок 3 - Схема пломбировки от несанкционированного доступа и место нанесения знака поверки (1 - места нанесения знака поверки и установки пломбы завода-изготовителя)
Таблица 5 - Комплектность
|
Наименование |
Обозначение |
Количество |
|
Счетчик газа турбинный РЕД-Т |
РЕД-Т |
1 |
|
Ответный разъем НЧ датчика импульсов с кабелем |
- |
1 |
|
Руководство по эксплуатации1) |
РЭ 26.51.63.110-006-28494535-2024 |
1 |
|
Паспорт1) |
ПС 26.51.63.110-006-28494535-2024 |
1 |
|
Прокладка для фланца |
- |
2 |
|
Штуцеры для отбора давления |
- |
1 |
|
Флакон с маслом |
- |
1 |
|
Гильза для установки датчика температуры2) |
- |
1 |
| ||
Таблица 1 - М
|
Типоразмер |
Номинальный диаметр DN |
Qmax, м3/ч |
Диапазон рабочих расходов Qmin/Qmax |
Перепад давления при Qmax, Па | ||
|
1:50 |
1:30 |
1:20 | ||||
|
Qmin, М3/ч | ||||||
|
G65 |
50 |
100 |
- |
- |
5 |
1500 |
|
G100 |
80 |
160 |
- |
- |
8 |
1200 |
|
G160 |
80 |
250 |
- |
- |
12,5 |
1600 |
|
G250 |
80 |
400 |
- |
13 |
20 |
2300 |
|
G160 |
100 |
250 |
- |
- |
12,5 |
800 |
|
G250 |
100 |
400 |
- |
- |
20 |
1600 |
|
G400 |
100 |
650 |
- |
21,5 |
32,5 |
2100 |
|
G400 |
150 |
650 |
- |
- |
32,5 |
150 |
|
G650 |
150 |
1000 |
- |
32,5 |
50 |
900 |
|
G1000 |
150 |
1600 |
32 |
53 |
80 |
2200 |
|
G650 |
200 |
1000 |
- |
- |
50 |
360 |
|
G1000 |
200 |
1600 |
- |
53 |
80 |
900 |
|
G1600 |
200 |
2500 |
50 |
83 |
125 |
2100 |
|
G1000 |
250 |
1600 |
- |
- |
80 |
300 |
|
G1600 |
250 |
2500 |
- |
83 |
125 |
600 |
|
G2500 |
250 |
4000 |
80 |
133 |
200 |
1600 |
|
G1600 |
300 |
2500 |
- |
- |
125 |
500 |
|
G2500 |
300 |
4000 |
- |
133 |
200 |
1200 |
|
G4000 |
300 |
6500 |
130 |
216,5 |
325 |
2300 |
Примечания
-
1 Исполнение «2» возможно только для счетчиков с диапазоном расхода 1:30 и 1:20.
-
2 Счетчики типоразмера G65 могут выпускаться только в исполнении «1».
-
3 Приняты следующие обозначения:
Qmax - максимальный объемный расход;
Qmin - минимальный объемный расход.
Таблица 2 - Пределы допускаемой относительной погрешности при измерении объема
|
Исполнение |
Диапазон объемного расхода, м3/ч |
Пределы допускаемой относительной погрешности при измерении объема, % | |
|
«1» |
от Qmin до 0,1’Qmax |
±2,0 | |
|
от 0,1 -Qmax до Qmax ВклЮЧ. |
±1,0 | ||
|
«2» |
от Qmin до 0,2-Qmax |
±2,0 | |
|
от 0,2-Qmax до Qmax ВклЮЧ. |
±1,0 | ||
|
«2У» |
от Qmin до Qmax ВклЮЧ. |
±0,9 | |
|
Примечание - |
Пределы относительной погрешности при измерении объема нормированы | ||
|
во всем диапазоне рабочих условий счетчика. | |||
Таблица 3 - Основные технические характеристики
|
Наименование характеристики |
Значение | |||||||||
|
Типоразмер |
G65 |
G100 |
G160 |
G250 |
G400 |
G650 |
G1000 |
G1600 |
G2500 |
G4000 |
|
Номинальный диаметр DN |
50 |
80 |
80/ 100 |
80/ 100 |
100/ 150 |
150/ 200 |
150/ 200/ 250 |
200/ 250/ 300 |
250/ 300 |
300 |
|
Емкость сЧетного 3 механизма, м3 |
108 | |||||||||
|
Цена деления ролика 3 младшего разряда, м3 |
0,002 |
0,02 |
0,02 |
0,02 |
0,02 |
0,02 |
0,02/ 0,02/ 0,2 |
0,02/ 0,2/ 0,2 |
0,2 |
0,2 |
|
КраткоВременные перегрузки по расходу (не более 20 минут в сутки), м3/ч |
1,2-Qmax | |||||||||
|
РабоЧее даВление измеряемой среды PN, МПа, не более |
1,6 или 10 | |||||||||
|
Диапазон температуры измеряемой среды, °С |
от -30 до +60 | |||||||||
|
Диапазон температуры окружающей среды, °С |
от -40 до +70 | |||||||||
|
Относительная влажность воздуха, % |
до 95 % | |||||||||
|
УстойЧивость к воздействиЮ синусоидальной вибрации |
Группа N2 по ГОСТ Р 52931-2008 | |||||||||
|
Степень защиты от внешних воздействий по ГОСТ 14254-2015 |
IP65 | |||||||||
|
Маркировка взрывозащиты |
1 Ex h ia IIC T4 Gb X | |||||||||
|
Габаритные размеры, мм, не более: | ||||||||||
|
Наименование характеристики |
Значение | |||||||||
|
Типоразмер |
G65 |
G100 |
G160 |
G250 |
G400 |
G650 |
G1000 |
G1600 |
G2500 |
G4000 |
|
Номинальный диаметр |
50 |
80 |
80/ |
80/ |
100/ |
150/ |
150/ |
200/ |
250/ |
300 |
|
DN |
100 |
100 |
150 |
200 |
200/ |
250/ |
300 | |||
|
250 |
300 | |||||||||
|
- ширина PN1,6, |
226 |
262 |
262/ |
262/ |
280/ |
286/ |
286/ |
396/ |
460/ |
484 |
|
PN10 |
280 |
280 |
286 |
396 |
396/ |
460/ |
484 | |||
|
460 |
484 | |||||||||
|
- высота PN1,6 |
251 |
283 |
283/ |
283/ |
303/ |
367/ |
367/ |
425/ |
497/ |
539 |
|
303 |
303 |
367 |
425 |
425/ |
497/ |
539 | ||||
|
497 |
539 | |||||||||
|
- высота PN10 |
251 |
351 |
351/ |
351/ |
354/ |
444/ |
444/ |
450/ |
515/ |
538 |
|
354 |
354 |
444 |
450 |
450/ |
515/ |
538 | ||||
|
515 |
538 | |||||||||
|
- расстояние |
150 |
240 |
240/ |
240/ |
300/ |
450/ |
450/ |
600/ |
750/ |
900 |
|
между фланцами PN1,6, |
300 |
300 |
450 |
600 |
600/ |
750/ |
900 | |||
|
PN10 |
750 |
900 | ||||||||
|
- диаметр фланца |
165 |
200 |
200/ |
200/ |
220/ |
285/ |
285/ |
340/ |
405/ |
460 |
|
PN1,6 |
220 |
220 |
285 |
340 |
340/ |
405/ |
460 | |||
|
405 |
460 | |||||||||
|
- диаметр фланца |
195 |
230 |
230/ |
230/ |
265/ |
355/ |
355/ |
430/ |
505/ |
585 |
|
PN10 |
265 |
265 |
355 |
430 |
430/ |
505/ |
585 | |||
|
505 |
585 | |||||||||
|
Масса, кг, не более: | ||||||||||
|
- PN1,6 |
8 |
12 |
12/ |
12/ |
14/ |
43/ |
43/ |
63/ |
160/ |
225 |
|
14 |
14 |
43 |
63 |
63/ |
160/ |
225 | ||||
|
160 |
225 | |||||||||
|
- PN10 |
31 |
48 |
48/ |
48/ |
49/ |
125/ |
125/ |
146/ |
285/ |
368 |
|
49 |
49 |
125 |
146 |
146/ |
285/ |
368 | ||||
|
285 |
368 | |||||||||
Таблица 4 - Показатели надежности
|
Наименование характеристики |
Значение |
|
Средний срок службы, лет |
20 |
|
Средняя наработка на отказ, ч |
100000 |

