Номер по Госреестру СИ: 94466-25
94466-25 Угольники поверочные 90°
(Обозначение отсутствует)
Назначение средства измерений:
Угольники поверочные 90° (далее - угольники) предназначены для измерений плоских прямых углов контактным методом.

Внешний вид.
Угольники поверочные 90°
Рисунок № 1

Внешний вид.
Угольники поверочные 90°
Рисунок № 2

Внешний вид.
Угольники поверочные 90°
Рисунок № 3

Внешний вид.
Угольники поверочные 90°
Рисунок № 4

Внешний вид.
Угольники поверочные 90°
Рисунок № 5

Внешний вид.
Угольники поверочные 90°
Рисунок № 6

Внешний вид.
Угольники поверочные 90°
Рисунок № 7

Внешний вид.
Угольники поверочные 90°
Рисунок № 8
Знак утверждения типа
Знак утверждения типананосится на угольники методом лазерной гравировки или наклейки и на паспорт типографским способом.
Сведения о методиках измерений
Сведения о методиках (методах) измеренийприведены в разделе 5 «Подготовка к работе и правила эксплуатации» паспорта.
Нормативные и технические документы
Нормативные документы, устанавливающие требования к средству измеренийГОСТ 3749-77 «Угольники поверочные 90°. Технические условия».
ПравообладательИндивидуальный предприниматель Бородин Евгений Иванович (ИП Бородин Е.И.) ИНН 744712554748
Адрес по месту жительства физического лица: 454100, Челябинская обл., г. Челябинск, ул. 40-летия Победы,д. 9А, кв. 6
Изготовитель
Индивидуальный предприниматель Бородин Евгений Иванович (ИП Бородин Е.И.) ИНН 744712554748Адрес по месту жительства физического лица: 454100, Челябинская обл., г. Челябинск, ул. 40-летия Победы, д. 9А, кв. 6
Адрес места осуществления деятельности: 454100, Челябинская обл., г. Челябинск, ул. Рязанская, д. 20
Испытательный центр
Федеральное бюджетное учреждение «Государственный региональный центр стандартизации, метрологии и испытаний в Омской области» (ФБУ «Омский ЦСМ») Адрес: 644116, Омская обл., г. Омск, ул. Северная 24-я, д. 117АПринцип действия угольников основан на сравнении просвета между измерительными поверхностями угольника и контролируемым взаимно-перпендикулярным расположением плоскостей деталей или каких-либо поверхностей с «образцом просвета», составленного из концевых мер длины, притертых к плоской стеклянной пластине.
Угольники представляют собой стальные изделия с термической и механической обработкой.
Угольники выпускаются в следующих модификациях:
-
- УЛ - лекальные;
-
- УЛП - лекальные плоские;
-
- УЛЦ - лекальные цилиндрические;
-
- УП - слесарные плоские;
-
- УШ - слесарные с широким основанием.
Каждая модификация угольников имеет ряд исполнений, которые отличаются друг от друга размерами и классами точности.
Пример условного обозначения плоского лекального угольника класса точности 0, с H = 160 мм:
Угольник УЛП-0-160 ГОСТ 3749-77

Угломеры выпускаются под товарным знаком
Заводские номера в виде цифровых обозначений, обеспечивающие идентификацию каждого экземпляра средств измерений, наносятся на угольники методом лазерной гравировки или наклейки. Первые две цифры заводского номера обозначают год выпуска угольника.
Нанесение знака поверки на угольники не предусмотрено.
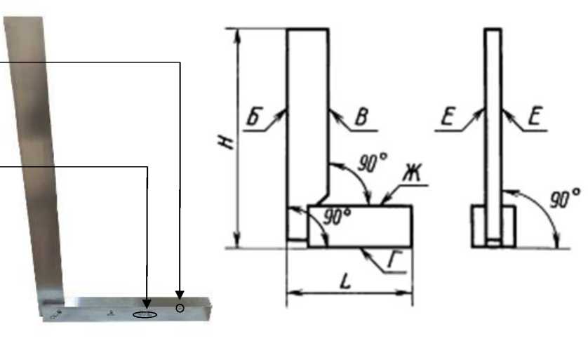
Общий вид угольников, обозначение основных размеров и поверхностей представлены на рисунках 1, 2, 3, 4 и 5.
Пломбирование угольников не предусмотрено.
Место нанесения знака
утверждения типа
Место нанесения
заводского номера


Б, В - измерительные поверхности; Г, Ж - опорные поверхности
Р и с ун о к 1 - Общий вид угольников УЛ, обозначение основных размеров и поверхностей
утверждения типа
Место нанесения
заводского номера
Место нанесения знака


Б, В - измерительные поверхности; Г, Ж - опорные поверхности; Е - боковые поверхности
Р и с ун о к 2 - Общий вид угольников УЛП, обозначение основных размеров и поверхностей

Р и с ун о к 3 - Общий вид угольников УЛЦ, обозначение основных размеров и поверхностей
Б, В - измерительные поверхности; Г, Ж - опорные поверхности; Е - боковые поверхности
Рисунок
4 - Общий вид угольников УП, обозначение основных размеров и поверхностей
Место
нанесения знака утверждения типа
Место нанесения
заводского номера

Б, В - измерительные поверхности; Г, Ж - опорные поверхности; Е - боковые поверхности
Р и с ун о к 5 - Общий вид угольников УШ, обозначение основных размеров и поверхностей
Т а б л и ц а 1 - Классы точности
|
Модификация |
Н, мм |
Класс точности |
|
УЛ |
60; 100; 160 |
0; 1 |
|
УЛП |
60; 100; 160;250 |
0 |
|
УЛЦ |
160;250;400;630 |
0 |
|
УП |
60; 100; 160; 250; 400 |
1, 2 |
|
УШ |
60; 100; 160; 250; 400;630 |
0; 1; 2 |
|
1000 |
1; 2 | |
|
1600 |
2 |
Т а б л и ц а 2 - Основные размеры, классы точности и допуски перпендикулярности измерительных поверхностей Б и В к опорным поверхностям Г и Ж на длине H (для модификаций УЛ - на длине Н и L) угольников
|
Модификация |
Н, мм |
L, мм (D, мм) |
Допуск перпендикулярности измерительных поверхностей Б и В к опорным поверхностям Г и Ж, мкм | ||
|
класс точности | |||||
|
0 |
1 |
2 | |||
|
УЛ |
60 |
40 |
2,5 |
5,0 |
— |
|
100 |
60 |
3,0 |
6,0 |
— | |
|
160 |
100 |
3,5 |
7,0 |
— | |
|
УЛП |
60 |
40 |
2,5 |
— |
— |
|
100 |
60 |
3,0 |
— |
— | |
|
160 |
100 |
3,5 |
— |
— | |
|
250 |
160 |
4,5 |
— |
— | |
|
УЛЦ |
160 |
(80) |
3,5 |
— |
— |
|
250 |
(100) |
4,5 |
— |
— | |
|
400 |
(125) |
6,0 |
— |
— | |
|
630 |
(160) |
8,0 |
— |
— | |
|
УП |
60 |
40 |
— |
5,0 |
13,0 |
|
100 |
60 |
— |
6,0 |
15,0 | |
|
160 |
100 |
— |
7,0 |
18,0 | |
|
250 |
160 |
— |
9,0 |
22,0 | |
|
400 |
250 |
— |
12,0 |
30,0 | |
|
УШ |
60 |
40 |
2,5 |
5,0 |
13,0 |
|
100 |
60 |
3,0 |
6,0 |
15,0 | |
|
160 |
100 |
3,5 |
7,0 |
18,0 | |
|
250 |
160 |
4,5 |
9,0 |
22,0 | |
|
400 |
250 |
6,0 |
12,0 |
30,0 | |
|
630 |
400 |
8,0 |
16,0 |
40,0 | |
|
1000 |
630 |
— |
20,0 |
40,0 | |
|
1600 |
1000 |
— |
— |
90,0 | |
Примечание - У угольников УЛ и УЛП допуски перпендикулярности, установленные в настоящей таблице, выдержаны в пределах угла поворота угольника в плоскости опорной поверхности на ± 15° от среднего положения.
Т а б л и ц а 3 - Допуски плоскостности измерительных поверхностей Б и В на длине Н и допуски плоскостности и параллельности опорных поверхностей Г и Ж на длине Н угольников УП и УШ
|
Н, мм |
Допуск, мкм | ||||||||
|
плоскостности измерительных поверхностей Б и В |
плоскостности опорных поверхностей Г и Ж |
параллельности опорных поверхностей Г и Ж | |||||||
|
класс точности | |||||||||
|
0 |
1 |
2 |
0 |
1 |
2 |
0 |
1 |
2 | |
|
60 |
1,0 |
2,0 |
4,0 |
1,5 |
2,5 |
5,0 |
2,5 |
5,0 |
10,0 |
|
100 |
1,0 |
2,0 |
4,0 |
1,5 |
2,5 |
5,0 |
3,0 |
6,0 |
12,0 |
|
160 |
1,5 |
3,0 |
6,0 |
2,0 |
4,0 |
8,0 |
3,5 |
7,0 |
14,0 |
|
250 |
1,5 |
3,0 |
6,0 |
2,0 |
4,0 |
8,0 |
4,5 |
9,0 |
18,0 |
|
400 |
2,5 |
5,0 |
10,0 |
3,0 |
6,0 |
12,0 |
6,0 |
12,0 |
25,0 |
|
630 |
3,0 |
6,0 |
12,0 |
4,0 |
8,0 |
16,0 |
8,0 |
16,0 |
30,0 |
|
1000 |
— |
10,0 |
20,0 |
— |
12,0 |
24,0 |
— |
24,0 |
40,0 |
|
1600 |
— |
— |
30,0 |
— |
— |
36,0 |
— |
— |
60,0 |
Таблица 4 - Допуски прямолинейности измерительных поверхностей Б и В на длине Н и L и допуски плоскостности и параллельности опорных поверхностей Г и Ж на длине H угольников УЛ и УЛП
|
Н и L, мм |
Допуск, мкм | |||||
|
прямолинейности измерительных поверхностей Б и В |
плоскостности опорных поверхностей Г и Ж |
параллельности опорных поверхностей Г и Ж | ||||
|
класс точности | ||||||
|
0 |
1 |
0 |
1 |
0 |
1 | |
|
40 |
1,0 |
2,0 |
1,5 |
2,5 |
2,5 |
5,0 |
|
60 |
1,0 |
2,0 |
1,5 |
2,5 |
2,5 |
5,0 |
|
100 |
1,0 |
2,0 |
1,5 |
2,5 |
3,0 |
6,0 |
|
160 |
1,5 |
3,0 |
2,0 |
4,0 |
3,5 |
7,0 |
|
250 |
1,5 |
3,0 |
2,0 |
4,0 |
4,5 |
9,0 |
П р и м е ч а н и е - Допуски прямолинейности, установленные в настоящей таблице, выдержаны в пределах угла поворота угольника в плоскости опорной поверхности на ± 15° от среднего положения.
Таблица 5 - Допуски прямолинейности измерительной поверхности Б на длине Н и допуски плоскостности опорных поверхностей Г угольников УЛЦ
|
Н, мм |
Допуск, мкм | |
|
прямолинейности измерительной поверхности Б |
плоскостности опорных поверхностей Г | |
|
160 |
1,5 |
1,5 |
|
250 |
1,5 |
2,0 |
|
400 |
2,5 |
2,0 |
|
630 |
3,0 |
2,0 |
Т а б л и ц а 6 - Допуски перпендикулярности боковых поверхностей Е угольников УП и УШ к опорной поверхности Г на длине Н
|
Н, мм |
Допуски перпендикулярности боковых поверхностей Е к опорной поверхности Г, мкм | ||
|
класс точности | |||
|
0 |
1 |
2 | |
|
60 |
40 |
40 |
125 |
|
100 |
50 |
50 |
160 |
|
160 |
60 |
60 |
200 |
|
250 |
80 |
80 |
250 |
|
400 |
100 |
100 |
320 |
|
630 |
125 |
125 |
400 |
|
1000 |
— |
160 |
500 |
|
1600 |
— |
— |
630 |
|
Т а б л и ц а 7 - Материал угольников и твердость измерительных поверхностей | |||
|
Модификация |
Материал |
Твердость, не ниже |
Колебание твердости для одной поверхности, не более |
|
УЛ |
Сталь марок Х, 9Х по ГОСТ 5950-2000, марки ШХ15 по ГОСТ 801-78 или марки У8А по ГОСТ 1435-99 |
655 HV (58 HRC) |
55 HV (3 HRC) |
|
УЛП | |||
|
УЛЦ | |||
|
УП |
55 HRCэ (53,8 HRC) |
3 HRCэ (2 HRC) | |
|
УШ | |||
Т а б л и ц а 8
и
|
Модификация |
Н, мм |
Параметры шероховатости Ra на базовой длине 0,25 мм*, мкм, не более | |||||
|
измерительных Б и В |
опорных Г и Ж | ||||||
|
класс точности | |||||||
|
0 |
1 |
2 |
0 |
1 |
2 | ||
|
УЛ |
60 |
0,04 |
0,04 |
— |
0,08 |
0,08 |
— |
|
100 |
0,04 |
0,04 |
— |
0,08 |
0,08 |
— | |
|
160 |
0,04 |
0,04 |
— |
0,08 |
0,08 |
— | |
|
УЛП |
60 |
0,04 |
— |
— |
0,08 |
— |
— |
|
100 |
0,04 |
— |
— |
0,08 |
— |
— | |
|
160 |
0,04 |
— |
— |
0,08 |
— |
— | |
|
250 |
0,04 |
— |
— |
0,08 |
— |
— | |
|
УЛЦ |
160 |
0,08 |
— |
— |
0,16 |
— |
— |
|
250 |
0,08 |
— |
— |
0,16 |
— |
— | |
|
400 |
0,08 |
— |
— |
0,16 |
— |
— | |
|
630 |
0,08 |
— |
— |
0,16 |
— |
— | |
|
УП |
60 |
— |
0,08 |
0,16 |
— |
0,16 |
0,32 |
|
100 |
— |
0,08 |
0,16 |
— |
0,16 |
0,32 | |
|
160 |
— |
0,08 |
0,16 |
— |
0,16 |
0,32 | |
|
250 |
— |
0,08 |
0,16 |
— |
0,16 |
0,32 | |
|
400 |
— |
0,08 |
0,16 |
— |
0,16 |
0,32 | |
|
УШ |
60 |
0,08 |
0,08 |
0,16 |
0,32 |
0,32 |
0,63 |
|
100 |
0,08 |
0,08 |
0,16 |
0,32 |
0,32 |
0,63 | |
|
160 |
0,08 |
0,08 |
0,16 |
0,32 |
0,32 |
0,63 | |
|
250 |
0,08 |
0,08 |
0,16 |
0,32 |
0,32 |
0,63 | |
|
400 |
0,08 |
0,08 |
0,16 |
0,32 |
0,32 |
0,63 | |
|
630 |
— |
0,16 |
0,32 |
— |
0,63 |
0,63 | |
|
1000 |
— |
0,16 |
0,32 |
— |
0,63 |
0,63 | |
|
1600 |
— |
0,16 |
0,32 |
— |
0,63 |
0,63 | |
* На опорных поверхностях угольников УШ 1-го класса точности размером свыше 400 мм и угольников УШ 2-го класса точности базовая длина установлена 0,8 мм.
Таблица 9 - Допускаемые статические нагрузки на соединение линейки угольников
УШ
|
Н, мм |
Нагрузка, кгс (Н), не более |
|
60 |
20 (196) |
|
100 |
20 (196) |
|
160 |
20 (196) |
|
250 |
30 (294) |
|
400 |
30 (294) |
|
630 |
30 (294) |
|
1000 |
40 (392) |
|
1600 |
40 (392) |
Таблица 10-
и масса
|
Модификация |
Н, мм |
Габаритные размеры, мм, не более |
Масса, кг, не более | ||
|
высота |
длина |
ширина | |||
|
УЛ |
60 |
60 |
40 |
8 |
0,15 |
|
100 |
100 |
60 |
10 |
0,45 | |
|
160 |
160 |
100 |
10 |
1,00 | |
|
УЛП |
60 |
60 |
40 |
6 |
0,1 |
|
100 |
100 |
60 |
6 |
0,2 | |
|
160 |
160 |
100 |
6 |
0,4 | |
|
250 |
250 |
160 |
10 |
1,0 | |
|
УЛЦ |
160 |
160 |
80 |
80 |
6,50 |
|
250 |
250 |
100 |
100 |
10,00 | |
|
400 |
400 |
125 |
125 |
18,00 | |
|
630 |
630 |
160 |
160 |
40,00 | |
|
УП |
60 |
60 |
40 |
6 |
0,10 |
|
100 |
100 |
60 |
8 |
0,20 | |
|
160 |
160 |
100 |
8 |
0,40 | |
|
250 |
250 |
160 |
10 |
1,00 | |
|
400 |
400 |
250 |
10 |
1,60 | |
|
УШ |
60 |
60 |
40 |
20 |
0,36 |
|
100 |
100 |
60 |
22 |
0,40 | |
|
160 |
160 |
100 |
28 |
1,00 | |
|
250 |
250 |
160 |
36 |
1,50 | |
|
400 |
400 |
250 |
38 |
3,50 | |
|
630 |
630 |
400 |
42 |
7,00 | |
|
1000 |
1000 |
630 |
50 |
14,00 | |
|
1600 |
1600 |
1000 |
60 |
33,00 | |
Таблица 11 - Общие технические характеристики
|
Наименование характеристики |
Значение |
|
Параметр шероховатости Ra боковых поверхностей корпуса и скосов угольников УЛ на базовой длине 0,8 мм, мкм, не более |
0,63 |
|
Параметр шероховатости Ra боковых и торцовых поверхностей, скосов и фасок угольников УЛП и УП, на базовой длине 0,8 мм, мкм, не более |
0,63 |
|
Параметр шероховатости Ra боковых и торцовых поверхностей, скосов и фасок угольников УШ, на базовой длине 0,8 мм, мкм, не более |
1,25 |
|
Радиус закругления измерительных поверхностей угольников УЛ и УЛП, мм |
(0,2 ± 0,1) |
|
Условия эксплуатации:
|
от +16,5 до +23,5 0,5 |
Таблица 12 - Показатели надежности
|
Наименование характеристики |
Значение |
|
Полный средний срок службы, лет |
5 |

