Методика поверки «ГСИ. Система измерений выбросов автоматизированная АСИВ Няганской ГРЭС дымовой трубы №2» (МП-242-2262-2018)
Федеральное государственное унитарное предприятие
«Всероссийский научно-исследовательский институт метрологии им. Д.И. Менделеева» ФГУП «ВНИИМ им. Д.И. Менделеева»
УТВЕРЖДАЮ

> 2018 г.
Государственная система обеспечения единства измерений
Система измерений выбросов автоматизированная
АСИВ Няганской ГРЭС дымовой трубы № 2
Методика поверки
МП-242-2262-2018
Государств^нн
Зам.руководителя научно-исследовательского отдела нов в области ских измерений

А. В. Колобова
-хими
Разработчик научный сотрудник

_______Н.Б. Шор
Санкт-Петербург 2018 г.
Настоящая методика поверки распространяется на систему измерений выбросов автоматизированную АСИВ Няганская ГРЭС дымовой трубы № 2 (далее - система) и устанавливает методы и средства ее первичной поверки до ввода в эксплуатацию и после ремонта и периодической поверки в процессе эксплуатации.
В состав измерительных каналов (далее - ИК) системы входят
-
- комплекс газоаналитический ПЭМ-2М.1, измерители параметров газового потока -температуры, давления, скорости, влажности (паров воды);
-
- устройство отбора и подготовки пробы;
-
- блок сбора и обработки данных - промышленный компьютер (ПК) с программным обеспечением (ПО).
Последовательность проведения поверки согласно таблице А. 1 приложения А:
-
1. Определение метрологических характеристик (MX) газоаналитических каналов системы и канала измерений паров воды в целом на объекте (по ГСО и реальной среде).
-
2. Определение MX каналов параметров газового потока системы: датчиков температуры, давления, скорости - в лабораторных условиях, канал передачи информации - на объекте.
Первичная поверка системы проводится после ее опытной эксплуатации на объекте в течение не менее месяца.
Интервал между поверками - один год.
1 Операции поверки
1.1 При проведении поверки выполняют операции, указанные в таблице 1. Таблица 1
Наименование операции |
Номер пункта методики поверки |
Обязательность проведения операции | |
при первичной поверке |
[ри периодической поверке | ||
1 Внешний осмотр |
6.1 |
Да |
Да |
2 Опробование |
6.2 | ||
2.1 Проверка общего функционирования |
6.2.1 |
Да |
Да |
2.2 Подтверждение соответствия программного обеспечения |
6.2.2 |
Да |
Да |
2.3 Проверка герметичности пробоотборного зонда с обогреваемой линией |
6.2.3 |
Да |
Да |
3 Определение метрологических характеристик |
6.3 | ||
3.1 Определение основной погрешности газоаналитических каналов (с использованием ГСО) |
6.3.1 |
Да |
Да |
3.2 Определение погрешности газоаналитических каналов и канала паров воды на объекте (на реальной среде) |
6.3.2 |
Да |
Да |
3.3 Определение погрешности каналов температуры, давления и скорости |
6.3.3 |
Да |
Да |
-
1.2 Допускается проведение периодической поверки отдельных каналов в соответствии с заявлением владельца системы с обязательным указанием в свидетельстве о поверке информации об объеме проведенной поверки.
-
1.3 Если при проведении той или иной операции поверки системы получен отрицательный результат, дальнейшая поверка прекращается.
-
1.4 Место и условия проведения поверки приведены в таблице А.1 (приложение А).
-
2.1 При проведении поверки применяют средства, указанные в таблице 2.
Таблица 2
Номер пункта методики поверки |
Наименование основного или вспомогательного средства поверки. Требования к средству поверки. Основные метрологические или технические характеристики. |
4,6 |
Прибор комбинированный для измерения температуры, относительной влажности воздуха и абсолютного давления Testo 622 (регистрационный номер в Федеральном информаионном фонде по обеспечению единства измерений 53505-13): диапазон измерений температуры от 10 °C до 30 °C, пределы допускаемой абсолютной погрешности ±0,5 °C; диапазон измерений относительной влажности от 30 % до 80 %, пределы допускаемой абсолютной погрешности ±3 %; диапазон измерений абсолютного давления от 80 до 110 кПа, пределы допускаемой абсолютной погрешности ±0,5 кПа. |
6.3.1 |
Стандартные образцы состава - газовые смеси (ГС) в баллонах под давлением, приведенные в таблице Б. 1 Приложения Б |
Поверочный нулевой газ (ПНГ) - азот газообразный особой чистоты 1-го или 2-го сорта в баллоне под давлением по ГОСТ 9293-74. | |
Ротаметр РМ-А-0,063 ГУЗ, ГОСТ 13045-81, верхняя граница диапазона измерений объемного расхода 0,063 м7ч, кл. точности 4 | |
Трубка фторопластовая по ТУ 6-05-2059-87, диаметр условного прохода 5 мм, толщина стенки 1 мм | |
6.3.2 |
Средства измерений и вспомогательные устройства в соответствии с МИ «М-МВИ-277-18. Методика измерений массовой концентрации паров воды в промышленных выбросах» регистрационный номер ФР. 1.31.2018.30255 |
6.3.2 |
Средства измерений и вспомогательные устройства в соответствии с МИ «М-МВИ-276-17. Методика измерений массовой концентрации диоксида серы и окислов азота в промышленных выбросах», регистрационный номер ФР.1.31.2017.27953 от 01.11.2017 г. |
Комплекс переносной измерительный КПИ для определения MX газоаналитических ИК автоматических информационно-измерительных систем (АИС) на объекте на реальных средах (регистрационный номер 69364-17) | |
6.3.3 |
Микроманометр МКВ-2500 (регистрационный номер в Федеральном информационном фонде по обеспечению единства измерений 968-90): Трубки напорные НИИОГАЗ, Пито и Пито цилиндрическая (регистрационный номер в Федеральном информационном фонде по обеспечению единства измерений 64221-16) |
Ммановакуумметр грузопоршневой МВП-2,5 (регистрационный номер в Федеральном информационном фонде по обеспечению единства измерений 1652-99); Манометр грузопоршневой МП-600, МП-2500 (регистрационный номер в Федеральном информационном фонде по обеспечению единства измерений 47376-11) | |
Термостат жидкостный серии «ТЕРМОТЕСТ» (регистрационный номер в Федеральном информационном фонде по обеспечению единства измерений 39300-08); Термометр сопротивления эталонный ЭТС-100 (регистрационный номер в Федеральном информационном фонде по обеспечению единства измерений 19916-10) | |
Калибратор электрических сигналов СА71 (№ 53468-13 в ФИФОЕИ РФ), воспроизведение силы постоянного тока (0,1..24) мА, пределы допускаемой основной погрешности (0,1%-Х + 4 мкА) | |
6.3.1 |
Вентиль точной регулировки ВТР-1 (или ВТР-1-М160), диапазон рабочего давления (0-150) кгс/см2, диаметр условного прохода 3 мм |
-
2.2 Допускается применение аналогичных средств поверки, обеспечивающих определение метрологических характеристик поверяемой системы с требуемой точностью.
-
2.3 Все средства измерений должны иметь действующие свидетельства о поверке, стандартные образцы состава газовых смесей и ПНГ в баллонах под давлением - действующие паспорта.
-
2.4 Изготовители стандартных образцов состава газовых смесей - предприятия-производители стандартных образцов состава газовых смесей, прослеживаемых к государственному первичному эталону единиц молярной доли, массовой доли и массовой концентрации компонентов в газовых и газоконденсатных средах ГЭТ 154-2016.
-
3.1 Помещение, в котором проводят поверку, должно быть оборудовано приточно-вытяжной вентиляцией.
-
3.2 Концентрации вредных компонентов в воздухе рабочей зоны не должны превышать значений, приведенных в ГОСТ 12.1.005-88.
-
3.3 При работе с системой необходимо соблюдать «Правила технической эксплуатации электроустановок потребителей», утверждённые приказом Минэнерго РФ № 6 от13.01.2003 и «Правила по охране труда при эксплуатации электроустановок», утверждённые приказом Минтруда России № 328н от 24.07.2013, введённые в действие с 04.08.2014.
-
3.4 Требования техники безопасности при эксплуатации ГС в баллонах под давлением должны соответствовать Федеральным нормам и правилам в области промышленной безопасности "Правила промышленной безопасности опасных производственных объектов, на которых используется оборудование, работающее под избыточным давлением", утвержденным приказом Федеральной службы по экологическому, технологическому и атомному надзору от 25.03.2014 г. № 116.
-
3.5 Не допускается сбрасывать ГС в атмосферу рабочих помещений.
-
3.6 К поверке допускаются лица, изучившие эксплуатационную документацию на комплекс и прошедшие необходимый инструктаж.
При проведении поверки следует соблюдать следующие условия:
-
- температура окружающей среды, °C в соответствии с таблицей А.1 (приложение А);
-атмосферное давление, кПа от 90,6 до 104,6;
-
- относительная влажность воздуха, %, не более 80.
5.1. Перед проведением поверки должны быть выполнены следующие подготовительные работы:
-
5.1.1 Подготавливают систему к работе в соответствии с требованиями его эксплуатационной документации.
-
5.1.2 Подготавливают к работе средства поверки, указанные в таблице 2, в соответствии с требованиями их эксплуатационной документации.
-
5.1.3 Проверяют наличие паспортов и сроки годности ГС.
-
5.1.4 Баллоны с ГС выдерживают в помещении, в котором проводят поверку, в течение не менее
24 ч.
-
5.1.5 Включают приточно-вытяжную вентиляцию.
-
5.1.6 При проведении поверки с использованием ГСО- газовых смесей (п.6.3.1.1) подсоединяют фторопластовую трубку с выхода вентиля точной регулировки, установленного на баллоне с ГС, через тройник на вход подачи газа пробоотборного зонда в соответствии с рисунком 1 Приложения В).
Расход ГС должен быть на 10 - 20 % выше расхода, потребляемого газоанализатором. Контроль расхода на сбросе осуществляют при помощи ротаметра, подключенного к тройнику'.
-
5.1.7 При проведении поверки на реальной среде с использованием пробы газовых выбросов выполняют одну из следующих операций:
а) проводят отбор пробы в сосуд с поглотительным раствором в соответствии с МИ «М-МВИ-276-17 и в аккредитованной лаборатории измеряют в ней содержание компонентов: NOX (в пересчете на NO2). в соответствии с МИ «М-МВИ-276-17».
Примечание:
-
1. Допускается предоставление пробы предприятием-владельцем СИ с актом отбора.
-
2. Допускается применение других стандартизованных методов, оформленных в виде ГОСТ или аттестованных МИ и обеспечивающих измерение с точностью не хуже указанной в МИ «М-МВИ-276-17».
б) устанавливают поверочный комплекс КПИ (далее - КПИ) в условиях размещения поверяемой системы, в состав которой входит газоанализатор; зонд КПИ вставляют в технологическое отверстие дымовой трубы рядом с зондом поверяемой системы, подключают к зонду трубопровод и проводят их нагрев до требуемой температуры (температуры зонда поверяемой системы) в соответствии с РЭ на КПИ.
Примечание: Допускается подключение зонда КПИ к тройнику, установленному на обогреваемом трубопроводе поверяемой системы (перед подачей анализируемого газа на вход системы).
Продувают зонд и трубопровод КПИ после их нагрева 10-ти кратным объемом анализируемого газа, после чего проводят измерение содержания оксидов азота (по шкале NOX).
-
6 Проведение поверки
-
6.1.1 ГГри внешнем осмотре системы, в т.ч. проботборного зонда и обогреваемой линией, должно быть установлено отсутствие внешних повреждений и загрязнений, влияющих на работоспособность.
-
6.1.2 Комплектность и маркировка должны соответствовать указанным в Руководстве по эксплуатации.
-
6.1.3 Для средств измерений (СИ) должны быть установлены:
-
- исправность органов управления, настройки и коррекции;
-
- четкость всех надписей на лицевых панелях СИ;
-
- четкость и контрастность цифровых дисплеев СИ.
-
6.1.4 Для пробоотборного зонда с обогреваемой линией должно быть установлено соответствие температуры, указанной в паспорте, температуре точки росы для конкретного объекта с учетом запаса 15 °C.
-
6.1.5 Система считается выдержавшей внешний осмотр удовлетворительно, если она соответствует всем перечисленным выше требованиям.
-
6.2.1 Проверка общего функционирования
Проверку общего функционирования средств измерений и устройств в составе системы проводят в процессе тестирования при их запуске в соответствии с РЭ на приборы.
Результаты проверки считают положительными, если:
-отсутствует информация об отказах элементов, входящих в состав системы;
-на дисплее датчиков ИК индицируется текущая информация об измеряемых параметрах;
-на мониторе персонального компьютера (ПК) системы для всех ИК поверяемой системы индицируется текущая информация об измеряемых параметрах.
-
6.2.2 Подтверждение соответствия программного обеспечения
-
6.2.2.1 Подтверждение соответствия программного обеспечения (ПО) системы проводится путем проверки соответствия ПО, тому ПО, которое было зафиксировано при испытаниях в целях утверждения типа.
-
6.2.2.2 Для проверки соответствия ПО выполняют следующие операции:
-
-
- просмотр идентификационных данных - наименования и номера версии для ПО трансмиттера точки росы Vaisala DRYCAP DMT345
-
- просмотр идентификационных данных - контрольных сумм 5 блоков для метрологически значимой части встроенного ПО (S7_ASIV), расположенного на контроллере в шкафу 01CRD01
-
- просмотр идентификационных данных - контрольной суммы файла CCTlgServer.exe для метрологически значимой части ПО сервера АСИВ (ARM_ASIV).
Идентификация ПО трансмиттера точки росы Vaisala DRYCAP DMT345 осуществляется по наименованию и номеру версии. Идентификационные данные выводится при нажатии на клавишу «инфо» на дисплее или через последовательную линию командой «vers» на экран персонального компьютера, подключенного к трансмиттеру точки росы Vaisala DRYCAP DMT345
Идентификация встроенного ПО, расположенного на контроллере в шкафу 01CRD01, осуществляется по контрольным суммам 5 блоков, рассчитанным по алгоритму CRC. Для визуализации идентификационных данных необходимо в окне программы «Snap7 Client Demo» ввести IP проверяемого контроллера, нажать «Connect». Открыть вкладку «Directory», выбрать в списке «List Blocks of Туре» тип «FB», нажать «List Blocks of Туре»; в списке блоков выбрать двойным нажатием кнопки мыши блок, информацию по которому нужно посмотреть.
Идентификация ПО сервера АСИВ осуществляется по контрольной сумме файла CCTlgServer.exe, рассчитанным по алгоритму CRC32 при помощи стандартной программы.
-
6.2.2.3 Результат подтверждения соответствия ПО считают положительным, если идентификационные данные соответствуют указанным в описании типа систем (приложение к Свидетельству об утверждении типа).
Результат подтверждения соответствия программного обеспечения считается положительным, если полученные идентификационные данные соответствуют идентификационным данным, указанным в разделе «Программное обеспечение» описания типа средства измерений.
-
6.2.3 Проверка герметичности пробоотборного зонда с обогреваемой линией
Проверка осуществляется подачей ПГС № 1 - ПНГ (азот газообразный в баллоне под давлением по ГОСТ 9293-74) и ПГС №2 (O2/N2) (таблица Б.1 приложения Б) на вход газоаналитического комплекса, входящего в состав системы и имеющий канал измерений кислорода, через устройство отбора и подготовки пробы, в порт калибровки зонда (перед фильтром).
Предварительно подают указанные выше ПГС непосредственно на вход модуля основного комплекса газоаналитического ПЭМ-2М.1.
Подачу ГС проводят в соответствии с пунктом 5.1.6.
Результаты считаются положительными, если изменение показаний по каналу измерений кислорода не превышает:
0,25 % об. (при подаче ГС № 1) и
5 % отн. (при подаче ГС № 2).
6.3 Определение метрологических характеристик-
6.3.1 Определение основной погрешности газоаналитических каналов (с использованием ГСО)
Определение погрешности проводят при поочередной подаче ПГС на вход пробоотборного зонда в последовательности: №№ 1-2-3-2-1-3 и считывании показаний с дисплея комплекса газоаналитического и монитора ПК системы.
Подачу ПГС проводят в соответствии с пунктом 5.1.6. Номинальные значения содержания измеряемых компонентов в ПГС приведены в таблице Б.1 приложения Б.
Значения основной абсолютной погрешности (Д в мг/м3, % об. или млн1) для диапазонов, приведенных в таблице, Г.1 Приложения Г), рассчитывают для каждой ГС по формуле:

где:
Ci - показания системы при подаче i-ой ПГС, мг/м3 (% об.; млн'1);
Сд - действительное значение массовой концентрации (объемной доли) определяемого компонента в ПГС, мг/м3, (% об.: млн'1);
Значения основной приведенной погрешности (у в %) для диапазонов, приведенных в таблице, Г.2 Приложения Г), рассчитывают для каждой ГС по формуле:
у = -100 (6.2)
Сг
где
Ck - верхний предел диапазона измерений, мг/м3 (% об.; млн'1);
Значения основной относительной погрешности (8 в %) для диапазонов, приведенных в таблице Г. 1 приложения Г. рассчитывают для каждой ГС по формуле:
(?=С-~С<100 (6.3)
С
’-д
Результаты определения считают положительными, если основная приведенная (относительная) погрешность не превышает значения, приведенных в таблицах Г.1. Приложения Г
-
6.3.2 Определение погрешности газоаналитическкх каналов и канала паров воды на объекте (на реальной среде)
-
6.3.2.1 Определение погрешности газоаналитических каналов (в комплекте с пробоотборным зондом с обогреваемой линией на объекте с использованием реальной среды (проба газовых выбросов), в которой измерение содержания компонентов проводится с отбором пробы в поглотительный сосуд в соответствии с методики измерений МИ М-МВИ-276-17 либо с использованием комплекса КПИ.
-
Примечание - Допускается применение других СИ или стандартизованных методов, оформленных в виде ГОСТ или аттестованных МИ и обеспечивающих измерение с требуемой точностью.
Определение проводят для каналов измерений NOX на пробе анализируемого газового выброса, подготовленной в соответствии с указаниями п.5.1.7.
Число измерений - в соответствии с МИ или в течение 20 мин каждые 5 мин для КПИ.
Одновременно проводят отсчет показаний по дисплею газоанализатора и монитора ПК системы.
Значения приведенной (относительной) погрешности для диапазонов измерений, в которых нормированы пределы допускаемой абсолютной (относительной) погрешности (Г.З Приложения Г), рассчитывают по формулам 6.1 и 6.3, где С а - результат измерения, полученный по МИ в аккредитованной лаборатории или показания дисплея КПИ, мг/м3, (% об., млн'1).
Примечание: Расчет NOX для газоанализатора проводят суммированием показаний NO и NOo после пересчета массовой концентрации в объемную долю в млн'1 (деление массовой концентрации на коэффициент, равный 1,34 и 2,05, соответственно (при 0 °C и 760 мм рт.ст).
-
6.3.2.2 Определение погрешности канала паров воды в комплекте с пробоотборным зондом с обогреваемой линией проводится на объекте с использованием реальной среды (проба газовых выбросов), в которой объемную долю паров воды измеряют в соответствии с МИ «М-МВИ-277-17».
Значения приведенной (относительной) погрешности для диапазонов измерений паров воды , в которых нормированы пределы допускаемой приведенной (относительной) погрешности (Таблица Г.4 Приложения Г), рассчитывают по формулам 6.2 и 6.3, где Q - результат измерения объемной доли, %, полученный по МИ в аккредитованной лаборатории.
Результаты определения считают положительными, если полученные значения погрешности не превышают ±25 % .
-
6.3.3 Определение погрешности каналов температуры, давления и скорости
Определение погрешности каналов параметров газового потока - температуры, давления и скорости (объемного расхода), имеющим в своем составе первичный измерительный преобразователь (ПИП) с аналоговым выходным сигналом проводят поэлементно в следующем порядке:
-
- определение основной погрешности ПИП;
-
- определение погрешности канала передачи информации.
-
6.3.3.1 Определение основной погрешности первичных преобразователей (датчиков).
Определение основной погрешности первичных преобразователей (датчиков) выполняется в лабораторных условиях после их демонтажа в соответствии с утвержденными методиками поверки.
Определяют основную погрешность ПИП на основании результатов поверки ПИП (по свидетельству о поверке и, при наличии, протоколу поверки).
Результаты определения считаются удовлетворительными, если полученные значения основной погрешности датчиков не превышают значений, приведенных в описании типа на соответствующие датчики.
-
6.3.3.2 Определение погрешности канала передачи информации (ИВК).
Определение погрешности канала передачи информации (ИВК) проводят на месте их установки.
Входными сигналами ИВК системы являются унифицированные токовые сигналы стандартных преобразователей объемной доли (массовой концентрации) измеряемых компонентов газов, объемного расхода, абсолютного давления и температуры в диапазоне от 4 до 20 мА.
На вход ИВК подают унифицированный токовый сигнал в диапазоне от 4 до 20 мА от источника постоянного тока (калибратор электрических сигналов). При поверке ИВК выполняют по одному измерению в каждой выбранной точке поверки.
Значения выходных величин выводят на экран монитора ПКсистемы.
а) Определение погрешности канала передачи информации (ИВК) проводят в следующей последовательности:
Отключают первичные преобразователи и подключают средства поверки к соответствующим каналам, включая линии связи.
С помощью калибратора устанавливают на входе канала ввода аналогового сигнала электрические сигналы (от 4 до 20 мА), соответствующие значениям измеряемого параметра. Задают не менее пяти значений измеряемого параметра, равномерно распределенных в пределах диапазона измерений (например, 0; 25; 50; 75 и 100 %) и через 10 секунд считывают значение параметра с экрана ПК системы с ПО.
Значение измеряемой величины (A$), соответствующее заданному значению силы постоянного тока 13 , мА, рассчитывают по формуле:
Ад = АГ(/г-4) -|Л| (6.4)
где 13 - показания калибратора в каждой точке проверки, мА;
Ао- нижнее значение диапазона измерений (в единицах измеряемой величины);
К - коэффициент преобразования, рассчитываемый по формуле, единица измеряемой величины, мА.
Л - 4К=^---(6.5)
I -I
где Д , Аи - верхнее и нижнее значение диапазона измерений, соответственно, в единицах измеряемой величины.
1в, /„ - верхнее и нижнее значение диапазона измерений аналогового выхода, соответственно, мА.
б) Расчет погрешности канала передачи информации
Значение абсолютной погрешности канала передачи информации (Д„ в единицах измеряемой величины) в каждой точке проверки рассчитывают по формуле:
Ди = 4-Л (6-6)
где Д- измеренное системой значение определяемого параметра (по монитору
компьютера с ПО), в единицах измеряемой величины;
Значение приведенной погрешности канала передачи информации в уп в % рассчитывают для каждой точки проверки по формуле:
к,=4-4-100 (б-7>Л-4<
где А-измеренное системой значение определяемого параметра (по монитору компьютера с ПО), в единицах измеряемой величины;
Ав, Ан- верхнее и нижнее значение диапазона измерений, соответственно, в единицах измеряемой величины.
Значение относительной погрешности каната передачи информации в (в %) рассчитывают для каждой точки проверки по формуле
= А’ ~Лп -100 (6.8)
4где А- измеренное системой значение определяемого параметра (по монитору компьютера с ПО), в единицах измеряемой величины;
Д,-действительное значение определяемого параметра, рассчитанное по формуле 6.4, в единицах измеряемой величины.
Результаты определения считают положительными, если полученные значения погрешности каната передачи информации не превышают 0,2 долей от пределов допускаемой погрешности каната измерений каждого параметра.
7 Оформление результатов поверки-
7.1 При проведении поверки составляется протокол результатов измерений, в котором указывается соответствие системы предъявляемым к ней требованиям. Форма протокола поверки приведена в Приложении Д.
-
7.2 Система, удовлетворяющая требованиям методики поверки, признаются годной к применению.
-
7.3 Положительные результаты поверки оформляются свидетельством о поверке по установленной форме.
-
7.4 При отрицательных результатах поверки применение системы запрещается и выдается извещение о непригодности.
-
7.5 Знак поверки наносится на свидетельство о поверке.
(обязательное)
Таблица А. 1 - Условия определения MX измерительных газоаналитических каналов и паров воды в комплекте с пробоотборным зондом и обогреваемой линией
Наименование измерительного канала |
Условия |
Место проведения поверки |
Температура окружающей среды, °C |
Газовые каналы |
Поверка с использованием ГСО1’ |
В лабораторных условиях |
20 ±5 |
Периодическая поверка с использованием реальной среды, без демонтажа |
На объекте |
от 5 до 35 | |
Канал измерений паров воды |
Поверка в составе АИС с использованием реальной среды, без демонтажа |
На объекте |
от 5 до 35 |
'Допускается проведение поверки на объекте при условии выполнения требований раздела 4
МП.
Приложение Б(обязательное)
Таблица Б.1. Перечень и
ГС,
системы
Определяемый компонент |
Диапазоны измерений объемной доли, млн'1 (ppm), % |
Номинальное значение объемной дели определяемого компонента в ГС, пределы допускаемого отклонения, млн'1 |
Источник получения ГС1 (Номер стандартного образца состава ГС)2) | ||
ПГС №1 |
ПГС №2 |
ПГС №3 | |||
О2 |
от 0 до 5 % (об.) включ. св.5 до 25 % (об.) |
ПНГ° |
5±1 % (об.) |
23±2 % (об.) |
ГСО 10540-2014 (O2/N2), |
СО |
от 0 до 50 млн'1 включ. св. 50 до 500 млн1 |
ПНГ |
5О±5 |
450±45 |
ГСО 10546-2014 (CO/N2) |
СО2 |
от 0 до 5 % (об.) включ. св. 5 до 30 % (об.) |
ПНГ |
5±О,5 |
27±1 |
ГСО 10540-2014 (CO2/N2) |
NO |
от 0 до 50 млн1 включ. св. 50 до 500 млн1 |
ПНГ |
5О±5 |
450±45 |
ГСО 10546-2014 (NO/N2) |
no2 |
от 0 до 50 млн 1 включ. св. 50 до 500 млн'1 |
ПНГ |
50±5 |
450±45 |
ГСО 10546-2014 (NO2/N2) |
п ПНГ - поверочный нулевой газ - азот газообразный по ГОС т.ч. и для кислорода). 2) Допускается использование стандартных образцов сост< многокомпонентных не указанных в настоящей методике пов условий:
Информация о стандартных образцах состава газовых смесе! сайте Федерального информационного фонда по обе (http://fundmetrology.ru). |
' 9293-74 (для всех компонентов, в зва газовых смесей (ГС), в т.ч. зрки, при выполнении следующих ения содержания определяемого 'ветствующей ГС в таблице; веденных в таблице ГСО. утвержденного типа доступна на спечению единства измерений |
(рекомендуемое)
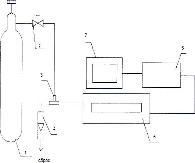
Структурная схема поверки газоаналитических ИК

-
1 - баллон с ГС; 2 - вентиль точной регулировки; 3 - тройник; 4 - индикатор расхода (ротаметр);
5 - газоанализатор с устройством отбора и подготовки пробы; 6 - контроллер; 7 - ПК автоматизированного рабочего места.
Рисунок В.1 - схема подачи ПГС из баллонов под давлением на вход системы
Приложение Г(рекомендуемое)
Таблица Г. 1- Метрологические характеристики измерительных каналов системы
(газоаналитический комплекс с устройством отбора и подготовки пробы)
Измерительный канал (определяемый компонент или параметр) |
Диапазон показаний. млн'1 (объемной доли. %) |
Диапазон измерений объемной доли11, млн'1 (объемной доли, %) |
Пределы допускаемой основной погрешности | |
абсолютной |
относительной | |||
п. |
от 0 до 25 % |
от 0 до 5 % (об.) включ. |
±0,12 % об. |
- |
(об.) |
св.5 до 25 % (об.) |
- |
±2,5 % | |
со |
от 0 до 500 |
от 0 до 50 млн'1 включ. св. 50 до 500 млн'1 |
±2,5 млн'1 |
±5% |
со2 |
от 0 до 30 |
от 0 до 5 % (об.) включ. св. 5 до 30 % (об.) |
± 0,25 % об |
±5 % |
NO |
от 0 до 500 |
от 0 до 50 млн'1 включ. св. 50 до 500 млн1 |
±4 млн'1 |
±8% |
no2 |
от 0 до 500 |
от 0 до 50 млн'1 включ. св. 50 до 500 млн'1 |
±4 млн'1 |
±8 % |
11 Пересчет значений объемной доли X в млн* (ppm) в массовую концентрацию С, мг/м3, | ||||
проводят по формуле: С = X M/Vm, где М - молярная масса компонента, г/моль, Vm - молярный | ||||
объем газа-разбавителя - азота или воздуха, равный 22,41. при соответствии с РД 52.04.186-89), дм?/моль. |
условиях (0 °( |
2 и 101,3 кПа в |
Таблица Г.2 - Метрологические характеристики газоаналитических каналов системы
Наименование характеристики |
Значение |
Предел допускаемой вариации показаний, в долях от предела допускаемой основной погрешности |
0,5 |
Пределы допускаемого изменения выходного сигнала за 24 ч непрерывной работы, в долях от пределов допускаемой основной погрешности |
±0,5 |
Пределы допускаемой дополнительной погрешности при изменении температуры окружающей среды на каждые 10 °C от номинального значения температуры +20 °C в пределах рабочих условий, в долях от предела допускаемой основной погрешности |
±0,5 |
Пределы дополнительной погрешности от взаимного влияния измеряемых компонентов в анализируемой газовой смеси, в долях от предела допускаемой основной погрешности |
±0,2 |
Время прогрева, мин, не более |
60 |
Предел допускаемого времени установления выходного сигнала (То,9), с (время одного цикла без учета транспортного запаздывания)) |
180 |
Нормальные условия измерений:
|
от +15 до +25 от 30 до 80 от 98 до 104,6 |
Таблица Г.З - Диапазоны измерений и пределы допускаемой погрешности измерительных каналов системы в условиях эксплуатации (в соответствии с Приказом Минприроды России от № 425 от 07.12.2012 г)
Определяемый компонент |
Диапазоны измерений объемной доли определяемого компонента, млн'1 |
Пределы допускаемой погрешности | |
абсолютной. А, млн’1 |
относительной, S, % | ||
Оксид азота (NO) |
от 0 до 30 включ. |
±7,5 |
- |
св. 30 до 500 |
- |
±(25,8-0,027-00 | |
Диоксид азота (NO2) |
от 0 до 30 включ. |
±7,5 |
- |
св. 30 до 500 |
- |
±(25,8-0,027-0 | |
Оксид углерода (СО) |
от 0 до 20 включ. |
±5 |
- |
св. 20 до 500 |
- |
±(25,7-Д036-С) | |
'}С - измеренное значение объемной доли, млн’1. |
Таблица Г.4 - Метрологические характеристики для измерительных каналов параметров
газового потока в условиях эксплуатации
Определяемый параметр |
Единицы измерений |
Диапазон измерений2) |
Пределы допускаемой погрешности |
Температура дымовых газов |
°C |
от 0 до +200 |
±2 °C (абс.) |
Абсолютное давление дымовых газов |
кПа |
от +85 до +125 |
±1,5 % (прив.)5) |
Скорость газового потока |
м/с |
от 2,5 до 5 включ. св.5 до 50 |
± 20/V % (отн.) ± 3 % (отн.) |
Объемный расход газового потока 11 |
м3/ч |
от 0,44-106 до 5,3'10б |
±(5V 3)+1,0) % (отн.)4) |
Пары воды (Н2О)б) |
% (об.) |
от 0 до 10 включ. св. 10 до 20 |
±25 % (прив.)51 ±25 % (отн.) |
Кислород (О2)7) |
% (об.) |
от 0 до 5 включ. св.5 до 25 |
±0,25 % (об.) ± 5 % (отн.) |
Диоксид углерода (СОД |
% (об.) |
от 0 до 5 % (об.) включ. св. 5 до 30 % (об.) |
± 0,5 % об ±10 % (отн.) |
11 Расчетное значение с учетом конструкции измерительного сечения дымовой трубы и скорости газового потока от 2,5 до 30 м/с.
ov - пределы допускаемой относительной погрешности измерении скорости газового потока, %.
|
(реком ендуемое)
Протокол поверки
Наименование СИ:_____________________________________________________
Зав. №____________________
Дата выпуска_______________
Регистрационный номер:____________.
Заказчик:____________________________________________________________________________
Серия и номер клейма предыдущей поверки:__________________________________
Дата предыдущей поверки:__________________________________________________
Методика поверки:__________________________________________________________
Основные средства поверки:__________________________________________________
Условия поверки: температура окружающей среды °C
относительная влажность воздуха %
атмосферное давление кПа
РЕЗУЛЬТАТЫ ПОВЕРКИ
-
1 Результаты внешнего осмотра_________________________________________________
-
2 Результаты опробования
-
2.1 Проверка общего функционирования__________________________________________
-
2.2. Подтверждение соответствия программного обеспечения________________________
-
2.3 Проверка герметичности пробоотборного зонда с обогреваемой линией___________________
-
3 Результаты определение метрологических характеристик
-
3.1 Результаты определения основной погрешности (по ГСО)_____
-
3.2 Результаты определения погрешности газовых каналов и канала измерений паров воды (по
-
реальн ой среде)__________________________________________
-
3.3 Результаты определение погрешности каналов
температуры, давления и скорости_________________________________________________________
Заключение: на основании результатов первичной (или периодической) поверки система признана соответствующим установленным в описании типа метрологическим требованиям и пригодна к применению.
П оверитель:__________________
Дата поверки:_______________
16