Методика поверки «ГСИ. Системы контроля сопротивлений изоляции в сети оперативного постоянного тока ЭКРА-СКИ» (МП 206.1-075-2020)
УТВЕРЖДАЮ

м. п.
Заместитель директор
ФГУП «вниимс»
'г..[рН
ГОСУДАРСТВЕННАЯ СИСТЕМА ОБЕСПЕЧЕНИЯ ЕДИНСТВА ИЗМЕРЕНИЙ СИСТЕМЫ КОНТРОЛЯ СОПРОТИВЛЕНИЙ ИЗОЛЯЦИИ В СЕТИ ОПЕРАТИВНОГО ПОСТОЯННОГО ТОКА ЭКРА-СКИ
МЕТОДИКА ПОВЕРКИ
МП 206Л-075-2020 г. Москва
2020 г.
1 Общие сведенияНастоящая методика поверки распространяется на системы контроля сопротивлений изоляции в сети оперативного постоянного тока ЭКРА-СКИ (далее - системы ЭКРА-СКИ или системы), изготавливаемые ООО НПП «ЭКРА», г. Чебоксары и устанавливает методы и средства их первичных и периодических поверок. Поверка проводится без демонтажа в рабочих условиях.
Интервал между поверками - 6 лет
2 Операции поверки-
2.1 При поверке выполняют операции, представленные в таблице 1.
Таблица 1
Наименование операции |
Номер пункта методики |
Проведение операции при | |
первичной поверке |
периодич еской поверке | ||
1. Внешний осмотр |
8.1 |
Да |
Да |
2. Опробование |
8.2 |
Да |
Да |
3.Идентификация ПО |
8.3 |
Да |
Да |
4. Опре деление метрологических характеристик |
8.4 |
Да |
Да |
4.1 Определение метрологических характеристик системы в исполнении 220 В |
8.4.1 |
Да |
Да |
4.1.1 Определение относительной погрешности измерения сопротивления изоляции полюсов сети терминалом системы |
8.4.1.1 |
Да |
Да |
4.1.2 Определение относительной погрешности измерения сопротивления изоляции присоединений сети датчиками дифференциальных токов ДДТ-25, ДДТ-40, ДДТ-70, ДДТ-100, ДДТ-150 системы |
8.4.1.2 |
Да |
Да |
4.1.3 Определение относительной погрешности измерения сопротивления изоляции присоединения сети переносным устройством ЭКРА-ПКИ системы |
8.4.1.3 |
Да |
Да |
4.2 Определение метрологических характеристик системы в исполнении 110 В |
8.4.2 |
Да |
Да |
4.2.1 Определение относительной погрешности измерения сопротивления изоляции полюсов сети терминалом системы |
8.4.2.1 |
Да |
Да |
4.2.2 Определение относительной погрешности измерения сопротивления изоляции присоединений сети датчиками дифференциальных токов ДДТ-25, ДДТ-40, ДДТ-70, ДДТ-100, ДДТ-150 системы |
8.4.2.2 |
Да |
Да |
4.2.3 Определение относительной погрешности измерения сопротивления изоляции присоединения сети переносным устройством ЭКРА-ПКИ системы |
8.4.2.3 |
Да |
Да |
-
3.1 При проведении поверки используют средства измерений и вспомогательное оборудование, представленное в таблице 2.
Таблица 2
Номер пункта методики |
Наименование рабочих эталонов или вспомогательных средств поверки |
8.4.1, 8.4.2 |
Мультиметр 3458А, (0 - 1000) В, ПГ ± (2,5- 10'1 2 3-D + 3,5- 10'1 Е), где D - показание прибора, Е - верхнее граничное значение диапазона измерений |
8.4.1, 8.4.2 |
Магазин электрического сопротивления (мост) МС-9-01/1, (0,1 - 111111111) Ом; ПГ ± 0,05 % |
-
3.2 Допускается применение аналогичных средств поверки, обеспечивающих определение метрологических характеристик поверяемых систем с требуемой точностью.
-
3.3 Применяемые средства поверки должны быть утвержденного типа, исправны и иметь действующие свидетельства о поверке.
-
4.1 К проведению поверки систем допускается инженерно-технический персонал со среднетехническим или высшим образованием, ознакомленный с руководством по эксплуатации и документацией по поверке, допущенный к работе с электроустановками и имеющий право на поверку.
-
5.1 При проведении поверки должны быть соблюдены требования безопасности, предусмотренные ГОСТ Р 12.1.019-2009, «Правилами технической эксплуатации электроустановок потребителей», «Правилами техники безопасности при эксплуатации электроустановок потребителей».
-
8.1.2 Результаты внешнего осмотра считать положительными, если отсутствуют внешние механические повреждения и неисправности, влияющие на работоспособность системы.
-
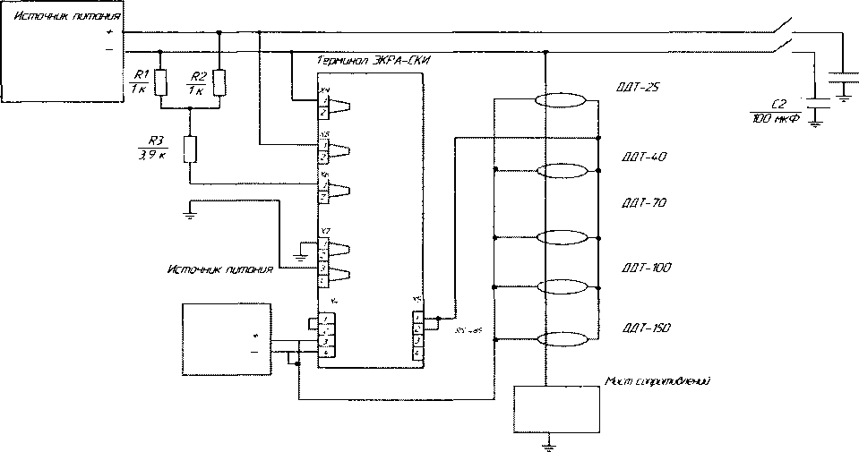
8.2.1 Собрать измерительную схему в соответствии с рисунком 1.
-
8.2.2 Установить на выходе блока питания:
-
- для терминала в исполнении 220 В напряжение 220 В;
-
- для терминала в исполнении 110 В напряжение 110 В;
-
8.2.3 Результаты опробования считать положительными, если на лицевой панели терминала светится индикатор «Работа», а на дисплее появилась страница «Изоляция присоединений»
-
8.3.1 Проверку соответствия заявленных идентификационных ПО системы проводить в следующей последовательности:
-
- проверить номер версии ПО терминала (отображается на дисплее);
-
- проверить номер версии ПО блока вычисления ЭКРА-ПКИ (отображается на дисплее).
-
8.3.2 Результаты проверки считать положительными, если идентификационные данные ПО соответствуют данным, приведенным в таблице 3.
Таблица 3
Модификация |
Терминал ЭКРА-СКИ |
Блок вычисления ЭКРА-ПКИ |
Идентификационное наименование ПО |
RISOekra |
PKIekra |
Номер версии (идентификационный номер ПО), не ниже |
3.0.0.10 |
1.1.1.1 |
Цифровой идентификатор ПО |
- |
- |

Рисунок 1
ГСИ. ЭКРА-СКИ
Методика поверки
-
8.4 Определение метрологических характеристик
-
8.4.1 Определение метрологических характеристик системы в исполнении 220 В
-
8.4.1.1.1 Собрать измерительную схему в соответствии с рисунком 1.
-
8.4.1.1.2 Установить на выходе блока питания напряжение 220 В.
-
8.4.1.1.3 Подключить мост сопротивлений и установить величину сопротивления 10 кОм.
-
8.4.1.1.4 Измерить сопротивление при помощи терминала.
-
8.4.1.1.5 Изменяя величины сопротивлений резистора моста в соответствии с таблицей 4 повторить измерения.
-
8.4.1.1.6 Рассчитать относительную погрешность измерения сопротивления изоляции по формуле
5=((Rh3m-Rmoct)/Rmoct)-100%, (1)
где Иизм - измеренное значение сопротивления,
R мост - сопротивление резистора моста сопротивлений
-
8.4.1.1.7 Подключить мост сопротивлений к отрицательному полюсу источника питания и повторить измерения.
-
8.4.1.1.8 Результаты измерений занести в таблицу 4.
Таблица 4
Полярность подключения резисторов к полюсам сети |
Номинальное значение резистора моста сопротивлений, кОм |
Измеренное значение сопротивления изоляции терминалом, кОм |
Относительная погрешность измерения сопротивления изоляции, % |
Предел допускаемой относительной погрешности, % |
+ |
10 |
10 | ||
+ |
25 |
10 | ||
+ |
50 |
10 | ||
+ |
75 |
10 | ||
+ |
100 |
10 | ||
+ |
150 |
10 | ||
+ |
300 |
10 | ||
+ |
500 |
10 | ||
+ |
750 |
10 | ||
+ |
1000 |
10 | ||
10 |
10 | |||
25 |
10 | |||
50 |
10 | |||
75 |
10 | |||
100 |
10 | |||
150 |
10 | |||
300 |
10 | |||
500 |
10 | |||
750 |
10 | |||
1000 |
10 |
-
8.4.1.1.9 Подключить два конденсатора емкостью по 100 мкФ согласно рисунку 1. Повторить пункты 8.4.1.1.3-8.4.1.1.8. Результаты измерений внести в таблицу 5.
ГСИ. ЭКРА-СКИ Лист № 6 Всего листов 13
Методика поверки
Таблица 5
Полярность подключения резисторов к полюсам сети |
Номинальное значение сопротивления резистора моста, кОм |
Измеренное значение сопротивления изоляции терминалом, кОм |
Относительная погрешность измерения сопротивления изоляции,% |
Предел допускаемой относительной погрешности, % |
+ |
10 |
20 | ||
+ |
25 |
20 | ||
+ |
50 |
20 | ||
+ |
75 |
20 | ||
+ |
100 |
20 | ||
+ |
150 |
20 | ||
+ |
300 |
20 | ||
+ |
500 |
20 | ||
+ |
750 |
20 | ||
+ |
1000 |
20 | ||
10 |
20 | |||
25 |
20 | |||
50 |
20 | |||
75 |
20 | |||
100 |
20 | |||
150 |
20 | |||
300 |
20 | |||
500 |
20 | |||
750 |
20 | |||
1000 |
20 |
-
8.4.1.1.10 Результаты поверки считать положительными, если значения относительных погрешностей находятся в пределах, указанных в описании типа.
-
8.4.1.2 Определение относительной погрешности измерения сопротивления изоляции присоединений сети датчиками дифференциальных токов ДДТ-25, ДДТ-40, ДДТ-70, ДДТ-100, ДДТ-150 системы
-
8.4.1.2.1 Собрать измерительную схему в соответствии с рисунком 1.
-
8.4.1.2.2 Пропустить провод сквозь окна датчиков, один из выводов которого подключен к полюсу сети, а другой к мосту сопротивлений.
-
8.4.1.2.3 Установить на выходе блока питания напряжение 220 В.
-
8.4.1.2.4 Подключить мост сопротивлений и установить величину сопротивления 10 кОм.
-
8.4.1.2.5 Измерить сопротивление при помощи датчиков дифференциальных токов. Результаты измерений занести в таблицу 6.
-
8.4.1.2.6 Изменяя величины сопротивлений моста в соответствии с таблицей 6 повторить измерения.
-
8.4.1.2.7 Рассчитать относительную погрешность измерения сопротивления изоляции по формуле (1).
-
8.4.1.2.8 Подключить мост сопротивлений к отрицательному полюсу источника питания и повторить измерения.
Таблица 6
Датчик дифференц иального тока |
Полярность подключения резисторов к полюсам сети |
Номинальное значение сопротивления резистора моста, кОм |
Измеренное значение сопротивления изоляции терминалом, кОм |
Относительная погрешность измерения сопротивления, % |
Предел допускаемой относительно? погрешности, % |
ДДТ-25 |
+ |
10 |
10 | ||
ДДТ-40 |
+ |
10 |
10 | ||
ДДТ-70 |
+ |
10 |
10 | ||
ДДТ-100 |
+ |
10 |
10 | ||
ДДТ-150 |
+ |
10 |
10 | ||
ДДТ-25 |
10 |
10 | |||
ДДТ-40 |
10 |
10 | |||
ДДТ-70 |
10 |
10 | |||
ДДТ-100 |
10 |
10 | |||
ДДТ-150 |
10 |
10 | |||
ДДТ-25 |
+ |
150 |
20 | ||
ДДТ-40 |
+ |
150 |
20 | ||
ДДТ-70 |
+ |
150 |
20 | ||
ДДТ-100 |
+ |
150 |
20 | ||
ДДТ-150 |
+ |
150 |
20 | ||
ДДТ-25 |
- |
150 |
20 | ||
ДДТ-40 |
- |
150 |
20 | ||
ДДТ-70 |
- |
150 |
20 | ||
ДДТ-100 |
- |
150 |
20 | ||
ДДТ-150 |
- |
150 |
20 |
-
8.4.1.2.9 Результаты поверки считать положительными, если значения относительных погрешностей находятся в пределах, указанных в описании типа.
-
8.4.1.3.1 Собрать измерительную схему в соответствии с рисунком 2.
Рисунок 2
-
8.4.1.3.2 Установить на выходе блока питания напряжение 220 В.
-
8.4.1.3.3 Подключить мост сопротивлений и установить величину сопротивления 10 кОм.
-
8.4.1.3.4 Измерить сопротивление при помощи ЭКРА-ПКИ. Результаты измерений занести в таблицу 7.
-
8.4.1.3.5 Изменяя величины сопротивлений моста в соответствии с таблицей 7 повторить измерения.
-
8.4.1.3.6 Рассчитать относительную погрешность измерения сопротивления изоляции по
формуле (1).
Таблица 7
Полярность подключения резисторов к полюсам сети |
Номинальное значение сопротивления резистора моста, кОм |
Измеренное значение сопротивления изоляции терминалом, кОм |
Относительная погрешность измерения сопротивления, % |
Предел допускаемой относительной погрешности, % |
+ |
10 |
20 | ||
+ |
25 |
20 | ||
+ |
50 |
20 | ||
+ |
75 |
20 | ||
+ |
100 |
20 | ||
- |
10 |
20 | ||
- |
25 |
20 | ||
- |
50 |
20 | ||
- |
75 |
20 | ||
- |
100 |
20 |
-
8.4.1.3.7 Подключить мост сопротивлений к отрицательному полюсу источника питания и повторить измерения.
-
8.4.1.3.8 Подключить два конденсатора емкостью по 100 мкФ согласно рисунку 1. Повторить пункты 8.4.1.3.3-8.4.1.3.7. Результаты измерений внести в таблицу 8.
ГСИ. ЭКРА-СКИ Лист № 9 Всего листов 13
Методика поверки
Таблица 8
Полярность подключения резисторов к полюсам сети |
Номинальное значение сопротивления резистора моста, кОм |
Измеренное значение сопротивления изоляции терминалом, кОм |
Относительная погрешность измерения сопротивления, % |
Предел допускаемой относительной погрешности, % |
+ |
10 |
20 | ||
+ |
25 |
20 | ||
+ |
50 |
20 | ||
+ |
75 |
20 | ||
+ |
100 |
20 | ||
- |
10 |
20 | ||
- |
25 |
20 | ||
- |
50 |
20 | ||
- |
75 |
20 | ||
- |
100 |
20 |
-
8.4.1.3.9 Результаты поверки считать положительными, если значения относительных погрешностей находятся в пределах, указанных в описании типа.
-
8.4.2 Определение метрологических характеристик системы в исполнении 110 В
-
8.4.2.1.1 Собрать измерительную схему в соответствии с рисунком 1.
-
8.4.2.1.2 Установить на выходе блока питания напряжение 110 В.
-
8.4.2.1.3 Подключить мост сопротивлений и установить величину сопротивления 10 кОм.
-
8.4.2.1.4 Измерить сопротивление при помощи терминала.
-
8.4.2.1.5 Изменяя величины сопротивлений резистора моста в соответствии с таблицей 9 повторить измерения.
-
8.4.2.1.6 Рассчитать относительную погрешность измерения сопротивления изоляции по формуле (1).
-
8.4.2.1.7 Подключить мост сопротивлений к отрицательному полюсу источника питания и повторить измерения.
-
8.4.2.1.8 Результаты измерений занести в таблицу 9.
Таблица 9
Полярность подключения резисторов к полюсам сети |
Номинальное значение сопротивления резистора моста, кОм |
Измеренное значение сопротивления изоляции терминалом, кОм |
Относительная погрешность измерения сопротивления, % |
Предел допускаемой относительной погрешности, % |
+ |
10 |
10 | ||
+ |
25 |
10 | ||
+ |
50 |
10 | ||
+ |
75 |
10 | ||
+ |
100 |
10 | ||
+ |
150 |
10 | ||
+ |
300 |
10 | ||
+ |
500 |
10 |
+ |
750 |
10 | ||
+ |
1000 |
10 | ||
- |
10 |
10 | ||
25 |
10 | |||
50 |
10 | |||
75 |
10 | |||
100 |
10 | |||
150 |
10 | |||
300 |
10 | |||
500 |
10 | |||
750 |
10 | |||
1000 |
10 |
-
8.4.2.1.9 Подключить два конденсатора емкостью по 100 мкФ согласно рисунку 1. Повторить пункты 8.4.2.1.3-8.4.2.1.8. Результаты измерений внести в таблицу 10.
Таблица 10
Полярность подключения резисторов к полюсам сети |
Номинальное значение сопротивления резистора моста, кОм |
Измеренное значение сопротивления изоляции терминалом, кОм |
Относительная погрешность измерения сопротивления, % |
Предел допускаемой относительной погрешности, % |
+ |
10 |
20 | ||
+ |
25 |
20 | ||
+ |
50 |
20 | ||
+ |
75 |
20 | ||
+ |
100 |
20 | ||
+ |
150 |
20 | ||
+ |
300 |
20 | ||
+ |
500 |
20 | ||
+ |
750 |
20 | ||
+ |
1000 |
20 | ||
10 |
20 | |||
25 |
20 | |||
50 |
20 | |||
75 |
20 | |||
100 |
20 | |||
150 |
20 | |||
300 |
20 | |||
500 |
20 | |||
750 |
20 | |||
1000 |
20 |
-
8.4.2.1.10 Результаты поверки считать положительными, если значения относительных погрешностей находятся в пределах, указанных в описании типа.
ГСИ. ЭКРА-СКИ
Методика поверки
8.4.2.2 Определение относительной погрешности измерения сопротивления изоляции присоединений сети датчиками дифференциальных токов ДДТ-25, ДДТ-40, ДДТ-70, ДДТ-100, ДДТ-150 системы
-
8.4.2.2.1 Собрать измерительную схему в соответствии с рисунком 1.
-
8.4.2.2.2 Пропустить провод сквозь окна датчиков, один из выводов которого подключен к полюсу сети, а другой к мосту сопротивлений.
-
8.4.2.2.3 Установить на выходе блока питания напряжение 110 В.
-
8.4.2.2.4 Подключить мост сопротивлений и установить величину сопротивления 10 кОм.
-
8.4.2.2.5 Измерить сопротивление при помощи датчиков дифференциальных токов. Результаты измерений занести в таблицу 11.
-
8.4.2.2.6 Изменяя величины сопротивлений моста в соответствии с таблицей 11 повторить измерения.
-
8.4.2.2.7 Рассчитать относительную погрешность измерения сопротивления изоляции по формуле (1).
-
8.4.2.2.8 Подключить мост сопротивлений к отрицательному полюсу источника питания и повторить измерения.
Таблица 11
Датчик дифференц иального тока |
Полярность подключения резисторов к полюсам сети |
Номинальное значение сопротивления резистора моста, кОм |
Измеренное значение сопротивления изоляции терминалом, кОм |
Относительная погрешность измерения сопротивления, % |
Предел допускаемой относительное погрешности, % |
ДДТ-25 |
+ |
10 |
10 | ||
ДДТ-40 |
+ |
10 |
10 | ||
ДДТ-70 |
+ |
10 |
10 | ||
ДДТ-100 |
+ |
10 |
10 | ||
ДДТ-150 |
+ |
10 |
10 | ||
ДДТ-25 |
10 |
10 | |||
ДДТ-40 |
10 |
10 | |||
ДДТ-70 |
10 |
10 | |||
ДДТ-100 |
10 |
10 | |||
ДДТ-150 |
10 |
10 | |||
ДДТ-25 |
+ |
150 |
20 | ||
ДДТ-40 |
+ |
150 |
20 | ||
ДДТ-70 |
+ |
150 |
20 | ||
ДДТ-100 |
+ |
150 |
20 | ||
ДДТ-150 |
+ |
150 |
20 | ||
ДДТ-25 |
150 |
20 | |||
ДДТ-40 |
150 |
20 | |||
ДДТ-70 |
150 |
20 | |||
ДДТ-100 |
150 |
20 | |||
ДДТ-150 |
150 |
20 |
-
8.4.2.2.9 Результаты поверки считать положительными, если значения относительных погрешностей находятся в пределах, указанных в описании типа.
ГСИ. ЭКРА-СКИ
Методика поверки
8.4.2.3 Определение относительной погрешности измерения сопротивления изоляции присоединения сети переносным устройством ЭКРА-ПКИ системы-
8.4.2.3.1 Собрать измерительную схему в соответствии с рисунком 2.
-
8.4.2.3.2 Установить на выходе блока питания напряжение 110 В.
-
8.4.2.3.3 Подключить магазин сопротивлений и установить величину сопротивления 10 кОм.
-
8.4.2.3.4 Измерить сопротивление при помощи ЭКРА-ПКИ. Результаты измерений занести в таблицу 12.
-
8.4.2.3.5 Изменяя величины сопротивлений резистора моста в соответствии с таблицей 12 повторить измерения.
-
8.4.2.3.6 Рассчитать относительную погрешность измерения сопротивления изоляции по формуле (1)
Таблица 12
Полярность подключения резисторов к полюсам сети |
Номинальное значение сопротивления резистора моста, кОм |
Измеренное значение сопротивления изоляции терминалом, кОм |
Относительная погрешность измерения сопротивления, % |
Предел допускаемой относительной погрешности, % |
+ |
10 |
20 | ||
+ |
25 |
20 | ||
+ |
50 |
20 | ||
+ |
75 |
20 | ||
+ |
100 |
20 | ||
10 |
20 | |||
25 |
20 | |||
50 |
20 | |||
75 |
20 | |||
100 |
20 |
-
8.4.2.3.7 Подключить мост сопротивлений к отрицательному полюсу источника питания и повторить измерения.
-
8.4.2.3.8 Подключить два конденсатора емкостью по 100 мкФ согласно рисунку 1. Повторить пункты 8.4.2.3.3-8.4.2.3.7. Результаты измерений внести в таблицу 13.
Таблица 13
Полярность подключения резисторов к полюсам сети |
Номинальное значение сопротивления резистора моста, кОм |
Измеренное значение сопротивления изоляции терминалом, кОм |
Относительная погрешность измерения сопротивления, % |
Предел допускаемой относительной погрешности, % |
+ |
10 |
20 | ||
+ |
25 |
20 | ||
+ |
50 |
20 | ||
+ |
75 |
20 | ||
+ |
100 |
20 | ||
10 |
20 | |||
25 |
20 | |||
50 |
20 | |||
75 |
20 | |||
100 |
20 |
ГСИ. ЭКРА-СКИ
Методика поверки
-
8.4.2.3.9 Результаты поверки считать положительными, если значения относительных погрешностей находятся в пределах, указанных в описании типа.
-
9.1 Положительные результаты поверки устройств оформляют свидетельством о поверке по форме, установленной в документе «Порядок проведения поверки средств измерений, требования к знаку поверки и содержанию свидетельства о поверке», утвержденном приказом Минпромторга России от 2 июля 2015 г. № 1815 и нанесением знака поверки в виде клейма в паспорт или на свидетельство о поверке.
-
9.2 Отрицательные результаты поверки устройств оформляют извещением о непригодности по форме, установленной в документе «Порядок проведения поверки средств измерений, требования к знаку поверки и содержанию свидетельства о поверке», утвержденном приказом Минпромторга России от 2 июля 2015 г. № 1815, свидетельство о предыдущей поверке аннулируют, а устройства не допускают к применению.
С.Ю. Рогожин
М.В. Гришин
Начальник отдела 206.1
ФГУП «ВНИИМС»
Начальник сектора 206.1/1
ФГУП «ВНИИМС»
УСЛОВИЯ ПОВЕРКИ
-
6.1 При проведении поверки должны соблюдаться следующие условия:
-
- температура окружающей среды от плюс 15 °C до плюс 25 °C;
-
- относительная влажность воздуха при температуре плюс 25 °C до 80 %;
-
- атмосферное давление от 97 до 105 кПа (от 650 до 786 мм рт.ст.).
ПОДГОТОВКА К ПОВЕРКЕ
-
7.1 Перед проведением поверки необходимо выполнить следующие подготовительные работы:
-
- выдержать систему в условиях, указанных в разделе 6 в течение не менее 2 часов;
-
- выполнить операции, оговоренные в технической документации на применение средств поверки по их подготовке к измерениям;
- осуществить предварительный прогрев средств поверки для установления их рабочего режима.
ПРОВЕДЕНИЕ ПОВЕРКИ
8Л Внешний осмотр
-
8.1.1 При внешнем осмотре проверить отсутствие внешних механических повреждений и неисправностей, влияющих на работоспособность системы.