Руководство по эксплуатации «БЛОК ПИТАНИЯ ДАТЧИКОВ БПК-40М» (2.087.016 РЭ)
ОКП 421821

УТВЕРЖДАЮ
Раздел 3 «Методы и средства поверки»
УТВЕРЖДАЮ

И. о. директора ООО

БЛОКИ ПИТАНИЯ ДАТЧИКОВ
БПК-40М
Руководство по эксплуатации
2.087.016 РЭ
ОКП 42 1821

БЛОК ПИТАНИЯ, ПРЕОБРАЗОВАНИЯ И КОРНЕИЗВЛЕЧЕНИЯ БПК-40М

2.087.016 РЭ


РУКОВОДСТВО ПО ЭКСПЛУАТАЦИИ
В связи с постоянной работой по совершенствованию изделий, повышающей их надежность и улучшающей условия эксплуатации, в конструкцию могут быть внесены незначительные изменения, не отраженные в настоящем издании.
Настоящее руководство по эксплуатации (в дальнейшем - РЭ) предназначено для изучения устройства и работы блоков питания, преобразования и корнеизвлечения БПК-40М. РЭ содержит сведения и иллюстрации необходимые для правильной эксплуатации блоков.
-
1. Описание и работа
1.1. Назначение
Блоки питания, преобразования и корнеизвлечения БПК-40М (в дальнейшем - блоки) предназначены для организации питания датчиков с унифицированным выходным сигналом 0-5 или 4-20 мА постоянного тока, а также для функционального преобразования этого сигнала в другие уровни по двум выходным каналам с пропорциональной и корнеизвлекающей зависимостью.
Блоки содержат стабилизированный источник питания с выходным напряжением 36В постоянного тока, обеспечивающий работу тензорези-сторных датчиков, например, Метран 150
Блоки по ГОСТ 14254-96 соответствуют степени защиты IP54.
Блоки по устойчивости к климатическим воздействиям соответствуют исполнению УХЛ категории 3 по ГОСТ 15150-69, группы исполнения СЗ по ГОСТ Р 52931-2009, но для работы при температуре от минус 10 до плюс 60 °C.
При эксплуатации блоков допускаются воздействия:
-
- синусоидальной вибрации с частотой от 5 до 25 Гц и амплитудой до 0,1 мм;
-
- магнитных полей постоянного и переменного токов с частотой (50±1) Гц и напряженностью до 400 А/м;
-
- относительной влажности от 30 до 80 % во всем диапазоне рабо
чих температур.
Запись блока при заказе должна быть следующей:
«Блок питания, преобразования и корнеизвлечения
3 шт: ».
\_5
БПК-40М-
где: 1 - наименование блока;
-
2 - пределы допускаемой основной погрешности;
-
3 - входной сигнал;
-
4 - выходной сигнал
-
5 - количество;
Условные обозначения блоков БПК-40М приведены в таблице 1. Таблица 1
Обозначение |
Входной сигнал 1вх, мА |
Выходной сигна 1вых, мА |
БПК-40М -111 |
0-5 |
0-5 |
БПК-40М-112 |
4-20 | |
БПК-40М -121 |
4-20 |
0-5 |
БПК-40М - 122 |
4-20 |
1.2 Характеристики
-
1.2.1 Питание блоков осуществляется от сети переменного тока напряжением (220+22/.33) В и частотой (50±1) Гц.
-
1.2.2 Мощность, потребляемая блоками, не более 7,5 В А.
-
1.2.3 Блоки обеспечивают питание датчиков от встроенного источника питания постоянного тока номинальным напряжением 36 В, имеющего защиту от короткого замыкания и перегрузки. Номинальный ток нагрузки источника питания 50 мА.
-
1.2.4 Токи срабатывания защиты источника питания: от перегрузки - не более 75 мА, от короткого замыкания - не более 47 мА.
-
1.2.5 Входная и выходные цепи блоков рассчитаны на подключение информативных цепей с унифицированными сигналами 0-5 или 4-20 мА (в соответствии с таблицей 1).
-
1.2.6 Выходные цепи блоков рассчитаны на работу с нагрузками не более 750 Ом для сигнала 4-20 мА и не более 2,5 кОм для сигнала 0-5 мА.
Сопротивление кабелей линии связи блоков с датчиком должно быть не более 100 Ом.
-
1.2.7 Входное сопротивление блоков не более 500 Ом для сигнала 0-5 мА и не более 200 Ом для сигнала 4-20 мА.
-
1.2.8 Блок имеет два канала преобразования в токовый сигнал информативного сигнала датчика.
Номинальная статическая характеристика первого канала преобразования - линейная и определяется формулой (1) , второго -корнеизвлекающая - формула (2):
y = y»+VCTV“(-Y"jr»)’ (D
y--y^y<-y4^' <2>где Y - текущее значение выходного сигнала канала преобразования, мА;
X - текущее значение информативного сигнала, мА;
Yo, YK - нижний, верхний пределы изменения выходного сигнала канала преобразования, мА;
Хо, Хк - нижний и верхний предел диапазона изменения информативного сигнала, мА.
-
1.2.9 Пределы допускаемой основной приведенной погрешности по каналу с пропорциональной зависимостью, выраженной в процентах от нормирующего значения, равны ± 0,15.
-
1.2.10 Пределы допускаемой основной приведенной погрешности по каналу с корнеизвлекающей зависимостью в процентах от нормирующего значения равны в диапазоне изменения входного сигнала:
-от 5 до 100% ±0,25;
-
- от 0 до 5 % ± 2,0.
За нормирующее значение принимают разность пределов изменения выходного сигнала канала преобразования.
-
1.2.11 Пределы допускаемой дополнительной погрешности канала преобразования при изменении температуры окружающей среды на каждые 10 °C равны пределам допускаемой основной погрешности.
-
1.2.12 Пределы допускаемой дополнительной погрешности канала преобразования при изменении напряжения питания равны пределам допускаемой основной погрешности.
-
1.2.13 Пульсация не превышает:
-
- 80 мВ для выходного сигнала канала преобразования;
-
- 40 мВ для напряжения цепей, питающих датчики.
-
1.2.14 Изоляция электрических цепей блоков между собой выдерживает в течение 1 мин действие испытательного напряжения переменного тока практически синусоидальной формы, частотой 50 Гц в соответствии с таблицей 5.
Электрическое сопротивление изоляции цепей блоков между собой не менее значений, приведенных в таблице 2.
Таблица 2
Проверяемые цепи |
Испытательное напря-жение, В |
Сопро' изоляции, темпе |
гивление МОм, при ратуре |
(23 ± 5) °C |
(60 ± 3) °C | ||
Силовая цепь относительно корпуса, цепи питания датчика, цепи приема информативного сигнала и цепей преобразования |
1500 |
40 |
10 |
Корпус относительно цепи питания датчика, цепи приема информативного сигнала и цепей канала преобразования |
250 |
100 |
40 |
-
1.2.15 Габаритные и присоединительные размеры блока не более приведенных в приложении А.
-
1.2.16 Масса блоков не более 3 кг.
-
1.2.17 Средний срок службы 10 лет.
-
1.2.18 Средняя наработка на отказ на каждый выходной канал блоков не менее 25000 ч.
-
1.2.19 Блоки в упаковке для транспортирования выдерживают по
ГОСТ Р 52931-2008:
-
- воздействие ударов со значением пикового ударного ускорения 98 м/с2, длительностью ударного импульса 16 мс с общим числом ударов 1000 ± 10 в направлении, обозначенном на таре манипуляционным знаком «Верх»;
-
- воздействие температур от минус 50 до 50 °C;
-
- воздействие относительной влажности (95 ± 3) % при температуре 35 °C.
1.3 Состав изделия
В состав изделия входят блок и комплект запасных частей (см. паспорт на блок). К изделию прилагается техническая документация.
1.4 Устройство и работа
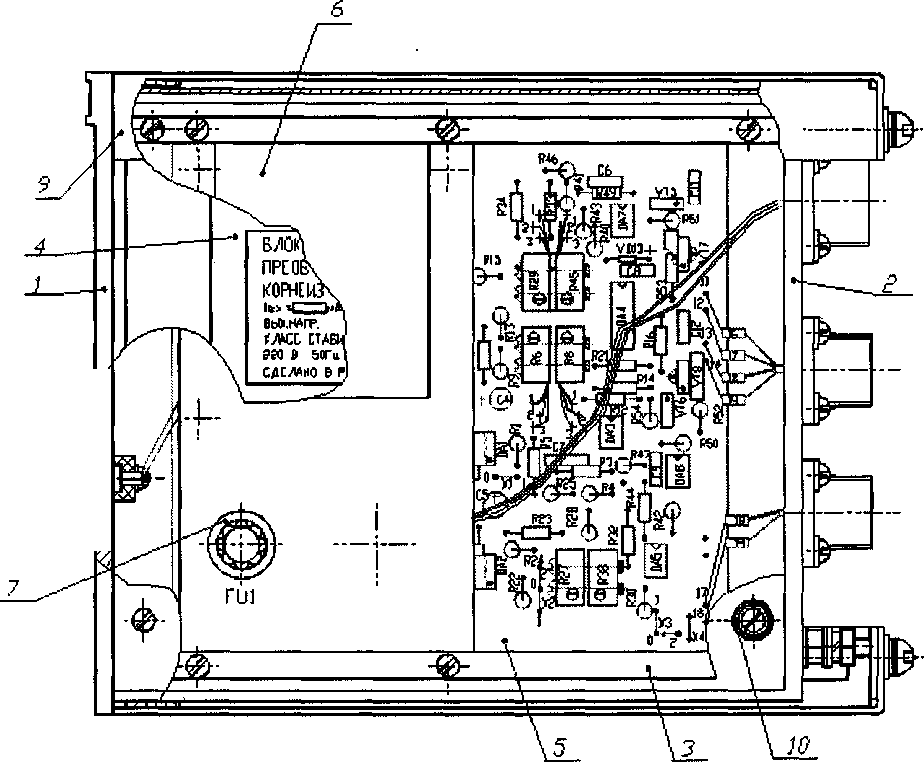
Общий вид блоков представлен в приложении Б.
Блоки конструктивно состоят из лицевой (1) и задней (2) панелей, соединенных стяжками (3), и крышки (4).
На стяжках крепится печатная плата (5), на которой расположены элементы электрической схемы, скоба с трансформатором Т (6) и предохранителем (7).
На лицевой панели находится световой индикатор HL (8), сигнализирующий о подключении блоков к промышленной сети питания переменного тока.
На задней панели находятся:
-
- разъем ХР1, обеспечивающий подключение блоков к указанной сети питания;
-
- разъем ХР2, обеспечивающий питание датчика и, одновременно, поступление информативного сигнала 4-20 мА (только для блоков с входным сигналом 4-20 мА) от этого датчика во входную цепь блоков;
-
- разъем ХРЗ (только для блоков с входным сигналом 0-5 мА), обеспечивающий поступление информативного сигнала 0-5 мА отдатчика;
-
- разъемы XS1, XS2 - для подключения нагрузки по выходным каналам с пропорциональной зависимостью (XS1) и с корнеизвлекающей зависимостью (XS2).
При монтаже крепление корпуса блоков к щиту осуществляется с помощью обоймы (9).
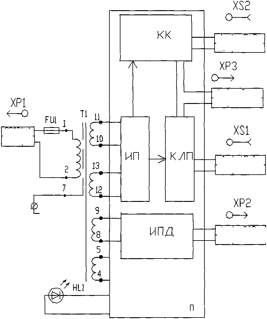
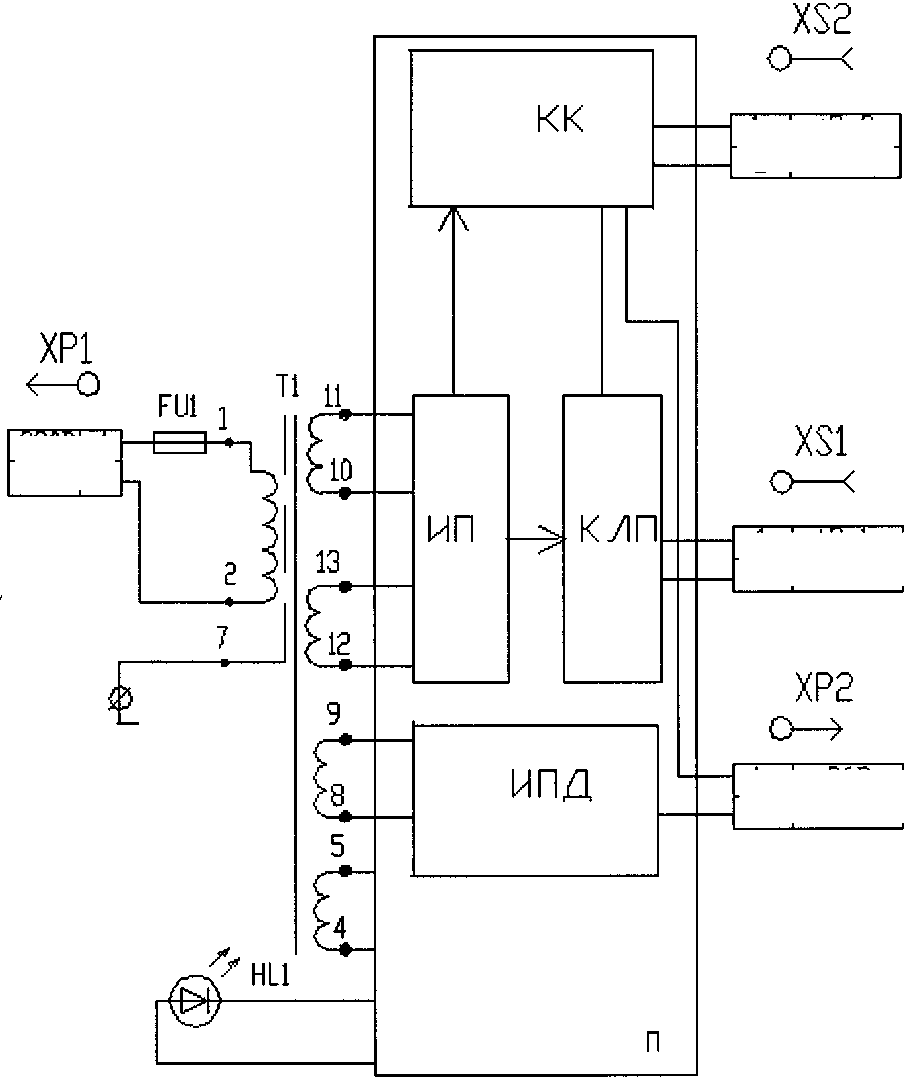
Структурные схемы блоков приведены в приложениях В и Г.
Блоки с входным сигналом 0-5 мА отличаются от блоков с входным сигналом 4-20 мА наличием дополнительного разъема ХРЗ и коммутацией внутренних цепей и перемычек на печатной плате.
Блоки состоят из понижающего трансформатора (Т), печатной платы (П) на которой расположены: элементы источника питания датчика (ИПД), элементы канала линейного преобразования (КПП), элементы канала корнеизвлечения (КК), источник питания (ИП) линейного и корнеизвлекающего каналов. Оба канала имеют общий вход через разъем ХРЗ (для варианта 0-5 мА) и через разъем ХР2 (для варианта 4-20 мА). Выход линейного канала выведен на разъем XS1, а корнеизвлекающего - на XS2.
Напряжение питания 220 В через разъем ХР1 и предохранитель FU1 подается на первичную обмотку 1-2 понижающего трансформатора (Т). От вторичной обмотки (8-9) напряжение поступает на ИПД, а от вторичных обмоток (10-11, 12-13) напряжение поступает на источник питания каналов.
Напряжение постоянного тока 36 В с разъёма ХР2 поступает на датчик.
При двухпроводной схеме питания датчика с информационным током 4-20 мА сигнал с датчика через этот же разъём поступает на входы канала корнеизвлечения и линейного канала.
При работе с датчиком с выходным сигналом 0-50 мА, сигнал от датчика поступает на входы каналов через разъём ХРЗ. С клемм разъемов XS2 и XS1 снимаются выходные сигналы каналов корнеизвлечения и линейного канала соответственно.
1.5 Маркировка и пломбирование
-
1.5.1 Блоки снабжены двумя табличками, соответствующими ГОСТ Р 52931-2008.
-
1.5.2 На табличке, выполненной фотохимическим способом и прикрепленной к лицевой панели блока, нанесено условное обозначение блока.
-
1.5.3 На табличке, прикрепленной к боковой стороне блока, нанесены следующие надписи:
-
- товарный знак предприятия-изготовителя;
-
- условное обозначение блока;
-
- порядковый номер блока по системе нумерации предприятия-изготовителя;
-
- диапазон изменения входного и выходного сигналов;
-
- выходное напряжение иВЫх = 36 В;
-
- класс стабилизации - 0,1;
-
- параметры сети питания (В, Гц);
-
- знак Госреестра;
-
- надпись «Сделано в России»;
-
- год выпуска.
-
1.5.4 У мест присоединения внешних электрических цепей блоков выполнена надпись «Сеть» и позиционные обозначения разъемов.
-
1.5.5 На транспортной таре нанесены манипуляционные знаки: «Хрупкое. Осторожно», «Верх».
-
1.5.6 Пломбирование блоков осуществляется заполнением пломбировочной пастой колпачка (10), крепящегося к крышке с помощью стягивающего винта (см. приложение Б).
1.6 Упаковка
-
1.6.1 Блоки упаковываются в коробки из коробочного картона или ящик из гофрированного картона, а затем укладываются в ящики типа IV по ГОСТ 5959-80.
-
1.6.2 При транспортировании в контейнере блоки должны быть уложены в коробки или ящики из картона.
-
1.6.3 Ящики должны быть обиты внутри водонепроницаемым материалом, который предохраняет от проникновения пыли и влаги.
-
1.6.4 Принадлежности и запасные части находятся в той же коробке, что и блок. Сюда же вложены паспорт и РЭ.
-
2 ИСПОЛЬЗОВАНИЕ ПО НАЗНА ЧЕН ИЮ
2.1 Эксплуатационные ограничения
-
2.1.1 Конструкция блоков рассчитана для монтажа на щите. В удобном для установки блоков месте, в щите делается вырез с размерами, указанными в приложении А.
С корпуса блока снимается обойма (9) (см. приложение Б).
Блок вставляется с лицевой стороны щита в вырез, а с обратной стороны щита крепится с помощью обоймы двумя винтами М5.
-
2.1.2 Запрещается эксплуатировать блоки в условиях, отличных от указанных в подразделе 1.2 «Характеристики».
2.2 Подготовка блоков к использованию
-
2.2.1 По степени защиты человека от поражения электрическим током блоки относятся к классу 01 по ГОСТ 12.2.007.0-75.
Зажим заземления на корпусе блока должен быть электрически соединен с контуром заземления.
-
2.2.2 При получении ящиков с блоками необходимо проверить сохранность тары. В случае ее повреждения следует составить акт и обратиться с рекламацией к транспортной организации.
В зимнее время ящики с блоками необходимо распаковывать в отапливаемом помещении не менее чем через 8 ч после внесения их в помещение.
После распаковывания проверить комплектность в соответствии с паспортом на блок.
Рекомендуется сохранять паспорт, который является юридическим документом при предъявлении рекламации предприятию-изготовителю или поставщику.
В паспорт должны включаться данные касающиеся хранения и эксплуатации блока.
-
2.2.3 Соединение блоков с внешними приборами и цепями осуществляется согласно схемам (см. приложения Д и Е). Линии связи могут быть выполнены любым типом кабеля, при этом должны быть соблюдены требования п. 1.2.8. Входные и выходные цепи блоков должны быть экранированы и проложены отдельно от силовых цепей.
-
2.2.4 Подсоединение проводов кабеля к ответным частям разъемов блоков осуществляется с помощью пайки припоем ПОССу-60.
-
3 МЕТОДЫ И СРЕДСТВА ПОВЕРКИ
Данный раздел устанавливает методы и средства первичной и периодических поверок блоков. Межповерочный интервал - два года.
3.1 Операции поверки
-
3.1.1 При поверке должны производиться операции, указанные в таблице 3
Таблица 3
Наименование операции |
№ пп. |
Внешний осмотр |
3.7.1 |
Измерение электрического сопротивления изоляции |
3.7.2 |
Проверка токов защиты от перегрузки и короткого замыкания |
3.7.3 |
Определение основной погрешности канала преобразования |
3.7.4 |
Оформление результатов поверки |
3.5 |
3.2 Средства поверки
-
3.2.1 При поверке блоков необходимо применить средства поверки согласно таблице 4.
Таблица 4
Наименование |
Основные характеристики, необходимые для проверки |
Рекомендуемое оборудование |
Мегаомметр |
Номинальное напряжение 100, 500 В; погрешность не более ± 2,5 %, пределы измерения от 0 до 100 МОм |
Ф4101 |
Лабораторный автотрансформатор |
Пределы регулирования 0-250 В, ток нагрузки 2 А, контроль напряжения по вольтметру кл.1,0 |
ЛАТР-2М |
Амперметр переменного тока |
0-0,15 А; класс точности 0,5 |
Э513/3 |
Вольтметр переменного тока |
0-300 В; класс точности 0,5 |
Э515/3 |
Миллиамперметр постоянного тока |
Пределы измерения 0-15 мА, класс точности 2,5 |
Ц4313 |
Цифровой вольтметр |
Класс точности 0,005/0,001 |
Щ31 |
Эталонная катушка |
Номинальное сопротивление 100 Ом; класс точности 0,01 |
Р331 |
Магазин сопротивлений |
Класс точности 0,05 |
МСР-63 |
Генератор постоянного тока |
Диапазон от 0 до 20 мА Класс точности 0,05 |
КИСС-03 |
Примечание - допускается применение оборудования любых типов, основные характеристики которых не хуже приведенных в таблице |
3.3 Требования к квалификации поверителей
-
3.3.1 Поверку блоков должен выполнять поверитель, прошедший инструктаж по технике безопасности, освоивший работу с поверяемым блоком и используемыми эталонами.
Поверитель должен быть аттестован в соответствии с ПР 50.2.012-94 «ГСИ. Порядок аттестации поверителей средств измерений».
3.4 Требование безопасности
-
3.4.1 При проведении поверки необходимо соблюдать требования безопасности, предусмотренные «Правилами технической эксплуатации электроустановок потребителей и правилами техники безопасности при эксплуатации электроустановок потребителей» (изд. 3), ГОСТ 12.2.007.0--75, ГОСТ Р 12.1.019-2009, указаниями по безопасности, изложенными в РЭ на поверяемый блок, применяемые эталоны и вспомогательное оборудование.
3.5 Оформление результатов поверки
Положительные результаты первичной поверки оформляются записью в паспорте с указанием даты поверки и подписью поверителя, удостоверенной клеймом.
По результатам последующих поверок поверителем оформляется свидетельство о поверке по ПР 50.2.006-94 «Правила по метрологии. ГСИ. Порядок проведения поверки средств измерений».
Блок, не удовлетворяющий требованиям одного из пунктов проверки, бракуется и не допускается к применению. При этом выпускается извещение о непригодности согласно ПР 50.2.006-94.
ВНИМАНИЕ! Для нормальной работы блоков при использовании только одного выходного канала (либо с пропорциональной, либо с корнеизвлекающей зависимостью) необходимо подключить на выход неиспользуемого канала нагрузку, величина которой приведена в приложении Ж (R3). Нагрузки Rh1 и Rh2 не должны быть гальванически связаны друг с другом.
3.6 Условия поверки и подготовка к ней
-
3.6.1 Поверка блоков должна проводиться в нормальных условиях:
-
- напряжение питания (220 ± 4,4) В;
-
- коэффициент высших гармоник не более 5 %;
-
- температура окружающего воздуха плюс (23 ± 2) °C;
-
- время выдержки блоков после включения не менее 30 мин.
-
3.6.2 Перед началом поверки поверитель должен изучить руководство по эксплуатации поверяемых средств измерений, эталонов и других технических устройств, используемых при поверке, и правила техники безопасности.
-
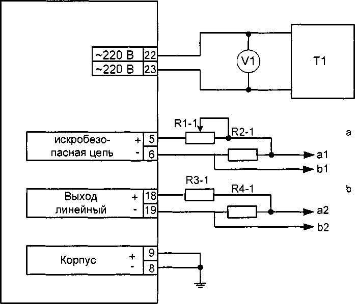
3.6.3 Схема проверки блока приведена в приложении Ж.
-
3.7 Проведение поверки
-
3.7.1 Внешний осмотр
-
При проведении внешнего осмотра должно быть установлено соответствие блока комплектности, маркировке, целостность корпуса.
-
3.7.2 Измерение электрического сопротивления изоляции (п. 1.2.14)
Перед проверкой соедините накоротко контакты согласно таблице 5. Таблица 5
Проверяемые цепи |
Замкнутые контакты |
Силовая цепь |
ХР1/1.2 |
Цепь питания датчика |
ХР2/1.2 |
Цепи информативная и каналов преобразования |
ХРЗ/1,2; XS1/1.2; XS2/1.2 |
Измерение проводите мегаомметром с номинальным напряжением:
- 500 В для цепей с испытательным напряжением 1500 В; -100 В для остальных цепей.
Мегаомметр подключите к проверяемым цепям и проведите отсчет показаний по истечении времени, за которое показания мегаомметра установятся.
Блок считают годным, если показания мегаомметра не ниже значений, приведенных в таблице 2.
-
3.7.3 Проверка токов защиты от перегрузки и короткого замыкания
Проверку токов защиты от перегрузки и короткого замыкания проводят только для блоков БПК-40М с входным сигналом от 0 до 5 мА, выполняя приведенную ниже последовательность операций.
Уменьшая сопротивление резистора R1-1 фиксируют показания вольтметра ZV1, подключенного к выводам а1, Ы в момент прекращения увеличения при последующем изменении R1-1.
Затем закоротить R1-1 и зафиксировать показания ZV1.
Ток рассчитывают по формуле:
U
(1)
100’
где / -значениетока, мА;
I/- показание вольтметра, мВ;
100 - сопротивление эталонной меры, Ом.
Блок считают годным, если токи короткого замыкания и перегрузки, рассчитанные по формуле (1) не превышают значений по п. 1.2.4.
-
3.7.4 Определение основной погрешности (пп. 1.2.9,1.2.10).
Определение основной погрешности канала преобразования проводят поочередно для каждого канала при пяти значениях, равномерно распределенных по диапазону, включая нижний и верхний пределы.
Значения входных и выходных сигналов приведены в таблицах 6, 7.
Таблица 6 - Значения входных и выходных сигналов для канала
с пропорциональной зависимостью
Диапазон изменения входного сигнала |
Диапазон изменения выходного сигнала | ||||
/вх= 0-5 мА |
1вых= 0-5 мА |
1вых= 4-20 мА | |||
Измеряемое значение |
Расчетное значение выходного сигнала |
Расчетное значение выходного сигнала | |||
1вх, мА |
Uex, В |
■вых. мА |
иВых. В |
1вых. мА |
иВых. В |
0,000 |
0,0000 |
0,000 |
0,0000 |
4,000 |
0,4000 |
0,625 |
0,0625 |
0,625 |
0,0625 |
6,000 |
0,6000 |
1,250 |
0,1250 |
1,250 |
0,1250 |
8,000 |
0,8000 |
2,500 |
0,2500 |
2,500 |
0,2500 |
12,000 |
1,2000 |
5,000 |
0,5000 |
5,000 |
0,5000 |
20,000 |
2,0000 |
4,000 |
0,4000 |
0,000 |
0,0000 |
4,000 |
0,4000 |
6,000 |
0,6000 |
0,625 |
0,0625 |
6,000 |
0,6000 |
8,000 |
0,8000 |
1,250 |
0,1250 |
8,000 |
0,8000 |
12,000 |
1,2000 |
2,500 |
0,2500 |
12,000 |
1,2000 |
20,000 |
2,0000 |
5,000 |
0,5000 |
20,000 |
2,0000 |
Таблица 7 - Значения входных и выходных сигналов для канала с корнеизвлекающей зависимостью
Диапазон изменения входного сигнала |
Диапазон изменения выходного сигнала | ||||||
/вх= 0-5 мА |
1вых~ 0-5 мА |
1вых= 4-20 мА | |||||
% от lexmax |
Расчетное зна- |
Расчетное зна- | |||||
измеряемое значение |
% от |
чение выходного |
чение выходного | ||||
1выхтах |
сигнала |
сигнала | |||||
1вх, мА |
ивх, в |
1вых> мА |
и ВЫХ, В |
1вых> мА |
и вых, В | ||
0 |
0,0000 |
0,00000 |
0 |
0,0000 |
0,00000 |
4,0000 |
0,40000 |
0,5 |
0,025 |
0,0025 |
7,0710 |
0,35355 |
0,03535 |
5,13136 |
0,51313 |
1,0 |
0,0500 |
0,0000 |
10 |
0,5000 |
0,05000 |
5,6000 |
0,56000 |
4,84 |
0,2420 |
0,024204 |
22 |
1,1000 |
0,11000 |
7,5200 |
0,75200 |
5,29 |
0,2645 |
0,02645 |
23 |
1,1500 |
0,11500 |
7,6800 |
0,76800 |
25 |
1,2500 |
0,12500 |
50 |
2,5000 |
0,25000 |
12,0000 |
1,20000 |
49 |
2,4500 |
0,24500 |
70 |
3,5000 |
0,35000 |
15,2000 |
1,52000 |
100 |
5,0000 |
0,50000 |
100 |
5,0000 |
0,50000 |
20,0000 |
2,00000 |
0 |
4,0000 |
0,40000 |
0 |
0,0000 |
0,00000 |
4,0000 |
0,40000 |
0,5 |
4,0800 |
0,40800 |
7,0710 |
0,35355 |
0,03535 |
5,13136 |
0,51313 |
1,0 |
4,1600 |
0,41600 |
10 |
0,5000 |
0,05000 |
5,6000 |
0,56000 |
4,84 |
4,7744 |
0,474 |
22 |
1,1000 |
0,11000 |
7,5200 |
0,75200 |
продолжение таблицы 7
1вх= 4-20 мА |
1вых~ 0-5 мА |
/вых= 4-20 мА | |||||
% от lexmax |
Измеряемое значение |
% 1выхтах |
Расчетное значение выходного сигнала |
Расчетное значение выходного сигнала | |||
lex, мА |
ивх,в |
1вых> мА |
Uebix, В |
1вых> мА |
Uвых, В | ||
5,29 |
4,8464 |
0,48464 |
23 |
1,1500 |
0,11500 |
7,6800 |
0,76800 |
25 |
8,0000 |
0,80000 |
50 |
2,5000 |
0,25000 |
12,0000 |
1,20000 |
49 |
11,8400 |
1,18400 |
70 |
3,5000 |
0,35000 |
15,2000 |
1,52000 |
100 |
20,0000 |
2,00000 |
100 |
5,0000 |
0,50000 |
20,0000 |
2,00000 |
Контроль устанавливаемых значений осуществляют по цифровому вольтметру ZV1, подключенному к клеммам «напряжение» эталонной меры сопротивления, R2-1.Tok рассчитывают по формуле (1).
Затем переключают цифровой вольтметр ZV1 на клеммы «напряжение» эталонной меры R4-1, R6 проверяемого канала и рассчитывают измеренное значение тока канала преобразования Уизм, пользуясь формулой (1).
Значение основной погрешности для каждого значения выходного сигнала 1вых рассчитывается по формуле:
/ = (/ -I )х100/Д/ , /21
где Y - погрешность преобразования, %;
1вых.расч. - расчетное значение выходного сигнала, выбираемое из таблицы 6 или 7 в зависимости от типа канала, мА;
21 /вых-диапазон изменения выходного сигнала, мА..
Блоки считаются годными, если значение основной погрешности блоков по каналам с пропорциональной и корнеизвлекающей зависимостью, рассчитанная по формуле (2), не превышает значений, указанных в пп. 1.2.9, 1.2.10, соответственно.
-
4 ХРАНЕНИЕ БЛОКОВ
-
4.1 Блоки должны храниться по условиям хранения 1 по ГОСТ 15150-69. В складских помещениях воздух не должен содержать пыли и примесей агрессивных паров и газов, вызывающих коррозию.
-
-
5 ТРАНСПОРТИРОВАНИЕ БЛОКОВ
-
5.1 Транспортирование блоков может производиться всеми видами транспорта в крытых транспортных средствах в соответствии с правилами перевозки грузов действующих на данном виде транспорта.
-
5.2 Условия транспортирования блоков должны соответствовать условиям хранения 5, для морских перевозок в трюмах - условиям хранения 3 по ГОСТ 15150-69.
-
5.3 Ящики с блоками должны транспортироваться и храниться в определенном положении, обозначенном манипуляционными знаками.
-
-
6 ГАРАНТИИ ИЗГОТОВИТЕЛЯ
-
6.1 Изготовитель гарантирует соответствие блоков требованиям технических условий при соблюдении условий хранения, транспортирования и эксплуатации.
-
6.2 Гарантийный срок эксплуатации - 18 месяцев со дня ввода блоков в эксплуатацию.
-
6.3 Гарантийный срок хранения - 6 месяцев со дня изготовления блоков.
-
6.4 Изготовитель несет ответственность за скрытые дефекты блоков независимо от срока гарантии.
-
Приложение А
(обязательное)
ГАБАРИТНЫЕ И ПРИСОЕДИНИТЕЛЬНЫЕ РАЗМЕРЫ БЛОКОВ БПК-40М
72
ЕЛКПИГЖЯ * ГШБМЗДММ U
Ь»С=Эй —i -ь
кмп м
ККС ГТЯШШ1 U 013 И Ой г
mump I traw

| ВПК-40М | |
j |
ч- 'ф | |
О |
1 |
Разметка на установку
70

BOmin
Рисунок А.1
Приложение Б (справочное) ОБЩИЙ ВИД БЛОКОВ БПК-40М

-
1 - лицевая панель;
-
2 - задняя панель;
-
3 - стяжки;
-
4 - крышка;
-
5 - печатная плата;
-
6 - трансформатор Т;
7- предохранитель FU1;
-
8 - сетевой индикатор HL;
-
9 - обойма;
-
10 - колпачок
Рисунок Б.1:
продолжение приложения Б


Рисунок Б.2
(остальное см. рисунок Б.1)
1вх, мА |
Рисунки |
4-20 |
Б.1 |
0-5 |
Б.2 |
Рисунок Б.1
(продолжение)
Приложение В
(обязательное)
СТРУКТУРНАЯ СХЕМА БЛОКОВ С ВХОДНЫМ СИГНАЛОМ 0-5 мА

Рисунок В.1
~ R'hT | |
р |
-Rh2 |
1 |
-1вх |
Р |
1-1 вых |
еж |
1 |
□Б |
2 |
1 |
4-РнГ |
2 |
-RhI |
1 |
+36В |
2 |
-36В |

Рисунок Г.1
I | |
р |
-Rh2 |
ТИШ |
ТГ |
□В |
2 |
+₽н1 | |
2 |
-RhI |
1 |
+36В |
2 |
-36В |

Рисунок Д.1

Рисунок Д.2

Рисунок Е.1

ВНИМАНИЕ! Для нормальной работы блоков при использовании только одного выходного канала (либо с пропорциональной, либо с корнеизвлекающей зависимостью) необходимо подключить на выход неиспользуемого канала нагрузку, величина которой приведена в приложении Ж (R3). Нагрузки Rh1 и Rh2 не должны быть гальванически связаны друг с другом.
СХЕМА ПРОВЕРКИ БЛОКОВ

V1 Вольтметр переменного тока
Т1 Лабораторный автотрансформатор
ZV1 Цифровой вольтметр
R1-1 Магазин сопротивлений МСР-63
R3-1, R5 Резистор 0,5 Вт ± 5 %:
-
- для выходного сигнала 4-20 мА - 650 Ом;
-
- для входного сигнала 0-5 мА - 2,4 кОм.
R2-1, R4-1, R6 Эталонная мера сопротивления Р331 100 Ом КП Канал преобразования
GI Генератор постоянного тока КИСС-03
Контактная информация:
Адрес: |
454047, г. Челябинск, ул. 2-я Павелецкая, 36 |
Телефон: |
(+7 351) 725-75-00 (многоканальный) |
Факс: |
(+7 351)725-89-59 |
E-mail: | |
Internet-адрес: |
Сервисная служба: (+7 351) 725-75-00, добавочный 1662
Отдел продаж: (+7 351) 725-75-00, добавочный 7401, 7402, 7405
Отдел по работе с дилерами: (+7 351) 725-75-00, добавочный 7408
Отдел маркетинга: (+7 351) 725-75-00, добавочный 7400
Отдел закупок: (+7 351) 725-75-00, добавочный 7403
Техническая поддержка:
• термометрия: |
(+7 351) 725-76-90 |
• вторичные приборы контроля и регулирования, функциональная аппаратура: (+7 351) 725-76-38
Продукция произведена ООО «Теплоприбор-Юнит»
чтп
декабрь 2011
ОКП 42 1821

УТВЕРЖДАЮ
Раздел 14
«Методы и средства поверки»
УТВЕРЖДАЮ
Зам. директора Руководит
УП ВНИИМС

ин
И. о. директора ООО
-Юнит»

ЛИ. Соломонов
ОКИ ПИТАНИЯ ДАТЧИКОВ
ОКП 42 1821

БЛОКИ ПИТАНИЯ, КОРНЕИЗВЛЕЧЕНИЯ И ИСКРОЗАЩИТЫ
БПК-40-ЕхРуководство по эксплуатации (в дальнейшем РЭ) содержит технические данные, описание принципа действия и конструкции блока питания, корнеизвлечения и искрозащиты БПК-40-Ех, а также сведения, необходимые для правильной эксплуатации.
-
1 НАЗНАЧЕНИЕ
Блок питания БПК-40-Ех (в дальнейшем блок), предназначен для организации питания, приема и преобразования информативных сигналов датчиков и других устройств систем промышленной автоматики.
Блоки могут быть использованы в системах регулирования и управления в различных отраслях промышленности: металлургической, нефтеперерабатывающей, химической, энергетической и других.
Блоки могут осуществлять:
-
- питание датчиков и других устройств автоматики напряжением постоянного тока;
-
- преобразование в токовый сигнал информативных сигналов датчиков и других устройств автоматики.
Блоки имеют взрывозащищенное исполнение, но предназначены для размещения вне взрывоопасных помещений, но могут осуществлять питание и прием информативных сигналов датчиков, установленных во взрывоопасных помещениях.
Блоки имеют вид взрывозащиты «искробезопасная электрическая цепь» уровня «ia» и выполнены в соответствии с требованиями, предъявляемыми к взрывозащищенному электрооборудованию подгрупп ПС, ИВ по:
-
- ГОСТ Р 51330.0-99;
-
- ГОСТ Р 51330.10-99.
Блоки имеют маркировку по взрывозащите [Exia] ПС /IIВ и предназначены для применения в отраслях промышленности, связанных с получением, переработкой, использованием и хранением взрыво- и пожароопасных веществ и продуктов.
Блоки предназначены для работы с оборудованием, допускающим максимальные значения выходного напряжения Uo, выходного тока Io, выходной мощности Ро искробезопасных цепей, а также эффективное значение напряжения Um и предельные параметры внешних искробезопасных цепей 1_о, Со, приведенные в таблице 1.
Таблица 1
Условное обозначение параметра |
Подгруппа оборудования/ значение параметра | |
ПС |
ИВ | |
Эффективное значение напряжения Um, В |
2* |
12 |
Максимальное выходное напряжение Uo, В |
25,2 | |
Максимальный выходной ток Io, мА |
105 | |
Максимальная выходная мощность Ро, Вт |
0,66 | |
Максимальная внешняя индуктивность Lo, мГн |
3 |
15 |
Максимальная внешняя емкость Со, мкФ |
0,1 |
0,6 |
Блоки по ГОСТ Р 52931-2008 являются:
- по метрологическим свойствам - средствами измерений;
-по эксплуатационной законченности - изделиями третьего порядка;
-по устойчивости к механическим воздействиям имеют виброустойчивое и вибропрочное исполнение N2.
Блоки имеют щитовое исполнение.
Блоки по устойчивости к климатическим воздействиям соответствуют исполнению УХЛЗ, но для работы при температуре окружающего воздуха от минус 10 до 60 °C, относительной влажности 80 % при температуре 25 °C и более низких температурах без конденсации влаги.
Блоки имеют защиту от несанкционированного доступа к изменению настроек - пломбирование.
При заказе блоков следует указывать полное название блока с цифровым индексом (первая цифра - это индекс предела основной погрешности, а две остальные - индекс предельных значений входного и выходного сигналов) и количество.
Например:
Блок питания БПК-40-Ех1а-121, 2 шт.;
-
2 ТЕХНИЧЕСКИЕ ХАРАКТЕРИСТИКИ
-
2.1 Блоки имеют исполнения в соответствии с таблицей 2.
-
2.2 Блоки имеют одну искробезопасную цепь для питания и приема информативных сигналов датчиков, расположенных во взрывоопасной зоне.
-
2.3 Пределы изменения информативных сигналов датчиков от 4 до 20 мА поГОСТ 26.011-80.
-
Таблица 2
Обозначение исполнения |
Пределы изменения выходного сигнала ка-налов преобразования, мА |
Пределы допускаемой основной приведенной погрешности для преобразования , % | |
с линейной характеристикой |
с корнеизвлекающей характеристикой | ||
121 |
От 0 до 5 |
±0,1 |
±0,25 |
122 |
От 4 до 20 | ||
221 |
От 0 до 5 |
±0,2 | |
222 |
От 4 до 20 |
-
2.4 Блоки имеют два канала преобразования в токовый сигнал информативного сигнала датчика.
Номинальная статическая характеристика первого канала преобразования - линейная и определяется формулой (1) , второго -корнеизвлекающая - формула (2):
Г = Г0 + ^ЧХ-4),
16 (1)
Y = Yo+(Yk-Y0)J^, (2)
где Y - текущее значение выходного сигнала канала преобразования, мА;
X - текущее значение информативного сигнала, мА;
Yo, YK - нижний, верхний пределы изменения выходного сигнала канала преобразования, мА;
4, 16 - нижний предел, диапазон изменения информативного сигнала, мА.
-
2.5 Пределы изменения выходных сигналов и нагрузочные сопротивления каналов преобразования соответствуют ГОСТ 26.011-80 и приведены в таблице 3.
Таблица 3
Пределы изменения выходного сигнала, мА |
Номинальное значение нагрузочного сопротивления, Ом |
От 0 до 5 |
2500 |
От 4 до 20 |
750 |
-
2.6 Блоки имеют индикацию включения питания.
-
2.7 Напряжение питания блоков должно быть от 187 до 242 В, частотой (50 ± 1) Гц. Мощность, потребляемая блоком, не более 7,5 В А.
-
2.9 Габаритные и установочные размеры блока приведены в приложении А.
-
2.10 Масса блока не более 3 кг.
-
2.11 Пределы допускаемой основной приведенной погрешности канала преобразования в процентах от нормирующего значения при нормальных условиях равны значениям, приведенным в таблице 4.
За нормирующее значение принимают разность между верхним и нижним пределами диапазона изменения выходного сигнала канала преобразования.
Таблица 4
Номинальная статическая характеристика канала преобразования |
Значения пределов погрешности , % |
Линейная |
в зависимости от исполнения: ± 0,1 или ± 0,2 |
Корнеизвлекающая |
В диапазоне изменения входного сигнала: -от 5 до 100% ±0,25; - от Одо 5% ±2,0 |
Нормальные условия:
-
- температура окружающего воздуха (20 ± 2) °C;
-
- относительная влажность окружающего воздуха от 30 до 80 %;
-
- атмосферное давление от 86 до 106 кПа;
-
- напряжение питания (220 ± 4,4) В частотой (50 ± 1) Гц с коэффициентом высших гармоник не более 5 %;
-
- отсутствие вибрации, тряски и ударов, влияющих на работу.
-
2.12 Пульсация не превышает:
-
- 80 мВ для выходного сигнала канала преобразования;
-
- 40 мВ для напряжения искробезопасных цепей при номинальной нагрузке 20 мА.
-
2.13 Напряжение на выходе искробезопасной цепи составляет (17,7 ± 2,4) В при номинальной нагрузке 20 мА.
-
2.14 Ток короткого замыкания искробезопасной цепи не более 105 мА.
-
2.15 Изоляция электрических цепей блоков между собой выдерживает в течение 1 мин действие испытательного напряжения переменного тока практически синусоидальной формы, частотой 50 Гц в соответствии с таблицей 5.
Электрическое сопротивление изоляции цепей блоков между собой должно быть не менее значений, приведенных в таблице 5.
Таблица 5
Проверяемые цепи |
Испытательное напря-жение, В |
Сопро' изоляции, темпе |
гивление МОм, при ратуре |
(23 ± 5) °C |
(60 ± 3) °C | ||
Силовая цепь относительно корпуса, искробезопасной цепи и цепей каналов преобразования |
1500 |
40 |
10 |
-
2.16 Пределы допускаемой дополнительной погрешности канала преобразования при изменении температуры окружающей среды на каждые 10 °C равны пределу допускаемой основной погрешности.
-
2.17 Пределы допускаемой дополнительной погрешности канала преобразования при изменении напряжения питания равны пределам допускаемой основной погрешности.
-
2.18 Блоки в упаковке для транспортирования выдерживают по ГОСТ Р 52931-2008:
-
- воздействие ударов со значением пикового ударного ускорения 98 м/с2, длительностью ударного импульса 16 мс с общим числом ударов 1000 ± 10 в направлении, обозначенном на таре манипуляционным знаком «Верх»;
-
- воздействие температур от минус 50 до 50 °C;
-
- воздействие относительной влажности (95 ± 3) % при температуре 35 °C.
-
2.19 Степень пылевлагозащиты корпуса блока соответствует IP54.
-
2.20 Средняя наработка на отказ - не менее 25000 ч.
-
2.21 Средний срок службы не менее 10 лет.
-
3 СОСТАВ ИЗДЕЛИЯ
-
3.1 В состав изделия входят блок и комплект запасных частей и принадлежностей. К изделию прилагается эксплуатационная документация.
-
-
4 УСТРОЙСТВО И ПРИНЦИП РАБОТЫ
-
4.1 Общий вид блока представлен в приложении Б.
-
4.2 Блок конструктивно состоит из лицевой (1) и задней (2) панелей, соединенных стяжками (3), и крышки (4).
-
На стяжках крепится печатная плата (5), на которой расположены элементы электрической схемы двухполярного источника питания и два разъема для установки модуля искрозащиты и питания (МИП) (6) и модуля корнеизвлечения (МКИ) (7), скоба с трансформатором (8) и предохранителями (9).
На лицевой панели находится световой индикатор HL (10), сигнализирующий о подключении блока к промышленной сети питания переменного тока.
На задней панели расположены:
-
- разъем ХР1, обеспечивающий питание блока;
-
- разъем ХР2 для подключения взрывозащищенного датчика;
-
- два разъема XS1, XS2 - для подключения нагрузки по выходным каналам с пропорциональной зависимостью (XS1) и с корнеизвлекающей зависимостью (XS2).
При монтаже корпус блока в щите крепится с помощью обоймы (11). 1 ограничения тока и напряжения в его электрических цепях до искробезопасных значений, а также за счет соответствующего выполнения конструкции блока.
-
5.3 Ограничение тока и напряжения в искробезопасных цепях блока до искробезопасных значений достигается наличием в блоке встроенного барьера искрозащиты (ВИЗ).
-
5.4 Ограничение тока короткого замыкания (1кз) осуществляется установкой в ВИЗ резистора с сопротивлением не менее 255 Ом.
-
5.5 Ограничение напряжения в цепи питания датчиков на уровне не более 25,2 V осуществляется с помощью стабилитронов.
-
5.6 Ограничение тока в цепи питания датчика от 25 до 35 мА осуществляется специальной электронной схемой, ограничивающей ток.
-
5.7 Электрические цепи, гальванически связанные с искробезопасными цепями, и силовые цепи переменного тока (220 В) разделены печатным экраном шириной не менее 1,5 мм, с которым электрически соединены выводы экранных обмоток силового трансформатора. Этот печатный экран электрически соединен с зажимом заземления.
-
5.8 Искробезопасные цепи объемного монтажа проложены проводом, имеющим отличительный синий цвет.
-
5.9 ВИЗ с двух сторон закрыт специальными крышками, имеющими неразборную конструкцию.
-
5.10 Проводить ремонт и восстановление ВИЗ имеет право только предприятие-изготовитель.
-
5.11 Трансформатор выполнен в соответствии с требованиями ГОСТ Р 51330.10-99.
-
6 МАРКИРОВКА И ПЛОМБИРОВАНИЕ
-
6.1 Блок снабжен двумя табличками.
-
6.2 На табличке, прикрепленной к лицевой панели блока, нанесено условное обозначение блока и маркировка по взрывозащите «ExiallC».
-
6.3 На табличке, прикрепленной к боковой стороне блока, нанесены следующие надписи:
-
-
- товарный знак предприятия-изготовителя;
-
- условное обозначение блока;
-
- значения параметров внешней искробезопасной цепи:
-
- порядковый номер блока по системе нумерации предприятия-изготовителя;
-
- диапазон изменения входного и выходного сигналов;
-
- параметры сети питания (В, Гц);
-
- знак утверждения типа;
-
- надпись «Сделано в России»;
-
- год выпуска.
-
6.4 У мест присоединения внешних электрических цепей блока выполнены надписи «Искробезопасная цепь», «Сеть» и позиционные обозначения разъемов.
-
6.5 Пломбирование блока осуществляется заполнением пломбировочной пастой колпачка (12), крепящегося к крышке с помощью стягивающего винта (смотри приложение Б).
-
7 ТАРА И УПАКОВКА
-
7.1 Блоки упаковываются в коробки из гофрированного картона, а затем в ящики типа IV по ГОСТ 5959-80.
-
7.2 При транспортировании в контейнере блоки должны быть уложены в ящики из картона.
-
7.3 Ящики должны быть обиты внутри водонепроницаемым материалом, который предохраняет от проникновения пыли и влаги.
-
7.4 Принадлежности и запасные части находятся в той же коробке, что и блок. Паспорт и руководство по эксплуатации уложены туда же.
-
-
8 ОБЩИЕ УКАЗАНИЯ
-
8.1 При получении ящиков с блоками необходимо установить сохранность тары. В случае ее повреждения следует составить акт и обратиться с рекламацией к транспортной организации.
-
8.2 В зимнее время ящики с блоками распаковать в отапливаемом помещении не менее, чем через 8 ч после внесения их в помещение.
-
8.3 Проверить комплектность в соответствии с паспортом на блок и его работоспособность по методике, приведенной в разделе 14.
-
8.4 Рекомендуется сохранять паспорт, который является юридическим документом при предъявлении рекламации предприятию-изготовителю и поставщику.
-
-
9 УКАЗАНИЯ МЕР БЕЗОПАСНОСТИ
-
9.1 Не допускать к работе обслуживающий персонал без проведения инструктажа по технике безопасности на месте установки блока.
-
9.2 По степени защиты человека от поражения электрическим током блок относится к классу 01 по ГОСТ 12.2.007.0-75.
-
9.3 Не допускать замыкания контактов сетевого разъема, а также линий связи между блоком и внешней взрывозащищенной аппаратурой.
-
9.4 Зажим заземления должен быть электрически соединен с контуром заземления.
-
-
10 ОБЕСПЕЧЕНИЕ ВЗРЫВОЗАЩИЩЕННОСТИ ПРИ МОНТАЖЕ
-
10.1 Блоки относятся к электрооборудованию общего исполнения и устанавливается вне взрывоопасных зон.
-
10.2 Перед монтажом блоки следует осмотреть, проверить маркировку по взрывозащите, заземляющее устройство, целостность корпуса и отсутствие повреждений разъемов.
-
10.3 Заделку кабеля в ответную часть разъема ХР2 искробезопасной цепи следует осуществлять в соответствии с приложением В.
-
-
10.4 Перед присоединением линий связи с взрывозащищенными датчиками блок должен быть надежно заземлен.
-
10.5 Присоединение и отсоединение разъемов блоков, а также заделку кабеля следует производить при отключенном питании. Контроль включения питания осуществляется по свечению индикатора на лицевой панели блока.
-
10.6 Подключение блоков производится в следующем порядке:
-
- подключить разъемы невзрывозащищенных внешних цепей XS1.XS2;
-
- подключить разъем цепи питания ХР1;
-
- замерить напряжение на контактах 1, 2 разъема ХР2, которое не должно превышать 25,2 В постоянного тока;
-
- отключить напряжение питания;
-
- подключить разъем ХР2 внешней искробезопасной цепи и опломбировать его.
-
10.7 Требования к монтажу и эксплуатации блоков изложены в разделе 7.3.117 «Правил устройства электроустановок» (ПУЭ-85), в ГОСТ Р 51330.10-99 и в настоящем РЭ.
-
10.8 Контур заземления для искробезопасных приборов должен быть выполнен отдельной шиной сопротивлением не более 1 Ом.
-
10.9 Изоляция проводов искробезопасных цепей должна иметь отличительный синий цвет (синим цветом допускается маркировать только концы проводов).
-
10.10 Провода искробезопасных цепей должны быть защищены от наводок, вызывающих ложные срабатывания схемы защиты блоков. Провода необходимо экранировать.
-
10.11 Недопустимо объединять в один жгут искробезопасные провода с сетевыми проводами 220 В, 50 Гц.
-
10.12 При наличии помех в силовых цепях, блоки рекомендуется включать через сетевые фильтры (например, такие как у компьютеров) или разделительные трансформаторы.
-
10.13 По окончании монтажа проверить сопротивление заземления. Величина сопротивления специального контура заземления не должна превышать 1 Ом.
-
11 ПОРЯДОК УСТАНОВКИ
-
11.1 Блоки монтировать в положении, указанном на чертеже приложения А.
-
Место установки блоков должно быть удобно для проведения монтажа, демонтажа и обслуживания.
-
11.2 Параметры внешних соединений блока должны соответствовать требованиям пп. 2.9, 2.10.
Сопротивление изоляции проводов искробезопасной цепи должно быть не менее 30 МОм. Линия связи может быть выполнена любым типом кабеля с медным проводом сечением не менее 0,35 мм2 согласно ПУЭ-85. Длина линии связи не должна превышать 1000 м.
-
11.3 Внешние соединения блоков при монтаже осуществлять в соответствии со схемами приложения Г. Монтаж и подключение блоков осуществлять в соответствии с пп. 10.3-10.5. При демонтаже все операции производить при отключенном напряжении питания.
-
11.4 При монтаже блоков обратить внимание на выполнение требований п. 2.11.
-
11.5 Питание блоков от сети, к которой подключаются силовые электроустановки, создающие в коммутационном режиме их работы импульсные помехи (например, компрессоры, магнитные пускатели и др.), должно осуществляться через сетевые фильтры нижних частот.
Кроме этого, согласно ПУЭ-85 должны быть приняты меры для ограждения блоков от вредного воздействия силовых электроустановок.
ВНИМАНИЕ! Цепи питания аппаратуры электроавтоматики, электрически связанной с информативными каналами блоков, рекомендуется подключать к сети переменного тока совместно через ограничители импульсных перенапряжений и подавители высокочастотных помех, например, типа «Пилот» (ТУ 3415-001-207553440-93). Невыполнение данного требования может привести к перегоранию слаботочного предохранителя, установленного в схеме барьера искрозащиты, который наряду с основным своим назначением осуществляет также блокировку искробезопасной цепи от вредного действия сетевых импульсных помех.
-
12 ПОДГОТОВКА К РАБОТЕ
-
12.1 Перед включением блоков, убедиться в соответствии их требованиям установки и монтажа, изложенным в разделах 10 и 11.
-
-
13 ОБЕСПЕЧЕНИЕ ВЗРЫВОЗАЩИЩЕННОСТИ ПРИ ЭКСПЛУАТАЦИИ
-
13.1 При эксплуатации блоков необходимо выполнять все мероприятия в полном соответствии с разделами 5 «Обеспечение взрыво-защищенности» и 10 «Обеспечение взрывозащищенности при монтаже».
-
Кроме того, необходимо выполнять местные инструкции, действующие в данной отрасли промышленности, а также другие нормативные документы, определяющие эксплуатацию взрывозащищенного электрооборудования.
-
13.2 При эксплуатации необходимо осуществлять профилактические осмотры блоков. Периодичность профилактических осмотров блоков устанавливается в зависимости от производственных условий, но не реже, чем два раза в год.
В процессе профилактического осмотра должны быть выполнены следующие мероприятия:
-чистка разъемов блока;
-чистка внутреннего монтажа блока (кроме частей, закрытых неразборными крышками);
-проверка целостности паек, крепления и изоляции проводов объемного монтажа;
-внешний осмотр блоков.
При внешнем осмотре блоков необходимо проверить: -сохранность пломб на разъеме ХР2 и корпусе блока; -наличие маркировки по взрывозащите;
-отсутствие обрывов или повреждений изоляции линий соединений; -надежность присоединения кабелей;
-отсутствие обрывов заземляющих проводов;
-прочность крепления заземления;
-отсутствие вмятин, видимых механических повреждений; -целостность светового индикатора включения питания.
Внимание! Эксплуатация блоков с повреждениями и неисправностями категорически запрещена.
-
14 МЕТОДЫ И СРЕДСТВА ПОВЕРКИ
Данный раздел устанавливает методы и средства первичной (после ремонта), периодической, внеочередной и инспекционной поверок блоков. Межповерочный интервал - два года.
Первичная поверка при выпуске из производства осуществляется по ТУ 4218-004-12580824-94.
14.1 Операции поверки
-
14.1.1 При поверке должны производиться операции, указанные в таблице 6.
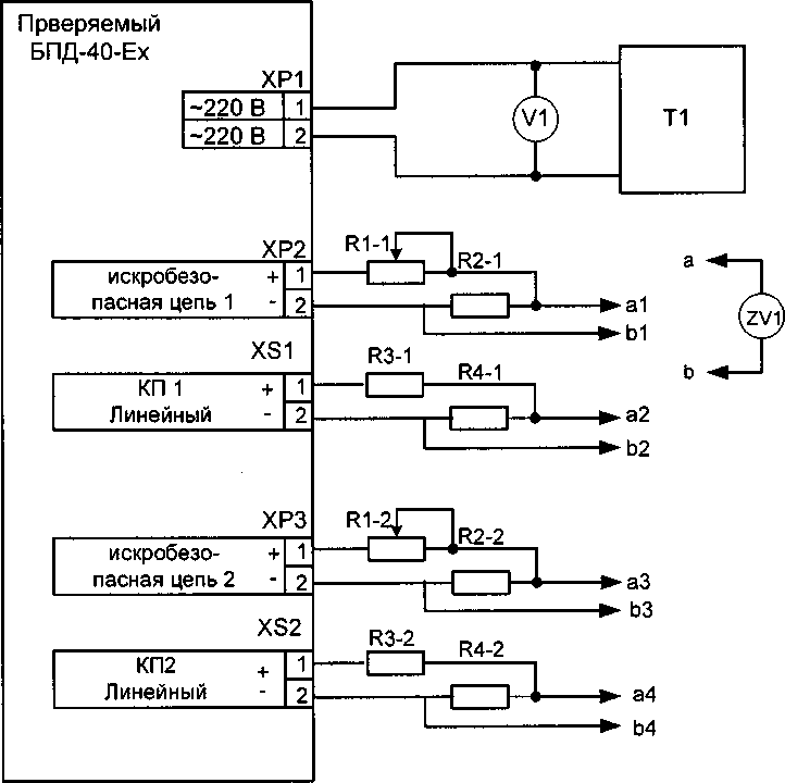
Для проверки подключите блок по схеме приложения Д.
Таблица 6
Наименование операции |
№№ п.п. |
Внешний осмотр |
14.6.1 |
Измерение электрического сопротивления изоляции |
14.6.2 |
Определение основной погрешности каналов преобразования |
14.6.3 |
Проверка напряжения на клеммах искробезопасных цепей |
14.6.4 |
Проверка целостности искробезопасных цепей |
14.6.5 |
Оформление результатов поверки |
14.6.6 |
14.2 Средства поверки
-
14.2.1 При поверке блоков необходимо применить средства поверки согласно таблице 7.
Таблица 7
Наименование |
Основные характеристики, необходимые для проверки блоков |
Рекомендуемое оборудование |
Вольтметр переменного тока |
Погрешность измерений ±1,5 % в диапазоне измерений от 0 до 300 В |
Ц4352 |
Цифровой ампервольтметр |
Класс точности 0,005/0,001, Диапазон измерений 10 В |
Щ31 |
Автотрансформатор |
Диапазон регулирования напряжений до 250 В |
ЛАТР-2М |
Эталонная мера сопротивлений |
100 Ом. Погрешность не более 0,005 % при индивидуальной градуировке |
Р331 |
Магазин сопротивлений |
Класс точности 0,05 |
МСР-63 |
Мегаомметр |
Номинальное напряжение 500 В; погрешность не более ± 2,5 %, пределы измерения от 0 до 100 МОм |
Ф4101 |
Примечание - Допускается применение другого оборудования, прошедшего метрологическую аттестацию в органах государственной метрологической службы, имеющего аналогичные технические характеристики |
14.3 Требования к квалификации поверителей
-
14.3.1 Поверку блоков должен выполнять поверитель, прошедший инструктаж по технике безопасности, освоивший работу с поверяемым блоком и используемыми эталонами.
Поверитель должен быть аттестован в соответствии с ПР 50.2.012-94 «ГСИ. Порядок аттестации поверителей средств измерений».
14.4Требование безопасности
-
14.4.1 При проведении поверки необходимо соблюдать требования безопасности, предусмотренные «Правилами технической эксплуатации электроустановок потребителей» и «Правилами техники безопасности при эксплуатации электроустановок потребителей» (изд. 3), ГОСТ 12.2.007.0-75, ГОСТ 12.1.019-79, ГОСТ 22261-94, указаниями по безопасности, изложенными в РЭ на применяемые эталоны и вспомогательное оборудование.
14.5 Условия поверки и подготовка к ней
-
14.5.1 Поверка блоков должна проводиться при следующих условиях:
-
- напряжение питания (220 ± 4,4) В;
-
- коэффициент высших гармоник не более 5 %;
-
- температура окружающего воздуха (23 ± 2) °C;
-
- время выдержки блока после включения не менее 0,5 ч.
-
14.5.2 Перед началом поверки поверитель должен изучить руководство по эксплуатации поверяемых средств измерений, эталонов и других технических устройств, используемых при поверке, и правила техники безопасности.
-
14.6 Проведение поверки
-
14.6.1 Внешний осмотр
При внешнем осмотре блоков необходимо проверить:
-
- сохранность пломб на разъеме ХР2 и корпусе блока;
-
- наличие маркировки по взрывозащите;
-
- отсутствие вмятин, видимых механических повреждений;
-
- целостность светового индикатора включения питания.
Блоки, забракованные при внешнем осмотре, дальнейшей проверке не подлежат.
-
14.6.2 Измерение электрического сопротивления изоляции (п. 2.15)
Перед испытанием соедините контакты согласно таблице 8.
Таблица 8
Проверяемые цепи |
Замкнутые контакты |
Силовая цепь |
ХР1/1,2 |
Искробезопасная цепь, цепи каналов преобразования |
ХР2/1.2, XS1/1.2, XS2/1.2. |
Измерение проводите мегаомметром с номинальным напряжением 500 В.
Мегаомметр подключите к проверяемым цепям и проводите отсчет показаний по истечении времени, за которое показания мегаомметра установятся.
Блок считают годным, если показания мегаомметра не ниже значений, приведенных в п. 2.15.
-
14.6.3 Определение основной погрешности канала преобразования (п. 2.11)
Определение погрешности канала преобразования проводите, подключив проверяемый блок по схеме приложения Д после прогрева не менее 30 мин, поочередно для каждого канала при пяти значениях, равномерно распределенных по диапазону, включая нижний и верхний пределы.
Для каждого проверяемого значения рассчитайте значение информативного тока в искробезопасных цепях по формулам (3) для линейного преобразования, (4) - для корнеизвлекающего.
Yn -Yo
Х =-------х16 + 4, (3)
V —V
I If In
Х = 4 + (^г)2х16, (4)
тк 'о
где X - значение информативного тока искробезопасной цепи, соответствующее проверяемому значению, мА;
Yn - проверяемое значение тока, мА;
Yo , Yk - нижний, верхний пределы диапазона изменения тока канала преобразования, мА;
4, 16 - нижний предел, диапазон изменения информативного тока искробезопасной цепи, мА.
При помощи магазина сопротивления R1-1 поочередно установите значения информативного тока в искробезопасной цепи, соответствующие проверяемым. Контроль устанавливаемых значений осуществите по цифровому вольтметру ZV1, подключенному к клеммам «напряжение» эталонной меры сопротивления, R2-1. Ток рассчитайте по формуле:
100, (5)
где I - значение тока, мА;
U - показание вольтметра, мВ;
100 - сопротивление эталонной меры, Ом.
Затем переключите цифровой вольтметр ZV1 на клеммы «напряжение» эталонной меры R4-1, (R4-2) проверяемого канала и рассчитайте измеренное значение тока канала преобразования Yh3m, пользуясь формулой (5).
Рассчитайте:
для каждого проверяемого значения каждого канала преобразования Ai, в мА:
Ai = Yn3Mi - Ynpi, (6)
- основную приведенную погрешность каждого канала Y в процентах:
Y = A/(Yk-Yo)*1 00 , (7)
где А - наибольшее из значений Ai, рассчитанных по формуле (6), мА;
Yk, Yo - верхний, нижний пределы изменения выходного сигнала канала преобразования, мА.
Блок считают годным, если рассчитанное по формуле (7) значение соответствует требованиям п. 2.11.
-
14.6.4 Проверка напряжения на клеммах искробезопасных цепей (п. 2.13)
После определения основной погрешности установите значение информативного сигнала 20 мА, переключите цифровой вольтметр на клеммы искробезопасных цепей и проконтролируйте результат измерения.
Блок считают годным, если зафиксированное значение соответствует требованиям п. 2.13.
-
14.6.5 Проверка целостности искробезопасных цепей (п. 2.14)
После проверки погрешности преобразования, подключите на клеммы искробезопасных цепей ампервольтметр ZV1 в режиме измерения тока, отключив цепь R1-1, R2-1, и зафиксируйте показания.
■ Блок считается годным, если ток находится в пределах до 105 мА.
-
14.6.6 Оформление результатов поверки
Положительные результаты первичной поверки оформляются записью в паспорте с указанием даты поверки и подписью поверителя, удостоверенной клеймом.
По результатам последующих поверок поверителем оформляется свидетельство о поверке по ПР 50.2.006-94 «Правила по метрологии. ГСИ. Порядок проведения поверки средств измерений».
Блок, не удовлетворяющий требованиям одного из пунктов поверки, бракуется и не допускается к применению. При этом выпускается извещение о непригодности согласно ПР 50.2.006-94.
-
15 ПРАВИЛА ХРАНЕНИЯ И ТРАНСПОРТИРОВАНИЯ
-
15.1 Блоки должны транспортироваться в упаковке предприятия-изготовителя при соблюдении следующих условий:
-
-
- температура окружающего воздуха от минус 50 до + 60 °C;
-
- относительная влажность воздуха до 98 % при температуре + 35 °C и более низких температур без конденсации влаги.
-
15.2 Допускается транспортировка блоков в упаковке предприятия-изготовителя любым транспортным средством при условии защиты от прямого воздействия атмосферных осадков:
-
- автомобильным транспортом;
-
- железнодорожным, воздушным;
-
- водными видами транспорта;
-
- в сочетании перечисленных видов транспорта.
-
15.3 Расстановка и крепление ящиков с блоками должны исключать возможность их смещения и ударов друг о друга и о стенки транспорта.
-
15.4 Не допускается кантовать и бросать упаковку с блоком.
-
15.5 Блоки должны храниться в складских помещениях потребителя и поставщика на стеллажах в упаковке в следующих условиях:
-
- температура окружающего воздуха от минус 10 до + 60 °C;
-
- относительная влажность воздуха до 80 % при температуре 25 °C;
-
- воздух помещения не должен содержать пыли, паров кислот и щелочей, а также газов, вызывающих коррозию.
-
15.6 После распаковывания блоки необходимо выдержать не менее 6 часов в сухом отапливаемом помещении. После этого блоки могут быть введены в эксплуатацию.
Приложение А (обязательное)
ГАБАРИТНЫЕ И ПРИСОЕДИНИТЕЛЬНЫЕ РАЗМЕРЫ

Рисунок А.2 - Разметка на установку
Приложение Б (обязательное) ОБЩИЙ ВИД БЛОКА

-
1 - лицевая панель;
-
2 - задняя панель;
-
3 - стяжки;
-
4 - крышка;
-
5 - печатная плата;
-
6 - модуль искрозащиты и питания (МИП);
-
7 - модуль корнеизвлечения (МКИ);
-
8 - трансформатор;
-
9 - предохранители;
-
10 - световой индикатор HL;
-
11 - обойма;
-
12 - колпачок.
Рисунок Б.1
Приложение В (справочное) СХЕМА ЗАДЕЛКИ И ПЛОМБИРОВАНИЯ
Пломба

Рисунок В.1
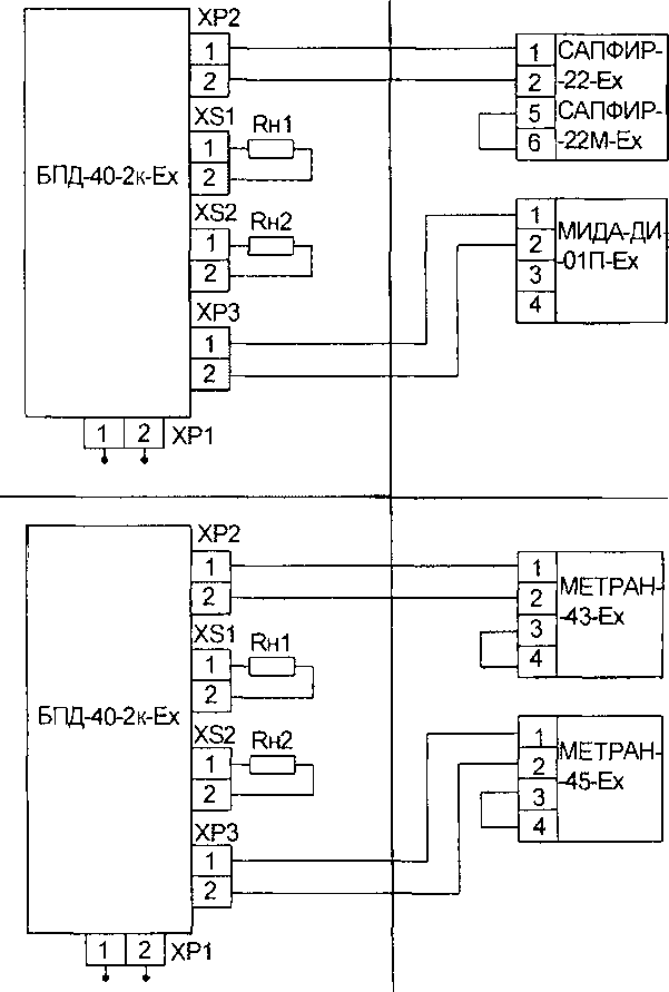
Приложение Г (обязательное) СХЕМА СОЕДИНЕНИЙ БЛОКА
ХР2
БПК-40-Ех


1 | |
2 |
МЕТРАН-43-Ех |
3 |
МЕТРАН-45-Ех |
4 |
Схема 1

ВНИМАНИЕ! Для нормальной работы блока при использовании только одного выходного канала (или с пропорциональной, или с корнеизвлекающей зависимостью) необходимо закоротить выход неиспользуемого канала.
V1 Т1 ZV1
N1
R1-1


R3-1, R3-2
R2-1, R4-1,
Вольтметр переменного тока Ц4352
Лабораторный автотрансформатор ЛАТР-2М Цифровой вольтметр Щ31
Осциллограф
Магазин сопротивлений МСР-63 Резистор 0,5 Вт ± 5 %,
для выходного сигнала 4-20 мА - 650 Ом;
для выходного сигнала 0-5 мА - 2,4 кОм Эталонная мера сопротивления Р331 100 Ом
R4-2
КП Канал преобразования
Контактная информация:
Адрес: |
454047, г. Челябинск, ул. 2-я Павелецкая, 36 |
Телефон: |
(+7 351) 725-75-00 (многоканальный) |
Факс: |
(+7 351)725-89-59 |
E-mail: | |
Internet-адрес: |
Сервисная служба: (+7 351) 725-75-00, добавочный 1662
Отдел продаж: (+7 351) 725-75-00, добавочный 7401, 7402, 7405
Отдел по работе с дилерами: (+7 351) 725-75-00, добавочный 7408
Отдел маркетинга: (+7 351) 725-75-00, добавочный 7400
Отдел закупок: (+7 351) 725-75-00, добавочный 7403
Техническая поддержка:
-
• термометрия: (+7 351)725-76-90
-
• вторичные приборы контроля и регулирования,
функциональная аппаратура: (+7 351) 725-76-38
Продукция произведена ООО «Теплоприбор-Юнит»
чтп декабрь 2011
ОКП 42 1821

УТВЕРЖДАЮ
УТВЕРЖДАЮ
Раздел 14
«Методы и средства поверки»


БЛОКИ ПИТАНИЯ ДАТЧИКОВ
БПД-40-ЕхРуководство по эксплуатации
СПГК.5005.001 РЭ
ОКП 42 1821

БЛОКИ ПИТАНИЯ ДАТЧИКОВ
БПД-40-ЕхРуководство по эксплуатации
СПГК.5005.001 РЭ
СОДЕРЖАНИЕ
ПРИЛОЖЕНИЯ
Г. Схема заделки кабеля и пломбирования разъемов ХР2, ХРЗ
Д. Схемы внешних соединений блока
Данное руководство по эксплуатации содержит технические данные, описание принципа построения схемы блоков питания датчиков БПД-40-Ех (в дальнейшем блоков), а также сведения, необходимые для правильной его эксплуатации.
Блоки соответствуют степени защиты IP54 по ГОСТ 14254-96.
Блоки по устойчивости к климатическим воздействиям соответствуют исполнению УХЛЗ по ГОСТ 15150-69, группы исполнения СЗ по ГОСТ Р 52931-2008, но для работы при температуре от минус 10 до 60 °C и относительной влажности до 80 % при 25 °C и более низких температурах без конденсации влаги.
При эксплуатации блоков допускаются воздействия:
-
- синусоидальной вибрации с частотой от 10 до 55 Гц и амплитудой до 0,35 мм;
-
- магнитных полей постоянного и переменного токов с частотой (50 ± 1) Гц и напряженностью до 400 А/м.
1 НАЗНАЧЕНИЕ
-
1.1 Блоки предназначены для организации питания, приема и преобразования информативных сигналов датчиков и других устройств систем промышленной автоматики, расположенных во взрывоопасной зоне.
Блоки снабжены искробезопасными цепями уровня «ia» или «ib» (в зависимости от вариантов исполнения) и имеют маркировку по взрывозащите «ExiallC» или «ExibllC» (смотри таблицу 2).
Блоки соответствуют требованиям ГОСТ Р 51330.10-99 и предназначены для работы с датчиками, имеющими вид взрывозащиты «искробезопасная электрическая цепь», например, датчики давления и температуры с выходным сигналом 4-20 мА.
-
1.2 Блоки предназначены для работы с оборудованием, допускающим максимальные значения выходного напряжения Uo, выходного тока Io, выходной мощности Ро искробезопасных цепей, а также эффективное значение напряжения Um и предельные параметры внешних искробезопасных цепей Lo, Со, приведенные в таблице 1.
Таблица 1
Условное обозначение параметра |
Подгруппа оборудования/ значение параметра | |
ПС |
НВ | |
Максимальное выходное напряжение Um, В |
242 | |
Максимальное выходное напряжение Uo, В |
25,2 | |
Максимальный выходной ток Io, мА |
105 | |
Максимальная выходная мощность Ро, Вт |
0,66 | |
Максимальная внешняя индуктивность Lo, мГн |
3 |
15 |
Максимальная внешняя емкость Со, мкФ |
0,1 |
0,6 |
-
1.3 ВНИМАНИЕ! Для блоков с уровнем взрывозащиты «ib» допускается искрозащитное заземление выполнять глухозаземленной нейтралью с сопротивлением не выше 4 Ом. Только эти исполнения блока допускают и позволяют объединение минусовой шины питания блока с искрозащитной шиной и подключение к ним цепи нагрузки, а также функционально обеспечивают совмещение электрических цепей блока и других приборов электроавтоматики, гальванически связанных с общей шиной защитного заземления.
Потребители при эксплуатации блоков часто пренебрегают рекомендациями по взрывозащите. Это приводит к перегоранию защитных предохранителей и выходу блоков из строя.
Еще раз обращаем внимание на требования к монтажу и эксплуатации искробезопасных приборов, изложенные в «Правилах устройства электроустановок» (ПУЭ) раздел 7.3.117, в ГОСТ Р 51330.10-99 и в данном РЭ:
-
- выполнение контура заземления отдельной шиной сопротивлением не более 1 Ом (с уровнем взрывозащиты «ib»);
-
- отличительный синий цвет изоляции проводов искробезопасных цепей (синим цветом маркировать только концы проводов);
-
- защита проводов искробезопасных цепей от наводок, вызывающих ложные срабатывания схемы защиты блоков, посредством экранирования;
-
- не допускать объединения в один жгут искробезопасных проводов с сетевыми проводами 220 В, 50 Гц;
-
- включение блоков через сетевые фильтры (например, такие как у компьютеров) или через разделительные трансформаторы при наличии помех в силовых цепях.
-
1.4 Условные обозначения вариантов исполнения блока приведены в таблице 2.
Таблица 2
Исполнение |
Предельные значения выходных сигналов, мА |
Количество искробезопасных цепей |
БПД-40-2к-Ех1аПС |
4-20 |
2 |
0-5 | ||
БПД-40-lK-ExiallC |
4-20 |
1 |
0-5 | ||
БПД-40-2к-Ех1Ы1С |
4-20 |
2 |
0-5 | ||
0-20 | ||
БПД-40-1 к-Exibl IC |
4-20 |
1 |
0-5 | ||
0-20 |
Далее по тексту приведено описание двухканального блока. Одноканальный блок отличается отсутствием модуля искрозащиты (МИ) второго канала и связанных с ним цепей и разъемов XS2 и ХРЗ.
-
1.5 При заказе блоков следует указывать название и исполнение блока, предельные значения выходного сигнала, обозначение технических условий и количество.
Пример записи блоков при заказе и в документации другой продукции:
«Блок питания датчиков БПД-40-2к-Ех1а, 4-20, 3 шт.»
2 ТЕХНИЧЕСКИЕ ХАРАКТЕРИСТИКИ
-
2.1 Питание блоков осуществляется от сети переменного тока напряжением (220+22/.3з) В и частотой (50 ± 1) Гц.
-
2.2 Блоки имеют 1 или 2 искробезопасные цепи, на каждую искробезопасную цепь по одному каналу преобразования. Номинальная статическая характеристика канала определяется формулой:
r = r„ + )i£i(X-4),
-
16 (1) где Y - текущее значение выходного сигнала канала преобразования, мА;
X - текущее значение информативного сигнала, мА;
Yo, YK - нижний, верхний пределы изменения выходного сигнала канала, мА;
4, 16 - нижний предел, диапазон изменения информативного сигнала, мА.
-
2.3 Мощность, потребляемая блоками, не более 9,0 ВА (для двухканального варианта) и не более 6,0 В А (для одноканального варианта).
-
2.4 Искробезопасные входные цепи блоков рассчитаны на подключение информативных цепей с унифицированным сигналом постоянного тока 4-20 мА по ГОСТ 26.011-80.
-
2.5 В искроопасных цепях блока формируются унифицированные выходные сигналы постоянного тока 4-20 мА, 0-5 мА или 0-20 мА в зависимости от исполнения (смотри таблицу 2).
-
2.6 Выходные цепи блока рассчитаны на работу с нагрузками не более 750 Ом (для сигнала 4-20 мА или 0-20 мА) и не более 2,5 кОм для сигнала 0-5 мА.
-
2.7 Пределы допускаемой основной приведенной погрешности канала преобразования, выраженные в процентах от диапазона изменения выходного сигнала, равны ±0,1.
-
2.8 Пределы допускаемой дополнительной погрешности канала преобразования при изменении температуры окружающей среды на каждые 10 °C равны пределу основной погрешности.
-
2.9 Пределы допускаемой дополнительной погрешности канала преобразования при изменении напряжения питания равны пределу основной погрешности.
-
2.10 Напряжение на искробезопасных входах блока равно (17,7 ± 2,4) В (при верхнем предельном значении входного сигнала).
-
2.11 Пульсации не превышают:
-
- 80 мВ для выходного сигнала канала преобразования при токе 16 мА на номинальном сопротивлении нагрузки;
-
- 40 мВ для напряжения искробезопасных цепей при номинальной нагрузке 20 мА.
-
2.12 Сопротивление и прочность изоляции соответствуют приведен
ным в таблице 3 Таблица 3
Цепи |
Испытательное напря-жение, В |
Сопротивление изоляции при температуре, МОм | |
(23 ± 5) °C |
60 ±3) °C | ||
Силовая цепь относительно корпуса, искробезопасных цепей и цепей канала преобразования |
1500 |
40 |
10 |
-
2.13 Средняя наработка на отказ на каждый канал блока не менее 25000 ч.
-
2.14 Средний срок службы не менее 10 лет.
-
2.15 Масса блока не более 3 кг.
-
2.16 Габаритные и присоединительные размеры блока не более приведенных в приложении А.
3 СОСТАВ ИЗДЕЛИЯ
-
3.1 В состав изделия входят блок и комплект запасных частей. К изделию прилагается эксплуатационная документация.
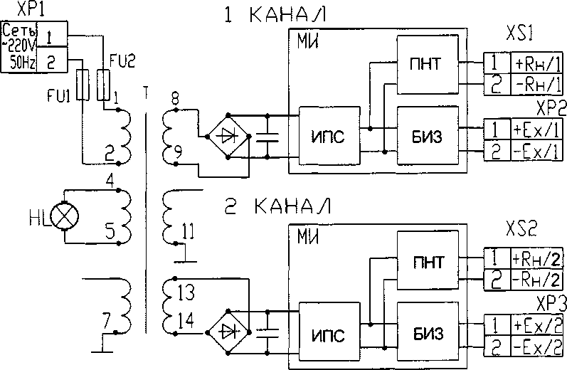
4 УСТРОЙСТВО И ПРИНЦИП РАБОТЫ
-
4.1 Общий вид блока представлен в приложении Б.
-
4.2 Блок конструктивно состоит из лицевой (1) и задней (2) панелей, соединенных стяжками (3), и крышки (4).
На стяжках крепится печатная плата (5), на которой расположены элементы схемы и два разъема для установки модулей искрозащиты МИ (6), скоба с трансформатором Т(7) и предохранителями (8).
На лицевой панели находятся световой индикатор HL (9), сигнализирующий о подключении блока к промышленной сети питания переменного тока.
На задней панели расположены:
-
- разъем ХР1 (для питание блока);
-
- два разъема ХР2, ХРЗ (для подключения взрывозащищенных датчиков);
-
- два разъема XS1, XS2 (для подключения нагрузки).
При монтаже крепление корпуса блока к щиту осуществляется с помощью обоймы (10).
-
4.3 Структурная схема блока приведена в приложении В.
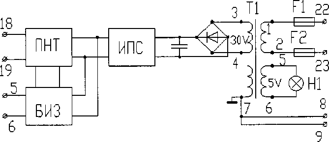
Блок состоит из понижающего трансформатора Т и одного или двух каналов. Каждый канал состоит из выпрямительного моста, фильтра и модуля МИ, выполненного на отдельной плате, закрытой специальными крышками.
МИ включает в себя источник питания стабилизированный (ИПС), барьер искрозащиты (БИЗ) и преобразователь напряжения в выходной ток (ПНТ).
Модули искрозащиты МИ являются взаимозаменяемыми.
Напряжение питания 220 В через разъем ХР1 подается на первичную обмотку понижающего трансформатора Т. С вторичных обмоток трансформатора напряжение через выпрямительные мосты и фильтры поступают на ИПС каналов блока.
Сигнал напряжения, пропорциональный току в цепи питания датчика, с БИЗ подается на ПНТ и преобразуется в соответствующий выходной токовый сигнал 0-5, 4-20 или 0-20 мА в зависимости от исполнения блока.
5 ОБЕСПЕЧЕНИЕ ВЗРЫВОЗАЩИЩЕННОСТИ
-
5.1 Блоки предназначены для совместной работы с датчиками в искробезопасном исполнении, удовлетворяющими параметрам внешней нагрузки, указанным в таблице 1.
-
5.2 Искробезопасность выходных цепей блока достигается за счет ограничения тока и напряжения в его электрических цепях до искробезопасных значений, а также за счет соответствующего выполнения конструкции блока.
-
5.3 Ограничение тока и напряжения в искробезопасных цепях блока до искробезопасных значений достигается наличием в блоке встроенных барьеров искрозащиты (БИЗ).
-
5.4 Ограничение тока короткого замыкания (1кз) осуществляется установкой в БИЗ резисторов с сопротивлением не менее 255 Ом.
-
5.5 Ограничение напряжения в БИЗ на уровне не более 25,2 В осуществляется с помощью стабилитронов 1N5349B.
-
5.6 Электрические цепи, гальванически связанные с искробезопасными цепями, а также силовые цепи переменного тока (220 В) разделены печатным экраном шириной не менее 1,5 мм. Экран электрически соединен с выводами экранных обмоток силового трансформатора, а также двумя дублирующими проводами с наружным заземляющим зажимом блока.
Искробезопасные цепи объемного монтажа проложены проводом, имеющим отличительный синий цвет.
-
5.7 Разъемы ХР2, ХРЗ искробезопасных цепей и разъемы XS1, XS2 неискробезопасных цепей блоков выполнены невзаимозаменяемыми.
-
5.8 Печатные платы модулей искрозащиты МИ с двух сторон закрыты специальными крышками, имеющими неразборную конструкцию.
Проводить ремонт и восстановление модуля МИ имеет право только предприятие-изготовитель.
-
5.9 Трансформатор выполнен в соответствии с требованиями ГОСТ Р 51330.10-99.
-
5.10 Электрические параметры внешних искробезопасных цепей (кабеля и нагрузки) ограничены значениями, приведенными в таблице 1.
6 МАРКИРОВКА И ПЛОМБИРОВАНИЕ
-
6.1 Блок снабжен двумя табличками.
-
6.2 На табличке, прикрепленной к лицевой панели блока, нанесено условное обозначение блока и маркировка по взрывозащите - «ExiallC» или «ExibllC» (в зависимости от исполнения блока).
-
6.3 На табличке, прикрепленной к боковой стороне блока, нанесены следующие надписи:
-
- товарный знак предприятия-изготовителя;
-
- наименование блока;
-
- значения параметров внешней искробезопасной цепи:
-
- порядковый номер блока по системе нумерации предприятия-изготовителя;
-
- диапазон изменения входного и выходного сигналов;
-
- параметры сети питания (V, Hz);
-
- год выпуска;
-
- знак утверждения типа;
-
- надпись «Сделано в России».
-
6.4 У мест присоединения внешних электрических цепей блока выполнены надписи «Искробезопасная цепь», «Сеть» и позиционные обозначения разъемов.
-
6.5 На транспортной таре нанесены манипуляционные знаки: «Хрупкое. Осторожно», «Верх».
-
6.6 Пломбирование блока осуществляется заполнением пломбировочной пастой колпачка (11), крепящегося к крышке с помощью стягивающего винта (смотри приложение Б).
7 ТАРА И УПАКОВКА
-
7.1 Блоки упаковываются в коробки из гофрированного картона, а затем в ящики типа IV по ГОСТ 5959-80.
-
7.2 При транспортировании в контейнере блоки должны быть уложены в ящики из картона.
-
7.3 Ящики должны быть обиты внутри водонепроницаемым материалом, который предохраняет от проникновения пыли и влаги.
-
7.4 Принадлежности и запасные части находятся в той же коробке, что и блок. Паспорт и руководство по эксплуатации уложены туда же.
8 ОБЩИЕ УКАЗАНИЯ
-
8.1 При получении ящиков с блоками необходимо проверить сохранность тары. В случае ее повреждения следует составить акт и обратиться с рекламацией к транспортной организации.
-
8.2 В зимнее время ящики с блоками распаковать в отапливаемом помещении не менее, чем через 8 ч после внесения их в помещение.
-
8.3 Проверить комплектность в соответствии с паспортом на блок и его работоспособность по методике, приведенной в разделе 14.
-
8.4 Рекомендуется сохранять паспорт, который является юридическим документом при предъявлении рекламации предприятию-изготовителю или поставщику.
9 УКАЗАНИЯ МЕР БЕЗОПАСНОСТИ
-
9.1 Обслуживающий персонал не допускается к работе без прохождения инструктажа по технике безопасности на месте установки блока.
-
9.2 По степени защиты человека от поражения электрическим током блок относится к классу 01 по ГОСТ 12.2.007.0-75.
-
9.3 Не допускать замыкания контактов сетевого разъема, а также линий связи между блоком и внешней взрывозащищенной аппаратурой.
-
9.4 Зажим заземления на корпусе блока должен быть электрически соединен с контуром заземления.
-
9.5 Питание блоков от сети, к которой подключаются силовые электроустановки, создающие в коммутационном режиме их работы импульсные помехи, (например, компрессоры, магнитные пускатели и др.) должно осуществляться через сетевые фильтры нижних частот.
10 ОБЕСПЕЧЕНИЕ ВЗРЫВОЗАЩИЩЕННОСТИ ПРИ МОНТАЖЕ
-
10.1 Блоки относятся к электрооборудованию общего исполнения и устанавливаются вне взрывоопасных зон.
-
10.2 Перед монтажом блоки следует осмотреть, проверить маркировку по взрывозащите, заземляющее устройство, целостность корпуса и отсутствие повреждений разъемов.
-
10.3 Заделку кабеля в ответную часть разъемов ХР2, ХРЗ искробезопасных цепей следует осуществлять в соответствии с приложением Г.
-
10.4 Перед присоединением линий связи с взрывозащищенными датчиками блок должен быть надежно заземлен.
-
10.5 Присоединение и отсоединение разъемов блоков, а также заделку кабеля следует производить при отключенном питании. Контроль включения питания осуществляется по свечению индикатора на лицевой панели блоков.
-
10.6 Подключение блоков производится в следующем порядке:
-
- подключить разъемы невзрывозащищенных внешних цепей XS1, XS2;
-
- подключить разъем цепи питания ХР1;
-
- замерить напряжение на контактах 1, 2 разъемов ХР2 и ХРЗ, которое не должно превышать 25,2 В постоянного тока;
-
- отключить напряжение питания;
-
- подключить разъемы внешних искробезопасных цепей ХР2 и ХРЗ и опломбировать их.
-
10.7 По окончании монтажа проверить сопротивление заземления.
При подключении блоков с уровнем взрывозащиты «ia» сопротивление специального контура заземления должно быть не более 1 Ом.
При подключении блоков с уровнем взрывозащиты «ib» к глухоза-земленной нейтрали сопротивление искрозащитного заземления должно быть не более 4 Ом.
-
10.8 При монтаже блоков необходимо руководствоваться настоящим ТО, главой 3.4 ПЭЭП, ПУЭ и другими документами, действующими в данной отрасли промышленности.
11 ПОРЯДОК УСТАНОВКИ
-
11.1 Блоки монтируется в положении, указанном в приложении А. Место установки блоков должно быть удобно для проведения монтажа, демонтажа и обслуживания.
-
11.2 Параметры внешних соединений блока должны соответствовать требованиям пп. 2.10, 2.11.
Сопротивление изоляции проводов искробезопасной цепи должно быть не менее 30 МОм. Линия связи может быть выполнена любым типом кабеля с медным проводом сечением не менее 0,35 мм2 согласно ПУЭ. Длина линии связи не должна превышать 1000 м.
-
11.3 Внешние соединения блоков при монтаже осуществлять в соответствии с приложением Д. Монтаж и подключение блоков осуществлять в соответствии с пп. 10.4-10.6. При демонтаже все операции производить при отключенном напряжении питания.
-
11.4 При монтаже блока обратить внимание на выполнение требований п. 2.2.
Цепи питания аппаратуры электроавтоматики, электрически связанные с информативными каналами блоков, рекомендуется подключать к сети переменного тока совместно через ограничители импульсных перенапряжений и подавители высокочастотных помех, например, типа «Пилот».
12 ПОДГОТОВКА К РАБОТЕ
-
12.1 Перед включением блока, прошедшего проверку технического состояния, следует убедиться в соответствии его требованиям установки и монтажа, изложенным в разделах 10, 11.
13 ОБЕСПЕЧЕНИЕ ВЗРЫВОЗАЩИЩЕННОСТИ ПРИ ЭКСПЛУАТАЦИИ
-
13.1 При эксплуатации блоков необходимо выполнять все мероприятия в полном соответствии с разделами 5 «Обеспечение взрывоза-щищенности» и 10 «Обеспечение взрывозащищенности при монтаже».
Кроме того, необходимо выполнять местные инструкции, действующие в данной отрасли промышленности, а также другие нормативные документы, определяющие эксплуатацию взрывозащищенного электрооборудования.
-
13.2 Не допускается эксплуатация блоков с маркировкой «ExiallC» в тех случаях, когда отсутствует гальваническое разделение их выходных информационных каналов от силовой, сигнальной или осветительной сетей переменного тока.
14 МЕТОДЫ И СРЕДСТВА ПОВЕРКИ
Данный раздел устанавливает методы и средства первичной и периодических поверок блоков. Межповерочный интервал - два года.
14.1 Операции поверки
-
14.1.1 При поверках должны производиться операции, указанные в таблице 4.
Для проверки подключите блок по схеме приложения Д.
Таблица 4
Наименование операции |
№№ пп. |
Внешний осмотр |
14.2 |
Измерение электрического сопротивления изоляции |
14.3 |
Проверка целостности искробезопасных цепей |
14.4 |
Определение основной погрешности канала преобразования |
14.5 |
Проверка напряжения на выходе искробезопасных цепей |
14.6 |
Оформление результатов поверки |
14.8 |
14.2 Внешний осмотр
При внешнем осмотре блоков необходимо проверить:
-
- сохранность пломб на разъемах ХР2 и ХРЗ и на корпусе блока;
-
- наличие маркировки по взрывозащите;
-
- отсутствие обрывов или повреждений изоляции линий соединений;
-
- надежность присоединения кабелей;
-
- отсутствие обрывов заземляющих проводов;
-
- прочность крепления заземления;
-
- отсутствие вмятин, видимых механических повреждений кожуха, лицевой и задней панелей блока;
-
- целостность светового индикатора включения питания.
ВНИМАНИЕ! ЭКСПЛУАТАЦИЯ БЛОКА С ПОВРЕЖДЕНИЯМИ И НЕИСПРАВНОСТЯМИ КАТЕГОРИЧЕСКИ ЗАПРЕЩЕНА.
Блок, забракованный при внешнем осмотре, дальнейшей проверке не подлежит.
-
14.3 Измерение электрического сопротивления изоляции (п. 2.12)
Перед проверкой соедините накоротко контакты согласно таблице 5.
Проверяемые цепи |
Замкнутые контакты |
Силовая цепь |
ХР1/1.2 |
Искробезопасная цепь 1 |
ХР2/1.2 |
Искробезопасная цепь 2 |
ХРЗ/1,2 |
Цепь канала преобразования 1 |
XS1/1.2 |
Цепь канала преобразования 2 |
XS2/1.2 |
Измерение проводите мегаомметром с номинальным напряжением: 500 В.
Мегаомметр подключите к проверяемым цепям и проведите отсчет показаний по истечении времени, за которое показания мегаомметра установятся.
Блок считают годным, если показания мегаомметра не ниже значений, приведенных в таблице 3.
-
74.4 Проверка целостности искробезопасных цепей
Поочередно закоротите магазины сопротивлений R1-1 (R1-2) и проконтролируйте падение напряжение на эталонной мере сопротивления R2-1 (R2-2).
Блок считается годным, если ток ограничения находится в пределах от 25 до 35 мА.
-
14.5 Определение основной погрешности канала преобразования (п. 2.7)
Определение основной погрешности канала преобразования проводите поочередно для каждого канала при пяти значениях, равномерно распределенных по диапазону, включая нижний и верхний пределы.
Для каждого проверяемого значения рассчитайте значение информативного тока в искробезопасных цепях по формуле (2).
Ynp -Yo
yk-y0
х16 + 4,
(2)
где X - значение информативного тока икробезопасной цепи, соответствующее проверяемому значению, мА;
Ynp - проверяемое значение тока, мА;
Yo, YK - нижний, верхний пределы диапазона изменения тока канала преобразования, мА;
4, 16 - нижний предел, диапазон изменения информативного тока искробезопасной цепи, мА.
Поочередно установите при помощи магазина сопротивлений R1-1 (R1-2) значения информативного тока в искробезопасной цепи, соответствующие проверяемым. Контроль значений осуществите по цифровому вольтметру ZV1, подключенному к клеммам «напряжение» эталонной меры сопротивления, R2-1 (R2-2). Ток рассчитайте по формуле:

где I - значение тока, мА;
U - показание вольтметра, мВ;
100 - сопротивление эталонной меры, Ом.
Затем переключите цифровой вольтметр ZV1 на клеммы «напряжение» эталонной меры R4-1 (R4-2), R6 проверяемого канала и рассчитайте измеренное значение тока канала преобразования Уизм, пользуясь формулой (3).
Рассчитайте для каждого канала преобразования:
-
- для каждого проверяемого значения Ai в мА:
Ai = Yn3Mi - Ynpi, (4)
-
- основную приведенную погрешность у в процентах:
у = A/(Yk-Yo)x100 , (5)
где А - наибольшее из значений Ai, рассчитанных по формуле (4), мА;
Yk, Yo - верхний, нижний пределы изменения выходного сигнала канала преобразования, мА.
Блок считают годным, если рассчитанное по формуле (5) значение соответствует требованиям п. 2.7
-
14.6 Проверка напряжения на выходе искробезопасных цепей (п. 2.10)
Проверку напряжения на выходе искробезопасных цепей (п. 2.10) проводите поочередно для каждой искробезопасной цепи. Установите с помощью магазина сопротивлений R1-1 (R1-2) значение информативного тока 20 мА по методике п. 14.5.
Переключите вольтметр на выход искробезопасных цепей и зафиксируйте результат измерения.
Блок считают годным, если результаты измерений напряжения каждой искробезопасной цепи соответствуют требованиям п. 2.10
14.7Средства поверки
-
14.7.1 При поверке блоков необходимо применить средства поверки согласно таблице 6.
Таблица 6
Обозначение на рисунке Д.1 |
Наименование |
Основные характеристики, необходимые для проверки |
Рекомендуемое оборудование |
Т1 |
Автотрансформатор лабораторного типа |
Пределы измерения от 0 до 250 В |
АОСН-20-220-75УЧ |
V1 |
Вольтметр пере менного тока |
Погрешность ± 0,5 % в диапазоне измерений от 0 до 600 В |
Д 5055/2 |
Продолжение таблицы 6
Обозначение на рисунке Д.1 |
Наименование |
Основные характеристики, необходимые для проверки |
Рекомендуемое оборудование |
ZV2 |
Ампервольтомметр универсальный |
Пределы измерения от 0 до 250 В, Класс точности 0,005/0,001 |
Щ31 |
R2-1, R2-2, R4-1, R4-2 |
Эталонная мера сопротивления |
Номинальное сопротивление 100 Ом Погрешность не более 0,005 % |
Р331 |
R1-1, R1-2 |
Магазин сопротивлений |
Класс точности 0,05 |
МСР-63 |
Мегаомметр |
Номинальное напряжение, 500 В; погрешность не более ± 2,5 %, пределы измерения от 0 до 100 МОм |
Ф4101 |
Примечание - Допускается применение оборудования других типов, основные характеристики которых не хуже приведенных в таблице.
-
14.8 Оформление результатов проверки
Положительные результаты первичной поверки оформляются записью в паспорте с указанием даты поверки и подписью поверителя, удостоверенной клеймом.
По результатам последующих поверок поверителем оформляется свидетельство о поверке по ПР 50.2.006-94 «Правила по метрологии. ГСИ. Порядок проведения поверки средств измерений».
Блок, не удовлетворяющий требованиям одного из пунктов поверки, бракуется и не допускается к применению. При этом выпускается извещение о непригодности согласно ПР 50.2.006-94.
-
14.9 Требования к квалификации поверителей
Поверку блоков должен выполнять поверитель, прошедший инструктаж по технике безопасности, освоивший работу с поверяемым блоком и используемыми эталонами.
Поверитель должен быть аттестован в соответствии с ПР 50.2.012-94 «ГСИ. Порядок аттестации поверителей средств измерений».
15 ПРАВИЛА ХРАНЕНИЯ И ТРАНСПОРТИРОВАНИЯ
-
15.1 Блоки транспортируются всеми видами транспорта в крытых транспортных средствах в соответствии с правилами перевозки грузов, действующими на соответствующем виде транспорта.
Расстановка и крепление ящиков с блоками должны исключать возможность их смещения и ударов друг о друга и о стенки транспорта.
-
15.2 Условия транспортирования и хранения блоков должны соответствовать условиям 5 или 3 (морским путем) по ГОСТ 15150-69.
Срок пребывания блоков в соответствующих условиях транспортирования не более трех месяцев.
-
15.3 Блоки должны храниться в складских помещениях потребителя и поставщика как в транспортной таре, с укладкой в штабелях до 5 ящиков по высоте, так и без упаковки - на стеллажах.
Воздух в помещениях не должен содержать пыли, паров кислот и щелочей, а также газов, вызывающих коррозию.
Блоки распаковывают в сухом отапливаемом помещении и выдерживают не менее 6 ч, чтобы они прогрелись и просохли. Только после этого блоки могут быть введены в эксплуатацию.
Приложение А
(обязательное)
ГАБАРИТНЫЕ И ПРИСОЕДИНИТЕЛЬНЫЕ РАЗМЕРЫ

Рисунок А.1
70

80тт
Рисунок А.2 - Разметка на установку

Рисунок А.З - Схема заделки и пломбирования разъемов ХР2, ХРЗ
17
Приложение Б (обязательное) ОБЩИЙ ВИД БЛОКА
ХР1 сеть
Ю
4
Д’
ft
1
г | |||
■ Т[..... : |
.................тт............. ■■ |
, i | |
i I ~................"е- |
I в П нВ н И |
д д I) |
ад
ХР2 ХРЗ

hFh
■ -0, .-Сд
-
1 3. И; I А. В:
И ИСКР0БЕ30ЛДС1ЫЕ ЦЕПИ
г
11
18
Приложение В
СТРУКТУРНАЯ СХЕМА БЛОКА

Рисунок В.1
19 СПГК. 5005.001 РЭ
Приложение Г
(обязательное)
СХЕМА ВНЕШНИХ СОЕДИНЕНИЙ БЛОКА
Взрывобезопасная зона Взрывоопасная зона

Схема 1
Схема 2
Параметры нагрузки искробезопасных цепей должны быть не более приведенных в таблице 1
20
Приложение Д
СХЕМА ПРОВЕРКИ БЛОКА

V1
Т1
ZV1
R1-1.R1-2
R3-1, R3-2
R2-1, R2-2,
R4-1, R4-2
Вольтметр переменного тока
Лабораторный автотрансформатор
Цифровой вольтметр
Магазин сопротивлений МСР-63
Резистор 0,5 Вт ± 5 %:
-
- для выходного сигнала 4-20 мА - 1,9 кОм ±10 %.;
-
- для входного сигнала 0-5 мА - 400 Ом
Эталонная мера сопротивления Р331, 100 Ом
Для заметок
Контактная информация:
Адрес: |
454047, г. Челябинск, ул. 2-я Павелецкая, 36 |
Телефон: |
(+7 351) 725-75-00 (многоканальный) |
Факс: |
(+7 351)725-89-59 |
E-mail: | |
Internet-адрес: |
Сервисная служба: (+7 351) 725-75-00, добавочный 1662
Отдел продаж: (+7 351) 725-75-00, добавочный 7401, 7402, 7405
Отдел по работе с дилерами: (+7 351) 725-75-00, добавочный 7408
Отдел маркетинга: (+7 351) 725-75-00, добавочный 7400
Отдел закупок: (+7 351) 725-75-00, добавочный 7403
Техническая поддержка:
-
• термометрия: (+7 351)725-76-90
-
• вторичные приборы контроля и регулирования,
функциональная аппаратура: (+7 351) 725-76-38
Продукция произведена ООО «Теплоприбор-Юнит»
чтп
декабрь 2011
ОКП 42 1821

УТВЕРЖДАЮ
УТВЕРЖДАЮ
Раздел 3 «Методы и средства поверки»


БЛОКИ ПИТАНИЯ ДАТЧИКОВ
2000П-ЕхРуководство по эксплуатации
2.087.012 РЭ
r»,nru Г>|ДГ*М*ТИЙ

ТЕПЛОПРИБОР

БЛОК ПИТАНИЯ 2000П-ЕХ



2.087.012 РЭ

РУКОВОДСТВО ПО ЭКСПЛУАТАЦИИ
2.087.012 РЭ
ВВЕДЕНИЕ
Настоящее руководство по эксплуатации (в дальнейшем - РЭ) содержит технические данные, описание принципа построения схемы блока питания датчиков 2000П-Ех, а также сведения, необходимые для правильной его эксплуатации.
-
1 ОПИСАНИЕ И РАБОТА
1.1 Назначение
Блоки питания датчиков 2000П-Ех (в дальнейшем - блоки) предназначены для организации питания, приема и преобразования информативных сигналов датчиков и других устройств систем промышленной автоматики, расположенных во взрывоопасной зоне.
Блоки снабжены искробезопасными цепями уровня «ia» или «ib» (в зависимости от вариантов исполнения) и имеют маркировку по взрывозащите «ExiallC» или «ExibllC» (смотри таблицу 2).
Блоки соответствуют требованиям ГОСТ Р 51330.10-99 и предназначены для работы с датчиками, имеющими вид взрывозащиты «искробезопасная электрическая цепь», например, датчики давления и температуры.
По метрологическим свойствам блоки по ГОСТ Р 52931-2008 являются средствами измерений.
Блоки по устойчивости к климатическим воздействиям соответствует исполнению УХЛ категории 3 по ГОСТ 15150-69, группы исполнения СЗ по ГОСТ Р 52931-2008, но для работы при температуре от минус 10 до плюс 60 °C.
При эксплуатации блока допускаются воздействия:
-
- синусоидальной вибрации с частотой от 10 до 55 Гц и амплитудой до 0,35 мм;
-
- магнитный полей постоянного и переменного токов с частотой (50 ± 1) Гц и напряженностью до 400 А/м.
1.2 Технические характеристики
-
1.2.1 Блоки предназначены для работы с оборудованием, допускающим максимальные значения выходного напряжения Uo, выходного тока lo, выходной мощности Ро искробезопасных цепей, а также эффективное значение напряжения Um и предельные параметры внешних искробезопасных цепей Lo, Со, приведенные в таблице 1.
Таблица 1
Условное обозначение параметра |
Подгруппа оборудования/ значение параметра | |
НС |
НВ | |
Эффективное значение напряжения Um, В |
242 | |
Максимальное выходное напряжение Uo, В |
25,2 | |
Максимальный выходной ток Io, мА |
105 | |
Максимальная выходная мощность Ро, Вт |
0,66 | |
Максимальная внешняя индуктивность Lo, мГн |
3 |
15 |
Максимальная внешняя емкость Со, мкФ |
0,1 |
0,6 |
1.2.2 Исполнения блоков приведены в таблице 2.
Таблица 2
Наименование |
Предельные значения выходного сигнала, мА |
2000n-Exia и |
4-20 |
2000n-Exib |
0-5 |
0-20 |
Пример записи обозначения блока при заказе: Блок питания 2000n-Exia 4-20 мА, 3 шт.»;
-
1.2.3 Блоки со стороны передней панели соответствуют степени защиты IP30 по ГОСТ 14252-96.
Блоки предназначены для монтажа на DIN-рейку (35 мм) или для установки на стене.
-
1.2.4 Блоки имеют одну искробезопасную цепь для питания датчиков и приема информативных сигналов датчиков и один канал преобразования. Номинальная статическая характеристика канала линейная и определяется формулой:
У = (1)
16
где Y - текущее значение выходного сигнала канала преобразования, мА;
X-текущее значение информативного сигнала, мА; Yo, YK - нижний, верхний пределы изменения выходного сигнала канала преобразования, мА;
4, 16 - нижний предел, диапазон изменения информативного сигнала, мА.
-
1.2.5 Сопротивление и прочность изоляции соответствуют приведенным в таблице 3.
Таблица 3
Цепи |
Испытательное напряжение, В |
Сопротивление изоляции, МОм, при температуре, °C | |
(23 ± 5) |
(60 ± 3) | ||
Силовая цепь относительно корпуса, искробезопасной и выходной цепей |
1500 |
40 |
10 |
-
1.2.5 Питание блока осуществляется от сети переменного тока напряжением (220+22/.33) В и частотой (50 ± 1) Гц.
Питание блоков от сети, к которой подключаются силовые электроустановки (например, компрессоры, магнитные пускатели и др.), создающие в коммутационном режиме их работы импульсные помехи, должно осуществляться через сетевые фильтры нижних частот и согласно ПУЭ должны приниматься меры в соответствии с действующими правилами для ограждения приборов от вредного воздействия силовых электроустановок.
ВНИМАНИЕ! НЕВЫПОЛНЕНИЕ ДАННЫХ ТРЕБОВАНИЙ МОЖЕТ ПРИВЕСТИ К ПЕРЕГОРАНИЮ СЛАБОТОЧНОГО ПРЕДОХРАНИТЕЛЯ, УСТАНОВЛЕННОГО В СХЕМЕ БАРЬЕРА ИСКРОЗАЩИТЫ, КОТОРЫЙ НАРЯДУ с основным СВОИМ НАЗНАЧЕНИЕМ ОСУЩЕСТВЛЯЕТ ТАКЖЕ БЛОКИРОВКУ ИСКРОБЕЗОПАСНОЙ ЦЕПИ ОТ ВРЕДНОГО ДЕЙСТВИЯ СЕТЕВЫХ ИМПУЛЬСНЫХ ПОМЕХ.
-
1.2.6 Мощность, потребляемая блоком, не более 5,0 В А.
-
1.2.7 Искробезопасные входные цепи блока рассчитаны на подключение информативных цепей с унифицированным сигналом постоянного тока 4-20 мА по ГОСТ 26.011-80.
-
1.2.8 Канал преобразования блока рассчитан на работу с нагрузками не более 750 Ом для сигнала 4-20 или 0-20 мА и не более 2,5 кОм для сигнала 0-5 мА.
-
1.2.9 Пределы допускаемой основной погрешности канала преобразования, выраженные в процентах от диапазона изменения выходного сигнала, равны ±0,1.
-
1.2.10 Пределы дополнительной погрешности канала преобразования при изменении температуры окружающей среды на каждые 10 °C равны пределам допускаемой основной погрешности.
-
1.2.11 Пределы дополнительной погрешности канала преобразования при изменении напряжения питания равны пределам допускаемой основной погрешности.
-
1.2.12 Напряжение на искробезопасных входах блока равно (17,7 ± 2,4) В (при верхнем предельном значении входного сигнала).
-
1.2.13 Пульсации не превышают:
-
- 80 мВ для выходного сигнала канала преобразования при верхнем предельном значении тока на номинальном сопротивлении нагрузки;
-
- 40 мВ для напряжения искробезопасных цепей при номинальной нагрузке 20 мА.
-
1.2.14 Масса блока не более 0,4 кг.
1.2.15 Габаритные размеры
блока
приведены в
приложении А.
1.2.16 Способы
крепления
блоков
приведены в
приложении Б.
1.2.17 Средняя
наработка на
отказ
блока не менее
25000 ч.
1.2.18 Средний срок службы не менее 10 лет.
-
2 ИСПОЛЬЗОВАНИЕ ПО НАЗНАЧЕНИЮ
2.1 Состав изделия
В состав изделия входят блок и комплект запасных частей. К изделию прилагается техническая документация.
2.2 Устройство и принцип работы
-
2.2.1 Общий вид блока представлен в приложении А.
-
2.2.2 Блок состоит из платы искрозащиты и стабилизатора (А2), платы питания и выходного каскада (АЗ) и переходной платы связей (А1) прикрепленной к лицевой крышке. Платы А2, АЗ по направляющим устанавливаются в корпус, который закрывается крышкой с защелкой.
На переходной плате связей (А1) установлены колодки для подключения внешних цепей.
-
2.2.3 Структурная схема блока приведена в приложении В.
Блок состоит из понижающего трансформатора Т, выпрямительного моста, фильтра, источника питания стабилизированного (ИПС), барьера искрозащиты (БИЗ), закрытого специальной крышкой, и преобразователя напряжения в выходной ток (ПНТ- выходной каскад).
Напряжение питания 220 В через разъем колодки 22, 23 подается на первичную обмотку понижающего трансформатора Т. Со вторичной обмотки трансформатора напряжение через выпрямительный мост и фильтр поступает на ИПС. Сигнал напряжения, пропорциональный току в цепи питания датчика, с БИЗ подается на ПНТ и преобразуется в соответствующий выходной токовый сигнал 0-5, 4-20, или 0-20 мА в зависимости от исполнения блока (см. таблицу 2).
2.3 Обеспечение взрывозащищенности
-
2.3.1 Блоки предназначены для совместной работы с взрывозащищенными датчиками в искробезопасном исполнении, удовлетворяющими параметрам внешней нагрузки (см. таблицу 1).
-
2.3.2 Искробезопасность входных цепей блока достигается за счет ограничения тока и напряжения в его электрических цепях до искробезопасных значений, а также за счет соответствующего выполнения конструкции блока.
-
2.3.3 Ограничение тока и напряжения в искробезопасных цепях блока до искробезопасных значений достигается наличием в блоке встроенных барьеров искрозащиты (БИЗ).
-
2.3.4 Ограничение тока короткого замыкания (1кз) осуществляется установкой в БИЗ резистора с сопротивлением не менее 255 Ом.
-
2.3.5 Ограничение напряжения в цепи питания датчиков на уровне не более 25,2 В осуществляется с помощью стабилитронов IN5349B.
-
2.3.6 Ограничение тока на уровне 24-34 мА осуществляется специальной электронной схемой, ограничивающей ток в цепи
питания датчика и ток в цепи, образуемой открытыми стабилитронами.
-
2.3.7 Электрические цепи, гальванически связанные с искробезопасными цепями, а также силовые цепи переменного тока (220 В) разделены печатным экраном шириной не менее 1,5 мм. Экран электрически соединен с выводами экранных обмоток силового трансформатора, а также с двумя дублирующими зажимами заземления.
-
2.3.8 Барьер искрозащиты (БИЗ) с двух сторон закрыт специальными крышками, имеющими неразборную конструкцию.
-
2.3.9 Проводить ремонт и восстановление БИЗ имеет право только предприятие-изготовитель.
-
2.3.10 Трансформатор выполнен в соответствии с требованиям ГОСТ Р 51330.10-99. Электрические параметры внешних искробезопасных цепей ограничены значениями, приведенными в таблице 1.
2.4 Маркировка и пломбирование
-
2.4.1 На лицевой панели блока, нанесены следующие надписи:
-
- условное обозначение блока и маркировка по взрывозащите «Exia» или «Exib» (в зависимости от исполнения блока);
-
- товарный знак предприятия-изготовителя;
-
- надпись «искробезопасные цепи»;
-
- обозначения элементов внешних соединений.
-
2.4.2 На боковой поверхности блока нанесены следующие надписи:
-
- условное обозначение блока;
-
- товарный знак предприятия-изготовителя;
-
- значения параметров внешней искробезопасной цепи;
-
- порядковый номер блока по системе нумерации предприятия-изготовителя;
-диапазон изменения выходного сигналов;
-
- параметры сети питания V, Hz;
-
- год выпуска;
-
- знак утверждения типа;
-
- надпись «СДЕЛАНО В РОССИИ».
-
2.4.3 На транспортной таре нанесены манипуляционные знаки: «ХРУПКОЕ, ОСТОРОЖНО!», «ВЕРХ».
-
2.4.4 Пломбирование блока осуществляется через отверстия в лицевой крышке блока и отверстия в прозрачной защитной крышке (см. приложение А).
2.5 Тара и упаковка
-
2.5.1 Блоки упаковываются в коробки из коробочного картона или ящики из гофрированного картона, а затем в ящики типа IV по ГОСТ 5959-80.
-
2.5.2 При транспортировании в контейнере блоки должны быть уложены в коробки или ящики из картона.
-
2.5.3 Ящики должны быть обиты внутри водонепроницаемым материалом, который предохраняет от проникновения пыли и влаги.
2.6 Общие указания
-
2.6.1 При получении ящиков с блоками необходимо установить сохранность тары. В случае ее повреждения следует составить акт и обратиться с рекламацией к транспортной организации.
-
2.6.2 В зимнее время ящики с блоками распаковывать в отапливаемом помещении не менее, чем через 8 ч после внесения их в помещение.
-
2.6.3 Проверить комплектность в соответствии с паспортом на блок и его работоспособность.
-
2.6.4 Рекомендуется сохранять паспорт, который является юридическим документом при предъявлении рекламации предприятию-изготовителю и поставщику. В паспорт должны включаться данные, касающиеся хранения и эксплуатации блока.
2.7 Указания мер безопасности
-
2.7.1 Обслуживающий персонал не допускается к работе без проведения инструктажа по технике безопасности на месте установки блока.
-
2.7.2 По степени защиты человека от поражения электрическим током блок относится к классу 0 по ГОСТ 12.2.007.0-75.
-
2.7.3 Не допускается замыкание контактов сетевого разъема, а также линий связи между блоком и внешней взрывозащищенной аппаратурой.
2.8 Обеспечение взрывозащищенности при монтаже
ВНИМАНИЕ! ДЛЯ ПРИМЕНЕНИЯ БЛОКОВ С УРОВНЕМ ВЗРЫВОЗАЩИТЫ «ia» ДОЛЖЕН БЫТЬ ОРГАНИЗОВАН ОТДЕЛЬНЫЙ ИСКРОЗАЩИТНЫЙ КОНТУР ЗАЗЕМЛЕНИЯ С СОПРОТИВЛЕНИЕМ НЕ БОЛЕЕ 1 ОМ.
Для блоков с уровнем взрывозащиты «ib» допускается искрозащитное заземление выполнять глухозаземленной нейтралью с сопротивлением не более 4 Ом.
Только эти исполнения блока допускают и позволяют объединение минусовой шины питания блока с искрозащитной шиной и подключение к ним цепи нагрузки, а также функционально обеспечивают совмещение электрических цепей блока и других приборов электроавтоматики, гальванически связанных с общей шиной защитного заземления.
-
2.8.1 Блок относится к электрооборудованию общего исполнения и устанавливается вне взрывоопасных зон.
-
2.8.2 Перед монтажом блока следует осмотреть его, проверить маркировку по взрывозащите, заземляющее устройство, целостность корпуса и отсутствие повреждений зажимов.
-
2.8.3 Перед присоединением линий связи с взрывозащищенными датчиками блок должен быть надежно
заземлен.
-
2.8.4 Контроль включения питания осуществляется по свечению индикатора на лицевой панели блока.
-
2.8.5 Подключение блока производится в следующем порядке:
-
- подключить невзрывозащищенные внешние цепи (18, 19);
-
- подключить цепи питания (22, 23);
-
- замерить напряжение на контактах (5, 6), которое не должно превышать 25,2 В постоянного тока;
-
- отключить напряжение питания;
-
- подключить внешние искробезопасные цепи (5, 6) и закрыть прозрачной защитной крышкой, опломбировать.
-
2.8.6 После завершения монтажа проверить сопротивление заземления.
При подключении блоков с уровнем взрывозащиты «ia» сопротивление специального контура заземления не должно превышать 1 Ом.
При подключении блоков с уровнем взрывозащиты «ib» к глухо-заземленной нейтрали сопротивление искрозащитного заземления должно быть не более 4 Ом.
-
2.8.7 При монтаже блоков необходимо руководствоваться настоящим РЭ, главой 3.4 ПЭЭП, ПУЭ и другими документами, действующими в данной отрасли промышленности.
2.9 Порядок установки
-
2.9.1 Блок монтировать в положении, указанном в приложения А.
Место установки блока должно быть удобно для проведения монтажа, демонтажа и обслуживания.
-
2.9.2 Параметры внешних соединений блока должны соответствовать требованиям таблицы 1. Сопротивление изоляции проводов искробезопасной цепи должно быть не менее 30 МОм. Линия связи может быть выполнена любым
типом кабеля с медным проводом сечением не менее 0,35 мм2 согласно ПУЭ.
Длина линии связи не должна превышать 1000 м.
-
2.9.3 Внешние соединения блока при монтаже осуществлять в соответствии со схемами приложения Г. Монтаж и подключение блока осуществлять в соответствии с разделом 2.8. При демонтаже все операции производить при отключенном напряжении питания.
-
2.9.4 При монтаже блока обратить внимание на выполнение требований п. 1.2.5.
Рекомендуется цепи питания аппаратуры электроавтоматики, электрически связанной с информативными каналами блоков 2000П-Ех, подключать к сети переменного тока совместно через ограничители импульсных перенапряжений и подавители высокочастотных помех, например, типа «Пилот».
2.10 Подготовка к работе
-
2.10.1 Перед включением блока, прошедшего проверку технического состояния, следует убедиться в соответствии его требованиям установки и монтажа, изложенным в разделах 2.8, 2.9 РЭ.
2.11 Обеспечение взрывозащищенности при эксплуатации
-
2.11.1 При эксплуатации блока необходимо выполнять все мероприятия в полном соответствии с разделами «Обеспечение взрывозащищенности» и «Обеспечение взрывозащищенности при монтаже» настоящего РЭ. Кроме того, необходимо выполнять местные инструкции, действующие в данной отрасли промышленности, а также другие нормативные документы, определяющие эксплуатацию взрывозащищенного электрооборудования.
-
2.11.2 Не допускается эксплуатация блоков с маркировкой
«Exia» в тех случаях, когда отсутствует гальваническое разделение их выходных информационных каналов от силовой, сигнальной или осветительной сетей переменного тока.
-
3 МЕТОДЫ И СРЕДСТВА ПОВЕРКИ
Данный раздел устанавливает методы и средства первичной и периодических поверок блоков. Межповерочный интервал -два года.
3.1 Операции поверки
-
3.1.1 При поверках должны производиться операции, указанные в таблице 4.
Таблица 4
Наименование операции поверки |
№ пп. |
1 Внешний осмотр |
3.6.1 |
2 Измерение электрического сопротивления изоляции |
3.6.2 |
3 Проверка целостности искробезопасных цепей |
3.6.3 |
4 Определение основной погрешности канала преобразования |
3.6.4 |
5 Проверка напряжения на выходе искробезопасных цепей |
3.6.5 |
6 Оформление результатов поверки |
3.6.6 |
3.2 Средства поверки
-
3.2.1 При поверке блоков необходимо применить средства поверки согласно таблице 5.
Таблица 5
Наименование |
Основные характеристики, необходимые для проверки |
Рекомендуемое оборудование |
Эталонная мера сопротивления |
Номинальное сопротивление 100 Ом; класс точности 0,01 |
Р331 |
Мегаомметр |
Номинальное напряжение 500 В; погрешность не более ± 2,5 %, пределы измерения от 0 до 100 МОм |
Ф4101 |
Магазин сопротивлений |
Класс точности 0,05 |
МСР-63 |
Цифровой ампервольтметр |
Класс точности 0,005/0,001 |
Щ31 |
Лабораторный автотрансформатор |
Пределы регулирования 0-250 В, ток нагрузки 2 А, контроль напряжения по вольтметру кл. 1,0 |
ЛАТР-2М |
Вольтметр переменного тока |
Пределы измерения от 0 до 250 В, |
Ц4313 |
Примечание - Допускается применение оборудования любых типов, основные характеристики которых не хуже приведенных в таблице |
3.3 Требования к квалификации поверителей
-
3.3.1 Поверку блоков должен выполнять поверитель, прошедший инструктаж по технике безопасности, освоивший работу с поверяемым блоком и используемыми эталонами.
Поверитель должен быть аттестован в соответствии с ПР50.2.012-94 «ГСИ. Порядок аттестации поверителей средств измерений».
3.4 Требование безопасности
-
3.4.1 При проведении поверки необходимо соблюдать требования безопасности, предусмотренные «Правилами технической эксплуатации электроустановок потребителей и правилами техники безопасности при эксплуатации электроустановок потребителей» (изд. 3), ГОСТ 12.2.007.0-75, ГОСТ 12.1.019-79, ГОСТ 22261-94, указаниями по безопасности, изложенными в РЭ на поверяемый преобразователь, применяемые эталоны и вспомогательное оборудование.
3.5 Условия поверки и подготовка к ней
-
3.5.1 Поверка блоков должна проводиться в нормальных условиях:
-
- напряжение питания (220 ± 4,4) В;
-
- коэффициент высших гармоник не более 5 %;
-
- температура окружающего воздуха плюс (23 ± 2) °C;
-
- время выдержки блоков после включения не менее 30 мин.
-
3.5.2 Перед началом поверки поверитель должен изучить руководство по эксплуатации поверяемых средств измерений, эталонов и других технических устройств, используемых при поверке, и правила техники безопасности.
-
3.5.3 Схема проверки блока приведена в приложении Д.
-
3.6 Проведение поверки
-
3.6.1 Внешний осмотр
-
При внешнем осмотре блока необходимо проверить:
-
- сохранность пломб;
-
- наличие маркировки по взрывозащите;
-
- отсутствие обрывов или повреждений изоляции линий соединений;
-
- надежность присоединения кабелей;
-
- отсутствие обрывов заземляющих проводов;
-
- прочность крепления заземления;
-
- отсутствие вмятин, видимых механических повреждений;
-
- целостность светового индикатора включения питания. Блок, забракованный при внешнем осмотре, дальнейшей
проверке не подлежит.
-
3.6.2 Измерение электрического сопротивления Перед проверкой соедините контакты согласно таблице 7. Таблица 7
Проверяемые цепи
Замкнутые контакты
Силовая цепь
22, 23
Искробезопасная цепь
5,6
Цепь канала преобразования
18, 19
Корпус
8,9
Измерение проводите мегаомметром с номинальным напряжением 500 В.
Мегаомметр подключите к проверяемым цепям и проведите отсчет показаний по истечении времени, за которое показания мегаомметра установятся.
Блок считают годным, если показания мегаомметра не ниже значений, приведенных в таблице 3.
-
3.6.3 Проверка целостности искробезопасных цепей
Подключите на клеммы искробезопасных цепей 5 и 6 ампервольтметр ZV1 в режиме измерения тока (цепи R1-1, R2-1 отключены) и зафиксируйте показания.
Блок считается годным, если значение тока не превышает 105 мА.
-
3.6.4 Определение основной погрешности (п. 1.2.9)
Определение основной погрешности канала преобразования проводите при пяти значениях, равномерно распределенных по диапазону, включая нижний и верхний
пределы.
Для каждого проверяемого значения рассчитайте значение информативного тока в искробезопасных цепях по формуле (2).

где X - значение информативного тока икробезопасной цепи,
соответствующее проверяемому значению, мА;
Yn - проверяемое значение тока, мА;
Yo , YK - нижний, верхний пределы диапазона изменения тока канала преобразования, мА;
4, 16 - нижний предел, диапазон изменения информативного тока искробезопасной цепи, мА.
При помощи магазина сопротивления R1-1 поочередно установите значения информативного тока в искробезопасной цепи, соответствующие проверяемым. Контроль устанавливаемых значений осуществите по цифровому вольтметру ZV1, подключенному к клеммам «напряжение» эталонной меры сопротивления, R2-1. Ток рассчитайте по формуле:
(3)
100
где I - значение тока, мА;
U - показание вольтметра, мВ;
100 - сопротивление эталонной меры, Ом.
Затем переключают цифровой вольтметр ZV1 на клеммы «напряжение» эталонной меры R4-1 и рассчитывают измеренное значение тока канала преобразования Yh3m, пользуясь формулой (3).
Рассчитайте:
- для каждого проверяемого значения каждого канала преобразования Ai в мА:
Ai = Yh3mi - Ynpi
(4)
- основную приведенную погрешность каждого канала / в процентах:
/ = Д/(Ук-Уо)х 100 , (5)
где Д - наибольшее из значений Ai, рассчитанных по формуле (4), мА;
Yk, Yo - верхний, нижний пределы изменения выходного сигнала канала преобразования, мА.
Блок считают годным, если рассчитанное по формуле (5) значение соответствует требованиям п. 1.2.9.
-
3.6.5 Проверка напряжения на выходе искробезопасных цепей (п. 1.2.12)
Проверку напряжения на выходе искробезопасных цепей проводите, установив с помощью магазина сопротивлений R1-1 значение информативного тока 20 мА. Контроль осуществите, подключив вольтметр ZV1 к клеммам «напряжения» эталонной меры сопротивления R2-1. По показаниям вольтметра рассчитайте ток по формуле (3).
Переключите вольтметр на выход искробезопасных цепей 5 и 6 и проконтролируйте результат измерения.
Блок считают годным, если результаты измерений напряжения каждой искробезопасной цепи соответствуют требованиям п. 1.2.12.
-
3.6.6 Оформление результатов поверки
Положительные результаты первичной поверки оформляются записью в паспорте с указанием даты поверки и подписью поверителя, удостоверенной клеймом.
По результатам последующих поверок поверителем оформляется свидетельство о поверке по ПР 50.2.006-94 «Правила по метрологии. ГСИ. Порядок проведения поверки средств измерений».
Прибор, не удовлетворяющий требованиям одного из пунктов поверки, бракуется и не допускается к применению.
При этом выпускается извещение о непригодности согласно ПР 50.2.006-94.
4 ПРОФИЛАКТИЧЕСКИЙ ОСМОТР
Периодичность профилактических осмотров блока устанавливается в зависимости от производственных условий, но не реже, чем два раза в год. В процессе профилактического осмотра должны быть выполнены следующие мероприятия:
-
- чистка зажимов блока;
-
- чистка внутреннего монтажа блока (кроме частей, закрытых неразборными крышками);
-
- проверка целостности паек, крепления и изоляции проводов объемного монтажа.
5 ПРАВИЛА ХРАНЕНИЯ И ТРАНСПОРТИРОВАНИЯ
-
5.1 Блок в упаковке транспортируется всеми видами транспорта в соответствии с правилами перевозок грузов, действующими на каждом виде транспорта.
-
5.2 Условия транспортирования должны
соответствовать условиям хранения 5 по ГОСТ 15150-69.
Срок пребывания блока в условиях транспортирования -не более трех месяцев.
-
5.3 Блок должен храниться по условиям хранения 1 по ГОСТ 15150-69.
-
5.4 Ящики с блоками должны транспортироваться и храниться в определенном положении, обозначенном манипуляционными знаками.
6 ГАРАНТИИ ИЗГОТОВИТЕЛЯ
-
6.1 Изготовитель гарантирует соответствие блоков требованиям технических условий при соблюдении условий хранения, транспортирования и эксплуатации.
-
6.2 Гарантийный срок эксплуатации - 18 месяцев со дня ввода блоков в эксплуатацию.
-
6.3 Гарантийный срок хранения - 6 месяцев со дня изготовления блоков.
-
6.4 Изготовитель несет ответственность за скрытые дефекты блоков независимо от срока гарантии.
Приложение А (обязательное) ГАБАРИТНЫЕ РАЗМЕРЫ

— |
1 |
п / | |||
И 1,5 max |
— | ||||
131,5 max |
Рисунок А.1 - Габаритные размеры

Рисунок А.2 - Пломбирование
Приложение Б (справочное) МОНТАЖ БЛОКОВ ПИТАНИЯ

Рисунок Б.1 - Монтаж блоков питания на рейку
Рисунок Б.2 Монтаж блоков питания на стенку

Примечание - Для открытия прозрачной крышки аккуратно поддеть ее по центру отверткой. Не допускать осевых смещений и резких механических воздействий.
Рисунок Б.З - Открывание крышки
Приложение В (справочное) СТРУКТУРНАЯ СХЕМА БЛОКА

ИПС - источник питания стабилизированный; БИЗ - барьер искрозащиты;
ПНТ - преобразователь напряжения в ток
Рисунок В.1
Приложение Г
(обязательное)
СХЕМА ВНЕШНИХ СОЕДИНЕНИЙ БЛОКА
Взрывобезопасная зона Взрывоопасная зона

Рисунок Г.1
Приложение Д (обязательное) СХЕМА ПРОВЕРКИ БЛОКА


V1 Вольтметр переменного тока
Т1 Лабораторный автотрансформатор
ZV1 Цифровой ампервольтметр
R1-1 Магазин сопротивлений МСР-63
R3-1 Резистор 0,5 Вт ± 5 %,
-
- для выходного сигнала 4-20 мА - 650 Ом;
-
- для выходного сигнала 0-5 мА - 2,4 кОм.
R2-1, R4-1 Эталонная мера сопротивления Р331 100 Ом
Рисунок Д.1
29
Для заметок
Контактная информация:
Адрес: |
454047, г. Челябинск, ул. 2-я Павелецкая, 36 |
Телефон: |
(+7 351) 725-75-00 (многоканальный) |
Факс: |
(+7 351)725-89-59 |
E-mail: |
prod.sales(S}tpchel.ru |
Internet-адрес: |
Сервисная служба: (+7 351) 725-75-00, добавочный 1662 Отдел продаж: (+7 351) 725-75-00, добавочный 7401, 7402, 7405
Отдел по работе с дилерами: (+7 351) 725-75-00, добавочный 7408
Отдел маркетинга: (+7 351) 725-75-00, добавочный 7400
Отдел закупок: (+7 351) 725-75-00, добавочный 7403 Техническая поддержка:
-
• термометрия: (+7 351)725-76-90
-
• вторичные приборы контроля и регулирования,
функциональная аппаратура: (+7 351) 725-76-38
Продукция произведена ООО «Теплоприбор-Юнит»
чтп
декабрь 2011
ОБЕСПЕЧЕНИЕ ВЗРЫВОЗАЩИЩЕННОСТИ
-
5.1 Блоки предназначены для совместной работы с взрывозащищенными датчиками в искробезопасном исполнении, удовлетворяющими параметрам внешней нагрузки, указанным в таблице 1.
-
5.2 Искробезопасность входных цепей блока достигается за счет
- лицевая панель;
- задняя панель;
- стяжки;
- крышка;
- печатная плата;
- разъемы для установки модулей искрозащиты;
- скоба с трансформатором;
- предохранители;
- световой индикатор Н;
- обойма;
- колпачок