Методика поверки «Системы измерительные для БИС и СБИС J750E (J750Ex) ФИРМЫ « TERADYNE, INC.».» (Код не указан!)
УТВЕРЖДАЮ Начальник ФГБУ
Системы измерительные для БИС и СБИС J750E (J750Ex)
ФИРМЫ « TERADYNE, INC.».
МЕТОДИКА ПОВЕРКИ
2016 г.
1 Введение-
1.1 Настоящая методика поверки распространяется на системы измерительные для БИС и СБИС J750E (J750Ex) (далее - системы) фирмы «TERADYNE, 1NC.». США, и устанавливает порядок проведения их первичной и периодической поверок.
-
1.2 Интервал между поверками - 1 год.
-
2.1 При поверке выполняют операции, представленные в таблице 1.
Таблица 1
|
Наименование операции |
Номер пункта документа по поверке |
Проведение операции при | |
|
к, первичной поверке |
псриодиче ской поверке | ||
|
1 Подготовка к поверке |
6.2 |
+ | |
|
2 Внешний осмотр |
7.1 | ||
|
3 Опробование |
7.2 |
+ | |
|
4 Калибровка интерфейсной платы «CAL-DIB» |
7.3 |
+ | |
|
5 Определение метрологических характеристик |
7.4 |
4- | |
|
5.1 Проверка опорной частоты сигнала, управляющего модуля «CAL-CUB» |
7.4.1 |
4- | |
|
5.2 Определение допускаемой абсолютной погрешности воспроизведения напряжения низкого V1L и высокого V1H уровней выходных сигналов |
7.4.2 |
+ |
4- |
|
5.3 Определение абсолютной погрешности воспроизведения и измерения напряжения постоянного тока параметрического источника -измерителя PPMU (для HSD100, HSD200) |
7.4.3 |
+ |
4- |
|
5.4 Определение абсолютной погрешности воспроизведения силы постоянного тока параметрического устройства PPMU (для HSD100, HSD200) |
7.4.4 |
+ |
4- |
|
5.5 Определение абсолютной погрешности измерения силы постоянного тока параметрического устройства PPMU (для HSD100, HSD200) |
7.4.5 |
+ |
+ |
|
5.6 Определение абсолютной погрешности воспроизведения и измерения напряжения постоянного тока параметрического источника-измерителя BPMU (для HSD100, HSD200) |
7.4.6 |
4- |
4- |
|
5.7 Определение абсолютной погрешности воспроизведения силы постоянного тока параметрического устройства BPMU (для HSD100, HSD200) |
7.4.7 |
4- |
4- |
|
5.8 Определение абсолютной погрешности измерения силы постоянного тока параметрического устройства BPMU (для HSD100, HSD200) |
7.4.8 |
4- |
+ |
|
5.9 Проверка идентификационных признаков |
7.5 |
4- |
4- |
|
Наименование операции |
Номер пункта документа по поверке |
Проведение операции при | |
|
первичной поверке |
периодиче ской поверке | ||
|
программного обеспечения (ПО) | |||
|
6 Оформление результатов поверки |
8 |
+ | |
-
3.1 При проведении поверки используют средства измерений и вспомогательное
оборудование, представленные в таблице 2. Таблица 2
|
Номер пункта методики |
Наименование и обозначение средства поверки, основные метрологические и технические характеристики |
|
7.3 |
Мультиметр 3458А*: |
|
Пределы допускаемой абсолютной погрешности измерений напряжения постоянного тока: на пределе 100 мВ: ± (2,5- 10’6-D + 3,5- 10’6-Е); на пределе 1 В: ± (1,5- 10’6 D + 0,3- 10'6 Е); на пределе 10 В: ± (0,5 - 10'6 D + 0,05• 10'6-Е); на пределе 100 В: ± (2,5-10’6 D + 0,310'6Е). Где D - показание мультиметра, Е - предел измерения. | |
|
Пределы допускаемой абсолютной погрешности измерения силы постоянного тока: на пределе 100 нА: ± (10- 10’6 D + 400- 10’6 Е); на пределе 1 мкА: ± (1010'6 D + 4010'6 Е); на пределе 10 мкА: ± (1010'6 D + 7- 10’6 Е); на пределе 100 мкА: ± (10- 10’6 D + 6- 10'6 Е); на пределе 1 мА: ± (10- 10’6 D + 4- 1О'Й-Е); на пределе 10 мА: ± (10- 10'6D + 4’ 10'6-Е); на пределе 100 мА: ± (25xlO’6-D + 4- 10’6Е); на пределе 1 А: ± (100- 10’6D + 10’ 10'6-Е), где D - показание мультиметра, Е - предел измерения | |
|
7.4 |
Частотомер электронно-счетный 53181Л: диапазон измеряемых частот ВЧ сигнала с открытым входом от 0 до 255 МГц, диапазон измеряемых частот СВЧ сигнала от 100 до 1500 МГц, пределы допускаемой основной относительной погрешности измерений частоты ± 5'10'6, максимальный уровень входного сигнала ±5 В |
|
7.2.3. 7.3 |
Интерфейсная плата CAL-DIB 239-004-хх/х** |
|
Примечания: * - использование аналогов недопустимо. ** хх/х - обозначение редакции платы CAL-DIB. Допускается использование любой редакции. | |
-
3.2 Допускается использование других средств измерений и вспомогательного оборудования, имеющих метрологические и технические характеристики не хуже, приведенных в таблице 2.
-
4.1 К проведению поверки допускается инженерно-технический персонал со среднетехническим или высшим радиотехническим образованием, имеющим опыт работы с радиотехническими установками, ознакомленный с руководством по эксплуатации (РЭ) и документацией по поверке и имеющие право на поверку.
-
5.1 При подготовке и проведении поверки следует соблюдать требования безопасности и производственной санитарии, установленные в эксплуатационной документации на систему и средства измерений.
-
5.2 Запрещается проведение измерений при отсутствии или неисправности заземления системы.
-
5.3 Измерения необходимо производить при отсутствии резких перепадов напряжения питания сети.
-
6.1 При проведении поверки должны быть соблюдены следующие условия:
-
- температура окружающего воздуха от 10 до 25 °C;
-
- относительная влажность воздуха не более 80 %;
-
- атмосферное давление от 84 до 107 кПа;
-
- напряжение питания 380 ± 19 В;
-
- частота 50 ± 2 Гц.
-
6.2 При подготовке к поверке выполнить следующие операции:
-
- проверить наличие средств поверки, укомплектованность их технической документацией (ТД) и необходимыми элементами соединений;
-
- используемые средства поверки разместить, заземлить и соединить в соответствии с требованиями РЭ;
-
- подготовку, соединение, включение и прогрев средств поверки, регистрацию показаний и другие работы по поверке произвести в соответствии с РЭ.
-
7.1 Внешний осмотр
При внешнем осмотре установить соответствие системы требованиям ТД. При внешнем осмотре убедиться в:
отсутствии механических повреждений;
-
- чистоте гнезд, разъемов и клемм;
исправности соединительных проводов и кабелей;
-
- целостности лакокрасочных покрытий и четкости маркировки;
отсутствии снаружи системы незакрепленных предметов.
Проверить комплектность системы в соответствии с ТД.
Результаты внешнего осмотра считать положительными, если система удовлетворяет вышеперечисленным требованиям, комплектность системы полная. В противном случае поверка не проводится до устранения выявленных недостатков.
-
7.2 Опробование
При опробовании устанавливают работоспособность системы. Опробование системы включает в себя следующие проверки:
-
- проверка функционирования измерительного головного блока:
-
- проверка исправности вакуумного прижима;
-
- калибровка управляющего модуля CAL-CUB.
-
7.2.1 Проверка функционирования измерительного головного блока:
-
- установить основной выключатель «СВ1» силового шкафа в положение «ON»:
-
- нажать зеленую кнопку «включение питания» - на лицевой стороне силового шкафа, для подачи питания на измерительный головной блок и компоненты системы:
-
- включить прерыватели схем питания системы - «СВ5», «СВЗ». «СВ4». «СВ6» на тыльной стороне шкафа;
-
- нажать и удерживать в течение 3-5 с зеленую кнопку «Power ON» на лицевой стороне измерительного головного блока;
-
- включить управляющий ПЭВМ:
-
- запустить специализированное программное обеспечение «1G-XL, J750Maint».
Результаты проверки функционирования измерительного головного блока считать положительными, если после запуска специализированного программного обеспечения отсутствуют сообщения об ошибках.
-
7.2.2 Проверка исправности вакуумного прижима:
-
- установить на прижимное устройство интерфейсную плату «САЕ-DIB» (далее -плата «CAL-DIB»);
-
- включить вакуумный насос тумблером в верхней части тестовой головки:
-
- прижать плату «CAL-DIB», чтобы убедиться в том, что она сидит плотно, при этом необходимо надавливать на плату «CAL-DIB» на участке непосредственно над блоками контактов (действия с платой «CAL-DIB» проводить в антистатическом браслете!):
Результаты проверки исправности вакуумного прижима считать положительными, если показания индикаторного манометра, расположенного на задней стороне измерительного головного блока, находятся в «зелёной зоне» шкалы.
-
7.2.3 Калибровка управляющего модуля «CAL-CL'B».
-
7.2.3.1 Калибровка управляющего модуля «CAL-CUB» (далее - модуля «CAL-CUB») происходит при помощи мультиметра 3458А, платы «CAL-DIB» в автоматическом режиме «External Cal».
-
7.2.3.2 Подключить при помощи кабеля GPIB. из комплекта поставки системы, мультиметр 3458А к управляющему ПК системы как показано на рисунке 1.
Рисунок 1. Схема подключения для калибровки CAL-CUB
-
7.2.3.3 Установить GPIB адрес мультиметр 3458А равным 22. Выполнить самокалибровку мультиметра нажатием «AutoCai», затем «Enter» на лицевой стороне мультиметра.
-
7.2.3.4 Запустить на управляющем ПК системы специализированное ПО «J750Maint».
-
7.2.3.5 В диалоговом окне (рисунок 2) программы «J750Maint» и перейти па вкладку «External Cal».
4, J750 Maintenance - Offline МЩ8.14 WurkBouk; ¥7.6(к5(>

Unload Program
Рисунок 2. Диалоговое окно программы «J750Maint»
-
7.2.3.6 Отменить выбор всех плат системы, нажав на знак «-» в поле «ALL».
-
7.2.3.7 Выбрать в диалоговом окне модуль «CAL-CUB». щелчком по её изображению, который соответствует SLOT 18.
-
7.2.3.7 Нажать кнопку «Start».
-
7.2.3.8 Подключить щупы мультиметра к интерфейсной плате «CAL-DIB» в соответствии с открывшимся диалоговым окном программы «Voltage Measurement Instrumentation Setup» (рисунок 3).

Connect:
НР3458А HI terminal to the AG004 connector J3 pin 1 HP3458A LO terminal to the AG004 connector J3 pin 2
Рисунок 3. Схема подключения мультиметра к разъему J3 интерфейсной платы «CAL-D1B» в режиме калибровки «CAL-CUB»
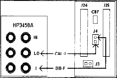
7.2.3.9 По завершении процесса измерений на экране откроется диалоговое окно «Current Measurement Instrumentation Setup», подключить щупы мультиметра к интерфейсной плате «CAL-D1B» в соответствии с открывшимся диалоговым окном программы (рисунок 4).
НР3458А Current Measurement Instrumentation Setup

Connect'
HP3458A I terminal to the AG004 connector J4 pin 2 HP34S8A LO terminal to the AG004 connector J4 pin 1

OK
Рисунок 4. Схема подключения мультиметра к разъему J4 интерфейсной платы «CAL-DIB» в режиме калибровки «CAL-CUB»
7.2.3.10 В случае успешного прохождения процедуры «ExternalCal» появится окно «CALCUBCAL» , как показано на рисунке 5, с результатами калибровки, в противном случае появится код ошибки.
Запрограммированное знамение напряжения,
Измеренное значение внешним СИ
воспроизведенное модулем
CAl-CUB

Измеренное значение модулем CAL-CUB
Ere dels
Й-fO/r 077t>‘6.?5r 34
1.9996337899625 I
4„99R397fi2714844
6.99/5/385253906
9.99468994140625
2'3.98686218261/2
1.999130249 02344
-4.99/89428/10938
6.9970783125
; -9.9954223Л328 125
23.9696545418156
9999 П -3.fi051711076272F-83 8 0.77214465999/929 0.2 8.196298147584861 0
9999 0 -3.0062 0BO6632919E~04 0
2.2724888058/2 0.02 1.970/7УЬ43Э58Ь4Ь-02 0
9999 0 2.96944716221765E 05 0
3.99537644931008 0.002 1 .96 622112686 319 41--03 0
9999 В Э.81382156240864С 86 8
3.95Й649261283Н4 0.С0Я7 1 .96523222632512F-fto 0
9999 8 -3.04438858628543b-07 0
3.95Р94110МЯ471 0.08002 t. 96496922474049F-05 0
9959 0 -3.0737318251327L-08 8
9.95129312531937 0.080682 1 .96467407K1198E 06 8
9999 0 -3.08C21466/60305b-09 0
3.94346531629947 8.0800092 1.96447416909619C 07 0
2.99972180175781 3.000793289 2.98722800378429 1
8.999130249823436 0,9996909451 1.80301504664345 1
8.99(174987792969 9.000213644 8.97377458647419 1
9999 0.U0KJ1666U6986 -2.4147/7062280296-02 1
-Я. 99/2U/.33789063 -£J£98414R2 -8.985595745137904 1
9999 .................
9999
9999
9999
u
с. эсо.кззы.а'н,? 2.008367146
5.080134004 7.080386394 10.80014234
24.00038155
г 1.999981944
I -4.999929354
>.5 1лГ079ХМУ5А1Г-33 .
5.96970906323435 1 4.98239?25Й587Д8 1 6.97852212210455 1 9.95Я81274605545 1 23 Л19845042268 1 2.00185696181646 -4.99469621684926
-6.9 996082 26 6.96 9 641111965 61 1
-9.999717755 -10.0003337961974
23.99976556 23.9677929447309

|
"Г1 - Значения напряжений | |
|
- | |
|
"0" - 3 силы |
качения гона |
9999
9999
9999
9999
9999 9999 9999
9999

Напряжение не воспроизводилось

Рисунок 5. Результаты процедуры калибровки «External Cal»
7.2.3.11 Система считается прошедшей калибровку. если процедура «ExternalCal» прошла успешно.
Результаты опробования системы считать положительными, если процедуры в н.п. 7.2.1 - 7.2.3 прошли успешно.
В противном случае система дальнейшей поверке не подвергается, бракуется и направляется в ремонт.
7.3 Проверка управляющего модуля «CAL-CUB».
-
7.3.1 Проверка модуля «CAL-CUB» проводится в автоматическом режиме «External PV». Собрать схему, показанную на рисунке 1.
-
7.3.2 В диалоговом окне программы «J750Maint» перейти на вкладку «External PV».
-
7.3.3 Отменить выбор всех плат системы, нажав на знак «-» в поле «ALL».
-
7.3.4 Выбрать в диалоговом окне модуль «CAL-CUB», щелчком по её изображению, который соответствует SLOT 18.
-
7.3.5 Нажать кнопку «Start».
-
7.3.6 Подключить щупы мультиметра к плате «CAL-DIB» в соответствии с
п. 7.2.3.8 - 7.2.3.9.
-
7.3.7 По завершении процесса измерений результаты измерения «External PV» выводятся на экран, как показано на рисунке 6. Сохраните файл.
ExtemeiPV— . сз >' Е» кёЗвй
файл Дравка Формат Вид ^правка
%JOK_srART . Beginning сив E'xt^rnal verification test or slot 18 at 11:07:5" am on
11 Id 2014
workbook Rev v?.dO.C'2_d ’G-xl version: 3.-0.1? p5 DIB * 31OO9FO Rev 1126A
Performing source and measure voltage ver if 1 car 1 or...
«error - Application-defined or object-defired error
44JOB_END '•'“'’’TEST ABORTED*-*"* CUB External verification of slot 18 ГСЗО68ОЗ) at 11:03:1'1 am
%JOB. START - Beginning cub External verification test on slot 18 at 11:03:41 AM on
11'14 2014
|
ivorkbook Rev v'.40.02_a ig-xl version: 5.40.1" P5 1126A |
DIB * 31ОО9Г0 | |
|
Performing source and measure voltage verification... | ||
|
%PASS |
- calcub test of source voltage at -24v Measured: -24.000174 low limit: 24,005417 high limit: |
-23. 994582 |
|
%PASS |
- CALCUB test of voltage measure at -24V Measured: -23.999692 low limit: -24.003226 high limit: |
-23.99'122 |
|
%PA5S |
- calcub test of source voltage at -23v Measured; -23.000151 low limit: -23.005217 high limit; |
-22.994782 |
|
%P.A55 |
- calcub test of voltage measure at -23v Measured: -22.999847 low limit: -23.003203 high limit: |
-22.99"100 |
|
%PA5S |
- calcub rest of source voltage at -22V Measured: -22.000013 low limit: -22.005017 high limit: |
-21.994982 |
|
%PA5S |
- calcub rest of voltage measure at -22v Measured: -21.999626 low limit: -22.003065 high limit; |
-21.996961 |
Рисунок 6. Результаты измерений «External PV»
-
7.3.8 Модуль считается прошедшим проверку успешно, если на всех измерениях будет результат «PASS».
-
7.4 Определение метрологических характеристик
Проверка метрологических характеристик происходи!' при помощи модуля «CAL-CUB». платы «CAL-D1B» в автоматическом режиме «Performance Check».
-
7.4.1 Определение абсолютной погрешности воспроизведения частоты опорного сигнала, управляющего модуля «CAL-CUB»
-
7.4.1.1 Определение частоты опорного сигнала произвести при помощи платы «CAL-DIB» и частотомера.
-
7.4.1.2 Подключить частотомер через СВЧ-кабель (из состава системы) к разъему .15 на n.iaie «CAL-DIB» (рисунок 7).

7.4.1.2 Измерить частоту опорного сигнала FinM, модуля «САЕ-CUB». Результат измерений записать в таблицу 3.
Таблица 3
|
Номинальное значение частоты F„. МГц |
Измеренное значение частоты Fm.M. МГц |
Абсолютная погрешность воспроизведения опорной частоты AF. МГц |
|
100 |
_ |
7.4.1.2 Вычислить абсолютную погрешность опорной частоты сигнала по формуле (1):
AF = FH3m-Fh, (Г)
где. AF - абсолютная погрешность воспроизведения частоты. МГц;
Fh,m - измеренное значение частоты, МГц;
Гн - номинальное значение частоты, МГц.
-
7.4.1.2 Результаты поверки считать положительными, если значения абсолютной погрешности воспроизведения частоты опорного сигнала, AF. находится в допускаемых пределах ± 0,01 МГц.
-
7.4.2 Определение абсолютной погрешности воспроизведения напряжения низкого VIL и высокого VIH уровней выходных сигналов
-
7.4.2.1 В диалоговом окне программы «J750Maint» перейти на вкладку «Performance», как показано на рисунке 8.
-
7.4.2.3 Отметить выбор всех плат системы, нажав на знак «+» в поле «ALL».
-
7.4.2.4 Выбрать в поле «Verbosity» значение «АП test».
-
7.4.2.5 Нажать кнопку «Start».
«. J750 Maintenance .ОПИпе МОГОЛ 4 WniHUnik V, li«.‘
> ExtemalCal
Ф EKternalFV
|
< QuickChack f # ModuleCheck |
f > Calibration [ |
Ф Performance |
|
: WorkB^ok Ver: V7.60.50 Last Run; 10/14/2015 9:08:55 AM : | ||
|
Initializing Tester Punning Exec Interpose Function On |
Tester Initialized |
d Start |


Unload Program

Г" Loop
Reset I
Exit |
Abort |

■-C .Fafcg Tests
' Г* Status Огф
Рисунок 8. В диалоговое окно программы «J750Maint» в режиме «Performance»
-
7.4.2.6 По завершении процесса измерений результаты измерения «Performance» выводятся на экран, как показано на рисунке 8. Сохраните файл.
-
7.4.2.7 Вычислить абсолютную погрешность воспроизведения напряжения низкого VIL и высокого VIH уровней выходных сигналов по формуле (2):
(2) A U = Uibm — Ьн.
где. AU - абсолютная погрешность воспроизведения напряжения. В; UIHM - измеренное значение напряжения. В;
UH - номинальное значение напряжения, В.
0Ш13ПС« — &ЛОКМОТ ' ‘ Г
файл Qpam Формат £ыд Справка
%JOB_5TART . Beginning channel_eoard Performance verification rest on slot 0 at 11:20:36 .
AM on 11,14.2014
workbook Rev v". 4O.C>2_a IS-Kl version: 3.40.17 P5 Die * 31OO9FO P*»v
112oA
• Systemwide functionality and continuity to slot 0
%₽ass - slot 0 Extern connection impedance test
measured: 5. SJOotws low limit: Oohnts high limit: 7.7ohms
%₽A55 • slot 0 Extern connection relay open test
Measured: 1.551E-O4V low limit: -O.OO53V high limit: 0.0053V
'„PASS - slot 0 B₽vu loopback test at -5v
Measured: -5.000v low limit' -5.lv high limit: -4.7V
М.ДЮ- - slot 0 bpmu loopback test at 5v
Measured: 4.981V low limit ' 4.9V high limit : 5.3V
%pas> - slot 0 bpvu sense rest at -lv
Measured: -C‘.99”9v low limit : -1.05V high limit : -0.95v
%₽ass - slot 0 bpmu sense test at lv
Measured: 1.001c low limit: 0.95* high limit: 1.05V
%P4bS - slot 0 SPM'J № test 3t 1.0<'19067576; 135V
Measured: 1.431V low limit: 1.186* high li>i;it: 1.6’bv
Vass - slot 0 tsppu unloaded guard test at 0. Sv
Measured: 0.5010V low limit: O.-iv high Bmit: 0.61V
•<p4ss ■ alot o bpmu loaded guard test at o. 5v
Measured: 10015.293ohms lo»* limit. 970C'Ohns high limit . lGSOGohms
%pass - slot 0 tJPvu guard open test at 0. 5v
Measured: -8. 182E-G4V low limit: -0.0053V high limit. 0.0053V
Рисунок 9. Результаты измерений «Performance»
-
7.4.2.8 Результаты поверки считать положительными, если в диапазоне воспроизведения напряжения низких V1L выходных сигналов для HSD100 от минус 1 до 6 В и для HSD200 от минус 1 до 6,5 В значения абсолютной погрешности воспроизведения напряжения низкого VIL уровня выходных сигналов находится в допускаемых пределах ± 15 мВ; в диапазоне воспроизведения напряжения высоких VIH выходных сигналов для HSD100 от минус 0 до 7,1 В, а для HSD200 от минус 1 до 6,5 В допускаемая абсолютная погрешность воспроизведения напряжения высокого VIH уровня выходных сигналов лежит в пределах ± 15 мВ.
-
7.4.3 Определение абсолютной погрешности воспроизведения и измерения напряжения постоянного тока параметрического источника - измерителя PPMU (для HSD100, HSD200)
-
7.4.3.1 Из протокола «Performance», полученного в п. 7.4.2. выбрать значения результатов измерений напряжения постоянного тока параметрического источника -измерителя PPMU.
-
7.4.3.2 Вычислить абсолютную погрешность воспроизведения и измерения напряжения постоянного тока параметрического источника - измерителя PPMU по формуле (2).
-
7.4.3.3 Результаты поверки считать положительными, если в диапазоне воспроизведения напряжения постоянного тока параметрического источника - измерителя PPMU для HSD100 от минус 2 до 7 В и для HSD200 от минус 1.5 до 6.5 В значения абсолютной погрешности воспроизведения напряжения находятся в допускаемых пределах ± (1.6 •1O'-’,U + 14 мВ); в диапазоне измерений напряжения постоянного тока параметрического источника - измерителя PPMU для HSD100 от минус 2 до 7 В и для HSD200 от минус 1.5 до плюс 6.5 В значения абсолютной погрешности воспроизведения напряжения находятся в допускаемых пределах ± (4.3-10'3-U + 18,0 мВ).
7.4.4 Определение абсолютной погрешности воспроизведения силы постоянного тока параметрического устройства PPMU (для HSD100. HSD200)
-
7.4.4.1 Из протокола «Performance», полученного в п. 7.4.2. выбрать значения результатов измерений силы постоянного тока параметрического устройства PPMU.
-
7.4.4.2 Вычислить абсолютную погрешность воспроизведения силы постоянного тока параметрического устройства PPMU по формуле (3);
AI = I1BM — 1н, (?)
где. Д1 - абсолютная погрешность воспроизведения/измерения силы тока, А;
1изм - измеренное значение силы тока, А;
1н - номинальное значение силы тока, А.
-
7.4.4.3 Резуль таты поверки считать положительными, если;
-
- для HSD100 на пределе воспроизведения силы постоянного тока ± 2 мА значения
абсолютной погрешности воспроизведения силы постоянного тока находится в
допускаемых пределах ± (2.5'10'3,1 + 17,0 мкА), на пределе ± 200 мкА значения
абсолютной погрешности воспроизведения силы постоянного тока находился в
допускаемых пределах ± (2,0 -10’3'1 + 1,7 мкА);
-
- для IISD200 на пределе воспроизведения силы тока ± 50 мА значения абсолютной погрешности воспроизведения силы постоянного тока находится в допускаемых пределах ± (610"31 +400 мкА), па пределе ± 2 мА значения абсолютной погрешности воспроизведения силы постоянного тока находится в допускаемых пределах ± (l-lO'-’-I + 14 мкА), на пределе ± 200 мкА значения абсолютной погрешности
воспроизведения силы постоянного тока находится в допускаемых пределах
± (1.(М0'3-1 + 1.4 мкА) и на пределе ± 20 мкА значения абсолютной погрешности воспроизведения силы постоянного тока находится в допускаемых пределах
± (1 ■ 10'3-1 - 140 нА). где I - воспроизводимое значение силы тока.
-
7.4.5 Определение абсолютной погрешности измерения силы постоянного тока параметрического устройства PPMU (для HSD100, HSD200)
-
7.4.5.1 Из протокола «Performance», полученного в п. 7.4.2, выбрать значения результатов измерений силы постоянного тока параметрического устройства PPMU.
-
7.4.5.2 Вычислить абсолютную погрешность измерения силы постоянного тока параметрического устройства PPMU по формуле (3).
-
7.4.5.3 Результаты поверки считать положительными, если:
-
- для HSD100 на пределе измерения силы тока ± 2 мА значения абсолютной погрешности измерения силы постоянного тока находится в допускаемых пределах ± (5,8-10'3,1 + 16.0 мкА), на пределе ± 200 мкА значения абсолютной погрешности измерения силы постоянного тока находится в допускаемых пределах ± (5.240'Ч + 8 мкА), на пределе ± 20 мкА значения абсолютной погрешности измерения силы постоянного тока находится в допускаемых пределах ± (5,1-10’3-1 + 0.16 мкА), на пределе ± 2 мкА значения абсолютной погрешности измерения силы постоянного тока находится в допускаемых пределах ± (10-10'3-1 + 40 нА), на пределе ± 200 нА значения абсолютной погрешности измерения силы постоянного тока находится в допускаемых пределах ± (14-1 ()'3-1 ± 8 нА);
-
- для HSD200 на пределе измерения силы тока ±50 мА значения абсолютной погрешности измерения силы постоянного тока находится в допускаемых пределах ± (б.О-Ю’Ч + 400 мкА), на пределе ± 2 мА значения абсолютной погрешности измерения силы постоянного тока находится в допускаемых пределах ± (1.0-lO'-'-I + 14 мкА), на пределе ± 200 мкА значения абсолютной погрешности измерения силы постоянного тока находится в допускаемых пределах ± (1,0-10'3-1 + 1.4 мкА), на пределе ± 20 мкА значения абсолютной погрешности измерения силы постоянного тока находится в допускаемых пределах ± (1,0-10’Ч + 140 нА) и на пределе ± 2 мкА значения абсолютной погрешности измерения силы постоянного тока находится в допускаемых пределах ±(1,0'10'3'1 + 28 нА), где I - измеряемое значение силы тока.
-
7.4.6 Определение абсолютной погрешности воспроизведения и измерения напряжения постоянного тока параметрического источника-измерителя BPMU (для HSD100, IISD200)
-
7.4.6.1 Из протокола «Performance», полученного в п. 7.4.2, выбрать значения результатов измерений напряжения постоянного гока параметрического источника -измерителя BPMU.
-
7.4.6.2 Вычислить абсолютную погрешность воспроизведения и измерения напряжения постоянного тока параметрического источника - измерителя PBMU по формуле (2).
-
7.4.6.3 Результаты поверки считать положительными, если на пределе воспроизведения и измерения напряжения ± 2 В значения абсолютной погрешности воспроизведения и измерения напряжения постоянного тока находятся в допускаемых пределах ± (T10’3-U + 1.5 мВ), на пределе ± 5 В значения абсолютной погрешности воспроизведения и измерения напряжения постоянного тока находятся в допускаемых пределах ± (l-10'3-U + 3 мВ), на пределе воспроизведения и измерения напряжения ± 10 В значения абсолютной погрешности воспроизведения и измерения напряжения постоянного тока находятся в допускаемых пределах ± (1-10"3-U + 8 мВ) и на пределе ± 24 В значения абсолютной погрешности воспроизведения и измерения напряжения постоянного тока находятся в допускаемых пределах ± (l-10‘3-U + 18 мВ), где U -воспроизводимое напряжение постоянного тока.
-
7.4.7 Определение абсолютной погрешности воспроизведения силы постоянного тока параметрического устройства BPMIJ (для HSD100, HSD200)
-
7.4.7.1 Из протокола «Performance», полученного в п. 7.4.2. выбрать значения результатов измерений силы постоянного тока параметрического источника -измерителя BPMU.
-
7.4.7.2 Вычислить абсолютную погрешность воспроизведения силы постоянного тока параметрического источника - измерителя PBMU но формуле (3 ).
-
7.4.7.3 Результаты поверки считать положительными, если на пределе
воспроизведения силы тока ± 200 мкА значения абсолютной погрешности
воспроизведения силы постоянного тока находятся в допускаемых пределах
з; (].()• 1031 0,25 мкА), на пределе ± 2 мА значения абсолютной погрешности
воспроизведения силы постоянного тока находятся в допускаемых пределах
± (l.O-lO'-'-l + 1.6 мкА), на пределе ± 20 мА значения абсолютной погрешности воспроизведения силы постоянного тока находятся в допускаемых пределах
± (1-10’3-1 + 16 мкА) и на пределе ± 200 мА значения абсолютной погрешности воспроизведения силы постоянного тока находятся в допускаемых пределах
±(1'10'3,I + 160 мкА), где I - воспроизводимое значение силы тока.
-
7.4.8 Определение абсолютной погрешности измерения силы постоянного тока параметрического устройства BPMU (для HSD100, HSD200)
-
7.4.8.1 Из протокола «Performance», полученного в п. 7.4.2. выбрать значения результатов измерений силы постоянного тока параметрического источника -измерителя BPMU.
-
7.4.8.2 Вычислить абсолютную погрешность измерения силы постоянного тока параметрического источника - измерителя BPMU по формуле (3).
-
7.4.8.3 Результаты поверки считать положительными, если на пределе измерения силы тока ± 2 мкА значения абсолютной погрешности измерения силы постоянного тока находятся в допускаемых пределах ± (5-10'3-1 + НО нА), на пределе ± 20 мкА значения абсолютной погрешности измерения силы постоянного тока находятся в допускаемых пределах ± (240’3-1 + 120 нА), на пределе ± 200 мкА значения абсолютной погрешности измерения силы постоянного тока находятся в допускаемых пределах ± (2,()-10'3-1 + 0,3 мкА), на пределе ± 2 мА значения абсолютной погрешности измерения силы постоянного тока находятся в допускаемых пределах ± (U10'‘’-I + 2 мкА), на пределе - 20 мА значения абсолютной погрешности измерения силы постоянного тока находятся в допускаемых пределах ± (1-10'3-1 + 20 мкА) и на пределе ± 200 мА значения абсолютной погрешности измерения силы постоянного тока находятся в допускаемых пределах ± (1 • 10'3,1 + 200 мкА), где 1 - измеряемое значение силы тока.
7.5 Проверка идентификационных признаков программного обеспечения (ПО)
-
7.5.1 Осуществить проверку соответствия заявленных идентификационных данных ПО.
Результаты проверки считать положительными, если идентификационные данные ПО соответствуют приведенным в таблице 4. а уровень зашиты ПО от непреднамеренных и преднамеренных изменений соответствует уровню зашиты «Высокий» по Р 50.2.077-2014.
Таблица 4
|
Тин системы |
Наименование 110 |
Идентификаци онное наименование ПО |
Номер версии (идентификаци онный номер) ПО |
I Цифровой идентификатор ПО (алгоритм вычисления md5) |
|
J750E |
ПО J750Maint для проведения калибровки и проверки системы |
J750Maint.exe |
V. 7.40.03 |
92499c608f68ebe1936с cff77813cfdd |
|
ПО 1G-XL для управления системой |
IG-XL.exe |
v. 3.40.18 |
8893aec7d28370629104 0f7a69582798 | |
|
J750Ex |
ПО J750Maint для проведения калибровки и проверки системы |
J750Maint.exe |
V. 7.60.50 |
a563347d955180fdca9a 5495417bee0e |
|
ПО IG-ХЬдля управления системой |
IG-XL.exe |
V. 3.50.50 |
4081c77323a31 bldd64 73377bc28a3f3 |
-
8.1 При положительных результатах поверки на систему выдается свидетельство установленной формы. Знак поверки наносигея на корпус головного измерительного блока в виде наклейки и в свидетельство о поверке
-
8.2 На оборотной стороне свидетельства о поверке записываются результаты поверки.
-
8.3 В случае отрицательных результатов поверки поверяемая система к дальнейшему применению не допускается. На неё выдается извещение о непригодности к применению с указанием причин забраковывания.

В.В. Хижняк
А.В. Чадин
Начальник отдела ФГБУ «ГНМЦ» Минобороны России
Начальник лаборатории ФГБУ «ГНМЦ» Минобороны России
14
