Методика поверки «ДАТЧИКИ ДАВЛЕНИЯ 415» (МИ 4212-415-24172160-2007)

Методика поверки
МИ 4212-415-24172160-2007
Настоящая методика распространяется на датчики (измерительные преобразователи) давления типа 415, выпускаемые в соответствии с ГОСТ 22520-85 и по технической документации ООО «Пьезоэлектрик».
Датчики предназначены для непрерывного преобразования значений, измеряемых величин давления абсолютного, давления избыточного, разрежения, давления-разрежения, разности давлений и других физических величин, определяемых по давлению или по разности давлений (например, уровень и плотность жидкости, расход жидкости, газа или пара), в выходной аналоговый сигнал постоянного тока 4-20 или 0-5 мА, выходной сигнал напряжения 0,4-2В или в выходной цифровой сигнал на базе интерфейса RS485 с протоколом обмена «Modbus».
Рекомендация устанавливает методику первичной и периодической поверок датчиков (измерительных преобразователей) давления типа 415 с пределами допускаемой основной погрешности от +0,05 до +1%.
1 ОПЕРАЦИИ ПОВЕРКИ
-
1.1 При проведении поверки выполняют следующие операции:
-
- внешний осмотр - п. 5.1;
-
- опробование - п. 5.2;
-
- определение основной погрешности датчика - п. 5.3;
-
- определение вариации выходного сигнала датчика - п. 5.4.
2 СРЕДСТВА ПОВЕРКИ
-
2.1 При проведении поверки применяют средства, указанные в таблице 1
Таблица 1
Наименование средства поверки |
Основные метрологические и технические характеристики средств поверки |
Манометр абсолютного давления МПА- 15 |
Пределы допускаемой основной абсолютной погрешности: 66,65 Па в диапазоне 0.. .20 кПа; ±13,3 Па в диапазоне 20...133 кПа; пределы допускаемой основной погрешности ±0,01% от действительного значения измеряемого давления в диапазоне 133.. .400 кПа. |
Микроманометр МКВ- 250 |
Пределы измерений 0...2,5 кПа; класс точности 0,01 и 0,02. |
Задатчик давления Воздух 2,5 |
Пределы воспроизведения избыточного давления от 2,5 до 250 кПа. Пределы допускаемой основной погрешности: ±0,02 %, от задаваемого давления. |
Задатчик вакуумметрического давления Воздух 0,4В |
Пределы воспроизведения разрежения от минус 0,8 до минус 40 кПа. Пределы допускаемой основной абсолют. погрешности ±0,08 Па в диапазоне измерений 0,8...4 0 кПа. Пределы допускаемой основной погрешности в диапазоне измерении 4...40кПа: ±0,02%, от задаваемого давления. |
Манометр грузопоршневой МП-60 I или II разряда; ГОСТ 8291-83 |
Пределы допускаемой основной погрешности: ±0,02% или +0,05% от измеряемого давления в диапазоне измерений от 0,1 до 6 МПа. |
Манометр грузопоршневой МП-600 I или II разряда; ГОСТ 829 1-83 |
Пределы допускаемой основной погрешности: ±0,02% или +0,05%, от измеряемого давления в диапазоне измерений от 1 до 60 МПа |
Манометр грузопоршневой МП - 2500 I или II разряда; ГОСТ 829 1-83 |
Пределы допускаемой основной погрешности ±0,02% или ±0,05% от измеряемого давления в диапазоне измерений от 25 до 250 МПа. |
Барометр БСР-1М-3 |
Пределы измерений 0,5-110кПа; погрешность измерении ±0,02% |
Вакуумметр APG-M- NW16AL |
Пределы измерений 0,002....750 мм. рт. ст. |
Термометр ртутный стеклянный лабораторный |
Пределы измерений 0...55°С. Цена деления шкалы 0,1°С. Пределы допускаемой погрешности ±0,2°С. |
Образцовая катушка сопротивления Р331 |
Класс точности 0,01. Сопротивление 100 Ом |
Магазин сопротивлений Р33, ГОСТ 23737-79 |
Класс точности 0,2. Сопротивление до 99999,9 Ом. |
Магазин сопротивлений Р4831. |
Класс точности 0,02 / 2-10-6. Сопротивление до 111111,1 Ом |
Вольтметр универсальный В7-73/1 ГОСТ Р 51350-99 |
Верхний предел измерений напряжения постоянного тока 200 В. Предел допускаемой основной погрешности измерения напряжения постоянного тока ±0,015% от U+2 единицы младшего разряда, где U - значение измеряемого напряжения. Цена единицы младшего разряда 100 мкВ при измерении напряжения постоянного тока в пределах 2 В. |
Источник постоянного тока Б5-8 или Б5-45 |
Наибольшее значение напряжения на выходе 50 В. Допускаемое отклонение ±0,5% от установленного значения напряжения. |
-
2.2 Допускается применять другие средства поверки, технические и метрологические характеристики которых не уступают указанным в таблице 1.
З ТРЕБОВАНИЯ БЕЗОПАСНОСТИ
-
3.1 При проведении поверки следует соблюдать общие требования безопасности при работе с датчиками давления (см., например, ГОСТ 2252085), а также требования по безопасности эксплуатации применяемых средств поверки, указанные в технической документации на эти средства.
4 УСЛОВИЯ ПОВЕРКИ И ПОДГОТОВКА К НЕЙ
-
4.1 При проведении поверки соблюдают следующие условия:
-
1) Температура окружающего воздуха 23 + 2°С.
-
2) Относительная влажность окружающего воздуха 30-80%.
-
3) Давление в помещении, где проводят поверку (далее — атмосферное давление), в пределах 84-106,7 кПа или 630-800 мм рт. ст.
-
4) Напряжение питания постоянного тока в пределах 12-36 или 3,6-5 В . Номинальное значение напряжения питания и требования к источнику питания — в соответствии с технической документацией на датчик. Отклонение напряжения питания от номинального значения не более ±1%, если иное не указано в технической документации на датчик.
-
5) Сопротивление нагрузки, кОм, при поверке датчиков:
- с аналоговым выходным сигналом 4-20мА - по формуле, не более; Rh = U -Umin + 0,05 (1)
max
где Umin = 12 В; U - напряжение питания, В; Imax = 20 мА.
-
- с аналоговым выходным сигналом 0-5мА, не более, - 1
-
- с аналоговым выходным сигналом 0,4 - 2В, не менее, - 20
-
- с цифровым выходным сигналом - в соответствии с технической спецификацией на интерфейс RS485.
-
6) Рабочая среда — воздух или нейтральный газ при поверке датчиков с верхними пределами измерений, не превышающими 250 кПа, и жидкость при поверке датчиков с верхними пределами измерений более 250 кПа. При поверке датчиков с верхними пределами измерений от 0,4 до 2,5 МПа тщательно заполнять жидкостью всю систему поверки. Допускается использовать воздух или нейтральный газ при поверке датчиков с верхними пределами измерений более 250 кПа при условии соблюдения соответствующих правил безопасности.
-
7) Колебания давления окружающего воздуха, вибрация, тряска, удары, наклоны, магнитные поля (кроме земного) и другие воздействия, влияющие на работу и метрологические характеристики датчика, должны отсутствовать.
-
8) Импульсную линию, через которую подают измеряемое давление, допускается соединять с дополнительными сосудами, емкость каждого из которых не более 50 литров.
-
4.2 При поверке датчиков разности давлений с приемными камерами для подвода большего давления («плюсовая» камера) и меньшего давления («минусовая» камера) значение измеряемой величины (разности давлений) устанавливают, подавая соответствующее значение избыточного давления в «плюсовую» камеру датчика, при этом «минусовая» камера сообщается с атмосферой.
При поверке датчиков разности давлений с малыми пределами измерений для уменьшения влияния на результаты поверки не устраненных колебаний давления окружающего воздуха «минусовая» камера датчика может соединяться с камерой эталонного СИ, сообщающейся с атмосферой, если это предусмотрено в конструкции СИ. При поверке датчиков разности давлений в «минусовой» камере может поддерживаться постоянное опорное давление, создаваемое другим эталонным задатчиком или основным задатчиком измеряемой величины с дополнительным блоком опорного давления.
При поверке датчиков разрежения и датчиков давления-разрежения значение измеряемой величины допускается устанавливать, подавая с противоположной стороны чувствительного элемента датчика соответствующее значение избыточного давления, если это предусмотрено конструкцией датчика.
-
4.3 Перед проведением поверки датчиков выполняют следующие подготовительные работы:
- выдерживают датчик не менее 3 ч при температуре , указанной в п . 4.1, если иное не указано в технической документации на датчик;
- выдерживают датчик не менее 0,5 ч при включенном питании;
- устанавливают датчик в рабочее положение с соблюдением указаний технической документации;
- проверяют на герметичность в соответствии с п.п. 4.3.1- 4.3.4 систему, состоящую из соединительных линий для передачи давления, эталонных СИ и вспомогательных средств для задания и передачи измеряемой величины.
-
4.3.1 Проверку герметичности системы, предназначенной для поверки датчиков давления, разности давлений, разрежения с верхними пределами измерений менее 100 кПа и датчиков абсолютного давления с верхними пределами измерений более 250 кПа, проводят при значениях давления (разрежения), равных верхнему пределу измерений поверяемого датчика.
Проверку герметичности системы, предназначенной для поверки датчиков давления-разрежения, проводят при давлении, равном верхнему пределу измерений избыточного давления.
Проверку герметичности системы, предназначенной для поверки датчиков разрежения с верхним пределом измерений 100 кПа, проводят при разрежении, равном 0,9-0,95 значения атмосферного давления.
Проверку герметичности системы, предназначенной для поверки датчиков абсолютного давления с верхними пределами измерений 250 кПа и менее, проводят в соответствии с п. 4.3.3.
-
4.3.2 При проверке герметичности системы, предназначенной для поверки датчиков, указанных в п. 4.3.1, устанавливают заведомо герметичный датчик или любое другое средство измерений с погрешностью измерений не более +2,5% от значений давления, соответствующих требованиям п. 4.3.1, и позволяющее зафиксировать 0,5% изменение давления от заданного значения.
Создают в системе давление, установившееся значение которого соответствует требованиям п. 4.3.1, после чего отключают источник давления. Если в качестве эталонного СИ применяют грузопоршневой манометр, то его колонку и пресс также отключают.
Систему считают герметичной, если после трехминутной выдержки под давлением, равным или близким верхнему пределу измерений датчика, не наблюдают падения давления (разрежения) в течение последующих 2 минут. При необходимости время выдержки под давлением может быть увеличено.
Допускается изменение давления (разрежения) в системе, обусловленное изменением температуры окружающего воздуха и рабочей среды в пределах ±0,5...1°С.
-
4.3.3 Проверку герметичности системы, предназначенной для поверки датчиков абсолютного давления с верхними пределами измерений 250 кПа и менее, проводят нижеследующим образом.
Устанавливают в системе заведомо герметичный датчик или любое другое средство измерений абсолютного давления, отвечающее требованиям к СИ в соответствии с п. 4.3.2. Создают в системе абсолютное давление не более 0,07 кПа и поддерживают его в течение 2-3 минут, после чего отключают устройство, создающее абсолютное давление, и эталонное СИ при необходимости (например, отключают колонки грузопоршневого манометра).
После З минут выдержки изменение давления не должно превышать 0,5% верхнего предела измерений поверяемого датчика.
Допускается поправка при изменении температуры окружающего воздуха и рабочей среды.
-
4.3.4 Проверку герметичности системы рекомендуется проводить при давлении (разрежении), соответствующем наибольшему давлению (разрежению) из ряда верхних пределов измерений поверяемых датчиков.
5 ПРОВЕДЕНИЕ ПОВЕРКИ
-
5.1 Внешний осмотр
При внешнем осмотре датчика устанавливают:
-
- соответствие его внешнего вида технической документации и отсутствие видимых дефектов;
-
- наличие и состояние клеммных колодок и (или) разъемов для внешних соединений, устройства для регулировки «нуля», клемм контроля выходного сигнала и др.;
- наличие и состояние дополнительных выходных устройств - цифровых индикаторов и (или) других устройств, предусмотренных технической документацией на датчик;
- наличие на корпусе датчика таблички с маркировкой, соответствующей паспорту или документу, его заменяющему;
- наличие РЭ, ИН, если это предусмотрено при поверке датчика, паспорта или документа, его заменяющего.
-
5.2 Опробование
-
5.2.1 При опробовании проверяют герметичность и работоспособность датчика, функционирование устройства корректора «нуля».
-
5.2.2 Работоспособность датчика проверяют, изменяя давление, от нижнего до верхнего предельных значений. При этом должно наблюдаться изменение выходного сигнала и индикации на дополнительных выходных устройствах датчика. Работоспособность датчиков давления-разрежения проверяют только при избыточном давлении; работоспособность датчиков разрежения с верхним пределом измерений 100 кПа проверяют при изменении разрежения до значения не менее 0,9 атмосферного давления .
-
5.2.3 Проверку функционирования устройства корректора «нуля» выполняют следующим образом. Задав любое значение измеряемой величины в пределах, оговоренных руководством по эксплуатации, корректором «нуля» возвращают выходной сигнал (показания индикатора) к первоначальному значению. Затем сбрасывают измеряемую величину и при атмосферном давлении на входе в датчик корректором «нуля» вновь устанавливают выходной сигнал (показания индикатора) в соответствие с исходными значениями.
-
5.2.4 Проверку герметичности датчика рекомендуется совмещать с операцией определения его основной погрешности. Методика проверки герметичности датчика аналогична методике проверки герметичности системы (п.п. 4.3.1-4.3.4), но имеет следующие особенности:
-
- изменение давления (разрежения) определяют по изменению выходного сигнала или по изменению показаний цифрового индикатора поверяемого датчика, включенного в систему (п. 4.3.2);
- в случае обнаружения негерметичности системы с установленным поверяемым датчиком следует раздельно проверить герметичность системы и датчика.
-
5.3 Определение основной погрешности
-
5.3.1 Основную погрешность датчика определяют по одному из способов:
-
-
1 - По эталонному СИ, на входе датчика устанавливают номинальные значения входного давления, а по другому эталонному СИ измеряют соответствующие значения выходного аналогового сигнала (тока или напряжения). При поверке датчика с цифровым сигналом, к его выходу подключают приемное устройство, поддерживающее соответствующий цифровой коммуникационный протокол для считывания информации.
-
2 - В обоснованных случаях по эталонному СИ устанавливают номинальные значения выходного сигнала датчика, а по другому эталонному СИ измеряют соответствующие значение входного давления.
Примечания:
1 При поверке датчиков с цифровым сигналом по интерфейсу RS485 к выходу датчика подключают преобразователь RS232/RS485 (например портативный «Адаптер 31811») для подключения к компьютеру. Могут использоваться другие устройства для считывания информации и управления датчиками по другим коммуникационным протоколам, предусмотренным технической документацией на датчики.
2 При определении основной погрешности датчика показания его цифрового индикатора не учитываются.
-
3 Поверка датчиков с несколькими выходными сигналами, соответствующими одной и той же входной измеряемой величине, производится по одному из этих сигналов (аналоговому или цифровому), если иное не предусмотрено технической документацией на поверяемый датчик.
-
5.3.2 Схемы включения датчиков для измерения выходного сигнала при проведении поверки (п. 5.3.1, способы 1 и 2) приведены в приложении. Эталонные СИ входной давления включают в схему поверки в соответствии с их руководством по эксплуатации.
-
5.3.3 Устанавливают следующие критерии достоверности поверки:
YBaM - наибольшая вероятность, при которой любой дефектный экземпляр датчика может быть ошибочно признан годным;
(бм)ва — отношение возможного наибольшего модуля основной погрешности экземпляра датчика, который может быть ошибочно признан годным, к пределу допускаемой основной погрешности.
Допускаемые значения критериев достоверности поверки: YBaM=0,20 и (^м)ва max =1,25-
-
5.3.4 Устанавливают следующие параметры поверки:
m — число поверяемых точек в диапазоне измерений, m>5; в обоснованных случаях и при отсутствии эталонных СИ с необходимой дискретностью воспроизведения измеряемой величины допускается уменьшать число поверяемых точек до 4 или 3;
n — число наблюдений при экспериментальном определении значений погрешности в каждой из поверяемых точек при изменениях входной измеряемой величины от меньших значений к большим (прямой ход) и от больших значений к меньшим (обратный ход), n = 1; в обоснованных случаях и в соответствии с технической документацией на датчик допускается увеличивать число наблюдений в поверяемых точках до 3 или 5, принимая при этом среднеарифметическое значение результатов наблюдений за достоверное значение в данной точке;
YK - абсолютное значение отношения контрольного допуска к пределу допускаемой основной погрешности;
ар - отношение предела допускаемой погрешности эталонных СИ, применяемых при поверке, к пределу допускаемой основной погрешности поверяемого датчика.
Значения Yk и ар выбирают по таблице 2 (п. 5.3.5) в соответствии с принятыми критериями достоверности поверки.
-
5.3.5 Выбор эталонных СИ для определения основной погрешности поверяемых датчиков осуществляют, исходя из технических возможностей и технико-экономических предпосылок с учетом критериев достоверности поверки (п. 5.3.3) и в соответствии с таблицей 2.
Таблица 2— Параметры и критерии достоверности поверки
Ор |
0,2 |
0,25 |
0,33 |
0,4 |
0,5 |
Yk |
0,94 |
0,93 |
0,91 |
0,82 |
0,70 |
Y вам |
0,20 |
0,20 |
0,20 |
0,10 |
0,05 |
(^м)ва |
1,14 |
1,18 |
1,24 |
1,22 |
1,20 |
Примечание - Таблица 2 составлена в соответствии с критериями достоверности поверки по п. 5.3.3 и согласно МИ 187-86 «ГСИ. Критерии достоверности и параметры методик поверки» и МИ 188-86 «ГСП. Установление значений параметров методик поверки».
-
5.3.6 При выборе эталонных СИ для определения погрешности поверяемого датчика (в каждой поверяемой точке) соблюдают следующие условия:
а) - При поверке датчика с выходным аналоговым сигналом постоянного тока, значения которого контролируют непосредственно в мА:
(A+ i• 100 < a P - у
(2)
< Pm !m — !o >
или в %:
Yp + Yi <ap -Y
(3)
где: Ap - предел допускаемой абсолютной погрешности эталонного СИ, контролирующего давление, кПа, МПа;
Рт - верхний предел измерений (или диапазон измерений) поверяемого датчика, кПа, МПа;
Aj - предел допускаемой абсолютной погрешности эталонного СИ, контролирующего электрический выходной сигнал датчика, мА;
Io, Im - соответственно нижнее и верхнее предельные значения выходного сигнала датчика; для датчиков с выходным сигналом 4-20 мА: 1о=4 мА, 1т=20мА; для датчиков с выходным сигналом 0-5 мА: Io=0, Im=5 мА.
Y - предел допускаемой основной погрешности поверяемого датчика, %
Yp - предельная допускаемая основная погрешность эталонного СИ задающего давление на данном пределе измерения, %
YI - предельная допускаемая погрешность эталонного СИ
контролирующего выходной сигнал датчика, %.
За нормирующее значение принимают: для датчиков давления-разрежения - сумму абсолютных значений верхних пределов измерений в области избыточного давления и в области разрежения; для остальных датчиков — верхний предел измерений входной измеряемой величины, если иное не предусмотрено технической документацией на датчики.
Для датчиков с нижним предельным значением измеряемой величины, численно равным нулю, диапазон измерения численно равен верхнему пределу измерений. В этом случае основная погрешность датчика, выраженная в процентах от нормирующего значения, численно равна основной погрешности, выраженной в процентах от диапазона изменения выходного сигнала датчика с линейной функцией преобразования измеряемой величины.
б) - При поверке датчиков с выходным аналоговым сигналом постоянного тока, значения которого контролируют по падению напряжения на эталонном сопротивлении в мВ или В
+_____+А
I Pm Um - Uo R
• 100 < a P • y
(4)
или в %:
yP + yU + yR < aP •y
(5)
где: Ли— предел допускаемой абсолютной погрешности эталонного СИ, контролирующего выходной сигнал датчика по падению напряжения на эталонном сопротивлении, мВ или В;
Ar — предел допускаемой абсолютной погрешности эталонного сопротивления, Ом;
КЭ| — значение эталонного сопротивления, Ом;
Um, Uo— соответственно верхнее и нижнее предельные значения напряжений (мВ или В) на эталонном сопротивлении, определяемые по формулам:
m Am • R'jt
(6)
Yu - предельная допускаемая погрешность эталонного СИ, контролирующего выходной сигнал датчика постоянного напряжения, %
YR - предельная допускаемая погрешность эталонного сопротивления, %.
в) При поверке датчиков с выходным сигналом постоянного напряжения в мВ или В:

Г Pm Um - U
(7)
или в %:
yP + yU < aP •y
(8)
г) При поверке датчика с выходным цифровым сигналом:
А
(9)
— • 100 < a P • y
Pm P
m
или
yP < aP • y (10)
-
5.3.7 Расчетные значения выходного сигнала поверяемого датчика для заданного номинального значения входного давления определяют по следующим формулам:
а) - Для датчиков с линейно возрастающей зависимостью выходного сигнала постоянного тока:
IP = ’» + p"-p ( - Pn) (11)
mn
выходного сигнала постоянного напряжения:
Up = U + ’Pm - U0 ( - Pn) (12)
mn
где: Ip — расчетное значение выходного сигнала постоянного тока (мА);
Р - номинальное значение входного давления; для датчиков давления-разрежения значение Р в области разрежения подставляется в формулу со знаком минус;
Рп — нижний предел измерений для всех датчиков, кроме датчиков давления-разрежения, для которых значение Рп численно равно верхнему пределу измерений в области разрежения и в формулу подставляется со знаком минус;
Up - расчетное значение выходного сигнала постоянного напряжения [мВ; В].
Для стандартных условий нижний предел измерений всех поверяемых датчиков избыточного давления, абсолютного давления, разрежения, разности давлений и датчиков давления-разрежения равен нулю.
б) - Для датчиков с линейно убывающей зависимостью выходного сигнала постоянного тока:
Ip = I. - р"-'"( - рп) (13)
1 m 1 п
выходного сигнала постоянного напряжения:
UP = и« - VTU-( - рп) (14)
Xm Хп
в) - Для датчиков с выходным сигналом постоянного тока и функцией преобразования входной измеряемой величины по закону квадратного корня:

(15)
Выходным сигналом постоянного напряжения:
Up = Uo +(Um - Uo)

(16)
где Р — разность давлений (перепад давления) для датчиков разности давлений, предназначенных для измерения расхода рабочей среды;
Pm — верхний предел измерений или диапазон измерений поверяемого датчика разности давлений.
г) - Для датчиков с выходным сигналом постоянного тока, значения которого контролируют по падению напряжения на эталонном сопротивлении R: эт
Up ^т • Ip
(18)
где Up — расчетное значение падения напряжения на эталонном сопротивлении;
д) - Для датчиков с выходным информационным сигналом в цифровом формате, не приведенным к единицам измеряемого давления:
- с линейно возрастающей функцией преобразования:
N - N
Np = No + pm _ р0 (P- Pn) (19)
mn
где Np — расчетное значение выходного сигнала в цифровом формате;
Nm, No — соответственно верхнее и нижнее предельные значения выходного информационного сигнала датчика в цифровом формате;
-
- с линейно убывающей функцией преобразования:
N - N
Np = Nm _ pm _ p0 (P_ Pn) (20)
mn
-
- с функцией преобразования по закону квадратного корня:
Np = No + (Nnl _ No))
(21)
-
5.3.8 Поверку датчиков с программным обеспечением выбора функции преобразования входного давления допускается проводить при программной установке линейно возрастающей зависимости выходного сигнала. После выполнения поверки датчик может быть перепрограммирован в соответствии с требуемой функцией преобразования входного давления.
Перед определением основной погрешности соблюдают требования п. 4.3 и, при необходимости, корректируют значения выходного сигнала, соответствующие нижнему и верхнему предельным значениям измеряемого давления. Эту корректировку выполняют после подачи и сброса давления, значения которого устанавливают:
- для датчиков давления- разрежения — в пределах 50-100% от верхнего предела измерений в области избыточного давления;
- для датчиков абсолютного давления с верхним пределом измерений до
-
2,5 МПа включительно — в пределах от атмосферного давления до 80- 100% верхнего предела измерений;
- для остальных датчиков — в пределах 80-100% верхнего предела измерений.
При периодической поверке и в случае ее совмещения с операцией проверки герметичности датчика корректировку значений выходного сигнала выполняют после выдержки датчика при давлении (разрежении) в соответствии с условиями п . 4.3.1, п . 4.3.2.
Установку выходного сигнала выполняют с максимальной точностью, обеспечиваемой устройством корректора датчика и разрешающей способностью эталонных СИ. Погрешность установки «нуля» (без учета погрешности эталонных СИ) не должна превышать 0,2-0,3 предела допускаемой основной погрешности поверяемого датчика.
Значение выходного сигнала, соответствующее нижнему предельному значению измеряемого давления, рассчитывают полагая Р=Рп для датчиков давления-разрежения, для остальных датчиков полагая Р=0.
-
5.3.9 Основную погрешность определяют при m значениях измеряемого давления (п. 5.3.4), равномерно распределенных в диапазоне измерений, в том числе при значениях измеряемого давления, соответствующих нижнему и верхнему предельным значениям.
Интервал между значениями измеряемой величины не должен превышать: 30% диапазона измерений при m = 5 (основной вариант поверки); 40% диапазона измерений при m = 4 и 60% диапазона измерений при m = 3.
Основную погрешность определяют как при подаче (увеличении) давления (прямой ход), так и при сбросе (уменьшении) давления (обратный ход).
Перед определением погрешности при обратном ходе датчик выдерживают в течение 1 минуты при верхнем предельном значении измеряемого давления. Датчики давления-разрежения допускается выдерживать только при верхнем пределе измерений в области избыточного давления.
При периодической поверке основную погрешность определяют в два цикла: до корректировки диапазона изменения выходного сигнала и после корректировки диапазона. Второй цикл допускается не проводить, если основная погрешность Yd < YK ' Y-
При поверке датчиков с верхним пределом измерений в области разрежения, равном 100 кПа допускается устанавливать максимальное значение разрежения в пределах 0,90-0,95 от атмосферного давления Ра, если Ра<100кПа.
При поверке датчиков абсолютного давления с верхними пределами измерений 0,25 МПа и выше основную погрешность определяют по методике, изложенной в п. 5.3.10 с соблюдением условий, изложенных в п.п. 5.3.8, 5.3.9. По методике п. 5.3.10 допускается определять основную погрешность датчиков абсолютного давления с верхними пределами измерений ниже 0,25 МПа, но не менее 0,1 МПа.
-
5.3.10 Определение основной погрешности датчиков абсолютного давления с верхними пределами измерений 0,25 МПа (допускается 0,1 МПа) и выше проводят с использованием эталонных СИ разрежения и избыточного давления (например «Воздух-0,4В»; «Воздух-2,5»; МП —60).
В этом случае поверку датчика выполняют при подаче избыточного давления и разрежения, расчетные значения которых определяют с учетом действительного значения атмосферного давления в помещении, где проводят поверку.
Расчетные значения выходного сигнала датчика с линейно возрастающей функцией преобразования определяют по формулам:
- для датчиков с токовым выходным сигналом:
P а + P( ± )
Pm(a)
- для датчиков с выходным сигналом постоянного напряжения:
Pm(a)
- для датчиков с выходным сигналом в цифровом формате, не приведенном к единицам измеряемого давления:
Pm(a)
где: Ра - атмосферное давление в помещении, где проводят поверку, кПа; МПа;
Pm(a> - верхний предел измерений датчика абсолютного давления, кПа; МПа;
Р(+> - избыточное давление, подаваемое в датчик, кПа; МПа;
Р(-> - разрежение, создаваемое в датчике, кПа; МПа, подставляют в формулы со знаком минус.
Вблизи нуля абсолютного давления датчик поверяют, создавая на его входе разрежение
P(->= ((),9()...(),95Н\ (25)
Расчетные значения выходного сигнала при атмосферном давлении на входе датчика определяют по формуле:
-
- для датчиков с выходным сигналом постоянного тока:
!p = Io + (Im - Io )pPa (26)
'm(a)
-
- для датчиков с выходным сигналом постоянного напряжения:
Up = U, + (Um - u, )1>а (27)
Pm(a)
- для датчиков с выходным сигналом в цифровом формате, не приведенном к единицам измеряемого давления:
Np = N, + (N, - N, (28)
Pm(a)
Максимальное значение избыточного давления Pm(+), при котором расчетное значение выходного сигнала Ip = Im, определяют по формуле
Pm(+)
P m(a) P а
(29)
При поверке датчиков с верхними пределами измерений Pm(a) < 2,5МПа, значение атмосферного давления Ра определяют с погрешностью не более, чем
P
(30)
Д - < а • Y — а р I I,,
где Да — абсолютная погрешность, кПа; МПа;
В зависимости от верхних пределов измерений поверяемых датчиков их основную погрешность определяют при m значениях измеряемой величины в соответствии с таблицей 3 и с учетом требований п. 5.3.9.
Таблица 3
Верхние пределы измерений, МПа |
Число поверяемых точек | |
В области Р<Ра |
В области Р>Ра | |
0,1 |
5 |
- |
0,16 |
3 |
2 |
0,25 |
1 |
4 |
От 0,4 до 2,5 |
1 |
4 |
Перед поверкой корректором «нуля» датчика устанавливают выходной сигнал на расчетное значение, соответствующее разрежению Р(-) указанному в пределах (25) или выставляют начальный выходной сигнал, подавая на вход датчика вакуум не более 20Па. Расчетное значение выходного сигнала определяют по формулам (22-24). Допускается устанавливать выходной сигнал на расчетное значение, определяемое по формулам (26-28) при атмосферном давлении.
-
5.3.11 Основную погрешность y в % нормирующего значения (п. 5.3.6) вычисляют по приведенным ниже формулам
При поверке датчиков по способу 1 (п. 5.3.1):
I - Ip
Y д = I _ I ■ 1в° (31)
Im I,
U - U p
-
Y д = т _ тт ■100 (32)
m0
N_Np
-
Y д = N _ N '100 (33)
m0
где I, мА - значение выходного сигнала постоянного тока, полученное экспериментально;
т, мВ или В - значение падения напряжения на эталонном сопротивлении или значение выходного сигнала датчика, полученное экспериментально;
N - значение выходного сигнала датчика в цифровом формате, полученное экспериментально.
При поверке датчиков по способу 2 (п. 5.3.1):
ном
(34)
где Р - значение входного давления, полученное экспериментально, кПа, МПа;
Рном - номинальное значение измеряемого давления, кПа, МПа;
Pm - сумма абсолютных значений верхних пределов измерений датчиков давления-разрежения (Рт = Рт(+) + Рт(-)), для остальных датчиков - верхний предел измерений, кПа, МПа.
Вычисления Yg выполняют с точностью до второго знака после запятой.
5.4 Определение вариации.
-
5.4.1 Вариацию выходного сигнала определяют как разность между значениями выходного сигнала датчика, соответствующему одному и тому же значению измеряемого давления, полученными при измерениях на прямом и обратном ходе, при определении основной погрешности. (п. 5.3).
-
5.4.2 Вариацию выходного сигнала Yr в % нормирующего значения (п.
5.3.6) вычисляют по приведенным ниже формулам.
При поверке датчиков по способу 1 (п. 5.3.1):
1 id 1 iad
Im - I0
(35)
(36)
N-id - N йд
(37)
где 1пр 1обр - значения выходного сигнала постоянного тока, полученные экспериментально при одном и том же номинальном значении давления при прямом и обратном ходе соответственно, мА;
тпр, тобр - значения падения напряжения на эталонном сопротивлении или значение выходного сигнала датчика, полученные экспериментально при измерениях выходного сигнала и при одном и том же номинальном значении давления при прямом и обратном ходе соответственно, мВ, В;
Nnp, No6p - значения выходного сигнала датчика в цифровом формате, полученные экспериментально при одном и том же номинальном значении давления при прямом и обратном ходе соответственно.
При поверке датчиков по способу 2 (п. 5.3.1):
_ Pid — Piad
• 100
(38)
Pm
где: Рпр, Робр - значения входного давления, полученные
экспериментально при прямом и обратном ходе и при одном и том же значении выходного сигнала, кПа, МПа;
-
5.5 Результаты поверки датчиков.
-
5.5.1 Датчик признают годным при первичной поверке, если на всех поверяемых точках модуль основной погрешности | Yd |<YK^ |y| , а значение вариации Yr в каждой точке измерений не превышает предела ее допускаемого значения.
-
5.5.2 Датчик признают негодным при первичной поверке, если хотя бы в одной поверяемой точке модуль основной погрешности |Yd | >Yk |y| , или значение вариации Yr превышает предел ее допускаемого значения.
-
5.5.3 Датчик признают годным при периодической поверке, если на всех поверяемых точках при первом или втором цикле поверки выполняются условия, изложенные в п. 5.5.1.
-
5.5.4 Датчик признают негодным при периодической поверке:
-
- если при первом цикле поверки хотя бы в одной поверяемой точке модуль основной погрешности |Yd| > (8м)ва max • |y| или значение вариации Yr превышает предел ее допускаемого значения;
-
- если при втором цикле поверки хотя бы в одной поверяемой точке модуль основной погрешности |Yd | >Yk |y| , или значение вариации Yr превышает предел ее допускаемого значения.
Обозначения: (бм)ва max - по п. 5.3.2; YK - по п. 5.3.4; Y - по п. 5.3.6.
-
5.5.5 Допускается вместо вычислений по экспериментальным данным значений основной погрешности Yd и вариации Yr контролировать их соответствие предельно допускаемым значениям.
-
5.5.6 Вариацию выходного сигнала датчиков не определяют, если предел ее допускаемого значения не превышает 0,5 предела допускаемой основной погрешности.
6 ОФОРМЛЕНИЕ РЕЗУЛЬТАТОВ ПОВЕРКИ
-
6.1 Положительные результаты поверки оформляют записью в паспорте датчика и удостоверяют подписью поверителя и оттиском поверительного клейма.
-
6.2 На датчики, не удовлетворяющие требованиям настоящей рекомендации, выдают извещение о непригодности с указанием причин. Поверительное клеймо гасят. Датчики к дальнейшей эксплуатации не допускают.
ПРИЛОЖЕНИЕ
Схемы включения датчиков при поверке.
ИНФОРМАЦИОННЫЕ ДАННЫЕ
1. Настоящая рекомендация разработана ООО «Пьезоэлектрик» и Всероссийским научно-исследовательским институтом метрологической службы (ВНИИМС) Госстандарта России.
Исполнители: О.В.Шатуновский и А.И.Гончаров.
2. Утверждена ВНИИМС 10. 12 2007.
Приложение к МИ 4212-415-2007 (обязательное)
Схемы включения датчиков при поверке
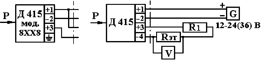
Схема 1 - включение датчика с аналоговым выходным сигналом постоянного тока 4-20 мА при измерении выходного сигнала непосредственно миллиамперметром.

Р - входная измеряемое (примеры подключения к датчику эталонных СИ входного давления и эталонных задатчиков давления приведены на схемах 8 и 9 соответственно);
Д415 - поверяемый датчик;
G - источник питания постоянного тока (например, один из указанных в п. 2.1, таблице 1, если иное не указано в технической документации);
А - цифровой миллиамперметр или универсальный вольтмиллиамперметр;
R - нагрузочное сопротивление, например, резистор МЛТ или магазин сопротивлений, указанный в таблице 1 (п. 2.1); значение сопротивления - в соответствии с условиями поверки (п. 4.1).
Схема 2 - включение датчика с аналоговым выходным сигналом постоянного тока 4-20 мА при измерении выходного сигнала по падению напряжения на эталонном сопротивлении.

V - цифровой вольтметр, указанный в табл. 1;
R1 - нагрузочное сопротивление — указанный в таблице 1 магазин сопротивлений. При установки значения нагрузочного сопротивления необходимо учитывать эталонное сопротивление т.к. R^r+R1=R, где значение R сопротивления нагрузки при поверке указано в п. 4.1.
Rot - эталонное сопротивление, например, образцовая катушка сопротивления, указанная в таблице 1.
Схема 3 - включение датчика с аналоговым выходным сигналом постоянного тока 0-5 мА при измерении выходного сигнала непосредственно миллиамперметром.

Схема 4 - включение датчика с аналоговым выходным сигналом постоянного тока 0-5 мА при измерении выходного сигнала по падению напряжения на эталонном сопротивлении.

Схема 5 - включение датчика с аналоговым выходным сигналом напряжения постоянного тока при измерении выходного сигнала непосредственно вольтметром.

Схема 6 - включение датчика с цифровым выходным сигналом на базе интерфейса RS485 при считывании информации по цифровому каналу с помощью преобразователя RS232/RS485 для связи с персональным компьютером.


Кабель удлинительный

1 для СОМ-порта | |
ПК СОМх | |
.1.1 |

ПК - персональный компьютер;
Схема 7 - включение датчика с аналоговым выходным сигналом постоянного тока 0-5 мА и цифровым выходным сигналом на базе интерфейса RS485 при считывании информации по аналоговому выходному сигналу и по цифровому каналу.
Пример 1

Пр |
е образов ат ель |
\ Для |
СОМ-порта | |
RS232/RS485 | ||||
ПК | ||||
G |
Ki | |||
В |
СО ’Т |
RS232 |
СОМх | |
со |
1—/ |
L _ 1 _ F |
2 I | |
Д |
Й |
1 < |
< 1 | |
Пример 2

Схема 8 - подключение к поверяемому датчику эталонных СИ давления или разрежения.

Д415 - поверяемый датчик;
СИ-Р - эталонное СИ для измерения давления или разрежения, например, указанное в таблице 1;
И-Р - источник давления или разрежения;
Кл - клапаны запорные;
Р - давление или разрежение на входе датчика.
Схема 9 - подключение к поверяемому датчику эталонных задатчиков давления, разрежения или разности давлений.

Эт-Р - эталонный задатчик входной величины Р, например, указанный в таблице 1;
Эт-Ро - эталонный задатчик опорного давления Ро или блок опорного давления основного задатчика Эт-Р;
22