Руководство по эксплуатации «МУЛЬТИМЕТР ЦИФРОВОЙ МЦММ1» (РЭ ФТКС.468266.066)
МУЛЬТИМЕТР ЦИФРОВОЙ МЦММ1
Руководство по эксплуатации
ФТКС.468266.066РЭ
Ине N9 подл Подл и дата Взам ине № Ине № дубл Подл и дата
МП
сч
сп
г-



Содержание

1 Описание и работа
1.1
1.2
1.3
1.4
1.5
1.6
1.7
1.8
Назначение .............................
Технические характеристики .............
Состав и назначение функциональных узлов Устройство и работа ....................
Конструкция ............................
Принадлежности .........................
Маркировка и пломбирование .............
Упаковка ...............................
2 Использование по назначению .........
2.1 Эксплуатационные ограничения ......
2.2 Подготовка мезонина к использованию
2.3 Использование мезонина ............
3 Техническое обслуживание .................................
3.1 Виды и периодичность технического обслуживания .........
3.2 Порядок технического обслуживания ......................
3.3 Технологические карты операций технического обслуживания
4 Транспортирование и хранение
4.1 Транспортирование ........
4.2 Хранение .................
4.3 Переконсервация ..........
.5
.5
.5
15
19
20
21
21
21
23
23
23
24
25
25
25
26

5 Поверка
5.1
5.2
5.3
5.4
5.5
5.6
5.7
5.8
Общие требования .................
Операции поверки .................
Средства поверки .................
Требования безопасности ..........
Условия поверки и подготовка к ней
Порядок проведения поверки .......
Обработка результатов измерений .. Оформление результатов поверки ...
Приложение А соединителей
Приложение
Приложение
Приложение
(обязательное) Вид лицевой панели мезонина и назначение мезонина ..............................................
(обязательное) Схемы поверки
(справочное) Порядок запуска программ на исполнение ...
(справочное) Описание программы «ppvmcmm1.exe»
3 |
Все |
ФТКС265-15 | ||
Изм. |
Лист |
№ Докум. |
ПоДп. |
Дата |
Разраб. |
Бытка | |||
Пров. |
Болтовский | |||
Н. контр. |
Стороженко | |||
Утв. |
Стороженко |
31
31
32
33
35
35
35
45
45
46
52
53
ФТКС.468266.066РЭ | |||||
Мультиметр цифровой МЦММ1 Руководство по эксплуатации |
Лит. |
Лист |
Листов | ||
О |
2 |
67 | |||
Приложение Д (обязательное) Калибровка
55
Приложение Е (справочное) Перечень обозначений и сокращений
66
Инв. № поДл. ПоДп. и Дата Взам. инв. № Инв. № Дубл. ПоДп. Дата
—6761--23.12.15----

Изм. |
Лист |
№ Докум. |
ПоДп. |
Дата |
Лист

Руководство по эксплуатации (далее по тексту - РЭ), предназначено для изучения и правильной эксплуатации мультиметра цифрового МЦММ1, выполненного в виде мезонина (далее по тексту - мезонин).
При изучении работы мезонина следует дополнительно руководствоваться следующими документами:
-ФТКС.468266.066ПС Мультиметр цифровой МЦММ1 Паспорт;
-ФТКС.75066-01 32 01 Мультиметр цифровой МЦММ1 Драйвер. Руководство системного программиста;
-ФТКС.65066-01 34 01 Мультиметр цифровой МЦММ1 Управляющая панель. Руководство оператора.
Инв. № поДл. ПоДп. и Дата Взам. инв. № Инв. № Дубл. ПоДп. и Дата
6761 23.12.15
ФТКС.468266.066РЭ |
Лист | |||||
4 | ||||||
Изм. |
Лист |
№ Докум. |
ПоДп. |
Дата |
-
1 Описание и работа
-
1.1 Назначение
-
1.1.1 Мезонин предназначен для измерения напряжения постоянного и переменного тока, силы постоянного и переменного тока, сопротивления постоянному току и частоты периодического сигнала.
-
1.1.2 Мезонин используется совместно с носителем мезонинов модулем НМ ФТКС.468269.002 (далее по тексту - носитель мезонинов), устройством MezaBOX ФТКС.469133.006 или аналогичными носителями мезонинов в составе информационных измерительных систем.
-
1.1.3 По условиям применения мезонин соответствует требованиям к средствам измерений группы 3 по ГОСТ 22261-94.
-
-
1.2 Технические характеристики
Инв. № поДл. ПоДп. и Дата Взам. инв. № Инв. № Дубл. ПоДп. и Дата
6761 23.12.15
1.2.1 Мезонин обеспечивает измерение напряжения постоянного тока положительной и отрицательной полярностей до 400 В в диапазонах измерений:
-
1) от минус 100 до плюс 100 мВ (диапазон «100 мВ»);
-
2) от минус 1 до плюс 1 В (диапазон «1 В»);
-
3) от минус 10 до плюс 10 В (диапазон «10 В»);
-
4) от минус 100 до плюс 100 В (диапазон «100 В»);
-
5) от минус 400 до плюс 400 В(диапазон «400 В»).
Примечание - В диапазонах «100 мВ», «1 В», «10 В», «100 В» мезонин обеспечивает измерение напряжения, превышающего конечное значение диапазона не более, чем на 20 %.
1.2.2 Мезонин обеспечивает измерение силы постоянного тока положительной и отрицательной полярностей до 3 А в диапазонах измерений:
-
1) от минус 10 до плюс 10 мА (диапазон «10 мА»);
-
2) от минус 100 до плюс 100 мА (диапазон «100 мА»);
-
3) от минус 1 до плюс 1 А (диапазон «1 А»);
-
4) от минус 3 до плюс 3 А (диапазон «3 А»).
Примечание - В диапазонах «10 мА», «100 мА», «1 А» мезонин обеспечивает измерение силы постоянного тока, превышающего конечное значение диапазона не более, чем на 20 %.
-
1.2.3 Мезонин обеспечивает измерение сопротивления постоянному току до 100 МОм по двухпроводной и четырёхпроводной схемам измерения в диапазонах измерений:
1)
от
0
до
плюс
100 Ом
(диапазон
«100 Ом»);
2)
от
0
до
плюс
1 кОм (
диапазон
«1 кОм»);
3)
от
0
до
плюс
10 кОм
(диапазон
«10 кОм»);
ФТКС.468266.066РЭ
Лист
5
Изм.
Лист
№ Докум.
ПоДп.
Дата
4) |
от |
0 |
до |
плюс |
5) |
от |
0 |
до |
плюс |
6) |
от |
0 |
до |
плюс |
7) |
от |
0 |
до |
плюс |
Примечание |
- В |
100 кОм (диапазон «100 кОм») 1 МОм (диапазон 1 МОм»);
10 МОм (диапазон «10 МОм»);
100 МОм (диапазон «100 МОм»)
диапазонах «100 Ом», «1 кОм»,
«10 МОм» мезонин обеспечивает измерение
диапазона не более чем на 20
«1 МОм», превышающего конечное значение
«10 кОм», «100 кОм», сопротивления,
о
%.
1.2.4 Мезонин обеспечивает
измерение среднеквадратического значения 300 В
в диапазоне частот от 5 Гц до 300 кГц
измерений:
напряжения переменного тока до в диапазонах
1) |
от |
0 |
до |
плюс |
100 |
мВ (диапазон «100 мВ»); |
2) |
от |
0 |
до |
плюс |
1 В |
(диапазон «1 В»); |
3) |
от |
0 |
до |
плюс |
10 |
В (диапазон «10 В»); |
4) |
от |
0 |
до |
плюс |
100 |
В (диапазон «100 В»; |
5) |
от |
0 |
до |
плюс |
300 |
В (диапазон «300 В»). |
Примечание |
- В |
диапазонах «100 мВ», «1 В», «10 |
В», «100 В» мезонин обеспечивает измерение среднеквадратического значения напряжения переменного тока, на 20 %.
превышающего
конечное значение диапазона не более, чем
1.2.5 Мезонин
силы переменного диапазонах измерений:
1) от 0 до плюс 1
2) от 0 до плюс 3
обеспечивает
до 3 А в
тока
измерение
диапазоне
А (диапазон «1 А»)
А (диапазон «3 А»)
среднеквадратического значения частот от 5 Гц до 5 кГц в
Инв. № поДл. ПоДп. и Дата Взам. инв. № Инв. № Дубл. ПоДп. и Дата
6761 23.12.15
Примечание
В диапазоне «1 А» мезонин обеспечивает измерение среднеквадратического значения конечное значение
1.2.6 Мезонин диапазоне от 5 Гц
диапазона не
силы переменного тока, превышающего более, чем на 20 %.
измерение частоты периодического сигнала в
обеспечивает
до 300 кГц при амплитуде сигнала от 10 мВ до 350 В.
1.2.7 Значения времени интегрирования и соответствующие им значения быстродействия мезонина в режиме измерения напряжения постоянного тока, силы постоянного тока и сопротивления постоянному току приведены в таблице 1.1.
Изм. |
Лист |
№ Докум. |
ПоДп. |
Дата |
Лист

Инв. № поДл. ПоДп. и Дата Взам. инв. № Инв. № Дубл. ПоДп. и Дата
6761 23.12.15
Таблица 1.1
Частота питающей сети |
Время интегрирования |
Быстродействие (измерений в секунду) |
5 0 Гц |
33,3 мкс |
30000 |
66,7 мкс |
15000 | |
133,0 мкс |
7500 | |
0,5 мс |
2000 | |
1,0 мс |
1000 | |
2,0 мс |
500 | |
10,0 мс |
100 | |
20 мс (1 ППС) |
50 | |
200 мс (10 ППС) |
5 | |
2 с (100 ППС) |
0,5 | |
60 Гц |
33,3 мкс |
30000 |
66,7 мкс |
15000 | |
133,0 мкс |
7500 | |
0,5 мс |
2000 | |
1,0 мс |
1000 | |
2,0 мс |
500 | |
10,0 мс |
100 | |
16,7 мс (1 ППС) |
60 | |
167 мс (10 ППС) |
6 | |
1,67 с (100 ППС) |
0,6 | |
Примечания 1 В скобках указано значение времени интегрирования, выраженное в целых периодах питающей сети (ППС). Для частоты питающей сети 50 Гц один ППС соответствует значению времени интегрирования 20 мс, для частоты питающей сети 60 Гц - 16,7 мс. 2 Значения быстродействия мезонина приведено для следующих условий:
|
1.2.8 Коэффициент подавления помех нормального вида частотой 50, 60 и 400 Гц при измерении напряжения постоянного тока, не менее 60 дБ.
Примечания
1 Подавление помех нормального вида частотой 50 Гц или 60 Гц производится при установленном времени интегрирования, кратном периоду питающей сети (1, 10, 100 ППС).
2 Подавление помех нормального вида частотой 400 Гц производится при времени интегрирования 10, 20, 200 мс и 2 с.
1.2.9 Коэффициент подавления помех общего вида постоянного тока или переменного тока частотой питающей сети в режиме измерения напряжения постоянного тока в нормальных условиях, при разбалансе сопротивлений внешних измерительных цепей равном 1 кОм, не менее 120 дБ.
Изм. |
Лист |
№ Докум. |
ПоДп. |
Дата |
Лист
1.2.10 Пределы допускаемой относительной погрешности измерений напряжения постоянного тока определяются по формуле ± (а + b|UK/UX|). Значение коэффициентов «а» и «b» для диапазонов измерений, приведены в таблице 1.2.
Инв. № поДл. ПоДп. и Дата Взам. инв. № Инв. № Дубл. ПоДп. и Дата
6761 23.12.15
Таблица 1.2
Диапазон измерений (|UkI) |
Пределы диапазона измерений (±Up) |
Значение коэффициентов | |||
для основной погрешности, % |
для дополнительной погрешности, %/ОС | ||||
a |
b |
a |
b | ||
«100 мВ» |
± 119,9999 мВ |
0,0040 |
0,0035 |
0,0005 |
0,0005 |
«1 В» |
± 1,199999 В |
0,0030 |
0,0007 |
0,0005 |
0,0001 |
«10 В» |
± 11,99999 В |
0,0020 |
0,0005 |
0,0005 |
0,0001 |
«100 В» |
± 119,9999 В |
0,0035 |
0,0006 |
0,0005 |
0,0001 |
«400 В» |
± 400,0000 В |
0,0035 |
0,0006 |
0,0005 |
0,0003 |
Примечания
|
1.2.11 Значение ступени квантования для каждого диапазона измерений напряжения постоянного тока приведено в таблице 1.3.
Таблица 1.3
Диапазон измерений |
Ступень квантования |
«100 мВ» |
30 нВ |
«1 В» |
300 нВ |
«10 В» |
3 мкВ |
«100 В» |
3 0 мкВ |
«400 В» |
300 мкВ |
1.2.12 Число десятичных разрядов индикации измеренного значения в режимах измерения напряжения постоянного тока, силы постоянного тока и сопротивления постоянному току зависит от времени интегрирования и составляет:
4,5 |
разрядов |
при |
времени |
интегрирования |
33, |
3 |
мкс; 66,7 мкс; |
133,0 мкс; |
0,5 |
мс; | |||||
5,5 |
разрядов |
при |
времени |
интегрирования |
1, |
2, |
10 мс; |
6,5 |
разрядов |
при |
времени |
интегрирования |
1, |
10 |
, 100 ППС. |
Изм. |
Лист |
№ Докум. |
ПоДп. |
Дата |
Лист
-
1.2.13 Значение входного сопротивления в режиме измерения напряжения постоянного тока:
-
- в диапазонах «100 мВ», «1 В», «10 В»:
-
1) не менее 10 ГОм при включенном режиме АВВС (автоматический выбор входного сопротивления);
-
2) (10 ± 0,5) МОм при отключенном режиме АВВС;
-
- в диапазонах «100 В» и «400 В» равно (10 ± 0,5) МОм.
-
1.2.14 Пределы допускаемой относительной погрешности измерений силы постоянного тока определяются по формуле ± (а + b|IK/IX|). Значение коэффициентов «а» и «b» для диапазонов измерений, приведены в таблице 1.4.
Таблица 1.4
Диапазон измерений (|IkI) |
Пределы диапазона измерений (±Ip) |
Значение коэффициентов | |||
для основной погрешности, % |
для дополнительной погрешности, %/ОС | ||||
a |
b |
a |
b | ||
«10 мА» |
± 11,99999 мА |
0,05 |
0,010 |
0,005 |
0,002 |
«100 мА» |
± 119,9999 мА |
0,04 |
0,005 |
0,006 |
0,001 |
«1 А» |
± 1,199999 В |
0,13 |
0,010 |
0,006 |
0,001 |
«3 А» |
± 3,000000 А |
0,72 |
0,021 |
0,006 |
0,002 |
Инв. № поДл. ПоДп. и Дата Взам. инв. № Инв. № Дубл. ПоДп. и Дата
6761 23.12.15
Примечания
-
1 IK - конечное значение диапазона измерений, IP - предел диапазона измерений, IX - измеренное значение.
-
2 Дополнительная погрешность в диапазоне температур (23 ± 5) ОС равна нулю.
-
3 В диапазонах температур от плюс 5 до плюс 18 ОС и от плюс 28 до плюс 40 ОС допускаемая погрешность измерений равна сумме основной погрешности и результата произведения дополнительной погрешности на отклонение температуры окружающего воздуха от значения 18 ОС (для диапазона температур от плюс 5 до плюс 18 ОС) или от значения 28 ОС (для диапазона температур от плюс 28 до плюс 40 ОС).
-
1.2.15 Значение ступени квантования для каждого диапазона измерений силы постоянного тока приведено в таблице 1.5.
Таблица 1.5
Диапазон измерений
Ступень квантования
«10 мА»
3 нА
«100 мА»
3 0 нА
«1 А»
300 нА
«3 А»
90 0 нА
-
1.2.16 Максимальное значение падения напряжения на входной цепи мезонина в режиме измерения силы постоянного тока не более:
-
1) 0,1 В для диапазона измерений «10 мА»;
-
2) 0,7 В для диапазона измерений «100 мА»;
ФТКС.468266.066РЭ
Лист
9
Изм.
Лист
№ Докум.
ПоДп.
Дата
-
3) 1 В для диапазона измерений «1 А»;
-
4) 2 В для диапазона измерений «3 А».
-
1.2.17 Пределы допускаемой относительной погрешности измерений сопротивления постоянному току определяются по формуле ± (а + bRK/RX). Значение коэффициентов «а» и «b» для диапазонов измерений, приведены в таблице 1.6.
Таблица 1.6
Диапазон измерений (Rk) |
Верхний предел диапазона измерений (Rp) |
Значение коэффициентов | |||
для основной погрешности, % |
для дополнительной погрешности, %/ОС | ||||
a |
b |
a |
b | ||
«100 Ом» |
119,9999 Ом |
0,008 |
0,004 |
0,0006 |
0,0005 |
«1 кОм» |
1,199999 кОм |
0,008 |
0,001 |
0,0006 |
0,0001 |
«10 кОм» |
11,99999 кОм |
0,008 |
0,001 |
0,0006 |
0,0001 |
«100 кОм» |
119,9999 кОм |
0,008 |
0,001 |
0,0006 |
0,0001 |
«1 МОм» |
1,199999 МОм |
0,008 |
0,001 |
0,0010 |
0,0002 |
«10 МОм» |
11,99999 МОм |
0,035 |
0,001 |
0,0030 |
0,0004 |
«100 МОм» |
100,0000 МОм |
0,800 |
0,010 |
0,1500 |
0,0002 |
Инв. № поДл. ПоДп. и Дата Взам. инв. № Инв. № Дубл. ПоДп. и Дата
6761 23.12.15
Примечания
-
1 RK - конечное значение диапазона измерений, RP - предел диапазона измерений, RX - измеренное значение.
-
2 Дополнительная погрешность в диапазоне температур (23 ± 5) ОС равна нулю.
-
3 В диапазонах температур от плюс 5 до плюс 18 ОС и от плюс 28 до плюс 40 ОС допускаемая погрешность измерений равна сумме основной погрешности и результата произведения дополнительной погрешности на отклонение температуры окружающего воздуха от значения 18 ОС (для диапазона температур от плюс 5 до плюс 18 ОС) или от значения 28 ОС (для диапазона температур от плюс 28 до плюс 40 ОС).
-
4 Погрешность измерений определяется для четырёхпроводной схемы измерения.
-
1.2.18 Значение ступени квантования для каждого диапазона измерений сопротивления постоянному току приведено в таблице 1.7.
Таблица 1.7
Диапазон измерений
Ступень квантования
«100 Ом»
30 мкОм
«1 кОм»
300 мкОм
«10 кОм»
3 мОм
«100 кОм»
3 0 мОм
«1 МОм»
300 мОм
«10 МОм»
3 Ом
«100 МОм»
3 0 Ом
ФТКС.468266.066РЭ
Лист
10
Изм.
Лист
№ Докум.
ПоДп.
Дата
-
1.2.19 Значения силы постоянного тока, протекающего через измеряемое сопротивление, приведены в таблице 1.8.
Таблица 1.8
Диапазон измерений |
Значение силы тока |
«100 Ом» |
(1 ± 0,03) мА |
«1 кОм» |
(1 ± 0,03) мА |
«10 кОм» |
(100 ± 3) мкА |
«100 кОм» |
(10 ± 0,3) мкА |
«1 МОм» |
(2 ± 0,03) мкА |
«10 МОм» |
(0,2 ± 0,016) мкА |
«100 МОм» |
Менее 0,2 мкА (В диапазоне измерений «100 МОм» ток протекает через измеряемое сопротивление и резистор сопротивлением 10 МОм, подключенный параллельно измеряемой цепи) |
Инв. № поДл. ПоДп. и Дата Взам. инв. № Инв. № Дубл. ПоДп. и Дата
6761 23.12.15
-
1.2.20 Максимальное значение падения напряжения на измеряемом сопротивлении при протекании через него измерительного тока не более 8 В.
-
1.2.21 В режимах измерения напряжения переменного тока и силы переменного тока мезонин обеспечивает управление полосой пропускания фильтра низкой частоты (ФНЧ), осуществляющего сглаживание пульсаций напряжения на выходе преобразователя среднеквадратического значения. Полоса пропускания ФНЧ устанавливается программно из ряда значений:
- от 5 Гц до 300 кГц;
- от 20 Гц до 300 кГц;
- от 200 Гц до 300 кГц.
Значение полосы пропускания ФНЧ при измерении напряжения или силы переменного тока частотой F необходимо устанавливать, исходя из следующего соотношения:
Fh < F < Fb,
где Fh - нижняя граница полосы пропускания ФНЧ;
Fb - верхняя граница полосы пропускания ФНЧ.
-
1.2.22 Значения времени измерения напряжения и силы переменного тока в зависимости от установленной полосы пропускания ФНЧ приведены в таблице 1.9.
Таблица 1.9
Полоса пропускания ФНЧ
Время измерения
5 Гц - 300 кГц
7 с
20 Гц - 300 кГц
1 с
200 Гц - 300 кГц
0,1 с
-
1.2.23 Пределы допускаемой относительной погрешности измерений напряжения переменного тока определяются по формуле ± (а + bUK/UX). Значения коэффициентов «а» и «b» для диапазонов измерений приведены в таблице 1.10.
ФТКС.468266.066РЭ
Лист
11
Изм.
Лист
№ Докум.
ПоДп.
Дата
Инв. № поДл. ПоДп. и Дата Взам. инв. № Инв. № Дубл. ПоДп. и Дата
6761 23.12.15
Таблица 1.10
Диапазон измерений (UK) |
Верхний предел диапазона измерений (Up) |
Диапазон частот |
Значение коэффициентов | |||
для основной погрешности, % |
для дополнительной погрешности, %/ОС | |||||
a |
b |
a |
b | |||
«100 мВ» |
119,9999 мВ |
5 Гц - 10 Гц |
0,5 |
0,06 |
0,035 |
0,004 |
10 Гц - 20 кГц |
0,05 |
0,04 |
0,005 |
0,004 | ||
20 кГц - 50 кГц |
0,11 |
0,05 |
0,011 |
0,005 | ||
50 кГц - 100 кГц |
0,60 |
0,08 |
0,060 |
0,008 | ||
100 кГц -300 кГц |
5,00 |
0,50 |
0,200 |
0,020 | ||
«1 В» |
1,199999 В |
5 Гц - 10 Гц |
0,5 |
0,06 |
0,035 |
0,004 |
10 Гц - 20 кГц |
0,05 |
0,03 |
0,005 |
0,004 | ||
20 кГц - 50 кГц |
0,11 |
0,05 |
0,011 |
0,005 | ||
50 кГц - 100 кГц |
0,60 |
0,08 |
0,060 |
0,008 | ||
100 кГц - 300 кГц |
5,00 |
0,50 |
0,200 |
0,020 | ||
«10 В» |
11,99999 В |
5 Гц - 10 Гц |
0,5 |
0,06 |
0,035 |
0,004 |
10 Гц - 20 кГц |
0,05 |
0,03 |
0,005 |
0,004 | ||
20 кГц - 50 кГц |
0,11 |
0,05 |
0,011 |
0,005 | ||
50 кГц-100 кГц |
0,60 |
0,08 |
0,060 |
0,008 | ||
100 кГц - 300 кГц |
5,00 |
0,50 |
0,200 |
0,020 | ||
«100 В» |
119,9999 В |
5 Гц - 10 Гц |
0,5 |
0,06 |
0,035 |
0,004 |
10 Гц - 20 кГц |
0,05 |
0,03 |
0,005 |
0,004 | ||
20 кГц - 50 кГц |
0,11 |
0,05 |
0,011 |
0,005 | ||
50 кГц - 100 кГц |
0,60 |
0,08 |
0,060 |
0,008 | ||
100 кГц - 300 кГц |
5,00 |
0,50 |
0,200 |
0,020 | ||
«300 В» |
300,0000 В |
5 Гц - 10 Гц |
0,45 |
0,09 |
0,035 |
0,004 |
10 Гц - 20 кГц |
0,05 |
0,09 |
0,005 |
0,004 | ||
20 кГц- 50 кГц |
0,12 |
0,15 |
0,011 |
0,005 | ||
50 кГц-100 кГц |
0,60 |
0,24 |
0,060 |
0,008 | ||
100 кГц-300 кГц |
5,00 |
1,50 |
0,200 |
0,020 | ||
Примечания
|
ФТКС.468266.066РЭ |
Лист | |||||
12 | ||||||
Изм. |
Лист |
№ Докум. |
ПоДп. |
Дата |
-
1.2.24 В режиме измерения напряжения переменного тока значение входного сопротивления равно (1 ± 0,02) МОм, входная ёмкость не более 50 пФ.
-
1.2.25 Пределы допускаемой относительной погрешности измерений силы переменного тока определяются по формуле ± (а + bIK/IX). Значение коэффициентов «а» и «b» для диапазонов измерений, приведены в таблице 1.11.
Инв. № поДл. ПоДп. и Дата Взам. инв. № Инв. № Дубл. ПоДп. и Дата
6761 23.12.15
Таблица 1.11
Диапазон
изме
рений
(Ik)
Верхний предел диапазона измерений (Ip)
Диапазон частот
Значение коэффициентов
для основной погрешности, %
для дополнительной погрешности, %/ОС
a
b
a
b
«1 А»
1,199999 А
5 Гц - 10 Гц
0,45
0,04
0,035
0,006
10 Гц - 1 кГц
0,15
0,04
0,015
0,006
1 кГц - 5 кГц
0,40
0,04
0,015
0,006
«3 А»
3,000000 А
5 Гц - 10 Гц
0,95
0,06
0,035
0,006
10 Гц - 1 кГц
0,75
0,06
0,015
0,006
1 кГц - 5 кГц
1,00
0,06
0,015
0,006
Примечания
-
1 IK - конечное значение диапазона измерений, IP - предел диапазона измерений, IX - измеренное значение.
-
2 Дополнительная погрешность в диапазоне температур (23 ± 5) ОС равна нулю.
-
3 В диапазонах температур от плюс 5 до плюс 18 ОС и от плюс 28 до плюс 40 ОС допускаемая погрешность измерений равна сумме основной погрешности и результата произведения дополнительной погрешности на отклонение температуры окружающего воздуха от значения 18 ОС (для диапазона температур от плюс 5 до плюс 18 ОС) или от значения 28 ОС (для диапазона температур от плюс 28 до плюс 40 ОС).
-
4 Значения погрешности измерений определяются при установке соответствующего частоте измеряемого тока значения полосы пропускания ФНЧ.
-
-
1.2.26 Максимальное среднеквадратическое значение падения напряжения на входной цепи мезонина в режиме измерения силы переменного тока не более:
- 1 В для диапазона измерений «1 А»;
- 2 В для диапазона измерений «3 А».
-
1.2.27 Время измерения частоты устанавливается из ряда значений: 10 мс, 100 мс, 1 с.
-
1.2.28 Число десятичных разрядов индикации измеренного значения частоты приведено в таблице 1.12.
Изм.
Лист
№ Докум.
ПоДп.
Дата
ФТКС.468266.066РЭ
Лист
13
Таблица 1.12
Время измерения |
Число десятичных разрядов |
10 мс |
4,5 |
100 мс |
5,5 |
1 с |
6,5 |
-
1.2.29 Пределы допускаемой относительной погрешности измерений частоты приведены в таблице 1.13.
Таблица 1.13
Диапазон частот |
Пределы допускаемой относительной погрешности, (%) |
5 Гц - 10 Гц |
± 0,05 |
10 Гц - 40 кГц |
± 0,03 |
40 кГц - 300 кГц |
± 0,01 |
Инв. № поДл. ПоДп. и Дата Взам. инв. № Инв. № Дубл. ПоДп. и Дата
6761 23.12.15
-
1.2.30 Мезонин имеет режим автоматического выбора диапазона измерений (АВД).
-
1.2.31 В режимах измерения напряжения постоянного тока, силы постоянного тока и сопротивления постоянному току доступна функция автоматической подстройки нуля (АПН), которая позволяет автоматически устранять начальное смещение нуля, а также временной и температурный дрейф нуля.
Доступны два режима АПН:
-АПН перед каждым измерением. В этом режиме АПН выполняется перед каждым измерением;
-
- АПН перед каждым запуском. В этом режиме АПН выполняется перед
каждым запуском измерения. При задании количества измерений на один запуск, превышающих 1, АПН производится только перед первым измерением. Перед следующими измерениями АПН производится только в том случае, если был установлен режим АВД, и при этом произошла смена диапазона измерений.
В отключенном режиме АПН подстройка нуля выполняется только при изменении режима, диапазона измерений или времени интегрирования.
-
1.2.32 Запуск измерения в мезонине происходит по одному из следующих событий:
-
- по команде программы («программный» режим запуска);
-
- по внешнему запускающему сигналу на входе «Пуск» (соединитель «Пуск»
на лицевой панели модуля, «внешний» режим запуска).
-
1.2.33 Запускающий сигнал, поступающий на соединитель «Пуск», должен иметь форму прямоугольного импульса, параметры которого соответствуют логическим уровням ИМС типа TTL:
-
- уровень логического нуля (лог. 0)- от 0 до 0,8 В;
-
- уровень логической единицы (лог. 1) - от 2,4 до 5,5 В.
Активным является уровень лог. 0.
Минимальная длительность запускающего импульса - 1 мкс.
ФТКС.468266.066РЭ |
Лист | |||||
14 | ||||||
Изм. |
Лист |
№ Докум. |
ПоДп. |
Дата |
Инв. № поДл. ПоДп. и Дата Взам. инв. № Инв. № Дубл. ПоДп. и Дата
6761 23.12.15
-
1.2.34 По завершению измерения мезонин формирует сигнал готовности, который выдаётся на соединитель «Готов» на лицевой панели (см. приложение А).
Сигнал готовности имеет форму прямоугольного импульса, длительностью (1,0 ± 0,1) мкс, параметры которого соответствуют логическим уровням ИМС типа TTL:
- уровень логического нуля (лог. 0)- от 0 до 0,8 В;
- уровень логической единицы (лог. 1) - от 2,4 до 5,5 В.
Активным уровнем является уровень логического нуля (лог. 0).
-
1.2.35 Мезонин позволяет производить K запусков измерений от внешнего запускающего сигнала на входе «Пуск» с сохранением измеренных данных во внутреннем ОЗУ носителя мезонинов. Число K задаётся программно из ряда значений: 1, 2, 3 ... 32768.
Мезонин позволяет производить N измерений на каждый запуск с сохранением измеренных данных во внутреннем ОЗУ носителя мезонинов. Число N задаётся программно из ряда значений: 1, 2, 3 . 32768.
Общее количество измеренных данных, равное произведению количества запусков K на количество измерений N не должно превышать значения 32768.
-
1.2.36 В мезонине обеспечивается управление задержкой измерения, отсчитываемой с момента прихода запускающего события. Величина задержки может устанавливаться в диапазоне от 0 до 60 секунд с дискретностью 1 мс.
-
1.2.37 Мезонин имеет изолированный от корпуса «плавающий» измерительный вход.
Электрическая прочность гальванической развязки не менее 500 В.
Сопротивление гальванической развязки не менее 20 МОм.
-
1.2.38 Мезонин выполняет проверку работоспособности в режиме «Самоконтроль».
-
1.2.39 Мезонин соответствует требованиям по безопасности, предъявляемым ГОСТ Р 51350 к аппаратуре класса III по способу защиты человека от поражения электрическим током в соответствии с классификацией по ГОСТ Р МЭК 536.
-
1.3 Состав и назначение функциональных узлов
-
1.3.1 Состав функциональных узлов
-
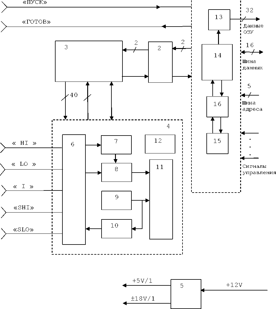
1.3.1.1 Мезонин содержит следующие функциональные узлы (см. рисунок 1 «Структура мезонина»):
-
1 - схему управления;
-
2 - узел гальванической развязки;
-
3 - контроллер измерительной части;
-
4 - измерительную часть;
-
5 - гальванически развязанный преобразователь напряжения.
ФТКС.468266.066РЭ
Лист
15
Изм.
Лист
№ Докум.
ПоДп.
Дата
-
1.3.1.2 Измерительная часть содержит следующие функциональные узлы:
-
6 - входной узел;
-
7 - преобразователь среднеквадратического значения напряжения;
-
8 - преобразователь уровней;
-
9 - источник опорного напряжения;
-
10 - источник опорного тока омметра;
-
11 - аналого-цифровой преобразователь (АЦП);
-
12 - термометр.
-
1.3.2 Назначение функциональных узлов
-
1.3.2.1 Схема управления (СУ) предназначена для сопряжения мезонина с носителем мезонинов и управления измерительной частью и содержит следующие функциональные узлы:
-
13 - контроллер мезонина
-
14 - буферное FIFO и узел управления им;
-
15 - РПЗУ и узел управления им;
-
16 - узел загрузчика программного файла в контроллер мезонина.
-
1.3.2.2 Контроллер мезонина предназначен для управления узлами мезонина. Кроме этого, в контроллере реализованы программные автоматы, управляющие процессами измерения и обмена данными.
Инв. № поДл. ПоДп. и Дата Взам. инв. № Инв. № Дубл. ПоДп. и Дата
6761 23.12.15
ФТКС.468266.066РЭ |
Лист | |||||
16 | ||||||
Изм. |
Лист |
№ Докум. |
ПоДп. |
Дата |
I---------------!
! 1 !
Инв. № поДл. ПоДп. и Дата Взам. инв. № Инв. № Дубл. ПоДп. и Дата
6761 23.12.15

Рисунок 1 - Структура мезонина
Изм. |
Лист |
№ Докум. |
ПоДп. |
Дата |
Лист
Инв. № поДл. ПоДп. и Дата Взам. инв. № Инв. № Дубл. ПоДп. и Дата
6761 23.12.15
-
1.3.2.3 Буферное FIFO предназначено для записи, хранения и считывания результатов измерений. Считывание данных из FIFO происходит под управлением носителя мезонинов.
-
1.3.2.4 РПЗУ и узел управления им предназначены для записи и хранения программного файла контроллера мезонина и индивидуальных калибровочных коэффициентов мультиметра. Программный файл и калибровочные коэффициенты записываются в РПЗУ в процессе настройки и калибровки мезонина и могут уточняться (перезаписываться) пользователем в процессе эксплуатации мезонина.
-
1.3.2.5 Узел загрузчика программного файла предназначен для записи программного файла, хранящегося в РПЗУ, в контроллер мезонина. Загрузка файла производится автоматически после подачи питания на мезонин или программно.
-
1.3.2.6 Узел гальванической развязки предназначен для обеспечения гальванической развязки при обмене данными между FPGA-контроллером и контроллером измерительной части. Гальваническая развязка осуществляется при помощи оптронов.
-
1.3.2.7 Контроллер измерительной части предназначен для формирования сигналов управления измерительной частью мезонина в соответствии с управляющими кодами, поступающими из FPGA-контроллера, а также передачи данных из АЦП в FPGA-контроллер.
-
1.3.2.8 Гальванически развязанный преобразователь напряжения предназначен для воспроизведения напряжений ± 18 В и + 5 В, используемых для питания измерительной части мезонина.
-
1.3.2.9 Входной узел предназначен для выбора измерительной линии в соответствии с заданным режимом измерения. Кроме этого, он осуществляет деление входного напряжения в диапазонах «100 В», «400 В» в режиме измерения напряжения постоянного тока и управление величиной входного сопротивления в этом режиме, а также преобразование тока в напряжение в режиме измерения тока.
-
1.3.2.10 Преобразователь среднеквадратического значения напряжения предназначен для преобразования среднеквадратического значения напряжения переменного тока подаваемого на вход мезонина при измерении напряжения переменного тока или формируемого на шунте при измерении силы переменного тока в пропорциональное напряжение постоянного тока.
-
1.3.2.11 Преобразователь уровней предназначен для приведения входного сигнала к требуемому уровню входного сигнала АЦП и представляет собой набор программно управляемых делителей и усилителей напряжения.
-
1.3.2.12 Источник опорного напряжения предназначен для воспроизведения термостабильного напряжения 2,5 В, используемого в качестве опорного напряжения АЦП и источника опорного тока омметра.
-
1.3.2.13 Источник опорного тока омметра предназначен для воспроизведения программно задаваемого тока, используемого в режиме измерения сопротивления.
ФТКС.468266.066РЭ
Лист
18
Изм.
Лист
№ Докум.
ПоДп.
Дата
-
1.3.2.14 АЦП предназначен для преобразования измеряемых величин в цифровой код. В качестве АЦП используется 24-разрядный сигма-дельта АЦП.
-
1.3.2.15 Термометр служит для измерения температуры внутри мезонина.
-
1.4 Устройство и работа
Инв. № поДл. ПоДп. и Дата Взам. инв. № Инв. № Дубл. ПоДп. и Дата
6761 23.12.15
-
1.4.1 Режимы работы
-
1.4.1.1 Мезонин реализует следующие режимы:
-
- измерение напряжения постоянного тока;
-
- измерение напряжения переменного тока;
-
- измерение силы постоянного тока;
-
- измерение силы переменного тока;
-
- измерение сопротивления постоянному току;
-
- измерение частоты.
-
1.4.1.2 Для измерения напряжения постоянного тока измеряемое напряжение подается на клеммы «HI» (клемма высокого потенциала) и «LO» (клемма низкого потенциала).
В диапазонах «100 В», «400 В» измерение напряжения производится с помощью встроенного высоковольтного делителя напряжения, с входным сопротивлением 10 МОм, определяющим входное сопротивление мезонина в этих диапазонах. В диапазонах «100 мВ», «1 В», «10 В» входное сопротивление может устанавливаться равным: 10 МОм (при подключенном параллельно измеряемому входу сопротивлению входного делителя) или свыше 10 ГОм (при отключенном входном делителе). Выбор входного сопротивления измерителя напряжений в диапазонах «100 мВ», «1 В», «10 В» осуществляется программно.
-
1.4.1.3 Для измерения напряжения переменного тока и частоты измеряемое напряжение или сигнал подается на клеммы «HI» и «LO».
-
1.4.1.4 Измерение силы тока в мезонине осуществляется методом измерения напряжения на шунте. В качестве шунта используются встроенные резисторы сопротивлением 0,1 Ом для диапазонов «1 А», «3 А» и сопротивлением 5 Ом для диапазонов «10 мА», «100 мА».
-
1.4.1.5 Для измерения силы постоянного тока измеряемая цепь должна быть подключена к клеммам «I» (клемма высокого потенциала) и «LO».
Для защиты входа от перегрузки по току служит плавкий предохранитель с током срабатывания 3,15 А, доступ к которому осуществляется с лицевой панели мезонина.
-
1.4.1.6 Для измерения силы переменного тока измеряемая цепь должна быть подключена к клеммам «I» и «LO».
-
1.4.1.7 Мезонин обеспечивает измерение сопротивления одним из двух методов измерения: по двухпроводной схеме измерения или по четырёхпроводной схеме измерения.
ФТКС.468266.066РЭ
Лист
19
Изм.
Лист
№ Докум.
ПоДп.
Дата
Инв. № поДл. ПоДп. и Дата Взам. инв. № Инв. № Дубл. ПоДп. и Дата
6761 23.12.15
Результат измерения по двухпроводной схеме зависит от сопротивления измерительных проводов.
Для исключения влияния сопротивления измерительных проводов применяется четырёхпроводная схема измерения.
-
1.4.1.8 В режиме измерения сопротивления измерительный ток протекает через измеряемое сопротивление по направлению от клеммы «HI» к клемме «LO».
-
1.4.1.9 Для измерения сопротивления по двухпроводной схеме измеряемое сопротивление подсоединяется к клеммам «HI» и «LO».
-
1.4.1.10 Для измерения сопротивления по четырёхпроводной схеме токовые проводники подсоединяются к клеммам «HI» и «LO», а измерительные проводники к клемме «SHI» (клемма высокого потенциала) и клемме «SLO» (клемма низкого потенциала).
-
1.4.2 Проверка работоспособности
- Проверка работоспособности осуществляется программно функцией драйвера «Самоконтроль», например, по нажатию кнопки «Самоконтроль» программной управляющей панели (см. ФТКС.65066-01 34 01 Мультиметр цифровой МЦММ1 Управляющая панель. Руководство оператора).
-
1.4.2.1 Проверка работоспособности включает проверку правильности загрузки программного файла в контроллер мезонина, проверку всех регистров управления, регистров состояния, а также работоспособность узлов измерительной части.
-
1.4.2.2 По завершении проверки работоспособности выдаётся сообщение о результате выполненной проверки (успешном завершении или наличии неисправности).
-
1.5 Конструкция
-
1.5.1.1 Мезонин представляет собой конструкцию, состоящую из лицевой панели с габаритными размерами (101 х 22) мм и прикрепленной к ней печатной платы размером (260 х 101) мм.
-
1.5.1.2 Мезонин устанавливается на носитель мезонинов, который в свою очередь устанавливается в крейт VXI и соединяется с магистралью VXIbus.
-
1.5.1.3 Обмен данными между мезонином и носителем мезонинов осуществляется через соединитель типа ESQT-150.
-
1.5.1.4 Габаритные размеры мезонина (длина х ширина х высота) не более (266 х 101 х 22) мм.
ФТКС.468266.066РЭ
Лист
20
Изм.
Лист
№ Докум.
ПоДп.
Дата
-
1.5.1.5 Масса мезонина не более 400 г.
-
1.5.1.6 Подключение к объекту контроля осуществляется посредством соединителей, расположенных на лицевой панели мезонина. Вид лицевой панели мезонина, тип соединителей лицевой панели и их назначение приведены в приложении А.
-
1.6 Принадлежности
-
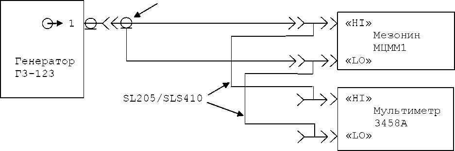
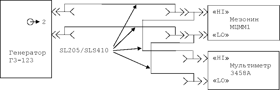
1.6.1.1 Принадлежности, используемые при поверке мезонина в соответствии с разделом 5 (см. приложение Б), приведены в таблице 1.14.
Таблица 1.14
Наименование |
Кол. |
Кабель SL205/SLS410 UNC4.853.708 (красный) |
2 |
Кабель SL205/SLS410 UNC4.853.708-01 (чёрный) |
2 |
Кабель H4-SL205 UNC4.853.710 |
1 |
Шунт - 0,2 Ом UNC3.622.102 |
1 |
Инв. № поДл. ПоДп. и Дата Взам. инв. № Инв. № Дубл. ПоДп. и Дата
6761 23.12.15
-
1.7 Маркировка и пломбирование
-
1.7.1.1 Маркировка мезонина выполнена в виде:
- надписи наименования мезонина на его лицевой панели;
- надписи заводского номера мезонина на плате печатного монтажа.
1.8 Упаковка
-
1.8.1.1 При самостоятельной поставке мезонин должен быть упакован следующим образом:
-
1) обернуть мезонин двумя слоями бумаги марки А-90 ГОСТ 8273;
-
2) на обертку наклеить этикетку;
-
3) мезонин в обертке поместить в чехол из полиэтиленовой пленки толщиной от 0,15 до 0,30 мм марки Мс, сорта 1 ГОСТ 10354;
-
4) в упаковочный мешок рядом с оберткой поместить мешок с линасилем (50 г);
-
5) упаковочный мешок заварить (заклеить);
ФТКС.468266.066РЭ
Лист
21
Изм.
Лист
№ Докум.
ПоДп.
Дата
Инв. № поДл. ПоДп. и Дата Взам. инв. № Инв. № Дубл. ПоДп. и Дата
6761 23.12.15
6) поместить заваренный упаковочный мешок в тарную коробку из картона марки Т-11С ГОСТ 7376; 7) на тарную коробку наклеить этикетку. 1.8.1.2 При поставке мезонина установленным на носитель мезонинов упаковка выполняется в соответствии с документами на носитель мезонинов. | ||||||
ФТКС.468266.066РЭ |
Лист | |||||
22 | ||||||
Изм. |
Лист |
№ Докум. |
ПоДп. |
Дата |
2 Использование по назначению
2.1 Эксплуатационные ограничения
2.1.1 Напряжения питания:
а) + 5
б) + 12
+ 0,25/- 0,125 В; + 0,60/- 0,36
В;
потребляемый
(IPm)
2.1.2 Ток
- пиковый
- динамический (IDm)
по цепи «+ 5 В»:
1,5 А;
1,2 А.
2.1.3 Ток потребляемый
- пиковый (IPm)
- динамический (IDm)
по цепи «+ 12 В»:
0,9
0,5
А; А.
2.1.4 Выделяемая мезонином мощность не более 10 Вт.
Инв. № поДл. ПоДп. и Дата Взам. инв. № Инв. № Дубл. ПоДп. и Дата
6761 23.12.15
2.1.5 Мезонин работоспособен в интервале температур от плюс 5 до плюс 40 ОС и относительной влажности не более 90 % при температуре 25 ОС.
2.1.6 Мезонин сохраняет технические и эксплуатационные характеристики после воздействия на него температуры окружающей среды от минус 50 до плюс 50 ОС и повышенной относительной влажности до 95 % при температуре 25 ОС.
-
2.1.7 Максимальное неразрушающее напряжение, подаваемое на клемму «Н1» относительно клеммы «LO» составляет ± 450 В.
-
2.1.8 Максимальное неразрушающее напряжение, подаваемое на клемму «БН1» относительно клеммы «SLO» составляет ± 400 В.
-
2.1.9 Максимальное напряжение, подаваемое на любую измерительную клемму относительно корпуса составляет ± 500 В.
-
2.1.10 Максимальный ток, протекающий через клеммы «I» и «LO», не вызывающий перегорания штатного предохранителя, составляет ± 3,1 А.
2.2 Подготовка мезонина к использованию
-
2.2.1 При поставке мезонина в составе другого изделия подготовка модуля к использованию производится в соответствии с руководством по эксплуатации изделия.
-
2.2.2 При самостоятельной поставке мезонина подготовка к использованию производится в соответствии с пп. 2.2.3 - 2.2.7 настоящего руководства.
Изм. |
Лист |
№ Докум. |
ПоДп. |
Дата |
Лист
-
2.2.3 Мезонин установить на модуль НМ ФТКС.468269.002 или аналогичный носитель мезонинов выполнив следующие действия:
-
1) снять верхний (большой) экран с НМ, открутив 4 винта М3*8 и
-
2 винта М2,5*4;
-
2) снять с 12 колонок в зоне установки мезонина на НМ винты М2,5*6 и шайбы;
-
3) установить мезонин на штатное место и закрепить его 6-ю винтами М2,5*8 из состава принадлежностей мезонина, используя при этом шайбы (плоские и гроверные) снятые ранее с колонок;
-
4) установить снятый экран НМ на место;
-
5) неиспользованный крепеж, снятый с колонок, сохранить для последующего применения.
-
2.2.4 Установить в ПЭВМ программное обеспечение VISA и динамическую библиотеку LabWindows/CVI RTE.
-
2.2.5 Для исполнения драйвера мезонина может использоваться ЭВМ, выполненная в виде модуля VXI, либо управляющая ЭВМ, соединенная с крейтом VXI через интерфейс информационной связи ЭВМ и крейта VXI, соответствующий спецификациям VPP Альянса производителей систем VXI plug&play.
-
2.2.6 Загрузить в ЭВМ программу ФТКС.75066-01 Мультиметр цифровой МЦММ1 Драйвер.
-
2.2.7 Включить питание крейта VXI, в который установлен мезонин.
Инв. № поДл. ПоДп. и Дата Взам. инв. № Инв. № Дубл. ПоДп. и Дата
6761 23.12.15
-
2.3 Использование мезонина
-
2.3.1 При поставке мезонина в составе другого изделия использование мезонина может производиться в соответствии с руководством по эксплуатации изделия.
-
2.3.2 При самостоятельной поставке мезонина его использование производится в соответствии с пп. 2.3.3 - 2.3.5 настоящего руководства.
-
2.3.3 Мезонин со своим драйвером совместно с носителем мезонинов и его драйвером образуют «инструмент», реализующий определённый набор функций.
-
2.3.4 Для реализации функций мезонина необходимо программой верхнего уровня открыть сеанс управления «инструментом», сообщить драйверу «инструмента» данные, необходимые для реализации соответствующей функции, и передать ему управление.
-
2.3.5 Для обеспечения указанных в подразделе 1.2 значений погрешности измерений необходимо после открытия сеанса связи с инструментом перед первым измерением выдержать модуль во включенном состоянии не менее
10 мин .
ФТКС.468266.066РЭ |
Лист | |||||
24 | ||||||
Изм. |
Лист |
№ Докум. |
ПоДп. |
Дата |
-
3 Техническое обслуживание
-
3.1 Виды и периодичность технического обслуживания
-
3.1.1 При поставке мезонина в составе изделия виды, периодичность и порядок технического обслуживания определяются руководством по эксплуатации изделия.
-
3.1.2 При самостоятельной поставке мезонина виды, периодичность и порядок технического обслуживания определяются пп. 3.1.3 - 3.1.5 и подразделом 3.2.
-
3.1.3 Техническое обслуживание мезонина включает следующие виды:
-
-
-
1) ежедневное техническое обслуживание (ЕТО);
-
2) ежегодное техническое обслуживание (ТО-1).
-
3.1.4 ЕТО проводится при подготовке мезонина к использованию по назначению.
-
3.1.5 ТО-1 проводится один раз в год, независимо от интенсивности эксплуатации мезонина, а также перед постановкой мезонина на длительное хранение.
Инв. № поДл. ПоДп. и Дата Взам. инв. № Инв. № Дубл. ПоДп. и Дата
6761 23.12.15
3.2 Порядок технического обслуживания
-
3.2.1 Порядок технического обслуживания соответствует порядку записи операций в таблице 3.1.
-
3.2.2 Операция технического обслуживания выполняется в соответствии с ее технологической картой.
-
3.2.3 При техническом обслуживании мезонина обязательным является выполнение всех действий, изложенных в технологических картах операций.
-
3.2.4 Все неисправности, выявленные в процессе технического обслуживания, должны быть устранены. При этом должна быть сделана запись в разделе «Работы при эксплуатации» паспорта ФТКС.468266.066ПС.
-
3.2.5 О проведении и результатах ТО-1 должна быть сделана запись в разделе «Работы при эксплуатации» паспорта ФТКС.468266.066ПС.
Изм.
Лист
№ Докум.
ПоДп.
Дата
Лист
-
Таблица 3.1
Наименование операции технического обслуживания |
Номер технологической карты |
Виды технического обслуживания | |
ЕТО |
ТО-1 | ||
1 Проверка состояния и чистка элементов лицевой панели |
1 |
+ |
+ |
2 Проверка работоспособности мезонина |
2 |
+ |
+ |
3 Детальный осмотр и чистка |
3 |
- |
+ |
4 Проверка эксплуатационных документов |
4 |
- |
+ |
-
3.3 Технологические карты операций технического обслуживания
Инв. № поДл. ПоДп. и Дата Взам. инв. № Инв. № Дубл. ПоДп. и Дата
6761 23.12.15
-
3.3.1 Технологическая карта 1
Проверка состояния и чистка элементов лицевой панели мезонина
Средства измерений: нет.
Инструмент: нет.
Расходные материалы:
-
- бязь отбеленная арт. 224 ГОСТ 11680 (салфетка 200x200 мм - 1 шт);
-
- кисть флейцевая КФ251 1 шт.
Действия:
-
1) перед включением крейта VXI, в котором эксплуатируется мезонин, установленный на носитель мезонинов, произвести внешний осмотр лицевой панели мезонина, убедиться в отсутствии деформаций и нарушений целостности соединителя;
-
2) удалить пыль с лицевой панели мезонина сухой бязевой салфеткой
(кистью).
-
3.3.2 Технологическая карта 2
Проверка работоспособности
Средства измерений: нет.
Инструмент: нет.
Расходные материалы: нет.
Действия:
-
1) включить крейт VXI с установленным носителем мезонинов и установленным в нём проверяемым мезонином;
-
2) убедиться в положительном результате самотестирования ПЭВМ и правильности загрузки операционной среды;
-
3) выдержать модуль во включенном состоянии 10 мин;
-
4) выполнить проверку работоспособности мезонина в соответствии с п. 1.4.2.
При положительном результате проверки модуль готов к работе.
ФТКС.468266.066РЭ |
Лист | |||||
26 | ||||||
Изм. |
Лист |
№ Докум. |
ПоДп. |
Дата |
Инв. № поДл. ПоДп. и Дата Взам. инв. № Инв. № Дубл. ПоДп. и Дата
6761 23.12.15
-
3.3.3 Технологическая карта 3 Проверка принадлежностей Средства измерений: нет.
Инструмент: нет.
Расходные материалы: нет.
Действие:
1) проверить наличие принадлежностей по паспорту ФТКС.468266.066ПС.
-
3.3.4 Технологическая карта 4 Детальный осмотр и чистка Средства измерений: нет.
Инструмент: нет.
Расходные материалы:
-
- бязь отбеленная арт. 224 ГОСТ 11680 (салфетка 200^200 мм - 1 шт),
-
- кисть флейцевая КФ251 (1 шт),
-
- спирт этиловый ГОСТ 11547 (20 мл).
Действия:
-
- отключить изделие, в котором эксплуатируется мезонин от сети;
-
- отсоединить кабели от мезонина;
-
- произвести осмотр принадлежностей для поверки мезонина, убедиться в
целостности контактов их соединителей;
-
- очистить от пыли внешние поверхности принадлежностей для поверки
мезонина;
-
- аккуратно, соблюдая осторожность, почистить кистью, смоченной в
спирте, доступные контакты соединителей принадлежностей для поверки мезонина;
-
- протереть салфеткой, смоченной в спирте, загрязненные места
принадлежностей для поверки мезонина;
-
- аккуратно, соблюдая осторожность, почистить кистью, смоченной в
спирте, доступные контакты соединителей на лицевой панели мезонина;
-
- протереть салфеткой, смоченной в спирте, загрязненные места на
лицевой панели мезонина;
-
- присоединить кабели к соединителям мезонина.
-
3.3.5 Технологическая карта 4
Проверка эксплуатационных документов Средства измерения: нет.
Инструмент: нет.
Расходные материалы: нет.
Действия:
-
1) проверить наличие эксплуатационных документов по паспорту ФТКС.468266.066ПС;
-
2) проверить состояние эксплуатационных документов;
-
3) проверить своевременность внесения необходимых записей в паспорт ФТКС.468266.066ПС.
ФТКС.468266.066РЭ
Лист
27
Изм.
Лист
№ Докум.
ПоДп.
Дата
-
4 Транспортирование и хранение
-
4.1 Транспортирование
Инв. № поДл. ПоДп. и Дата Взам. инв. № Инв. № Дубл. ПоДп. и Дата
6761 23.12.15
-
4.1.1 Мезонин, упакованный в транспортную тару, допускает транспортирование следующими видами транспорта:
-
-
-
- железнодорожным в закрытых вагонах на любые расстояния со
скоростями, допустимыми на железнодорожном транспорте;
-
- воздушным и водным в закрытых герметичных отсеках на любые
расстояния без ограничения скорости;
-
- автомобильным в закрытых фургонах:
-
- по дорогам 1 - 3 категории - на расстояние до 500 км со скоростью до 40 км/ч;
-
- по дорогам 4, 5 категории - на расстояние до 500 км со скоростью до 20 км/ч.
-
4.1.2 При транспортировании транспортная тара с мезонином должна быть надежно закреплена креплениями, исключающими ее перемещение относительно транспортного средства при воздействии механических нагрузок.
-
4.1.3 Допускается транспортирование мезонина в штатной упаковке изготовителя при температуре окружающей среды от минус 50 до плюс 50 оС и относительной влажности до 95 % при температуре 25 оС.
Давление окружающего воздуха должно соответствовать нормам, принятым для данного вида транспорта.
-
4.1.4 Допускается транспортирование мезонина установленным на носитель мезонинов, упакованный в штатную упаковку или установленный в крейт VXI, упакованный в штатную упаковку. При этом условия транспортирования должны соответствовать ограничениям, изложенным в настоящем подразделе.
-
4.1.5 При поставке мезонина в составе другого изделия требования к транспортированию мезонина и условиям, при котором оно должно осуществляться, определяются руководством по эксплуатации изделия, в составе которого мезонин поставляется.
4.2 Хранение
-
4.2.1 При поставке модуля в составе другого изделия правила постановки модуля на хранение, условия хранения определяются руководством по эксплуатации изделия, в составе которого модуль поставляется.
-
4.2.2 При самостоятельной поставке модуля правила постановки на хранение, условия хранения определяются пп. 4.2.3 - 4.2.5 настоящего руководства.
ФТКС.468266.066РЭ
Лист
28
Изм.
Лист
№ Докум.
ПоДп.
Дата
-
4.2.3 Мезонин должен храниться в складских условиях в транспортной таре, в которой мезонин поставляется изготовителем.
Складские условия:
-
- температура воздуха от плюс 5 до плюс 35 ОС;
-
- относительная влажность воздуха не более 80 % при температуре 25 ОС;
-
- воздух не должен содержать пыли, паров кислот, щелочей и других
агрессивных примесей.
-
4.2.4 При хранении в штатной упаковке в складских условиях мезонин допускает хранение в течение всего срока гарантии при условии переконсервации после каждых двух лет его хранения.
-
4.2.5 Допускается хранение мезонина установленным на носитель мезонинов в штатной таре носителя мезонинов, или установленным на носитель мезонинов, установленный в крейт VXI, находящийся в штатной таре крейта VXI.
-
4.3 Переконсервация
Инв. № поДл. ПоДп. и Дата Взам. инв. № Инв. № Дубл. ПоДп. и Дата
6761 23.12.15
-
4.3.1 Переконсервация мезонина должна выполняться не реже, чем через каждые два года его хранения.
-
4.3.2 Перед переконсервацией поместить мезонин в помещение, имеющее относительную влажность не более 70 % при температуре не ниже 15 оС.
-
4.3.3 Вскрыть транспортную тару.
При вскрытии полиэтиленового мешка отрезать минимально необходимую полоску материала и вынуть обертку мезонина из мешка.
-
4.3.4 Развернуть обертку и просушить мезонин (выдержка в течение
24 часов в помещении в условиях, приведенных в п.4.3.2).
Примечание - Допускается не производить сушку мезонина, если хранение мезонина осуществлялось в помещении, имеющем относительную влажность воздуха не более 70 % при температуре не ниже 15 оС.
-
4.3.5 Заменить линасиль (марка ИВХАН-100) в мешочке, находившемся в упаковке мезонина, на новый (просушенный при температуре 150 - 200 оС не менее 4 часов).
-
4.3.6 Упаковать мезонин:
-
1) обернуть мезонин двумя слоями бумаги марки А-90 ГОСТ 8273;
-
2) на обертку наклеить этикетку;
-
3) мезонин в обертке поместить в чехол из полиэтиленовой пленки толщиной 0,15 - 0,30 мм марки Мс, сорта 1 ГОСТ 10354;
-
4) в упаковочный мешок рядом с оберткой поместить мешок с линасилем (50 г);
-
5) упаковочный мешок заварить (заклеить);
ФТКС.468266.066РЭ
Лист
29
Изм.
Лист
№ Докум.
ПоДп.
Дата
-
6) поместить заваренный упаковочный мешок в тарную коробку из картона марки Т-11С ГОСТ 7376;
-
7) на тарную коробку наклеить этикетку.
Инв. № поДл. ПоДп. и Дата Взам. инв. № Инв. № Дубл. ПоДп. и Дата
6761 23.12.15
Изм. |
Лист |
№ Докум. |
ПоДп. |
Дата |
Лист
5 Поверка
Настоящая выполненный в
поверка распространяется на мультиметр цифровой МЦММ1, виде мезонина, (далее по тексту - мезонин).
5.1 Общие требования
Инв. № поДл. ПоДп. и Дата Взам. инв. № Инв. № Дубл. ПоДп. и Дата
6761 23.12.15
-
5.1.1 Поверка мезонина должна производиться метрологической службой предприятия, на котором оно эксплуатируется, аккредитованной в установленном порядке на проведение данных работ.
-
5.1.2 При самостоятельной поставке мезонина поверка должна производиться не реже одного раза в два года, а также после хранения, продолжавшегося более 6 месяцев.
-
5.1.3 При поставке мезонина в составе другого изделия порядок поверки мезонина может определяться руководством по эксплуатации изделия, в составе которого мезонин поставляется.
-
5.1.4 При поверке должны использоваться поверенные метрологической службой в установленном порядке средства измерений и контроля, имеющие действующие свидетельства о поверке.
-
5.1.5 Перед началом поверки необходимо проверить работоспособность мезонина в соответствии с п. 1.4.2.
-
5.1.6 Мезонин подвергать поверке только при положительном результате выполнения проверки его работоспособности.
-
5.1.7 При выполнении поверки модуля, для ведения протокола результатов поверки необходимо использовать программу «ppvMCMM1.exe». В ходе выполнения программы автоматически формируется файл протокола
«Протокол МЦММ1.1од»
Примечание - программа «ppvMCMM1.exe» входит в состав комплекта программного обеспечения управляющей панели модуля.
-
5.1.8 Все вводимые в ПЭВМ значения величин должны быть представлены в основных единицах международной системы единиц физических величин СИ в формате с плавающей точкой.
При вводе нецелых чисел разделителем целой и дробной частей числа является символ «.» (точка).
Разделителем мантиссы и порядка является символ (буква) «Е», либо символ (буква) «е» латинского либо русского шрифтов.
-
5.1.9 При поверке мезонина подлежат проверке относительные погрешности измерений мезонина во всех диапазонах измерений.
Изм. |
Лист |
№ Докум. |
ПоДп. |
Дата |
Лист
5.1.10 Значение нормы погрешности при проведении проверок в файле протокола поверки определяется автоматически.
5.1.11 При отрицательных результатах поверки необходимо выполнить калибровку мезонина в соответствии с приложением Г, а затем повторить поверку.
5.2 Операции поверки
5.2.1 При проведении поверки должны выполняться операции указанные в таблице 5.1.
Инв. № поДл. ПоДп. и Дата Взам. инв. № Инв. № Дубл. ПоДп. и Дата
6761 23.12.15
Таблица 5.1
Наименование операции |
Номер пункта документа по поверке |
Проведение операции при | ||
первичной поверке или после ремонта |
Периодической поверке | |||
1 Внешний осмотр |
5.6.1 |
+ |
+ | |
2 Опробование |
5.6.2 |
+ |
+ | |
3 Определение метрологических характеристик: |
5.6.3 |
+ |
+ | |
3.1 |
Определение относительной погрешности измерений напряжения постоянного тока |
5.6.3.1.2 |
+ |
+ |
3.2 |
Определение относительной погрешности измерений силы постоянного тока |
5.6.3.1.3 |
+ |
+ |
3.3 |
Определение относительной погрешности измерений сопротивления постоянному току |
5.6.3.1.4 |
+ |
+ |
3.4 |
Определение относительной погрешности измерений напряжения переменного тока |
5.6.3.1.5 |
+ |
+ |
3.5 |
Определение относительной погрешности измерений силы переменного тока |
5.6.3.1.6 |
+ |
+ |
3.6 |
Определение относительной погрешности измерений частоты |
5.6.3.1.7 |
+ |
+ |
ФТКС.468266.066РЭ |
Лист | |||||
32 | ||||||
Изм. |
Лист |
№ Докум. |
ПоДп. |
Дата |
5.3 Средства поверки
5.3.1 При проведении поверки должны применяться средства поверки указанные в таблице 5.2.
Инв. № поДл. ПоДп. и Дата Взам. инв. № Инв. № Дубл. ПоДп. и Дата
6761 23.12.15
Таблица 5.2
Номер пункта методики поверки |
Наименование и тип основного или вспомогательного средства поверки, метрологические и основные технические характеристики средства поверки |
5.6.3.1.5 - 5.6.3.1.7 |
Калибратор FLUKE 9100E:
UX - значение воспроизведения;
10 мВ до 300 В, пределы допускаемой относительной погрешности воспроизведения ± 0,5 %;
± (0,1 + 0,015|IK/IX|), где IK - конечное значение диапазона воспроизведения, IX - значение воспроизведения;
3 Гц до 300 кГц, пределы допускаемой относительной погрешности установки частоты ± 0,003 %. |
5.6.3.1.2 - 5.6.3.1.7 |
Мультиметр 3458А:
± 0,0008 %;
± 0,01 %;
|
5.6.3.1.5 |
Генератор сигналов низкочастотный Г3-123: воспроизведение напряжения переменного тока до 290 В частотой до 300 кГц. |
5.6.3.1.4 |
Магазин электрического сопротивления Р4834: диапазон сопротивлений от 0,1 Ом до 1 МОм, кл. 0,05. |
5.6.3.1.4 |
Магазин сопротивлений P40108: диапазон сопротивлений от 100 кОм до 100 МОм, кл. т. 0,05. |
Изм. |
Лист |
№ Докум. |
ПоДп. |
Дата |
Лист
Инв. № поДл. ПоДп. и Дата Взам. инв. № Инв. № Дубл. ПоДп. и Дата
6761 23.12.15
Продолжение таблицы 5.2
Номер пункта методики поверки |
Наименование и тип основного или вспомогательного средства поверки, метрологические и основные технические характеристики средства поверки |
Вспомогательные средства проверки | |
5.5.1 |
Термометр по ГОСТ 28498-90: Диапазон измерений от 0 до 60 0С, цена деления 1 0С. |
Барометр БАММ-1: диапазон измерений от 80 до 106,7 кПа (от 600 до 800 мм рт. ст.), пределы допускаемой абсолютной погрешности измерений ± 0,2 кПа (± 1,5 мм рт. ст.). | |
Психрометр аспирационный типа МВ-4М: диапазон измерений относительной влажности от 10 до 100 %, пределы допускаемой абсолютной погрешности измерений ± 2,0 %. | |
Вспомогательное оборудование | |
5.6.3.1, 5.6.3.2 |
Управляющая ЭВМ с внешними устройствами и следующим установленным программным обеспечением: операционная система Windows (32-bit), комплект программного обеспечения интерфейса VXI, комплект драйверов модулей Информтест, программа «Р МЫ31.ехе». |
Крейт VXI, соответствующий ГОСТ Р 51884-2002 | |
Общесистемный интерфейс информационной связи ЭВМ и крейта VXI, соответствующий спецификациям VPP Альянса производителей систем VXI plug&play. | |
Носитель мезонинов модуль НМ ФТКС.468269.002 или другой аналогичный носитель мезонинов. | |
Примечания
|
5.3.2 Для управления работой мезонина при выполнении поверки должно использоваться дополнительное оборудование, включающее ПЭВМ с внешними устройствами (монитор, клавиатура, манипулятор «мышь»), крейт VXI, комплект общесистемного интерфейса (контроллер интерфейса, кабель, контроллер слота ноль), соответствующий спецификациям VPP Альянса производителей систем VXI plug&play, носитель мезонинов НМ ФТКС.468269.002 или аналогичный, а также программное обеспечение, включающее ФТКС.75066-01 Мультиметр цифровой МЦММ1 Драйвер, ФТКС.76902-01 Драйвер НМ, Программа поверки МЦММ1 «ppvMCMM1.exe», библиотека функций VISA, соответствующая спецификациям VPP Альянса производителей систем VXI plug&play.
Изм. |
Лист |
№ Докум. |
ПоДп. |
Дата |
Лист
-
5.4 Требования безопасности
-
5.4.1 При проведении поверки должны быть соблюдены требования безопасности, предусмотренные «Правилами технической эксплуатации электроустановок потребителей», «Правилами техники безопасности при эксплуатации электроустановок потребителей», а также изложенные в руководстве по эксплуатации на мезонин и в технической документации на применяемые при поверке рабочие эталоны и вспомогательное оборудование.
-
5.5 Условия поверки и подготовка к ней
5.5.1 При проведении поверки должны быть соблюдены следующие условия:
- температура окружающего воздуха, °С |
23 |
± |
5; | |||
- относительная влажность воздуха, % |
65 |
± |
15; | |||
- атмосферное давление, кПа (мм рт. ст.) |
10 |
0 |
± |
4 |
(7 |
50 ± 30); |
- напряжение питающей сети, В |
22 |
0 |
± |
22 |
; | |
- частота питающей сети, Гц |
50 |
± |
1. |
Инв. № поДл. ПоДп. и Дата Взам. инв. № Инв. № Дубл. ПоДп. и Дата
6761 23.12.15
-
5.5.2 Перед проведением поверки необходимо выполнить следующие подготовительные работы:
-
- выдержать изделие в условиях, указанных в п. 5.5.1 в течение
не менее 4 ч;
-
- выполнить операции, оговоренные в технической документации на
применяемые средства поверки по их подготовке к измерениям;
-
- выполнить операции, оговоренные в п. 2.2 «Подготовка мезонина к
использованию».
-
5.6 Порядок проведения поверки
-
5.6.1 Внешний осмотр
-
5.6.1.1 При внешнем осмотре проверить состояние элементов, расположенных на лицевой панели мезонина, в том числе состояние контактов соединителей, а также состояние покрытий.
Результат внешнего осмотра считать положительным, если не обнаружено нарушений целостности элементов, контактов и покрытий.
-
5.6.2 Опробование
-
5.6.2.1 Опробование выполнять согласно п. 1.4.2. Мезонин подвергать поверке только при положительном результате его опробования.
ФТКС.468266.066РЭ
Лист
35
Изм.
Лист
№ Докум.
ПоДп.
Дата
Инв. № поДл. ПоДп. и Дата Взам. инв. № Инв. № Дубл. ПоДп. и Дата
6761 23.12.15
Результат опробования считать положительным, если в результате проверки мезонина программой отсутствуют сообщения о неисправностях.
-
5.6.3 Определение метрологических характеристик
-
5.6.3.1 Определение относительной погрешности измерений напряжения постоянного тока, силы постоянного тока, сопротивления постоянному току, напряжения переменного тока, силы переменного тока и частоты.
-
5.6.3.1.1 Перед проведением поверки необходимо:
-
1) подготовить измерительные приборы и принадлежности:
-
- калибратор FLUKE 9100E;
-
- мультиметр 3458А;
-
- генератор сигналов низкочастотный Г3-123;
-
- магазин электрического сопротивления Р4834;
-
- магазин сопротивлений Р40108.
-
2) включить измерительные приборы. Перед проведением проверки приборы должны быть выдержаны во включённом состоянии в течение времени, необходимом для их прогрева в соответствии с документацией на них;
-
3) запустить автокалибровку мультиметра 3458А и ожидать её завершения;
-
4) включить ЭВМ, убедиться, что нет сообщений об ошибках ее самотестирования и загрузки операционной среды;
-
5) включить питание крейта VXI;
-
6) руководствуясь приложением В «Порядок запуска программ на исполнение» запустить на исполнение программу поверки «ppvMCMM1.exe» (далее программа поверки). После запуска программы появится управляющая панель «Поверка МЦММ1»;
-
7) назначить файл протокола, в который будут заноситься результаты поверки;
-
8) выдержать крейт во включенном состоянии не менее 10 мин.
-
5.6.3.1.2 Определение относительной погрешности измерений напряжения постоянного тока выполнять для всех диапазонов измерений мезонина и значений напряжения, указанных в графе «Устанавливаемые значения» таблицы 5.3:
-
- для положительной шкалы - в точках, номинальные значения напряжения
которых (U1-U5) приведены в таблице 5.3;
-
- для отрицательной шкалы - в точках, абсолютные номинальные значения
напряжения которых (U1-U5) приведены в таблице 5.3.
Таблица 5.3
Диапазон |
Точка измерения |
Устанавливаемое значение |
Допускаемая относительная погрешность измерений, % | |
значение |
ед.изм. | |||
«100 мВ» |
U1 |
± 0,0500 |
мВ |
± 7 |
U2 |
± 10,0000 |
мВ |
± 0,04 | |
U3 |
± 50,0000 |
мВ |
± 0,011 | |
U4 |
± 75,0000 |
мВ |
± 0,009 | |
U5 |
± 118,0000 |
мВ |
± 0,007 |
Изм. |
Лист |
№ Докум. |
ПоДп. |
Дата |
ФТКС.468266.066РЭ
Лист
36
Продолжение таблицы 5.3
Диапазон |
Точка измерения |
Устанавливаемое значение |
Допускаемая относительная погрешность измерений, % | |
значение |
ед.изм. | |||
«1 В» |
U1 |
± 0,000050 |
В |
± 14 |
U2 |
± 0,100000 |
В |
± 0,010 | |
U3 |
± 0,500000 |
В |
± 0,005 | |
U4 |
± 0,750000 |
В |
± 0,004 | |
U5 |
± 1,180000 |
В |
± 0,004 | |
«10 В» |
U1 |
± 0,00050 |
В |
± 10 |
U2 |
± 1,00000 |
В |
± 0,007 | |
U3 |
± 5,00000 |
В |
± 0,003 | |
U4 |
± 7,50000 |
В |
± 0,003 | |
U5 |
± 11,80000 |
В |
± 0,003 | |
«100 В» |
U1 |
± 0,0050 |
В |
± 12 |
U2 |
± 10,0000 |
В |
± 0,010 | |
U3 |
± 50,0000 |
В |
± 0,005 | |
U4 |
± 75,0000 |
В |
± 0,005 | |
U5 |
± 118,0000 |
В |
± 0,004 | |
«400 В» |
U1 |
± 0,0050 |
В |
± 50 |
U2 |
± 100,0000 |
В |
± 0,006 | |
U3 |
± 200,0000 |
В |
± 0,005 | |
U4 |
± 300,0000 |
В |
± 0,005 | |
U5 |
± 395,0000 |
В |
± 0,006 |
Инв. № поДл. ПоДп. и Дата Взам. инв. № Инв. № Дубл. ПоДп. и Дата
6761 23.12.15
Примечания
-
1 Значения, приведенные в графе «Допускаемая относительная погрешность измерений», соответствуют пределам допускаемой относительной погрешности (п. 1.2.2.10).
-
2 Во всех измеряемых приборами и регистрируемых значениях величин последняя (младшая) значащая цифра должна иметь порядок не старше, чем порядок последней (младшей) значащей цифры погрешности.
Проверку по данному пункту выполнять следующим образом:
-
1) собрать схему в соответствии с рисунком Б.1 приложения Б;
-
2) на управляющей панели «Поверка МЦММ1» в меню «Проверка» выбрать пункт «Проверка погрешности измерений напряжения постоянного тока» и нажать клавишу «Старт»;
-
3) выполнять действия в соответствии с указаниями программы поверки до завершения проверки по данному пункту.
По окончании проверки отсоединить измерительные кабели от мезонина.
Результат проверки считать положительным, если при выполнении проверки не было сообщений об ошибке и после завершения проверки в окне «Протокол проверки» была выведена надпись «ТЕСТ «Проверка относительной погрешности измерений напряжения постоянного тока» - НОРМА».
ФТКС.468266.066РЭ |
Лист | |||||
37 | ||||||
Изм. |
Лист |
№ Докум. |
ПоДп. |
Дата |
Примечания
-
1 Сообщение «НОРМА» выдаётся, если для каждой проверяемой точки полученное значение относительной погрешности измерений не превышает значения допускаемой относительной погрешности измерений, приведенной в таблице 5.3.
-
2 Относительная погрешность измерений 5Ux вычисляется по формуле
5Ux = ((иизм - изд) / изд) • 100%,
где иизм - измеренное значение напряжения;
изд - заданное значение напряжения.
-
5.6.3.1.3 Определение относительной погрешности измерений силы постоянного тока выполнять для всех диапазонов измерений мезонина и значений тока, указанных в графе «Устанавливаемые значения» таблицы 5.4:
-
- для положительной шкалы - в точках, номинальные значения силы тока
которых (I1-I5) приведены в таблице 5.4;
-
- для отрицательной шкалы - в точках, абсолютные номинальные значения
силы тока которых (I1-I5) приведены в таблице 5.4.
Инв. № поДл. ПоДп. и Дата Взам. инв. № Инв. № Дубл. ПоДп. и Дата
6761 23.12.15
Таблица 5.4
Диапазон |
Точка измерения |
Устанавливаемое значение |
Допускаемая относительная погрешность измерений, % | |
значение |
ед. изм. | |||
«10 мА» |
I1 |
± 0,05000 |
мА |
± 2,1 |
I2 |
± 1,00000 |
мА |
± 0,15 | |
I3 |
± 5,00000 |
мА |
± 0,07 | |
I4 |
± 7,50000 |
мА |
± 0,07 | |
I5 |
± 11,80000 |
мА |
± 0,06 | |
«100 мА» |
I1 |
± 0,5000 |
мА |
± 1,1 |
I2 |
± 10,0000 |
мА |
± 0,09 | |
I3 |
± 50,0000 |
мА |
± 0,05 | |
I4 |
± 75,0000 |
мА |
± 0,05 | |
I5 |
± 118,0000 |
мА |
± 0,05 | |
«1 А» |
I1 |
± 0,00500 |
А |
± 2,2 |
I2 |
± 0,10000 |
А |
± 0,23 | |
I3 |
± 0,50000 |
А |
± 0,15 | |
I4 |
± 0,75000 |
А |
± 0,15 | |
I5 |
± 1,18000 |
А |
± 0,14 | |
«3 А» |
I1 |
± 0,0500 |
А |
± 2,0 |
I2 |
± 1,0000 |
А |
± 0,8 | |
I3 |
± 2,0000 |
А |
± 0,8 | |
I4 |
± 2,5000 |
А |
± 0,8 | |
I5 |
± 3,0000 |
А |
± 0,8 |
Изм. |
Лист |
№ Докум. |
ПоДп. |
Дата |
Лист
Примечания
-
1 Значения, приведенные в графе «Допускаемая относительная погрешность измерений», соответствуют пределам допускаемой основной относительной погрешности (п. 1.2.2.14).
-
2 Во всех измеряемых приборами и регистрируемых значениях величин последняя (младшая) значащая цифра должна иметь порядок не старше, чем порядок последней (младшей) значащей цифры погрешности.
Инв. № поДл. ПоДп. и Дата Взам. инв. № Инв. № Дубл. ПоДп. и Дата
6761 23.12.15
Проверку по данному пункту выполнять следующим образом:
-
1) собрать схему в соответствии с рисунком Б.4 приложения Б;
-
2) на управляющей панели «Поверка МЦММ1» в меню «Проверка» выбрать пункт «Проверка диапазонов и погрешности измерений силы постоянного тока» и нажать клавишу «Старт»;
-
3) выполнять действия в соответствии с указаниями программы поверки до завершения поверки по данному пункту.
По окончании проверки отсоединить измерительные кабели от мезонина.
Результат проверки считать положительным, если при выполнении проверки не было сообщений об ошибке и после завершения проверки в окне «Протокол проверки» была выведена надпись «ТЕСТ «Проверка относительной погрешности измерений силы постоянного тока» - НОРМА».
Примечания
1 Проверка при значениях тока более 1 А производится с применением схемы, изображённой на рисунке Б.5 приложения Б. Программа поверки выдаёт указания о применении требуемой схемы подключения.
2 Сообщение «НОРМА» выдаётся, если для каждой проверяемой точки полученное значение относительной погрешности измерений не превышает значения допускаемой относительной погрешности измерений, приведенной в таблице 5.4.
-
3 Относительная погрешность измерений 51х вычисляется по формуле
51х = ((1изм - 1зд)/ 1зд) • 100%,
где 1изм - измеренное значение силы тока;
1зд - заданное значение силы тока.
-
5.6.3.1.4 Определение относительной погрешности измерений сопротивления постоянному току выполнять для всех диапазонов измерений мезонина и всех значений сопротивления, указанных в графе «Устанавливаемые значения» таблицы 5.5.
Таблица 5.5
Диапазон
Точка
измерения
Устанавливаемое значение
Допускаемая относительная погрешность измерений, %
значение
ед.изм.
«100 Ом»
R1
10,0000
Ом
± 0,05
R2
20,0000
Ом
± 0,028
R3
50,0000
Ом
± 0,016
R4
75,0000
Ом
± 0,014
R5
118,0000
Ом
± 0,012
«1 кОм»
R1
0,10000
кОм
± 0,018
R2
0,20000
кОм
± 0,013
ФТКС.468266.066РЭ
Лист
39
Изм.
Лист
№ Докум.
ПоДп.
Дата
R3
0,50000
кОм
± 0,010
R4
0,75000
кОм
± 0,010
R5
1,18000
кОм
± 0,017
«10 кОм»
R1
1,00000
кОм
± 0,018
R2
2,00000
кОм
± 0,013
R3
5,00000
кОм
± 0,010
R4
7,50000
кОм
± 0,010
R5
11,80000
кОм
± 0,017
Инв. № поДл. ПоДп. и Дата Взам. инв. № Инв. № Дубл. ПоДп. и Дата
6761 23.12.15
Продолжение таблицы 5.5
Диапазон
Точка
измерения
Устанавливаемое значение
Допускаемая относительная погрешность измерений, %
значение
ед.изм.
«100 кОм»
R1
10,0000
кОм
± 0,018
R2
20,0000
кОм
± 0,013
R3
50,0000
кОм
± 0,010
R4
75,0000
кОм
± 0,010
R5
118,0000
кОм
± 0,017
«1 МОм»
R1
0,10000
МОм
± 0,018
R2
0,20000
МОм
± 0,013
R3
0,50000
МОм
± 0,010
R4
0,75000
МОм
± 0,010
R5
1,18000
МОм
± 0,017
«10 МОм»
R1
1,00000
МОм
± 0,05
R2
2,00000
МОм
± 0,04
R3
5,00000
МОм
± 0,04
R4
7,50000
МОм
± 0,04
R5
11,80000
МОм
± 0,04
«100 МОм»
R1
10,0000
МОм
± 0,9
R2
20,0000
МОм
± 0,9
R3
50,0000
МОм
± 0,9
R4
75,0000
МОм
± 0,9
R5
100,0000
МОм
± 0,8
Примечания
-
1 Значения, приведенные в графе «Допускаемая относительная погрешность измерений», соответствуют пределам допускаемой относительной погрешности (п. 1.2.2.17).
-
2 Во всех измеряемых приборами и регистрируемых значениях величин последняя (младшая) значащая цифра должна иметь порядок не старше, чем порядок последней (младшей) значащей цифры погрешности.
Проверку по данному пункту выполнять следующим образом:
-
1) собрать схему в соответствии с рисунком Б.6 приложения Б;
-
2) на управляющей панели «Поверка МЦММ1» в меню «Проверка» выбрать пункт «Проверка диапазонов и погрешности измерений сопротивления постоянному току» и нажать клавишу «Старт»;
ФТКС.468266.066РЭ
Лист
40
Изм.
Лист
№ Докум.
ПоДп.
Дата
-
3) выполнять действия в соответствии с указаниями программы поверки до завершения поверки по данному пункту.
По окончании проверки отсоединить измерительные кабели от мезонина.
Результат проверки считать положительным, если при выполнении проверки не было сообщений об ошибке и после завершения проверки в окне «Протокол проверки» была выведена надпись «ТЕСТ «Проверка относительной погрешности измерений сопротивления постоянному току» - НОРМА».
Примечания
1 Сообщение «НОРМА» выдаётся, если для каждой проверяемой точки полученное значение относительной погрешности измерений не превышает значения допускаемой относительной погрешности измерений, приведенной в таблице 5.5.
2 Относительная погрешность измерений 5Rx вычисляется по формуле
5Rx = ((Иизм - Rзg) / R3g)) • 100%,
где Rизм R3g - |
- измеренное значение сопротивления; заданное значение сопротивления. |
-
5.6.3.1.5 Определение относительной погрешности измерений напряжения переменного тока выполнять для всех диапазонов измерений напряжения мезонина, а также значений напряжения, указанных в графе «Устанавливаемые значения» таблицы 5.6, на указанных в таблице 5.6 частотах с учетом условия, приведенного в примечании 5 к таблице 1.10. Проверку в точках, для которых вместо допуска стоит прочерк (-) не проводить.
Инв. № поДл. ПоДп. и Дата Взам. инв. № Инв. № Дубл. ПоДп. и Дата
6761 23.12.15
Таблица 5.6
Диапазон
Точка измерения
Устанавлива
емое значение
Допускаемая относительная погрешность измерений, %
значение
ед. изм.
при частоте
5 Гц
10 Гц
1 к Гц
10 кГц
20 кГц
30 кГц
50 кГц
100 кГц
200 кГц
300 кГц
«100 мВ»
U1
10,0000
мВ
± 1,1*
± 0,5
± 0,5
± 0,5
± 0,5
± 0,7
± 0,7
± 1,4
-
± 10*
U2
20,0000
мВ
± 0,8*
± 0,25
± 0,25
± 0,25
± 0,25
± 0,4
± 0,4
± 1,0
-
± 8*
U3
50,0000
мВ
± 0,7*
± 0,13
± 0,13
± 0,13
± 0,13
± 0,21
± 0,21
± 0,8
-
± 6*
U4
75,0000
мВ
± 0,6*
± 0,11
± 0,11
± 0,11
± 0,11
± 0,18
± 0,18
± 0,7
-
± 6*
U5
118,0000
мВ
± 0,6*
± 0,09
± 0,09
± 0,09
± 0,09
± 0,16
± 0,16
± 0,7
-
± 6*
«1 В»
U1
0,10000
В
± 1,1*
± 0,5
± 0,5
± 0,5
± 0,5
± 0,7
± 0,7
± 1,4
-
± 10*
U2
0,20000
В
± 0,8*
± 0,25
± 0,25
± 0,25
± 0,25
± 0,4
± 0,4
± 1,0
-
± 8*
U3
0,50000
В
± 0,7*
± 0,13
± 0,13
± 0,13
± 0,13
± 0,21
± 0,21
± 0,8
-
± 6*
U4
0,75000
В
± 0,6*
± 0,11
± 0,11
± 0,11
± 0,11
± 0,18
± 0,18
± 0,7
-
± 6*
U5
1,18000
В
± 0,6*
± 0,09
± 0,09
± 0,09
± 0,09
± 0,16
± 0,16
± 0,7
-
± 6*
«10 В»
U1
1,00000
В
± 1,1*
± 0,5
± 0,5
± 0,5
± 0,5
± 0,7
± 0,7
± 1,4
-
± 10*
U2
2,00000
В
± 0,8*
± 0,25
± 0,25
± 0,25
± 0,25
± 0,4
± 0,4
± 1,0
-
± 8*
U3
5,00000
В
± 0,7*
± 0,13
± 0,13
± 0,13
± 0,13
± 0,21
± 0,21
± 0,8
-
± 6*
U4
7,50000
В
± 0,6*
± 0,11
± 0,11
± 0,11
± 0,11
± 0,18
± 0,18
± 0,7
-
± 6*
U5
11,80000
В
± 0,6*
± 0,09
± 0,09
± 0,09
± 0,09
± 0,16
± 0,16
± 0,7
-
± 6*
«100 В»
U1
10,0000
В
± 1,1*
± 0,5
± 0,5
± 0,5
± 0,5
± 0,7
± 0,7
± 1,4
-
± 10*
U2
20,0000
В
± 0,8*
± 0,25
± 0,25
± 0,25
± 0,25
± 0,4
± 0,4
± 1,0
-
± 8*
U3
75,0000
В
-
± 0,11
± 0,11
± 0,11
± 0,11
± 0,18
± 0,18
-
± 6*
± 6*
U4
100,0000
В
-
± 0,08
-
-
-
-
± 0,16
± 0,7
-
-
118,0000
-
-
± 0,09
± 0,09
± 0,09
± 0,16
-
-
-
-
«300 В»
U1
150,0000
В
-
-
± 0,23
± 0,23
± 0,23
± 0,5
± 0,5*
± 1,1*
-
-
U2
190,0000
В
-
-
± 0,20
± 0,20
± 0,20
± 0,4
± 0,4*
± 1,0*
-
-
U3
290,0000
В
-
-
± 0,15
± 0,15
± 0,15
± 0,28
-
-
-
-
Изм.
Лист
№ Докум.
ПоДп.
Дата
Лист
Инв. № поДл. ПоДп. и Дата Взам. инв. № Инв. № Дубл. ПоДп. и Дата
6761 23.12.15
Примечания
1 Значения, приведенные в графе «Допускаемая относительная погрешность измерений», соответствуют пределам допускаемой основной относительной погрешности (п. 1.2.2.23).
2 Во всех измеряемых приборами и регистрируемых значениях величин последняя (младшая) значащая цифра должна иметь порядок не старше, чем порядок последней (младшей) значащей цифры погрешности.
-
3 Проверка в точках, для которых рядом с допуском стоит звёздочка (*), проводится при помощи генератора Г3-123. Для остальных точек проверка проводится при помощи калибратора FLUKE 9100E.
Проверку по данному пункту выполнять следующим образом:
-
1) собрать схему в соответствии с рисунком Б.1 приложения Б;
-
2) на управляющей панели «Поверка МЦММ1» в меню «Проверка» выбрать пункт «Проверка диапазонов и погрешности измерений напряжения переменного тока» и нажать клавишу «Старт»;
-
3) выполнять действия в соответствии с указаниями программы поверки до завершения поверки по данному пункту.
По окончании проверки отсоединить измерительные кабели от мезонина.
Результат проверки считать положительным, если при выполнении проверки не было сообщений об ошибке и после завершения проверки в окне «Протокол проверки» была выведена надпись «ТЕСТ «Проверка относительной погрешности измерений напряжения переменного тока» - НОРМА».
Примечания
1 Проверка в точках, для которых в таблице 5.6 рядом с допуском стоит звёздочка (*), проводится при помощи генератора Г3-123 по схемам подключения, изображённым на рисунках Б.2 и Б.3 приложения Б. Программа поверки выдаёт указания о применении требуемой схемы подключения.
2 Сообщение «НОРМА» выдаётся, если для каждой проверяемой точки полученное значение относительной погрешности измерений не превышает значения допускаемой относительной погрешности измерений, приведенной в таблице 5.6.
-
3 Относительная погрешность измерений 5Ux вычисляется по формуле
5Ux = ((иизм - изд) / изд) • 100%,
где иизм - измеренное значение напряжения;
изд - заданное значение напряжения.
-
5.6.3.1.6 Определение относительной погрешности измерений силы переменного тока выполнять для всех диапазонов измерений мезонина, а также значений тока, указанных в графе «Устанавливаемые значения» таблицы 5.7, на указанных частотах.
Таблица 5.7
Диапазон
Точка измерения
Устанавливаемое значение, А
Допускаемая относительная погрешность измерений, %
при частоте
10 Гц
1 кГц
5 кГц
«1 А»
I1
0,10000
± 0,6
± 0,6
± 0,8
I2
0,20000
± 0,4
± 0,4
± 0,6
ФТКС.468266.066РЭ
Лист
42
Изм.
Лист
№ Докум.
ПоДп.
Дата
I3
0,50000
± 0,23
± 0,23
± 0,5
I4
0,75000
± 0,21
± 0,21
± 0,5
I5
1,15000
± 0,19
± 0,19
± 0,5
«3 А»
I1
0,30000
± 1,4
± 1,4
± 1,6
I2
0,75000
± 1,0
± 1,0
± 1,3
I3
1,00000
± 1,0
± 1,0
± 1,2
I4
2,00000
± 0,9
± 0,9
± 1,1
I5
2,90000
± 0,9
± 0,9
± 0,9
Продолжение таблицы 5.7
Примечания
-
1 Значения, приведенные в графе «Допускаемая относительная погрешность измерений», соответствуют пределам допускаемой основной относительной погрешности (п. 1.2.2.25).
-
2 Во всех измеряемых приборами и фиксируемых значениях величин последняя (младшая) значащая цифра должна иметь порядок не старше, чем порядок последней (младшей) значащей цифры погрешности.
Инв. № поДл. ПоДп. и Дата Взам. инв. № Инв. № Дубл. ПоДп. и Дата
6761 23.12.15
Проверку по данному пункту выполнять следующим образом:
-
1) собрать схему в соответствии с рисунком Б.7 приложения Б;
-
2) на управляющей панели «Поверка МЦММ1» в меню «Проверка» выбрать пункт «Проверка диапазонов и погрешности измерений силы переменного тока» и нажать клавишу «Старт»;
-
3) выполнять действия в соответствии с указаниями программы поверки до завершения поверки по данному пункту.
По окончании проверки отсоединить измерительные кабели от мезонина.
Результат проверки считать положительным, если при выполнении проверки не было сообщений об ошибке и после завершения проверки в окне «Протокол проверки» была выведена надпись «ТЕСТ «Проверка относительной погрешности измерений силы переменного тока» - НОРМА».
Примечания
-
1 Сообщение «НОРМА» выдаётся, если для каждой проверяемой точки полученное значение относительной погрешности измерений не превышает значения допускаемой относительной погрешности измерений, приведенной в таблице 5.7.
-
2 Относительная погрешность измерений 51х вычисляется по формуле
51х = ((1изм - 1зд)/ 1зд) • 100%,
где 1изм - измеренное значение силы тока;
1зд - заданное значение силы тока.
-
5.6.3.1.7 Определение относительной погрешности измерений частоты выполнять для всех значений частоты, указанных в графе «Проверяемые значения» таблицы 5.8.
Изм.
Лист
№ Докум.
ПоДп.
Дата
ФТКС.468266.066РЭ
Лист
43
Таблица 5.8
Проверяемые значения частоты |
Допускаемая относительная погрешность измерений, % |
3,000 Гц |
± 0,05 |
8,000 Гц |
± 0,05 |
20,000 Гц |
± 0,03 |
100,00 Гц |
± 0,03 |
1,0000 кГц |
± 0,03 |
10,000 кГц |
± 0,03 |
50,000 кГц |
± 0,01 |
100,000 кГц |
± 0,01 |
300,000 кГц |
± 0,01 |
Продолжение таблицы 5.8
Примечания
-
1 Значения, приведенные в графе «Допускаемая относительная погрешность измерений», соответствуют пределам допускаемой относительной погрешности (п. 1.2.2.29).
-
2 Во всех измеряемых приборами и регистрируемых значениях величин последняя (младшая) значащая цифра должна иметь порядок не старше, чем порядок последней (младшей) значащей цифры погрешности.
Инв. № поДл. ПоДп. и Дата Взам. инв. № Инв. № Дубл. ПоДп. и Дата
6761 23.12.15
Проверку по данному пункту выполнять следующим образом:
-
1) собрать схему в соответствии с рисунком Б.8 приложения Б;
-
2) на управляющей панели «Поверка МЦММ1» в меню «Проверка» выбрать пункт «Проверка погрешности измерений частоты периодического сигнала» и нажать клавишу «Старт»;
-
3) выполнять действия в соответствии с указаниями программы поверки до завершения проверки по данному пункту.
По окончании проверки отсоединить измерительные кабели от мезонина.
Результат проверки считать положительным, если при выполнении проверки не было сообщений об ошибке и после завершения проверки в окне «Протокол проверки» была выведена надпись «ТЕСТ «Проверка относительной погрешности измерений частоты периодического сигнала» - НОРМА».
Примечания
-
1 Сообщение «НОРМА» выдаётся, если для каждой проверяемой точки полученное значение относительной погрешности измерений не превышает значения допускаемой относительной погрешности измерений, приведенной в таблице 5.8.
-
2 Относительная погрешность измерений 5Fx вычисляется по формуле
5Fx = ((Еизм - Fзд) / Fзд) • 100%,
где Fизм - измеренное значение частоты;
Fзд - заданное значение частоты.
Изм. |
Лист |
№ Докум. |
ПоДп. |
Дата |
ФТКС.468266.066РЭ
Лист
44
5.7 Обработка результатов измерений
5.7.1 Обработка результатов измерений, полученных экспериментально, осуществляется в соответствии с ГОСТ 8.207.
5.7.2 Результаты измерений заносятся в файл протокола, содержащий информацию о выполнении поверки по методике, изложенной в разделе 5.
5.8 Оформление результатов поверки
Инв. № поДл. ПоДп. и Дата Взам. инв. № Инв. № Дубл. ПоДп. и Дата
6761 23.12.15
-
5.8.1 Для измеряемой величины в протоколе указываются:
-
1) результат измерения величины;
-
2) значение погрешности измерений, рассчитанное при обработке результатов измерений;
-
3) предел допускаемой погрешности для каждого измеренного значения измеряемой величины;
-
4) результат сравнения значения погрешности измерений, рассчитанного при обработке результатов измерений, с пределами допускаемой погрешности.
-
5.8.2 Результаты поверки оформляются в соответствии с ПР 50.2.006. При положительных результатах поверки на модуль выдаётся свидетельство установленной формы. В случае отрицательных результатов поверки применение модуля запрещается, на него выдаётся извещение о непригодности к применению с указанием причин.
Изм. |
Лист |
№ Докум. |
ПоДп. |
Дата |
Лист
Приложение А (обязательное) | |
Вид |
лицевой панели мезонина и назначение соединителей мезонина |
А.1
Внешний вид лицевой панели мезонина МЦММ1 приведен на рисунке А.1

SHI SLO

г HI
г LO


МЦММ1
Рисунок А.1 - Вид лицевой панели мезонина
Инв. № поДл. ПоДп. и Дата Взам. инв. № Инв. № Дубл. ПоДп. и Дата
6761 23.12.15
А.1
Назначение соединителей мезонина МЦММ1 приведено в таблице А.1.
Таблица А.1
Наименование соединителя |
Тип соединителя |
Назначение соединителя |
ПУСК |
Гнездо BNC 31-5486 (Amphenol) |
Вход внешнего сигнала, запускающего измерение. |
ГОТОВ |
Выход сигнала завершения измерения | |
SHI |
Клемма 65.9098-22 (SLB2-F2.8, красная) (Multi-Contact) |
Сенсорный вход высокого потенциала для измерения сопротивления постоянному току по четырёхпроводной схеме. |
SLO |
Клемма 65.9098-21 (SLB2-F2.8, чёрная) (Multi-Contact) |
Сенсорный вход низкого потенциала для измерения сопротивления постоянному току по четырёхпроводной схеме. |
Изм. |
Лист |
№ Докум. |
ПоДп. |
Дата |
Лист
Продолжение таблицы А.1
HI |
Клемма 65.9098-22 (SLB2-F2.8, красная) (Multi-Contact) |
|
LO |
Клемма 65.9098-21 (SLB2-F2.8, чёрная) (Multi-Contact) |
Общий вход (клемма низкого потенциала). |
I |
Клемма 65.9098-22 (SLB2-F2.8, красная) (Multi-Contact) |
|
Инв. № поДл. ПоДп. и Дата Взам. инв. № Инв. № Дубл. ПоДп. и Дата
6761 23.12.15
А.2 Для измерения напряжения постоянного тока измеряемое напряжение должно подключаться к клеммам «HI» (клемма высокого потенциала) и «LO» (клемма низкого потенциала).
А.3 Для измерения напряжения переменного тока и частоты сигнала измеряемое напряжение или сигнал должны подключаться к клеммам «HI» и «LO».
А.4 Для измерения силы постоянного тока измеряемая цепь должна подключаться к клеммам «I» (клемма высокого потенциала) и «LO» (клемма низкого потенциала).
А.5 Для измерения силы переменного тока измеряемая цепь должна подключаться к клеммам «I» и «LO».
А.6 Для измерения сопротивления постоянному току по двухпроводной схеме измеряемое сопротивление должно подключаться к клеммам «HI» и «LO».
А.7 Для измерения сопротивления постоянному току по четырёхпроводной схеме провода протекания стабильного тока должны подключаться к клеммам «HI» и «LO». Измерительные провода (передающие падение напряжения) должны подключаться к клеммам «SHI» (клемма высокого потенциала) и «SLO» (клемма низкого потенциала).
Примечание - В режиме измерения сопротивления постоянному току стабильный ток опроса протекает по внешней цепи от клеммы «HI» к клемме «LO».
Изм. |
Лист |
№ Докум. |
ПоДп. |
Дата |
ФТКС.468266.066РЭ
Лист
47
Приложение Б (обязательное) Схемы поверки

Рисунок Б.1 - Схема проверки погрешности измерений напряжения постоянного тока во всех точках и напряжения переменного тока в точках, обеспечиваемых калибратором 9100E
Инв. № поДл. ПоДп. и Дата Взам. инв. № Инв. № Дубл. ПоДп. и Дата
6761 23.12.15
Кабель H4-SLS20

Рисунок Б.2 - Схема проверки погрешности измерений напряжения переменного тока при помощи генератора Г3-123 при напряжении проверки до 20 В включительно
Изм. |
Лист |
№ Докум. |
ПоДп. |
Дата |
Лист

Рисунок Б.3 - Схема проверки погрешности измерений напряжения переменного тока при помощи генератора Г3-123 при напряжении проверки свыше 20 В
Инв. № поДл. ПоДп. и Дата Взам. инв. № Инв. № Дубл. ПоДп. и Дата
6761 23.12.15

Рисунок Б.4 - Схема проверки погрешности измерений силы постоянного тока до 1 А

Рисунок Б.5 - Схема проверки погрешности измерений силы постоянного тока от 1 до 3 А
Изм. |
Лист |
№ Докум. |
ПоДп. |
Дата |
Лист

«3»
Магазин сопротивлений P40108
«6»

\\ |
«Н1» Мультиметр «LO» |
3458A | |
// XX | |||
// | |||
XX |
«Q SENSE |
(4WIRE |
) HI» |
// | |||
XX |
«Q SENSE «Н1» |
(4WIRE |
) LO» |
// |
Рисунок Б.6 - Схема проверки погрешности измерений сопротивления постоянному току по четырёхпроводной схеме измерения
Инв. № поДл. ПоДп. и Дата Взам. инв. № Инв. № Дубл. ПоДп. и Дата
6761 23.12.15

Кабели из комплекта 3458А
Рисунок Б.7 - Схема проверки погрешности измерений силы переменного тока
Изм. |
Лист |
№ Докум. |
ПоДп. |
Дата |
Лист
«HI» Калибратор 9100E «LO» |
«-к /* ?■ >-' SL205/SLS410 |
«HI» Мезонин ЦММ1 «LO» |
«к >-к> |
Рисунок Б.8 - Схема проверки погрешности измерений частоты
Инв. № поДл. ПоДп. и Дата Взам. инв. № Инв. № Дубл. ПоДп. и Дата
6761 23.12.15
ФТКС.468266.066РЭ |
Лист | |||||
51 | ||||||
Изм. |
Лист |
№ Докум. |
ПоДп. |
Дата |
Инв. № поДл. ПоДп. и Дата Взам. инв. № Инв. № Дубл. ПоДп. и Дата
6761 23.12.15
Приложение В
(справочное)
Порядок запуска программ на исполнение
В.1 После каждого включения крейта, в котором установлен мезонин, перед запуском программы проверки необходимо запустить на исполнение программу - менеджер ресурсов VXI.
В.2 Для запуска программы-менеджера ресурсов VXI («Resource Manager») в среде Windows необходимо выбрать из меню «Пуск» в подменю ПО интерфейса VXI ярлык этой программы.
В.3 Запуск на исполнение любой программы из меню «Пуск»:
В меню «Пуск» необходимо выбрать подменю «Выполнить». В появившемся окне необходимо нажать кнопку «Обзор». В окне «Обзор» необходимо выбрать диск и папку местонахождения файла запускаемой программы и, отметив файл запуска, нажать кнопку «Открыть». При этом сведения о размещении исполняемого файла перемещаются в командную строку окна «Запуск программы». Затем необходимо нажать на кнопку «ОК», программный файл запустится на исполнение.
В.4 Запуск на исполнение любой программы из программы «Проводник»: Из меню «Пуск», в подменю «Программы», выбрать программу «Проводник». В раскрывшемся окне необходимо выбрать диск и папку местонахождения файла запускаемой программы. Установить указатель манипулятора типа «мышь» (далее по тексту - «мышь») на файл программы и дважды нажать на левую кнопку «мыши».
В.5 Упростить запуск программ можно поместив ярлыки к ним на «рабочем столе» экрана. Для этого необходимо обратиться к справочной системе Windows.
Для запуска программы на исполнение достаточно установить указатель «мыши» на ярлык программы и дважды нажать левую кнопку «мыши».
В.6 Перед запуском программ с расширением .hdb необходимо загрузить программу HardDebug.exe.
В.7 В случае использования программ проверки модулей, после запуска программ необходимо выбрать инструменты (модули, мезонины) для проверки, для чего:
-
- на панели «Выбор инструмента» установить указатель «мыши» на
название инструмента и отметить его (нажать левую кнопку «мыши»);
-
- нажать кнопку «Выбрать».
ФТКС.468266.066РЭ
Лист
52
Изм.
Лист
№ Докум.
ПоДп.
Дата
Приложение Г
(справочное)
Описание программы «ppvmcmm1.exe»
Г.1 Назначение программы «ppvMCMM1.exe»
Программа поверки «ppvMCMM1.exe» (далее - программа поверки) предназначена для:
-
- проведения поверки мезонина МЦММ1;
-
- ведения протокола поверки.
Г.2. Работа с программой поверки
Г.2.1 Возможности программы проверки
следующие действия:
Программа поверки позволяет выполнять
-
- создать файл протокола;
-
- выбрать тип поверки из предлагаемого
-
- производить проверку мезонина. При этом программа поверки выдаёт все
указания по подключению измерительных приборов и их конфигурации порядке ввода измеренных значений, а также автоматически конфигурацию мезонина в соответствии с пунктом проверки;
-
- вести файл протокола поверки. Заполнение файла протокола
производится автоматически в процессе самой
-
- просмотр и вывод на печать файла протокола.
списка;
поверки;
,
выполняет
Инв. № поДл. ПоДп. и Дата Взам. инв. № Инв. № Дубл. ПоДп. и Дата
6761 23.12.15
Г.2.2 Создание файла протокола
«Выбор файла
, с помощью которого можно выбрать либо уже имеющийся либо создать новый файл. Файл протокола имеет расширение
При открытии программы поверки появляется окно протокола» протокола, «.log».
Вызов
«Протокол»
Очистка содержимого файла протокола производится из меню (Протокол Очистить
файл
окна «Выбор файла протокола» также можно произвести из меню (Протокол Назначить файл протокола).
Г.2.3 Проведение
«Протокол»
файл протокола).
поверки
Поверка мезонина
относительной
-
- Проверка
тока;
-
- Проверка
-
- Проверка
включает в себя следующие проверки: погрешности
относительной относительной
постоянному току;
-
- Проверка
тока;
-
- Проверка
-
- Проверка
относительной
относительной относительной
сигнала.
Изм. |
Лист |
№ Докум. |
ПоДп. |
Дата |
измерений
напряжения
постоянного
погрешности
погрешности
погрешности
погрешности
погрешности
измерений измерений
измерений
измерений измерений
силы постоянного тока;
сопротивления
напряжения переменного
силы переменного тока; частоты периодического
Лист
Выбор каждой проверки выполнять из меню «Проверка». После выбора типа проверки на панели появляются органы управления, необходимые для проведения данной проверки.
Для проведения проверки необходимо нажать клавишу «Старт» и выполнять все указания программы.
Все результаты проверки отображаются в окне «Протокол проверки» и автоматически сохраняются в назначенном ранее файле протокола.
После выполнения всех действий, предусмотренных выбранным пунктом, проверка останавливается.
Для прекращения проверки необходимо нажать клавишу «Стоп». При этом все накопленные в процессе проверки данные сохраняются в назначенном ранее файле протокола.
Г.2.4 Просмотр и вывод на печать файла протокола
Для просмотра файла протокола необходимо в меню «Протокол» выбрать строку «Просмотр файла протокола».
Для печати протокола необходимо в меню «Протокол» выбрать строку «Печать».)
Инв. № поДл. ПоДп. и Дата Взам. инв. № Инв. № Дубл. ПоДп. и Дата
6761 23.12.15
ФТКС.468266.066РЭ |
Лист | |||||
54 | ||||||
Изм. |
Лист |
№ Докум. |
ПоДп. |
Дата |
Д.1 Общие положения
Приложение Д (обязательное) Калибровка
Д.1.1 Калибровка мезонина производится с целью обеспечения мезонином требуемых значений погрешностей измерений.
Д.1.2 Перед калибровкой мезонина необходимо выполнить следующие действия:
1) установить мезонин в крейт, включить ПЭВМ и крейт, запустить на исполнение программу менеджер ресурсов и программу TMDMM1.exe, входящую в состав ПО управляющей панели. После открытия программы, выдержать мезонин во включенном состоянии не менее 10 мин;
2) на программной панели открыть панель «Калибровка» (меню «Инструмент» -> строка «Калибровка»);
3) включить приборы (калибратор, мультиметр 3458A) и выдержать их во включённом состоянии в течение времени, необходимого для их прогрева. Запустить автокалибровку мультеметра 3458А и ожидать её завершения.
Д.1.3 Калибровку мезонина для каждого режима выполнять в соответствии с методикой, приведенной ниже для этого режима.
Д.2 Калибровка измерителя напряжения постоянного тока
Инв. № поДл. ПоДп. и Дата Взам. инв. № Инв. № Дубл. ПоДп. и Дата
6761 23.12.15
Д.2.1 Калибровку измерителя напряжения постоянного тока выполнять в следующей последовательности:
-
1) собрать рабочее место в соответствии с рисунком Д.1;
-
2) установить мультиметр 3458A в режим измерения напряжения постоянного
-
3) на панели
-
4) на панели
-
5) выполнить
-
6) выполнить установить на выходе калибратора напряжение, равное 0 мВ, измерить и зарегистрировать установленное значение при помощи мультиметра 3458A с максимальной, обеспечиваемой мультиметром, точностью;
на панели «Калибровка» нажать клавишу «Нулевая точка» (клавиша должна стать активной, т. е. засветиться);
на панели «Калибровка» нажать клавишу «Запуск». При этом клавиша должна стать активной (клавиша засвечивается, а её наименование изменяется на «Измерение»). На появившейся панели в окно ввода ввести значение напряжения, измеренное мультиметром 3458A при выполнении действия а). Нажать клавишу «Ввод» и ожидать завершения калибровки точки. При успешном завершении калибровки панель ввода должна закрыться, а клавиша «Запуск» вернуться в исходное (неактивное) состояние;
тока с автоматическим «Калибровка» установить «Калибровка» установить калибровку ЦАП нуля (см. калибровку нулевой точки,
выбором диапазона; режим измерения - U=; диапазон «100 мВ»;
п. Д.8);
для чего:
б)
Изм. |
Лист |
№ Докум. |
ПоДп. |
Дата |
Лист
Инв. № поДл. ПоДп. и Дата Взам. инв. № Инв. № Дубл. ПоДп. и Дата
6761 23.12.15
-
7) выполнить калибровку верхней точки, для чего:
а) установить на выходе калибратора напряжение равное
+ 100 мВ, измерить и зарегистрировать установленное значение при помощи мультиметра 3458A с максимальной, обеспечиваемой мультиметром, точностью ;
б) на панели «Калибровка» нажать клавишу «Верхняя точка» (клавиша должна стать активной, т. е. засветиться);
в) на панели «Калибровка» нажать клавишу «Запуск». На появившейся панели в окно ввода ввести значение напряжения, измеренное мультиметром 3458A при выполнении действия а). Нажать клавишу «Ввод» и ожидать завершения калибровки точки;
-
8) выполнить калибровку нижней точки, для чего:
а) установить на выходе калибратора напряжение равное минус 100 мВ, измерить и зарегистрировать установленное значение при помощи мультиметра 3458A с максимальной, обеспечиваемой мультиметром, точностью;
б) на панели «Калибровка» нажать клавишу «Нижняя точка» (клавиша должна стать активной, т. е. засветиться);
в) на панели «Калибровка» нажать клавишу «Запуск». На появившейся панели в окно ввода ввести значение напряжения, измеренное мультиметром 3458A при выполнении действия а). Нажать клавишу «Ввод», и ожидать завершения калибровки точки;
-
9) на панели «Калибровка» нажать клавишу «Ввод». По данному действию производится рассчёт смещения и коэффициентов для откалиброванного диапазона;
-
10)выполнить калибровку остальных диапазонов, для чего при калибровке каждого нового диапазона повторить действия 4) - 9), при этом:
а) при выполнении действия 4) установить калибруемый диапазон;
б) при выполнении действия а) перечисления 7) установить положительное значение, а при выполнении действия а) перечисления 8) - отрицательное значение напряжения, абсолютное значение которого для соответствующего диапазона приведено в таблице Д.1.
Таблица Д.1
Диапазон |
Устанавливаемое значение, В |
«1 В» |
1 |
«10 В» |
10 |
«100 В» |
100 |
«400 В» |
390 |
-
11) по завершении калибровки произвести запись в РПЗУ (см. п. Д.9).
Д.3 Калибровка измерителя напряжения переменного тока
Д.3.1 Калибровку измерителя напряжения переменного тока следующей последовательности:
1) собрать рабочее место в соответствии с рисунком Д.1;
выполнять
Изм. |
Лист |
№ Докум. |
ПоДп. |
Дата |
ФТКС.468266.066РЭ
Лист
56
Инв. № поДл. ПоДп. и Дата Взам. инв. № Инв. № Дубл. ПоДп. и Дата
6761 23.12.15
Изм.
установить мультиметр 3458A в режим измерения напряжения
переменного тока со следующими установками: метод измерения -синхронный, фильтр - включен;
на панели «Калибровка» установить режим измерения - U~;
на панели «Калибровка» установить диапазон «100 мВ»;
на панели «Калибровка» установить галочку в окне «Начальный этап»; установить на выходе калибратора напряжение равное 0 В, и выполнить калибровку ЦАП нуля (см. п. Д.8);
выполнить калибровку нулевой точки, для чего:
а) установить на выходе калибратора напряжение равное
10 мВ. Форма напряжения - синусоида, частота - 1 кГц. Измерить и зарегистрировать установленное значение при помощи мультиметра 3458A на диапазоне «10 мВ» с максимальной, обеспечиваемой мультиметром, точностью;
б) на панели «Калибровка» нажать клавишу «Нулевая точка» (клавиша должна стать активной, т. е. засветиться);
в) на панели «Калибровка» нажать клавишу «Запуск». На появившейся панели в окно ввода ввести значение напряжения, измеренное мультиметром 3458A при выполнении действия а). Нажать клавишу «Ввод», и ожидать завершения калибровки точки;
выполнить калибровку верхней точки, для чего:
а) установить на выходе калибратора напряжение переменного тока равное 100 мВ. Форма напряжения - синусоида, частота - 1 кГц. Измерить и зарегистрировать установленное значение при помощи мультиметра 3458A на диапазоне «100 мВ» с максимальной, обеспечиваемой мультиметром, точностью;
б) на панели «Калибровка» нажать клавишу «Верхняя точка» (клавиша должна стать активной, т. е. засветиться);
в) на панели «Калибровка» нажать клавишу «Запуск». На появившейся панели в окно ввода ввести значение напряжения, измеренное мультиметром 3458A при выполнении действия а). Нажать клавишу «Ввод», и ожидать завершения калибровки точки;
на панели «Калибровка» нажать клавишу «Ввод»;
выполнить калибровку ЦАП частотной коррекции (ЧК), для чего:
а) на панели «Калибровка» нажать клавишу «ЦАП ЧК» (клавиша должна стать активной, т. е. засветиться);
б) не меняя значения напряжения на выходе калибратора, установить частоту 20 кГц;
в) в окно «Входное U» ввести значение напряжения, измеренное мультиметром 3458A, и нажать клавишу «Enter» на клавиатуре ПК;
г) на панели «Калибровка» нажать клавишу «Запуск», и ожидать окончания калибровки. Продолжительность калибровки ЦАП ЧК -не более 20 с. При успешном завершении калибровки выдаётся сообщение «Калибровка завершена успешно». Закрыть окно сообщений;
повторить действия 7) - 10);
повторить действия 7) - 9);
выполнить калибровку остальных диапазонов, для чего при калибровке каждого нового диапазона повторить действия 4) - 12), при этом:
а) при выполнении действия 4) установить калибруемый диапазон;
б) при выполнении действия а) перечисления 7) установить для соответствующего диапазона значение напряжения, приведенное в таблице Д.2.
Лист
Лист
№ Докум.
ПоДп.
Дата
Таблица Д.2
Диапазон |
Устанавливаемое значение, В |
«1 В» |
0,1 |
«10 В» |
1 |
«100 В» |
10 |
«300 В» |
30 |
в) при выполнении действия а) перечисления 8) установить для соответствующего диапазона значение напряжения, приведенное в таблице Д.3.
Таблица Д.3
Диапазон |
Устанавливаемое значение, В |
«1 В» |
1 |
«10 В» |
10 |
«100 В» |
100 |
«300 в» |
290 |
г) все измерения, выполняемые мультиметром 3458А производить на диапазоне, обеспечивающем наилучшую точность измерений в измеряемой точке;
14)по завершению калибровки произвести запись в РПЗУ (см. п. Д.9).
Д.4 Калибровка измерителя силы постоянного тока
Инв. № поДл. ПоДп. и Дата Взам. инв. № Инв. № Дубл. ПоДп. и Дата
6761 23.12.15
Д.4.1 Калибровку измерителя силы постоянного тока выполнять в следующей последовательности:
1) собрать рабочее место в соответствии с рисунком Д.2;
2) установить мультиметр 3458A в режим измерения силы постоянного тока; на панели на панели выполнить выполнить установить на выходе калибратора постоянный ток, равный 0 мА, измерить и зарегистрировать установленное значение при помощи мультиметра 3458A на диапазоне «10 мА» с максимальной, обеспечиваемой мультиметром, точностью;
на панели «Калибровка» нажать клавишу «Нулевая должна стать активной, т. е. засветиться); на панели «Калибровка» нажать клавишу «Запуск» панели в окно ввода ввести значение силы тока, мультиметром 3458A при выполнении действия а). «Ввод», и ожидать завершения калибровки точки;
выполнить калибровку верхней точки, для чего:
а) установить на выходе калибратора ток равный + зарегистрировать установленное значение при помощи мультиметра 3458A на диапазоне «10 мА» с максимальной, обеспечиваемой мультиметром, точностью;
«Калибровка» установить режим измерения - I=; «Калибровка» установить диапазон «10 мА»; калибровку ЦАП нуля (см. п. Д.8);
калибровку нулевой точки, для чего:
7)
б)
точка» (клавиша
На появившейся измеренное Нажать клавишу
9 мА, измерить и
Изм. |
Лист |
№ Докум. |
ПоДп. |
Дата |
Лист
б) на панели «Калибровка» нажать клавишу «Верхняя точка» (клавиша должна стать активной, т. е. засветиться);
в) на панели «Калибровка» нажать клавишу «Запуск». На появившейся панели в окно ввода ввести значение силы тока, измеренное мультиметром при выполнении действия а). Нажать клавишу «Ввод», и ожидать завершения калибровки точки;
-
8) выполнить калибровку нижней точки, для чего:
а) установить на выходе калибратора ток равный минус 9 мА, измерить и зарегистрировать установленное значение при помощи мультиметра 3458A на диапазоне «10 мА» с максимальной, обеспечиваемой мультиметром, точностью;
б) на панели «Калибровка» нажать клавишу «Нижняя точка» (клавиша должна стать активной, т. е. засветиться);
в) на панели «Калибровка» нажать клавишу «Запуск». На появившейся панели в окно ввода ввести значение силы тока, измеренное мультиметром 3458A при выполнении действия а). Нажать клавишу «Ввод», и ожидать завершения калибровки точки;
-
9) на панели «Калибровка» нажать клавишу «Ввод». По данному действию производится рассчёт смещения и коэффициентов для откалиброванного диапазона;
-
10)выполнить калибровку остальных диапазонов, для чего при калибровке каждого нового диапазона повторить действия 4) - 9), при этом:
а) при выполнении действия 4) установить калибруемый диапазон;
б) при выполнении действия а) перечисления 7) установить положительное значение, а при выполнении действия а) перечисления 8) - отрицательное значение постоянного тока, абсолютное значение которого для соответствующего диапазона приведено в таблице Д.4.
Инв. № поДл. ПоДп. и Дата Взам. инв. № Инв. № Дубл. ПоДп. и Дата
6761 23.12.15
Таблица Д.4
Диапазон |
Устанавливаемое значение, А |
«0,1 А» |
0,09 |
«1 А» |
0,9 |
«3 А» |
1 |
11) по завершению калибровки произвести запись в РПЗУ (см. п. Д.9).
Д.5 Калибровка измерителя силы переменного тока
Д.5.1 Калибровку измерителя силы переменного тока выполнять в следующей последовательности:
-
1) собрать рабочее место в соответствии с рисунком Д.2;
-
2) установить мультиметр 3458A в режим измерения силы переменного тока;
-
3) на панели «Калибровка» установить режим измерения - I~:
-
4) на панели «Калибровка» установить диапазон «1 А»;
-
5) на панели «Калибровка» установить галочку в окне «Начальный этап»;
-
6) установить на выходе калибратора ток, равный 0 А, и выполнить калибровку ЦАП нуля (см. п. Д.8);
Изм. |
Лист |
№ Докум. |
ПоДп. |
Дата |
Лист
7)
б)
8)
б)
на
выполнить калибровку нулевой точки, а)
выполнить калибровку верхней точки, а)
для чего: установить на выходе калибратора переменный ток, равный 90 мА. Форма тока - синусоида, частота - 1 кГц. Измерить и зарегистрировать установленное значение при помощи мультиметра 3458A на диапазоне «100 мА» с максимальной, обеспечиваемой мультиметром, точностью; на панели «Калибровка» нажать клавишу «Нулевая должна стать активной, т. е. засветиться); на панели «Калибровка» нажать клавишу «Запуск» панели в окно ввода ввести значение силы тока, мультиметром 3458A при выполнении действия а). «Ввод», и ожидать завершения калибровки точки;
для чего: установить на выходе калибратора переменный тока равный 0,9 А. Форма тока - синусоида, частота - 1 кГц. Измерить и зарегистрировать установленное значение при помощи мультиметра 3458A на диапазоне «1 А» с максимальной, обеспечиваемой мультиметром, точностью; на панели «Калибровка» нажать клавишу «Верхняя должна стать активной, т. е. засветиться); на панели «Калибровка» нажать клавишу «Запуск» панели в окно ввода ввести значение силы тока, мультиметром 3458A при выполнении действия а). «Ввод», и ожидать завершения калибровки точки; панели «Калибровка» нажать клавишу «Ввод»;
точка» (клавиша
На появившейся измеренное Нажать клавишу
точка» (клавиша
На появившейся измеренное Нажать клавишу
-
9)
-
10) выполнить калибровку ЦАП частотной коррекции (ЧК) а)
для чего: (клавиша должна
Инв. № поДл. ПоДп. и Дата Взам. инв. № Инв. № Дубл. ПоДп. и Дата
6761 23.12.15
б)
, на панели «Калибровка» нажать клавишу «ЦАП ЧК» стать активной, т. е. засветиться);
не меняя значения тока на выходе калибратора, установить частоту 10 кГц;
в окно «Входное I» ввести значение силы тока, измеренное мультиметром 3458A и нажать клавишу «Enter» на клавиатуре ПК; на панели «Калибровка» нажать клавишу «Запуск» и ожидать окончания калибровки. Продолжительность калибровки ЦАП ЧК -не более 20 с. При успешном завершении калибровки выдаётся сообщение «Калибровка завершена успешно». Закрыть окно сообщений .
-
11) повторить
-
12) повторить
-
13) выполнить
4) - 12),
«3 А»;
п.
-
14) по завершению калибровки произвести запись в РПЗУ (см.
действия 7) - 10); действия 7) - 9);
калибровку диапазона «3 А», для чего повторить действия при этом при выполнении действия 4) установить диапазон
Д.6 Калибровка измерителя сопротивления постоянному току по двухпроводной схеме измерения.
Д.6.1 Калибровку измерителя сопротивления постоянному току по двухпроводной схеме измерения выполнять в следующей последовательности:
-
1) собрать рабочее место в соответствии с рисунком Д.3;
Изм.
Лист
№ Докум.
ПоДп.
Дата
ФТКС.468266.066РЭ
Лист
60
Инв. № поДл. ПоДп. и Дата Взам. инв. № Инв. № Дубл. ПоДп. и Дата
6761 23.12.15
-
2) включить мультиметр 3458А и установить его в режим измерения сопротивления по четырёхпроводной схеме с автоматической установкой диапазона. При помощи кабелей из комплекта поставки мультиметра организовать подключение мультиметра для измерения сопротивления по четырёхпроводной схеме;
-
3) на панели «Калибровка» установить режим измерения - R 2пр;
-
4) на панели «Калибровка» установить диапазон «100 Ом»;
-
5) выполнить калибровку ЦАП нуля (см. п. Д.8);
-
6) выполнить калибровку нулевой точки, для чего:
а) установить на магазине сопротивлений сопротивление, равное 0 Ом;
б) подсоединить кабели мультиметра 3458А к магазину сопротивлений;
в) измерить и зарегистрировать установленное значение при помощи мультиметра 3458A с максимальной, обеспечиваемой мультиметром, точностью;
г) отсоединить от магазина сопротивлений кабели мультиметра 3458А и подсоединить к этому магазину кабели мезонина;
д) на панели «Калибровка» нажать клавишу «Нулевая точка» (клавиша должна стать активной, т. е. засветиться);
е) на панели «Калибровка» нажать клавишу «Запуск». На появившейся панели в окно ввода ввести значение сопротивления, измеренное мультиметром 3458A при выполнении действия в). Нажать клавишу «Ввод», и ожидать завершения калибровки точки;
-
7) выполнить калибровку верхней точки, для чего:
а) установить на магазине сопротивлений сопротивление равное
100 Ом;
б) отсоединить от магазина сопротивлений кабели мезонина и подсоединить к этому магазину кабели мультиметра 3458А;
в) измерить и зарегистрировать установленное значение при помощи мультиметра 3458A с максимальной, обеспечиваемой мультиметром, точностью;
г) отсоединить от магазина сопротивлений кабели мультиметра 3458А и подсоединить к этому магазину кабели мезонина;
д) на панели «Калибровка» нажать клавишу «Верхняя точка» (клавиша должна стать активной, т. е. засветиться);
е) на панели «Калибровка» нажать клавишу «Запуск». На появившейся панели в окно ввода ввести значение сопротивления, измеренное мультиметром 3458A при выполнении действия в). Нажать клавишу «Ввод», и ожидать завершения калибровки точки;
-
8) на панели «Калибровка» нажать клавишу «Ввод». По данному действию производится рассчёт смещения и коэффициентов для откалиброванного диапазона;
-
9) выполнить калибровку в диапазонах «1 кОм», «10 кОм», «100 кОм»,
«1 МОм» и «10 МОм», для чего повторить действия 4) - 9), при этом:
а) при выполнении действия 4) установить калибруемый диапазон;
б) калибровку диапазонов «1 кОм», «10 кОм» и «100 кОм» выполнять при помощи магазина сопротивлений Р4834;
в) калибровку диапазонов «1 МОм» и «10 МОм» выполнять при помощи магазина сопротивлений Р40108. Во время проведения калибровки клемма «Э» (Экран) магазина сопротивлений должна быть заземлена;
г) при выполнении действия а) перечисления 6) установить для соответствующего диапазона значение сопротивления, указанное в таблице Д.5.
ФТКС.468266.066РЭ |
Лист | |||||
61 | ||||||
Изм. |
Лист |
№ Докум. |
ПоДп. |
Дата |
Таблица Д.5
Диапазон |
Устанавливаемое значение |
«1 кОм» |
1 кОм |
«10 кОм» |
10 кОм |
«100 кОм» |
100 кОм |
«1 МОм» |
1 МОм |
«10 МОм» |
10 МОм |
-
10)выполнить калибровку в диапазоне «100 МОм», для чего:
а) на панели «Калибровка» установить диапазон «100 МОм»;
б) отсоединить провода от входных клемм «HI» и «LO» мезонина;
в) на панели «Калибровка» нажать клавишу «Запуск». При успешном завершении калибровки выдаётся сообщение «Калибровка завершена успешно». Закрыть окно сообщений. В окне «Входное R» должно отобразиться значение сопротивления, находящееся в пределах 10 МОм ± 5 %;
-
11)по завершении калибровки произвести запись в РПЗУ (см. п. Д.9).
Инв. № поДл. ПоДп. и Дата Взам. инв. № Инв. № Дубл. ПоДп. и Дата
6761 23.12.15
Д.7 Калибровка измерителя сопротивления постоянному току по четырёхпроводной схеме измерения.
Д.7.1 Калибровку измерителя сопротивления постоянному току по четырёхпроводной схеме измерения выполнять в следующей последовательности:
-
1) собрать рабочее место в соответствии с рисунком Д.4. Включить мультиметр 3458А и установить его в режим измерения сопротивления по четырёхпроводной схеме с автоматической установкой диапазона. При помощи кабелей из комплекта поставки мультиметра организовать подключение мультиметра для измерения сопротивления по четырёхпроводной схеме.
При помощи четырёх кабелей SL205/SLS410 организовать подключение мезонина для измерения сопротивления по четырёхпроводной схеме.
-
2) на панели «Калибровка» установить режим измерения - R 4пр;
-
3) калибровку всех диапазонов, кроме диапазона «100 МОм», производить по методике калибровки измерителя сопротивлений по двухпроводной схеме измерения (см. действия 4) - 10) п. Д.6). Калибровка диапазона «100 МОм» для четырёхпроводной схемы измерения не производится.
-
4) по завершению калибровки произвести запись в РПЗУ (см. п. Д.9).
Д.8 Калибровка ЦАП нуля
Д.8.1 Калибровку ЦАП нуля выполнять в следующей последовательности:
-
1) на панели «Калибровка» нажать клавишу «ЦАП нуля» (клавиша должна стать активной, т. е. засветиться);
-
2) на панели «Калибровка» нажать клавишу «Запуск» и ожидать окончания калибровки. Продолжительность калибровки ЦАП нуля не более 30 с.
ФТКС.468266.066РЭ
Лист
62
Изм.
Лист
№ Докум.
ПоДп.
Дата
При успешном завершении калибровки выдаётся сообщение «Калибровка завершена успешно»;
-
3) закрыть окно сообщений.
Д.9 Запись в РПЗУ
Д.9.1 Для записи в РПЗУ необходимо нажать клавишу «Запись в РПЗУ» панели «Калибровка». Продолжительность записи в РПЗУ составляет около 10 с.
Запись в РПЗУ можно производить чаще, чем указано в методике калибровки, например, после калибровки каждого диапазона. Это позволит сохранить калибровочные данные при возникновении сбоев в аппаратуре.
Инв. № поДл. ПоДп. и Дата Взам. инв. № Инв. № Дубл. ПоДп. и Дата
6761 23.12.15
ФТКС.468266.066РЭ |
Лист | |||||
63 | ||||||
Изм. |
Лист |
№ Докум. |
ПоДп. |
Дата |
Схемы рабочего места

Рисунок Д.1 - Схема рабочего места для калибровки измерителя напряжения постоянного и напряжения переменного тока
Инв. № поДл. ПоДп. и Дата Взам. инв. № Инв. № Дубл. ПоДп. и Дата
6761 23.12.15

Рисунок Д.2 - Схема рабочего места для калибровки измерителя силы постоянного и силы переменного тока.
Изм. |
Лист |
№ Докум. |
ПоДп. |
Дата |
Лист

Рисунок Д.3 - Схема постоянному току по
рабочего места для калибровки измерителя сопротивления двухпроводной схеме измерения.
Инв. № поДл. ПоДп. и Дата Взам. инв. № Инв. № Дубл. ПоДп. и Дата
6761 23.12.15
SL205/SLS410

Рисунок Д.4 - Схема рабочего места для калибровки измерителя сопротивления постоянному току по четырёхпроводной схеме измерения
Изм. |
Лист |
№ Докум. |
ПоДп. |
Дата |
Лист
Приложение Е
(справочное)
Перечень обозначений и сокращений
Е.1 Сокращения
АВД - автоматический выбор диапазона
АВВС - автоматический выбор входного сопротивления
АПН - автоматическая подстройка нуля
АЦП - аналого-цифровой преобразователь
ОЗУ - оперативное запоминающее устройство
ОТК - отдел технического контроля
ППС - период синусоидального напряжения питающей сети РЭ - руководство по эксплуатации
ФНЧ - фильтр низкой частоты
Инв. № поДл. ПоДп. и Дата Взам. инв. № Инв. № Дубл. ПоДп. и Дата
6761 23.12.15
Лист
Изм.
Лист
№ Докум.
ПоДп.
Дата
Инв. № поДл. ПоДп. и Дата Взам. инв. № Инв. № Дубл. ПоДп. и Дата
6761 23.12.15
Лист регистрации изменений
Изм. |
Номера листов (страниц) |
Всего листов (страниц) в докум. |
№ докум. |
Входящий № сопроводительного докум. и дата |
Подп. |
Дата | |||
изменен ных |
заменен ных |
новых |
аннулированных | ||||||
3 |
все |
67 |
ФТКС265-15 | ||||||
ФТКС.468266.066РЭ |
Лист | |||||
67 | ||||||
Изм. |
Лист |
№ Докум. |
ПоДп. |
Дата |
Форма 2а
ГОСТ 2.104
Копировал
Формат А4