Руководство по эксплуатации «Преобразователи расчетно-измерительные ТЭКОН-19» (Т10.00.60 РЭ-ЛУ)
ИНЖЕНЕРНО-ВНЕДРЕНЧЕСКОЕ ПРЕДПРИЯТИЕ «КРЕЙТ»
УТВЕРЖДАЮ: (в части
«УНИИМ»
.В. Медведевских
2017 г.
УТВЕРЖДАЮ:
Директор ООО «Инженерно-внедренческое предприят КРЕЙТ»

внедренческое
Преобразователи расчетно-измерительные
ТЭКОН-19
Руководство по эксплуатации (с изменениями №1, №2 и №3) Лист утверждения
Т10.00.60 РЭ-ЛУ
Главный конструктор
П.Г.Жарков

ОБЩЕСТВО С ОГРАНИЧЕННОЙ ОТВЕТСТВЕННОСТЬЮ «КРЕЙТ»
Преобразователи расчетно-измерительные ТЭКОН-19
(исполнения 02М - 06М, ЮМ, 11,15,15М)
Руководство по эксплуатации
Т10.00.60 РЭ
Екатеринбург 2017
Редакция 05.01 от 19.01.17.
© КРЕЙТ, 2002-2017 гг.
СОДЕРЖАНИЕ
ПРИЛОЖЕНИЕ А - Перечень нормативных и технических документов, на которые даны ссылки в РЭ
ПРИЛОЖЕНИЕ Б - Перечни параметров и алгоритмов ТЭКОН-19
ПРИЛОЖЕНИЕ Д (справочное) - Алгоритмы расчета расхода
Настоящее руководство распространяется на преобразователи расчетноизмерительные ТЭКОН-19 исполнений 02М - 06М, ЮМ, 15М, 11 и 15, а в части раздела «Поверка» - всех исполнений и модификаций (в дальнейшем -ТЭКОН-19 или преобразователи).
Настоящее руководство (кроме раздела «Поверка») не распространяется на ТЭКОН-19 с версией программного обеспечения (ПО) ниже 95.03.
Эксплуатационная документация на ТЭКОН-19 состоит из настоящего руководства по эксплуатации, включающего методику поверки, и паспорта Т10.00.60 ПС.
(Измененная редакция, Изм. № 3).
По устойчивости и прочности к воздействию условий окружающей среды и механических нагрузок ТЭКОН-19 соответствует исполнениям СЗ, Pl, VI по ГОСТ Р 52931 (для варианта «Т» и исполнения 15 - С2, Pl, VI).
Номер в Государственном реестре средств измерений Российской Федерации 61953-15.
Разрешение Федеральной службы по экологическому, технологическому и атомному надзору (Ростехнадзор) № РРС 00-048410 на применение оборудования на опасных производственных объектах.
ТЭКОН-19 соответствуют «Правилам коммерческого учета тепловой энергии, теплоносителя», введенным Постановлением Правительства РФ № 1034 от 18.11.2013г.
Перечень условных обозначений и сокращений:
АЦП - аналого-цифровой преобразователь;
БД - база данных;
ИП - измерительный преобразователь;
ПК - измерительный канал;
ИС - измерительная система;
КС - контрольная сумма;
ПО - программное обеспечение;
ПК - персональный компьютер типа IBM/PC;
СИ - средство измерения;
ТСМ - термопреобразователь сопротивления медный;
ТСП - термопреобразователь сопротивления платиновый;
G - расход среды (энергоносителя);
Ro - значение сопротивления ТСМ и ТСП при температуре 0 °C;
Wioo - отношение сопротивления ТСМ и ТСП при 100 °C к сопротивлению при 0 °C;
Р - давление в трубопроводе;
Q - тепловая энергия;
t - температура в трубопроводе;
т - время.
-
1 ТРЕБОВАНИЯ БЕЗОПАСНОСТИ
-
1.1 ТЭКОН-19 соответствует требованиям безопасности по ГОСТР 51350.
-
1.2 ТЭКОН-19 обеспечивает защиту человека от поражения электрическим током по классу III ГОСТ 12.2.007.0.
-
1.3 К работе с преобразователем ТЭКОН-19 должны допускаться лица, имеющие образование не ниже среднего технического, прошедшие инструктаж по технике безопасности при работе с установками напряжением до 1000 В, ознакомленные с настоящим Руководством по эксплуатации.
-
1.4 До ответственного органа должно быть доведено, что обеспечиваемая преобразователем защита может быть неэффективной, если его эксплуатируют способом, не указанным изготовителем.
-
-
2 ОПИСАНИЕ И РАБОТА ПРЕОБРАЗОВАТЕЛЯ
-
2.1 Назначение изделия
-
ТЭКОН-19 предназначены для измерения сигналов первичных измерительных преобразователей (ИП) и преобразования их в соответствующие физические величины, измеряемые ИП, с последующим расчетом расхода, объема и массы жидкостей, в том числе воды, нефти и нефтепродуктов, газов и газовых смесей, в том числе водяного пара, природного и влажного нефтяного газа, кислорода, диоксида углерода, азота, аргона, водорода, ацетилена, аммиака, с приведением к стандартным условиям, тепловой энергии, электроэнергии, накопления, усреднения и архивирования измеренных и расчетных значений параметров по заданным интервалам времени.
Область применения - измерительные системы коммерческого учета, автоматизированного контроля и управления технологическими процессами на промышленных предприятиях, теплопунктах, теплостанциях, электростанциях, газораспределительных станциях, нефтегазодобывающих предприятиях, предприятиях коммунального хозяйства и в холодильной промышленности.
-
2.2 Технические характеристики
-
2.2.1 Исполнения ТЭКОН-19
-
2.2.1.1 ТЭКОН-19 с назначением по п. 2.1 выпускается в 9 исполнениях -(02М - 06М), ЮМ, 11, 15, 15М, различающихся набором измерительных каналов (ИК) и цифровых интерфейсов, наличием органов управления и индикации, а также набором функций, включенных в программное обеспечение в соответствии с таблицами 2.1...2.3.
-
-
ТЭКОН-19 каждого исполнения, кроме 15, выпускается в двух вариантах - основном и «Т», различающимися диапазоном температуры окружающей среды в условиях эксплуатации. Исполнение 15 выпускается только в расширенном диапазоне температуры окружающей среды.
-
2.2.1.2 Внешний вид со стороны лицевой панели приведен на рисунке 2.1. Нумерация клемм слева направо, вначале в нижнем ряду, затем в верхнем.
Таблица 2.1 - Исполнения ТЭКОН-19
|
Наименование характеристики |
Значение (наличие) характеристики по исполнениям | ||||||||
|
02М |
ОЗМ |
04М |
05М |
06М |
ЮМ |
11 |
15 |
15М | |
|
Типоразмер корпуса, мм |
70 |
70 |
70 |
70 |
105 |
105 |
70 |
70 |
70 |
|
Количество ИК сопротивления |
1 |
3 |
— |
2 |
4 |
4 |
— |
— |
— |
|
Количество ИК силы тока, шт. |
3 |
— |
— |
2 |
3 |
— |
4 |
— |
— |
|
Количество ИК частоты и количества импульсов, шт. |
4 |
3 |
8 |
3 |
4 |
7 |
— |
— |
— |
|
Интерфейсы HART, RS-485 |
— |
— |
— |
— |
— |
— |
— |
+ |
+ |
|
Часы, клавиатура, дисплей, технологический интерфейс |
+ |
+ |
+ |
+ |
+ |
+ |
— |
+ |
+ |
|
Вариант рисунка 2.1 |
а |
а |
а |
а |
в |
в |
б |
а |
а |
-
2.2.2 Программное обеспечение ТЭКОН-19
-
2.2.2.1 В ТЭКОН-19 применяется встроенное программное обеспечение. ПО разделено на метрологически значимую часть и метрологически не значимую часть. Идентификационные данные метрологически значимой части программного обеспечения используемого в ТЭКОН-19 приведены в таблице 2.2.
-
Доступ к изменению параметров и конфигурации ТЭКОН-19 защищен паролями, являющимися 8-разрядными шестнадцатеричными числами.
Уровень защиты программного обеспечения ТЭКОН-19 от непреднамеренных и преднамеренных изменений - «высокий» по Р 50.2.077-2014.
Программное обеспечение ТЭКОН-19 соответствует требованиям ГОСТ Р 8.654-2009
-
2.2.2.2 ПО ТЭКОН-19 включает наборы алгоритмов для выполнения базовых функций и различных расчетных, архивных и прочих загружаемых задач потребителя в соответствии с исполнением. Обзорный перечень базовых и загружаемых алгоритмов приведен в таблице 2.3. Подробный перечень алгоритмов приведен в таблице Б.2 приложения Б. Общее количество загружаемых задач до 256.
0
0
0
0
0
0
0
0
0
0
13 14
15 16
17 18
19 20
21 22
23 24

0
0
0
0
0
0
0
0
0
0
0
0
13 14
15 16
17 18
19 20
21 22
23 24



1 2
3 4
5 6
7 8
9 10
И 12
00
00
00
00
00
00


00
00
00
00
00
00


в)
Рисунок 2.1 - Внешний вид передней панели и нумерация клемм ТЭКОН-19 для различных исполнений:
а) - корпус 70, б) - корпус 70 без индикатора, в) - корпус 105.
Лист 8 Т10.00.60 РЭ
Таблица 2.2 - Идентификационные данные программного обеспечения
|
Идентификационные данные (признаки) |
Значение | |||
|
Идентификационное наименование ПО |
ТЭКОН19-М Т10.06.245 |
ТЭКОН19-М1 Т10.06.292 |
ТЭКОН19-М1 Т10.06.292-04 |
ТЭКОН19-М1 Т10.06.292-05 |
|
Номер версии (идентификационный номер) ПО |
хх. 04 |
хх.ОЗ |
О4.хх |
05.хх |
|
Цифровой идентификатор ПО |
39А1В57А |
8BF2C4A6 |
6CFB18A0 |
CF5A88D2 |
|
Алгоритм вычисления цифрового идентификатора ПО |
CRC32 |
CRC32 |
CRC32 |
CRC32 |
Продолжение таблицы 2.2
|
Идентификационные данные (признаки) |
Значение | |||
|
Идентификационное наименование ПО |
ТЭКОН19-М2 Т10.06.362-05 |
ТЭКОН19-11 Т10.06.170 |
ТЭКОН19-15 Т10.06.319 |
ТЭКОН19-15 Т10.06.319-05 |
|
Номер версии (идентификационный номер) ПО |
05.хх |
хх.ОЗ |
03.хх |
05.хх |
|
Цифровой идентификатор ПО |
4DA5342F |
7AC358D4 |
BDD26C10 |
2C48153D |
|
Алгоритм вычисления цифрового идентификатора ПО |
CRC32 |
CRC32 |
CRC32 |
CRC32 |
(Измененная редакция, Изм. № 3).
Таблица 2,3 - Основные задачи, выполняемые ТЭКОН-19
|
Наименование Кол. | |
|
Базовые задачи | |
|
Системные функции, индикация времени, даты и статуса на дисплее |
1 |
|
Измерение времени, ведение календаря |
1 |
|
Измерение сопротивления и тока на аналоговых ИК |
до 7 0 |
|
Измерение частоты и количества импульсов на числоимпульсных ИК |
до 8 ъ |
|
Регистрация текущего состояния числоимпульсных ИК |
до 8 0 |
|
Прием данных от первичных ИП непосредственно по интерфейсному каналу HART |
до 161J |
|
Прием данных от первичных ИП с цифровыми интерфейсными выходами (HART, Modbus и др.) через интерфейс Can Bus и соответствующие интерфейсные адаптеры, выпускаемые предприятием-изготовителем |
до 161J |
|
Прием данных от первичных ИП по интерфейсному каналу HART |
до 161} |
|
Обмен информацией через интерфейсные каналы Can Bus, RS-485 и технологический |
до 3 0 |
|
Индикация и коррекция требуемых параметров через меню дисплея |
до 200 |
|
Просмотр архивных параметров через меню дисплея |
до 56 |
|
Просмотр параметров в циклическом меню дисплея |
до ю |
|
Самоконтроль ТЭКОН-19, ведение системного журнала событий |
1 |
Продолжение таблицы 2.3
|
Наименование Кол. | |
|
Набор функций для загружаемых задач (во всех исполнениях, кроме 11) | |
|
Расчет температуры по измеренному сопротивлению ИП температуры2* |
до 256 |
|
Расчет физических величин по измеренному току ИП (давление, разность давления, расход и т.п.) 2) |
до 256 |
|
Расчет расхода среды в единицах измерения ИП по частоте ИП 2) |
до 256 |
|
Расчет и накопление расхода, объема и массы жидкостей 2), газов и газовых смесей по таблице 3:
|
до 8 до 8 до 8 до 8 до 8 до 8 |
|
Расчет тепловой энергии в закрытой или открытой системе теплоснабжения, или в отдельном трубопроводе отопления по рассчитанным значениям массы, температуры и давления в соответствии с МИ 2412-97, МИ 2451-98 и «Правилами коммерческого учета тепловой энергии, теплоносителя», утвержденными постановлением Правительства РФ №1034 от 18.11.2013 2) |
до 8 |
|
Накопление электроэнергии по количеству импульсов от счетчика электроэнергии с числоимпульсным выходом 2) |
до 8 |
|
Выполнение арифметических, алгебраических и логических действий над параметрами |
до 256 |
|
Преобразование параметра методом кусочно-линейной интерполяции |
до 2 |
|
Накопление суммарных значений параметров по интервалам, часам, суткам, месяцам |
до 256 |
|
Вычисление средних значений параметров по интервалам, часам, суткам, месяцам |
до 256 |
|
Вычисление средневзвешенных по расходу значений температуры и давления по интервалам, часам, суткам, месяцам |
до 256 |
|
Архивирование параметров по интервалам от 1 до 30 минут, глубина от 1 суток до 3 месяцев (1440 значений) |
до 256 |
|
Архивирование параметров по часам, глубина архива 16,32 или 64 суток |
до 256 |
|
Архивирование параметров по суткам, глубина архива 1 год |
до 256 |
|
Архивирование параметров по месяцам, глубина архива 1 или 4 года |
до 256 |
|
Вычисление экстремальных значений параметров по интервалам |
до 256 |
|
Оценка состояния по исправности ИП и выходу контролируемых параметров за технологические уставки |
до 256 |
|
Ввод параметров через интерфейс CAN BUS от других модулей |
до 128 |
|
Учет времени исправной и неисправной работы |
до 256 |
|
Телесигнализация |
до 8 |
|
Лист 10 Т10.00.60 РЭ Продолжение таблицы 2.3 | |
|
Наименование |
Кол. |
|
Примечание:
| |
-
2.2.2.3 ТЭКОН-19 выполняет расчеты следующими методами:
-
• расход, объем и массу газов и газовых смесей, в том числе природного и влажного нефтяного газа, кислорода, диоксида углерода, азота, аргона, водорода, ацетилена, аммиака, приведённых к стандартным условиям, по ГОСТ Р 8.740-2011, ГОСТ 8.611-2013, МИ 3213-2009, ГОСТ 30319.1-3-2015, ГСССД МР 113-03, ГСССД МР 118-05, ГСССД МР 134-07 по измеренным сигналам ИП, рассчитанным или полученным по цифровому информационному каналу значениям расхода, давления, температуры, плотности при стандартных условиях, атмосферного давления и состава газа.
-
• расход, объем и массу жидкостей, в том числе воды по МИ 2412-97, нефти и нефтепродуктов в соответствии с Р 50.2.076-2010, по измеренным сигналам ИП или полученным по цифровому информационному каналу значениям расхода, давления и температуры.
-
• расход, объем и массу жидкостей, газов и газовых смесей с помощью диафрагм и сопла ИСА 1932 в соответствии с ГОСТ 8.586.5-2005 по измеренным сигналам ИП или полученным по цифровому информационному каналу значениям давления, разности давлений на диафрагме (сопле) и температуры.
-
• расход, объем и массу жидкостей, газов и газовых смесей с помощью осред-няющих напорных трубок TORBAR и ANNUBAR 485 в соответствии с МИ 3173-2008, МИ 2667-2011 по измеренным сигналам ИП или полученным по цифровому каналу значениям давления, разности давлений и температуры;
-
• расход, объем и массу водяного пара по измеренным сигналам ИП или полученным по цифровому информационному каналу значениям расхода, давления и температуры с возможностью вычисления давления по измеренной температуре и температуры по измеренному давлению на линии насыщения.
-
• тепловую энергию, произведённую или потребленную в элементе системы теплоснабжения или охлаждения по результатам определения массы, температуры и давления в соответствии с ГОСТ Р 51649-2014, ГОСТ Р ЕН 1434-1-2011, ГОСТ Р 8.728-2010 , МИ 2412-97, МИ 2451-98 и «Правилами коммерческого учета тепловой энергии, теплоносителя», утвержденными постановлением правительства РФ №1034 от 18.11.2013.
-
• электроэнергию при двухтарифном учете раздельно по каждому тарифному интервалу.
(Измененная редакция, Изм. № 3).
-
2.2.2.4 Расчет объемного расхода всех видов газов производится с приведением его величины к стандартным условиям согласно ГОСТ 2939-63 (температура 20°С, атмосферное давление 760 мм рт. ст.).
2.2.3 Метрологические и технические характеристики ТЭКОН-19 приведены в таблице 2.4.
Таблица 2.4 - Метрологические и технические характеристики ТЭКОН-19
|
Наименование характеристики |
Значение |
|
Пределы допускаемой абсолютной пбгрЙйности:
(длительность импульсов не менее 200 мкс)
|
±0,04 ±0,2 ±2 ± 0,005 ±0,02 ±0,2 ± 1 |
|
Пределы допускаемой приведенной погрешности расчета температуры, %, ТС М по ГОСТ 6651-2009 в диапазоне (от -73,15 до +200) °C ТС П, ТС Pt по ГОСТ 6651-2009 в диапазоне (от -73,15 до +600) °C |
± 0,002 ± 0,004 |
|
Пределы допускаемой приведенной погрешности расчета давления, разности давлений и других физических величин, измеряемых ИП с унифицированными токовыми выходными сигналами с линейной характеристикой по измеренному значению силы тока от ИП, %, в диапазоне измерения ИП |
±0,0001 |
|
Пределы допускаемого суточного хода часов, с |
±9 |
|
Пределы допускаемой относительной погрешности расчета, %:
(от 10'6 до 106) м3/ч, м3, т, т/ч
|
± 0,005 ±0,03 ± 0,005 ±0,1 ±0,1 ±0,03 ±0,05 ±0,15 ±0,0001 ±0,0001 |
|
Примечание: *) В открытой системе теплоснабжения при отношении массы воды в подающем (шпод) и обратном (шобр) трубопроводах в одинаковых единицах измерения гппод/гпобр 0,96) | |
-
2.2.4 Суммарные погрешности ТЭКОН-19 при измерении температуры, давления, разности давлений, расхода, объема, и других физических величин, измеряемых первичными ИП, подключенными к ИК преобразователя, определяют по формулам:
'AW
< 4 • Ro j
7/7 (0-Lax — ^min I юо у
(2-1)
где A(tTC) - пределы допускаемой абсолютной погрешности ТЭКОН-19 при измерении температуры (ТС), °C,
A(R) - предел допускаемой абсолютной погрешности измерения сопротивления по таблице 2.4, Ом,
Ro - сопротивление ИП температуры при температуре 0°С, Ом,
А - коэффициент уравнения по ГОСТ 6651, равный, например, 0,0039692°С'1 для ТСП с Wioo=l,391 и 0,00428 °C’1 для ТСМ с Wi00=l,428,
Уп(0 - предел допускаемой приведенной погрешности расчета температуры по таблице 2.4, %.
Тщах , tmin - верхний и нижний пределы диапазона измерения температуры по таблице 2.4, °C.
Т(Р) = -1 (, A(_J), 1(WI ’ с2’2)
У \ ** max min J
где Y(P) - пределы допускаемой приведенной погрешности ТЭКОН-19 при измерении давления, разности давления и других физических величин, измеряемых первичными ИП с токовым выходным сигналом, %,
Jmin , Jmax - значения выходного сигнала ИП при минимальном и максимальном значении измеряемой величины соответственно, мА,
A(J) - предел допускаемой абсолютной погрешности измерения силы тока в диапазоне, соответствующем диапазону сигнала ИП, по таблице 2.4, мА,
Yn(J—>Р) - предел допускаемой приведенной погрешности расчета давления, разности давлений и других физических величин, измеряемых ИП с унифицированными токовыми выходными сигналами с линейной характеристикой по измеренному значению силы тока от ИП по таблице 2.4, %.

(2-3)
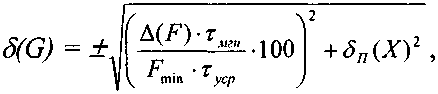
где 8(G) - пределы допускаемой приведенной погрешности ТЭКОН-19 при измерении расхода расходомером с частотным выходом, %,
A(F) - предел допускаемой абсолютной погрешности измерения частоты по таблице 2.4, Гц,
Fmin - значение частоты при минимальном расчетном значении расхода, Гц, тмгн - время измерения при определении мгновенного значения частоты (8 с), Туер - расчетный период усреднения значений расхода (5 минут, час, сутки, месяц, год), с,
Т10.00.60 РЭ Лист 13 8П(Х) - предел допускаемой относительной погрешности при выполнении арифметического действия над параметрами по таблице 2.4, %.
W0 = ±I.loci'! в„(X)1 , (2.4)
У \ ^min Т из. J
где S(V) - пределы допускаемой относительной погрешности ТЭКОН-19 при измерении объема (массы) расходомером с числоимпульсным выходом, %, A(N) - предел допускаемой абсолютной погрешности измерения количества импульсов по таблице 2.4, шт.,
Gmin -минимальное расчетное значение расхода, м3/ч,
Уимп - вес импульса ИП, м3,
тИзм- расчетный период измерения объема (5 минут, час, сутки, месяц, год), ч, 8П(Х) - предел допускаемой относительной погрешности при выполнении арифметического действия над параметрами по таблице 2.4, %.
Пределы допускаемых погрешностей, рассчитанных по формулам (2.1 - 2.4) для некоторых типов первичных ИП, приведены в таблице 2.5.
Диапазоны измеряемых параметров среды, в которых выполняются расчеты, приведены в таблице 2.6.
Пределы допускаемой относительной погрешности расчета параметров некоторых сред в зависимости от типа среды и метода измерения приведены в таблице Г. 1 Приложения Г.
Таблица 2.5 - Пределы допускаемых погрешностей преобразования сигналов некоторых типов первичных ИП.
|
Измеряемый параметр, ед. измерения |
Наименование и тип ИП |
Диапазон |
Пределы допускаемой погрешности | ||
|
MIN |
МАХ |
обозначение |
интервал | ||
|
Температура, °C |
ТСМ-50, Wioo=l,428 ТСП-50, W100=l,391 |
0 0 |
200 400 |
А(Тс), °C |
±0,2 |
|
ТСМ-100, W100=l,428 ТСП-100, W100=l,391 ТСП-500, W100=l,391 |
-50 -50 -50 |
200 400 400 |
А(Тс), °с |
+ 0,1 | |
|
ТСП-1000, W100=l,391 |
-50 |
400 |
А(Тс), °C |
±0,5 | |
|
Давление, кгс/см2, МПа |
ИП с выходами 0-5, 0-20 мА |
0 |
р 1 max |
у(Р), % |
±0,1 |
|
Разность давлений, кгс/см2, кПа |
ИП с выходами 0-5, 0-20 мА |
0 |
ДР LA1 max |
Y(AP), % |
+ 0,1 |
|
Давление, кгс/см2, МПа |
ИП с выходами 4-20 мА |
0 |
р 1 max |
у(Р), % |
±0,13 |
|
Разность давлений, кгс/см2, кПа |
ИП с выходами 4-20 мА |
0 |
АР LA1 max |
Y(AP), % |
±0,13 |
Таблица 2.6 - Диапазоны измеряемых параметров среды
|
Среда |
Температура, °C |
Давление, МПа | ||
|
минимум |
максимум |
минимум |
максимум | |
|
Вода |
0 |
200 |
0,1 |
5,0 |
|
Лар |
100 |
600 |
0,1 |
30,0 |
|
Природный газ |
-23,15 |
76,85 |
0,1 |
30,0 о |
|
Сжатый воздух |
-50 |
120 5) |
0,1 |
20,0 5) |
|
Нефтяной газ |
-10 |
226 |
0,1 |
15,0 |
|
Кислород, азот, аргон, водород, аммиак3) |
-73,15 |
151,85 |
0,1 |
10,0 |
|
Диоксид углерода, ацетилен 2) |
-53,15 |
151,85 |
0,1 |
10,0 |
|
Смесь газов 4) |
-73,15 |
126,85 |
0,1 |
10,0 |
|
Нефть и нефтепродукты |
-50 |
100 |
0,1 |
10 |
Примечания:
1) Для преобразователей с программным обеспечением «ТЭКОН19-М1 Т 10.06.292-05»,
«ТЭКОН19-М2 Т10.06.362-05», «ТЭКОН19-15 Т10.06.319-05» версии 05.хх; для остальных преобразователей или при измерении расхода расходомером ИРВИС-К-300 диапазон измерений давления (от 0,1 до 7,5) МПа, диапазон измерений температуры (от -23,15 до +50) °C.
-
2) Нижняя граница допустимой температуры определяется значением давления.
-
3) Физическое состояние аммиака (газ или жидкость) для любого сочетания температуры и давления в указанном диапазоне определяется автоматически.
-
4) Нижняя граница температуры определяется составом смеси газов и давлением.
-
5) Для трубки Annubar максимум температуры 100 °C, давления 9 МПа.
(Измененная редакция, Изм. № 3).
-
2.2.5 ТЭКОН-19 (кроме исполнения 11) обеспечивает программирование (настройку) на конкретный технологический объект с помощью ПК путём задания требуемого проекта, т.е. исполняемого набора задач и списка выдаваемых на индикацию параметров, а также типов и характеристик первичных ИП. Типовые проекты, рекомендуемые к применению для большинства заказчиков, содержатся в базе данных (БД), поставляемой на диске с ТЭКОН-19. Имеется возможность самостоятельного создания проекта, отличного от типового.
Подключение ТЭКОН-19 к ПК для программирования может выполняться по технологическому интерфейсу RS-232 TTL, по основному цифровому интерфейсу CAN-BUS или дополнительному интерфейсу RS-485 (в исполнениях 15, 15М) через соответствующие адаптеры, выпускаемые предприятием-изготовителем, и коммуникационное оборудование информационных каналов связи.
-
2.2.6 ТЭКОН-19 обеспечивает возможность вычисления средних по времени значений любых рассчитанных параметров на заданных отрезках времени - расчетным интервалам длительностью от 1 до 30 минут, часам, суткам, месяцам.
-
2.2.7 ТЭКОН-19 обеспечивает возможность вычисления средневзвешенных по расходу значений температуры и давления измеряемой среды на задан-
Т10.00.60 РЭ Лист 15 ных отрезкам времени - расчетным интервалам длительностью от 1 до 30 минут, часам, суткам, месяцам.
-
2.2.8 ТЭКОН-19 обеспечивает возможность архивирования значений любых рассчитанных параметров по заданным отрезкам времени - расчетным интервалам длительностью от 1 до 30 минут, часам, суткам, месяцам.
-
2.2.9 ТЭКОН-19 обеспечивает возможность накопления любых интегральных параметров в диапазоне от 0 до 106 единиц. При переходе соответствующего интегрального счетчика через 106 счет целой части параметра начинается снова с нуля, дробная часть - сохраняется.
-
2.2.10 ТЭКОН-19 обеспечивает регистрацию в виде битовых признаков текущего состояния каждого из входных частотно-числоимпульсных ИК.
-
2.2.11 ТЭКОН-19 обеспечивает передачу любых измеренных и расчётных параметров по основному цифровому интерфейсу CAN-BUS или дополнительному интерфейсу RS-485 (в исполнениях 15, 15М) через соответствующие адаптеры, выпускаемые предприятием-изготовителем, и коммуникационное оборудование информационных каналов связи по запросу от ПК.
-
2.2.12 ТЭКОН-19 (кроме исполнения 11) обеспечивает возможность индикации на двухстрочном дисплее даты и времени, а также выбранных параметров вместе с их названиями, в основном меню, меню архивов и циклическом меню. В основное меню может быть включено до 200 параметров, в меню архивов - до 56 архивных параметров с возможностью просмотра каждого архива на всю глубину. Выбор индицируемого параметра выполняется с помощью двух расположенных на лицевой панели кнопок прокрутки меню. В циклическое меню может быть включено до 10 параметров. Настройка всех видов меню производится на этапе пусконаладочных работ. Формат индикации настраивается для каждого пункта отдельно, число знаков после запятой (десятичной точки) - от 0 до 4, общее количестве знаков до 8. Длина названия - до 12 символов русского и латинского алфавитов. Значения параметров основного меню могут быть при необходимости откорректированы после получения соответствующего уровня доступа.
-
2.2.13 ТЭКОН-19 обеспечивает ведение системного журнала с информацией о моменте последних 256 событий - включении и отключении питания, записи новых значений параметров, появлении и исчезновении отказов (см. 2.3.8). Возможно формирование одного или нескольких пользовательских журналов событий с информацией о моментах изменения состояния заданных при настройке битовых параметров.
-
2.2.14 ТЭКОН-19 обеспечивает сохранение без искажения информации о введенных константах, задачах и характеристиках, размещенных в постоянной репрограммируемой памяти с электрическим стиранием и записью информации (ПЗУП, ПЗУД), в течение всего срока службы. Число циклов перезаписи до 100000.
-
2.2.15 ТЭКОН-19 обеспечивает сохранение без искажения информации обо всех измеренных, расчётных, накопленных и архивных параметрах, размещенных в оперативной памяти с резервным питанием от литиевой батарейки (ХОЗУ), а также о дате и времени, в течение 10000 часов с момента отключения питания.
-
2.2.16 Основное питание ТЭКОН-19 - внешний источник постоянного тока напряжением Un от 18 до 36 В. Потребляемая мощность для любого исполнения не более 6 Вт.
Таблица 2.7 - Типовой ток потребления по входу основного питания в зависи-мости от исполнения и напряжения питания (Un)
|
Исполнение ТЭКОН-19 |
Ток потребления, мА | |
|
Un = 24 В |
Un = 18 В | |
|
02М, ОЗМ, 04М, 05М, 06М, ЮМ, 15, 15М |
90 |
110 |
|
И |
120.. 240 |
120..240 |
Примечание:
*) зависит от количества подключенных ИП, питание которых производится от ТЭКОН-19-11, и формируемого ими тока в данный момент
Таблица 2.8 - Типовой ток потребления по входу питания частотных ИК в зави-симости от конфигурации ИК, напряжения питания (Цпд) и состояния выхода ИП
|
Конфигурация ИК |
Ток потребления, мА/канал | |||
|
Ипд = 24 В |
Ипд = 12 В | |||
|
1) |
2) |
о |
2Г | |
|
ИК сконфигурирован по рис. 3.3, А |
0 |
15 |
0 |
7 |
|
ИК сконфигурирован по рис. 3.3, Б, В |
0 |
5 |
0 |
2,5 |
|
ИК сконфигурирован по рис. 3.3, Г |
5 |
10 |
2,5 |
4,5 |
|
Примечания:
| ||||
В исполнениях ТЭКОН-19 с измерительными каналами частоты и количества импульсов имеется отдельный вход питания ИК данного типа от внешнего источника напряжением ипд от 12 до 28 В. Потребляемая мощность не более 0,5 Вт на каждый канал. Типовые значения потребляемого тока в зависимости от исполнения и других условий приведены в таблицах 2.7 и 2.8.
-
2.2.17 ТЭКОН-19 (только исполнение И) обеспечивает гальваническую изоляцию аналоговых измерительных каналов друг от друга (а не только от цепей питания). Параметры изоляции аналогичны 2.2.18. Для питания измерительных преобразователей, подключаемых к этим ИК, ТЭКОН-19-11 формирует из собственного напряжения питания четыре взаимно изолированных вторичных напряжения. Таким образом, ТЭКОН-19-11 может выполнять функцию блока питания ИП. Вторичные источники питания имеют номинальное напряжение (стабилизированное) 24В±1В, допустимый ток нагрузки до 50 мА.
-
2.2.18 Изоляция измерительных электрических цепей относительно цепей питания выдерживает в течение 1 минуты действие испытательного напряжения практически синусоидальной формы амплитудой 500 В, частотой от 45 до 65 Гц при нормальных климатических условиях.
-
2.2.19 Минимально допустимое электрическое сопротивление изоляции электрических цепей питания относительно корпуса не менее 20 МОм при нормальных климатических условиях.
-
2.2.20 ТЭКОН-19 устойчив и прочен к воздействию температуры и влажности окружающего воздуха согласно группе исполнения СЗ по ГОСТ Р 52931 (для варианта «Т» и исполнения 15 - группе С2).
-
2.2.21 ТЭКОН-19 устойчив и прочен к воздействию атмосферного давления согласно группе исполнения Р1 по ГОСТ Р 52931.
-
2.2.22 ТЭКОН-19 устойчив и прочен к воздействию механических нагрузок согласно группе исполнения VI по ГОСТ Р 52931.
-
2.2.23 Защищенность ТЭКОН-19 от проникновения воды и внешних твердых предметов соответствует степени защиты IP20 по ГОСТ 14254.
-
2.2.24 ТЭКОН-19 прочен к воздействию климатических факторов и механических нагрузок в транспортной таре при транспортировании автомобильным и железнодорожным транспортом, а также авиатранспортом в герметизированных и отапливаемых отсеках, в соответствии с ГОСТ Р 52931.
-
2.2.25 ТЭКОН-19 соответствует требованиям ТР ТС 020/2011 по электромагнитной совместимости.
(Измененная редакция, Изм. № 3).
-
2.2.26 Габаритные размеры ТЭКОН-19 не более 105x110x60 мм.
-
2.2.27 Масса ТЭКОН-19 не более 0,5 кг.
-
2.2.28 Средняя наработка на отказ 70000 ч. Критерием отказа является несоответствие требованиям ТУ 4213-060-44147075-02.
-
2.2.29 Средний срок службы 12 лет. Критерием предельного состояния является превышение затрат на ремонт 50% стоимости нового.
-
2.2.30 Среднее время восстановления работоспособного состояния не более 4 ч.
-
2.3 Устройство и работа преобразователя
-
2.3.1.1 ТЭКОН-19 выполнен на основе микропроцессора ARM, оперативной памяти объемом 512 Кбайт, и набора периферийных устройств для организации измерений, обмена по интерфейсам связи, индикации и управления.
-
2.3.1.2 Все данные, необходимые для настройки ТЭКОН-19 и получения результатов его работы в процессе эксплуатации, доступны через его интерфейсы с использованием системы параметров, хранящейся в БД на ПК. Каждый преобразователь в ней рассматривается как модуль системы Т20. Его программное обеспечение состоит из набора задач, обрабатывающих по заданным алгоритмам входные параметры и константы, результатом выполнения которых являются выходные параметры.
Параметры и задачи делятся на базовые и загружаемые.
-
2.3.1.3 Константа - численное значение, установленное на этапе создания загружаемого проекта (первом этапе настройки), недоступное для чтения и изменения после загрузки проекта в контроллер.
-
2.3.1.4 Параметр - единица данных, доступная для чтения и записи. Каждый параметр внутри модуля характеризуется двумя именами (полным и кратким), своим номером, назначением, уровнем доступа, размещением в памяти и внутренним представлением. Параметры базовых задач имеют однозначно определенные жесткие номера, одинаковые для всех преобразователей ТЭКОН-19 данного исполнения. Параметры, из которых составляется загружаемый проект, имеют гибкие номера, которые им присваиваются на этапе создания загружаемого проекта и могут различаться в разных проектах.
Значения параметров, в том числе постоянных, в отличие от констант, могут быть установлены или изменены на втором этапе настройки или в процессе работы.
Параметры группируются по задачам, к которым они относятся, и образуют так называемое дерево параметров.
Обращение к параметру с ПК выполняется через его номер. Соответствие номеров параметров их наименованию, уровню доступа, внутреннему представлению и размещению в памяти преобразователя описано в БД системы Т20, размещенной на диске ПК и может быть конкретизировано в проекте, загруженном в преобразователь, который так же может быть для удобства сохранен на диске ПК.
-
2.3.1.5 Базовые задачи входят в базовое ПО ТЭКОН-19, и являются составными частями его операционной системы. Состав базовых задач неизменный для каждого исполнения преобразователя. Все входные и выходные параметры базовых задач являются жесткими (базовыми). Сводный перечень базовых задач и параметров по исполнениям, приведен в табл. Б.1 приложения Б.
-
2.3.1.6 Загружаемые задачи, входящие в проект, загружаются на первом этапе настройки ТЭКОН-19 для каждого конкретного применения. Из них состоит исполняемая во время работы очередь задач, формирующая все требуемые выходные параметры. Большинство параметров загружаемых задач гибкие. Загружаемая очередь задач формируются на основе находящихся в БД алгоритмов. Сводный перечень алгоритмов ТЭКОН-19 приведен в таблице Б.2 приложения Б.
-
2.3.1.7 Загружаемые задачи выполняются операционной системой ТЭКОН-19 в фоновом цикле в соответствии с их положением в очереди. Длительность фонового цикла программы зависит от количества и типа загружаемых задач, находится в пределах от 1 до 15 секунд, и всегда выравнивается базовым ПО до целого числа секунд.
-
2.3.1.8 Доступ ко всем параметрам любого модуля выполняется по технологическому интерфейсу RS-232 TTL для их настройки, либо по основному цифровому интерфейсу CAN-BUS через соответствующие адаптеры, выпускаемые предприятием-изготовителем, и коммуникационное оборудование информационных каналов связи для настройки и диспетчеризации.
Программное обеспечение ПК для настройки значений параметров поставляется на диске в комплекте с ТЭКОН-19 (программа «Телепорт» Т10.06.208). Диспетчерское программное обеспечение приобретается отдельно.
Наиболее важные в эксплуатации параметры могут быть при настройке выведены на индикацию через «меню» дисплея на лицевой панели ТЭКОН-19.
-
2.3.1.9 По назначению все параметры делятся на следующие группы:
•Заводские константы («ЗК» по таблицам перечня параметров), характеризующие конструктивные особенности и электрические характеристики аппаратуры данного преобразователя. Значения ЗК заносятся на предприятии-изготовителе ТЭКОН-19 и в процессе эксплуатации не меняются.
•Параметры настройки («НП» по таблицам перечня параметров), обеспечивающие программирование ТЭКОН-19 на конкретный технологический объект в рамках реализуемого проекта. К ним относится список выполняемых задач, характеристики ИП, способ измерения давления, единицы измерения расхода, параметры времени, настройки интерфейсов обмена, список индицируемых в меню параметров и т.п. Эти параметры заносятся с ПК либо на предприятии-изготовителе по спецификации конкретного заказчика, либо потребителем в период пуско-наладочных работ на объекте. В процессе эксплуатации возможна их многократная повторная перезапись.
•Расчетные параметры («Р» по таблицам перечня параметров), являющиеся результатом работы задач, загруженных в ТЭКОН-19. Это, например, мгновенное и накопленное значение расхода, тепловой и электрической энергии, средняя температура и давление, текущее время и дата, и т.п. Наиболее важные для пользователя параметры могут быть вынесены для просмотра в меню дисплея.
•Архивные параметры («А» по таблицам перечня параметров) по расчетным интервалам, часам, суткам, месяцам.
•Служебные параметры («С» по таблицам перечня параметров), содержащие промежуточные результаты вычислений по всем задачам, результаты самоконтроля, а также информацию, которая может применяться для оценки правильности работы ТЭКОН-19 в процессе эксплуатации, при настройке и ремонтно-профилактических работах.
-
2.3.1.10 С точки зрения доступа к параметрам, выделяется несколько уровней, приведенных далее в порядке повышения приоритета:
•Пользователь, низший приоритет. Может читать параметры, код доступа которых по чтению равен «1». Возможности записи параметров нет.
•Наладчик, выполняющий настройку ТЭКОН-19 на конкретный технологический объект. Может читать и записывать параметры, коды доступа к которым равны «1» или «2», в том числе очередь загружаемых задач.
•Настройщик, выполняющий начальную настройку ТЭКОН-19 на предприятии-изготовителе. Может читать и записывать параметры, коды доступа к которым находятся в пределах от «1» до «3» включительно.
•Разработчик, максимальный приоритет. Может читать и записывать те же параметры, что и Настройщик. Кроме того, может выполнять прочие действия, доступные только Разработчику, не описанные в данном Руководстве.
Дополнительно об уровнях доступа см. 2.3.10.
2.3.2 Измерение аналоговых сигналов-
2.3.2.1 При наличии в данном исполнении ТЭКОН-19 аналоговых ИК (ИК сопротивления и силы тока) они нумеруются раздельно по типам каналов - для измерения сопротивления «Ti» с индексами «i» от 0 до максимального значения и для измерения силы тока «Л», также с индексами от 0 до максимального значения. Наличие и количество ИК каждого типа зависит от исполнения (см. таблицу 2.1).
-
2.3.2.2 Для измерения напряжения на аналоговых ИК используется АЦП с временем преобразования (от 120 до 160) мс на каждый ИК. Запуск преобразования и считывание готовых данных выполняются через систему прерываний процессора, что на длительность фонового цикла влияет незначительно. Измеренные значения напряжений переводятся в форму с плавающей запятой и помещаются в кольцевые буфера на 8 позиций каждый.
-
2.3.2.3 Для сглаживания шумов и случайных выбросов производится цифровая фильтрация напряжения каждого ИК, для чего один раз в начале каждого фонового цикла вычисляется среднеарифметическое значение из последних 8 замеров, которое и запоминается в качестве параметров 011 С-0123 «измеренное напряжение». Далее, в зависимости от назначения ИК, для каждого из них вычисляется один из двух основных параметров - сопротивление или сила тока. Алгоритмы вычисления приведены в Т 10.06.116 РР.
-
2.3.2.4 Полученные значения силы тока ИП (параметры 0400-0403) и сопротивления термопреобразователя (параметры 0404-0407) могут являться входными для загруженных задач вычисления физических параметров, реально измеряемых подключенными к каналам датчиками. Контроль за правильностью использования параметров возлагается на лицо, выполнявшее пусконаладочные работы.
-
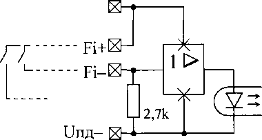
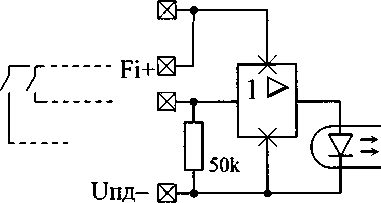
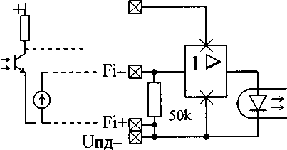
2.3.3.1 Наличие и количество ИК дискретных параметров (ИК частоты и количества импульсов) «Fi» зависит от исполнения (см. таблицу 2.1). ИК нумеруются, начиная с нуля, без пропусков номеров.
Текущее состояние каждого дискретного ИК отражается в битовых параметрах 0506 - 050D, однако, скорость обновления этих параметров в ПО невысока и позволяет оценить сигналы, изменяющиеся не чаще одного раза за цикл ((1 - 15) секунд).
-
2.3.3.2 Для исключения ложных срабатываний счетчиков импульсов, вызванных кратковременными импульсными помехами и «дребезгом» контактов ИП с герконовым выходом, в ТЭКОН-19 может быть включена аппаратно -программная фильтрация импульсов путем их прореживания с частотой около 250 Гц. Она включается по каждому каналу раздельно установкой единичного значения битовых параметров 0200 - 0207 «цифровой фильтр 250 Гц включен». Фильтрация допустима лишь в том случае, когда максимальная частота импульсов на данном ИК не превосходит 100-120 Гц.
-
2.3.3.3 Для измерения числа импульсов и частоты по каждому ИК программно - аппаратно ведется три независимых счетчика количества импульсов.
-
2.3.3.4 Первый счетчик (параметр 0410-0417) определяет число импульсов, поступившее на вход в течение последнего цикла основной программы. Он представляет собой целое двухбайтовое число без знака (от 0 до 65535), счет начинается на каждом цикле программы с нуля. Параметр обновляется в начале каждого цикла программы и может использоваться загружаемыми задачами для расчета расхода по показаниям датчиков с числоимпульсными выходами.
-
2.3.3.5 Второй счетчик (параметр 0208-020F) ведет общий счет пришедших импульсов. Он представляет собой целое двухбайтовое число без знака, счет ведется по кольцу от 0 до 65535, и далее снова с нуля. Для одиночного преобразователя имеет чисто служебное назначение; при работе в составе системы модулей может использоваться внешними модулями для подсчета расхода. Параметр обновляется один раз в течение каждого цикла программы.
-
2.3.3.6 Третий счетчик используется для определения частоты входных импульсов и подсчитывает число импульсов, поступившее на вход в течение последней секунды. По окончании каждой секунды его значение копируется в параметры 0210-0217 как мгновенное значение частоты на соответствующем канале, используемое только в отладочных целях, и представленное целым двухбайтовым числом без знака. Кроме того, эти же значения для каждого входа каждую секунду записываются в кольцевые буфера на 8 позиций каждый. Один раз в начале каждого фонового цикла данные из буферов приводятся к виду с плавающей запятой и подвергаются цифровой фильтрации путем вычисления среднего арифметического из 8 последних отсчетов частоты. Результат усреднения сохраняется до окончания цикла как параметр 0408-040F и может использоваться загружаемыми задачами для расчета расхода по показаниям датчиков с частотными выходами («мощностные» датчики).
При интегрировании любых накапливаемых параметров (расход, тепловая энергия, время работы) использованы следующие принципы:
-
2.3.4.1 Интегрирование выполняется путем сложения предыдущего значения накапливаемого параметра с его приращением на данном цикле.
-
2.3.4.2 Алгоритмы расчета расхода, использующие сигналы от ИП с числоимпульсными выходами, приращение расхода на каждом цикле вычисляют непосредственно по количеству импульсов, пришедшему на цикле. Мгновенное значение «мощности» расхода (ед/час) не вычисляется. Для большинства сред рассчитывается приращение и накапливается расход и в единицах объема, и в единицах массы.
-
2.3.4.3 Алгоритмы расчета расхода, использующие сигналы от ИП с токовыми или частотными выходами, измеряющих мгновенное значение перепада давления на сужающем устройстве или «мощность» расхода, вычисляют откорректированное значение «мощности расхода», приведенное к часу, для большинства сред сразу и в объемных, и в массовых единицах. Для получения приращения на цикле оно умножается на длительность цикла, выраженную в часах, и далее суммируется с предыдущим значением накопленного расхода.
-
2.3.4.4 Для повышения точности суммирования любые накапливаемые значения хранятся в виде трех раздельных параметров в формате с плавающей запятой каждый. Два связанных между собой внутренних параметра, недоступных пользователю, хранят раздельно целую и дробную части накапливаемого значения. Целая часть наращивается только в том случае, если сумма приращения на цикле и предыдущей дробной части превысила единицу. Параллельно в алгоритме ведется третий параметр, который представляет собой текущую сумму целой и дробной частей накопленного значения, он и является действительно выходным коммерческим параметром. При коррекции значения накопленного коммерческого параметра составляющие его целая и дробная часть корректируются автоматически.
-
2.3.4.5 При превышении целой частью любого накапливаемого параметра числа 106 счет ее начинается снова с нуля без потери дробной части.
-
2.3.4.6 В озможно вычисление средневзвешенных по расходу значений параметра (например, температуры или давления) на расчетном интервале длительностью от 1 до 30 минут, за час, сутки и месяц.
ПРИМЕЧАНИЕ: если за данный отрезок времени расход был равен нулю, в качестве средневзвешенного значения устанавливается код «не число», который при просмотре на индикаторе дисплея изображается как «****».
2.3.5 Служба времени-
2.3.5.1 ТЭКОН-19 (кроме исполнения 11) имеет встроенные часы с питанием от внутреннего источника питания, ведущие отсчет текущего времени и текущей даты, включая день недели и две младшие цифры года.
-
2.3.5.2 Возможность автоматического перехода на летнее и зимнее время разрешается или запрещается при пусконаладочных работах. Если переход разрешен, он выполняется:
-
• на летнее время - в последнее воскресенье марта, переводом часов вперед, с 2:00 на 3:00;
-
• на зимнее время - в последнее воскресенье октября, переводом часов назад, с 2:00 на 1:00.
В архивах часов и интервалов при переходе на летнее время образуется не содержащая информации «дырка» с 02 до 03 часов. При переходе на зимнее время часовой архив с 01 до 02 часов содержит данные с 01:00 летнего времени до 01:59:59 зимнего времени, т.е. за два часа. Для усредняемых параметров это среднее значение за два часа; для накапливаемых параметров - накопленное значение за два часа, т.е. удвоенная величина. В архивы интервалов, записанные первоначально в моменты с 01:0п:00 до 02:00:00 летнего времени, перезаписываются их новые значения в эти же моменты зимнего времени (здесь п -длительность интервала в минутах).
Поскольку с весны 2015 года в РФ переход на летнее время отменен, признак автоматического перехода должен быть снят.
-
2.3.5.3 Начало операций накопления и усреднения по заданным отрезкам времени, перепись параметров «за текущий отрезок времени» в параметр «за предыдущий отрезок времени» выполняется на цикле работы, в начале которого обнаружено выполнение следующих условий по времени:
-
• По расчетным интервалам - момент окончания очередного интервала. Длительность расчетных интервалов задается на этапе пусконаладочных работ через параметр F020 в диапазоне от 1 до 30 минут и является общей для всех задач. Рекомендуется длительность выбирать такой, чтобы в часе укладывалось целое число интервалов (1,2,3,4,5,6,10,12,15,20,30 минут).
-
• По 30-минутным периодам - момент смены очередного периода, т.е. в моменты времени 00 минут и 30 минут каждого часа.
-
• По часам - момент окончания очередного астрономического часа.
-
• По суткам - момент окончания очередных расчетных суток, т.е. наступление расчетного часа, задаваемого через параметр F023 в пределах от 0 до 23.
-
• По месяцам - момент окончания очередного расчетного месяца, т.е. наступление расчетного часа расчетного дня месяца, задаваемого через параметр F022 в пределах от 01 до 31. Если в текущем месяце заданной даты нет (например, 30-го числа в феврале), за нее будет принят последний день месяца.
Архивирование за соответствующий период выполняется на следующем цикле.
-
2.3.5.4 Для выполнения двухтарифного учета электроэнергии необходимо включить в проект задачи на основе алгоритмов двухтарифного учета 021Е и/или 020Е в количестве, равном числу цепей учета, и, один раз, задачу выбора тарифа по времени и дате (алгоритм 0201). Время действия льготного тарифа в рабочие и отмененные выходные дни - с ЧЧн (часы начала ночи) до ЧЧд (часы начала дня). В субботу, воскресенье, праздничные дни (по состоянию законодательства РФ на дату выпуска прибора или обновления версии ПО), перенесенные выходные дни (могут оперативно изменяться), льготный тариф для физических лиц действует круглосуточно, для юридических- как в рабочие дни.
-
2.3.5.5 При перерывах в питании преобразователя во все архивы, моменты записи в которые пропущены за время отсутствия питания, заносится код «не число», который при просмотре на индикаторе дисплея изображается как «****». В это время никакая информация не накапливается, кроме времени неисправной работы преобразователя; весь период отсутствия питания (плюс один цикл после восстановления питания) включается во время неисправной работы. Любая информация при записи в архив в первый момент после восстановления питания будет отнесена к тому периоду записи, в который произошло отключение питания.
Рассмотрим это на примере часовых архивов. Пусть в них архивируется средняя температура воды за час, расходы воды за час и с начала суток, время исправной и неисправной работы узла учета за час и с начала суток. Пусть реальная температура воды и текущий расход примерно постоянны, преобразователь исправен. В 13:20:45 исчезло сетевое питание, а в 16:51:10 того же дня восстановилось. При просмотре архивов, например, после 18 часов, их состояние может выглядеть таким:
|
Время |
Темпе-ратура,°С |
2 Расход, м |
Исправная работа, час |
Неисправная работа, час | |||
|
за час |
за сутки |
за час |
за сутки |
за час |
за сутки | ||
|
12-13 |
63.15 |
6.00 |
72.10 |
1.00 |
13.00 |
0 |
0 |
|
13-14 |
63.09 |
2.13 |
74.23 |
0.34 |
13.34 |
3.51 |
3.51 |
|
14-15 |
**** |
**** |
**** |
**** |
**** |
**** |
**** |
|
15-16 |
**** |
**** |
**** |
**** |
**** |
**** |
**** |
|
16-17 |
63.25 |
0.85 |
75.08 |
0.15 |
13.49 |
0 |
3.51 |
|
17-18 |
63.16 |
6.12 |
81.20 |
1.00 |
14.49 |
0 |
3.51 |
Видно, что период отсутствия питания (примерно 3.5 часа) учтен только как время неисправной работы и отнесен в архиве к тому часу, в течение которого питание исчезло. Накапливаемое значение расхода воды за неполные часы учтено только с 13:00:01 до 13:20:45 и с 16:51:10 до 17:00:00, поэтому за эти часы его значение в архиве меньше реального. На средних значениях (в данном случае для температуры) неполное время часа практически не отражается, т.к. усреднение происходит постоянно.
-
2.3.5.6 Аналогичным образом происходит заполнение архивов и при временном переводе преобразователя в технологический режим ОСТАНОВ и выходе из него в РАБОТУ (см. 2.3.11).
-
2.3.6.1 Конфигурирование ПО, т.е. отбор загружаемых алгоритмов из базы данных, составление списка загружаемых задач, настройка и загрузка в ТЭКОН-19, выполняется через ПК с помощью программ «Диалог-19» и «Телепорт» (поставляются на диске в комплекте с ТЭКОН-19). Принципы работы с программами изложены во встроенных в них функциях помощи.
-
2.3.6.2 Полный перечень алгоритмов ТЭКОН-19, имеющихся в БД, приведен в таблице Б.2 приложения Б. Входные и выходные параметры загружаемых задач, как правило, имеют «гибкие», назначаемые в процессе настройки, номера и имена. «Жесткие» номера имеют лишь те входные параметры загружаемых задач, с помощью которых вводится информация из входных каналов (токи и частоты ИП, количество импульсов за цикл и т.п.).
-
2.3.6.3 При конфигурировании в ПЗУП ТЭКОН-19 загружаются, хранятся и используются для работы таблицы загружаемых задач и их параметров, а также меню дисплея. Для индикации на дисплее загружаются и хранятся стандартное имя созданной очереди задач и назначенное пользователем произвольное имя объекта.
Кроме того, загружается для хранения список «коротких» имен задач, используемый только при восстановлении из контроллера утраченного файла проекта очереди задач в ПК, в работе самого контроллера он не используется.
Остальная информация о наборе загруженных в ТЭКОН-19 задач хранится только в БД на ПК.
2.3.7 Особенности интерфейсов последовательного обмена-
2.3.7.1 Основной информационный канал для записи и чтения данных ТЭКОН-19 всех исполнений - высокоскоростной интерфейс в международном стандарте CAN BUS, скорость передачи данных до 300 Кбод.
-
2.3.7.2 Характеристики интерфейса CAN BUS задаются через параметр с номером 0004. Параметр 0004 определяет конфигурацию и скорость обмена, и, как правило, должен быть равен 41Е0 (см. таблицу 2.10). Дополнительно см. 4.1.З.З.
-
2.3.7.3 Дополнительным (технологическим) является интерфейс RS-232 TTL (кроме исполнения 11). Скорость обмена может назначаться в диапазоне от 1200 до 28800 Бод, протокол обмена соответствует стандарту FT 1.2 ГОСТ Р МЭК 870-5-1-95 с особенностями, изложенными в Т10.06.59 РД и дополнении 1 к нему.
ЗАПРЕЩАЕТСЯ использовать технологический интерфейс для создания диспетчерских систем, он предназначен только для подключения технологического коммуникационного оборудования предприятия-изготовителя (регистраторы информации РИ-97 и РИ-197, адаптер USB - RS-232 Т20 Т 10.00.92)
-
2.3.7.4 Интерфейс RS-232 TTL настраивается через параметры 0005 -0007. Параметр 0005 имеет смысл сетевого номера преобразователя, рекомендуется назначать его в диапазоне от 01 до FE. Двоичное представление параметра 0006 задает особенности реализованного протокола (обозначения см. Т10.06.59 РД):
-
• Разряд 3 - протокол FT 1.1 (=0) или FT 1.2 (=1);
-
• Разряд 2 - без CRC (=0) или с CRC (=1);
-
• Разряд 1 - CRC вместо КС (=0) или CRC в теле данных (=1);
-
• Остальные разряды не используются.
Рекомендуется установить протокол FT1.2 без CRC, т.е. задать код 08. Коды сетевого номера 00 или FF недопустимы и воспринимаются как настройка обмена на протокол FT 1.2 без CRC с сетевым номером 01. Количество стоп-битов не настраивается и всегда равно единице.
Таблица 2.10
|
Интерфейс RS-232 TTL |
Интерфейс CAN BUS | ||
|
Скорость, Бод |
Код параметра 0007 |
Скорость, кБод |
Код параметра 0004 |
|
115200 |
FF84 | ||
|
57600 |
FF80 | ||
|
28800 |
FF00 |
300 |
41Е0 |
|
19200 |
FD80 |
150 |
43Е0 |
|
9600 |
FD00 |
100 |
45Е0 |
|
4800 |
FA00 |
50 |
4ВЕ0 |
|
2400 |
F400 |
20 |
5DE0 |
|
1200 |
Е800 | ||
|
Примечание: *) - не |
рекомендуются | ||
-
2.3.7.5 Параметр 0007 задает константу скорости обмена согласно таблице 2.10. Любой код этого параметра, отличный от перечисленных в таблице, автоматически воспринимается как настройка обмена интерфейса RS-232 TTL на скорость 9600 Бод, сетевой номер 01, протокол FT 1.2 без CRC.
-
2.3.7.6 Для чтения и записи параметров ТЭКОН-19 через ПК в комплекте с ТЭКОН-19 на диске поставляется Технологическая программа «Телепорт» Т10.06.208.
-
2.3.8.1 ТЭКОН-19 имеет развитую сйстему периодического программного самоконтроля. По результатам самоконтроля формируется двухбайтовый параметр 0500 «состояние отказов», двоичные разряды которого являются признаками текущей исправности (состояние «0») или неисправности (состояние «1»), в соответствии с таблицами 2.11 и 2.12. В исполнении 11 дополнительно введен параметр 0513 «дополнительные отказы», в остальных исполнениях - 4-байтовый параметр 0516 «расширенные отказы», два первых байта которого совпадают с параметром 0500. О нумерации разрядов см. приложение В.
Разряд с номером 1 байта 0 «ошибка заводских настроек» устанавливается по операции «ИЛИ» из трех младших разрядов байта 2.
При просмотре значений этих параметров программой «Телепорт» расшифровка отказов на экране ПК производится автоматически.
Таблица 2.11 - Побитная расшифровка параметров 0500 «состояние отказов» и 0516 «расширенные отказы»
|
Ба йт |
Раз ряд |
Признак |
Период |
Вероятная причина |
Способ устранения |
|
0 |
0 |
Перезапуск (включение питания) |
1 цикл после перезапуска |
Включение питания, перезапуск по сторожу WDT |
Исключить сбои питания. Если питание заведомо исправно, а отказ возникает, направить в ремонт. |
|
1 |
Ошибка заводских настроек |
256 циклов |
Сбои при записи, отказ аппаратуры |
Направить в ремонт | |
|
2 |
Ошибка КС области настроек пользователя |
256 циклов |
Сбои при записи настроек |
Проверить параметры настройки, перезаписать испорченные. Если отказ не устраняется, направить в ремонт | |
|
3 |
Ошибка очереди задач |
каждый цикл |
Ошибки создания очереди |
Проверить правильность очереди задач, перезаписать ее. Если отказ не устраняется, направить в ремонт | |
|
4 |
Отказ АЦП |
постоянно |
АЦП не готово более 1с |
Если отказ возникает часто, направить в ремонт | |
|
5 |
Отказ записи во flash-память |
при записи |
Сбой записи или отказ ПЗУП |
Направить в ремонт | |
|
6 |
Неверный параметр |
постоянно |
Ошибки настройки |
Проверить настройки задач, перезаписать неверные параметры | |
|
7 |
Ошибка КС настроек меню |
256 циклов |
Сбои при записи описания меню |
Проверить настройку меню, перезаписать испорченные параметры. Если не устраняется, направить в ремонт |
|
Ба йт |
Раз ряд |
Признак |
Период |
Вероятная причина |
Способ устранения |
|
1 |
0 |
Алгоритмический отказ |
каждый цикл |
Параметр 0501 равен 1 |
Выяснить причины возникновения и устранить их |
|
1 |
Ошибка КС ПЗУП области имен задач |
256 циклов |
Сбои при записи очереди задач |
Перезаписать имена задач из БД. Если отказ повторяется, направить в ремонт | |
|
2 |
Останов |
каждый цикл |
Т ехнологическая |
Задается и снимается через каналы обмена или служебное меню, самостоятельно не возникает | |
|
3 |
Т ехнологическая перемычка |
256 циклов |
Не снята перемычка |
Снять технологическую перемычку и переключить питание | |
|
4 |
Отказ CAN |
Сбой |
Переключить питание | ||
|
5 |
Несовпадение очереди задач и ее идентификатора |
256 циклов |
Сбои при записи очереди задач и ее идентификатора |
Проверить очередь задач, перезаписать неверные параметры из БД. Если отказ не устраняется, напра-вить в ремонт | |
|
6 |
Ошибка КС оче реди задач |
256 циклов |
Сбои при записи очереди задач | ||
|
7 |
Общий отказ (параметр 050Е) |
каждый цикл |
Формируется по ИЛИ из остальных |
Устранить причины отказа в остальных разрядах | |
|
2 |
0 |
Ошибка КС заводских настроек |
256 циклов |
Сбои при записи, отказ аппаратуры |
Направить в ремонт |
|
1 |
Ошибка КС программы | ||||
|
2 |
Ошибка номера версии ПО | ||||
|
3 |
Недопустимый интеграл |
каждый цикл |
Ошибки настройки, сбои аппаратуры |
Проверить настройки задач, особенно тщательно отсутствие делений на нуль и неочищенных интегралов, записать верные значения. | |
|
4 |
Недопустимое приращение | ||||
|
7..5 |
- |
Таблица 2.12 - Побитная расшифровка параметра 0513 «дополнительные отказы» (только для ТЭКОН 19-11)
|
Ба йт |
Раз ряд |
Признак |
Период |
Вероятная причина |
Способ устранения |
|
0 |
0-3 |
Отказ АЦП каналов 10-13 |
постоянно |
АЦП канала не готов более 1с |
Если отказ возникает часто, направить в ремонт |
|
4 |
Отказ CAN |
Сбой контроллера CAN |
Направить в ремонт | ||
|
5-7 |
- |
- |
- |
- | |
|
1 |
0-7 |
- |
- |
- |
- |
-
2.3.8.2 На каждом цикле работы базовое ПО ТЭКОН-19 анализирует состояние параметра 0516 и выполняет три основные операции:
• Формирует общий признак исправности/неисправности ТЭКОН-19 как битовый параметр 05 0Е. ТЭКОН-19 исправен на текущем цикле и параметр 050Е устанавливается в состояние «0», если в анализируемом параметре не зафиксировано ни одного отказа. В противном случае ТЭКОН-19 на текущем цикле неисправен, и параметр 050В устанавливается в состояние «1». Этот параметр рекомендуется для" управления счетом времени исправ-ной/неисправной работы ТЭКОН-19.
-
• Записывает возможный факт изменения состояния отказов в анализируемом параметре, т.е. появление «новых» или снятие «старых» отказов, в системный журнал событий (некоторые события дополнительно фиксируются непосредственно в момент их возникновения).
-
• Отражает состояние признака неисправности на индикаторе лицевой панели (см. 4.2.2.4).
-
2.3.8.3 Некоторые из загружаемых задач могут формировать дополнительные битовые признаки неисправности, которые уже не относятся к отказам аппаратуры собственно ТЭКОН-19, а являются внешними отказами, нарушающими логически исправную работу одного из узлов учета. К таким признакам, например, относятся:
-
• признаки обрыва внешних измерительных цепей, формируемые алгоритмами линейных датчиков (токовых и частотных) и алгоритмами расчета температуры на термопреобразователях;
-
• битовые признаки выхода каких-либо параметров за технологические допуски;
-
• битовые признаки отсутствия ответа на запрос внешнего параметра из другого модуля на магистрали CAN-BUS, формируемые алгоритмами ввода и архивирования внешних параметров;
-
• другие битовые признаки по желанию пользователя.
Если пользователь хочет объединить внешние признаки отказов с общей системой отказов ТЭКОН-19, он должен в качестве выходного признака внешних отказов, собранного по закону логического «ИЛИ» из отдельных признаков отказов, назначить битовый параметр 0501 «Отказ алгоритмический». Состояние этого параметра базовым ПО проверяется, но не устанавливается.
-
2.3.8.4 Для формирования времени исправной/неисправной работы в каждом реализованном в ТЭКОН-19 узле учета следует объединить по закону логического «ИЛИ» признак общего отказа ТЭКОН-19 (параметр 050Е) и относящиеся к данному узлу учета битовые признаки неисправности, и подать результирующий признак исправности/неисправности на вход задачи «время работы» (алгоритм 0200). При нулевом состоянии результирующего признака на текущем цикле будет наращиваться счетчик времени исправной работы узла учета, при единичном состоянии - счетчик времени неисправной работы.
-
2.3.8.5 Системный журнал событий ТЭКОН-19 построен по принципу кольцевого стека и в любой момент сохраняет информацию о 256 последних событиях. Он доступен только для чтения через индексные параметры 0901 -0904. Параметры с индексом «0» содержат информацию о самом последнем событии, с индексом «1» о предпоследнем, и т.д. Журнал событий имеет сложную структуру и расшифровывается при просмотре программой «Телепорт».
Лист 30 Т10.00.60 РЭ
К фиксируемым событиям, в частности, относятся:
-
• Начальный запуск программы, очистка внешней памяти, проведение полного теста внешней памяти со стиранием исходного содержимого.
-
• Включение и отключение питания (в том числе перезапуск по аппаратно-программным причинам).
-
• Запись любого параметра с уровнем доступа по записи не ниже «2». В режиме ОСТАНОВ просто подсчитывается число записанных параметров.
-
• Изменение количества текущих отказов ТЭКОН-19.
-
• Попытка фоновой задачи либо обратиться для чтения и записи к неизвестному параметру, либо произвести запись в параметр, размещенный в постоянной памяти (ПЗУП, ПЗУД).
-
• Переход программы в режимы РАБОТА и ОСТАНОВ.
-
• Смена версии базового ПО (первое включение питания после смены ПО).
-
• Обнаружение в процессе расчета недопустимо больших чисел.
-
2.3.8.8 ТЭКОН-19 контролирует появление при арифметических расчетах недопустимо больших чисел, появляющихся, как правило, при попытке деления на нуль. Обнаруженное большое число автоматически заменяется нулевым значением. В связи с отсутствием в параметре 0500 свободных разрядов, факт появления большого числа фиксируется только в разрядах 3 или 4 второго байта параметра расширенных отказов 0516, но при этом отражается и в параметре 050Е, и заносится в системный журнал событий.
ВНИМАНИЕ! При разряде встроенного элемента питания ниже допустимого уровня (см. 8.1.3) информация в журнале событий может быть искажена.
2.3.9 Обновление информации-
2.3.9.1 На каждом цикле программы обновляются:
-
• мгновенные значения всех измеренных и расчетных параметров;
-
• все накапливаемые и средние параметры, озаглавленные: «за цикл», «за текущий интервал», «за текущие 30 минут», «за текущий час»;
-
• все накапливаемые значения расходов, озаглавленные: «за текущий интервал», «за текущие 30 минут», «за текущий час», «за текущие сутки», «за текущий месяц», интегральный расход.
-
2.3.9.2 В момент смены очередного расчетного интервала обновляется вся информация, озаглавленная «за предыдущий интервал», а также средние значения за текущие сутки. Заносится информация в архивы интервалов, причем индекс элемента в архиве относится к моменту ЧЧ:ММ окончания завершившегося интервала.
-
2.3.9.3 В момент смены очередного 30-минутного периода обновляется вся информация, озаглавленная «за предыдущие 30 минут». Заносится информация в 30-минутные архивы, причем индекс элемента в архиве относится к моменту ЧЧ:ММ окончания завершившегося периода.
-
2.3.9.4 В момент смены каждого часа обновляются:
-
• вся информация, озаглавленная «за предыдущий час»;
-
• средние значения за текущий месяц;
-
• заносится информация в архивы часов, причем индекс элемента в архиве относится к номеру «ЧЧ» завершившегося часа.
-
2.3.9.5 При смене расчетных суток, в момент ЧЧРАсч часов 00 минут, обновляется вся информация, озаглавленная «за предыдущие сутки». Заносится информация в архивы суток, причем индекс элемента в архиве относится к завершившейся дате. Это следует учитывать при просмотре архива через меню (см. 4.2.5.6).
-
2.3.9.6 При смене расчетного месяца, в момент ЧЧРАсч часов 00 минут даты ДД1>Асч каждого месяца, обновляется вся информация, озаглавленная «за предыдущий месяц». Заносится информация в архивы месяцев. Индекс элемента в архиве относится к завершившемуся месяцу, если расчетная дата до 20-го числа, и к текущему месяцу в противном случае. Это следует учитывать при просмотре архива через меню (см. 4.2.5.6).
-
2.3.10.1 Доступ к любой информации ТЭКОН-19, входящей в систему его параметров, регламентируется заданным уровнем доступа к ней по чтению и записи: «Пользователь», «Наладчик», «Настройщик», как описано в 2.3.1.10 и таблице Б.1, и текущим уровнем доступа по каналу. Заданный уровень доступа к «жестким» параметрам установлен в самой программе ТЭКОН-19 и изменен быть не может (см. таблицу Б.1). Заданный уровень доступа к параметрам загружаемых задач устанавливается при создании проекта, и должен быть выбран таким, чтобы интересующие «Пользователя» параметры были доступны ему по чтению (уровень 1), но, как правило, недоступны по записи, с возможностью их коррекции только «Наладчиком» (уровень 2). Этим обеспечивается защита наиболее важных параметров, например, настроечных и коммерческих, от несанкционированного изменения.
-
2.3.10.2 Поскольку основной способ чтения и записи любых параметров ТЭКОН-19 - это обмен через последовательные каналы, магистраль CAN BUS или интерфейс RS-232 TTL, то программы обмена, работающие на ПК, сообщают ТЭКОН-19 уровень текущего доступа по каналу. Если этот уровень ниже присвоенного конкретному параметру уровня, операция его чтения или записи в ТЭКОН-19 блокируется. На ПК объявление уровня текущего доступа выполняется через систему программных паролей; способы их применения изложены в документации на соответствующую программу. Программа ТЭКОН-19 при включении питания автоматически устанавливает текущий уровень доступа для всех каналов равным «1», т.е. «Пользователь».
-
2.3.10.3 Уровни доступа по каналам объявляются независимо друг от друга. Если повышенный уровень доступа был объявлен через магистраль CAN BUS, доступ с таким уровнем разрешается только модулю, объявившему его
(назовем этот модуль первым); для других модулей уровень доступа остается равным «1». Изменить уровень доступа другой модуль сможет только после того, как первый модуль либо снизил уровень доступа до «1», либо не выполнял обмен с ТЭКОН-19 в течение 256с. Если повышенный уровень доступа был объявлен через интерфейс RS-232 TTL, он разрешает доступ для любого модуля, подключенного к интерфейсу. После отсутствия обменов по интерфейсу в течение 256с текущий уровень доступа автоматически снижается до «1».
-
2.3.10.4 Для дополнительной защиты коммерческих и настроечных параметров ТЭКОН-19 от несанкционированной записи предусмотрена возможность внутренней защиты с помощью встроенной системы паролей, блокирующей от произвольного повышения текущего уровня доступа по каналам. Существует два уровня внутреннего пароля - защищающий заводские настройки пароль настройщика (параметр F026), блокирующий выход на уровень 3, и защищающий коммерческие параметры пароль наладчика (параметр F025), блокирующий выход на уровень 2. Оба пароля являются восьмиразрядными шестнадцатиричными числами, размещенными в сохраняемой при отключении питания области памяти с повышенной степенью защиты. Таким образом, общее значение различных комбинаций по каждому паролю составляет 232, т.е. 4 294 967 296.
Если значение пароля отличается от двух зарезервированных кодов 00000000 или FFFFFFFF, то установить соответствующий уровень доступа можно, лишь предварительно передав по каналу требуемый пароль с помощью процедуры авторизации доступа. Эта процедура включена в протокол обмена по каналу, способ введения пароля изложен в документации на программное обеспечение ПК, но само значение пароля должно быть известно лишь лицу, осуществляющему защиту информации данного уровня.
-
2.3.10.5 Заводской пароль настройщика устанавливается при выпуске преобразователя с предприятия - изготовителя, защищает заводские настройки, и эксплуатирующим организациям не сообщается.
Пароль наладчика при выпуске с предприятия - изготовителя снят (как правило, равен FFFFFFFF), и при необходимости устанавливается эксплуатирующей или контролирующей организацией по окончании пусконаладочных работ и приемке преобразователя в эксплуатацию, либо через канал, либо через служебное меню.
-
2.3.10.6 Из вышеизложенного следует, что прочитать или изменить пароль наладчика, а также любые параметры с заданным уровнем доступа «2», можно лишь при уже установленном уровне доступа не ниже «Наладчика», т.е. это может сделать лишь лицо, знающее текущее значение пароля наладчика. Перевести преобразователь в технологический режим ОСТАНОВ также можно, только зная пароль наладчика. Область памяти, в которой размещены пароли, для чтения обычными методами недоступна.
Заводской пароль известен только представителю предприятия - изготовителя, для чтения и записи при уровне доступа ниже «Настройщика» недоступен.
-
2.3.10.7 Для исключения возможности подбора пароля с целью несанкционированного доступа к коммерческой информации и настройкам задач, защищенным паролем, после ввода подряд нескольких неверных паролей дальнейшие попытки изменения уровня доступа по каналу блокируются на длительное время, выполняются только команды чтения и записи параметров на текущем уровне доступа.
-
2.3.10.8 Если значение установленного пароля неизвестно, снять пароль или восстановить его значение можно только на предприятии - изготовителе, причем эта операция не выполняется по гарантии.
-
2.3.10.9 Для защиты программы и данных от ошибок очереди задач, вызванных ошибками создания очереди, сбоями при ее записи или ошибочной настройкой, введены следующие виды программного контроля:
-
• Если формат загруженной очереди не отвечает стандартным требованиям, исполнение очереди задач блокируется полностью с выдачей признака отказа «ошибка очереди задач» (см. таблицу 2.11).
-
• Если параметр, указанный в очереди задач для чтения или записи, является неизвестным, операция с ним не выполняется, фиксируется признак отказа «неверный параметр» (см. таблицу 2.11), но задача и очередь в целом продолжают исполняться до конца.
-
• Если параметр, назначенный в задаче для записи, размещен в одном из видов ПЗУ, операция записи не выполняется, фиксируется признак отказа «неверный параметр» (см. таблицу 2.11), но задача и очередь в целом продолжают исполняться до конца.
-
• Если длительность фонового цикла превысила 128 секунд, программа ТЭКОН-19 автоматически перезапускается, как по сбою питания.
-
• Задача ввода не исполняется, если указанный в ней номер внешнего модуля равен 00 или FF, или ответ от модуля не получен в течение 1 секунды. Фиксируется отказ обмена, очередь продолжает исполняться до конца.
Во всех перечисленных случаях, кроме ошибок задач ввода, информация об отказной ситуации помещается в системный журнал событий, где может быть просмотрена и расшифрована через программу «Телепорт».
2.3.10.10. Для обеспечения требуемого Р 50.2.077-2014 «высокого» уровня защиты ПО проводится периодический контроль целостности метрологически значимой части ПО, основанный на вычислении контрольной суммы программы по алгоритму CRC32 и сравнении результата с эталоном. При несовпадении CRC32, а также при отказе КС заводских настроек или номера версии основной программы, формируются соответствующие признаки в байте 2 параметра 0516 (см. 2.3.8.1) с записью в системный журнал событий. Выполнение всех измерений, а также исполнение очереди задач прекращается, на индикаторе в качестве символа режима работы высвечивается знак «#» (см. 4.2.2.5).
2.3.11 Режимы функционирования-
2.3.11.1 ТЭКОН-19 может находиться в одном из двух режимов функционирования: РАБОТА и ОСТАНОВ. Смена режимов может выполняться либо через канал последовательного обмена, либо через служебное меню дисплея на лицевой панели. Для смены режима необходимо знание пароля уровня «Наладчик».
-
2.3.11.2 Во время эксплуатации ТЭКОН-19 должен постоянно находиться в режиме РАБОТА. В этом режиме выполняются полностью все функции преобразователя; работают все жесткие алгоритмы, включая измерение входных величин; исполняется загруженная очередь задач, включая ввод, накопление и архивирование информации; возможны операции с любыми пунктами меню дисплея.
ПРИМЕЧАНИЯ: при установке технологической перемычки, а также при отказе заводских настроек (см. 2.3.10.10) исполнение очереди задач блокируется.
-
2.3.11.3 Режим ОСТАНОВ является технологическим. В нем исполняются все жесткие алгоритмы, включая измерение входных величин, но загруженная очередь задач не исполняется. Режим применяется в двух случаях:
-
• При загрузке очереди задач, описания меню и в некоторых других случаях настройки соответствующие программы ПК автоматически кратковременно переводят преобразователь в режим ОСТАНОВ с последующим возвращением в режим РАБОТА. Операции с меню в эти моменты не рекомендуются.
-
• На этапе эксплуатации при снятии преобразователя с объекта для поверки или ремонта рекомендуется предварительно перевести ТЭКОН-19 в режим ОСТАНОВ через служебное меню дисплея (см. 4.2.6) с указанием пароля. Преобразователь запоминает дату и время отключения, накопление интегральных значений и архивирование прекращается. После этого преобразователь можно отключить и направить для выполнения ремонтных или поверочных операций. Специальные программы ПК, применяемые на предприятии-изготовителе и авторизованных сервисных центрах, гарантируют предварительное сохранение накопленной в преобразователе информации и ее последующее восстановление, причем преобразователь вновь будет находиться в режиме ОСТАНОВ. По возвращении преобразователя на место эксплуатации и подключении всех цепей требуется перевести ТЭКОН-19 в режим РАБОТА. Накопленные интегральные значения за время ремонта не изменились, а архивы всех видов с запомненного момента перевода в ОСТАНОВ до момента перехода в РАБОТУ будут заполнены кодом «не число»,.
2.4 Состав изделия и комплектность
Комплект поставки ТЭКОН-19 приведен в таблице 2.14.
Таблица 2.14 - Комплект поставки ТЭКОН-19
|
Наименование |
Обозначе- ние |
Количество | |
|
По ТУ |
Факт. | ||
|
Преобразователь расчетно-измерительный ТЭКОН-19 |
Т10.00.60 |
1 |
1 |
|
Паспорт |
Т10.00.60ПС |
1 |
1 |
|
Руководство по эксплуатации (с методикой поверки, представленной в разделе 6 «Поверка») |
Т10.00.60РЭ |
1 |
1 |
|
Диск с ПО и ЭД |
Т10.06.295 |
1 |
1 |
(Измененная редакция, Изм. № 3).
ПРИМЕЧАНИЕ: Источник питания для ТЭКОН-19 и соединительные кабели в комплект поставки не входят и должны приобретаться отдельно.
-
2.5 Тара и упаковка
-
2.5.1 ТЭКОН-19 упакован в коробку из гофрокартона.
-
2.5.2 Перед укладкой в коробку ТЭКОН-19 упакован в мешок из полиэтиленовой пленки, который должен быть заварен.
-
2.5.3 В упаковочную коробку вместе с преобразователем помещены принадлежности и эксплуатационная документация, уложенные в полиэтиленовый мешок.
-
2.5.4 В упаковочной коробке после укладки ТЭКОН-19 произведено уплотнение вспомогательными материалами.
-
2.6 Маркировка и пломбирование
-
2.6.1 ТЭКОН-19 имеет следующую маркировку на лицевой панели:
-
• знак утверждения типа СИ;
-
• логотип предприятия-изготовителя «КРЕЙТ»;
-
• название преобразователя «ТЭКОН-19».
-
2.6.2 ТЭКОН-19 имеет следующую маркировку на задней панели:
-
• заводской шифр изделия;
-
• исполнение;
-
• серия и заводской порядковый номер;
-
• номинальное значение и диапазон напряжения питания;
-
• максимальная потребляемая мощность в ваттах.
-
2.6.3 Пломбирование осуществляют на стыке лицевой панели с основанием корпуса наклеиванием этикетки с логотипом предприятия - изготовителя.
-
3 ПОДГОТОВКА ПРЕОБРАЗОВАТЕЛЯ К ИСПОЛЬЗОВАНИЮ
-
3.1 Подключение
-
3.1.1 ТЭКОН-19 устанавливают в монтажном шкафу на DIN-рейку.
-
3.1.2 Подключение внешнего источника питания, измерительных преобразователей, магистрали обмена и выходов питания для гальванически изолированных цепей осуществляется к разъемным клеммам под винт для удобства демонтажа в процессе отладки системы и при периодической поверке. Для монтажа рекомендуется применять кабель типа МКЭШ по ГОСТ 10348-80 (или аналогичный) с необходимым числом жил сечением не менее 0,35мм2.
-
-
Назначение клемм и наименование цепей приведено в таблицах 3.1.а, 3.1.6. При обозначении полярности подключения ИП символом «+» обозначен вытекающий ток из ТЭКОН-19, символом «-» обозначен втекающий ток. Расположение и порядок нумерации клемм см. рисунок 2.1.
-
3.1.3 Питание ТЭКОН-19 выполняется подключением внешнего источника постоянного тока к клеммам «Un». Питание должно подключаться только после завершения монтажа всех остальных цепей. В электрооборудование здания должен входить выключатель или автомат защиты, устанавливаемый в монтажном шкафу вблизи ТЭКОН-19 и его источника питания, имеющий маркировку как отключающее устройство в соответствии с ГОСТ 51350. Монтаж и демонтаж ТЭКОН-19 и его внешних цепей следует проводить при отключенном электропитании самого преобразователя и всех подключаемых к нему первичных ИП.
-
3.1.4 Подключение интерфейса RS-232 TTL производится к порту USB компьютера с помощью адаптера USB - RS-232 Т10.00.92 через 4-контактный разъем-розетку USB-A, расположенный под лицевой панелью ТЭКОН-19.
-
3.1.5 Подключение ИП
-
3.1.5.1 Подключение ИП температуры типа ТСМ и ТСП производится к ИК сопротивления с маркировкой «ТЬ>, где i - номер ИК. Подключение выполняют только по четырехпроводной схеме в соответствии со схемами, приведенными на рисунке 3.1, к клеммам с номерами, приведенными в таблице 3.1.а. Соединение цепи Л+ с цепью Uri+ и цепи Ji- с цепью Uri- выполняют непосредственно в точке подключения к ИП.
-
ВНИМАНИЕ! На свободных (не используемых) ИК сопротивления необходимо обязательно соединить между собой цепи Л+, Ji-,Uri+, Uri-, как показано на рисунке 3.1, б. Общее сопротивление всех подключаемых к одному преобразователю ИП температуры типа ТСМ и ТСП во всем рабочем диапазоне измеряемых температур не должно превышать 4000 Ом.
-
3.1.5.2 Подключение ИП со стандартными токовыми выходами производится к ИК силы тока с маркировкой «Л» , где i - номер ИК. Подключение выполняют по схемам, приведенным на рисунке 3.2.
В преобразователе исполнения ТЭКОН-19-11, для обеспечения взаимной гальванической изоляции измерительных каналов, каждый ИП должен питаться от отдельного изолированного источника питания. Рекомендуется использовать ИП, подключаемые по двухпроводной схеме - в этом случае питание можно взять от изолированного источника 4 х 24В, встроенного в ТЭКОН-19-11 (схема рис.3.2, в). Если все-таки выбрана четырехпроводная схема подключения, следует подать питание на ИП от внешнего блока питания по схеме рис.3.2, а.
-
3.1.6 Подключение ИП расхода и счетчиков электроэнергии с числоимпульсными или частотными выходами
-
3.1.6.1 Подключение выполняют по двухпроводной схеме путем соединения одноименных цепей ИП с клеммами ТЭКОН-19, имеющими маркировку «Fi» , где i - номер ИК и номера согласно таблице 3.1 .а с соблюдением полярности. Возможно подключение ИП трех типов:
-
-
• с активным выходным сигналом напряжением от -24В до 24В (входное сопротивление ИК - 50 кОм)
-
• с пассивным выходным сигналом, рассчитанным на допустимое напряжение до 24 В и силу тока до 10 мА.
-
• с пассивным выходным сигналом, рассчитанным на допустимое напряжение до 24 В и силу тока до 0,5 мА.
Выбор типа ИП осуществляется установкой перемычек, расположенных под клеммами соответствующего ИК. Варианты установки перемычек приведены на рисунке 3.3. Для ИП с пассивным выходом типа «сухой контакт» полярность соединения цепей не играет роли.
-
3.1.6.2 ВНИМАНИЕ! ИК объединены в группы (см. таблицу 3.1.а), в каждой из которых предусмотрен один вход питания на все каналы группы. При подключении ИП хотя бы к одному ИК в группе на вход питания группы необходимо подключить напряжение (12 - 24) В постоянного тока от внешнего изолированного источника питания. При этом все каналы внутри группы оказываются гальванически связаны между собой, но гальванически изолированы от ИК другой группы и цепи питания преобразователя.
Допускается объединять цепи питания групп ИК с цепью питания преобразователя с соблюдением полярности при условии соблюдения характеристик источников питания, приведенных в 2.2.15. В этом случае измерительные цепи всех ИП будут гальванически связаны между собой и с цепью питания преобразователя.
-
3.1.6.3 Использование ИП с максимальной частотой следования импульсов более 100 Гц требует обязательного отключения цифровых фильтров соответствующих ИК при настройке преобразователя (см. 2.3.3.2). Подключение таких ИП должно выполняться отдельным двухпроводным экранированным кабелем для каждого ИК. Цепи питания ИП выполняются отдельно. Протяженность линий связи в этом случае не должна превышать 100 м.
Допускается выполнять подключение ИП четырехпроводным кабелем, объединяя в нем сигнальные цепи и цепи питания одного ИП.
-
3.1.6.4 При использовании ИП с максимальной частотой следования импульсов менее 100 Гц рекомендуется включить цифровые фильтры соответствующих ИК при настройке преобразователя (см. 2.3.3.2). Подключение таких ИП допускается выполнять многожильным экранированным кабелем, располагая сигнальные линии совместно с другими измерительными цепями. Протяженность линий связи в этом случае не должна превышать 300 м.
-
3.1.7 Подключение преобразователя к магистрали обмена информацией CAN BUS осуществляется соединением клемм CAN L и CAN Н с одноименными шинами магистрали. Номера клемм для подключения приведены в таблицах 3.1.а, 3.1.6.
ВНИМАНИЕ! Топология магистрали должна удовлетворять схеме типа «Общая шина». На двух преобразователях, находящихся на противоположных концах магистрали, необходимо установить перемычку «TRM», расположенную под клеммами CAN L и Н, на всех остальных преобразователях, подключенных к этой магистрали, перемычки должны быть обязательно удалены. Нормальная работа системы обмена данными по магистрали, построенной по топологиям типа «Звезда», «Куст» и др. не гарантируется. Протяженность одного сегмента магистрали CAN при типе подключения точка-точка не должна превышать 50м. При подключении двух и более сегментов, включающих в себя несколько конечных точек, рекомендуется использовать «разделители сегментов магистрали РС-62», выполняющие согласование физических характеристик линии связи и распределенных нагрузок. При достаточно большой территориальной удаленности распределенных сегментов, рекомендуется использовать адаптер RS-485 АИ-80.
Таблица 3.1.а - Назначение клемм и наименование сигналов для исполнений (02М-06М), ЮМ, И
|
Сигнал и маркировка на корпусе |
Цепь и ее обозначение на схемах |
№ клеммы по исполнениям | ||||||||
|
02M |
03M |
04M |
05M |
06M |
ЮМ |
11 | ||||
|
ИК сопротивления № 0 |
ТО |
Токовая цепь |
JrO+ |
8 |
8 |
- |
8 |
8 |
36 |
- |
|
JrO- |
5 |
5 |
- |
5 |
5 |
33 |
- | |||
|
Измерительная цепь |
Ur0+ |
7 |
7 |
- |
7 |
7 |
35 |
- | ||
|
UrO- |
6 |
6 |
— |
6 |
6 |
34 |
— | |||
|
ИК сопротивления № 1 |
Т1 |
Токовая цепь |
Jr1+ |
- |
4 |
- |
4 |
4 |
32 |
— |
|
JrI- |
— |
1 |
- |
1 |
1 |
29 |
- | |||
|
Измерительная цепь |
Ur1+ |
— |
3 |
— |
3 |
3 |
31 |
- | ||
|
UrI- |
— |
2 |
— |
2 |
2 |
30 |
- | |||
|
ИК сопротивления № 2 |
Т2 |
Токовая цепь |
Jr2+ |
— |
16 |
- |
- |
26 |
28 |
- |
|
Jr2- |
- |
13 |
— |
— |
23 |
25 |
- | |||
|
Измерительная цепь |
Ur2+ |
— |
15 |
— |
— |
25 |
27 |
- | ||
|
Ur2- |
— |
14 |
— |
— |
24 |
26 |
- | |||
|
ИК сопротивления № 3 |
ТЗ |
Токовая цепь |
Jr3+ |
- |
— |
— |
— |
22 |
24 |
— |
|
Jr3- |
— |
— |
— |
— |
19 |
21 |
- | |||
|
Измерительная цепь |
Ur3+ |
— |
— |
- |
— |
21 |
23 |
- | ||
|
Ur3- |
- |
- |
- |
- |
20 |
22 |
- | |||
|
Сигнал и маркировка на корпусе |
Цепь и ее обозначение на схемах" |
JN |
о клеммы по исполнениям | |||||||
|
02M |
03M |
04M |
05M |
06M |
ЮМ |
11 | ||||
|
ИК силы тока № 0 |
UnO |
Выход источника питания |
Un0+ |
— |
— |
— |
— |
— |
— |
16 |
|
UnO- |
— |
— |
— |
— |
— |
— |
15 | |||
|
JO |
Измерительная цепь |
UjO+ |
4 |
— |
— |
16 |
14 |
— |
14 | |
|
UjO- |
3 |
— |
15 |
13 |
13 | |||||
|
ИК силы тока № 1 |
Uni |
Выход источника питания |
Unl+ |
- |
— |
— |
— |
— |
- |
20 |
|
Uni |
19 | |||||||||
|
JI |
Измерительная цепь |
Uj1+ |
2 |
— |
- |
14 |
12 |
- |
18 | |
|
UjI- |
1 |
— |
— |
13 |
11 |
— |
17 | |||
|
ИК силы тока № 2 |
Un2 |
Выход источника питания |
Un2+ |
- |
— |
— |
— |
— |
— |
24 |
|
Un2 |
23 | |||||||||
|
J2 |
Измерительная цепь |
Uj2+ |
14 |
— |
— |
- |
10 |
— |
22 | |
|
Uj2- |
13 |
— |
— |
— |
9 |
— |
21 | |||
|
ИК силы тока № 3 |
Un3 |
Выход источника питания |
Uh3+ |
— |
— |
— |
— |
- |
- |
4 |
|
Uh3 |
3 | |||||||||
|
J3 |
Измерительная цепь |
Uj3+ |
- |
— |
- |
— |
- |
- |
2 | |
|
Ui3 |
1 | |||||||||
|
Группа ИК частоты и количества импульсов №№0...3 |
Ипд1 |
Вход источника питания |
ипд1+ |
24 |
24 |
2 |
24 |
36 |
20 |
— |
|
Ипд1- |
23 |
23 |
1 |
23 |
35 |
19 |
— | |||
|
F0 |
Вход ИК № 0 |
F0+ |
22 |
22 |
8 |
22 |
34 |
14 |
- | |
|
F0- |
21 |
21 |
7 |
21 |
33 |
13 |
— | |||
|
Fl |
Вход ИК № 1 |
F1+ |
20 |
20 |
6 |
20 |
32 |
12 |
— | |
|
Fl- |
19 |
19 |
5 |
19 |
31 |
11 | ||||
|
F2 |
Вход ИК № 2 |
F2+ |
18 |
18 |
4 |
18 |
30 |
10 |
— | |
|
F2- |
17 |
17 |
3 |
17 |
29 |
9 |
— | |||
|
F3 |
Вход ИК № 3 |
F3+ |
16 |
- |
- |
— |
28 |
— |
— | |
|
F3- |
15 |
— |
— |
— |
27 |
— | ||||
|
Группа ИК частоты и количества импульсов №№3...7 |
Und2 |
Вход источника пита- НИЯ |
Ипд2+ |
— |
— |
14 |
— |
— |
20 |
- |
|
ицд2- |
— |
— |
13 |
— |
— |
19 |
— | |||
|
F3 |
Вход ИК № 3 |
F3+ |
— |
— |
24 |
— |
— |
8 |
— | |
|
F3- |
— |
— |
23 |
— |
— |
7 |
— | |||
|
F4 |
Вход ИК № 4 |
F4+ |
- |
— |
22 |
— |
— |
6 |
— | |
|
F4- |
— |
— |
21 |
— |
— |
5 |
— | |||
|
F5 |
Вход ИК № 5 |
F5+ |
- |
— |
20 |
— |
— |
4 |
— | |
|
F5- |
— |
— |
19 |
— |
— |
3 |
— | |||
|
F6 |
Вход ИК № 6 |
F6+ |
— |
— |
18 |
— |
— |
2 |
— | |
|
F6- |
— |
— |
17 |
— |
— |
1 |
— | |||
|
F7 |
Вход ИК № 7 |
F7+ |
— |
— |
16 |
— |
— |
— |
— | |
|
F7- |
— |
15 |
— |
— |
— | |||||
|
Un |
Вход источника питания |
Un+ |
12 |
12 |
12 |
12 |
18 |
18 |
12 | |
|
Un- |
11 |
11 |
11 |
11 |
17 |
17 |
11 | |||
|
CAN |
Магистраль CAN-BUS |
H |
10 |
10 |
10 |
10 |
16 |
16 |
10 | |
|
L |
9 |
9 |
9 |
9 |
15 |
15 |
9 | |||
Таблица 3.1.6 - Назначение клемм и наименование сигналов для исполнений 15, 15М
|
Наименование сигналов |
Обозн. |
№ клеммы | |
|
15 |
15M | ||
|
Источник питания постоянного тока 18..36 В |
+Un |
12 |
12 |
|
-Un |
11 |
11 | |
|
Магистраль обмена информацией CAN-BUS |
CanH |
10 |
10 |
|
CanL |
9 |
9 | |
|
Магистраль обмена информацией RS-485 |
CanH |
16 |
16 |
|
CanL |
15 |
15 | |
|
Term + |
14 |
14 | |
|
Term- |
13 |
13 | |
|
Интерфейс HART1 |
Hartl+ |
8 |
8 |
|
Hartl- |
7 |
7 | |
|
Prml+ |
6 |
6 | |
|
Prml- |
5 |
5 | |
|
Интерфейс HART2 |
Hartl+ |
4 |
4 |
|
Hartl- |
3 |
3 | |
|
Prml+ |
2 |
2 | |
|
Prml- |
1 |
1 | |
|
Клавиша управления 1 |
+K1 |
24 |
24 |
|
-KI |
23 |
23 | |
|
Клавиша управления 2 |
+K2 |
22 |
22 |
|
-K2 |
21 |
21 | |
|
Клавиша управления 3 |
+K3 |
20 |
20 |
|
-КЗ |
19 |
19 | |
|
Клавиша управления 4 |
+K4 |
18 |
18 |
|
-K4 |
17 |
17 | |
таблицы 3.
.а
ТЭКОН-19
|
Jri+ |
*) |
|
Uri+ |
|
Uri- |
*) |
|
Jri- |
*) |
i

ТЭКОН-19
|
Jri+ |
*) |
|
Uri+ |
*) |
|
Uri- |
*) |
|
Jri- |
*) |

а) Схема подключения
б) Неиспользуемый канал Рисунок 3.1- Схема подключения ИП температуры типа ТСМ, ТСП i - номер канала, ИП - измерительный преобразователь температуры,
*) - номера клемм по таблице 3.1 .а.
ТЭКОН-19
|
Uji+ |
*) |
|
Uji- |
*) |
|
ИП | |
|
1+ | |
|
I- |
ТЭКОН-19
|
Uji+ |
*) |
|
Uji- |
*) |
БП
|
Un+ | |
|
Un- |
|
Un+ | |
|
Un- |
БП
|
Un+ | |
|
Un- |


|
— | |
|
+ |
а) четырехпроводная
б)двухпроводная

в) двухпроводная (ТЭКОН-19-11)
Рисунок 3.2 - Схемы подключения ИП с токовым выходом i - номер канала, ИП - измерительный преобразователь с токовым выходом, БП - источник питания постоянного тока, *) - номера клемм по таблице 3.1.а.
| I I (заводская установка)
Б) |о|о| I
ипд+ (24В)

ипд+ (24В)

Тип выхода ИП:
* пассивный контакт (общий +) Особенности:
-
1) Ток через контакт до 10 мА
-
2) Контакт замкнут = состояние «1»
В)|О| |О|
Тип выхода ИП:
* слаботочный пассивный контакт (общий +) Особенности:
-
1) Ток через контакт не более 0,5 мА
-
2) Контакт замкнут = состояние «1»
ипд+ (24В)


Тип выхода ИП:
* активный сигнал (общий -) Особенности:
-
1) Входное сопротивление (50 - 100) кОм
-
2) Диапазон входного напряжения -24..+24В
-
3) На входе напряжение 5.,24В - состояние = «1»; на входе напряжение -24..ЗВ - состояние = «0»;
Тип выхода ИП:
* пассивный контакт (общий -)
Особенности:
-
1) Ток через контакт до 10 мА
-
2) Контакт замкнут = состояние «0»
-
3) Установка перемычки производится с помощью 4-контактной розетки из комплекта ЗиП (в ком-плект добавляются по требованию)
Рисунок 3.3 - Варианты установки перемычек - джамперов при подключении ИП с числоимпульсным или частотным выходом
-
3.2 Загрузка задач и настройка параметров ТЭКОН-19
-
3.2.1 Основной способ обращения к параметрам ТЭКОН-19 для настройки - обмен с ПК через магистраль CAN BUS с помощью технологической программы «Телепорт» Т 10.06.208, поставляемой на диске с преобразователем. Способы работы с программой изложены в документации на нее и во входящих в состав программы функциях помощи (HELP).
-
3.2.2 Настройка ТЭКОН-19 на конкретный объект в общем случае выполняется в три этапа. В дальнейшем описании предполагается, что все заводские константы уже установлены на предприятии - изготовителе, обмены выполняются с ПК через интерфейс CAN BUS. С предприятия - изготовителя ТЭКОН-19 выходит настроенным согласно таблице 7.2 на сетевой номер 01 (параметр 0000 равен 01) и скорость обмена 300 Кбод (параметр 0004 равен 41Е0).
-
3.2.3 Первый этап - создание проекта (кроме исполнения 11)
-
3.2.3.1 Этап заключается в составлении проекта, т.е. формировании требуемого для конкретного применения списка загружаемых задач на основе имеющегося в БД набора алгоритмов и сохранением файлов проекта на жестком диске ПК в БД.
-
3.2.3.2 Для большинства заказчиков этот этап при настройке преобразователя не требуется. Предприятием-изготовителем ТЭКОН-19 разработана богатая библиотека стандартных проектов, и для работы может использоваться готовый файл проекта из числа хранящихся в БД на диске Т10.06.152, поставляемом совместно с преобразователем.
-
3.2.3.3 Разработка нестандартных проектов выполняется, как правило, на предприятии - изготовителе ТЭКОН-19 по спецификации заказчика. В отдельных случаях этап может быть выполнен и самим заказчиком при условии его достаточной квалификации. Для первого этапа используется Программа «Диалог-19» Т10.06.200, поставляемая на диске с прибором. Правила работы с ней могут быть изучены по встроенным функциям помощи.
-
-
3.2.4 Второй этап - загрузка проекта
-
3.2.4.1 Этап заключается в выборе проекта из БД, включающего в себя очередь загружаемых задач и описание меню дисплея, и загрузке его в ТЭКОН-19.
-
3.2.4.2 Этап может быть выполнен либо на предприятии - изготовителе ТЭКОН-19 по спецификации заказчика, либо самим заказчиком. Для выполнения этапа может быть использована технологическая программа «Телепорт» Т10.06.208 версии не ниже 2.61 или «Диалог-19» Т10.06.200. Уровень доступа-Наладчик. Загрузка и настройка могут проводиться по магистрали CAN BUS с ПК как в условиях лаборатории, так и непосредственно на объекте. На время загрузки очереди ТЭКОН-19 автоматически переводится в технологический режим ОСТАНОВ, после чего возвращается в тот режим, в котором он находился до загрузки.
ВНИМАНИЕ! В течение всей процедуры записи проекта в ТЭКОН-19 НЕ ДОПУСКАЕТСЯ отключение питания преобразователя. Это может привести к искажению информации и отказу преобразователя, для устранения которого может потребоваться ремонт на предприятии-изготовителе.
3.2.5 Третий этап - настройка значений параметров
-
3.2.5.1 Третий, окончательный этап настройки ТЭКОН-19, состоит в задании численных значений всем настроечным параметрам.
-
3.2.5.2 Этап выполняется, как правило, силами специалистов организации, проводящей пусконаладочные работы на конкретном объекте, или самим пользователем. Для выполнения этапа так же, как правило, используется программа «Телепорт» Т 10.06.208.
ВНИМАНИЕ! Во время записи в ТЭКОН-19 значения любого параметра, размещенного в постоянной репрограммируемой памяти ПЗУП или ПЗУД (размещение параметров см. в таблице Б. 1 приложения Б) НЕ ДОПУСКАЕТСЯ отключение питания преобразователя. Это может привести к искажению информации и отказу преобразователя, для устранения которого может потребоваться ремонт на предприятии-изготовителе.
-
3.2.5.3 В общем случае должны быть присвоены конкретные численные значения следующим «жестким» параметрам, присутствующим в данном исполнении ТЭКОН-19 (без учета заводских констант):
-
• Характеристики интерфейса CAN BUS (параметры 0000 - 0004).
-
• Если предполагается обмен по каналу RS-232 TTL, то его характеристики (параметры 0005-0007).
-
• Параметры управления прореживанием импульсов (фильтры 250 Гц) 0200-0207. При использовании ИП с числоимпульсным выходом в виде геркона и частотой импульсов не более 100-120 Гц его необходимо включить, в остальных случаях отключить.
-
• Общая настройка для расчетов тепловой энергии - температура холодного источника Тхи, относительно которой оно отсчитывается. Если ее величина предполагается постоянной, численное значение Тхи заносится в параметр 0300 «стандартная температура Тхи», а в параметр 0306 «номер параметра, используемого как Тхи», должен быть занесен код 0300 (ссылка на константу). Если температуру Тхи предполагается измерять, то значение параметра 0300 может быть произвольным, а в параметр 0306 должен быть занесен код номера того параметра из очереди загружаемых задач, который изображает измеренную температуру Тхи.
-
• Общая настройка для расчета абсолютного давления и расчетов тепловой энергии - атмосферное давление Ратм. Если его величина предполагается постоянной, численное значение Ратм заносится в параметр 0301 «стандартное атмосферное давление», а в параметр 0307 «номер параметра, используемого как Ратм», должен быть занесен код 0301 (ссылка на константу). Если давление Ратм предполагается измерять, то значение параметра 0301 может быть произвольным, а в параметр 0307 должен быть занесен код номера того параметра из очереди загружаемых задач, который изображает измеренное давление Ратм. В любом случае, как при задании с помощью константы, так и при измерении Ратм, его значение может быть выражено в миллиметрах ртутного столба, килограммах на квадратный сантиметр или мегапаскалях. Для информирования программы об использованных единицах измерения они должны быть указаны через параметр 0304 «размерность Ратм», принимающий одно из трех значений: 0 (мм рт. ст.), 1 (кгс/см2), 2 (МПа).
-
• Остальные настройки для коммерческих расчетов - длительность расчетного интервала в минутах (F020), расчетный час (F023), расчетный день (F022), текущая дата (F017), текущее время (F018), запрет \ разрешение летнего времени (0303).
-
• Настройки до 200 пунктов основного меню дисплея с номерами «N» от 00 до 199.
-
• Настройки до 56 пунктов меню архивов с номерами «N» от 00 до 55.
-
• Настройки до 10 пунктов циклического меню дисплея.
Допускается назначать индицируемые пункты не подряд, а с пропусками, которые при индикации будут автоматически обойдены.
Значения параметров настройки на объект, установленные предприятием-изготовителем, приведены в таблице 3.2. Значения остальных параметров не определены.
Таблица 3.2 - Значения
на объект
|
№ |
Наименование параметра |
Значение |
|
0000 |
Сетевой номер CAN-BUS |
01 |
|
0004 |
Конфигурация CAN-BUS |
41Е0 |
|
0005 |
Сетевой номер RS-232 TTL |
01 |
|
0006 |
Описатель интерфейса RS-232 TTL |
08 |
|
0007 |
Константа частоты RS-232 TTL |
FD00 (9600Гц) |
|
0200..0207 |
Цифровой фильтр 250 Гц на входе включен |
0 |
|
0300 |
Стандартная температура холодного источника |
0,0 |
|
0306 |
Номер параметра, используемого как Тхи |
0300 |
|
0301 |
Стандартное атмосферное давление |
745,0 |
|
0307 |
Номер параметра, используемого как Ратм |
0301 |
|
0304 |
Размерность Ратм |
0 (мм рт. ст.) |
|
0303 |
Разрешение летнего времени |
0 (запрещено) |
|
F017 |
Дата |
Установлены текущие |
|
F018 |
Время | |
|
F020 |
Длительность расчетного интервала |
05 |
|
F023 |
Расчетный час |
00 |
|
F022 |
Расчетная дата |
01 |
|
F025 |
Пароль наладчика |
FFFFFFFF (нет) |
-
3.2.5.4 Для всех загруженных задач должны быть заданы конкретные численные значения параметров настройки (характеристики датчиков, сужающих устройств и трубопроводов, единицы измерения и т.п.).
-
3.2.5.5 Выходным накапливаемым параметрам всех задач должны быть присвоены начальные значения, как правило, нулевые. Это можно сделать как прямой записью в каждый параметр числа «0,0», так и полной очисткой области внешнего ХОЗУ, отведенной под параметры загружаемых задач. Второй способ предпочтительнее и выполняется установкой единичного значения битового параметра 0302 «очистка информации ХОЗУ». Программа ТЭКОН-19 выполняет очистку всей области ХОЗУ, отведенной под хранение параметров загружаемых задач, устанавливает маркеры всех типов архива, после чего сбрасывает параметр 0302. Факт очистки заносится в системный журнал событий.
-
3.2.5.6 В исключительных случаях возможно выполнение операции начального пуска программы ТЭКОН-19 (кроме исполнения И). Она выполняется также записью «1» в битовый параметр 0302, но только при установленной в разъем RS-232 TTL технологической перемычке. Производится полная очистка всей оперативной памяти ТЭКОН-19, включая системную область, с установкой времени 23:59:00 и условной даты разработки программы 01 января 2013 года. Факт начального запуска заносится в системный журнал событий. Далее перемычку следует обязательно снять, а время и дату переустановить.
-
3.2.5.7 Для того, чтобы после ввода в эксплуатацию все задачи накопления, архивирования и индикации сразу начали нормально работать, достаточно по окончании пусконаладочных работ выполнить операцию очистки памяти согласно указаниям 3.2.5.5.
-
3.2.5.8 По окончании настройки могут быть выпущены карты программирования ТЭКОН-19, например, с помощью технологической программы «Телепорт».
-
3.2.5.9 Запрограммированный ТЭКОН-19 готов к работе на объекте. При необходимости после завершения настройки и введения преобразователя в эксплуатацию может быть установлен пароль наладчика, защищающий настройки задач и коммерческие параметры от несанкционированного изменения.
-
4 ИСПОЛЬЗОВАНИЕ ПРЕОБРАЗОВАТЕЛЯ
-
4.1 Чтение параметров по магистрали CAN BUS
-
4.1.1 Основной способ обращения к параметрам ТЭКОН-19 в эксплуатации -обмен с ПК по основному цифровому интерфейсу CAN-BUS через соответствующие адаптеры, выпускаемые предприятием-изготовителем, и коммуникационное оборудование информационных каналов связи с помощью различного программного обеспечения, поддерживающего протоколы обмена контроллера (например, технологическая программа «Телепорт», диспетчерский программный комплекс «ИСКРА» и др.). Способы работы с программами изложены в документации на них и во входящих в их состав функциях помощи (HELP).
-
4.1.2 При работе в эксплуатации в составе автоматизированной системы сбора информации при уровне доступа «Пользователь» индицируются все расчетные значения по всем назначенным задачам; коррекция их невозможна.
-
4.1.3 Если после выполнения всех необходимых соединений и настройки запущенная на ПК программа обмена (например, «Телепорт») не может установить связь по заданному сетевому адресу, необходимо последовательно выполнить следующие действия:
-
4.1.3.1 Проверьте исправность кабелей, полярность подключения, надежность контактов, исправность порта ПК, правильность установки номера СОМ - порта в программе и повторите попытку связи;
-
4.1.3.2 Запустите в программе функцию поиска подключенных модулей системы путем автоматического перебора сетевых номеров во всем диапазоне от 00 до FF. Если на один из номеров получен ответ, причина неисправности -неверно установленный сетевой адрес в параметре 0000. Связавшись по найденному адресу, замените его на нужный.
-
4.1.3.3 Если функция поиска не нашла подключенного модуля, возможно, в ТЭКОН-19 искажен параметр конфигурации 0004, задающий скоростные и информационные характеристики интерфейса. В этом случае отключите питание ТЭКОН-19 и установите специальную заглушку в разъем RS-232 TTL (можно изготовить самостоятельно из кабельной вилки, соединив между собой контакты 2 и 3). После включения питания ТЭКОН-19, независимо от состояния адресов памяти, связанных с параметрами 0000 и 0004, эти параметры приобретают значения по умолчанию: адрес 00, конфигурация 41Е0. Связавшись по адресу 00 на скорости 300 Кбод, исправьте параметры настройки.
-
4.1.3.4 Вновь отключив питание, обязательно снимите перемычку, и после включения питания еще раз проверьте наличие связи уже с установленным адресом.
-
4.1.3.5 Принятые программой ТЭКОН к исполнению сетевые адреса и скорости обмена по каналам можно также проконтролировать через служебное меню дисплея (см. 4.2.11).
-
-
-
4.2 Считывание информации через индикатор лицевой панели
-
4.2.1 Общие положения
-
4.2.1.1 ТЭКОН-19 (кроме исполнения И) снабжены расположенным на передней панели алфавитно-цифровым дисплеем и двумя кнопками управления им. Дисплей имеет 2 строки по 12 символов в каждой. С помощью дисплея пользователю доступен просмотр состояния ряда параметров и их названий, заранее запрограммированных для чтения через специальное «меню». Меню состоит из трех уровней - начальный уровень (постоянный исходный пункт), промежуточный уровень заголовков и уровень операций. В свою очередь, уровень операций состоит из трех частей: основное меню, меню архивов и служебное меню. Общая структура меню приведена на рисунке 4.1. Возможна частичная коррекция параметров, индицируемых в основном меню, после выполнения некоторых вспомогательных операций в служебном меню.
-
-
-
ПРИМЕЧАНИЕ: ТЭКОН-19 исполнения 15 имеет собственную уникальною структуру меню, описание которого приводится в ЭД на измерительный комплекс, в состав которого он входит. В настоящем документе не описано.
в строке
основное меню меню архивов служебное меню
Рисунок 4.1 - Структура меню дисплея
-
4.2.1.2 В общем случае движение по меню, т.е. переход от одного пункта меню к другому, выполняется кратковременным нажатием расположенных на лицевой панели кнопок управления, обозначенных как «стрелка вниз» «▼» и «стрелка вправо» «►». В момент нажатия в первой позиции нижней строки загорается служебный символ (аналог «пищалки» на клавиатурах многих приборов). На уровне операций движение происходит только по активным пунктам (код индицируемого параметра в которых отличен от FFxx) с автоматическим пропуском неактивных пунктов (код индицируемого параметра в которых равен FFxx), как в сторону увеличения номера пункта, так и в обратную сторону.
-
4.2.1.3 На индикацию в меню обычно назначаются параметры ТЭКОН-19, имеющие внутреннее представление в виде чисел с плавающей запятой. Точность индикации, т.е. число десятичных знаков после запятой, задается при настройке в диапазоне от 0 до 4. Диапазон индицируемых чисел от -106 до +107; в противном случае на индикаторе появляется знак переполнения ($). Если значением индицируемого параметра является специальный код «не число» (шестнадцатиричный код FFFFFFFF), на индикатор выдаются символы четырех звездочек (****). Знак «+» не индицируется. Числа, меньшие по модулю, чем 107, индицируются равными строго нулю, без десятичных знаков. Число при выдаче на индикацию округляется в сторону увеличения, если первый отбрасываемый разряд равен 5 или более.
-
4.2.1.4 В основное меню при необходимости допускается включать и параметры, имеющие внутреннее представление в виде одно- и двухбайтовых целых чисел без знака в диапазоне от 0 до 65535, а также битовые параметры и шестнадцатиричные числа (один, два и четыре байта). Принцип следующий:
-
• Параметр индицируется как число с плавающей запятой, если его внутреннее представление имеет длину 4 байта, а «точность индикации» задана в диапазоне от 0 до 4 знаков.
-
• Параметр любой длины (одно-, двух- и четырехбайтовый) индицируется как шестнадцатиричное число (см. таблицы В. 1 и В.2), если условная «точность индикации» для него имеет значение более 4. Если точность индикации задана равной FF, многобайтовое число индицируется целиком и так, что «старший» байт расположен слева, например, 8825FD13. Если точность задана в диапазоне от 05 до FE, многобайтовое число индицируется побайтно и так, что слева расположен самый младший байт, например, 12 FD 25 88.
-
• Параметр длиной 1 или 2 байта индицируется как целое десятичное число без знака, если условная «точность индикации» для него имеет значение 4 и менее. Если для двухбайтового числа установлена точность 0, оно индицируется целиком в пределах от 0 до 65535. Точность в пределах от 1 до 3 обуславливает побайтную индикацию числа, причем старший байт расположен слева.
-
• Битовые параметры опознаются автоматически, для них «точность индикации» не анализируется.
-
4.2.1.5 Основным направлением в меню принято движение в сторону увеличения номера пункта. С помощью правой кнопки «►» выполняется движение по строке слева направо, с помощью левой кнопки «▼» - движение по столбцу сверху вниз или просмотр архива от текущего момента вглубь архива. Для смены направления движения необходимо удерживать соответствующую кнопку в нажатом состоянии в течение 2 секунд. Смена направления выполняется «торшерно», возможен и обратный переход. Текущее направление движения периодически высвечивается на дисплее в виде символов стрелок вверх «1», вниз «Ф», вправо «>», влево «<». При отсутствии нажатий в течение 256 секунд, а также при выходе на начальный уровень меню, направление движения автоматически переключается на основное (вправо и вниз).
ПРИМЕЧАНИЕ: в служебном меню, а также после начала коррекции (см. 4.2.10) возможность смены направления блокируется, остается только основное направление движения.
-
4.2.1.6 Поскольку операции, выполняемые по кнопке, зависят от длительности нажатия, смена пункта меню происходит не в момент нажатия, а в момент отпускания кнопки (кроме выхода на постоянный пункт меню, см. 4.2.2.1).
-
4.2.2 Начальный уровень меню
-
4.2.2.1 Начальный уровень меню является исходным при включении питания ТЭКОН-19. На него же происходит переход из любой точки меню при одновременном нажатии обеих кнопок. Уровень состоит из трех последовательно выполняющихся автоматических шагов. Длительность первого и второго шагов по 5 секунд, длительность третьего не ограничена.
-
4.2.2.2 На первом шаге индицируется общая, идентифицирующая данный преобразователь, информация: в верхней строке - исполнение преобразователя (02М, ОЗМ, 04М, 05М, 06М, ЮМ), далее серия и заводской номер в виде 8-значного числа «XXXXYYYY», где ХХХХ - серия, YYYY - заводской номер. В нижней строке индицируется номер версии ПО в виде «XX.YY» (для набора алгоритмов 03) или «YY.XX» (для набора алгоритмов 04), где XX - номер версии базового ПО, YY - номер версии библиотеки расчетных алгоритмов (метрологически значимого ПО), т.е. 03 или 04, например:
06М 00011234 версия 82.03
05М 00014321 версия 04.01
-
4.2.2.3 На втором шаге индицируется сформированное на этапе создания очереди задач ее стандартное имя, состоящее из двух строк по 12 символов в каждой, например:
-
2 трубы отопление
Это имя загружается вместе с очередью задач. Если имя не загружено, т.е. отведенное под него место в памяти прибора начинается с двух подряд кодов «00» или «FF», то индицируется сообщение «очередь без имени». Если задачи не загружены, в верхней строке индицируется «задач: НЕТ», нижняя строка пуста. Если очередь загружена с ошибками, в верхней строке индицируется «задач: ОШИБКА», в нижней строке - идентификатор очереди.
-
4.2.2.4 На третьем шаге в верхней строке индицируется текущая дата в виде ДД.ММ.ГГ и день недели. В нижней строке индицируется текущее время в виде ЧЧ:мм:сс и три служебных символа, отражающих текущий режим работы ТЭКОН-19, например:
18.05.15 пн 15:36:54 ■*)
В последней позиции нижней строки в режиме РАБОТА попеременно индицируются символы левой «(» и правой «)» круглой скобки. Смена индикации происходит в момент окончания очередного цикла счета программы ТЭКОН-19. В режиме ОСТАНОВ, а также при наличии технологической перемычки (см. 4.1.3.3), в этой позиции постоянно индицируется знак «минус», т.е. «-». Дополнительно см. 2.3.10.10.
Символ звездочки «*» в предпоследней позиции нижней строки означает отсутствие отказов (нулевое состояние битового параметра общего отказа 050Е). При наличии отказов взамен звездочки будет индицироваться знак вопроса «?». Если имеется хотя бы один отказ в 0-м байте параметра 0500 (см. таблицу 2.9), знак вопроса горит постоянно, что свидетельствует о критических отказах аппаратуры или программы собственно ТЭКОН-19. Если 0-й байт чист, а признаки отказов имеются только в байте 1, знак вопроса мигает с периодом в 1 с.
Символ в предыдущей позиции нижней строки, отличный от пробела, индицируется только при наличии загруженных задач двухтарифного учета электроэнергии. Во время действия основного тарифа (дневное время в рабочие дни) индицируется символ прозрачного шестиугольника. Во время действия льготного тарифа в ночное время индицируется символ черного прямоугольника. В дневное время в праздничные и выходные дни указанные символы индицируются попеременно с периодом 1 секунда.
-
4.2.2.5 При наличии циклического меню, третий шаг начального меню автоматически включается в состав циклического меню. В этом случае длительность данного шага составляет 5 секунд.
-
4.2.3 Уровень заголовков
-
4.2.3.1 Выход из начального уровня меню на промежуточный уровень заголовков происходит по нажатию любой кнопки на любом шаге начального пункта или циклического меню. На промежуточном уровне имеется три пункта, представляющие собой заголовки меню уровня операций. Смена пункта выполняется нажатием правой кнопки, пункты меняются по кольцу.
-
4.2.3.2 Первые два пункта уровня заголовков «меню основн» и «меню архивов» предназначены для пользователей. Под заголовком высвечивается количество активных пунктов соответствующего меню. Если оно отлично от нуля, нажатие кнопки «стрелка вниз» переводит меню на уровень исполнения.
-
4.2.3.3 Последний пункт уровня заголовков «меню служебн» является служебным, и пользователями, как правило, должен пропускаться нажатием правой кнопки. Нажатие левой кнопки вызывает вход в служебное меню.
-
-
4.2.4 Основное меню
-
4.2.4.1 Основное меню содержит 200 отдельных пунктов с десятичными номерами «MN» от ООО до 199 включительно, оформленных в виде таблицы из 20 строк по 10 элементов в каждой, как показано на рисунке 4.1. При этом двузначное число «М» от 00 до 19 определяет номер строки, число «N» от 0 до 9 -номер элемента в строке. Размещение активных пунктов по номерам выбирается при настройке и может быть произвольным. Допускается и наличие неактивных пунктов в любом месте любой строки, и наличие целиком пустых строк.
-
4.2.4.2 Вход в основное меню возможен из пункта «меню основн» уровня заголовков при наличии в основном меню хотя бы одного параметра индикации, код которого отличен от FFxx, и выполняется однократным нажатием кнопки «стрелка вниз». Первым на индикацию будет вызван активный пункт с минимальным номером.
-
4.2.4.3 Во всех активных пунктах в верхней строке индицируется строка названия, введенная при создании меню, а в нижней строке - численное значение заданного параметра с заданной точностью. Периодически, раз в несколько секунд, а также после нажатия любой кнопки или удержания ее в течение 2с, взамен шести последних символов верхней строки дисплея кратковременно индицируется номер текущего пункта меню в виде номера строки меню и номера элемента в строке, разделенных символом точки, а также текущее направление движения по кнопкам. Например, если давление в обратном трубопроводе равно 2,3467 кг/см2, то при выходе на пункт 21 индикация примет следующий вид:
Робр, кг/см2
2.35
Робр, Ф02.1>
2.35
-
4.2.4.4 При нахождении в основном меню кнопка «стрелка вправо» используется для движения в пределах только текущей строки (прокрутка по строке вправо или влево, см. 4.2.1.5). Ее однократное нажатие вызывает переход к следующему активному пункту в строке. После последнего активного пункта строки происходит автоматический возврат к первому активному пункту текущей строки.
-
4.2.4.5 При нахождении в основном меню кнопка «стрелка вниз» используется для смены строк (прокрутка по столбцу вверх или вниз, см. 4.2.1.5). Ее однократное нажатие вызывает переход к следующей строке, содержащей в данном столбце активный пункт. После последней строки происходит автоматический возврат к первой активной строке.
-
4.2.4.6 Обновление индикации значения параметра в любом пункте меню происходит первоначально в момент выхода на новый пункт, а далее периодически от одного до нескольких раз в секунду.
-
-
4.2.5 Меню архивов
-
4.2.5.1 Меню архивов содержит 56 отдельных пунктов с десятичными номерами «MN» от 00 до 55 включительно, оформленных в виде одной строки, как показано на рисунке 4.1. Размещение активных пунктов по номерам выби-
-
Т10.00.60РЭ Лист 53 рается при настройке и может быть произвольным. Допускается наличие неактивных пунктов в любом месте строки.
-
4.2.5.2 В меню архивов допускается включать только параметры загружаемых задач, которые являются выходными для загруженных задач архивов месяцев (на 1 и 4 года), архивов суток, архивов часов (на 16, 32 и 64 дня), архивов событий пользователя. Кроме того, разрешается включение «жесткого» параметра 0904, являющегося выходным для системного журнала событий. Другие параметры и другие типы архивов не допускаются и индицироваться не будут.
-
4.2.5.3 Вход в меню архивов возможен из пункта «меню архивов» уровня заголовков при наличии в меню архивов хотя бы одного параметра индикации, код которого совпадает с номером выходного параметра одной из загруженных архивных задач или равен 0904, и выполняется однократным нажатием левой кнопки «стрелка вниз». Первым индицируется активный пункт с минимальным номером.
-
4.2.5.4 При выходе на любой пункт меню вначале на индикацию выдается:
-
• в верхней строке дисплея - введенное при настройке пункта название. Периодически, раз в несколько секунд, взамен трех последних символов в верхней строке кратковременно индицируется номер текущего пункта меню и направление движения при смене архива (см. 4.2.1.5);
-
• в нижней строке дисплея - автоматически определенный при индикации тип архива («месячный 12м», «месячный 48м», «суточный», «часовой 16дн», «часовой 32дн», «часовой 64дн», «события сист», «события»), например:
Q 135 школа суточный
Q 135 шк 25< суточный
-
4.2.5.5 Просмотр содержимого архива выполняется многократным нажатием кнопки «стрелка вниз». Просмотр выполняется в направлении от последнего момента записи информации в данный тип архива вглубь архива, до его конца, с кольцевым переходом по времени от конца к началу. Каждое нажатие кнопки «стрелка вниз» вызывает сдвиг точки просмотра архива на единицу записи соответствующего типа архива (на месяц, день или час). Направление просмотра может быть изменено на обратное путем удержания нажатой кнопки «стрелка вниз» в течение 2 секунд согласно 4.2.1.5.
-
4.2.5.6 При просмотре любого числового архива в нижней строке индицируется численное значение содержимого архива с заданной точностью, а в верхней строке - направление просмотра (вглубь «Ъ>, в обратном направлении «Ф», момент времени и дата архива. Для архивов месяцев это номер месяца ММ и год ГГГГ, для архива суток - полная дата в виде ДД.ММ.ГГГГ, для архива часов - дата в виде ДД.ММ и час записи (его начало и конец в виде ЧЧ -ЧЧ+1), например:
месячный
04 2015
182.6
суточный
часовой_____
15.09 16-174-
7.66
15.06.2015 45400.0
Следует отметить, что момент времени и дата архивов реально в самих архивах не хранятся и формируются только программой индикации, исходя из текущего времени и даты, типа архивы и текущей глубины просмотра.
-
4.2.5.7 В меню архивов кнопка «стрелка вправо» используется для смены индицируемого архива. Ее однократное нажатие при нахождении на любой глубине просмотра текущего архива вызывает переход к началу следующего активного пункта (вправо или влево - длительным нажатием кнопки согласно 4.2.1.5) с индикацией заголовка архива согласно 4.2.5.4 и автоматическим возвратом к режиму просмотра «вглубь архива». После последнего активного пункта происходит автоматический возврат к первому активному пункту.
-
4.2.5.8 Поскольку хранящаяся в архивах информация за время просмотра не обновляется, то и формирование индикации для каждого пункта меню архивов происходит только в момент нажатия кнопки для смены архива, глубины или направления просмотра; далее значение на индикаторе просто сохраняется.
-
4.2.5.9 При просмотре архивов событий в верхней строке индицируется дата события в виде ДД.ММ и момент с точностью до минут ЧЧ:мм. В нижней строке справа индицируется содержание события в виде 8-значного шестнадцатиричного числа. Слева в системном журнале индицируется код вида события (см. таблицу 2.13), а в пользовательском архиве - текущая глубина просмотра относительно маркера последней записи, по кольцу от 0 до 255. Если зафиксировано менее 256 событий, при выходе в незаполненную область в нижней строке индицируется сообщение «исчерпан».
-
4.2.6 Служебное меню
Последний пункт промежуточного уровня «меню служебн» является служебным. На уровне операций в нем имеется минимум два основных пункта: «состояние» и «доступ», позволяющие узнать или изменить текущий режим функционирования преобразователя и задать пароль уровня «Наладчик». Пункт «коррекция» разрешает или запрещает коррекцию параметров в основном меню. Пункт «настройки каналов» индицирует сетевые номера и скорости обмена по каналам CAN и RS-232 TTL. Далее идут три пункта имен и численных характеристик очереди задач и пункт об исправности ПО.
Переход от одного пункта к другому выполняется нажатием правой кнопки. Переходы выполняются по кольцу, движение только слева направо, реверсирование направления движения заблокировано.
-
4.2.7 Пункт «состояние» служебного меню
-
4.2.7.1 В пункте «состояние» индицируется текущий режим функционирования ТЭКОН-19, т.е. в режиме эксплуатации - «РАБОТА».
-
Состояние
работа
Для пользователей никакие другие действия в этом пункте НЕ РЕКОМЕНДУЮТСЯ. Выход из пункта производится нажатием правой кнопки (на пункт «доступ») или одновременным нажатием обеих кнопок (на постоянный исходный пункт).
-
4.2.7.2 Пункт «состояние» позволяет изменить текущий режим функционирования, т.е. перевести ТЭКОН-19 в технологический режим ОСТАНОВ и обратно в режим РАБОТА. Это может потребоваться при временном выводе преобразователя из эксплуатации, например, для поверки или ремонта, с возможностью сохранения накопленной в преобразователе информации (см. 2.3.11).
-
4.2.7.3 Первое нажатие левой кнопки переводит пункт «состояние» на следующий уровень, подготавливая смену режима на противоположный:
состояние изменить?
Если такой необходимости нет, нажмите кнопку «стрелка вправо», произойдет возврат на уровень заголовка служебного меню. Если режим действительно надо изменить, нажмите кнопку «стрелка вниз».
По этой кнопке начинается следующий уровень служебного меню, требующий ввода правильного значения пароля наладчика (см. 2.3.10). Вначале зажигается начальный код пароля, состоящий из восьми точек, мигающий курсор в левой позиции нижней строки и слово «да» в правой части нижней строки:
вв. пароль:
|..... да
Правила ввода пароля:
-
• Каждое нажатие левой кнопки изменяет значение цифры в позиции, отмеченной курсором, на единицу (начальный символ точки заменяется нулем). Все цифры шестнадцатиричные, изменяются в сторону увеличения по кольцу: 0,l,..,9,A,..F,0,...
-
• Каждое нажатие правой кнопки вызывает сдвиг курсора на одну позицию вправо. Сдвиг влево невозможен, функция реверса не работает.
-
• Если преобразователь не был снабжен паролем наладчика, т.е. его реальное значение равно 00000000 или FFFFFFFF, допускается ввести произвольное сочетание цифр, лишь бы во всех позициях не осталось ни одной точки.
-
• После ввода всех восьми цифр курсор сразу помещается на первый символ слова «0а». Каждое нажатие левой кнопки изменяет слово «та» на слово «Дет» и обратно.
Результат нажатия правой кнопки зависит от индицируемого после пароля слова. Если «нет», операция изменения режима не выполняется, меню возвращается на уровень заголовка служебного меню. Если «да», при правильно введенном пароле операция смены режима действительно выполняется, меню переходит на уровень индикации результата. В верхней строке индицируется новый режим, в нижней - слово «исполнено», например:
останов
исполнено
Изменение режима сопровождается отметкой в системном журнале событий. Нажатие любой кнопки обеспечивает возврат на уровень заголовка служебного меню.
-
4.2.7.6 При неверно введенном пароле индицируется сообщение «нет доступа». Нажатие любой кнопки возвращает меню на уровень заголовка служебного меню, и при необходимости все действия по изменению режима функционирования требуется выполнить заново.
-
4.2.8 Пункт «доступ» служебного меню
-
4.2.8.1 Если преобразователь не был снабжен паролем наладчика, т.е. его реальное значение равно 00000000 или FFFFFFFF, в пункте «доступ» индицируется слово «свободный»; в противном случае - слова «с паролем», например:
-
доступ с паролем
Для пользователей никакие другие действия в этом пункте НЕ РЕКОМЕНДУЮТСЯ. Выход из пункта производится нажатием правой кнопки (на пункт «состояние»), или одновременным нажатием обеих кнопок (на постоянный исходный пункт).
-
4.2.8.2 Пункт «доступ» позволяет изменить текущее значение пароля. Это может потребоваться при вводе преобразователя в эксплуатацию по окончании пуско-наладочных работ.
-
4.2.8.3 Первое нажатие левой кнопки переводит пункт «доступ» на следующий уровень, подготавливая возможность проверки и смены пароля:
доступ изменить ?
Если такой необходимости нет, нажмите кнопку «стрелка вправо», произойдет возврат на уровень заголовка служебного меню. Если пароль действительно надо изменить, нажмите кнопку «стрелка вниз».
-
4.2.8.4 По этой кнопке начинается следующий уровень служебного меню, требующий ввод правильного значения пароля наладчика (см. 2.3.10). Индикация и правила ввода текущего пароля аналогичны изложенным в 4.2.7.4.
-
4.2.8.5 Результат нажатия правой кнопки после ввода текущего пароля зависит от индицируемого за паролем слова. Если «нет», дальнейшие операции отменяются, происходит возврат на уровень заголовка служебного меню. Если «да», но пароль введен неверно, индицируется сообщение «нет доступа», и по любой кнопке происходит возврат на уровень заголовка служебного меню. При правильно введенном пароле индицируется сообщение:
доступ
исполнено
Если Вы по-прежнему уверены в необходимости установки нового пароля, нажмите левую кнопку. В первой позиции нижней строки появляется мигающий курсор, а индикация приобретает следующий вид:
новый пароль |ХХХХХХХ да
Здесь ХХХХХХХХ - значение текущего пароля. Используя левую кнопку для прокрутки значения каждой цифры, а правую - для смены позиции, введите значение нового пароля и, не изменяя слово «да», еще раз нажмите правую кнопку. Появится индикация, свидетельствующая о том, что новое значение пароля принято: ________________
новый пароль
исполнено
Факт смены пароля отмечается в системном журнале событий. Нажатие любой кнопки обеспечивает возврат на уровень заголовка служебного меню.
-
4.2.9 Пункт «коррекция» служебного меню
-
4.2.9.1 В пункте «коррекция» индицируется текущий режим возможности
-
коррекции параметров через основное меню преобразователя, т.е. обычно в режиме эксплуатации - «запрещено».____________
Коррекция запрещено
Для пользователей никакие другие действия в этом пункте НЕ РЕКОМЕНДУЮТСЯ. Выход из пункта производится нажатием правой кнопки (на пункт «состояние») или одновременным нажатием обеих кнопок (на постоянный исходный пункт).
-
4.2.9.2 В принципе пункт «коррекция» позволяет разрешить или запретить коррекцию параметров с плавающей запятой, включенных в индикацию основного меню и имеющих уровень доступа по записи не выше «Наладчик». Это может потребоваться при оперативной смене некоторых настроечных параметров без применения ПК.
-
4.2.9.3 Первое нажатие левой кнопки переводит пункт «коррекция» на следующий уровень, подготавливая возможность проверки пароля:
коррекция изменить ?
Если необходимости смены режима коррекции нет, нажмите кнопку «стрелка вправо», произойдет возврат на уровень заголовка служебного меню. Если смена режима действительно нужна, нажмите кнопку «стрелка вниз».
-
4.2.9.4 По этой кнопке начинается следующий уровень служебного меню, требующий ввод правильного значения пароля наладчика (см. 2.3.10). Индикация и правила ввода текущего пароля аналогичны изложенным в 4.2.7.4.
-
4.2.9.5 Результат нажатия правой кнопки после ввода текущего пароля зависит от индицируемого за паролем слова. Если «нет», дальнейшие операции отменяются, происходит возврат на уровень заголовка служебного меню. Если «да», но пароль введен неверно, индицируется сообщение «нет доступа», и по любой кнопке происходит возврат на уровень заголовка служебного меню. При правильно введенном пароле индицируется новое состояние режима коррекции, например: разрешена!
Исполнено
-
4.2.9.6 Когда коррекция разрешена, в ПО устанавливается специальный внутренний признак. Далее действуйте согласно описанию 4.2.10.
-
4.2.10 Порядок коррекции параметров
-
4.2.10.1 Можно корректировать значение только одиночных параметров, имеющих представление в форме с плавающей запятой и уровень доступа по записи не выше чем «Наладчик». Откорректированное число по модулю не может превышать 1000000, после запятой 4 десятичных знака. Реальная точность представления числа не превышает 7-8 десятичных цифр, т.е. у больших чисел дробная часть будет введена с заметной погрешностью. Для коррекции проделайте перечисленные ниже операции.
-
4.2.10.2 Через служебное меню разрешите коррекцию в соответствии с указаниями 4.2.9. Дважды нажав кнопку «стрелка вправо», перейдите на уровень заголовка основного меню. Переход через постоянный исходный пункт нажатием двух кнопок не имеет смысла, т.к. при этом сбрасывается установленный признак разрешения коррекции.
-
4.2.10.3 Войдите в основное меню и выйдите на пункт индикации требуемого параметра. Реверсирование направления движения по кнопкам при разрешенной коррекции заблокировано, движение возможно только в основном направлении. Обратите внимание, что при разрешенной коррекции во всех пунктах меню, содержащих параметры, которые разрешается корректировать (см. 4.2.10.1), вместе с номером пункта и направлением движения периодически индицируется символ восклицательного знака, например:
-
Ратм 14<О1.3>
735.00
Выбрав требуемый пункт, длительно (не менее 2 секунд) нажмите левую кнопку. О начале коррекции свидетельствует изменение индикации. В верхней строке индицируется слово «коррекция», а в нижней появляются символы значения во всех позициях строки, включая знак числа, незначащие нули перед числом, все 4 десятичных знака после запятой и мигающий курсор в первой позиции нижней строки: ________________
коррекция Ц000735.0000
ПРИМЕЧАНИЕ: если исходное число по модулю было равно или более 1000000, на индикаторе оно отобразится как «+999999.9999» и может быть откорректировано, начиная именно с этого значения.
Правила коррекции:
-
• Каждое кратковременное нажатие левой кнопки изменяет значение цифры в позиции, отмеченной курсором, на единицу. Все цифры десятичные, изменяются в сторону увеличения по кольцу: 0,1,..,9,0,... В позиции знака числа символ «+» изменяется на «-», и наоборот.
-
• Каждое кратковременное нажатие правой кнопки вызывает сдвиг курсора на одну позицию вправо. Позиция десятичной точки обходится автоматически. Сдвиг влево невозможен, функция реверса не работает, однако при достижении крайней правой позиции и нажатии правой кнопки происходит переход курсора вновь в крайнюю левую позицию, что позволяет при необходимости корректировать число за несколько проходов.
Завершив коррекцию, длительно (не менее 2 секунд) нажмите левую кнопку. Откорректированный параметр будет переписан с индикатора в память микропроцессора, что сопровождается кратковременной индикацией на индикаторе следующего сообщения:_______________
коррекция идет запись
После этого восстанавливается исходный вид индикации, приведенный в 4.2.10.3, но уже с новым значением откорректированного параметра.
-
4.2.10.7 Если имеется еще параметр, требующий коррекции, перейдите по меню на содержащий его пункт и проведите коррекцию согласно 4.2.10.4 - 4.2.10.6.
-
4.2.10.8 Если по какой-либо причине необходимо отменить начатую коррекцию (т.е. находясь в 4.2.10.5), длительно, более 2 секунд, нажмите правую кнопку. Процесс коррекции данного параметра будет прерван, с сохранением исходного значения параметра и возможности выполнения коррекции других параметров.
-
4.2.10.9 Как и в случае записи параметров по последовательным каналам обмена, факт коррекции отмечается в системном журнале событий согласно таблице 2.10, если уровень доступа по записи к корректируемым параметрам был «Наладчик».
-
4.2.10.10 После завершения коррекции всех требуемых параметров снимите признак разрешения коррекции одним из следующих способов:
-
• Одновременное нажатие двух кнопок с выходом на постоянный пункт меню (рекомендуется).
-
• Запрещение коррекции через служебное меню (можно, но неудобно).
-
• Переключение питания.
-
• Отсутствие нажатия кнопок в течение 256 секунд автоматически запрещает коррекцию.
-
4.2.11 Пункт «настройка каналов» служебного меню
Специального заголовка пункт не имеет, сразу индицируются текущие настройки каналов связи, т.е. сетевые адреса в шестнадцатиричном виде и скорости обмена в килободах,
|
CAN |
01 |
300 |
|
RS |
0Е |
9.6 |
Верхняя строка относится к CAN BUS, нижняя к RS-232 TTL. Индицируются не установленные значения параметров, а реальные настройки каналов с учетом, например, установленной технологической перемычки.
-
4.2.12 Индикация имен и численных характеристик очереди задач
-
4.2.12.1 Состоит из трех пунктов:
-
-
• Стандартное имя очереди задач. Полностью повторяет индикацию второго шага меню аналогично 4.2.2.4.
-
• Произвольное имя объекта или очереди, присвоенное пользователем при настройке и содержащее две строки по 12 символов. Если имя не присвоено, т.е. первые два символа первой строки имеют в памяти прибора коды «00» или «FF», то индицируется сообщение «объект без имени».
-
• Численные характеристики очереди задач, т.е. их количество и код, аналогично 4.2.2.3.
Если в данный момент ТЭКОН-19 функционирует без отказов, т.е. все двоичные разряды параметра 0500 (или 0516) очищены (см. таблицу 2.11), индикация стандартного или пользовательского имени продолжается неограниченно долго. При наличии отказов периодически индицируется сообщение об отказе согласно таблице 4.1.
При наличии одновременно нескольких отказов разного приоритета индицируется только одно сообщение, условный приоритет которого имеет меньшее численное значение.
Данная индикация за счет своего мигания должна только привлечь внимание обслуживающего персонала к появлению отказов. Для более подробной диагностики можно просмотреть журнал системных событий или, включив в основное меню параметр 0500 или 0516, посмотреть его состояние.
Таблица 4.1
|
Условный приоритет |
Индикация |
7 |
6 |
5 |
4 |
3 |
2 |
1 |
0 |
7 |
6 |
5 |
4 |
3 |
2 |
1 |
0 |
|
Байт 0 параметра 0500 |
Байт 1 параметра 0500 | ||||||||||||||||
|
1 |
Нет счета |
+ |
+ |
+ | |||||||||||||
|
2 |
Отказ прибора |
+ |
+ |
+ | |||||||||||||
|
3 |
Отказ настроек |
+ |
+ |
+ |
+ |
+ |
+ |
+ | |||||||||
|
5 |
Отказ алгоритмич |
+ | |||||||||||||||
|
Байт 2 параметра 0516 |
- | ||||||||||||||||
|
4 |
Большое число |
+ |
+ | ||||||||||||||
Последний пункт позволяет оценить исправность ПО. Вид индикации следующий: ______
КС метрол ПО
х х 0 Ommmmmmmm
Индикация в нижней строке шестнадцатеричная. Последние восемь символов «mmmmmmmm» индицируют значение контрольной суммы CRC32 метрологически значимой части программы. Первые два символа «хх» являются служебными, следующие два символа отражают состояние байта 2 параметра 0516 (см. 2.3.8.1) и при исправной программе индицируются как «00».
4.2.14 Циклическое меню
-
4.2.14.1 В ТЭКОН-19 существует возможность назначения циклического меню, в котором попеременно индицируется очередной параметр из заданного списка с автоматической сменой по времени.
-
4.2.14.2 В состав списка может быть включено до 10 параметров. Назначаемые параметры должны удовлетворять тем же требованиям, что и параметры основного меню (см. 4.2.4). Правила индикации также аналогичны основному меню.
-
4.2.14.3 Каждый назначенный параметр из списка индицируется в течение 5 секунд. Кроме того, каждый цикл начинается с перехода на третий шаг начального пункта меню, где индицируется текущее время и дата (см. 4.2.2.5). Таким образом, при наличии в списке N+1 назначенного параметра, периодичность индикации всех параметров составит 5*(N+1) секунд.
-
4.2.14.4 Вход в циклическое меню выполняется автоматически после выполнения всех шагов начальной индикации, если в циклическом меню задан хотя бы один параметр. Нахождение в циклическом меню - неограниченно долго. Выход возможен либо на уровень заголовков по нажатию любой клавиши, либо на уровень начального пункта одновременным нажатием двух клавиш.
Лист 62 Т10.00.60 РЭ
-
5 РАБОТЫ ПРИ ЭКСПЛУАТАЦИИ И ТЕКУЩИЙ РЕМОНТ
-
5.1 Техническое обслуживание и периодическая поверка
-
5.1.1 ТЭКОН-19 при эксплуатации подлежит периодической поверке. Поверку проводят в соответствии с требованиями раздела 6. Результаты периодической поверки и первичной поверки после ремонта регистрируют в формуляре.
-
5.1.2 Перед отключением преобразователя для сдачи его в поверку, а также перед вводом его в эксплуатацию после поверки, необходимо выполнить рекомендации 2.3.11.3. Монтаж и демонтаж преобразователя проводят согласно требованиям 3.1.
-
5.1.3 После длительного хранения или перерыва в эксплуатации с отключением питания общей продолжительностью более 10 месяцев может потребоваться замена встроенного элемента питания. Разряд элемента питания ниже допустимого уровня может привести, в частности, к сбросу показаний часов, искажению журнала событий и накопленной архивной информации.
-
-
Техническое обслуживание с целью определения уровня заряда и, в случае необходимости, замены элемента питания, производится на предприятии-изготовителе или в авторизованных сервисных центрах.
-
5.2 Ремонт
-
5.2.1 Ремонт ТЭКОН-19 производится на предприятии-изготовителе или в авторизованных сервисных центрах.
-
5.2.2 Преобразователь следует направлять в ремонт в комплекте с заполненным формуляром, сопроводительным письмом с описанием неисправности в произвольной форме, без клеммных соединителей, а также крепежных и прочих элементов, не входящих в комплект поставки.
-
5.2.3 При проведении ремонта не гарантируется сохранность настройки и накопленной информации в памяти прибора. Перед вводом в эксплуатацию после ремонта необходимо провести пуско-наладочные работы.
-
5.2.4 После ремонта необходимо провести первичную поверку в соответствии с требованиями раздела 6.
-
5.2.5 Сведения о каждом произведенном ремонте, значениях заводских параметров настройки, установленных после ремонта, и гарантии сервисного центра записью в формуляре и прилагаемых к нему актах ремонта.
-
-
6 ПОВЕРКА
В разделе изложена методика первичной, периодической и внеочередной поверок.
Методика распространяется на преобразователи расчетно-измерительные ТЭКОН-19 всех исполнений и модификаций независимо от даты изготовления.
Допускается проведение поверки не всех ИК и (или) не во всех поддиапазонах измерений в соответствии с заявлением владельца ТЭКОН-19 с указанием в свидетельстве о поверке и (или) паспорте прибора информации об объеме проведенной поверки.
(Измененная редакция, Изм. № 3).
-
6.1 При проведении поверки ТЭКОН-19 должны быть выполнены операции, указанные в таблице 6.1.
При получении отрицательных результатов на любой операции поверки поверку прекращают, ТЭКОН-19 признают непригодным для эксплуатации.
-
6.2 Интервал между поверками ТЭКОН-19 с датой изготовления после 01.10.07 - 4 года, для остальных преобразователей - 2 года.
(Измененная редакция, Изм. № 3).
Таблица 6.1 - Перечень операций поверки
|
Наименование операции |
Номер пункта |
Проведение операций при поверке | |
|
первичной |
периодической | ||
|
Внешний осмотр |
6.7.1 |
да |
да |
|
Опробование |
6.7.2 |
да |
да |
|
Определение сопротивления и электрической прочности изоляции |
6.7.3 |
да |
нет |
|
Проверка диапазона измерений и определение абсолютной погрешности ИК сопротивлений |
6.7.4 |
да |
да |
|
Проверка диапазона измерений и определение абсолютной погрешности ИК силы тока |
6.7.5 |
да |
да |
|
Проверка диапазона измерений и определение абсолютной погрешности ИК частоты и количества импульсов |
6.7.6 |
да |
да |
|
Определение суточного хода часов (относительной погрешности при измерении времени) |
6.7.7 |
да |
да |
|
Проверка идентификационных данных программного обеспечения ) |
6.7.8 |
да |
да |
|
*) - Не проводят для преобразователей с датой изготовления до 28.10.2013 | |||
(Измененная редакция, Изм. № 3).
-
6.3 Средства поверки
-
6.3.1 При проведении поверки применяются следующие средства:
-
• эталон единицы силы постоянного электрического тока 3 разряда в диапазоне значений от 1 • 10’3 А до 2 -10’2 А;
-
• рабочий эталон единицы электрического сопротивления 3 разряда в диапазоне значений от 50 Ом до 4 кОм;
-
• эталон единицы времени в диапазоне значений от 1,8-102 с до 1-104 с, единицы частоты в диапазоне значений от 0,1 Гц до 1000 Гц;
-
• Барометр типа М-67, диапазон измерения (от 600 до 800) мм рт. ст., погрешность 1 мм рт. ст.;
-
• Термометр ТЛ-1, диапазон (от 0 до 50) °C , цена деления 1 °C.
-
• Тайм-сервер группы тайм-серверов ФГУП «ВНИИФТРИ» (ntpl.vniiftri.ru, ntp2.vniiftri.ru или ntp3.vniiftri.ru);
(Измененная редакция, Изм. № 3).
-
6.3.2 Допускается применение аналогичных средств поверки, обеспечивающих определение метрологических характеристик ТЭКОН-19 с требуемой точностью.
-
6.4 Требования к безопасности и квалификации поверителей
-
6.4.1 К поверке допускаются лица, изучившие настоящую методику, руководства по эксплуатации ТЭКОН-19 и средств поверки, прошедшие обучение в качестве поверителей средств измерений и работающие в организации, аккредитованной на право поверки.
(Измененная редакция, Изм. № 3).
-
6.4.2 При проведении поверки ТЭКОН-19 соблюдают требования безопасности, предусмотренные Приказом Минтруда России от 24.07.2013 N 328н "Об утверждении Правил по охране труда при эксплуатации электроустановок", ГОСТ 12.2.007.0-75, ГОСТ 12.1.019-2009, ГОСТ 12.2.091-2012, а также требования безопасности, указанные в технической документации на ТЭКОН-19, средства поверки и вспомогательное оборудование.
-
6.5 Условия поверки
-
6.5.1 Поверку проводят в следующих условиях: температура окружающего воздуха, °C относительная влажность воздуха, % атмосферное давление, кПа (мм рт. ст.) напряжение питания, В
20 ±5;
30- 80;
84- 106,7(630- 795);
24 ±2,5.
-
6.5.2 В помещении не должно быть пыли, дыма, газов и паров, загрязняющих аппаратуру свыше ПДК для радиоэлектронной промышленности.
-
6.5.3 В помещении проведения поверки уровень вибрации не должен превышать норм, установленных в стандартах или технических условиях на средства поверки конкретного типа.
Т10.00.60РЭ Лист 65
-
6.5.4 Присоединение магазинов сопротивления к клеммам ТЭКОН-19 осуществляют медными нелужеными проводами.
-
6.6 Подготовка к поверке
-
6.6.1 Средства поверки и ТЭКОН-19 подготавливают к работе в соответствии с эксплуатационной документацией указанных средств. ТЭКОН-19 перед проведением поверки ставят на прогрев на время не менее 30 минут.
-
6.6.2 Проверяют настройку значений параметров ТЭКОН-19 в соответствии с таблицей 3.2 и отображение в меню индикации измеренных значений параметров всех ПК (сопротивления, силы тока, частоты), руководствуясь указаниями раздела 3 настоящего РЭ. При необходимости проводят настройку значений параметров и меню индикации с помощью технологической программы «Телепорт» (поставляются на диске в комплекте с ТЭКОН-19), руководствуясь описанием и функциями помощи к программе.
(Измененная редакция, Изм. № 3).
-
6.7 Проведение поверки
-
6.7.1 Внешний осмотр
При внешнем осмотре ТЭКОН-19 проверяют маркировку, наличие необходимых надписей на наружной панели, комплектность, отсутствие механических повреждений. Не допускают к дальнейшей поверке ТЭКОН-19, у которых обнаружено неудовлетворительное крепление разъемов, грубые механические повреждения наружных частей и прочие повреждения.
-
6.7.2 Опробование
-
6.7.2.1 При опробовании проверяют исправность органов управления и индикации, соответствие индикации служебной информации о преобразователе (серия и заводской номер, номер версии алгоритмов программного обеспечения) данным, приведенным в эксплуатационной документации и на шильдике задней панели, а также проверяют возможность вывода на индикатор лицевой панели ТЭКОН-19 всех запрограммированных в меню индикации параметров и служебной информации.
-
6.7.2.2 Опробование считают успешным, если на индикаторе лицевой панели корректно отображаются служебная информация о преобразователе, все названия и значения параметров, отсутствует индикация критических отказов, ошибок программирования и нештатных ситуаций.
-
6.7.3 Определение сопротивления и электрической прочности изоляции
-
6.7.3.1 Определение сопротивления и электрической прочности изоляции проводят между клеммами измерительных цепей и корпусом преобразователя по ГОСТ Р 52931. Результаты измерений регистрируют в протоколе поверки произвольной формы.
-
6.7.3.2 Изоляция измерительных электрических цепей относительно цепей питания должна выдерживать в течение 1 минуты действие испытательного напряжения практически синусоидальной формы амплитудой 500В, частотой от 45 до 65 Гц при нормальных климатических условиях, сопротивление изоляции должно быть не менее 20 МОм.
-
6.7.4 Проверка диапазона измерений и определение абсолютной погрешности ИК сопротивлений
-
6.7.4.1 Собирают схему соединений, приведённую на рисунке 6.1.
-
6.7.4.2 На магазине сопротивления задают значения сопротивления (Ro6pij) последовательно в пяти точках для каждого из диапазонов измерения для двух ИК, выбранных в соответствии с требованиями МИ 2539, и в трех точках для остальных ИК (значения сопротивлений выбирают по таблице 6.2). Проводят отсчёты значений измеренного сигнала (RH3Mjj) на индикаторе лицевой панели ТЭКОН-19, либо через интерфейс CAN-BUS.
Здесь i - номер точки диапазона входного сигнала,
j - номер ИК данного типа,
ВНИМАНИЕ! Значения сопротивления в диапазоне (1000 - 4000) Ом задают только для преобразователей с датой изготовления после 01.10.07.
(Измененная редакция, Изм. № 3).
Результаты измерений регистрируют в протоколе поверки произвольной формы.
Таблица 6.2
|
Диапазоны измерения, Ом |
Контрольные точки сопротивления, Ом | |
|
для двух каналов, выбранных по МИ 2539 |
для остальных каналов | |
|
50-250 |
50, 100, 150, 200, 250 |
50, 150, 250 |
|
250- 1000 |
300, 500, 700, 900, 1000 |
300, 700, 900 |
|
1000-4000 |
1500,2000, 2500,3000,4000 |
1500, 2500,4000 |
-
6.7.4.3 Абсолютная погрешность ИК сопротивлений должна находиться в интервалах:
-
- в диапазоне сопротивлений (50 - 250) Ом ± 0,04 Ом; ’
-
- в диапазоне сопротивлений (свыше 250 - 1000) Ом ± 0,2 Ом;
-
- в диапазоне сопротивлений (свыше 1000 - 4000) Ом ± 2 Ом.
* для преобразователей с датой изготовления до 01.10.07 ± 0,05 Ом (Измененная редакция, Изм. № 3).
ТЭКОН-19
|
JR+ |
* |
|
UR+ |
* |
|
UR- |
* |
|
Jr- |
♦ |


Рисунок 6.1- Схема подключения средств поверки при проведении поверки ИК сопротивлений
Ml - магазин сопротивлений, *- номера контактов по таблице 3.1
-
6.7.5 Проверка диапазона измерений и определение абсолютной погрешности ИК силы тока
-
6.7.5.1 Собирают схему соединений, приведённую на рисунке 6.2.
ТЭКОН-19
и.+
Ur-
Рисунок 6.2 - Схема подключения средств поверки при проведении поверки ИК силы тока. К - калибратор тока, *- номера контактов по таблице 3.1
-
6.7.5.2 На калибраторе тока задают значения силы тока (Лобрц) последовательно в пяти точках для каждого из диапазонов измерения (1, 2, 3, 4, 5 мА и 6, 8, 10, 15, 20 мА) для двух измерительных каналов, выбранных в соответствии с требованиями МИ 2539, и в трех точках (1, 3, 5 мА и 6, 10, 20 мА) для остальных измерительных каналов. Проводят отсчёты значений измеренного сигнала (1изМц) на индикаторе лицевой панели ТЭКОН-19.
Здесь i - номер точки диапазона входного сигнала, j - номер ИК данного типа,
Результаты измерений регистрируют в протоколе поверки произвольной формы.
-
6.7.5.3 Абсолютная погрешность ИК силы тока должна находиться в интервалах:
-
- в диапазоне силы тока (0 - 5) мА ± 0,005 мА;
-
- в диапазоне силы тока (свыше 5 - 20) мА ± 0,02 мА.
-
6.7.6 Проверка диапазона измерений и определение абсолютной погрешности ИК частоты и количества импульсов
(Измененная редакция, Изм. № 3).
-
6.7.6.1 Собирают схему соединений, приведённую на рисунке 6.3. Устанавливают перемычки выбора типа ИП в положение, соответствующее ИП с активным выходным сигналом, как показано на рис. 3.3.
-
6.7.6.2 Осуществляют сброс показаний частотомера и устанавливают его в режим измерения частоты следования импульсов. Время счета частотомера для преобразователей с датой изготовления до 30.10.2015 устанавливают не менее 100 с, для остальных преобразователей - не менее 10 с. Допускается применение эталона частоты без частотомера, если он обеспечивает определение метрологических характеристик ТЭКОН-19 с требуемой точностью.
(Измененная редакция, Изм. № 3).
-
6.7.6.3 Устанавливают на генераторе импульсов длительность импульса равной (500±50) мкс амплитудой 10 В и частоту импульсов последовательно в пяти точках диапазона измерения (100, 300, 500, 800, 1000 Гц) для двух ИК, выбранных в соответствии с требованиями МИ 2539, и в трех точках (100, 500, 1000 Гц) для остальных ИК. Проводят отсчёты значений измеренного сигнала (FH3Mjj) на индикаторе лицевой панели ТЭКОН-19. С помощью частотомера проводят отсчёт значений частоты входного сигнала (Fo6pij). В случае применения эталона частоты без частотомера за (Fo6pij) принимают значения, установленные на этом эталоне.
Здесь i - номер точки диапазона входного сигнала, j - номер ИК данного типа,
Результаты измерений регистрируют в протоколе поверки произвольной формы.
(Измененная редакция, Изм. № 3).
Рисунок 6.3 - Схема подключения средств поверки при проведении поверки ИК частоты и количества импульсов
Ч - частотомер в режиме счёта импульсов,
ГИ - генератор импульсов,
*- номера контактов по таблице 3.1
-
6.7.6.4 Абсолютная погрешность ИК при измерении частоты должна находиться в интервале ± 0,2 Гц.
-
6.7.6.5 Абсолютная погрешность ЙК при измерении количества импульсов должна находиться в интервале ± 1 имп.
-
6.7.7 Определение суточного хода часов (относительной погрешности при измерении времени)
-
6.7.7.1 Суточный ход часов определяют одним из двух способов - по индикатору ТЭКОН-19, либо через интерфейс CAN-BUS.
-
6.7.7.2 При определении суточного хода часов по индикатору ТЭКОН-19, устанавливают индикацию времени на индикаторе лицевой панели ТЭКОН-19, на дисплее ЭВМ устанавливают индикацию показаний часов ЭВМ и устанавливают часы ЭВМ по эталону (тайм-серверу группы тайм-серверов ФГУП «ВНИИФТРИ» (ntpl.vniiftri.ru, ntp2.vniiftri.ru или ntp3.vniiftri.ru) с использованием протокола NTP).
-
6.7.7.3 При определении суточного хода часов через интерфейс CANBUS выполняют периодическое чтение значения параметра № F018 «Время» через интерфейс, и, дождавшись его смены, отмечают показания часов эталона.
Одновременно определяют необходимое время между началом и окончанием измерений тизм, обеспечивающее определение суточного хода часов ТЭКОН-19 с требуемой точностью в зависимости от времени реакции на изменение значения параметра «Время», полученного от ТЭКОН-19 через интерфейс CAN-BUS, но не менее 180 с.
-
6.7.7.4 При определении суточного хода часов с помощью ЭВМ по тайм-серверу время между началом и окончанием измерений тизм выбирают в диапазоне (16 - 24) час.
-
6.7.7.5 Фиксируют в протоколе поверки начальное значение тнач поправки часов ТЭКОН-19, как разность показаний часов ТЭКОН-19 и эталона (часов ЭВМ) в секундах.
-
6.7.7.6 Через время тизм повторно проводят операции по 6.7.7.2 (6.7.7.3).
-
6.7.7.7 Фиксируют в протоколе поверки конечное значение тк0„ поправки часов ТЭКОН-19, как разность показаний часов ТЭКОН-19 и эталона (часов ЭВМ) в секундах.
-
6.7.7.8 Проверку по 6.7.7 допускается проводить одновременно с другими проверками.
-
6.7.7.9 Суточный ход часов должен находиться в интервале ± 9 с.
-
6.7.7.10 Относительную погрешность при измерении времени определяют только для преобразователей, изготовленных до 31.10.2013, полученное значение должно находиться в интервале ± 0,01 %.
(Измененная редакция, Изм. № 3).
-
6.7.8 Проверка идентификационных данных программного обеспечения
Проверка идентификационных данных программного обеспечения ТЭКОН-19 проводится сравнением идентификационных данных программного обеспечения на дисплее ТЭКОН-19 с идентификационными данными, указанными в таблице 2.2.
Результаты считают положительными, если идентификационные данные программного обеспечения соответствуют приведенным в таблице 2.2.
-
6.8 Обработка результатов измерений
-
6.8.1 Обработка результатов измерений при определении абсолютной погрешности ИК сопротивления
-
6.8.1.1 Вычисляют значение абсолютной погрешности по формуле:
ARj = maxj {(|RH3Mjj-Ro6pij|)}
-
6.8.1.2 Проверяют соблюдение неравенств:
в диапазоне сопротивлений (50 - 250) Ом................ ARj 0,04 Ом;(6.2)
в диапазоне сопротивлений (свыше 250 - 1000) Ом .... ARj 0,2 Ом;
в диапазоне сопротивлений (свыше 1000 - 4000) Ом .. ARj 2 Ом.+)
* для преобразователей с датой изготовления до 01.10.07 соблюдение неравенства (6.4) не проверяют, а неравенство (6.2) имеет вид:
(Измененная редакция, Изм. №' 3).
-
6.8.2 Обработка результатов измерений при определении абсолютной погрешности ИК силы тока
-
6.8.2.1 Вычисляют значение абсолютной погрешности по формуле:
AJj = maxj {(|jH3Mjj - Jo6pjj|)} (6.6)
-
6.8.2.2 Проверяют соблюдение неравенств:
в диапазоне силы тока (0 - 5) мА........................... A Jj 0,005 мА; (6.7)
в диапазоне силы тока (свыше 5 - 20) мА................ A Jj 0,02 мА; (6.8)
-
6.8.3 Обработка результатов измерений при определении абсолютной погрешности ИК частоты и количества импульсов
-
6.8.3.1 Вычисляют значение абсолютной погрешности ИК при измерении частоты по формуле:
AFj = maxj {((Ризму - Fo6pjj|)} (6.9)
-
6.8.3.2 Проверяют соблюдение неравенства:
А^<0,2Гц (6.10)
-
6.8.3.3 Вычисляют значение абсолютной погрешности ИК при измерении количества импульсов с использованием частотомера по формуле (6.11), с использованием эталона частоты без частотомера (генератор импульсов), по формуле (6.12):
AN, = (AFj - 1/тч) • хт , (6.11)
ANj = AFj • тт, (6.12)
где тч - время счета частотомера в секундах,
хт - время счета ТЭКОН-19 при измерении частоты, равное 10 с для преобразователей с датой изготовления после 30.10.2015 и 8 с - для остальных преобразователей.
-
6.8.3.4 Проверяют соблюдение неравенства:
ANj < 1 имп. (6.13)
(Измененная редакция, Изм. № 3).
-
6.8.4 Обработка результатов измерений при определении суточного хода часов и относительной погрешности при измерении времени
-
6.8.4.1 Вычисляют значение суточного хода часов, с, по формуле:
А(т)= (Ткон - Тнач) • 24 • 3600 / тизм , (6.14)
где тизм - время между началом и окончанием измерений в секундах.
-
6.8.4.2 Для преобразователей, изготовленных до 31.10.2013, вычисляют значение относительной погрешности при измерении времени, %, по формуле:
5(т) (ткон тнач) ■ 100 / тизм , (6.15)
-
6.8.4.3 Проверяют соблюдение неравенства:
|А(т)|<9с (6.16)
Для преобразователей, изготовленных до 31.10.2013 проверяют соблюдение неравенства:
| 5(т)| < 0,01 % (6.17)
(Измененная редакция, Изм. № 3).
-
6.8.5 Результаты поверки считают положительными, если выполняются условия 6.8.1.2, 6.8.2.2, 6.8.3.2, 6.8.4.3.
-
6.9 Оформление результатов поверки
-
6.9.1 При положительных результатах поверки ТЭКОН-19 признают пригодным к эксплуатации и оформляют свидетельство о поверке в соответствии с Приказом Минпромторга № 1815 от 02.07.2015 г. или регистрируют результаты в паспорте (формуляре).
-
6.9.2 При отрицательных результатах поверки ТЭКОН-19 признают непригодным к дальнейшей эксплуатации, выдают извещение о непригодности с указанием причин в соответствии с Приказом Минпромторга № 1815 от 02.07.2015 г. и регистрируют результаты в паспорте (формуляре).
(Измененная редакция, Изм. № 3).
-
7 ТРАНСПОРТИРОВАНИЕ И ХРАНЕНИЕ
-
7.1 Транспортирование
-
Транспортирование упакованного ТЭКОН-19 должно производиться в крытых транспортных средствах всеми видами транспорта, авиатранспортом -только в герметизированных и отапливаемых отсеках в соответствии с ГОСТ Р 52931.
-
7.2 Хранение
Хранение ТЭКОН-19 должно производиться в соответствии с условиями хранения ОЖ4 по ГОСТ 15150.
-
8 УТИЛИЗАЦИЯ
-
8.1 Преобразователь расчетно-измерительный ТЭКОН-19 не содержит драгоценных металлов и материалов, представляющих опасность для жизни.
-
8.2 Утилизация ТЭКОН-19 производится отдельно по группам материалов: пластмассовые элементы, металлические крепежные элементы.
-
ПРИЛОЖЕНИЕ А - Перечень нормативных и технических документов, на которые даны ссылки в РЭ
ГОСТ Р 52931-2008
ГОСТ 15150-69
ГОСТ 14254-2015
ГОСТ 12.2.007.0-75
ГОСТ 2.601-2013
ГОСТ 6651-2009
ГОСТ Р 8.740-2011
ГОСТ 8.586.5-2005
ГОСТ 30319.1-2015
ГОСТ 30319.2-2015
ГОСТ 30319.3-2015
ГОСТР
МЭК 870-5-1-95
Приборы контроля и регулирования технологических процессов. Общие технические условия.
Машины, приборы и другие изделия. Исполнения для различных климатических районов. Категории, условия эксплуатации, хранения и транспортирования в части воздействия климатических факторов внешней среды. Степени защиты, обеспечиваемые оболочками (код IP).
ССБТ. Изделия электротехнические. Общие требования безопасности. ЕСКД. Эксплуатационные документы.
Термопреобразователи сопротивления. Общие технические условия.
ГСИ. Расход и количество газа. Методика измерений с помощью турбинных, ротационных и вихревых расходомеров и счетчиков.
Измерение расхода и количества жидкостей и с помощью стандартных сужающих устройств. Методика выполнения измерений.
Газ природный. Методы расчета физических свойств. Общие положения.
Г аз природный. Методы расчета физических свойств. Вычисление физических свойств на основе данных о плотности при стандартных условиях и содержании азота и диоксида углерода.
Газ природный. Методы расчета физических свойств. Вычисление физических свойств на основе данных о компонентном составе.
Устройства и системы телемеханики. Часть 5.
Протоколы передачи. Раздел 1. Форматы передаваемых кадров.
|
ГОСТ РЕН 1434-4-2011 ГОСТР 51350-99 |
Теплосчетчики. Испытания с целью утверждения типа. Безопасность электрических контрольно-измерительных приборов и лабораторного оборудования. Часть 1. Общие требования. |
|
МИ 2412-97 |
ГСИ. Рекомендация. Водяные системы теплоснабжения. Уравнения измерений тепловой энергии и количества теплоносителя. |
|
МИ 2451-98 |
ГСИ. Рекомендация. Паровые системы теплоснабжения. Уравнения измерений тепловой энергии и количества теплоносителя. |
|
МИ 2539-99 |
Измерительные каналы контроллеров, измерительновычислительных, управляющих, программно-технических комплексов. Методика поверки. |
|
МИ 3173-2008 |
ГСИ. Рекомендация. Расход и количество жидкостей и газов. Методика выполнения измерений с помощью осредняющих напорных трубок «TORBAR». |
|
МИ 3213-2009 |
ГСИ. Расход и объем газа. Методика выполнения измерений с помощью ультразвуковых преобразователей расхода. |
(Измененная редакция, Изм. № 3).
МИ 2667-2011
ГСССДМР 113-03
ГСССДМР 118-05
ГСССДМР 122-06
ГСССД МР 134-07
Р 50.2.077-2014
Р 50.2.076-2010
ТУ 4213-060-44147075
Т10.06.116РР
Т10.06.59 РД
ГСИ. Рекомендация. Расход и количество жидкостей и газов. Методика выполнения измерений с помощью осредняющих трубок «ANNUBAR DIAMOND П+» и «ANNUBAR 485».
Основные положения
Определение плотности, фактора сжимаемости, показателя адиабаты и коэффициента динамической вязкости влажного нефтяного газа
Расчет плотности, фактора сжимаемости, показателя адиабаты и коэффициента динамической вязкости умеренно-сжатых газовых смесей
Расчет основных термодинамических свойств и коэффициентов динамической вязкости и теплопроводности азота
Расчет плотности, фактора сжимаемости, показателя адиабаты и коэффициента динамической вязкости азота, ацетилена, кислорода, диоксида углерода, аммиака, аргона и водорода
Рекомендация. Испытания средств измерений в целях утверждения типа. Проверка защиты программного обеспечения.
ГСИ. Плотность нефти и нефтепродуктов. Методы расчета. Программы и таблицы приведения
02 Преобразователи расчетно-измерительные ТЭКОН-19.
Технические условия.
Преобразователи расчетно-измерительные ТЭКОН-19. Алгоритмы расчета.
Теплоэнергоконтроллеры ТЭКОН-Ю, ТЭКОН-17. Обмен по последовательному каналу. Руководство программиста.
ПРИЛОЖЕНИЕ Б - Перечни параметров и алгоритмов ТЭКОН-19
Таблица Б.1 - Перечень «жестких» параметров ТЭКОН-19 всех исполнений
|
Номер параметра |
Наименование параметра |
Ha- значе ние |
Вид О |
Место 2) |
Доступ 3) |
Наличие в исполнении12) 11111 12345678901234 | ||
|
полное |
краткое | |||||||
|
1 Задача «Измерения аналоговые» | ||||||||
|
0101 |
Измерительный ток на ТС, мА |
Ток ТС |
ЗК |
п |
ПЗУД |
23 |
+++-++++-+—+- | |
|
0102 |
Опорное напряжение АЦП, мВ |
Иопорн |
ЗК |
п |
ПЗУД |
23 |
+++-++++-++-++ | |
|
0103 |
Порог переключения Кус АЦП min, max |
порог |
ЗК |
Ш2 |
ПЗУД |
23 |
+++-++++-++-++ | |
|
0104 |
Кус для больших напряжений, i= 1,2,3 |
АЦП0 |
Кус Umax |
ЗК |
П |
ПЗУД |
23 |
+++-++++-++-++ |
|
И04 |
АЦГО |
KycUmaxi |
ЗК |
П |
ПЗУД |
23 |
+ | |
|
0105 |
Кус для средних напряжений, i=l,2,3 |
АЦП0 |
Кус Ucp |
ЗК |
П |
ПЗУД |
23 |
+++-++++-++-++ |
|
1105 0106 |
Ацга |
Кус Ucpi |
ЗК |
П |
ПЗУД |
23 |
+ | |
|
Кус для малых напряжений |
Кус Umin |
ЗК |
П |
ПЗУД |
23 |
Ч"Ч"Ч"—Ч"Ч"Ч"Ч"—Ч"--ч~— | ||
|
0108 |
Смещение Кус для больших напряжений, мВ, i= 1,2,3 |
АЦП0 |
dK Umax |
ЗК |
П |
ПЗУД |
23 |
"ЬЧ"Ч"—Ч"Ч"Ч"Ч"—Ч"Ч"—Ч"Ч" |
|
Н08 |
АЦП! |
dK Umaxi |
ЗК |
П |
ПЗУД |
23 |
+ | |
|
0109 |
Смещение Кус для средних напряжений, мВ, i= 1,2,3 |
АЦП0 |
dK Ucp |
ЗК |
п |
ПЗУД |
23 |
+++-++++-++-++ |
|
Н09 |
АЦП! |
dK Ucpi |
ЗК |
п |
ПЗУД |
23 |
+ | |
|
010А |
Смещение Кус для малых напряжений, мВ |
dK Umin |
ЗК |
п |
ПЗУД |
23 |
Ч-Ч-Ч-—Ч-Ч-Ч-Ч-—Ч---Ч"— | |
|
ОНО |
Смещение канала ИК0-ИК9, мВ |
dUTi 10), dUJi 10) |
ЗК |
п |
ПЗУД |
23 |
+++-++++-++-++ | |
|
0111 |
+++-++++-++-++ | |||||||
|
0112 |
+++-++++-++-++ | |||||||
|
0113 |
Ч—р—-|—р——Ч—h—Ч—F | |||||||
|
0114 |
+ ++ | |||||||
|
0115 |
+ + | |||||||
|
0116 |
+ + | |||||||
|
010С |
Входное сопротивление ИК, Ом |
Rbx Ji 10) |
ЗК |
п |
ПЗУД |
23 |
-----+----+__+ | |
|
010D |
Ч-Ч----4-----4-—4- | |||||||
|
010Е |
4~|"—4-4-—4-—4-—+ | |||||||
|
010F |
++—+—+—+—+ | |||||||
|
0118 |
Калибровка ИК, мВ |
КалибрЛ10) |
нп |
п |
ПЗУД |
22 |
-----4----- | |
|
0119 |
++ + + + | |||||||
|
ОНА |
4—|-—4—h—4-—4-—4- | |||||||
|
011В |
4-4"—4"—4-—4-—4- | |||||||
|
011С |
Напряжение на канале ИК0-ИК9, мВ |
[uT^ Uji 10> |
с |
п |
ХОЗУ |
13 |
4-4-4-—4-4—F4-—4-4-—4-4- | |
|
011D |
+++-++++-++-++ | |||||||
|
011Е |
4-4-4-—4-4-4-4-—4-4-—4-4- | |||||||
|
011F |
4-4-4-—4-4-4-4-—4-4-—4-4- | |||||||
|
0120 |
+ ++ | |||||||
|
0121 |
+ + | |||||||
|
0122 |
-----4--------4- | |||||||
Продолжение таблицы Б.1
|
Номер параметра |
Наименование параметра |
Ha- значе ние |
Вид 1) |
Место 2) |
Дос туп 3) |
Наличие в исполнении|2) 11111 12345678901234 | ||
|
полное |
краткое | |||||||
|
0400 |
Ток в канале ИК, мА |
Р |
И |
ХОЗУ |
13 |
+ + + | ||
|
0401 |
++---+----+—+ | |||||||
|
0402 |
++—++—+—+—4- | |||||||
|
0403 |
++—-|-—+—+—+ | |||||||
|
0404 |
Сопротивление в |
ТО |
Rtc 0 |
Р |
И |
ХОЗУ |
13 |
+++—++4-4-—+—+— |
|
0405 |
канале «И», Ом. |
Т1 |
Rtc 1 |
—+—+-1—Ь+—+—+— | ||||
|
0406 |
1=0..4 |
Т2 |
Rtc 2 |
—+—++—+—+- | ||||
|
0407 |
ТЗ |
Rtc 3 |
+ + + | |||||
|
2 Задача «Измерения числоимпульсные и частотные» | ||||||||
|
0200 |
Цифровой фильтр |
вход 0 |
фильтр 0 |
НИ |
бит |
ПЗУД |
22 |
++++++++++-+— |
|
0201 |
250 Гц на входе Fi |
вход 1 |
фильтр 1 |
++++++++++-+— | ||||
|
0202 |
включен |
вход 2 |
фильтр 2 |
++++++++++-+— | ||||
|
0203 |
вход 3 |
фильтр 3 |
++-+-+—++-+— | |||||
|
0204 |
вход 4 |
фильтр 4 |
+ + + | |||||
|
0205 |
вход 5 |
фильтр 5 |
+ + + | |||||
|
0206 |
вход 6 |
фильтр 6 |
--------+—+-- | |||||
|
0207 |
вход 7 |
фильтр 7 |
+ + | |||||
|
0408 |
Текущая частота |
вход 0 |
Ftck 0 |
Р |
И |
ХОЗУ |
13 |
++++++++++-+— |
|
0409 |
на входе Fi, Гц |
вход 1 |
Ftck 1 |
++++++++++-+— | ||||
|
040А |
вход 2 |
Ftck 2 |
++++++++++-+— | |||||
|
040В |
вход 3 |
Ftck 3 |
++_+_+—++_+— | |||||
|
040С |
вход 4 |
Ftck 4 |
—+-----+_+— | |||||
|
040D |
вход 5 |
Ftck 5 |
+ + + | |||||
|
040Е |
вход 6 |
FTeK 6 |
---+-----+—+-- | |||||
|
040F |
вход 7 |
Ftck 7 |
+ + | |||||
|
0410 |
Число импульсов |
вход 0 |
Ыимп ц 0 |
Р |
Д2 |
ХОЗУ |
12 |
++++++++++-+— |
|
0411 |
за цикл на входе Fi |
вход 1 |
Ыимп ц 1 |
++++++++++-+— | ||||
|
0412 |
вход 2 |
NnMn ц 2 |
++++++++++-+— | |||||
|
0413 |
вход 3 |
NnMn ц 3 |
++-+-+—++-+— | |||||
|
0414 |
вход 4 |
NnMn ц 4 |
—+-----+-+— | |||||
|
0415 |
вход 5 |
Г1имп ц 5 |
—+----- | |||||
|
0416 |
вход 6 |
Ыимп ц 6 |
---+-----+—+-- | |||||
|
0417 |
вход 7 |
Цимп ц 7 |
---+-------+-- | |||||
|
0506 |
Состояние |
вход 0 |
Вход 0 |
С |
бит |
ОЗУ |
10 |
++++++++++—■+—— |
|
0507 |
дискретного входа |
вход 1 |
Вход 1 |
++++++++++-+— | ||||
|
0508 |
Fi |
вход 2 |
Вход 2 |
++++++++++-+— | ||||
|
0509 |
вход 3 |
Вход 3 |
++-+-+—++-+— | |||||
|
050А |
вход 4 |
Вход 4 |
---+-----+—+-- | |||||
|
050В |
вход 5 |
Вход 5 |
—+-----+_+— | |||||
|
050С |
вход 6 |
Вход 6 |
+ + + | |||||
|
050D |
вход 7 |
Вход 7 |
—+-------+__ | |||||
|
0210 |
Мгновенная целая |
вход 0 |
Fmthob 0 |
С |
Д2 |
ХОЗУ |
22 |
++++++++++-+— |
|
0211 |
частота на входе Fi, |
вход 1 |
Fmthob 1 |
++++++++++-+— | ||||
|
0212 |
Гц |
вход 2 |
Fmthob 2 |
++++++++++-+— | ||||
|
0213 |
вход 3 |
Fmthob 3 |
++-+-+—++-+— | |||||
Продолжение таблицы Б. 1
|
Номер параметра |
Наименование параметра |
На-значе’ ние |
Вид 1) |
Место 2) |
Доступ 3) |
Наличие в исполнении12) 11111 12345678901234 | ||
|
полное |
краткое | |||||||
|
0214 |
Мгновенная целая частота на входе Fi, Гц |
вход 4 |
Fmthob 4 |
---+-----++ | ||||
|
0215 |
вход 5 |
Fmthob 5 |
+ + + | |||||
|
0216 |
вход 6 |
Fmthob 6 |
+ + + | |||||
|
0217 |
вход 7 |
Рмгнов 7 |
---+-------+__ | |||||
|
0208 |
Общее число импульсов на входе Fi |
вход 0 |
общимп 0 |
С |
Д2 |
ХОЗУ |
12 |
+++4-++++++—-4"—~ |
|
0209 |
вход 1 |
общими 1 |
++++++++++-+— | |||||
|
020А |
вход 2 |
общимп 2 |
++++++++++-+— | |||||
|
020В |
вход 3 |
общимп 3 |
4-4-—4-—4-—+4-—4-— | |||||
|
020С |
вход 4 |
общимп 4 |
--------4-—4-— | |||||
|
020D |
вход 5 |
общимп 5 |
—+-----+_+— | |||||
|
020Е |
вход 6 |
общимп 6 |
—+-----+_+— | |||||
|
020F |
вход 7 |
общимп 7 |
+ + | |||||
|
3 Задача «Индикация» | ||||||||
|
3.1 Основное меню | ||||||||
|
0700(i) |
Индицируемый параметр, i=0..199 |
параметр |
НП |
Ш2 |
ПЗУП |
22 |
4-4 4 4 4---|---- | |
|
070 l(i) |
Число знаков после запятой, i=0..199 |
точность |
НП |
Д1 |
ПЗУП |
22 |
-+++++—+---- | |
|
0702(1) |
Наименование, 1=0..2399 |
имя |
НП |
Ш1 8) |
ПЗУП |
22 |
-++++Ч---+---- | |
|
3.2 Меню архивов | ||||||||
|
0704(i) |
Индицируемый параметр, 1=0..55 |
параметр |
НП |
Ш2 |
ПЗУП |
22 |
+++++ + ’ | |
|
0705(1) |
Число знаков после запятой, i=0..55 |
точность |
НП |
Д1 |
ПЗУП |
22 |
-+++++—+---- | |
|
0706(1) |
Наименование, 1=0..671 |
имя |
НП |
Ш1й) |
ПЗУП |
22 |
-+++++—+---- | |
|
3.3 Циклическое меню | ||||||||
|
0707(i) |
Индицируемый параметр, i=0..9 |
параметр |
НП |
Ш2 |
ПЗУП |
22 |
-+++++—+---- | |
|
0708(1) |
Число знаков после запятой, i=0..9 |
точность |
НП |
Д1 |
ПЗУП |
22 |
-+++++—+---- | |
|
0709(i) |
Наименование, 1=0.. 119 |
имя |
НП |
Ш1 8) |
ПЗУП |
22 |
+++++ + | |
|
4 Задача «Система» | ||||||||
|
4.1 Описание программного модуля | ||||||||
|
F000 |
Тип модуля |
Тип |
С |
Ш2 |
ПЗУП |
10 |
++++++++++++++ | |
|
0512 |
Исполнение модуля |
Исполнен |
зк |
Ш1 |
ПЗУП |
33 |
+++++++++Ч---- | |
|
F040 |
Серия |
Серия |
зк |
Ш2 |
ПЗУД |
13 |
-+++++—++— | |
|
F001 |
Заводской номер |
3aeN |
зк |
Ш2 |
ПЗУД |
13 |
++++++++++++++ | |
|
F002 |
Версия программы |
Прогр |
с |
Ш1 |
ПЗУП |
10 |
++++++++++++++ | |
|
F004(i) |
Очередь загружаемых задач (массив 256 задач) |
Очередь |
НП |
Ш4 |
ПЗУП |
22 |
++++++++++---- | |
|
F005- F008 |
Начало таймерных задач 512Гц, 64Гц, 8Гц, 1Гц |
- |
зк |
Ш2 |
ПЗУП |
22 |
не используются | |
|
F009 |
Начало задач по запросу |
- |
зк |
Ш2 |
ПЗУП |
22 |
не используются | |
|
F00A(i) |
Таблица параметров загружаемых задач, i=0..2047 |
Пар зад |
НП |
Ш4 |
ПЗУП |
22 |
++++++++++---- | |
|
FOOB(i) |
Таблица описания гибких параметров, i=0.. 1019 |
опис гиб |
НП |
Ш4 |
ПЗУП |
22 |
++++++++++- | |
Продолжение таблицы Б.1
|
Номер параметра |
Наименование параметра |
На- значе ние |
Вид 1) |
Место 2) |
Доступ 3) |
Наличие в исполнении12) 11111 12345678901234 | ||
|
полное |
краткое | |||||||
|
F00C |
Длина области очереди задач (=1024 байт) |
дл очере |
ЗК |
Д2 |
ПЗУП |
20 |
++++++++++---- | |
|
FOOD |
Длина таблицы параметров загружаемых задач (=4096 байт) |
дл пар з |
зк |
Д2 |
ПЗУП |
20 |
++++++++++---- | |
|
F00E |
Длина области описания гибких параметров (=4080 байт) |
дл гиб п |
ЗК |
Д2 |
ПЗУП |
20 |
++++++++++---- | |
|
FOOF |
Длина области размещения гибких параметров |
в ОЗУ (=48 байт) |
гиб РПД |
зк |
Д2 |
ПЗУП |
20 |
++++++++++---- |
|
F010 |
вХОЗУ (=512000 байт) |
гиб ОЗУ |
зк |
Д2 |
ПЗУП |
20 |
++++++++++---- | |
|
F011 |
вПЗУД (=1024 байт) |
гиб РПЗУ |
зк |
Д2 |
ПЗУП |
20 |
++++++++++---- | |
|
F012 |
в ПЗУП (=0) |
гиб прог |
зк |
Д2 |
ПЗУП |
20 |
++++++++++---- | |
|
F013 |
Начальный адрес разме-щения гибких параметров |
в ОЗУ (=0080h) |
Агиб РПД |
зк |
Ш2 |
ПЗУП |
20 |
++++++++++--- |
|
F014 |
в ХОЗУ (=1000h) |
Аги б ОЗУ |
зк |
Ш2 |
ПЗУП |
20 |
++++++++++---- | |
|
F015 |
в ПЗУД (=300h) |
АгибРПЗУ |
зк |
Ш2 |
ПЗУП |
20 |
++++++++++--- | |
|
F016 |
в ПЗУП |
- |
зк |
Ш2 |
ПЗУП |
20 |
++++++++++---- | |
|
F026 |
Заводской пароль |
ПарольЗ |
зк |
Ш4 |
ПЗУД |
30 |
+++++++++++-++ | |
|
F028(i) |
Идентификатор, i=0..3 |
Идентиф |
нп |
Ш4 |
ПЗУД |
23 |
++++++++++---- | |
|
F029(i) |
Символ короткого имени задачи, i=0..2047 |
Зад имя |
нп |
Ш1 |
ХОЗУ, ПЗУД |
23 |
++++++++++---- | |
|
F02A |
Дата останова |
ДатаОст |
с |
5) |
ХОЗУ |
23 |
++++++++++---- | |
|
F02B |
Время останова |
ВремяОст |
с |
4) |
ХОЗУ |
23 |
++++++++++---- | |
|
F02C |
Маркеры останова |
МаркОст |
с |
9Ш2 |
ХОЗУ |
23 |
++++++++++---- | |
|
F02D |
Фиксация останова |
ФиксОст |
с |
Ш2 |
ХОЗУ |
23 |
++++++++++---- | |
|
4.2 Настройка интерфейсов | ||||||||
|
0000 |
Сетевой номер CAN-BUS |
сетИ |
нп |
Ш1 |
ПЗУД |
22 |
++++++++++++++ | |
|
0004 |
Конфигурация и скорость CAN BUS |
скорость |
нп |
Ш2 |
ПЗУД |
22 |
++++++++++++++ | |
|
0005 |
Сетевой номер RS-232 TTL |
номер RS |
нп |
Ш1 |
ПЗУД |
22 |
++++++++++- | |
|
0006 |
Описатель интерфейса RS-232 |
интер RS |
нп |
Ш17) |
ПЗУД |
22 |
++++++++++---- | |
|
0007 |
Константа частоты RS-232 |
част RS |
нп |
Ш27) |
ПЗУД |
22 |
++++++++++---- | |
|
4.3 Общие настройки для расчетов | ||||||||
|
F025 |
Пароль наладки |
Пароль2 |
нп |
Ш4 |
ПЗУД |
22 |
++++++++++4—++ | |
|
0300 |
Стандартная температура холодного источника, °C |
Тхи стан |
нп |
П |
ПЗУД |
12 |
+++++++-I-++---- | |
|
0306 |
Номер параметра, используемого как Тхи |
номерТхи |
нп |
Ш2 |
ПЗУД |
12 |
++++++++++---- | |
|
0308 |
Используемая Тхи, °C |
Тхи |
р |
П |
ХОЗУ |
12 |
++++++++++---- | |
|
0301 |
Стандартное атмосферное давление |
Ратм ста |
нп |
П |
ПЗУД |
12 |
++++++++++- | |
|
0307 |
Номер параметра, используемого как Ратм |
номерРат |
нп |
Ш2 |
ПЗУД |
12 |
++++++++++---- | |
|
0304 |
Размерность Ратм: мм рг ст \ кгс/см2 \МПа(0М\2) |
РазмРатм |
нп |
Д1 |
ПЗУД |
12 |
-Н-Н-+-Н-+-Н----- | |
|
0309 |
Используемое Ратм |
Ратм |
р |
П |
ХОЗУ |
12 |
++++++++++---- | |
Продолжение таблицы Б.1
|
Номер параметра |
Наименование параметра |
На-значе ние |
Вид 1) |
Место 2) |
Доступ 3) |
Наличие в исполнении12) 11111 12345678901234 | ||
|
полное |
краткое | |||||||
|
F020 |
Длительность расчетного интервала, минут |
интервал |
НП |
п |
ПЗУД |
12 |
++++++++++---- | |
|
F023 |
Расчетный час |
Расч час |
НП |
Д1 |
ПЗУД |
12 |
++++++++-Н----- | |
|
F022 |
Расчетный день месяца |
Расч день |
НП |
Д1 |
ПЗУД |
12 |
++++-Н-++++---- | |
|
F017 |
Дата НН ДД ММ ГГ |
Дата |
Р |
—5Г~ |
ХОЗУ |
12 |
++++++++++---- | |
|
F018 |
Время 00 сс мм чч |
Время |
Р |
4) |
ХОЗУ |
12 |
+++++++-Н-+---- | |
|
0302 |
Очистка ХОЗУ |
очистка |
НП |
бит |
ОЗУ |
22 |
++++++++++---- | |
|
0303 |
Запрет \ разрешение летнего времени (0\1) |
Лети вр |
НП |
бит |
ПЗУД |
12 |
++++++++++---- | |
|
0501 |
Отказ алгоритмический |
АлгОтказ |
НП |
бит |
ОЗУ |
12 |
++++++++++---- | |
|
4.4 Промежуточные и служебные параметры | ||||||||
|
0305 |
Энтальпия холодного источника, МДж/кг |
ЭнтХИ |
Р |
П |
ХОЗУ |
23 |
++++++++++---- | |
|
F01A |
Режим работы |
режим |
С |
Ш1 |
ОЗУ |
23 |
++++++++++---- | |
|
F01C |
Код пользователя |
пользов |
С |
Ш1 |
ОЗУ |
20 |
+++++++++++-++ | |
|
F01E |
Длительность цикла расчета |
часов |
Цикл, ч |
Р |
П |
ХОЗУ |
13 |
++++++++++---- |
|
F01F |
секунд |
Цикл, с |
Р |
П |
ХОЗУ |
13 |
++++++++++---- | |
|
0500 |
Состояние отказов |
отказы |
С |
Ш26) |
ОЗУ |
10 |
++++++++++++++ | |
|
0516 |
Расширенные отказы |
Расш отк |
С |
Ш46) |
ОЗУ |
10 |
++++++++++++++ | |
|
0513 |
Дополнительные отказы |
ДопОтказ |
С |
Ш16) |
ОЗУ |
10 |
+ ++ | |
|
050Е |
Общий отказ ТЭКОН-19 |
Общ отк |
Р |
бит |
ОЗУ |
10 |
++++++++++---- | |
|
0502 |
Флаги времени |
- |
С |
Ш1 |
ОЗУ |
23 |
++++++++++----- | |
|
0503 |
Контрольный адрес |
Пар\адр |
С |
Ш4 |
ХОЗУ |
22 |
++++++++++---- | |
|
0504 |
Содержимое контрольного параметра/адреса |
Адр плав |
С |
П |
ХОЗУ |
23 |
++++++++++---- | |
|
0505 |
Адр 16 |
Ш4 | ||||||
|
050F |
Счет секунд за 30 минут |
ТЗОс |
С |
Д1 |
ХОЗУ |
23 |
++++++++++---- | |
|
0510 |
Счет секунд интервала |
Сек инт |
С |
Д2 |
ХОЗУ |
23 |
++++++-Н-++---- | |
|
0900 |
Маркер системных событий |
маркер |
С |
Д1 |
ХОЗУ |
20 |
++++++++++---- | |
|
4.5 Тестовые naj |
эаметры | |||||||
|
0511 1 |
Технологическая перемычка |
перемычк |
С |
бит |
ОЗУ |
23 |
++++++++++---- | |
|
F02A |
Дата останова |
ДатаОст |
С |
ХОЗУ |
23 |
++++++++++---- | ||
|
F02B |
Время останова |
ВремяОст |
С |
4) |
ХОЗУ |
23 |
++++++++++---- | |
|
F02C |
Маркеры останова |
МаркОст |
с |
9Ш2 |
ХОЗУ |
23 |
++++++++++---- | |
|
F02D |
Фиксация останова |
ФиксОст |
с |
Ш2 |
ХОЗУ |
23 |
++++++++++---- | |
|
4.6 Системный журнал событий (массив 256 элементов) | ||||||||
|
0901 |
Дата события |
дата соб |
с |
ХОЗУ |
10 |
++++++++++---- | ||
|
0902 |
Время события |
врем соб |
с |
4) |
ХОЗУ |
10 |
++++++++++---- | |
|
0903 |
Вид события |
вид |
с |
ХОЗУ |
10 |
++++++++++---- | ||
|
0904 |
Событие |
Событие |
с |
ХОЗУ |
10 |
++++++++++---- | ||
|
4.71 |
’асширение системы | |||||||
|
F034(i) |
Стандартное имя очереди, i=0. .6 |
Имя опер |
НП |
S4 ' |
ПЗУД |
13 |
+++++- + | |
|
F035(i) |
Имя объекта, i=0..6 |
Имя объе |
НП |
84П) |
ПЗУД |
12 |
-+++++---+---- | |
|
F036 |
КС метрологии ПО эталон |
М ПО эт |
зк |
Ш4 |
ПЗУД |
10 |
-+++++---+---- | |
|
F037 |
КС метрологии ПО реально |
МПОр |
с |
Ш4 |
ХОЗУ |
10 |
-+++++—+---- | |
таблицы Б.1
|
Номер параметра |
Наименование параметра |
На- значе ние |
Вид О |
Место 2) |
Доступ 3) |
Наличие в исполнении12) 11111 12345678901234 | |
|
полное |
краткое | ||||||
|
F040 |
Номер серии приборов |
серия |
ЗК |
Ш4 |
ПЗУД |
13 |
-+++++---+---- |
|
030А |
Частота процессора |
ЧастПроц |
НП |
Ш1 |
ПЗУД |
22 |
-++4--Н----+---- |
|
0518 |
Первый цикл после перезапуска |
Вкл пит |
С |
бит |
ОЗУ |
13 |
1-++++---4----- |
ПРИМЕЧАНИЯ: 1.
2.
П - число с плавающей запятой; Ш - шестнадцатеричное число, Д - десятичное число, S -символ. Цифра обозначает число байт во внутреннем представлении числа. Числа с плавающей запятой в формате стандарта IEEE-754 (короткие вещественные числа, 4 байта). ПЗУД, ПЗУП - репрограммируемая память данных и программ соответственно. ХОЗУ -внешняя оперативная памяти с питанием от внутреннего источника. ОЗУ - внутренняя оперативная память, при отключении внешнего питания информация не сохраняется.
-
3. Первая цифра обозначает уровень доступа на чтение, вторая на запись: 0- операции нет, 1 -
пользователь, 2 - наладчик, 3 - настройщик (см. 3.2).
-
4. Четыре байта с двоично-десятичным представлением времени: пустой, секунды от 00 до 59,
минуты от 00 до 59, часы от 00 до 23.
-
5. Четыре байта с двоично-десятичным представлением даты: день недели (00 понедельник, ..
06 воскресенье), дата от 01 до 31, месяц от 01 до 12, младшие цифры года от 00 до 99.
-
6. Шестнадцатеричное число, двоичные разряды которого являются признаками исправности
(состояние «0») или неисправности (состояние «1»), Поразрядную расшифровку см. таблицы 2.11 (параметры 0500 и 0516) и 2.12 (параметр 0513).
-
7. Назначение см. 2.3.7.
-
8. Каждые 12 последовательных элементов массива являются строкой наименования парамет
ра в текстовой кодировке Windows.
-
9. Назначение см. 2.3.8.
-
10. Распределение каналов по номерам и типам зависит от исполнения.
-
11. Группы по 4 символа.
-
12. Исполнения 01, 07-09 сняты с производства. На исполнения 12-14 имеется отдельная документация.
Таблица Б.2 - Перечень загружаемых алгоритмов ТЭКОН-19 в БД
|
Номер алгоритма |
Наименование |
Количество параметров |
Требуемый объем ХОЗУ (байт) |
Примечание | |||
|
внешний (в БД) |
внутренний |
полное |
краткое |
Вход О |
Вы ход 2) | ||
|
Арифметические операции над параметрами и константами с плавающей запятой | |||||||
|
0030 |
01 |
Х1+Х2->У |
Y=X1+X2 |
2 |
1 |
4 | |
|
0031 |
02 |
Х+К->У |
Y=X+K |
1(+1) |
1 |
4 | |
|
0032 |
03 |
Х1-Х2->У |
Y=X1-X2 |
2 |
1 |
4 | |
|
0033 |
04 |
Х-К->У |
Y=X-K |
1(+1) |
1 |
4 | |
|
ООЗС |
05 |
К-Х->У |
Y=K-X |
1(+1) |
1 |
4 | |
|
0034 |
06 |
Х1*Х2->У |
Y=X1*X2 |
2 |
1 |
4 | |
|
0035 |
07 |
Х*К->У |
Y=X*K |
1(+1) |
1 |
4 | |
|
0036 |
08 |
Х1/Х2->У |
Y=X1/X2 |
2 |
1 |
4 | |
|
0037 |
09 |
Х/К->У |
Y=X/K |
1(+1) |
1 |
4 | |
|
0038 |
0А |
К/Х->У |
Y=K/X |
1(+1) |
1 |
4 | |
|
0089 |
0F |
Сравнение Sign(X2-Xl)->Y |
Sig(2-1) |
2 |
1 |
- |
У -битовый |
|
Логические операции над битовыми параметрами | |||||||
|
0199 |
ОВ |
XlvX2vX3vX4->Y |
Xlv..vX4 |
4 |
1 |
- |
«ИЛИ» |
|
019А |
ОС |
X1&X2->Y |
X1&X2 |
2 |
1 |
- |
«и» |
|
006А |
1В |
XI (+) X2->Y |
X1(+)X2 |
2 |
1 |
- |
искл. «ИЛИ» |
|
006В |
1В |
XI (+) X2->Y |
X1(+)X2 |
2 |
1 |
- |
искл. «ИЛИ», Х2 в ПЗУД |
|
0073 |
0D |
AX->Y |
Y=AX |
1 |
1 |
- |
инверсия |
|
Измерение и преобразование физических величин | |||||||
|
0190 |
10 |
Расчет температуры с ТСМУГСП |
tTC |
4 |
2 |
4 |
Rtc -> t С контролем обрыва |
|
0191 |
11 |
Токовый линейный датчик Х(1) |
□иин X(I) |
5 |
2 |
4 |
1дат -> X С контролем обрыва |
|
0192 |
12 |
Токовый квадратичный датчик Х(1) |
Kb X(I) |
5 |
2 |
4 | |
|
0193 |
13 |
Частотный линейный датчик X(F) |
X(F) |
6 |
2 |
4 |
Рдат -> X |
|
0197 |
14 |
Расчет температуры насыщенного пара по давлению |
T насыщ |
1 |
1 |
4 |
Рабе -> Табс |
|
0198 |
15 |
Расчет давления насыщенного пара по температуре |
P насыщ |
1 |
1 |
4 |
Табс -> Рабе |
|
0194 |
16 |
Ограничение параметра |
Огранич |
5 |
3 |
4 |
С контролем допуска |
|
0195 |
17 |
Перевод давления из кгс/см2 в МПа с приведением к абсолютному |
В абсМПа |
3 |
1 |
4 | |
|
0196 |
18 |
Перевод перепада давления из кгс/м2 в кПа |
dP в кПа |
2 |
1 |
4 | |
|
019В |
19 |
Выбор поддиапазона перепада |
Диап dP |
4 |
1 |
4 |
Выбор 1 из 2 датчиков |
|
Номер алгоритма |
Наименование |
Количество параметров |
Требуемый объем ХОЗУ (байт) |
Примечание | |||
|
Внешний (в БД) |
внутренний |
полное |
краткое |
Вход i) |
Вы ход 2) | ||
|
Расчет мгновенного и накопленного расхода методом переменного перепада: Gm,Gv =f(dP,Tc, Рабе) при угловом, фланцевом и трехрадиусном способах отбора3) | |||||||
|
0210, 02А0 |
20, 70 |
Расчет расхода воды |
Вода dP |
11 |
6(+4) |
256 |
Холодная, горячая |
|
0213, 02АЗ |
21, 73 |
Расчет расхода природного газа |
Газ dP |
14 |
4(+2) |
256 |
Только Gv |
|
0211, 02А1 |
22, 71 |
Расчет расхода перегретого пара |
Ппар dP |
И |
6(4-4) |
256 | |
|
0212, 02А2, 0850 |
23, 72, В6 |
Расчет расхода насыщенного пара |
Нпар dP |
11 |
6(+4) |
256 | |
|
024А, 02АА |
44, 77 |
Расчет расхода газа с заданными характеристиками |
HrasdP |
14 |
6(+4) |
256 | |
|
0805 |
91 |
Расчет расхода диоксида углерода |
СО2 dP |
11 |
7(+4) |
256 | |
|
0806 |
92 |
Расчет расхода кислорода |
02 dP |
11 |
7(+4) |
256 | |
|
0246, 02А6 |
47, 76 |
Расчет расхода сжатого воздуха |
возд dP |
11 |
7(+4) |
256 | |
|
0800 |
9А |
Расчет расхода азота |
N2 dP |
12 |
9(+10) |
256 |
Gv, Gm |
|
0801 |
9В |
Расчет расхода аргона |
ArdP |
12 |
9(4-10) |
256 |
Gv, Gm |
|
0802 |
9С |
Расчет расхода водорода |
H2 dP |
12 |
9(4-10) |
256 |
Gv, Gm |
|
0803 |
9D |
Расчет расхода ацетилена |
C2H2 dP |
12 |
9(4-10) |
256 |
Gv, Gm |
|
0804 |
9Е |
Расчет расхода аммиака |
NH3 dP |
12 |
9(4-10) |
256 |
Gv, Gm |
|
02F6 |
97 |
Расчет расхода смеси газов |
СмГ a3dP |
30 |
9(4-10) |
512 |
Gv, Gm |
|
02F3 |
94 |
Расчет влажного нефтяного газа |
HeфГaзdP |
26 |
7(4-12) |
1024 |
Gv, Gm |
|
Расчет мгновенного и накопленного расхода с использованием «мс частотного) датчика расхода: Gm,Gv =ДОдат,Тс, |
пцностного» (токового, Рабе) | ||||||
|
020F |
43 |
Произвольная среда |
ПронзИм |
1 |
2(+1) |
256 |
Gv =Одат |
|
0214 |
24 |
Расчет расхода воды |
Вода Gm |
4 |
6(+4) |
256 |
Холодная, горячая |
|
0217 |
25 |
Расчет расхода природного газа |
Газ Gm |
7 |
4(+2) |
256 |
Только Gv |
|
0215 |
26 |
Расчет расхода перегретого пара |
Ппар Gm |
4 |
6(+4) |
256 | |
|
0216, 0852 |
27, В8 |
Расчет расхода насыщенного пара |
Нпар Gm |
4 |
6(+4) |
256 | |
|
024В |
48 |
Расчет расхода газа с заданными характеристиками |
НГаз Gm |
5 |
6(+4) |
256 | |
|
0825 |
АС |
Расчет расхода диоксида углерода |
CO2 Gm |
4 |
7(+4) |
256 | |
Продолжение таблицы Б.2
|
Номер алгоритма |
Наименование |
Количество параметров |
Требуемый объем ХОЗУ (байт) |
Примечание | |||
|
Внешний (в БД) |
внутренний |
полное |
краткое |
Вход 1) |
Вы ход 2) | ||
|
0826 |
AD |
Расчет расхода кислорода |
02 Gm |
4 |
7(+4) |
256 | |
|
0249 |
4В |
Расчет расхода сжатого воздуха |
возд Gm |
4 |
7(+4) |
256 | |
|
02D3 |
83 |
Расчет расхода природного газа от преобразователя ИРВИС |
газИРВИС |
17 |
7(+6) |
256 |
Gv в рабочих и стандартных условиях |
|
0820 |
А4 |
Расчет расхода азота |
N2 Gm |
4 |
9(4-10) |
256 |
Gv, Gm |
|
0821 |
А5 |
Расчет расхода аргона |
Ar Gm |
4 |
9(+10) |
256 |
Gv, Gm |
|
0822 |
А6 |
Расчет расхода водорода |
H2Gm |
4 |
9(+10) |
256 |
Gv, Gm |
|
0823 |
А7 |
Расчет расхода ацетилена |
С2Н2 Gm |
4 |
9(+10) |
256 |
Gv, Gm |
|
0824 |
А8 |
Расчет расхода аммиака |
NH3 Gm |
4 |
9(+10) |
256 |
Gv, Gm |
|
02F8 |
99 |
Расчет расхода смеси газов |
СмГаз Gm |
22 |
9(+10) |
512 |
Gv, Gm |
|
02F5 |
96 |
Расчет влажного нефтяного газа |
НефГазОм |
18 |
8(+10) |
1024 |
Gv, Gm |
|
Расчет мгновенного и накопленного расхода Gm,Gv =f(dP,Tc, Рабе) с помощью напорных трубок TORBAR | |||||||
|
02С0 |
78 |
Расчет расхода воды |
ВодаТОЯ |
10 |
6(+4) |
256 | |
|
02СЗ |
79 |
Расчет расхода природного газа |
Газ TOR |
12 |
4(+2) |
256 |
Только Gv |
|
02С1 |
7А |
Расчет расхода перегретого пара |
nnapTOR |
10 |
6(4-4) |
256 | |
|
02С2, 0853 |
7В, В9 |
Расчет расхода насыщенного пара |
HnapTOR |
10 |
6(4-4) |
256 | |
|
02СА |
7F |
Расчет расхода газа с за-даннымихарактеристиками |
HTa3TOR |
13 |
6(4-4) |
256 | |
|
02С4 |
7С |
Расчет расхода диоксида углерода |
CO2 TOR |
10 |
6(4-4) |
256 | |
|
02С5 |
7D |
Расчет расхода кислорода |
02 TOR |
10 |
6(+4) |
256 | |
|
02С6 |
7Е |
Расчет расхода сжатого воздуха |
возд TOR |
10 |
6(4-4) |
256 | |
|
Расчет нак Gm,Gv =1 |
опленного расхода с использованием интегрщ датчика расхода: ХЫимщТс, Рабе) для воды, пара, газов; G =f(F> |
)ующего числоимпульсного имп) в остальных случаях | |||||
|
0218 |
28 |
Расчет расхода воды |
Вода имп |
5 |
4(+4) |
256 |
Холодная, горячая |
|
021В |
29 |
Расчет расхода природного газа |
Газ имп |
8 |
2(+2) |
256 |
Только Gv |
|
0219 |
2А |
Расчет расхода перегретого пара |
Ппар имп |
5 |
4(+4) |
256 | |
|
021 А, 0851 |
2В, В7 |
Расчет расхода насыщенного пара |
Нпар имп |
5 |
4(+4) |
256 | |
|
Номер алгоритма |
Наименование |
Количество параметров |
Требуемый объем ХОЗУ (байт) |
Примечание | |||
|
Внешний (в БД) |
внутренний |
полное |
краткое |
Вход 1) |
Вы ход 2) | ||
|
024С |
4С |
Расчет расхода газа с заданными характеристиками |
НГаз ими |
6 |
4(+4) |
256 | |
|
0815 |
А9 |
Расчет расхода диоксида углерода |
СО2 ими |
5 |
5(+4) |
256 | |
|
0816 |
АА |
Расчет расхода кислорода |
02 имп |
5 |
5(+4) |
256 | |
|
0252 |
4F |
Расчет расхода сжатого воздуха |
возд имп |
5 |
5(+4) |
256 | |
|
0810 |
9F |
Расчет расхода азота |
N2 Gh |
5 |
9(+10) |
256 |
Gv, Gm |
|
0811 |
АО |
Расчет расхода аргона |
Ar Gh |
5 |
9(4-10) |
256 |
Gv, Gm |
|
0812 |
А1 |
Расчет расхода водорода |
Н2 Gh |
5 |
9(4-10) |
256 |
Gv, Gm |
|
0813 |
А2 |
Расчет расхода ацетилена |
С2Н2 Gh |
5 |
9(4-10) |
256 |
Gv, Gm |
|
0814 |
АЗ |
Расчет расхода аммиака |
NH3 Gh |
5 |
9(4-10) |
256 |
Gv, Gm |
|
02F7 |
98 |
Расчет расхода смеси газов |
СмГаз Gh |
23 |
9(4-10) |
512 |
Gv, Gm |
|
02F4 |
95 |
Расчет влажного нефтяного газа |
НефГазИм |
19 |
5(4-10) |
1024 |
Gv, Gm |
|
021С |
2С |
Произвольный счетчик |
Люб имп |
2 |
2(+2) |
16 | |
|
021D |
2D |
Расчет расхода электроэнергии по однотарифной схеме |
Электр 1 |
2 |
2(+2) |
16 | |
|
021Е |
2Е |
Расчет расхода электроэнергии по двухтариф-ной схеме |
Электр 2 |
3 |
6(+4) |
40 |
Физ. Лица (с выходными) |
|
020Е |
8Е |
Элек 2т |
Юр. лица (без выходных) | ||||
|
021F |
33 |
Расчет расхода электроэнергии с 30-минутками |
ЭлектрЗО |
4 |
6(+4) |
256 | |
|
Расчет и накопление тепловой эне |
ргии | ||||||
|
019С |
1С |
Расчет энтальпии горячей воды |
Энт воды |
2 |
1 |
4 |
Функция от Тс, Рабе |
|
019D |
1D |
Расчет энтальпии перегретого пара |
Энт ппар |
2 |
1 |
4 |
Функция от Тс, Рабе |
|
019Е, 0855 |
1Е, ВВ |
Расчет энтальпии насыщенного пара |
Энт нпар |
2 |
1 |
4 |
Функция от Тс, Рабе |
|
0220, 12204) |
2F С4 |
Тепловая энергия в трубопроводе относительно холодного источника |
Тепло тр QTp откл |
|
2(+2) 2(+2) |
4*4 4*4 |
По массовому расходу и энтальпии |
|
0221, 12214) |
30 С5 |
Тепловая энергия в закрытой водяной системе отопления |
Закр теп Q3aKp |
|
4(+2) 4(+2) |
4(+2) 4(+2) |
По массовому расходу, температуре и давлению |
|
0222, 12224) |
31 С6 |
Тепловая энергия в открытой водяной системе отопления |
Откр теп QoTKp |
8 9 |
10(4-8) 10(4-8) |
18*4 18*4 | |
|
02В2, 12В24) |
42 С7 |
Тепловая энергия ГВС суммарное с утечками |
ГВС+утеч Qtbc ут |
6 7 |
9(+1) 10(4-1) |
17*4 17*4 | |
Продолжение таблицы Б.2
|
Номер алгоритма |
Наименование |
Количество параметров |
Требуемый объем ХОЗУ (байт) |
Примечание | |||
|
Внешний (в БД) |
внутренний |
полное |
краткое |
Вход 1) |
Вы ход 2) | ||
|
Прочие операции | |||||||
|
0200 |
32 |
Расчет и накопление времени исправной и неисправной работы узла учета |
Врем раб |
1 |
4(+4) |
8*4 | |
|
0201 |
1А |
Выбор тарифа при двухтарифном учете |
Тариф |
5 |
1 |
4*4 | |
|
0289 |
0Е |
Объединение 32 битовых параметров в 4-байтовый |
Сбор бит |
32 |
1 |
8 | |
|
0299 |
67 |
СбБитС |
33 |
2 |
8 | ||
|
028В |
40 |
Архив событий пользователя |
АрхСоб П |
2 |
7 |
3*256*4 +8 | |
|
Вспомогательные операции над числами с плавающей запятой | |||||||
|
0121 |
80 |
Переключатель |
перекл |
3 |
1 |
4 | |
|
02ВЗ |
81 |
Чтение элемента массива |
Чт элем |
2 |
1 |
- | |
|
Накопление, усреднение и архивирование на отрезках времени | |||||||
|
028А |
36 |
Интегрирование |
Интегр |
1 |
К+2) |
12 | |
|
0223 |
34 |
Накопление расхода (любого интегрируемого параметра) |
Накоплен |
1 |
8(4-8) |
18*4 |
По расчетным интервалам, часам, суткам, месяцам |
|
0224 |
35 |
Усреднение параметра |
Усреднен |
1 |
8(4-12) |
20*4 | |
|
0844 |
8F |
Средневзвешенный по расходу параметр |
Взвешен |
2 |
8(4-16) |
24*4 | |
|
0225 |
37 |
Архив месяцев, на 12 месяцев |
Арх меся |
1 |
1 |
12*4 |
С расчетных дат |
|
0235 |
3F |
Архив месяцев, на 48 месяцев |
Архмес48 |
1 |
1 |
48*4 |
С расчетных дат |
|
0226 |
38 |
Архив суток на 365/366 дней |
Арх суто |
1 |
1 |
366*4 |
С расчетных часов |
|
0227 |
39 |
Архив часов, на 16 суток |
Архчас16 |
1 |
1 |
384*4 | |
|
0228 |
ЗА |
Архив часов, на 32 суток |
Архчас32 |
1 |
1 |
768*4 | |
|
0229 |
ЗВ |
Архив часов, на 64 суток |
Архчас64 |
1 |
1 |
1536*4 | |
|
0233 |
3D |
Архив 30-минуток, на 16 суток |
АрхЗО-16 |
1 |
1 |
768*4 | |
|
0234 |
ЗЕ |
Архив 30-минуток, на 96 суток |
АрхЗО-96 |
1 |
1 |
4608*4 | |
|
0230 |
ЗС |
Архив расчетных интервалов, на 1440 значений |
Арх инте |
1 |
1 |
1440*4 | |
|
Обмен с другими модулями через CAN BUS | |||||||
|
027В, 0290 |
50, 1F |
Ввод параметра с плавающей запятой |
Вв плав Вв пл dT |
2 3 |
2 3 |
4 4 |
Ввод в ХОЗУ |
|
027С |
51 |
Ввод целого двухбайтового параметра |
Ввод 2 |
2 |
2 |
2 |
Ввод в ХОЗУ |
|
027D |
52 |
Ввод целого однобайтового параметра |
Ввод 1 |
2 |
2 |
1 |
Ввод в ХОЗУ |
|
Номер алгоритма |
Наименование |
Количество параметров |
Требуемый объем ХОЗУ (байт) |
Примечание | |||
|
Внешний (в БД) |
внутренний |
полное |
краткое |
Вход 1) |
Вы ход 2) | ||
|
027Е |
53 |
Ввод битового параметра |
Ввод бит |
2 |
2 |
- |
Ввод в ОЗУ |
|
027F |
54 |
Ввод 16-ричного 4-байтового параметра |
Вв4 HEX |
2 |
2 |
4 |
Ввод в ХОЗУ |
|
0280 |
55 |
Ввод параметра в формате времени |
Вв4врем |
2 |
2 |
4 |
Ввод в ХОЗУ |
|
0281 |
56 |
Ввод параметра в формате даты |
Вв4дата |
2 |
2 |
4 |
Ввод в ХОЗУ |
|
0282 |
57 |
Ввод числа импульсов |
Ввод имп |
2 |
3 |
8 |
Ввод в ХОЗУ |
|
0292 |
90 |
Ввод числа импульсов модернизированный |
Вв имп м |
3 |
5 |
16 |
Ввод в ХОЗУ |
|
0283 |
58 |
Часовой архив внешнего параметра, 16 суток |
АЧ16внеш |
2 |
4 |
384*4 | |
|
0284 |
59 |
Часовой архив внешнего параметра, 32 суток |
АЧ32внеш |
2 |
4 |
768*4 | |
|
0285 |
5А |
Часовой архив внешнего параметра, 64 суток |
АЧ64внеш |
2 |
4 |
1536*4 | |
|
0286 |
5В |
Суточный архив внешнего параметра |
АСУТвнеш |
2 |
4 |
366*4 | |
|
0287 |
5С |
Архив внешнего параметра на 12 месяцев |
АМ12внеш |
2 |
4 |
12*4 | |
|
0288 |
5D |
Архив внешнего параметра на 48 месяцев |
АМ48внеш |
2 |
4 |
48*4 | |
|
029А |
5Е |
Изменение битового параметра |
Изм бит |
3 |
3 |
6 | |
|
029В |
5F |
Изменение четырехбайтового параметра |
Изм байт |
3 |
3 |
9 | |
|
02В4 |
82 |
Синхронизация времени |
Синхр Т |
1 |
- |
- | |
|
Вычисление экстремумов для парамет] |
ров с плавающей запятой | ||||||
|
028С |
6Е |
Максимум |
МАХ |
1 |
18 |
76 | |
|
028D |
6F |
Минимум |
MIN |
1 |
18 |
76 | |
|
Расчет мгновенного и накопленного расхода с использованием mi датчика типа «Метран-ЗЗх» Gv, Gm =ДОдат,Тс, |
югопараметрического Рабе) | ||||||
|
0255 |
60 |
Расчет расхода воды |
Вода МЗЗ |
2 |
9(+1) |
256 |
Холодная, горячая |
|
0258 |
63 |
Расчет расхода природного газа |
Газ МЗЗ |
5 |
8(+1) |
256 |
Только Gv |
|
0256 |
61 |
Расчет расхода перегретого пара |
Ппар МЗЗ |
2 |
9(+1) |
256 | |
|
025А |
64 |
Расчет расхода диоксида углерода |
СО2 МЗЗ |
2 |
11(+1) |
256 | |
|
025В |
65 |
Расчет расхода кислорода |
02 МЗЗ |
2 |
11(+1) |
256 | |
|
025С |
66 |
Расчет расхода сжатого воздуха |
возд МЗЗ |
2 |
11(+1) |
256 | |
Продолжение таблицы Б.2
|
Номер алгоритма |
Наименование |
Количество параметров |
Требуемый объем ХОЗУ (байт) |
Примечание | |||
|
Внешний (в БД) |
внутренний |
полное |
краткое |
Вход 1) |
Вы ход 2) | ||
|
Алгебраические операции над параметрами с плавающей запятой | |||||||
|
0082 |
68 |
Логарифм натуральный |
Y=lnX |
1 |
1 |
8 | |
|
0083 |
69 |
Логарифм десятичный |
Y=lgX |
1 |
1 |
8 | |
|
0084 |
6А |
Экспонента |
Y=expX |
1 |
1 |
8 | |
|
0081 |
6В |
Корень квадратный |
Y=sqrtX |
1 |
1 |
8 | |
|
0087 |
6С |
Степенная функция |
у=Х1**Х2 |
2 |
1 |
12 | |
|
008С |
6D |
Возведение в степень |
Y=X1**N |
2 |
1 |
9 |
N - целое |
|
028Е |
41 |
Кусочно-линейная аппроксимация |
Кус-лин |
105 |
1 |
8 |
До 100 отрез ков |
|
01А0 |
С8 |
Оценка разности dX=Xl -Х2 |
ОценРазн |
3 |
2(H) |
6 | |
|
Расчет расхода и отведенного тепла в холодильной промышленности | |||||||
|
02Е0 |
8С |
Углекислота жидкая, числоимпульсный датчик |
СО2жид И |
5 |
8(+2) |
40 |
Gv, Gm |
|
02Е1 |
8D |
Углекислота жидкая, мощностной датчик |
СО2жид М |
5 |
8(+2) |
40 |
Gv, Gm |
|
02Е2 |
88 |
Пропиленгликоль, числоимпульсный датчик |
ГликольИ |
8 |
12(4-4) |
64 |
Gv, Gm, Q |
|
02ЕЗ |
89 |
Пропиленгликоль, мощностной датчик |
Глико льМ |
8 |
12(+4) |
64 |
Gv, Gm, Q |
|
02Е4 |
8А |
Аммиак жидкий, числоимпульсный датчик |
Аммиак И |
6 |
12(+4) |
64 |
Gv, Gm, Q |
|
02Е5 |
8В |
Аммиак жидкий, мощностной датчик |
Аммиак М |
6 |
12(4-4) |
64 |
Gv, Gm, Q |
|
Расчет расхода с помощью осредняющих трубок ANN |
UBAR485 | ||||||
|
0830 |
ВО |
Вода |
BoflaANN |
8 |
8(+4) |
128*4 |
Gv, Gm |
|
0831 |
В1 |
Пар перегретый |
nnapANN |
8 |
8(+4) |
128*4 |
Gv, Gm |
|
0832, 0854 |
В2, ВА |
Пар насыщенный |
HnapANN |
8 |
8(+4) |
128*4 |
Gv, Gm |
|
0833 |
ВЗ |
Газ природный |
Газ ANN |
12 |
6(+2) |
128*4 |
Gv |
|
0834 |
В4 |
Воздух |
Возд ANN |
9 |
7(+2) |
128*4 |
Gv, Gm |
|
Расчет расхода нефти и нес |
)тепродуктов | ||||||
|
0860 |
ВС |
Нефтепродукты, числоимпульсный датчик |
МазутИмп |
5 |
7(+2) |
8*4 |
Gv, Gm без учета P |
|
0861 |
ВС |
Нефть и нефтепродукты, числоимпульсный датчик |
НефИмЩР |
7 |
7(+2) |
8*4 |
Gv, Gm учетtи P |
|
0862 |
BD |
Нефть и нефтепродукты, мощностной датчик |
НефМопДР |
5 |
9(+2) |
9*4 |
Gv, Gm учет t и P |
|
Расчет расхода с соплом ИСА 1932 | |||||||
|
02А7 |
СО |
Вода |
Вода ИСА |
8 |
8 |
8*4 |
Gv, Gm |
|
02А8 |
С1 |
Пар перегретый |
ППар ИСА |
8 |
8 |
8*4 |
Gv, Gm |
|
02А9 |
С2 |
Пар насыщенный |
НПар ИСА |
9 |
8 |
8*4 |
Gv, Gm |
Продолжение таблицы Б.2
|
Номер алгоритма |
Наименование |
Количество параметров |
Требуемый объем ХОЗУ (байт) |
Примечание | |||
|
Внешний (в БД) |
внутренний |
полное |
краткое |
Вход О |
Вы ход 2) | ||
|
ПРИ
рит\
новт |
МЕЧАНИЯ: обках указано количество констант. обках указано количество вспомогательных внутренних параметров. горитмах с номерами вида 02Ах имеется дополнительный выходной параметр алго-шческого отказа. гветствуют «Правилам коммерческого учета тепловой энергии», введенным поста-[ением правительства РФ №1034 от 18.11.2013. | ||||||
Т10.00.60 РЭ Лист 89
ПРИЛОЖЕНИЕ В (справочное) - Двоичные и шестнадцатиричные коды
Таблица В.1 - Двоичные коды шестнадцатиричных чисел
|
16-ричное число |
двоичный код |
16-ричное число |
двоичный код |
16-ричное число |
двоичный код |
16-ричное число |
двоичный код |
|
0 |
0000 |
4 |
0100 |
8 |
1000 |
С |
1100 |
|
1 |
0001 |
5 |
0101 |
9 |
1001 |
D |
1101 |
|
2 |
0010 |
6 |
ОНО |
А |
1010 |
Е |
1110 |
|
3 |
ООП |
7 |
0111 |
В |
1011 |
F |
1111 |
Шестнадцатиричные числа - это способ сокращенной записи двоичных кодов. Каждый байт данных состоит из восьми двоичных разрядов (битов), нумеруемых справа налево от 0 до 7 (0-й разряд младший, 7-й разряд старший). Каждые четыре двоичных разряда называются тетрадой, которая может индицироваться в шестнадцатиричном виде. Байт состоит из двух тетрад, справа (двоичные разряды 3-0) младшая, слева (двоичные разряды 7-4) старшая. Таким образом, каждый байт изображается двумя шестнадцатиричными цифрами. В шестнадцатиричном изображении параметров, состоящих из нескольких байт, байты нумеруются слева направо: крайний левый байт имеет условный номер 0, крайний правый имеет номер 1 в двухбайтовых параметрах и номер 3 в четырехбайтовых параметрах (см. таблицу В.2).
Переход от шестнадцатиричной кодировки к двоичной и обратно можно выполнить с помощью таблицы В.1. Например, в шестнадцатиричном виде байт индицируется как А5. Используя данные из строк «А» и «5» таблицы В.1, получаем двоичное число 1010 0101, содержащее коды «1» в разрядах 7,5,2,0 и коды «0» в остальных разрядах.
Таблица В.2 - Расположение байтов и двоичных разрядов при индикации шестнадцатиричных чисел
Однобайтовое
|
байт | ||||||
|
7 |
6 |
5 |
2 |
1 |
0 | |
Двухбайтовое
|
Байт 0 |
(левый) |
Байт |
1 (правый) | ||||||||||||
|
7 |
6 |
5 |
4 |
3 |
2 |
1 |
0 |
1 5 |
1 4 |
1 3 |
1 2 |
1 1 |
1 0 |
9 |
8 |
Четырехбайтовое
|
Байт 0 |
(левый) |
эайт 1 |
эайт 2 |
Байт |
3 (правый) | ||||||||||||||||||||||||||
|
7 |
6 |
5 |
4 |
3 |
2 |
1 |
0 |
1 5 |
1 4 |
1 3 |
1 2 |
1 1 |
1 0 |
9 |
8 |
2 3 |
2 2 |
2 1 |
2 0 |
1 9 |
1 8 |
1 7 |
1 6 |
3 1 |
3 0 |
2 9 |
2 8 |
2 7 |
2 6 |
2 5 |
2 4 |
ПРИЛОЖЕНИЕ Г (справочное) - Погрешности расчета
Таблица Г. 1 - Пределы допускаемой относительной погрешности (5П) расчета параметров среды
|
Расчетный параметр |
Метод измерения расхода |
Среда |
Алгоритм в БД |
5п, % | |
|
объем |
масса | ||||
|
Расход и объем и масса среды, м3/ч, м3, т/ч (кг/ч), т (кг) (для газов -расход и объем, приведенные к стандартным условиям, м3/ч,м3) |
ИП расхода или объема с унифициро-ванными выходными сигналами с линейной ха-рактеристикой |
вода |
0214,0218 |
±0,0001 |
±0,02 |
|
перегретый пар |
0215,0219 |
±0,0001 |
± 0,001 | ||
|
насыщенный пар |
0216, 021А |
± 0,0001 |
±0,014 | ||
|
природный газ |
0217, 021В |
± 0,003 |
± 0,004 1} | ||
|
02FC, 02FD |
±0,001 |
±0,001 о | |||
|
воздух |
0249, 0252 |
± 0,003 |
± 0,003 | ||
|
кислород |
0826, 0816 |
±0,001 |
±0,001 | ||
|
диоксид углерода |
0825,0815 |
±0,001 |
± 0,001 | ||
|
нефтяной газ |
02F5, 02F4 0818,0819 |
± 0,001 |
± 0,001 | ||
|
азот |
0810, 0820 |
± 0,005 |
± 0,005 | ||
|
аргон |
0811, 0821 |
± 0,004 |
± 0,004 | ||
|
водород |
0812, 0822 |
± 0,002 |
± 0,002 | ||
|
ацетилен |
0813,0823 |
± 0,001 |
±0,001 | ||
|
аммиак: газ жидкий |
0814,0824 |
± 0,004 ± 0,004 |
± 0,001 ± 0,001 | ||
|
смесь газов |
02F7, 02F8 |
± 0,001 |
± 0,001 | ||
|
нефть, нефтепродукты |
0861,0862 |
±0,03 |
±0,03 | ||
|
метод переменного перепада давления на стандартных сужающих устройствах (диафрагма) |
вода |
0210, 02А0 |
± 0,021 |
±0,02 | |
|
перегретый пар |
0211, 02А1 |
± 0,008 |
± 0,008 | ||
|
насыщенный пар |
0850 |
±0,019 |
±0,017 | ||
|
природный газ |
0213, 02АЗ, 02FB |
±0,001 |
±0,001 ” | ||
|
кислород |
0806 |
± 0,001 |
±0,001 | ||
|
диоксид углерода |
0805 |
± 0,002 |
± 0,003 | ||
|
нефтяной газ |
02F3,0817 |
± 0,001 |
± 0,001 | ||
|
азот |
0800 |
± 0,003 |
± 0,002 | ||
|
аргон |
0801 |
± 0,002 |
± 0,001 | ||
|
водород |
0802 |
± 0,005 |
± 0,001 | ||
|
ацетилен |
0803 |
± 0,003 |
± 0,001 | ||
|
аммиак: газ жидкий |
0804 |
± 0,001 ± 0,003 |
± 0,001 ± 0,003 | ||
|
смесь газов |
02F6 |
±0,001 |
± 0,001 | ||
|
с помощью осредняющей напорной трубки TORBAR |
вода |
02С0 |
±0,05 |
±0,05 | |
|
перегретый пар |
02С1 |
±0,05 |
±0,05 | ||
|
насыщенный пар |
02С2 |
±0,05 |
±0,05 | ||
|
природный газ |
02СЗ |
±0,08 |
± 0,08 0 | ||
|
сжатый воздух |
02С6 |
+ 0,1 |
±0,1 | ||
|
диоксид углерода |
02С4 |
± 0,036 |
± 0,025 | ||
|
С помощью сопла ИСА 1932 |
вода |
02А7 |
±0,011 |
±0,011 | |
|
перегретый пар |
02А8 |
±0,012 |
±0,012 | ||
|
насыщенный пар |
02А9 |
±0,03 |
± 0,033 | ||
Продолжение таблицы Г, 1
|
Расчетный параметр |
Метод измерения расхода |
Среда |
Алгоритм В БД |
5п, % | |
|
объем |
масса | ||||
|
с помощью осредняющей трубки ANNUBAR |
вода |
0830 |
±0,03 |
±0,03 | |
|
перегретый пар |
0831 |
± 0,025 |
± 0,025 | ||
|
насыщенный пар |
0832 |
±0,016 |
±0,016 | ||
|
природный газ |
0833 |
± 0,002 |
± 0,002 | ||
|
воздух |
0834 |
±0,06 |
± 0,06 | ||
|
расходомером ИРВИС-К-300 |
природный газ |
02D3 |
± 0,026 |
± 0,026 | |
|
Тепловая энергия, Г кал, МДж |
любой |
вода |
019С+0220 |
±0,1 | |
|
перегретый пар |
019D+0220 |
±0,07 | |||
|
насыщенный пар |
019Е+0220 |
±0,13 | |||
|
Электроэнергия, кВт-ч, по 1- и 2-тарифной схемам |
с помощью счетчиков электроэнергии с числоимпульсными выходами |
электроэнергия |
021D, 021Е |
± 0,0001 | |
|
Арифметические действия над параметрами |
любая |
0030 ... 0038 |
± 0,0001 | ||
|
Примечания: 1. В тоннах условного топлива. | |||||
(Измененная редакция, Изм. № 3).
ПРИЛОЖЕНИЕ Д (справочное) - Алгоритмы расчета расхода Таблица Д. 1 - Наличие алгоритмов расчета расхода для различных сред («+» -алгоритм присутствует, «-» - алгоритма нет)
|
Среда |
Диафрагма |
СП см СП сл о <=» <г к Г о У О S |
Трубка Ап- nubar 485 |
Трубка TOR- BAR |
Расходомер |
Счетчик 2) |
Метран-ЗЗх |
Расходомер ИРВИС |
|
Коммерческие расчеты | ||||||||
|
Вода |
+ |
+ |
+ |
+ |
+ |
+ |
+ |
- |
|
Пар перегретый |
+ |
+ |
+ |
+ |
+ |
+ |
+ |
- |
|
Пар насыщенный |
+ |
+ |
+ |
+ |
+ |
+ |
- |
- |
|
Г аз природный |
+ |
+ |
+ |
+ |
+ |
+ |
+ | |
|
Воздух |
+ |
+ |
+ |
+ |
+ |
+ |
+ | |
|
Кислород |
+ |
- |
+ |
+ |
+ |
+ |
+ | |
|
Диоксид углерода (газ) |
+ |
+ |
+ |
+ |
+ |
+ | ||
|
Нефть и нефтепродукты 3) |
- |
- |
+ |
+ |
- |
- | ||
|
Азот, аргон, водород, ацетилен |
+ |
- |
+ |
+ |
- | |||
|
Аммиак (газ) |
+ |
- |
+ |
+ |
- | |||
|
Смесь сухих газов |
+ |
- |
+ |
+ |
- | |||
|
Газ нефтяной влажный |
+ |
- |
+ |
+ |
- | |||
|
Газ с заданными свойствами |
+ |
+ |
+ |
+ |
+ | |||
|
Электроэнергия |
- |
- |
- |
+ |
- | |||
|
Произвольная среда (в единицах измерения ИП расхода) |
- |
+ |
+ |
- | ||||
|
Технологические расчеты | ||||||||
|
Пропиленгликоль |
- |
- |
- |
- |
+ |
+ |
- |
- |
|
Диоксид углерода жидкий |
- |
- |
- |
- |
+ |
+ |
- |
- |
|
Аммиак жидкий |
- |
- |
- |
- |
+ |
+ |
- |
- |
|
Примечания:
| ||||||||
Всего в документе 92 пронумерованных страницы. Отпечатано в России.
