Методика поверки «Преобразователи напряжения измерительные L-Card» (ДЛИЖ.411618.0080 МП)
УТВЕРЖДАЮ
Технический директор

ктября 2017 г.
ООО «ИЦРМ»
М. С. Казаков
ПРЕОБРАЗОВАТЕЛИ НАПРЯЖЕНИЯ ИЗМЕРИТЕЛЬНЫЕ L-CARDМетодика поверки
ДЛИЖ.411618.0080 МП г. Видное
2017 г.
Содержание-
1.1 Настоящая методика поверки распространяется на преобразователи напряжения измерительные L-CARD (далее - преобразователи) и устанавливает методику их первичной и периодической поверок.
-
1.2 На первичную поверку следует предъявлять преобразователь, принятый отделом технического контроля организации-изготовителя или уполномоченным на то представителем организации, до ввода в эксплуатацию и после ремонта.
-
1.3 На периодическую поверку следует предъявлять преобразователь в процессе эксплуатации и хранения, который был подвергнут регламентным работам необходимого вида, и в эксплуатационных документах на который есть отметка о выполнении указанных работ.
-
1.4 Интервал между поверками в процессе эксплуатации и хранения устанавливается потребителем с учетом условий и интенсивности эксплуатации преобразователей, но не реже одного раза в год.
-
1.5 Основные метрологические характеристики (диапазоны измерений, пределы допускаемых погрешностей) приведены в таблицах 1-13.
Таблица 1 - Метрологические и технические характеристики преобразователей
модификации Е14-140
Наименование характеристики |
Значение |
Диапазон измерений напряжения постоянного тока, В |
от -10 до +10 |
Пределы допускаемой приведенной (к верхнему значению предела измерений) основной погрешности измерений напряжения постоянного тока, %, для пределов: -10 и 2,5 В -0,6 В -0,15 В |
±0,05 ±0,1 ±0,5 |
Диапазон измерений напряжения переменного тока в диапазоне частот от 0,02 до 99 кГц, В |
от Ю4 до 7 |
Пределы допускаемой приведенной (к верхнему значению предела измерений) основной погрешности измерений напряжения переменного тока, % |
согласно таблице 2 |
Диапазон воспроизведений напряжения постоянного тока1}, В |
от -5 до +5 |
Пределы допускаемой приведенной (к верхней границе диапазона воспроизведений) основной погрешности воспроизведений напряжения постоянного тока, % |
±0,3 |
Пределы допускаемой относительной основной погрешности частоты преобразований АЦП, % |
±0,005 |
Воспроизведение напряжения осуществляется только преобразователями исполнений M-D, M-D-I. |
Таблица 2 - Пределы допускаемой приведенной (к верхнему значению предела измерений) основной погрешности измерений напряжения переменного тока преобразователями модификации Е14-140
Диапазон частот входного сигнала, кГц |
Частота преобразований АЦП, кГц |
Пределы допускаемой приведенной (к верхнему значению предела измерений) основной погрешности измерений напряжения переменного тока Ч %, для пределов | |
10; 2,5 и 0,6 В |
0,15 В | ||
от 0,02 до 9/N^ |
20 |
±0,15 |
±0,5 |
от 0,02 до 49/N |
100 |
±1,0 |
±10 |
от 0,02 до 99/N |
200 |
±3,0 |
- |
Пределы допускаемой приведенной (к верхнему значению предела измерений) основной погрешности измерений напряжения переменного тока нормируются для сигналов, пиковые значения которых не превышают значение установленного предела измерений. 2) N- количество опрашиваемых измерительных каналов. |
Таблица 3 - Метрологические и технические характеристики преобразователей
модификации Е14-440
Наименование характеристики |
Значение |
Диапазон измерений напряжения постоянного тока, В |
от -10 до +10 |
Пределы допускаемой приведенной (к верхнему значению предела измерений) основной погрешности измерений напряжения постоянного тока, %, для пределов:
|
±0,05 ±0,1 ±0,5 |
Диапазон измерений напряжения переменного тока в диапазоне частот от 0,02 до 199 кГц, В |
от 10"4 до 7 |
Пределы допускаемой приведенной (к верхнему значению предела измерений) основной погрешности измерений напряжения переменного тока, % |
согласно таблице 4 |
Диапазон воспроизведений напряжения постоянного токаГ), В |
от -5 до +5 |
Пределы допускаемой приведенной (к верхней границе диапазона воспроизведений) основной погрешности воспроизведений напряжения постоянного тока, % |
±0,3 |
Пределы допускаемой относительной основной погрешности частоты преобразований АЦП, % |
±0,005 |
Пределы допускаемых дополнительных погрешностей измерений напряжения постоянного и переменного тока, воспроизведений напряжения постоянного тока, частоты преобразований АЦП от изменения температуры окружающей среды в диапазоне рабочих температур, на каждые 10 °C, в долях от пределов допускаемой основной погрешности |
0,5 |
О Воспроизведение напряжения постоянного тока осуществляется только преобразователями исполнений D, D-I. |
Таблица 4 - Пределы допускаемой приведенной (к верхнему значению предела измерений) основной погрешности измерений напряжения переменного тока преобразователями
модификации Е1 <■ |
-440 | |||
Диапазон частот входного сигнала, кГц |
Частота преобразования АЦП, кГц |
Пределы допускаемой приведенной (к верхнему значению предела измерений) основной погрешности измерений напряжения переменного тока %, для пределов | ||
10 В 2,5 В |
0,6 В |
0,15 В | ||
от 0,02 до 9/А2) |
20 |
±0,15 |
±0,5 | |
от 0,02 до 49Z/V |
100 |
±1,0 |
±10 | |
от 0,02 до 99ZV |
200 |
±3,0 |
— | |
от 0,02 до 199/N |
400 |
±5,0 |
±10,0 |
— |
Пределы допускаемой приведенной (к верхнему значению предела измерений) основной погрешности измерений напряжения переменного тока нормируются для сигналов, пиковые значения которых не превышают значение установленного предела измерений. 2) N- количество опрашиваемых измерительных каналов. |
Таблица 5 - Метрологические и технические характеристики преобразователей
модификации Е20-10
Наименование характеристики |
Значение |
Диапазон измерений напряжения постоянного тока, В |
от -3 до +3 |
Пределы допускаемой приведенной (к верхнему значению предела измерений) основной погрешности измерений напряжения постоянного тока, %, для пределов: 3; 1; 0,3 В |
±0,25 |
Диапазон измерений напряжения переменного тока, В:
|
от 3- Ю'4 до 2 от 10‘3 до 0,7 |
Пределы допускаемой относительной основной погрешности измерений напряжения переменного тока, % |
согласно таблицам 6, 7 |
Диапазон воспроизведений напряжения постоянного тока2), В |
от -5 до +5 |
Пределы допускаемой приведенной (к верхней границе диапазона воспроизведений) основной погрешности воспроизведений напряжения постоянного тока, % |
±0,3 |
Пределы допускаемой относительной основной погрешности частоты преобразований АЦП, % |
±0,005 |
0 Измерение напряжения переменного тока в диапазоне частот свыше 1000 кГц осуществляется только преобразователями исполнений 1, 1-1, D-l, D-1-I. 2) Воспроизведение напряжения постоянного тока осуществляется только преобразователями исполнений D, D-I, D-l, D-1-I. |
Таблица 6 - Пределы допускаемой относительной основной погрешности измерений напряжения переменного тока преобразователями модификации Е20-10 исполнений 1, 1-1, D-1.D-1-I
Диапазон частот входного сигнала, кГц |
Пределы допускаемой относительной основной погрешности измерений напряжения переменного тока % |
от 0,01 до 20 включ. |
± [0,2 + 0,02 -(*лс 1)]2)>3) X |
св. 20 до 300 включ. |
±[2 + 0,03-(^-1)] |
св. 300 до 1000 включ. |
±[3 + О,О5(^-1)] |
св. 1000 до 2000 включ.4) |
±[5 + 0,l.(ib-l)] |
св. 2000 до 49004) |
±[30 + 0,3(^-1)] |
Пределы допускаемой относительной основной погрешности измерений напряжения переменного тока нормируются для сигналов, пиковые значения которых не превышают значение установленного предела измерений. у
л/2 значение установленного предела измерений напряжения электрического тока.
|
Таблица 7 - Пределы допускаемой относительной основной погрешности измерений напряжения переменного тока преобразователями модификации Е20-10 всех исполнений, кроме 1,1-1, D-1, D-1-I
Диапазон частот входного сигнала, кГц |
Пределы допускаемой относительной основной погрешности измерений напряжения переменного тока Ч % |
от 0,01 до 20 включ. |
± [0,2 + 0,02 -(Хас 1)] 2)’3) X |
св. 20 до 300 включ. |
±[2 + 0,03(^-1)] |
св. 300 до 500 включ. |
±[3 + О,О5-(^-1)] Л. |
св. 500 до 1000 |
±[15 + 0,1(^-1)] |
Продолжение таблицы 7
Пределы допускаемой относительной основной погрешности измерений напряжения переменного тока нормируются для сигналов, пиковые значения которых не превышают значение установленного предела измерений.
X
-
2) Хас - предел измерений напряжения переменного тока, XАС = -у=-, где Хк -значение установленного предела измерений напряжения электрического тока.
^Х - значение измеряемого напряжения переменного тока.|
Таблица 8 - Метрологические и технические характеристики преобразователей
модификации Е-502
Наименование характеристики |
Значение |
Диапазон измерений напряжения постоянного тока, В |
от-10 до +10 |
Пределы допускаемой приведенной (к верхнему значению предела измерений) основной погрешности измерений напряжения постоянного тока %, для пределов:
|
±0,05 ±0,07 ±0,1 ±0,2 |
Диапазон измерений напряжения переменного тока в диапазоне частот от 0,01 до 999 кГц, В |
от 210’4 до 7 |
Пределы допускаемой относительной основной погрешности измерений напряжения переменного тока, % |
согласно таблице 9 |
Диапазон воспроизведений напряжения постоянного тока2), В |
от -5 до +5 |
Пределы допускаемой приведенной (к верхней границе диапазона воспроизведений) основной погрешности воспроизведений напряжения постоянного тока, % |
±0,1 |
Диапазон воспроизведений напряжения переменного тока в диапазоне частот от 0,01 до 100 кГц, В |
от 10‘3 до 3,5 |
Пределы допускаемой относительной основной погрешности воспроизведений напряжения переменного тока, % |
согласно таблице 10 |
Диапазон воспроизведений частоты переменного тока, кГц |
от 0,01 до 100 |
Пределы допускаемой относительной основной погрешности воспроизведений частоты переменного тока, % |
±0,005 |
Пределы допускаемой относительной основной погрешности частоты преобразований АЦП, % |
±0,005 |
Пределы допускаемой приведенной (к верхней границе диапазона измерений) основной погрешности измерений напряжения постоянного тока нормируются в режиме работы преобразователей с усреднением, при коэффициенте усреднения 100 (частота опроса АЦП 20 кГц). 2) Воспроизведение напряжения постоянного тока осуществляется только преобразователями исполнений X-U-D, X-U-D-I, P-EU-D, P-EU-D-I. |
Таблица 9 - Пределы допускаемой относительной основной погрешности измерений
напряжения переменного тока преобразователями модификации Е-502
Диапазон частот входного сигнала Ч кГц |
Пределы допускаемой относительной основной погрешности измерений напряжения переменного тока 2), % |
от 0,01 до 50 включ. |
ttojs+o^-c^ 1)] 3)>4) X |
св. 50 до 100 включ. |
± [0,3 + 0,02 • (—t -1)] X. |
св. 100 до 300 включ. |
± [1 + 0,03 ■ (it -1)] X |
св. 300 до 999 |
±[5 + O,O5-(i^-l)J |
О В многоканальном режиме работы преобразователей диапазон частот входного сигнала ограничен значением 999/N кГц, где N - количество опрашиваемых измерительных каналов.
X
л/2 значение установленного предела измерений напряжения электрического тока.
|
Таблица 10 - Пределы допускаемой относительной основной погрешности воспроизведений напряжения переменного тока преобразователями модификации Е-502 (только для исполнений X-U-D, X-U-D-I, P-EU-D, P-EU-D-I)
Частота выходного напряжения, кГц |
Пределы допускаемой относительной основной погрешности воспроизведений напряжения переменного тока, % |
от 0,01 до 5 включ. |
± [0,15 + 0,02 -{Хас 1)] 1)2) X |
св. 5 до 15 включ. |
± [0,5+ 0,05 (it-1)] X |
св. 15 до 50 включ. |
±[3,0+ 0,1 (it-1)] х |
св. 50 до 100 |
± [15,0 +0,3-(^--1)] X |
0 Хас - конечное значение диапазона воспроизведений напряжения переменного тока, Хас = 3,5 В. 2>Х- значение воспроизводимого напряжения переменного тока. |
Таблица 11 - Метрологические и технические характеристики преобразователей модификации L-502
Наименование характеристики |
Значение |
Диапазон измерений напряжения постоянного тока, В |
от -10 до +10 |
Пределы допускаемой приведенной (к верхнему значению предела измерений) основной погрешности измерений напряжения постоянного тока%, для пределов:
|
±0,05 ±0,07 ±0,1 ±0,2 |
Диапазон измерений напряжения переменного тока в диапазоне частот от 0,01 до 999 кГц, В |
от 210"4 до 7 |
Пределы допускаемой относительной основной погрешности измерений напряжения переменного тока, % |
согласно таблице 12 |
Диапазон воспроизведений напряжения постоянного тока2), В |
от -5 до +5 |
Пределы допускаемой приведенной (к верхней границе диапазона воспроизведений) основной погрешности воспроизведений напряжения постоянного тока, % |
±0,3 |
Диапазон воспроизведений напряжения переменного тока в диапазоне частот от 0,01 до 300 кГц, В |
от 10‘3 до 3,5 |
Пределы допускаемой относительной основной погрешности воспроизведений напряжения переменного тока, % |
согласно таблице 13 |
Диапазон воспроизведений частоты переменного тока, кГц |
от 0,01 до 300 |
Пределы допускаемой относительной основной погрешности воспроизведений частоты переменного тока, % |
±0,005 |
Пределы допускаемой относительной основной погрешности частоты преобразований АЦП, % |
±0,005 |
Пределы допускаемой приведенной (к верхнему значению предела измерений) основной погрешности измерений напряжения постоянного тока нормируются в режиме работы преобразователей с усреднением, при коэффициенте усреднения 100. 2) Воспроизведение напряжения постоянного тока осуществляется только преобразователями исполнений X-X-D, X-X-D-I, X-G-D, X-G-D-I, P-G-D, P-G-D-I. |
Таблица 12 - Пределы допускаемой относительной основной погрешности измерений напряжения переменного тока преобразователями модификации L-502
Диапазон частот входного сигнала кГц |
Пределы допускаемой относительной основной погрешности измерений напряжения переменного тока2), % |
от 0,01 до 50 включ. |
±[0,15 + 0,02-(^лс 1)] 3)’4) X |
св. 50 до 100 включ. |
± [0,3 +0,02-(^-1)] А |
св. 100 до 300 включ. |
±[1+0,03(^-1)] а |
св. 300 до 999 |
±[5 + О,О5(±^-1)] А |
В многоканальном режиме работы преобразователей диапазон частот входного сигнала ограничен значением 999/N кГц, где N - количество опрашиваемых измерительных каналов.
-
2) Пределы допускаемой относительной основной погрешности измерений напряжения переменного тока нормируются в дифференциальной схеме подключения преобразователей при частоте преобразований АЦП 2000 кГц, для сигналов, пиковые значения которых не превышают значение установленного предела измерений.
-
3) Хас - предел измерений напряжения переменного тока, ХАС = —X, где Хк -
л/2
значение установленного предела измерений напряжения электрического тока.
-
4) X— значение измеряемого напряжения переменного тока.
Таблица 13 - Пределы допускаемой относительной основной погрешности воспроизведений напряжения переменного тока преобразователями модификации L-502 (только для исполнений X-X-D, X-X-D-I, X-G-D, X-G-D-I, P-G-D, P-G-D-I)
Частота выходного напряжения, кГц |
Пределы допускаемой относительной основной погрешности воспроизведений напряжения переменного тока, % |
от 0,01 до 50 включ. |
±[0,15 + 0,02-(^лс 1)] 1),2) X |
св. 50 до 100 |
±[0,5+ 0,02-(^-1)] .Л. |
Хас - конечное значение диапазона воспроизведений напряжения переменного тока,Х1С= 3,5 В. 2) X— значение воспроизводимого напряжения переменного тока. |
2 ОПЕРАЦИИ ПОВЕРКИ
-
2.1 При проведении поверки выполняют операции, указанные в таблице 14.
Таблица 14 - Операции поверки
Наименование операции поверки |
Модификация преобразователя |
Номер пункта, подпункта методики поверки |
Необходимость выполнения | |
при первичной поверке |
при периодической поверке | |||
Внешний осмотр |
Е14-140 |
8.1.1 |
Да |
Да |
Е14-440 |
8.2.1 | |||
Е20-10 |
8.3.1 | |||
Е-502 |
8.4.1 | |||
L-502 |
8.5.1 |
Наименование операции поверки |
Модификация преобразователя |
Номер пункта, подпункта методики поверки |
Необходимость выполнения | |
при первичной поверке |
при периодической поверке | |||
Опробование и подтверждение соответствия программного обеспечения |
Е14-140 |
8.1.2 |
Да |
Да |
Е14-440 |
8.2.2 | |||
Е20-10 |
8.3.2 | |||
Е-502 |
8.4.2 | |||
L-502 |
8.5.2 | |||
Определение приведенной (к верхнему значению предела измерений) основной погрешности измерений напряжения постоянного тока |
Е14-140 |
8.1.3.1 |
Да |
Да |
Е14-440 |
8.2.3.1 | |||
Е20-10 |
8.3.3.1 | |||
Е-502 |
8.4.3.1 | |||
L-502 |
8.5.3.1 | |||
Определение приведенной (к верхнему значению предела измерений) основной погрешности измерений напряжения переменного тока |
Е14-140 |
8.1.3.2 |
Да |
Да |
Е14-440 |
8.2.3.2 | |||
Определение относительной основной погрешности измерений напряжения переменно-го тока |
Е20-10 |
8.3.3.2 |
Да |
Да |
Е-502 |
8.4.3.2 | |||
L-502 |
8.5.3.2 | |||
Определение относительной основной погрешности частоты преобразований АЦП |
Е14-140 |
8.1.3.3 |
Да |
Да |
Е14-440 |
8.2.3.3 | |||
Е20-10 |
8.3.3.3 | |||
Е-502 |
8.4.3.3 | |||
L-502 |
8.5.3.3 |
Наименование операции поверки |
Модификация преобразователя |
Номер пункта, подпункта методики поверки |
Необходимость выполнения | |
при первичной поверке |
при периодической поверке | |||
Определение приведенной (к верхнему значению предела измерений) основной погреш-ности воспроизведений напря-жения постоянного тока |
Е14-140 |
8.1.3.4 |
Да |
Да |
Е14-440 |
8.2.3.4 | |||
Е20-10 |
8.3.3.4 | |||
Е-502 |
8.4.3.4 | |||
L-502 |
8.5.3.4 | |||
Определение относительной основной погрешности вое-произведений напряжения переменного тока |
Е-502 |
8.4.3.5 |
Да |
Да |
L-502 |
8.5.3.5 | |||
Определение относительной основной погрешности вое-произведений частоты переменного тока |
Е-502 |
8.4.3.6 |
Да |
Да |
L-502 |
8.5.3.6 |
-
2.2 Последовательность проведения операций поверки обязательна.
-
2.3 При получении отрицательного результата в процессе выполнения любой из операций поверки преобразователь бракуют и его поверку прекращают.
-
3.1 При проведении поверки рекомендуется применять средства поверки, приведённые в таблице 15.
-
3.2 Применяемые средства поверки должны быть исправны, средства измерений поверены и иметь действующие документы о поверке. Испытательное оборудование должно быть аттестовано.
-
3.3 Допускается применение аналогичных средств поверки, обеспечивающих определение метрологических характеристик, поверяемых средств измерений с требуемой точностью.
Таблица 15
№ |
Наименование, обозначение |
Номер пункта Методики |
Рекомендуемый тип средства поверки и его регистрационный номер в Федеральном информационном фонде или метрологические характеристики |
Основные средства поверки | |||
1. |
Калибратор многофункциональный |
8.1-8.5 |
Калибратор многофункциональный Fluke 5522А, per. № 51160-12 |
2. |
Мультиметр |
8.1-8.5 |
Мультиметр 3458А, per. № 25900-03 |
№ |
Наименование, обозначение |
Номер пункта Методики |
Рекомендуемый тип средства поверки и его регистрационный номер в Федеральном информационном фонде или метрологические характеристики |
3. |
Генератор сигналов специальной формы |
8.3-8.5 |
Генератор сигналов специальной формы АКИП-3407/1А, per. №53449-13 |
4. |
Частотомер электронно-счетный |
8.1-8.5 |
Частотомер электронно-счетный 43-88, per. № 35904-07 |
Вспомогательные средства поверки | |||
5. |
ПЭВМ |
8.1-8.5 |
ПЭВМ IBM PC совместимый компьютер. Наличие интерфейса USB 2.0 (High-Speed), объем оперативной памяти не менее 1 Гб; объем жесткого диска не менее 10 Гб; дисковод для чтения CD-ROM; операционная система семейства Windows |
6. |
Термогигрометр электронный |
8.1-8.5 |
Термогигрометр электронный «CENTER» модель 313, per. № 22129-09 |
7. |
Барометр-анероид метеорологический |
8.1 -8.5 |
Барометр-анероид метеорологический БАММ-1, per № 5738-76 |
4 ТРЕБОВАНИЯ К КВАЛИФИКАЦИИ ПОВЕРИТЕЛЕЙ
-
4.1 К проведению поверки допускают лица, имеющие документ о повышении квалификации в области поверки средств измерений электрических величин.
-
4.2 Поверитель должен пройти инструктаж по технике безопасности и иметь действующее удостоверение на право работы в электроустановках с напряжением до 1000 В с квалификационной группой по электробезопасности не ниже III.
-
5.1 При проведении поверки должны быть соблюдены требования безопасности в соответствии с ГОСТ 12.3.019-80.
-
5.2 Во избежание несчастного случая и для предупреждения повреждения поверяемого преобразователя необходимо обеспечить выполнение следующих требований:
-
- подсоединение оборудования к сети должно производиться с помощью кабеля или адаптера и сетевых кабелей, предназначенных для данного оборудования;
-
- заземление средств поверки должно производиться посредством заземляющего провода или сетевого адаптера, предназначенного для данного оборудования;
-
- присоединения поверяемого преобразователя и оборудования следует выполнять при отключенных входах и выходах (отсутствии напряжения на разъемах);
-
- запрещается работать с оборудованием при снятых крышках или панелях;
-
- запрещается работать с поверяемым преобразователем в условиях температуры и влажности, выходящих за допустимые значения, а также при наличии в воздухе взрывоопасных веществ;
-
- запрещается работать с поверяемым преобразователем в случае обнаружения его повреждения.
-
6.1 При проведении поверки должны соблюдаться следующие условия:
-
- температура окружающего воздуха от +15 до +25 °C;
-
- относительная влажность воздуха от 30 до 80 %;
-
- атмосферное давление от 84 до 106 кПа.
-
7.1 Перед проведением поверки необходимо выполнить следующие подготовительные работы:
-
- изучить эксплуатационные документы на поверяемые преобразователи, а также руководства по эксплуатации на применяемые средства поверки;
-
- выдержать преобразователи в условиях окружающей среды, указанных в п. 6.1, не менее 1 ч, если они находились в климатических условиях, отличающихся от указанных в п. 6.1;
-
- подготовить к работе средства поверки и выдержать во включенном состоянии в соответствии с указаниями руководств по эксплуатации.
-
7.2 Подготовка ПЭВМ к поверке:
-
- установить программное обеспечение (ПО), которое находится на диске CD ROM из комплекта поставки преобразователя.
-
- запустить ПО и убедиться в его корректной работе: ПО должно определять наличие и серийный номер подключенного преобразователя.
-
8 ПРОВЕДЕНИЕ ПОВЕРКИ
-
8.1.1 Внешний осмотр
При проведении внешнего осмотра преобразователей проверяют:
-
- соответствие комплектности перечню, указанному в паспорте;
-
- соответствие серийного номера указанному в паспорте;
-
- чистоту и исправность разъемов;
-
- маркировку и наличие необходимых надписей на преобразователе;
-
- отсутствие механических повреждений и ослабление крепления элементов конструкции (повреждение корпуса, разъёма);
-
- сохранность органов управления, четкость фиксаций их положений.
Результат внешнего осмотра считают положительным, если выполняются все вышеуказанные требования.
-
8.1.2 Опробование и подтверждение соответствия программного обеспечения.
-
8.1.2.1 Подтверждение соответствия программного обеспечения проводят в следующей последовательности:
-
-
- поочередно запустить программы «E14_Metr» и «Е14_С1оск»;
-
- зафиксировать версию внешнего программного обеспечения, указанную в окне программы рядом с ее названием, и версию встроенного программного обеспечения, указанную в строке «версия микропрограммы».
Результаты подтверждения соответствия программного обеспечения считают положительными, если версия внешнего программного обеспечения не ниже 1.0 и версия встроенного программного обеспечения не ниже 0.4.
-
8.1.2.2 Опробование проводят в следующей последовательности:
-
1) разместить Е14-140, калибратор многофункциональный Fluke 5522А (далее - калибратор Fluke 5522А) и мультиметр 3458А на удобном для проведения работ месте;
-
2) подключить Е14-140 к компьютеру с помощью кабеля USB из комплекта Е14-140;
-
3) собрать схему поверки в соответствии с рисунком 1;
А1 АЗ

А1 - калибратор Fluke 5522А;
А2 - мультиметр 345 8А;
АЗ - преобразователь Е14-140.
* подключение цепей DAC1 и DAC2 согласно п. 8.1.3.4
Рисунок 1
-
4) прогреть приборы согласно эксплуатационной документации на них;
-
5) загрузить в компьютер программу «E14_Metr» (далее - программа), после чего в окне программы индикатор «Board» должен приобрести зеленый цвет и должен быть правильно определен серийный номер преобразователя;
-
6) установить режим работы «16 Channel» для подключения измерительных входов преобразователя по дифференциальной схеме с помощью соответствующего переключателя в окне программы;
-
7) включить опрос 16 измерительных каналов, установив «галочки» в полях «СН 1» - «СН 16» программы;
-
8) установить режим измерений напряжения постоянного тока «DC», используя соответствующий переключатель в окне программы;
-
9) установить частоту преобразований АЦП равной 20 кГц в поле «FRQ» программы;
-
10) подать на вход преобразователя с калибратора Fluke 5522А конечные значения напряжения постоянного тока для каждого предела измерений, поочередно устанавливая пределы измерений 10; 2,5; 0,6; 0,15 В, используя соответствующий переключатель в окне программы, и зафиксировать показания в окне «DC» программы для каждого из 16 измерительных каналов;
Результат опробования считают положительным, если показания в окне «DC» каждого из 16 измерительных каналов программы соответствуют значениям напряжения, устанавливаемым на выходе калибратора Fluke 5522А. При несоответствии показаний программы значениям напряжения, устанавливаемым на выходе калибратора Fluke 5522А, поверка прекращается и преобразователь бракуется.
-
8.1.3 Определение метрологических характеристик
-
8.1.3.1 Определение приведенной (к верхнему значению предела измерений) основной погрешности измерений напряжения постоянного тока осуществляют с использованием калибратора Fluke 5522А в следующей последовательности:
-
-
1) выполнить операции 1) - 9) по п. 8.1.2.2;
-
2) подать на вход Е14-140 с калибратора Fluke 5522А значения напряжения постоянного тока согласно таблице 16, поочередно устанавливая пределы измерений 10; 2,5; 0,6; 0,15 В, используя соответствующий переключатель в окне программы, и зафиксировать показания в окне «DC» программы для каждого из 16 измерительных каналов;
Таблица 16 - Значения напряжения постоянного тока для преобразователей модификации Е14-140
.. _ иизм-иэ
yos~ —
х 100,
(1)
Предел измерений, В |
Устанавливаемые значения напряжения постоянного тока на выходе калибратора Fluke 5522А, мВ |
10 |
9900;2000;400;80;20; -20;-80; -400; -2000; -9900 |
2,5 |
2500; 500; 100; 20; 5; -5; -20; -100; -500; -2500 |
0,6 |
600; 200; 50; 10; 2; -2; -10; -50; -200; -600 |
0,15 |
150; 80; 20; 5; 1; -1; -5; -20; -80; -150 |
3) рассчитать для каждого установленного согласно таблице 16 значения напряжения и каждого измерительного канала преобразователя приведенную (к верхнему значению предела измерений) основную погрешность измерений напряжения постоянного тока yos в процентах по формуле:
где Uusm - показание в окне «DC», мВ;
иэ - показание калибратора Fluke 5522А, мВ;
Uк - значение установленного предела измерений, мВ.
Результат определения приведенной (к верхнему значению предела измерений) основной погрешности измерений напряжения постоянного тока считают положительным, если полученные значения yos не превышают ±0,05 % для пределов 2,5 В и 10 В, ±0,1 % для предела 0,6 В и ±0,5 % для предела 0,15 В.
-
8.1.3.2 Определение приведенной (к верхнему значению предела измерений) основной погрешности измерений напряжения переменного тока проводят с использованием калибратора Fluke 5522А в следующей последовательности:
-
1) выполнить операции 1) - 6) по п.8.1.2.2;
-
2) включить опрос одного измерительного канала, установив «галочку» в поле «СН 1» программы;
-
3) установить режим измерений напряжения переменного тока «АС», используя соответствующий переключатель в окне программы;
-
4) установить поочередно в окне программы пределы измерений 10; 2,5; 0,6; 0,15 В, частоту преобразований АЦП в соответствии с таблицей 18 и подать на вход преобразователя с калибратора Fluke 5522А значения напряжения переменного тока согласно таблице 17 с частотой согласно таблице 18; зафиксировать соответствующие показания в окне «АС» программы для опрашиваемого измерительного канала;
Таблица 17- Значения напряжения переменного тока для преобразователей модификации Е14-140
Предел измерений, В |
Значения напряжения переменного тока на выходе калибратора Fluke 5522А, мВ |
10 |
350;1400;2800; 4900; 6700 |
2,5 |
85; 350; 700; 1200; 1600 |
0,6 |
20; 85; 170; 290; 400 |
0,15 |
1; 5; 22; 45; 70; 100 |
Таблица 18 - Частота переменного тока для преобразователей модификации Е14-140 в одноканальном режиме работы
Режим работы Е14-140 |
Частота преобразований АЦП, кГц |
Частота входного сигнала (частота напряжения переменного тока на выходе калибратора Fluke 5522А), кГц |
Одноканальный |
20 |
0,1; 9 |
100 |
1; 49 | |
200 |
1; 99 |
-
5) включить опрос 16 измерительных каналов, установив «галочки» в полях «СН 1»- «СН 16» программы;
-
6) для каждого из 16 измерительных каналов установить поочередно в окне программы пределы измерений 10; 2,5; 0,6; 0,15 В, частоту преобразований АЦП в соответствии с таблицей 19 и подать на вход преобразователя с калибратора Fluke 5522А значения напряжения переменного тока согласно таблице 17 с частотой согласно таблице 19; зафиксировать соответствующие показания в окне «АС» программы;
Таблица 19 - Частота переменного тока для преобразователей модификации Е14-140 в многоканальному
Режим работы Е14-140 |
Частота преобразований АЦП, кГц |
Частота входного сигнала (частота напряжения переменного тока на выходе калибратора Fluke 5522А), кГц |
Многоканальный |
20 |
0,02; 0,5 |
100 |
0,02;3 | |
200 |
0,02; 6 |
-
7) рассчитать для всех установленных в операциях 4), 6) значений напряжения и частоты для всех измерительных каналов преобразователя приведенную (к верхнему значению предела измерений) основную погрешность измерений напряжения переменного тока уоа в процентах по формуле:
где иизма - показание в окне «АС», мВ;
иэа - показание калибратора Fluke 5522А, мВ; UK - конечное значение установленного предела измерений, мВ.
Результат определения приведенной (к верхнему значению предела измерений) основной погрешности измерений напряжения переменного тока считают положительным, если полученные значения уоа находятся в пределах, указанных в таблице 20.
Таблица 20 - Пределы допускаемой приведенной (к верхнему значению предела измерений) основной погрешности измерений напряжения переменного тока для преобразователей модификации Е14-140
4астота преобразований АЦП, кГц |
Пределы допускаемой приведенной (к верхнему значению предела измерений) основной погрешности измерений напряжения переменного тока, %, для пределов | |
0,6; 2,5; 10 В |
0,15 В | |
20 |
±0,15 |
±0,5 |
100 |
±1,0 |
±10 |
200 |
±3,0 |
- |
-
8.1.3.3 Определение относительной основной погрешности частоты преобразований АЦП проводят с использованием частотомера электронно-счетного 43-88 (далее частотомер 43-88) в следующей последовательности:
-
1) разместить преобразователь и частотомер 43-88 на удобном для проведения работ месте;
-
2) подать сигнал «SYN» с разъема «DIGITAL» Е14-140 на вход «А» частотомера 43-88 в соответствии с рисунком 2;
Al А2
Рисунок 2
А1 - частотомер 43-88;
А2 - преобразователь Е14-140.
-
3) подключить Е14-140 к компьютеру с помощью кабеля USB из комплекта преобразователя;
-
4) прогреть приборы согласно эксплуатационной документации на них;
-
5) загрузить в компьютер программу «Е14_С1оск», после чего в окне программы должны быть правильно определены модификация, серийный номер и версия встроенного программного обеспечения преобразователя;
-
6) считать показания частотомера 43-88;
-
7) рассчитать относительную основную погрешность частоты преобразований АЦП до/ в процентах по формуле:
(3)
где F3 - показание частотомера 43-88, кГц;
Feoc - контрольное значение частоты преобразований АЦП, кГц. Значение F3 равно 200 кГц, 400 кГц, 5000 кГц, 2000 кГц, 2000 кГц для модификаций Е14-140, Е14-440, Е20-10, Е-502, L-502 соответственно.
Результат определения относительной основной погрешности частоты преобразований АЦП считают положительным, если полученные значения до/ находятся в пределах ±0,005 %.
-
8.1.3.4 Определение приведенной (к верхней границе диапазона воспроизведений) основной погрешности воспроизведений напряжения постоянного тока проводят только для исполнений M-D, M-D-I в следующей последовательности:
-
1) выполнить операции 1) - 5) по п. 8.1.2.2;
-
2) подключить выход «DAC1» преобразователя к входу мультиметра 345 8А;
-
3) последовательно установить в поле «DAC 1» окна программы значения напряжений -4750; -2000; -1000; -250; -3; 3; 250; 1000; 2000; 4750 мВ и зафиксировать соответствующие показания мультиметра 3458А;
-
4) подключить выход «DAC2» преобразователя к входу мультиметра 345 8А;
-
5) последовательно установить в поле «DAC 2» окна программы значения напряжений -4750; -2000; -1000; -250; -3; 3; 250; 1000; 2000; 4750 мВ и зафиксировать соответствующие показания мультиметра 3458А;
-
6) рассчитать приведенную (к верхней границе диапазона воспроизведений) основную погрешность воспроизведений напряжения yog в процентах по формуле:
= х700, (4)
5 UKg
где U3g - установленное значение напряжения на выходе ЦАП, мВ;
UuaMg - показание мультиметра 3458А, мВ;
UKg - конечное значение диапазона воспроизведений напряжения постоянного тока, UKg = 5000 мВ.
Результат определения приведенной (к верхней границе диапазона воспроизведений) основной погрешности воспроизведений напряжения постоянного тока считают положительным, если полученные значения yog находятся в пределах ±0,3 %.
-
8.1.4 Результаты поверки
-
8.1.4.1 Результат поверки считают положительным, если получены положительные результаты при выполнении всех операций поверки (пункты 8.1.1-8.1.3).
-
-
8.2.1 Внешний осмотр
При проведении внешнего осмотра преобразователей проверяют:
-
- соответствие комплектности перечню, указанному в паспорте;
-
- соответствие серийного номера указанному в паспорте;
-
- чистоту и исправность разъемов;
-
- маркировку и наличие необходимых надписей на преобразователе;
-
- отсутствие механических повреждений и ослабление крепления элементов конструкции (повреждение корпуса, разъёма);
-
- сохранность органов управления, четкость фиксаций их положений.
Результат внешнего осмотра считают положительным, если выполняются все вышеуказанные требования.
-
8.2.2 Опробование и подтверждение соответствия программного обеспечения
-
8.2.2.1 Подтверждение соответствия встроенного программного обеспечения проводят в следующей последовательности:
-
-
- поочередно запустить программу «E14_Metr» и «Е14_С1оск»;
-
- зафиксировать версию внешнего программного обеспечения, указанную в окне программы рядом с ее названием, и версию встроенного программного обеспечения, указанную в строке «версия микропрограммы».
Результаты подтверждения соответствия программного обеспечения считают положительными, если версия внешнего программного обеспечения не ниже 1.0 и версия встроенного программного обеспечения не ниже 0.4.
-
8.2.2.2 Опробование проводят в следующей последовательности:
-
1) разместить Е14-440, калибратор Fluke 5522А и мультиметр 3458А на удобном для проведения работ месте;
-
2) подключить Е14-440 к компьютеру с помощью кабеля USB из комплекта Е14-440;
-
3) собрать схему поверки в соответствии с рисунком 3;
А1 АЗ

А1 - калибратор Fluke 5522А;
А2 - мультиметр 345 8А;
АЗ - преобразователь Е14-440.
* - подключение цепей DAC1 и DAC2 согласно п. 8.2.3.4
Рисунок 3
-
4) прогреть приборы согласно эксплуатационной документации на них;
-
5) загрузить в компьютер программу «E14_Metr» (далее - программа), после чего в окне программы индикатор «Board» должен приобрести зеленый цвет и должен быть правильно определен серийный номер преобразователя;
-
6) установить режим работы «16 Channel» для подключения измерительных входов преобразователя по дифференциальной схеме с помощью соответствующего переключателя в окне программы;
-
7) включить опрос 16 измерительных каналов, установив «галочки» в полях «СН 1» - «СН 16» программы;
-
8) установить режим измерений напряжения постоянного тока «DC», используя соответствующий переключатель в окне программы;
-
9) установить частоту преобразований АЦП равной 20 кГц в поле «FRQ» программы;
-
10) подать на вход Е14-440 с калибратора Fluke 5 522А конечные значения напряжения постоянного тока для каждого предела измерений, поочередно устанавливая пределы измерений 10; 2,5; 0,6; 0,15 В, используя соответствующий переключатель в окне программы, и зафиксировать показания в окне «DC» программы для каждого из 16 измерительных каналов;
Результат опробования считают положительным, если показания в окне «DC» каждого из 16 измерительных каналов программы соответствуют значениям напряжения, устанавливаемым на выходе калибратора Fluke 5522А, При несоответствии показаний программы значениям напряжения, устанавливаемым на выходе калибратора Fluke 5522А, поверка прекращается и Е14-440 бракуется.
-
8.2.3 Определение метрологических характеристик
-
8.2.3.1 Определение приведенной (к верхнему значению предела измерений) основной погрешности измерений напряжения постоянного тока осуществляют с использованием калибратора Fluke 5522А в следующей последовательности:
-
-
1) выполнить операции 1) - 9) по п. 8.2.2.2;
-
2) подать на вход Е14-440 с калибратора Fluke 5522А значения напряжения постоянного тока согласно таблице 21, поочередно устанавливая пределы измерений 10; 2,5; 0,6; 0,15 В, используя переключатель в окне программы, и зафиксировать соответствующие показания в окне «DC» программы для каждого из 16 измерительных каналов;
Таблица 21 - Значения напряжения постоянного тока для преобразователей модификации Е14-440
Предел измерений, В |
Устанавливаемые значения напряжения постоянного тока на выходе калибратора Fluke 5522А, мВ |
10 |
9900; 2000; 400; 80; 20; -20; -80; -400; -2000; -9900 |
2,5 |
2500; 500; 100; 20; 5; -5; -20; -100; -500; -2500 |
0,6 |
600; 200; 50; 10; 2; -2; -10; -50; -200; -600 |
0,15 |
150; 80; 20; 5; 1; -1; -5; -20; -80; -150 |
-
3) рассчитать для каждого установленного согласно таблице 21 значения напряжения и каждого измерительного канала Е14-440 приведенную (к верхнему значению предела измерений) основную погрешность измерений напряжения постоянного тока yos в процентах по формуле (1).
Результат определения приведенной (к верхнему значению предела измерений) основной погрешности измерений напряжения постоянного тока считают положительным, если полученные значения yos не превышают ±0,05 % для пределов 2,5 В и 10 В, ±0,1 % для предела 0,6 В и ±0,5 % для предела 0,15 В.
-
8.2.3.2 Определение приведенной (к верхнему значению предела измерений) основной погрешности измерений напряжения переменного тока проводят с использованием калибратора Fluke 5522А в следующей последовательности:
-
1) выполнить операции 1) - 6) по п. 8.2.2.2;
-
2) включить опрос одного измерительного канала, установив «галочку» в поле «СН 1» программы;
-
3) установить режим измерений напряжения переменного тока «АС», используя соответствующий переключатель в окне программы;
-
4) установить поочередно в окне программы пределы измерений 10; 2,5; 0,6; 0,15 В, частоту преобразований АЦП в соответствии с таблицей 23 и подать на вход Е14-440 с калибратора Fluke 5522А значения напряжения переменного тока согласно таблице 22 с частотой согласно таблице 23; зафиксировать соответствующие показания в окне «АС» программы для опрашиваемого измерительного канала;
Таблица 22 - Значения напряжения переменного тока для преобразователей модификации Е14-440
Предел измерений, В |
Напряжение переменного тока на выходе калибратора Fluke 5522А, мВ |
10 |
350;1400;2800; 4900*; 6700* |
2,5 |
85;350;700; 1200; 1600 |
0,6 |
20; 85; 170; 290; 400 |
0,15 |
1; 5; 22; 45; 70; 100 |
* измерения на частоте 199 кГц для напряжений переменного тока 4900 и 6700 мВ не проводятся |
Таблица 23 - Частота переменного тока для преобразователей модификации Е14-440
Режим работы преобразователя |
Частота преобразований АЦП, кГц |
Частота входного сигнала (частота напряжения переменного тока на выходе калибратора Fluke 5522А), кГц |
Одноканальный |
20 |
0,1; 9 |
100 |
1; 49 | |
200 |
1; 99 | |
400 |
1; 199 |
-
5) включить опрос 16 измерительных каналов, установив «галочки» в полях «СН 1» - «СН 16» программы;
-
6) для каждого из 16 измерительных каналов установить поочередно в окне программы пределы измерений 10; 2,5; 0,6; 0,15 В, частоту преобразований АЦП в соответствии с таблицей 24 и подать на вход Е14-440 с калибратора Fluke 5522А значения напряжения переменного тока согласно таблице 22 с частотой согласно таблице 24; зафиксировать соответствующие показания в окне «АС» программы;
Таблица 24
Режим работы преобразователя |
4астота преобразований АЦП, кГц |
4астота входного сигнала (частота напряжения переменного на выходе калибратора Fluke 5522А), кГц |
Многоканальный |
20 |
0,02; 0,5 |
100 |
0,02;3 | |
200 |
0,02;6 | |
400 |
0,02; 12 |
-
7) рассчитать для всех установленных в операциях 4), 6) значений напряжения и частоты для всех измерительных каналов Е14-440 приведенную (к верхнему значению предела измерений) основную погрешность измерений напряжения переменного тока уоа в процентах по формуле (2).
Результат определения приведенной (к верхнему значению предела измерений) основной погрешности измерений напряжения переменного тока считают положительным, если полученные значения уоа находятся в пределах, указанных в таблице 25.
Таблица 25
4астота преобразований АЦП, кГц |
Пределы допускаемой приведенной (к верхнему значению предела измерений) основной погрешности измерений напряжения переменного тока, %, для пределов | |||
10 В |
2,5 В |
0,6 В |
0,15 В | |
20 |
±0,15 |
±0,5 | ||
100 |
±1,0 |
±10 | ||
200 |
±3,0 |
- | ||
400 |
±5,0 |
±10 |
- |
-
8.2.3.3 Определение относительной основной погрешности частоты преобразований АЦП проводят с использованием частотомера 43-88 в следующей последовательности:
-
1) разместить Е14-440, калибратор Fluke 5522А и частотомер 43-88 на удобном для проведения работ месте;
-
2) подать сигнал «S_ADC» с разъема «DIGITAL» El4-440 на вход «А» частотомера 43-88 в соответствии с рисунком 4;
Al A2

Al - частотомер 43-88;
A2 - преобразователь El4-440.
Рисунок 4
-
3) подключить Е14-440 к компьютеру с помощью кабеля USB из комплекта Е14-440;
-
4) прогреть приборы согласно эксплуатационной документации на них;
-
5) загрузить в компьютер программу «Е14_С1оск», после чего в окне программы должны быть правильно определены модификация, серийный номер и версия встроенного программного обеспечения преобразователя;
-
6) считать показания частотомера 43-88;
-
7) рассчитать относительную основную погрешность частоты преобразований АЦП 8Of в процентах по формуле (3).
Результат определения относительной основной погрешности частоты преобразований АЦП считают положительным, если полученные значения уо/ находятся в пределах ±0,005 %.
-
8.2.3.4 Определение приведенной (к верхней границе диапазона воспроизведений) основной погрешности воспроизведений напряжения постоянного тока проводят только для исполнений D, D-I в следующей последовательности:
-
1) выполнить операции 1) - 5) по п. 8.2.2.2
-
2) подключить выход «DAC1» Е14-440 к входу мультиметра 3458А;
-
3) последовательно установить в поле «DAC 1» окна программы значения напряжений -4750; -2000; -1000; -250; -3; 3; 250; 1000; 2000; 4750 мВ и зафиксировать соответствующие показания мультиметра 3458А;
-
4) подключить выход «DAC2» Е14-440 к входу мультиметра 3458А;
-
5) последовательно установить в поле «DAC 2» окна программы значения напряжений -4750; -2000; -1000; -250; -3; 3; 250; 1000; 2000; 4750 мВ и зафиксировать соответствующие показания мультиметра 3458А;
-
6) рассчитать приведенную (к верхней границе диапазона воспроизведений) основную погрешность воспроизведений напряжения yog в процентах по формуле (4)
Результат определения приведенной (к верхней границе диапазона воспроизведений) основной погрешности воспроизведений напряжения постоянного тока считают положительным, если полученные значения yog находятся в пределах ±0,3 %.
-
8.2.4 Результаты поверки
-
8.2.4.1 Результат поверки считают положительным, если получены положительные результаты при выполнении всех операций поверки (пункты 8.2.1 - 8.2.3).
-
-
8.3.1 Внешний осмотр
При проведении внешнего осмотра преобразователей проверяют:
-
- соответствие комплектности перечню, указанному в паспорте;
-
- соответствие серийного номера указанному в паспорте;
-
- чистоту и исправность разъемов;
-
- маркировку и наличие необходимых надписей на преобразователе;
-
- отсутствие механических повреждений и ослабление крепления элементов конструкции (повреждение корпуса, разъёма);
-
- сохранность органов управления, четкость фиксаций их положений.
Результат внешнего осмотра считают положительным, если выполняются все вышеуказанные требования.
-
8.3.2 Опробование и подтверждение соответствия программного обеспечения
-
8.3.2.1 Подтверждение соответствия встроенного программного обеспечения проводят в следующей последовательности:
-
-
- поочередно запустить программы «E2010_Metr» и «Е2010_С1оск»;
-
- зафиксировать версию внешнего программного обеспечения, указанную в окне программы рядом с ее названием, и версию встроенного программного обеспечения, указанную в строке «версия микропрограммы».
Результаты подтверждения соответствия программного обеспечения считают положительными, если версия внешнего программного обеспечения не ниже 1.0 и версия встроенного программного обеспечения не ниже 0.4.
-
8.3.2.2 Опробование проводят в следующей последовательности:
-
1) разместить Е20-10, калибратор Fluke 5522А и мультиметр 3458А на удобном для проведения работ месте;
-
2) подключить Е20-10 к компьютеру с помощью кабеля USB из комплекта Е20-10;
-
3) собрать схему поверки в соответствии с рисунком 5;
А1 АЗ

А1 - калибратор Fluke 5522А;
А2 - мультиметр 345 8А;
АЗ - преобразователь Е20-10.
* подключение цепей "Канал 1 ЦАП" и "Канал 2 ЦАП" согласно п. 8.3.3.4
Рисунок 5
-
4) прогреть приборы согласно эксплуатационной документации на них;
-
5) загрузить в компьютер программу «E2010_Metr» (далее - программа), после чего индикатор в окне программы (рядом с кнопкой "Обнаружить") должен приобрести зеленый цвет и должен быть правильно определен серийный номер Е20-10;
-
6) установить режим работы «С общей землей» для измерительных входов «СН1»- «СН4» Е20-10 с помощью соответствующего переключателя в окне программы;
-
7) включить опрос 4 измерительных каналов, установив «галочки» в полях «СН1» - «СН4» программы;
-
8) установить режим измерений напряжения постоянного тока «DC», используя соответствующий переключатель в окне программы;
-
9) установить частоту преобразований АЦП равной 1000 кГц в поле «АЦП» программы;
-
10) подать на вход Е20-10 с калибратора Fluke 5522А конечные значения напряжения постоянного тока для каждого предела измерений, поочередно устанавливая пределы измерений 3; 1; 0,3 В, используя соответствующий переключатель в окне программы, и зафиксировать показания в окне «DC» программы для каждого из измерительных каналов.
Результат опробования считают положительным, если показания в окне «DC» каждого из измерительных каналов программы соответствуют значениям напряжения, устанавливаемым на выходе калибратора Fluke 5522А. При несоответствии показаний программы значениям на выходе калибратора Fluke 5522А поверка прекращается и Е20-10 бракуется.
-
8.3.3 Определение метрологических характеристик
-
8.3.3.1 Определение приведенной (к верхнему значению предела измерений) основной погрешности измерений напряжения постоянного тока осуществляют с использованием калибратора Fluke 5522А в следующей последовательности:
-
-
1) выполнить операции 1) - 9) по п. 8.3.2.2;
-
2) подать на вход Е20-10 с калибратора Fluke 5522А значения напряжения постоянного тока согласно таблице 26, поочередно устанавливая пределы измерений 3; 1; 0,3 В, используя переключатель в окне программы, и зафиксировать соответствующие показания в окне «DC» программы для каждого из измерительных каналов;
Таблица 26 - Значения напряжения постоянного тока для преобразователей модификации Е20-10
Предел измерений, В |
Устанавливаемые значения напряжения постоянного тока на выходе калибратора Fluke 5522А, мВ |
3 |
2900; 500; 100; 20; 5; -5; -20; -100; -500; -2900 |
1 |
990; 200; 50; 10; 2; -2; -10; -50; -200; -990 |
0,3 |
290; 100; 20; 5; 1; -1; -5; -20; -100; -290 |
-
3) рассчитать для каждого установленного согласно таблице 26 значения напряжения и каждого измерительного канала Е20-10 приведенную (к верхнему значению предела измерений) основную погрешность измерений напряжения постоянного тока yos в процентах по формуле (1).
Результат определения приведенной (к верхнему значению предела измерений) основной погрешности измерений напряжения постоянного тока считают положительным, если полученные значения yos находятся в пределах ±0,25 %.
-
8.3.3.2 Определение относительной основной погрешности измерений напряжения переменного тока проводят с использованием генератора сигналов специальной формы АКИП-3407/1А (далее - генератор АКИП-3407/1 А) и вольтметра 3458А в следующей последовательности:
-
1) разместить Е20-10 и генератор АКИП-3407/1 А на удобном для проведения работ месте;
-
2) подключить Е20-10 к компьютеру с помощью кабеля USB из комплекта Е20-10;
-
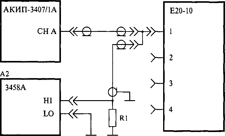
3) подключить выход «СН А» генератора АКИП-3407/1 А к входу «1» Е20-10 в соответствии с рисунком 6;
Al A2

Al - генератор АКИП-3407/1 A;
A2 - вольтметр 345 8A;
АЗ - преобразователь Е20-10 R1 - резистор 51 Ом ±5% (терминатор).
Рисунок 6
-
4) выполнить операции 4) - 6) по п. 8.3.2.2;
-
5) установить режим измерений напряжения постоянного тока «АС», используя соответствующий переключатель в окне программы;
-
6) установить частоту преобразований АЦП равной 10000 кГц в поле «АЦП» программы;
-
7) включить опрос одного измерительного канала, установив «галочку» в поле программы, соответствующем подключенному входу Е20-10;
-
8) в окне программы установить поочередно пределы измерений 3; 1; 0,3 В и подать на вход Е20-10 с генератора АКИП-3407/1 А значения напряжения переменного тока согласно таблице 27 с частотой 0,01, 20, 300, 1000, 2000, 4900 кГц для исполнений 1-1, D-l, D-1-I или с частотой 0,01, 20, 300, 500, 1000 кГц для всех остальных исполнений; зафиксировать соответствующие показания в окне «АС» программы для опрашиваемого измерительного канала;
Таблица 27 - Значения напряжения переменного тока для преобразователей модификации Е20-10
Предел измерений, В |
Значения напряжения переменного тока на выходе генератора АКИП-3407/1 А, мВ |
3 |
85;350;700; 1200; 1600 |
1 |
20; 85; 170; 290; 400 |
0,3 |
5; 22; 45; 70; 100 |
-
9) подключая поочередно входы «2» - «4» Е20-10 к выходу «СН А» в соответствии с рисунком 6, повторить операции 7), 8) для каждого измерительного канала Е20-10;
-
10) рассчитать для всех установленных значений напряжения и частоты для всех измерительных каналов Е20-10 относительную основную погрешность измерений напряжения переменного тока два в процентах по формуле:
4» = *100, (5)
^эа
где иизма - показание в окне «АС», мВ;
U3a -показаниевольтметра3458А,мВ.
Результат определения относительной основной погрешности измерений напряжения переменного тока считают положительным, если полученные значения доа находятся в пределах, указанных в таблицах 28 или 29 в зависимости от исполнения Е20-10.
Таблица 28 - Пределы допускаемой относительной основной погрешности измерений напряжения переменного тока для преобразователей модификации Е20-10. Часть 1
Исполнение Е20-10 |
Диапазон частот входного сигнала, кГц |
Пределы допускаемой относительной основной погрешности измерений напряжения переменного тока, % |
1,1-1, D-1,D-1-I |
от 0,01 до 20 включ. |
± [0,2 + 0,02 х(^-1)] Л |
св. 20 до 300 включ. |
±[2 + 0,03х(^-1)] | |
св. 300 до 1000 включ. |
±[3 + 0,05х(^-1)] Л | |
св. 1000 до 2000 включ. |
±[5 + 0,1х(^.-1)] | |
св. 2000 до 4900 |
±[ЗО + О,Зх(^--1)] Л | |
Примечания 1 Хас - предел измерений напряжения переменного тока, ХАС = —£■, где Хк - зна-л/2 чение установленного предела измерений напряжения электрического тока. 2Х- значение измеряемого напряжения переменного тока. |
Таблица 29 - Пределы допускаемой относительной основной погрешности измерений напряжения переменного тока для преобразователей модификации Е20-10. Часть 2
Исполнение Е20-10 |
Диапазон частот входного сигнала, кГц |
Пределы допускаемой относительной основной погрешности измерений напряжения переменного тока, % |
Все, кроме 1,1-1, D-1, D-1-I |
от 0,01 до 20 включ. |
± [0,2 + 0,02 х(^-1)] ZL |
св. 20 до 300 включ. |
±[2 + 0,03х(^С-1)] Л | |
св. 300 до 500 включ. |
±[3 + 0,05х(^--1)] Л | |
св. 500 до 1000 |
±[15 + 0,1х(^--1)] |
таблицы 29
Примечания

I Хас- предел измерений напряжения переменного тока, чение установленного предела измерений напряжения электрического тока.
2 Y- значение измеряемого напряжения переменного тока.
-
8.3.3.3 Определение относительной основной погрешности частоты преобразований АЦП проводят с использованием частотомера 43-88 в следующей последовательности:
-
1) разместить Е20-10 и частотомер 43-88 на удобном для проведения работ месте;
-
2) подать сигнал «SYNC» с разъема «DIGITAL» Е20-10 на вход «А» частотомера 43-88 в соответствии с рисунком 7;
Al А2
А1 - частотомер 43-88;
А2 - преобразователь Е20-10;
R1 - резистор 10 кОм ±10%.
Рисунок 7
-
3) подключить Е20-10 к компьютеру с помощью кабеля USB из комплекта Е20-10;
-
4) прогреть приборы согласно эксплуатационной документации на них;
-
5) загрузить в компьютер программу «Е2010_С1оск», после чего в окне программы должны быть правильно определены модификация, серийный номер и версия встроенного программного обеспечения преобразователя;
-
6) считать показания частотомера 43-88 и рассчитать относительную основную погрешность частоты преобразований АЦП до/ в процентах по формуле (3).
Результат определения относительной основной погрешности частоты преобразований АЦП считают положительным, если полученные значения уо/ находятся в пределах ±0,005 %.
-
8.3.3.4 Определение приведенной (к верхней границе диапазона воспроизведений) основной погрешности воспроизведений напряжения постоянного тока проводят только для исполнений D, D-I, D-l, D-1-I в следующей последовательности:
-
1) выполнить операции 1) - 5) по п. 8.3.2.2;
-
2) подключить выход «Канал 1 ЦАП» Е20-10 к входу мультиметра 3458А;
-
3) последовательно установить в поле «Канал 1» окна программы значения напряжений -4750; -2000; -1000; -250; -3; 3; 250; 1000; 2000; 4750 мВ и зафиксировать соответствующие показания мультиметра 3458А;
-
4) подключить выход «Канал 2 ЦАП» Е20-10 к входу мультиметра 3458А;
-
5) последовательно установить в поле «Канал 2» окна программы значения напряжений -4750; -2000; -1000; -250; -3; 3; 250; 1000; 2000; 4750 мВ и зафиксировать соответствующие показания мультиметра 3458А;
-
6) рассчитать приведенную (к верхней границе диапазона воспроизведений) основную погрешность воспроизведений напряжения уоё в процентах по формуле (4).
Результат определения приведенной (к верхней границе диапазона воспроизведений) основной погрешности воспроизведений напряжения постоянного тока считают положительным, если полученные значения yog находятся в пределах ±0,3 %.
-
8.3.4 Результаты поверки
-
8.3.4.1 Результат поверки считают положительным, если получены положительные результаты при выполнении всех операций поверки (подразделы 8.3.1-8.3.3).
-
-
8.4.1 Внешний осмотр
При проведении внешнего осмотра преобразователей проверяют:
-
- соответствие комплектности перечню, указанному в паспорте;
-
- соответствие серийного номера указанному в паспорте;
-
- чистоту и исправность разъемов;
-
- маркировку и наличие необходимых надписей на преобразователе;
-
- отсутствие механических повреждений и ослабление крепления элементов конструкции (повреждение корпуса, разъёма);
-
- сохранность органов управления, четкость фиксаций их положений.
Результат внешнего осмотра считают положительным, если выполняются все вышеуказанные требования.
-
8.4.2 Опробование и подтверждение соответствия программного обеспечения
-
8.4.2.1 Подтверждение соответствия встроенного программного обеспечения проводят в следующей последовательности:
-
-
- поочередно запустить программы «X502_Metr» и «Х502_С1оск»;
-
- зафиксировать версию внешнего программного обеспечения, указанную в окне программы рядом с ее названием, и версию встроенного программного обеспечения, указанную в строке «версия микропрограммы».
Результаты подтверждения соответствия программного обеспечения считают положительными, если версия внешнего программного обеспечения не ниже 1.0 и версия встроенного программного обеспечения не ниже 0.4.
-
8.4.2.2 Опробование проводят в следующей последовательности:
-
1) разместить калибратор Fluke 5522А, мультиметр 3458А и Е-502 на удобном для проведения работ месте;
-
2) подключить Е-502 к компьютеру с помощью кабеля USB из комплекта Е-502;
-
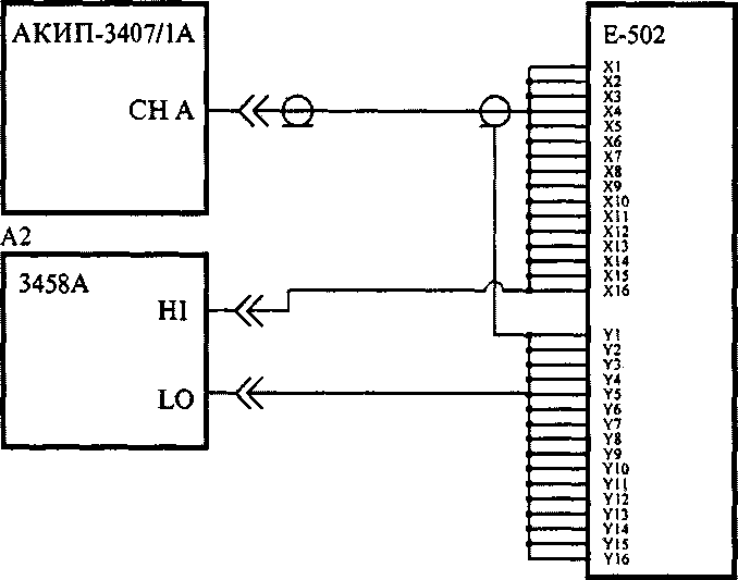
3) собрать схему поверки в соответствии с рисунком 8;
Al - калибратор Fluke 5522A;
A2 - мультиметр 3458A;
АЗ - преобразователь Е-502.
* подключение цепей DAC1 и DAC2 согласно п.п. 8.4.3.4, 8.4.3.5
Рисунок 8
-
4) прогреть приборы согласно эксплуатационной документации на них;
-
5) загрузить в компьютер программу «X502_Metr» (далее - программа), после чего индикатор в окне программы (рядом с кнопкой "Обнаружить") должен приобрести зеленый цвет и должен быть правильно определен серийный номер Е-502;
-
6) установить режим работы «Дифференциальное» с помощью соответствующего переключателя в окне программы для подключения измерительных входов «СН1» - «СН16» Е-502 по дифференциальной схеме;
-
7) включить опрос измерительных каналов, установив «галочки» в полях «СН1»- «СН16» программы;
-
8) установить режим измерений напряжения постоянного тока «DC», используя соответствующий переключатель в окне программы;
-
9) установить коэффициент усреднения 100 в поле "Усреднение" и частоту преобразований АЦП 20 кГц в поле «АЦП» программы;
-
10) подать на вход Е-502 с калибратора Fluke 5522А конечные значения напряжения постоянного тока для каждого предела измерений, поочередно устанавливая пределы измерений 10; 5; 2; 1; 0,5; 0,2 В, используя соответствующий переключатель в окне программы, и зафиксировать показания в окне «DC» программы для каждого из 16 измерительных каналов;
Результат опробования считают положительным, если показания в окне «DC» каждого из измерительных каналов программы соответствуют значениям напряжения, устанавли-
ваемым на выходе калибратора Fluke 5522А. При несоответствии показаний программы значениям на выходе калибратора Fluke 5522А поверка прекращается и Е-502 бракуется.
8.4.3 Определение метрологических характеристик
8.4.3.1 Определение приведенной (к верхнему значению предела измерений) основной погрешности измерений напряжения постоянного тока осуществляют с использованием калибратора Fluke 5522А в следующей последовательности:
-
1) выполнить операции 1) - 9) по п. 8.4.2.2;
-
2) подать на вход Е-502 с калибратора Fluke 5522А значения напряжения постоянного тока согласно таблице 30, поочередно устанавливая пределы измерений 10, 5, 2, 1, 0,5, 0,2 В, используя соответствующий переключатель в окне программы, и зафиксировать показания в окне «DC» программы для каждого из 16 измерительных каналов;
Таблица 30 - Значения напряжения постоянного тока для преобразователей модификации Е-502
Предел измерений, В |
Устанавливаемые значения напряжения постоянного тока на выходе калибратора Fluke 5522А, мВ |
10 |
9900; 2000; 400; 80; 20;-20; -80; —400; -2000; -9900 |
5 |
5000; 1000; 200; 40; 8; -8; -40; -200; -1000; -5000 |
2 |
2000; 500; 100; 20; 5; -5; -20; -100; -500; -2000 |
1 |
990; 200; 40; 8; 4; -4- -8; —40; -200; -990 |
0,5 |
500; 200; 50; 10; 2; -2; -10; -50; -200; -500 |
0,2 |
190; 80; 20; 5; 1; -1; -5; -20; -80; -190 |
-
3) рассчитать для каждого установленного согласно таблице 30 значения напряжения и каждого измерительного канала преобразователя приведенную (к верхнему значению предела измерений) основную погрешность измерений напряжения постоянного тока yos в процентах по формуле (1).
Результат определения приведенной (к верхнему значению предела измерений) основной погрешности измерений напряжения постоянного тока считают положительным, если полученные значения yos не превышают ±0,05 % для пределов 10; 5 и 2 В; ±0,07 % для предела 1 В, ±0,1 % для предела 0,5 В и ±0,2 % для предела 0,2 В.
-
8.4.3.2 Определение относительной основной погрешности измерений напряжения переменного тока проводят с использованием генератора АКИП-3407/1А и вольтметра 3458А в следующей последовательности:
-
1) разместить Е-502, генератор АКИП-3407/1А и вольтметр 3458А на удобном для проведения работ месте;
-
2) подключить Е-502 к компьютеру с помощью кабеля USB из комплекта Е-502;
-
3) собрать схему поверки в соответствии с рисунком 9;

Рисунок 9
Al - генератор АКИП-3407/1 А;
А2 - вольтметр 345 8А;
АЗ - преобразователь Е-502.
-
4) установить частоту преобразований АЦП равной 2000 кГц в поле «АЦП» программы;
-
5) включить опрос 16 измерительных каналов, установив «галочки» в полях «СН1» -«СН16» программы;
-
6) установить режим измерений напряжения переменного тока «АС», используя соответствующий переключатель в окне программы;
-
7) установить поочередно в окне программы для каждого из измерительных каналов пределы измерений 10; 5; 2; 1; 0,5; 0,2 В и подать на вход Е-502 с генератора АКИП-3407/1 А значения напряжения переменного тока согласно таблице 31с частотой 0,01, 1, 50 кГц; зафиксировать соответствующие показания в окне «АС» программы для опрашиваемых измерительных каналов;
Таблица 31 - Значения напряжения переменного тока для преобразователей модификации Е-502
Предел измерений, В |
Устанавливаемые значения переменного тока на выходе калибратора Fluke 5522А, мВ |
10 |
100; 350; 1400; 2800; 7000 |
5 |
50;210;710; 1400; 3500 |
2 |
20; 70; 280; 500; 1400 |
1 |
10; 35; 140; 280; 700 |
0,5 |
5; 20; 70; 140; 350 |
0,2 |
2; 10; 30; 50; 140 |
-
8) включить опрос одного измерительного канала, установив «галочку» в поле «СН1»;
-
9) установить поочередно в окне программы для измерительного канала «СН1» пределы измерений 10; 5; 2; 1; 0,5; 0,2 В и подать на вход Е-502 с генератора АКИП-3407/1А значения напряжения переменного тока согласно таблице 31 с частотой 100, 300, 999 кГц; зафиксировать соответствующие показания в окне «АС» программы для опрашиваемого измерительного канала;
-
10) рассчитать для всех установленных значений напряжения и частоты для всех измерительных каналов Е-502, выбранных в операциях 5) - 9), относительную основную погрешность измерений напряжения переменного тока доа в процентах по формуле (5).
Результат определения относительной основной погрешности измерений напряжения переменного тока считают положительным, если полученные значения доа находятся в пределах, указанных в таблице 32.
Таблица 32 - Пределы допускаемой относительной основной погрешности измерений напряжения переменного тока для преобразователей модификации Е-502
Диапазон частот входного сигнала, кГц |
Пределы допускаемой относительной основной погрешности измерений напряжения переменного тока, % |
от 0,01 до 50 включ. |
± [0,15 + 0,02 х -1)] X. |
св. 50 до 100 включ. |
± [0,3 +0,02 х(^-1)] Л. |
св. 100 до 300 включ. |
±[1 + 0,03х(^-1)] Л. |
св. 300 до 999 |
±[5 + О,О5х(^-1)] Л. |
Примечания %
л/2 чение установленного предела измерений напряжения электрического тока.
|
-
8.4.3.3 Определение относительной основной погрешности частоты преобразований АЦП проводят с использованием частотомера 43-88 в следующей последовательности:
-
1) разместить Е-502 и частотомер 43-88 на удобном для проведения работ месте;
-
2) подать сигнал «CONV_OUT» с разъема «DIGITAL» Е-502 на вход «А» частотомера 43-88 в соответствии с рисунком 10;
Al А2
Рисунок 10
А1 - частотомер 43-88;
А2 - преобразователь Е-502.
-
3) подключить Е-502 к компьютеру с помощью кабеля USB из комплекта преобразователя;
-
4) прогреть приборы согласно эксплуатационной документации на них;
-
5) загрузить в компьютер программу «Х502_С1оск», после чего в окне программы должны быть правильно определены модификация, серийный номер и версия встроенного программного обеспечения преобразователя;
-
6) считать показания частотомера 43-88;
-
7) рассчитать относительную основную погрешность частоты преобразований АЦП до/ в процентах по формуле (3).
Результат определения относительной основной погрешности частоты преобразований АЦП считают положительным, если полученные значения д0/ находятся в пределах ±0,005 %.
-
8.4.3.4 Определение приведенной (к верхней границе диапазона воспроизведений) основной погрешности воспроизведений напряжения постоянного тока проводят только для исполнений X-U-D, X-U-D-I, P-EU-D, P-EU-D-I в следующей последовательности:
-
1) выполнить операции 1) - 5) п. 8.4.2.2;
-
2) подключить выход «DAC1» Е-502 к входу мультиметра 3458А;
-
3) выбрать тип сигнала "Постоянный" на вкладке "Генератор" в окне программы;
-
4) последовательно установить в поле «Канал 1» значения напряжений -4750; -2000; -1000; -250; -3; 3; 250; 1000; 2000; 4750 мВ и зафиксировать соответствующие показания мультиметра 345 8А;
-
5) подключить выход «DAC2» Е-502 к входу мультиметра 3458А;
-
6) последовательно установить в поле «Канал 2» значения напряжений -4750; -2000; -1000; -250; -3; 3; 250; 1000; 2000; 4750 мВ и зафиксировать соответствующие показания мультиметра 345 8А;
-
7) рассчитать приведенную (к верхней границе диапазона воспроизведений) основную погрешность воспроизведений напряжения yog в процентах по формуле (4).
Результат определения приведенной (к верхней границе диапазона воспроизведений) основной погрешности воспроизведений напряжения постоянного тока считают положительным, если полученные значения yog находятся в пределах ±0,1 %.
-
8.4.3.5 Определение относительной основной погрешности воспроизведений напряжения переменного тока проводят только для исполнений X-U-D, X-U-D-I, P-EU-D, P-EU-D-I в следующей последовательности:
-
1) выполнить операции 1), 2) п. 8.4.3.4;
-
2) выбрать тип сигнала "Синусоидальный" на вкладке "Генератор" в окне программы;
-
3) последовательно установить в поле «Канал 1» значения напряжения 50; 210; 710; 1400; 3500 мВ для каждого значения частоты 0,01, 5, 15, 50, 100 кГц и зафиксировать соответствующие показания мультиметра 3458А;
-
4) подключить выход «DAC2» Е-502 к входу мультиметра 3458А;
-
5) последовательно установить в поле «Канал 2» значения напряжения 50; 210; 710; 1400; 3500 мВ для каждого значения частоты 0,01, 5, 15, 50, 100 кГц и зафиксировать соответствующие показания мультиметра 345 8А;
-
6) рассчитать для всех установленных в операциях 3), 5) значений напряжения и частоты относительную основную погрешность воспроизведений напряжения переменного тока до/i по формуле:
4а = *100, (6)
и3
где Uu3m - напряжение переменного тока, измеренное вольтметром 3458А, мВ; из - напряжение переменного тока, заданное на выходе преобразователя.
Результат определения относительной основной погрешности воспроизведений напряжения переменного тока считают положительным, если полученные значения doh находятся в пределах, указанных в таблице 33.
Таблица 33 - Пределы допускаемой относительной основной погрешности воспроизведений напряжения переменного тока для преобразователей модификации Е-502
4астота выходного напряжения, кГц |
Пределы допускаемой относительной основной погрешности воспроизведений напряжения переменного тока, % |
от 0,01 до 5 включ. |
±[0,15 + 0,02х(^-1)] X. |
св. 5 до 15 включ. |
± [0,5 +0,05 х(^-1)] X |
св. 15 до 50 включ. |
±[3,0 + 0,1х(^-1)] X |
св. 50 до 100 включ. |
±[15,0 + 0,Зх(^-1)] X |
Примечания
|
-
8.4.3.6 Определение относительной основной погрешности воспроизведений частоты переменного тока проводят только для исполнений X-U-D, X-U-D-I, P-EU-D, P-EU-D-I в следующей последовательности:
-
1) разместить Е-502 и частотомер 43-88 на удобном для проведения работ месте;
-
2) подключить выход «DAC1» Е-502 к входу «А» частотомера 43-88 в соответствии с рисунком 11;
Al А2
Рисунок 11
А1 - частотомер 43-88;
А2 - преобразователь Е-502.
-
3) подключить Е-502 к компьютеру с помощью кабеля USB из комплекта преобразователя;
-
4) прогреть приборы согласно эксплуатационной документации на них;
-
5) загрузить в компьютер программу «X502_Metr» (далее - программа), после чего индикатор в окне программы (рядом с кнопкой "Обнаружить") должен приобрести зеленый цвет и должен быть правильно определен серийный номер Е-502;
-
6) установить в поле «Канал 1» значения напряжения 1000 мВ и частоты 100 кГц и зафиксировать соответствующие показания частотомера 43-88;
-
7) рассчитать относительную основную погрешность частоты преобразований АЦП до/ в процентах по формуле:
где Fизм - показание частотомера 43-88, кГц;
F3 - установленное значение частоты, F3 = 100 кГц.
Результат определения относительной основной погрешности воспроизведений частоты переменного тока считают положительным, если полученные значения <5/ находятся в пределах ±0,005 %.
-
8) повторить операции 5-6) при значениях частот 100 Гц и 300 кГц.
8.4.4 Результаты поверки
-
8.4.4.1 Результат поверки считают положительным, если получены положительные результаты при выполнении всех операций поверки (подпункты 8.4.1-8.4.3).
-
8.5.1 Внешний осмотр
При проведении внешнего осмотра преобразователей проверяют:
-
- соответствие комплектности перечню, указанному в паспорте;
-
- соответствие серийного номера указанному в паспорте;
-
- чистоту и исправность разъемов;
-
- маркировку и наличие необходимых надписей на преобразователе;
-
- отсутствие механических повреждений и ослабление крепления элементов конструкции (повреждение корпуса, разъёма);
-
- сохранность органов управления, четкость фиксаций их положений.
Результат внешнего осмотра считают положительным, если выполняются все вышеуказанные требования.
-
8.5.2 Опробование и подтверждение соответствия программного обеспечения
-
8.5.2.1 Подтверждение соответствия встроенного программного обеспечения проводят в следующей последовательности:
-
- поочередно запустить программы «X502_Metr» и Х502_С1оск»;
-
- зафиксировать версию внешнего программного обеспечения, указанную в окне программы рядом с ее названием, и версию встроенного программного обеспечения, указанную в строке «версия микропрограммы».
Результаты подтверждения соответствия программного обеспечения считают положительными, если версия внешнего программного обеспечения не ниже 1.0 и версия встроенного программного обеспечения не ниже 0.4.
-
8.5.2.2 Опробование проводят в следующей последовательности:
-
1) разместить калибратор Fluke 5522А, мультиметр 3458А на удобном для проведения работ месте;
-
2) установить L-502 в разъем PCI Express материнской платы компьютера;
-
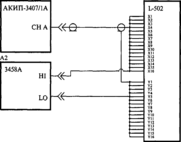
3) собрать схему поверки в соответствии с рисунком 12;
Al - калибратор Fluke 5522A;
A2 - мультиметр 3458A;
АЗ - преобразователь L-502.
* подключение цепей DAC1 и DAC2 согласно п.п. 8.5.3.4, 8.5.3.5
Рисунок 12
-
4) прогреть приборы согласно эксплуатационной документации на них;
-
5) загрузить в компьютер программу «X502_Metr» (далее - программа), после чего индикатор в окне программы (рядом с кнопкой "Обнаружить") должен приобрести зеленый цвет и должен быть правильно определен серийный номер L-502;
-
6) установить режим работы «Дифференциальное» для подключения измерительных входов «СН1» - «СН16» L-502 по дифференциальной схеме с помощью соответствующего переключателя в окне программы;
-
7) включить опрос измерительных каналов, установив «галочки» в полях «СН 1» - «СН 16» программы;
-
8) установить режим измерений напряжения постоянного тока «DC», используя соответствующий переключатель в окне программы;
-
9) установить коэффициент усреднения 100 в поле "Усреднение" и частоту преобразований АЦП 20 кГц в поле «АЦП» программы;
-
10) подать на вход L-502 с калибратора Fluke 5522А конечные значения напряжения постоянного тока для каждого предела измерений, поочередно устанавливая пределы измерений 10, 5, 2, 1, 0,5, 0,2 В, используя соответствующий переключатель в окне программы, и зафиксировать показания в окне «DC» программы для каждого из 16 измерительных каналов;
Результат опробования считают положительным, если показания в окне «DC» каждого из измерительных каналов программы соответствуют значениям напряжения, устанавли-
ваемым на выходе калибратора Fluke 5522А. При несоответствии показаний программы значениям на выходе калибратора Fluke 5522А поверка прекращается и L-502 бракуется.
8.5.3 Определение метрологических характеристик
8.5.3.1 Определение приведенной (к верхнему значению предела измерений) основной погрешности измерений напряжения постоянного тока осуществляют с использованием калибратора Fluke 5522А в следующей последовательности:
-
1) выполнить операции 1) - 9) по п. 8.5.2.2;
-
2) подать на вход L-502 с калибратора Fluke 5522А значения напряжения постоянного тока согласно таблице 34, поочередно устанавливая пределы измерений 10, 5, 2, 1, 0,5, 0,2 В, используя соответствующий переключатель в окне программы, и зафиксировать показания в окне «DC» программы для каждого из 16 измерительных каналов;
Таблица 34 - Значения напряжения постоянного тока для преобразователей модификации L-502
Предел измерений, В |
Устанавливаемые значения напряжения постоянного тока на выходе калибратора Fluke 5522А, мВ |
10 |
9900; 2000; 400; 80; 20; -20; -80; -400; -2000; -9900 |
5 |
5000; 1000; 200; 40; 8; -8; -40; -200; -1000; -5000 |
2 |
2000; 500; 100; 20; 5; -5; -20; -100; -500; -2000 |
1 |
990; 200; 40; 8; 4; -4; -8; -40; -200; -990 |
0,5 |
500; 200; 50; 10; 2; -2; -10; -50; -200; -500 |
0,2 |
190; 80; 20; 5; 1; -1; -5; -20; -80; -190 |
-
3) рассчитать для каждого установленного согласно таблице 34 значения напряжения и каждого измерительного канала преобразователя приведенную (к верхнему значению предела измерений) основную погрешность измерений напряжения постоянного тока yos в процентах по формуле (1).
Результат определения приведенной (к верхнему значению предела измерений) основной погрешности измерений напряжения постоянного тока считают положительным, если полученные значения yos не превышают ±0,05 % для пределов 10; 5 и 2 В; ±0,07 % для предела 1 В, ±0,1 % для предела 0,5 В и ±0,2 % для предела 0,2 В.
-
8.5.3.2 Определение относительной основной погрешности измерений напряжения переменного тока проводят с использованием генератора АКИП-3407/1А и мультиметра 3458А в следующей последовательности:
-
1) разместить L-502, генератор АКИП-3407/1А и мультиметр 3458А на удобном для проведения работ месте;
-
2) собрать схему поверки в соответствии с рисунком 13;

Al - генератор АКИП-3407/1 А;
А2 - мультиметр 3458А;
АЗ - преобразователь L-502.
Рисунок 13
-
3) установить частоту преобразований АЦП равной 2000 кГц в поле «АЦП» программы;
-
4) включить опрос 16 измерительных каналов, установив «галочки» в полях «СН1» -«СН16» программы;
-
5) установить режим измерений напряжения переменного тока «АС», используя соответствующий переключатель в окне программы;
-
6) установить поочередно в окне программы для каждого из измерительных каналов пределы измерений 10; 5; 2; 1; 0,5; 0,2 В и подать на вход L-502 с генератора АКИП-3407/1 А значения напряжения переменного тока согласно таблице 35 с частотой 0,01, 1, 50 кГц; зафиксировать соответствующие показания в окне «АС» программы для опрашиваемых измерительных каналов;
Таблица 35 - Значения напряжения переменного тока для преобразователей модификации L-502
Предел измерений, В |
Устанавливаемые значения напряжения переменного тока на выходе калибратора Fluke 5522А, мВ |
10 |
100;350;1400; 2800; 7000 |
5 |
50; 210;710;1400; 2500; 3500 |
2 |
20; 70; 280; 500; 1400 |
1 |
10; 35; 140; 280; 700 |
0,5 |
5; 20; 70; 140; 350 |
0,2 |
2; 10; 30; 50; 140 |
-
7) включить опрос одного измерительного канала, установив «галочку» в поле «СН1» программы;
-
8) установить поочередно в окне программы для измерительного канала «СН1» пределы измерений 10; 5; 2; 1; 0,5; 0,2 В и подать на вход L-502 с генератора АКИП-3407/1А значения напряжения переменного тока согласно таблице 35 с частотой 100, 300, 999 кГц; зафиксировать соответствующие показания в окне «АС» программы для опрашиваемого измерительного канала;
-
9) рассчитать для всех установленных значений напряжения и частоты для всех измерительных каналов L-502, выбранных в операциях 4) - 8), относительную основную погрешность измерений напряжения переменного тока <5оа в процентах по формуле (5).
Результат определения относительной основной погрешности измерений напряжения переменного тока считают положительным, если полученные значения доа находятся в пределах, указанных в таблице 36.
Таблица 36 - Пределы допускаемой относительной основной погрешности измерений напряжения переменного тока для преобразователей модификации L-502
Диапазон частот входного сигнала, кГц |
Пределы допускаемой относительной основной погрешности измерений напряжения переменного тока, % |
от 0,01 до 50 включ. |
± [0,15 +0,02 х(^-1)] А |
св. 50 до 100 включ. |
± [0,3 +0,02 х(^-1)] А |
св. 100 до 300 включ. |
±[1 + 0,03х(^-1)] |
св. 300 до 999 |
+ [5 + 0,05х(^-1)] А |
Примечания
X
•V2 чение установленного предела измерений напряжения электрического тока.
|
-
8.5.3.3 Определение относительной основной погрешности частоты преобразований АЦП проводят с использованием частотомера 43-88 в следующей последовательности:
-
1) Разместить компьютер с установленным L-502 и частотомер 43-88 на удобном для проведения работ месте;
-
2) подать сигнал «CONV_OUT» с разъема межмодульной синхронизации L-502 на вход «А» частотомера 43-88 соответствии с рисунком 14;

Al - частотомер 43-88;
A2 - преобразователь L-502.
Рисунок 14
-
3) прогреть приборы согласно эксплуатационной документации на них;
-
4) загрузить в компьютер программу «Х502_С1оск», после чего в окне программы должны быть правильно определены модификация, серийный номер и версия встроенного программного обеспечения преобразователя;
-
5) считать показания частотомера 43-88;
-
6) рассчитать относительную основную погрешность частоты преобразований АЦП до/ в процентах по формуле (3).
Результат определения относительной основной погрешности частоты преобразований АЦП считают положительным, если полученные значения до/ находятся в пределах ±0,005 %.
-
8.5.3.4 Определение приведенной (к верхней границе диапазона воспроизведений) основной погрешности воспроизведений напряжения постоянного тока проводят только для исполнений X-X-D, X-X-D-I, X-G-D, X-G-D-I, P-G-D, P-G-D-I в следующей последовательности:
-
1) выполнить операции 1) - 5) п. 8.5.2.2;
-
2) подключить выход «DAC1» L-502 к входу мультиметра 3458А;
-
3) выбрать тип сигнала "Постоянный" на вкладке "Генератор" в окне программы;
-
4) последовательно установить в поле «Канал 1» значения напряжений -4750; -2000; -1000; -250; -3; 3; 250; 1000; 2000; 4750 мВ и зафиксировать соответствующие показания мультиметра 3458А;
-
5) подключить выход «DAC2» L-502 к входу мультиметра 3458А;
-
6) последовательно установить в поле «Канал 2» значения напряжений -4750; -2000; -1000; -250; -3; 3; 250; 1000; 2000; 4750 мВ и зафиксировать соответствующие показания мультиметра 3458А;
-
7) рассчитать приведенную (к верхней границе диапазона воспроизведений) основную погрешность воспроизведений напряжения yog в процентах по формуле (4).
Результат определения приведенной (к верхней границе диапазона воспроизведений) основной погрешности воспроизведений напряжения постоянного тока считают положительным, если полученные значения yog находятся в пределах ±0,3 %.
-
8.5.3.5 Определение относительной основной погрешности воспроизведений напряжения переменного тока проводят только для исполнений X-X-D, X-X-D-I, X-G-D, X-G-D-I, P-G-D, P-G-D-I в следующей последовательности:
-
1) выполнить операции 1), 2) п. 8.5.3.4;
-
2) выбрать тип сигнала "Синусоидальный" на вкладке "Генератор" в окне программы;
-
3) последовательно установить в поле «Канал 1» значения напряжения 50; 210; 710; 1400; 3500 мВ для каждого значения частоты 0,01, 50, 100 кГц и зафиксировать соответствующие показания мультиметра 345 8А;
-
4) подключить выход «DAC2» L-502 к входу мультиметра 3458А;
-
5) последовательно установить в поле «Канал 2» значения напряжения 50; 210; 710; 1400; 3500 мВ для каждого значения частоты 0,01, 50, 100 кГц и зафиксировать соответствующие показания мультиметра 3458А;
-
6) рассчитать для всех установленных в операциях 3), 5) значений напряжения и частоты относительную основную погрешность воспроизведений напряжения переменного тока doh по формуле (6).
Результат определения относительной основной погрешности воспроизведений напряжения переменного тока считают положительным, если полученные значения doh находятся в пределах, указанных в таблице 37.
Таблица 37 - Пределы допускаемой относительной основной погрешности воспроизведений напряжения переменного тока для преобразователей модификации L-502
4астота выходного напряжения, кГц |
Пределы допускаемой относительной основной погрешности воспроизведений напряжения переменного тока, % |
от 0,01 до 50 включ. |
± [0,15 + 0,02 х (^ -1)] -А |
св. 50 до 100 включ. |
± [0,5 +0,02 х(^с-1)] А |
Примечания
|
-
8.5.3.6 Определение относительной основной погрешности воспроизведений частоты переменного тока проводят только для исполнений X-X-D, X-X-D-I, X-G-D, X-G-D-I, P-G-D, P-G-D-I в следующей последовательности:
-
1) разместить L-502 и частотомер 43-88 на удобном для проведения работ месте;
-
2) подключить выход «DAC1» L-502 к входу «А» частотомера 43-88 в соответствии с рисунком 15;
Al А2
Рисунок 15
А1 - частотомер 43-88;
А2 - преобразователь L-502.
-
3) прогреть приборы согласно эксплуатационной документации на них;
-
4) загрузить в компьютер программу «X502_Metr» (далее - программа), после чего индикатор в окне программы (рядом с кнопкой "Обнаружить") должен приобрести зеленый цвет и должен быть правильно определен серийный номер L-502;
-
5) установить в поле «Канал 1» значения напряжения 1000 мВ и частоты 100 кГц и зафиксировать соответствующие показания частотомера 43-88;
-
6) рассчитать относительную основную погрешность частоты преобразований АЦП до/ в процентах по формуле (7).
-
7) Повторить операции 5) - 6) для значениях частот 100 Гц и 300 кГц.
Результат определения относительной основной погрешности воспроизведений частоты переменного тока считают положительным, если полученные значения 8f находятся в пределах ±0,005 %.
8.5.4 Результаты поверки
-
8.5.4.1 Результат поверки считают положительным, если получены положительные результаты при выполнении всех операций поверки (пункты 8.5.1-8.5.3).
-
9.1 По завершении операций поверки оформляется протокол поверки в произвольной форме с указанием следующих сведений:
-
- полное наименование аккредитованной на право поверки организации;
-
- номер и дата протокола поверки;
-
- наименование и обозначение поверенного средства измерений;
-
- заводской (серийный) номер;
-
- обозначение документа, по которому выполнена поверка;
-
- наименования, обозначения и заводские (серийные) номера использованных при поверке средств поверки (со сведениями о поверке последних);
-
- температура и влажность в помещении;
-
- фамилия лица, проводившего поверку;
результаты каждой из операций поверки согласно таблице 14.
Допускается не оформлять протокол поверки отдельным документом, а результаты операций поверки указывать на оборотной стороне свидетельства о поверке.
-
9.2 При положительном результате поверки выдается свидетельство о поверке и наносится знак поверки в соответствии с Приказом Министерства промышленности и торговли РФ от 2 июля 2015 г. № 1815.
-
9.3 При отрицательном результате поверки, выявленных при любой из операций поверки, описанных в таблице 14, выдается извещение о непригодности в соответствии с Приказом Министерства промышленности и торговли РФ от 02.07.2015 г. № 1815.
Инженер отдела испытаний ООО «ИЦРМ»

Е.С. Устинова
Страница 44 из 44