Методика поверки «Приборы для измерений параметров света фар автотранспортных средств X-LIGHT» (МП АПМ 06-13)
УТВЕРЖДАЮ
Руководитель ГЦИ СИ Генеральный директор ) «Автогц^огресс-М»
«
икитин
2014 г.
МЕТОДИКА ПОВЕРКИ
МПАПМ 06-13 г. Москва
2013 г.
Настоящая методика распространяется на приборы для измерений параметров света фар автотранспортных средств x-light (далее - приборы) и устанавливает методику их первичной и периодической поверки.
Интервал между поверками - 1 год.
1. Операции поверкиПри проведении поверки необходимо выполнять операции поверки, указанные в таблице 1.
Таблица 1
|
№ п/п |
Наименование этапа поверки |
№ пункта документа по поверке |
|
1. |
Идентификация программного обеспечения |
7.1. |
|
2. |
Внешний осмотр, проверка маркировки и комплектности |
7.2. |
|
3. |
Опробование |
7.3. |
|
4. |
Определение метрологических характеристик |
7.4 |
|
5. |
Определение погрешности нулевой установки прибора в вертикальной плоскости |
7.4.1 |
|
6. |
Определение абсолютной погрешности измерений углов наклона верхней светотеневой границы пучка ближнего света к плоскости рабочей площадки |
7.4.2 |
|
7. |
Определение абсолютной погрешности измерений угла отклонения точки пересечения левого горизонтального и правого наклонного участков светотеневой границы светового пучка фар ближнего света в горизонтальном направлении |
7.4.3 |
При получении отрицательного результата по любому пункту таблицы 1, поверка прекращается и система бракуется.
2. Средства поверки-
2.1. При проведении поверки необходимо применять средства поверки, указанные в табл.2.
Таблица 2
|
№ пункта документа по поверке |
Наименование эталонов, вспомогательных средств поверки и их основные метрологические и технические характеристики |
|
7.3; 7.4 |
Тахеометр электронный типа Та20, ГОСТ Р 51774-2001 |
|
7.3 |
Рулетка измерительная металлическая (0^- 3000) мм, КТЗ, ГОСТ 7502-98 |
|
7.3 |
Секундомер СДСпр-1-2-000, КТ2, ТУ 25-1894.003-90 |
|
7.3 |
Набор гирь (10mg-5 kg) Mi по ГОСТ 7328-2001 |
Примечание. Допускается применять другие средства поверки, имеющие свидетельства о поверке и обеспечивающие определение метрологических характеристик с требуемой точностью.
3. Требования к квалификации поверителейК проведению поверки допускаются лица, изучившие эксплуатационные документы и настоящую методику на приборы для измерений параметров света фар автотранспортных средств x-light, имеющие достаточные знания и опыт работы с подобными устройствами.
4. Требования безопасностиПри проведении поверки должны соблюдаться требования безопасности по ГОСТ 12.3.019-80 ССБТ. «Испытания и измерения электрические. Общие требования безопасности» (с Изменением № 1), а также требования безопасности, указанные в эксплуатационной документации на используемые средства поверки.
5. Условия проведения поверкиПри проведении поверки должны быть соблюдены нормальные условия согласно ГОСТ 8.395-80 ГСИ. «Нормальные условия измерений при поверке. Общие требования».
Прибор, представленный на поверку, и средства поверки следует подготовить к работе в соответствии с эксплуатационными документами.
6. Подготовка к поверкеПеред проведением поверки должны быть выполнены следующие подготовительные работы:
проверить наличие действующих свидетельств о поверке на средства поверки; прибор для измерений параметров света фар автотранспортных средств x-light и средства поверки привести в рабочее состояние в соответствии с их эксплуатационной документацией;
прибор для измерений параметров света фар автотранспортных средств x-light и средства поверки должны быть выдержаны в помещении не менее 1 часа.
7. Проведение поверки-
7.1. Идентификация программного обеспечения
При проведении идентификации программного обеспечения необходимо выполнить следующие процедуры:
-
- включить ПК, входящий в состав стенда;
-
- запустить ПО «х-line»;
-
- выбрать вкладку главного меню «Help» и далее во всплывшем меню выбрать пункт «Info about eabappOl»;
-
- на экран будет выведена информация о наименование и номер версии ПО.
Номер версии и наименование ПО должны соответствовать следующему:
-
- наименование программного обеспечения - x-line
-
- номер версии программного обеспечения, не ниже - 3.1.0.0
-
7.2. Внешний осмотр, проверка маркировки и комплектности
При внешнем осмотре проверяется:
-
- отсутствие механических повреждений прибора, а также других дефектов, влияющих на эксплуатационные характеристики и ухудшающих его внешний вид;
-
- комплектность прибора должна соответствовать руководству по эксплуатации;
-
- наличие маркировки (наименование или товарный знак фирмы-изготовителя, тип и заводской номер прибора, год его выпуска).
-
7.3. Опробование
При опробовании должно быть установлено соответствие оптико-механических элементов прибора следующим требованиям:
-
7.3.1. Проверка разметки контрольного экрана. Данная процедура выполняется в следующей последовательности:
-
- прибор установить горизонтально в соответствии с инструкцией по эксплуатации;
-
- открыть верхнюю крышку оптической камеры прибора с расположенной на ней клавиатурой компьютера;
-
- в случае недостаточного естественного освещение для проведения измерений, подсветить оптическую шкалу прибора от внешнего источника света, например фонариком;
-
- на высоте (700 ± 5) мм (для x-light и x-light s) или (1400 ± 5) мм (для x-light ACS) установить соосно (остаточная несоосность ±30 мм) с оптической камерой прибора электронный тахеометр и подготовить его к измерениям согласно руководства эксплуатации на него. Расстояние от линзы оптической камеры прибора до электронного тахеометра должно составлять (500±100) мм;
-
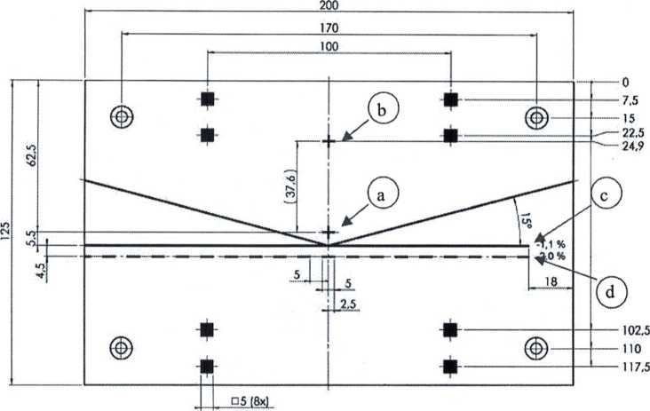
- навести перекрестье сетки нитей тахеометра на горизонтальную линию (с) (-1,1%) (рис. 1.) оптической шкалы экрана с левой ее стороны.

Рис. 1.
если при от левого экрана к тахеомет-изонталь-
-
7.3.2. Надежность фиксации оптической камеры на стойке прибора проверяется установкой на верхнюю плоскость рабочей камеры прибора груза массой 2 кг по ГОСТ 7328-2001 (только для x-light и x-light ASC).
Для модификации x-light s фиксация оптической камеры на стойке прибора проверяется без использования груза, т.к. положение оптического модуля стабилизируется при помощи противовеса.
Время измеряется с помощью секундомера СДСпр-1-2-000, КТ2, ТУ 25-1894.003-9.
Результаты поверки считаются положительными, если в течение 5 мин оптическая камера прибора переместилась относительно стойки не более чем на ±5мм.
-
7.3.3. Диапазон перемещения оптической камеры прибора проверяется измерением положения центра линзы оптической камеры в верхней и нижней точке с помощью измерительной рулетки относительно пола.
Результаты поверки считаются положительными, если в результате измерений получены значения:
-
- для модификации x-light:
-
- в верхней точке (900±5) мм;
-
- в нижней точке (250±5) мм.
-
- для модификации x-light s:
-
- в верхней точке (950±5) мм;
-
- в нижней точке (250±5) мм.
-
- для модификации x-light ASC:
-
- в верхней точке (1650±5) мм;
-
- в нижней точке (1200±5) мм.
7.4. Определение метрологических характеристик
-
7.4.1. Определение погрешности нулевой установки прибора в вертикальной плоскости. Определение погрешности нулевой установки прибора для измерений параметров света фар автотранспортных средств x-light в вертикальной плоскости.
Погрешность нулевой установки прибора в вертикальной плоскости определяется по электронной шкале прибора с помощью тахеометра электронного в следующей последовательности:
используя рулетку измерительную установить тахеометр на штативе на расстоянии 500±100 мм от линзы оптической камеры прибора;
-
- навести лазерный излучатель тахеометра на оптоэлектронный экран прибора;
-
- установить лазерный излучатель тахеометра соосно с оптической осью прибора (допуск несоосности в вертикальной и горизонтальной плоскостях - ±3 мм). В результате данной процедуры лазерный луч тахеометра должен пройти через центр линзы оптического блока и попасть на оптоэлектронный экран прибора в точку (а) (для х-light и x-light s) или в точку (Ь) (для x-light ASC) (рис. 1);
окончательно выставить трубу тахеометр в вертикальной плоскости по установочным электронным уровням;
включить прибор в режим измерений вертикальных углов;
снять показания вертикального угла с экрана монитора или со шкалы жидкокристаллического дисплея прибора (ро
погрешность нулевой установки прибора в вертикальной плоскости Д1 определяется по формуле (1) и будет равна:
Л, = (О-^о) (1)
Следует выполнить не менее пяти измерений при определении погрешности нулевой установки прибора и среднее арифметическое значение принять за окончательный результат.
Результаты поверки считаются положительными, если пределы допускаемой погрешности нулевой установки прибора в вертикальной плоскости Ai находятся в диапазоне ±10'19" ((± 30 мм/10 м),(± 0,3%)).
Запись наблюдений в протокол поверки при определении погрешности нулевой установки прибора в вертикальной плоскости не производится.
-
7.4.2. Определение абсолютной погрешности измерений углов наклона верхней светотеневой границы пучка ближнего света к плоскости рабочей площадки.
Абсолютную погрешность измерений углов наклона верхней светотеневой границы пучка ближнего света к плоскости рабочей площадки необходимо определять отдельно при ручном и автоматическом режиме измерений.
-
7.4.2.1. При ручном режиме измерений необходимо выполнить следующие операции: используя рулетку измерительную установить тахеометр на штативе на расстоянии 500±100 мм от линзы оптической камеры прибора;
навести лазерный излучатель тахеометра на оптоэлектронный экран прибора; установить лазерный излучатель тахеометра соосно с оптической осью прибора (допуск несоосности в вертикальной и горизонтальной плоскостях - ±3 мм). В результате данной процедуры лазерный луч тахеометра должен пройти через центр линзы оптического блока и попасть на оптоэлектронный экран прибора в точку (а) (для х-light и x-light s) или в точку (Ь) (для x-light ASC) (рис. 1);
снять отсчет вертикального угла по отсчетному устройству тахеометра фо;
далее вращением наводящего винта вертикального круга тахеометра навести лазерный луч тахеометра на горизонтальную линию (с) (-1,1%) (рис. 1.);
снять отсчет вертикального угла по отсчетному устройству тахеометра ф]; аналогичным образом снять показания вертикального угла по отсчетному устройству тахеометра ф; для всех оцифрованных значений шкалы прибора и определить соответствующие разности по формуле (2):
, (2)
где: i - целые числа по количеству оцифрованных значений шкалы прибо
ра.
При этом каждый раз следует выполнить не менее трех измерений в каждой оцифрованной точке шкалы прибора и за окончательный результат принять среднее арифметическое значение этих измерений.
Абсолютную погрешность измерений угла наклона верхней светотеневой границы пучка света фар при ручном режиме измерений Лручн , в каждой в каждой оцифрованной точке шкалы прибора рассчитать в соответствии с выражением (3):

(3)
где: v, - номинальное значение угла наклона верхней светотеневой границы
пучка света фар из таблиц 3, 4;
i - целые числа по количеству оцифрованных значений шкалы прибора.
Среднее арифметическое значение из всех рассчитанных значений Apy4H i принять за окончательный результат величины погрешности.
положительными, если пре
углов наклона
Результаты поверки считаются делы допускаемой погрешности
измерений
верхней светотеневой границы пучка ближнего света к плоскости рабочей площадки находятся в диапазоне мм/10 м),(± 0,3%)).
±10'19" ((± 30
Таблица 3
|
Точка на оптоэлектронном экране прибора |
Оцифрованные значения шкалы оптоэлектронного экрана прибора |
Угол наклона верхней светотеневой границы пучка света фар |
|
(а) |
0% |
0°00’ |
|
(с) |
-1,1% |
-0°37'49" |
|
(d) |
-2,0% |
-1°08'45" |
Таблица 4
|
Точка на оптоэлектронном экране прибора |
Оцифрованные значения шкалы оптоэлектронного экрана прибора |
Угол наклона верхней светотеневой границы пучка света Фар |
|
(Ь) |
0% |
0°00* |
|
(с) |
-1,1% |
-4°55'36" |
|
(d) |
-2,0% |
-5°26Т7" |
-
7.4.2.2. При автоматическом режиме измерений необходимо выполнить следующие операции:
используя рулетку измерительную, установить тахеометр на штативе на расстоянии 500±100 мм от линзы оптической камеры;
навести лазерный излучатель тахеометра на оптоэлектронный экран прибора, находящийся за оптической линзой и перевести его в режим измерений углов согласно руководству по эксплуатации на тахеометр;
с помощью клавиатуры компьютера, расположенной на верхней крышке оптической камеры прибора перевести прибор в режим проверки калибровки оптоэлектронной измерительной шкалы;
установить лазерный излучатель тахеометра соосно с оптической осью прибора (допуск несоосности в вертикальной и горизонтальной плоскостях - ±3 мм). В результате данной процедуры лазерный луч тахеометра должен пройти через центр линзы оптического блока и попасть на оптоэлектронный экран прибора в точку (а) (для х-light и x-light s) или в точку (Ь) (для x-light ASC) (рис. 1);
окончательно выставить трубу тахеометра в вертикальной плоскости по установочным электронным уровням. На электронной измерительной шкале вертикального угла тахеометра должны быть нулевые показания с точностью установки 00°00';
-
- снять показание вертикального угла с экрана монитора или со шкалы жидкокристаллического дисплея прибора;
-
- изменяя угол наклона лазерного излучателя тахеометра (значения приведены в таблице 5) аналогичным образом снять показания углов наклона светового пучка в вертикальной плоскости;
-
- абсолютная погрешность измерений углов наклона верхней светотеневой границы пучка ближнего света к плоскости рабочей площадки определяется по формуле (4):
Д2 = ($>H3Mi " ^действО (4)
где: <pH3Mi - отсчет угла по экрану монитора или со шкалы жидкокри
сталлического дисплея прибора при i-м приёме;
<Рдейств1 - значения угла наклона в вертикальной плоскости по шкале тахеометра при i-м приёме (определять из таблицы 5).
Таблица 5
|
Значение углов наклона верхней светотеневой границы пучка ближнего света к плоскости рабочей площадки |
Значение угла наклона в вертикальной плоскости по шкале тахеометра |
|
0% (0° 00') (000 мм/10 м) |
0° 00’ |
|
-1%(-34,4') (-100 мм/10 м) |
-34,4' |
|
-2%(-1°09') (-200 мм/10 м) |
-1°09' |
|
-3%(-1°43') (-300 мм/10 м) |
-1°43' |
|
-4% (-2° 18') (-400 мм/10 м) |
-2° 18' |
При расчете погрешностей измерений для величины Дг следует выполнять в каждой точке не менее трех измерений, вычислить среднее арифметическое значение и за окончательный результат Аг принять наибольшее из полученных значений.
Результаты поверки считаются положительными, если абсолютная погрешность измерений углов наклона верхней светотеневой границы пучка ближнего света к плоскости рабочей площадки находятся в диапазоне ±10'19" ((± 30 мм/10 м),(± 0,3%)).
-
7.4.3. Определение абсолютной погрешности измерений угла отклонения точки пересечения левого горизонтального и правого наклонного участков светотеневой границы светового пучка фар ближнего света в горизонтальном направлении.
Процедура проведения поверки по данному пункту методики должна начинаться с ориентации лазерного пучка тахеометра и совмещения его по оптоэлектронному экрану прибора с нулевой точкой шкалы измерений углового отклонения в горизонтальном направлении точки пересечения левого горизонтального и правого наклонного участков светотеневой границы светового пучка фары. При этом тахеометр и прибор должны быть ориентированы друг относительно друга в соответствии с требованиями п. 7.4.1 настоящей методики поверки. В результате данной процедуры лазерный луч тахеометра должен попасть на оптоэлектронный экран прибора в точку (а) (для x-light и x-light s) или в точку (Ь) (для x-light ASC) (рис. 1).
Снять значение угла по горизонтальной оси тахеометра (рде{1ств0, а также снять показания угла отклонения со шкалы жидкокристаллического дисплея прибора <ри1у().
Далее при проведении процедуры поверки оптоэлектронной шкалы прибора необходимо выполнить следующие операции:
изменяя угол отклонения лазерного излучателя тахеометра <pdeiicmei влево и вправо от начальной точки шкалы измерений углового отклонения в горизонтальном направлении точки пересечения левого горизонтального и правого наклонного участков светотеневой границы светового пучка фары снять показания углов отклонения со шкалы жидкокристаллического дисплея прибора ■ Занести полученные значения в протокол поверки;
абсолютная погрешность измерений отклонения в горизонтальном направлении точки пересечения левого горизонтального и правого наклонного участков светотеневой границы светового пучка фар ближнего света Дз определяется по формуле (5) и будет равна:
Дз = (^дейст! — ^декйсто) “ (^изм1 ” ^измо) (5),
где: ^изм! - отсчет угла отклонения по дисплею прибо
ра при i-м приёме;
^действ! - текущее значения угла отклонения по горизонтальной шкале тахеометра при i-м приёме (определять из Таблицы 6).
При расчете погрешностей измерений для каждой из величины Дз следует выполнять в каждой точке не менее пяти измерений при изменении углов отклонения лазерного излучателя тахеометра от величины +4° 34' (+ 800 мм/10 м) до величины - 4° 34' (-800 мм/10 м) -прямой ход, и столько же значений при изменении углов отклонения лазерного излучателя тахеометра от значения - 4° 34' (-800 мм/10 м) до значения +4° 34' (+ 800 мм/10 м) - обратный ход. По результатам измерений вычислять средние арифметические значения и за окончательный результат Д3 принять наибольшую величину, полученную из этих вычислений.
Таблица 6
|
Угол отклонения от нулевого положения в горизонтальном направлении точки пересечения левого горизонтального и правого наклонного участков светотеневой границы светового пучка фар ближнего света |
Угол отклонения по горизонтальной шкале тахеометра |
|
0° 00' (000 мм/10 м) |
0° 00' |
|
34,4' (100 мм/10 м) |
0°34' |
|
Г 09' (200 мм/10 м) |
1°09' |
|
1° 43'(300 мм/10 м) |
1°43' |
|
2° 18' (400 мм/10 м) |
2° 18' |
|
2° 52' (500 мм/10 м) |
2° 52' |
|
3°26' (600 мм/10 м) |
3°26' |
|
4° 00' (700 мм/10 м) |
4° 00' |
|
4° 34' (800 мм/10 м) |
4° 34' |
Результаты поверки считаются положительными, если абсолютная погрешность измерений угла отклонения точки пересе
чения левого горизонтального и правого наклонного участков светотеневой границы светового пучка фар ближнего света в горизонтальном направлении находится в диапазоне ±10'19" ((± 30 мм/10 м),(± 0,3%)).
8. Оформление результатов поверки-
8.1. Результаты поверки оформляются протоколом, составленным в виде сводной таблицы результатов поверки по каждому пункту раздела 7 настоящей методики поверки с указанием предельных числовых значений результатов измерений и их оценки по сравнению с предъявленными требованиями.
-
8.2. При положительных результатах поверки приборы для измерений параметров света фар автотранспортных средств x-light признаются годными к применению и на них выдается свидетельство о поверке установленной формы с указанием фактических результатов определения метрологических характеристик.
-
8.3. При отрицательных результатах поверки приборы для измерений параметров света фар автотранспортных средств x-light признаются непригодными к применению, и на них выдается извещение о непригодности установленной формы с указанием основных причин.
Инженер ГЦИ СИ
. Г. Вайсман
ООО «Автопрогресс-М»
