Методика поверки «Трансформаторы тока эталонные CA535. Руководство по эксплуатации. Часть 2» (ПДРМ.671220.001 РЭ1)
Методика поверки
СА535
\______________7
УТВЕРЖДАЮ

ТРАНСФОРМАТОРЫ ТОКА ЭТАЛОННЫЕ СА535 Руководство по эксплуатации. Часть 2. Методика поверки.
ГЩРМ.671220.001 РЭ1
Екатеринбург 2017
1
СА535 [■ СОДЕРЖАНИЕ-
-
8.2 Проверка электрической прочности изоляции цепей питания 6
8.3. Проверка электрического сопротивления изоляции цепей питания
-
8.5 Определение основной токовой и основной угловой
погрешностей трансформатора СА535
Настоящий документ является второй частью руководства по эксплуатации (далее - РЭ) трансформаторов тока эталонных СА535 (далее - трансформаторы) и содержит методику их поверки.
1 ОБЛАСТЬ ПРИМЕНЕНИЯМетодика поверки распространяется на трансформаторы СА535 и устанавливает методы и средства их первичной и периодической поверок.
Интервал между поверками - 5 лет.
2 НОРМАТИВНЫЕ ССЫЛКИВо второй части РЭ трансформаторов имеются ссылки на следующие нормативные документы:
Приказ № 1815 от 02.07.2015 г. Об утверждении порядка проведения поверки средств измерений, требований к знаку поверки и содержанию свидетельства о поверке
ГОСТ 12.3.019-80 ССБТ. Испытания и измерения электрические. Общие требования безопасности
РМГ 51 - 2002 Документы на методики поверки средств измерений. Основные положения
"Правила по охране труда при эксплуатации электроустановок" (ПОТЭЭ).
3 ОПЕРАЦИИ ПОВЕРКИПри поверке должны быть выполнены операции, приведенные в таблице 3.1
Таблица 3.1
|
№ п/п |
№ пункта методики поверки |
Наименование операции |
Проведение операции при | |
|
первичной поверке |
периодической поверке | |||
|
1 |
8.1 |
Внешний осмотр |
Да |
Да |
|
2 |
8.2 |
Проверка электрической прочности изоляции цепей питания |
Да |
Нет |
|
3 |
8.3 |
Проверка электрического сопротивления изоляции цепей питания |
Да |
Нет |
|
4 |
8.4 |
Опробование |
Да |
Да |
|
5 |
8.5 |
Определение основной токовой и основной угловой погрешностей трансформатора СА535 |
Да |
Да |
При отрицательных результатах любой из операций, поверка трансформатора прекращается, неисправный трансформатор бракуется.
4 СРЕДСТВА ПОВЕРКИПри проведении поверки должны быть применены рабочие эталоны, средства измерительной техники и вспомогательное оборудование, перечисленные в таблице 4.1.
Таблица 4,1
|
Наименование рабочего эталона и средств измерительной техники |
Технические характеристики средств измерительной техники |
№ пункта методики поверки |
|
Магазин сопротивлений Р5018-5 |
Номинальные значения нагрузки :
|
8.4 - 8.6 |
|
Мегаомметр Е6-16 |
Пределы допускаемой основной приведенной погрешности - ± 1,5%. Диапазон измерений - от 2 до 2x108 Ом, |
8.3 |
|
Установка пробойная УПУ-10 |
Испытательное напряжение от 0,2 до 10 кВ, пределы погрешности установки напряжения ± 4 % |
8.2 |
|
Устройство поверки измерительных трансформаторов К535 |
Диапазон измерений токовой погрешности й - от минус 20 до 20 %, угловой - от минус 200 до 200 '. Пределы допускаемой погрешности измерения токовой погрешности, в процентах, ± (0,01 Л-(1+15//2)+0,001), угловой погрешности, ± 0,3' |
8.4 - 8.6 |
|
Преобразователь тока И564 |
Номинальные первичные токи -от 400 до 10000 А. Пределы дополнит, погрешностей: токовой - ± 0,005%; угловой - ± 0,4 ' |
8.4 - 8.6 |
|
Регулируемый источник тока (далее - РИТ) |
РИТ должен обеспечивать диапазон регулирования от 1 до 120 % номинального тока поверяемого трансформатора тока и установку этого тока с погрешностью, не выходящей за пределы ± 10 % |
8.5, 8.6 |
Допускается применение других средств поверки с характеристиками не хуже, чем у вышеуказанных.
5 ТРЕБОВАНИЯ БЕЗОПАСНОСТИПри проведении поверки трансформаторов СА535/1, СА535/2 должны соблюдаться требования ГОСТ 12.3.019-80 и ПОТЭЭ.
Перед проведением поверки необходимо ознакомиться с настоящей методикой, эксплуатационной документацией на трансформато-
ры, средства поверки и вспомогательное оборудование.
Измерения могут выполнять лица, которые имеют группу по электробезопасности не ниже третьей.
6 ТРЕБОВАНИЯ К КВАЛИФИКАЦИИ ПЕРСОНАЛАИзмерения должны выполнять лица, аттестованные как государственные поверители.
7 УСЛОВИЯ ПОВЕРКИ-
7.1 При проведении поверки должны соблюдаться следующие условия:
-
- температура окружающего воздуха - от 18 до 22 °C;
-
- относительная влажность воздуха - от 40 до 80 %;
-
- атмосферное давление - от 84 до 106 кПа;
-
- напряжение сети питания (далее - сети) - от 198 до 242 В;
-
- коэффициент гармоник рабочего напряжения - не более 5 %.
-
7.2 Все работы с трансформаторами должны проводиться в соответствии с первой частью Руководства по эксплуатации трансформаторов, ПДРМ.671220.001 РЭ, а работы со средствами измерительной техники и вспомогательным оборудованием, применяемыми при поверке, в соответствии с их эксплуатационной документацией.
-
8 ПРОВЕДЕНИЕ ПОВЕРКИ
При проведении внешнего осмотра должно быть установлено:
-
- отсутствие механических повреждений трансформатора, расширителя (при его наличии) и кабелей, которые могут повлиять на их работоспособность;
-
- соответствие требованиям комплектности и маркировки, приведенным в паспорте трансформаторов.
Соответствие требованиям комплектности и маркировки, а также отсутствие внешних механических повреждений, проверять визуально.
Результат операции поверки считать положительным, если отсутствуют внешние механические повреждения трансформатора, а комплектность и маркировка соответствуют требованиям паспорта.
8.2 Проверка электрической прочности изоляции цепей питанияПроверку электрической прочности изоляции проводить с помощью пробойной установки УПУ-10.
-
8.2.1 Перед испытанием:
-
- подсоединить к трансформатору СА535 кабель питания;
-
- электрически соединить между собой штыри вилки кабеля питания;
-
- подсоединить к соединенным штырям и к выводу защитного за-
земления вилки кабеля питания универсальную пробойную установку УПУ-10, которая в момент подключения должна быть выключена.
-
8.2.2 Включить установку. Подачу синусоидального испытательного напряжения от 0 до 1500 В производить плавно в течение 10 с. Выдержать цепи при максимальном напряжении не менее 1 мин, затем напряжение плавно понизить до нуля и отключить пробойную установку.
-
8.2.3 Результат операции проверки считать положительным, если при проведении испытаний не произошло пробоя или поверхностного перекрытия изоляции. Появление "короны" или специфического шума, при испытании, не является признаком неудовлетворительных результатов испытаний.
-
8.3.1 Сопротивление изоляции между корпусом и изолированными по постоянному току цепями питания трансформатора СА535 проверять с помощью мегаомметра Е6-16 при напряжении 500 В постоянного тока в нормальных условиях применения.
-
8.3.2 Проверку проводить в следующей последовательности:
-
- подсоединить к трансформатору тока эталонному СА535 кабель питания;
-
- электрически соединить между собой штыри вилки кабеля питания;
-
- установить переключатель "СЕТЬ" в положение "I";
-
- измерить с помощью мегаомметра при напряжении 500 В, сопротивление между питающими цепями и защитным заземлением вилки кабеля питания трансформатора;
-
- показания мегаомметра отсчитывать через 1 мин после подачи измерительного напряжения.
-
8.3.3 Результат проверки считать положительным, если измеренные значения сопротивления изоляции не менее 2 МОм.
-
8.4.1 Подключить блок управления, входящий в комплект трансформатора СА535, к разъему RS232, расположенному на задней панели.
-
8.4.2 Подключить расширитель диапазона РД564 (далее - расширитель РД564) к трансформатору СА535 с помощью кабеля КИ564.
-
8.4.3 Подключить трансформатор СА535 к сети питания 220 В 50 Гц.
-
8.4.4 Включить питание трансформатора СА535) тумблером «СЕТЬ», расположенным на передней панели СА535.
-
8.4.5 С помощью клавиш управления, расположенных на верхней панели блока управления, последовательно установить все значения номинальных первичных токов трансформатора СА535. При установке каждого нового значения номинального первичного тока должен быть слышен характерный звук переключения электромеханического реле.
-
8.4.6 Результат операции поверки считать положительным, если:
-
- при выполнении 8.4.4 включилась подсветка тумблера «СЕТЬ» на передней панели трансформатора и подсветка индикатора на верхней панели блока управления;
-
- при установке каждого нового значения номинального первичного тока был слышен характерный звук переключения электромеханического реле.
-
8.4.7 Идентификация программного обеспечения проводится путём сравнения идентификационных данных ПО, считанных в окне запуска ПО с идентификационными данными, приведёнными в таблице 8.1.
Таблица 8.1 -Идентификационные данные программного обеспечения
|
Идентификационные данные |
Значение |
|
Встроенное | |
|
Идентификационное наименование ПО |
CA535.hex |
|
Номер версии ПО |
V5.0 и выше |
|
Внешнее | |
|
Идентификационное наименование ПО |
setup CA535 PC v1 .XX |
|
Номер версии ПО |
v1.33 и выше |
-
8.5.1 Подготовить таблицу по образцу таблицы 8.1, в которую будут заноситься результаты последующей проверки. В этой таблице для каждого из номинальных значений первичного тока СА535, которые выбраны при заказе трансформатора, начиная от максимального значения (для примера в таблице указано 5000 А), должны быть подготовлены 3 строки для занесения результатов проверки в Зх режимах - 1 %, 100 % и 120 % от заданного номинального первичного тока.
-
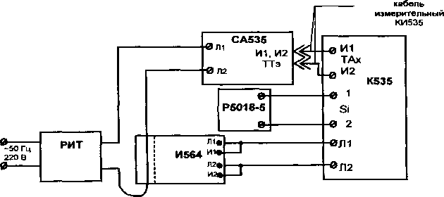
8.5.2 При наличии в комплекте расширителя РД564 собрать схему измерения, представленную на рисунке 8.1. По этой схеме выполняется проверка в диапазоне первичных номинальных токов от 600 до 5000 А.
К535 — устройство поверки измерительных трансформаторов; И564 — преобразователь тока;
Р5018-5 — магазин сопротивлений
Рисунок 8.1
Таблица 8.2
|
Схема (рис.№) |
Диапазон значений номинального первичного тока, А |
Значение задаваемого номинального первичного тока, А |
Устанавливаемый первичный ток |
Результат измерения погрешностей | ||
|
Абсолютное значение, А |
Относительн-значение, % |
Токовая погрешность fi, % |
Угловая погрешность 5i, мин | |||
|
8.1 (СРД564) |
600 < 1гн2 5000 |
5000 |
50 |
1 | ||
|
500 |
100 | |||||
|
6000 |
120 | |||||
|
8.2 |
300<1гн^600 |
600 |
6 |
1 | ||
|
600 |
100 | |||||
|
720 |
120 | |||||
|
8.3 |
0,5 < 1гн^ 300 |
300 |
3 |
1 | ||
|
300 |
100 | |||||
|
360 |
120 | |||||
vwKkiigt/
-
8.5.3 Установить на магазине сопротивлений СА5018-5 значение мощности нагрузки SHarp, равное 2,5 В А с коэффициентом мощности, равным 1.
-
8.5.4 Согласно инструкции на К535 установить для него режим поверки трансформаторов тока с номинальным первичным током, равным максимальному для этого диапазона СА535 (для примера указано 5000 А), вторичным - 5 А.
-
8.5.5 Установить соответственно значение номинального первичного тока СА535, равным максимальному в данном диапазоне.
-
8.5.6 Регулируя источник тока РИТ, установить относительное значение первичного тока, равное 1% от номинального, как указано для первого измерения в столбце "Устанавливаемый первичный ток” таблицы 8.1. Значение тока контролировать по показаниям К535 в режиме измерения относительного значения первичного тока эталонного трансформатора. Погрешность установки абсолютного значения тока здесь и далее - не более 5 %.
-
8.5.7 При помощи К535 провести измерение токовой и угловой погрешности трансформатора СА535. Результаты измерения занести в таблицу, выполненную по образцу 8.2 в соответствующие ячейки строки данного измерения.
-
8.5.8 Повторить 8.5.6 и 8.5.7 для относительных значений первичного тока 100 % и 120 % номинального.
-
8.5.9 Повторить 8.5.4 - 8.5.8 для всех номинальных значений первичного тока в данном диапазоне (от максимального до минимального), выбранных при заказе трансформатора СА535.
-
8.5.10 Собрать схему согласно рисунку 8.2 для проверки трансформатора СА535 в диапазоне номинальных первичных токов от 300 А до 600 А.

РИТ — регулируемый источник тока;
К535 - устройство поверки измерительных трансформаторов; И564 — преобразователь тока;
Р5018-5 - магазин сопротивлений
Рисунок 8.2
-
8.5.11 Повторить 8.5.4 - 8.5.8 для всех номинальных значений первичного тока в данном диапазоне (от максимального до минимального), выбранных при заказе трансформатора СА535.
-
8.5.12 Собрать схему согласно рисунку 4.3 для проверки трансформатора СА535 в диапазоне номинальных первичных токов от 0,5 А до 300 А.

К535 - устройство поверки измерительных трансформаторов;
И564 - преобразователь тока; Р5018-5 - магазин сопротивлений
Рисунок 8.3
-
8.5.13 Повторить 8.5.4 - 8.5.8 для всех номинальных значений первичного тока в данном диапазоне (от максимального до минимального), выбранных при заказе трансформатора СА535.
Результат операции поверки следует считать положительным, если для всех режимов значения основной токовой погрешности fi, в процентах, не превышают ± 0,02; значения основной угловой погрешности Si, в минутах, не превышают ± 1,5.
9 ОФОРМЛЕНИЕ РЕЗУЛЬТАТОВ ПОВЕРКИ-
9.1 При положительных результатах поверки оформляют свидетельство о поверке в соответствии с Приказом от 2 июля 2015 г. № 1815 МИНПРОМТОРГ «Об утверждении порядка проведения поверки средств измерений, требования к знаку поверки и содержанию свидетельства о поверке».
-
9.2 В случае отрицательных результатов поверки оформляют извещение о непригодности в соответствии с Приказом от 2 июля 2015 г. №1815 МИНПРОМТОРГ «Об утверждении порядка проведения поверки средств измерений, требования к знаку поверки и содержанию свидетельства о поверке» с указанием причин непригодности.
