Методика поверки «Счетчики электрической энергии однофазные электронные ЕС2726» (ЛАФС.411152.003 Д1)
УТВЕРЖДАЮ
ФГУП

Ханов
СЧЕТЧИКИ ЭЛЕКТРИЧЕСКОЙ ЭНЕРГИИ ОДНОФАЗНЫЕ ЭЛЕКТРОННЫЕ ЕС2726
Методика поверки
ЛАФС.411152.003 Д1
СОГЛАСОВАНО
Руководитель лаборатории электроэнергетики ГЦИ СИ ФГУП
«ВНИИМ им. Д.И.Менделеева»

2015
Настоящая методика поверки распространяется на счетчики электрической энергии однофазные электронные ЕС2726 (в дальнейшем - счетчики) класса точности 1 или 2 выпускаемые по ГОСТ 31819.21-20012 и ТУ 4228-003-59483005-2015 и устанавливает методику их первичной и периодической поверок (в дальнейшем - поверка).
Интервал между поверками - 16 лет.
Счетчики имеют варианты исполнения по классу точности, по способу управления тарифами, по типу встраиваемых в счетчик внешних интерфейсов, по наличию элементов управления нагрузкой потребителя, по номинальным значениям напряжения и по базовым и максимальным значениям тока.
Счетчики имеют вариант исполнения с защитой от несанкционированного потребления электроэнергии через нулевой провод (контроль мощности в нулевом проводе).
Варианты исполнения счетчиков приведены в приложении А.
1 ОПЕРАЦИИ ПОВЕРКИ-
1.1 При проведении поверки должны быть выполнены операции, указанные в таблице 1. Таблица 1
Наименование операции
Номер пункта НД по поверке
Проведение операции при
первичной поверке
периодической поверке
Внешний осмотр
6.1
+
+
Проверка электрической прочности изоляции
6.2
+
+
Опробование, проверка правильности работы счетного механизма и испытательных выходов
6.3
+
+
Определение метрологических характеристик
6.4
+
+
Проверка стартового тока (порога чувствительности)
6.5
+
+
Проверка отсутствия самохода
6.6
+
+
Проверка точности хода часов и обмена данными с персональной ЭВМ через технологический интерфейс
6.7
+
+
Проверка обмена данными между счетчиком и ПЭВМ через внешний (сетевой) интерфейс (только для вариантов исполнения счетчиков, снабженных внешним интерфейсом)
6.8
+
+
Подтверждение соответствия ПО СИ
6.9
+
+
Примечание - Последовательность поверки может быть произвольной.
2 СРЕДСТВА ПОВЕРКИ-
2.1 При проведении поверки используется оборудование, указанное в таблице 2.
Таблица 2
Номер пункта документа по поверке |
Наименование эталонного средства измерений или вспомогательного оборудования; метрологические и технические характеристики |
6.2 |
Универсальная пробойная установка УПУ-10; испытательное напряжение до 10 кВ; погрешность установки напряжения ± 5 % |
6.3; 6.4; 6.5; 6.6 |
Установка МТЕ S 3-20.20 для поверки электросчетчиков. Диапазон напряжений (30-75; 75-150; 150-300) В. Диапазон токов (0,012-0,12; 0,12-1,2; 1,212; 12-80; 80-120) А Выходная мощность 600 В-A. В составе счетчик эталонный SRS 121.3 Погрешность измерений не более 0,05 %. |
6.5; 6.6 |
Частотомер электронно-счетный 43-63/1, измеряемая частота 0,1 Гц до 200 МГц. |
6.5; 6.6; 6.7 |
Источник питания Б5-47; выходное напряжение 0,1 - 29,9 В; Ток нагрузки 0,01 - 2,99 А; погрешность 0,5 % UVcr |
6.7 |
Персональная ЭВМ (ПЭВМ), совместимая с IBM PC. Минимальный состав: микропроцессор Intel 80486DX; оперативная память 8 Мбайт; свободное пространство в накопителе на жестком диске 8 Мбайт; свободный асинхронный последовательный порт СОМ1 (COM2) для подключения счетчика |
6.7 |
Устройство согласования ЛТС-301 Г62.240.001 с комплектом кабелей |
6.7 |
Программа для перепрограммирования счетчиков. |
Примечания
-
1 Допускается применение другого оборудования, по метрологическим и техническим характеристикам не уступающего приведенному в таблице 2.
-
2 Используемые средства измерения должны иметь действующие свидетельства о поверке. Испытательное оборудование должно быть аттестовано в соответствии с ГОСТ Р 8.568-97.
ВНИМАНИЕ: ВАРИАНТЫ ИСПОЛНЕНИЯ СЧЕТЧИКА СО ВСТРОЕННЫМ ШУНТОМ В КАЧЕСТВЕ ДАТЧИКА ТОКА ИМЕЮТ ВНУТРЕННЮЮ ГАЛЬВАНИЧЕСКУЮ СВЯЗЬ МЕЖДУ ЦЕПЯМИ ТОКА И НАПРЯЖЕНИЯ, ЧТО МОЖЕТ ОКАЗЫВАТЬ ВЛИЯНИЕ НА ПОЛУЧЕННЫЕ РЕЗУЛЬТАТЫ ИЗМЕРЕНИЙ, А ТАКЖЕ ПОВРЕДИТЬ ПОВЕРОЧНОЕ ОБОРУДОВАНИЕ!
3 ТРЕБОВАНИЯ БЕЗОПАСНОСТИ-
3.1 При проведении поверки должны быть соблюдены требования ГОСТ 12.2.007.0-75, «Правил технической эксплуатации электроустановок потребителей» и «Правил техники безопасности при эксплуатации электроустановок потребителей», утвержденных Минпромэнерго, технического описания и инструкции по эксплуатации установки для поверки счетчиков.
-
3.2 Обслуживающий персонал должен иметь квалификационную группу по электробезопасности не ниже III.
-
4.1 Поверку следует проводить в нормальных условиях применения, указанных в ГОСТ 8.584-2004.
-
4.2 На первичную поверку должны предъявляться счетчики, принятые ОТК или представителем организации, производившей ремонт.
Перед началом поверки снять крышку зажимной колодки счетчика, при необходимости очистить корпус счетчика от пыли и грязи, отсоединить перемычку Y1 от зажима 1 зажимной платы счетчика, обеспечив гальваническую развязку цепи тока и цепи напряжения счетчика. Расположение перемычки Y1 для вариантов исполнения счетчиков в круглом и прямоугольном корпусе приведено на рисунка Д. 1 и Д.2 в приложении Д.
Примечание - В счетчиках вариантов исполнения в которых в качестве датчика тока используется шунт, в том числе в корпусе для установки на DIN-рейку, перемычка Y1 и контакт напряжения могут отсутствовать, поскольку гальваническая связь между цепью тока и напряжения обеспечивается внутри счетчика конструкцией и схемой подключения шунта.
-
6 ПРОВЕДЕНИЕ ПОВЕРКИ
-
6.1.1 При проведении внешнего осмотра должно быть установлено соответствие счетчика следующим требованиям:
-
- комплектность счетчика должна соответствовать требованиям ТУ;
-
- на крышке зажимов должна быть схема подключения счетчика, соответствующая конструктивному варианту исполнения счетчика;
-
- поверхности корпуса и крышки зажимов не должны иметь механических повреждений (трещин, выбоин, царапин и др.);
-
- стекло в смотровом окне, если кожух выполнен из непрозрачного материала, должно быть прочно закреплено, и не иметь царапин и трещин;
-
- маркировка на щитке должна быть четкой и соответствовать требованиям сборочного чертежа и ТУ;
-
- зажимная колодка должна иметь все винты без механических повреждений резьбы и шлицов;
-
- корпус счетчика должен иметь исправные элементы конструкции для навешивания пломб госповерителя;
- при встряхивании счетчика должны отсутствовать посторонние шумы, вызванные незакрепленными частями и деталями счетчика.
Счетчик должен иметь соответствующие отметки о приемке отделом технического контроля или о выполнении регламентных работ.
6.2 Проверка электрической прочности изоляции-
6.2.1 Проверку электрической прочности изоляции следует производить на пробойной установке путем подачи в течение 1 мин испытательного напряжения практически синусоидальной формы 4,0 кВ (среднее квадратичное значение) частотой (45 - 65) Гц между цепями тока и напряжения счетчика, соединенными вместе, и «землей», к которой присоединены цепи основного (телеметрического) выхода счетчика.
Примечание - Определение «земля» - по ГОСТ 31818.11-2012.
При первичной поверке счетчиков в условиях серийного производства допускается увеличение испытательного напряжения на 25 % при сокращении времени испытаний до 1 с в соответствии с ГОСТ 8.584-2004.
Счетчик считают выдержавшим поверку, если не произошло пробоя или перекрытия изоляции и счетчик после испытания функционирует нормально. Появление «короны» или шума при проверке не является признаком неудовлетворительных результатов проверки.
При первичной поверке счетчиков допускается засчитывать результаты испытаний по проверке прочности изоляции полученные в ходе приемо-сдаточных испытаний ОТК.
6.3 Опробование и проверка правильности работы счетного механизма и испытательных выходов-
6.3.1 Опробование счетчика производить на установке для поверки счетчиков при номинальном напряжении, токе не ниже 5 А и значении коэффициента мощности cos ср - 1.
-
6.3.2 Подключить счетчик к поверочной установке, в соответствии с эксплуатационной документацией на данную установку и вариантом исполнения счетчика.
Примечание - схемы подключения для конструктивных вариантов исполнения счетчиков ЕС2726 приведены в паспорте на счетчик. Соответствующая схема подключения также нанесена на крышку клеммной колодки счетчика.
-
6.3.3 Установить номинальное напряжение, базовый ток, коэффициент мощности cos <р= 1, производить визуальный контроль за световым индикатором функционирования на лицевой стороне счетчика и за сменой информации на жидкокристаллическом индикаторе (далее - ЖКИ).
Индикатор функционирования должен включаться с частотой, пропорциональной входному току, при больших значениях тока визуально светиться непрерывно.
После включения счетчика и прохождения теста проверки на ЖКИ должно отображаться значение текущего времени (часы, минуты), текущее значение средней мощности (Вт), учтенная электроэнергия по тарифам (кВт-ч) с указанием номера тарифа с меткой текущего тарифа, а также другие данные, в соответствии с заданной программой вывода информации на ЖКИ.
-
6.3.4 Правильность работы счетного механизма счетчика проверять по соответствию приращения показаний суммарной учтенной энергии на счетном механизме, числу импульсов, сформированных на испытательном выходе счетчика. Проверку производить при максимально возможном (при длительном протекании) токе для поверочной установки, но не более максимального значения указанного на щитке счетчика при коэффициенте мощности cos <р = 1.
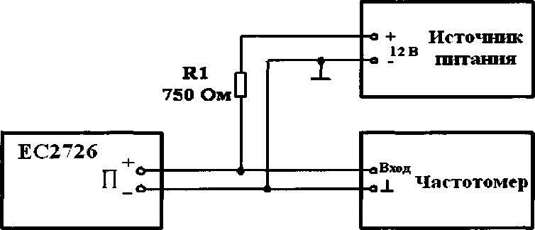
Если поверочная установка не имеет возможности осуществлять накопительный подсчет импульсов, поступающих с испытательного выхода счетчика, то подсчет импульсов рекомендуется производить с помощью частотомера, работающего в режиме счета импульсов и подключенного по схеме, приведенной на рисунке Д.З приложения Д.
Для проведения проверки необходимо:
а) Зафиксировать начальные показания учтенной счетчиком электроэнергии W\ с точностью до двух знаков после запятой;
б) Включить нагрузку на поверочной установке и обеспечить протекание через счетчик не менее 1 кВт.ч энергии.
в) Зафиксировать показания учтенной счетчиком электроэнергии W2 и рассчитать приращение показаний ДЙГ - W2 - ^1
Результаты проверки считаются положительными, если количество импульсов N, зафиксированных на испытательном выходе счетчика, не превышает значений:
А • ДИД1 - 0,0170 <N<A- Д^(1 + 0,01Х)
где А - число импульсов выходного устройства счетчика на 1 кВт-ч, (имп/кВт-ч);
К - класс точности счетчика.
Примечание:
Если поверочная установка позволяет обеспечить протекание через счетчик порции энергии, нормированной с точностью не хуже ± 0,3%, то допускается проводить проверку счетного механизма счетчиков по приращению учтенной энергии AW, отображаемой на счетном механизме.
При этом результаты проверки считаются положительными, если приращение находится в пределах:
W0(l — 0,01К)< ДЖ< Wo(l +0,01К)
Где Wo - нормированное количество электроэнергии поданное поверочной установкой К- класс точности счетчика.
Значение Wo должно удовлетворять требованию:
w0>10°-w^,
0 кГ де: Имл р - энергия, соответствующая единице младшего разряда счетного механизма
по учету энергии;
К - класс точности счетчика.
6.4 Определение метрологических характеристик-
6.4.1 Допускаемую основную погрешность счетчика определять на установке для поверки счетчиков по схеме включения, приведенной на рисунке 3, при значениях токов и коэффициентах мощности, указанных в таблице 3 и постоянной счетчика, указанной на его щитке.
Перед определением метрологических характеристик счетчик следует выдерживать при номинальной нагрузке не менее 15 мин.
Примечание - При серийном производстве допускается уменьшать время выдержки счетчика при номинальной нагрузке, если это не оказывает существенного влияния на точность результатов измерения.
Таблица 3
Режим |
Значение тока |
Коэффициент мощности |
Пределы допускаемой основной погрешности, %, для счетчиков класса точности | |
1 |
2 | |||
1 |
0,05 /б |
1,0 |
±1,5 |
±2,5 |
2 |
0,1 7б |
1,0 |
±1,0 |
±2,0 |
3 |
0,1/б |
0,5 (инд.) |
±1,5 |
±2,5 |
4 |
0,1 7б |
0,8 (емк.) |
±1,5 |
- |
5 |
0,2/б |
0,5 (инд.) |
±1,0 |
±2,0 |
6 |
0,2/б |
0,8 (емк.) |
±1,0 |
- |
7 |
/б |
1,0 |
±1,0 |
±2,0 |
8 |
4/б |
1,0 |
±1,0 |
±2,0 |
9 |
А<ах |
1,0 |
±1,0 |
±2,0 |
10 |
Лпах |
0,5 (инд.) |
±1,0 |
±2,0 |
И |
Лпах |
0,8 (емк.) |
±1,0 |
- |
Допускаемую основную погрешность определять по испытательному выходу счетчика «П».
Примечание - Допускается определять основную погрешность по световому индикатору функционирования счетчика.
Время каждого измерения не менее 60 с. Измеренные значения допускаемой основной погрешности для каждой проверки не должны превышать пределов допустимых значений, указанных в таблице 3.
Допускается для отдельных режимов поверки уменьшать время испытания до значений, при которых обеспечивается стабильный результат измерения.
6.5 Проверка стартового тока (порога чувствительности)-
6.5.1 Проверку стартового тока (порога чувствительности) производить на установке для поверки счетчиков, в соответствии с рисунком 3, при номинальном напряжении, коэффициенте мощности cos ср = 1 и значении тока, равном 0,0025/б - для счетчика класса точности 1 и 0,003 Д -для счетчика класса точности 2.
-
6.5.2 В качестве показаний следует принимать количество импульсов, зафиксированное с выходного устройства счетчика за время Т, с, рассчитанное по формуле:
2-3600-1000
(1)

где А -число импульсов выходного устройства счетчика на 1 кВт-ч, (имп/кВт-ч).;
(7Ном - номинальное напряжение, В;
I - ток подаваемый на счетчик, А;
А"- коэффициент, учитывающий погрешность счетчика. Здесь Х= 1,4.
Счетчик считают выдержавшим испытания, если в течение установленного времени измерения Т, с, будет зафиксировано не менее двух импульсов.
Допускается для фиксации импульсов использовать частотомер, подключенный к счетчику по схеме в соответствии с рисунком ДЗ, приведенном в .приложении Д.
-
6.5.3 Допускается проверку стартового тока (порога чувствительности) проверять путем:
-
- измерения основной погрешности счетчика. Счетчики считают выдержавшими проверку, если значение измеренной погрешности не превышает 20 %;
-
- измеренного значения средней мощности, при этом значение измеренной средней мощности можно получить визуально по ЖКИ (если данный параметр отображается на ЖКИ) или считыванием его через интерфейс. Счетчики считают выдержавшими проверку, если погрешность измерения счетчиками средней мощности не превышает 20 %.
-
6.6.1 Проверку отсутствия самохода производить на установке для поверки счетчиков в соответствии с рисунками 3 или с использованием частотомера в соответствии с рисунком 4 при отсутствии тока в цепи тока и значении напряжения 1,15 //ном-
-
6.6.2 В качестве показаний следует принимать количество зафиксированных импульсов на испытательном выходе счетчика.
-
6.6.3 Минимальный период испытаний Дг, мин, должен составлять:
для счетчиков класса точности 1

(2)
для счетчиков класса точности 2

(3)
где А - число импульсов выходного устройства счетчика на 1 кВт-ч, имп/(кВт-ч);
t/ном - номинальное напряжение, В;
/макс - максимальный ток, А.
Результат поверки считать положительным, если на испытательных выходах счетчика за нормируемое время Дг, мин, формируется не более одного импульса.
Примечание:
-
1. При первичной поверке допускается проверять отсутствие самохода счетчика путем оценки погрешности, зафиксированной при проверке стартового тока (порога чувствительности) (п.6.5). Счетчик считается выдержавшим испытание, если погрешность не превышает ± 20 %.
-
2. Допускается так же производить проверку отсутствия самохода по значению измеренной средней мощности. Значение измеренной средней мощности можно получить не менее чем через три минуты после начала проверки: визуально по показаниям ЖКИ (если данный параметр отображается на ЖКИ) или считыванием через интерфейс. Счетчики считают выдержавшими проверку, если значение измеренной средней мощности равно нулю.
-
6.7.1 Проверку правильности установки коэффициента коррекции хода часов счетчика проводить путем сопоставления значения коэффициента коррекции, определенного по результатам измерения периода следования импульсов меток времени на выходе счетчика, значению установленного в счетчике коэффициента коррекции, считанного из его памяти.
-
6.7.2 Подключить счетчик через устройство согласования к ПЭВМ и частотомеру в соответствии с рисунком Д.З, приведенном в приложении Д.
Запустить на ПЭВМ программу перепрограммирования счетчика ЕС2726. Подать на счетчик напряжение сети и в соответствии с руководством оператора по команде с ПЭВМ перевести испытательный выход счетчика в режим вывода меток времени внутренних часов счетчика.
-
6.7.3 С помощью частотомера измерить с точностью 0,1 мкс период следования выходных импульсов счетчика при усреднении результата не менее чем за 10 импульсов.
Определить отклонение измеренного значения периода от номинального То (мкс) и, в соответствии с приложением Б, найти значение требуемого коэффициента коррекции хода часов С.
-
6.7.4 В соответствии с руководством оператора войти в режим обмена данными со счетчиком и с помощью ПЭВМ прочитать коэффициент коррекции Ср, записанный в память счетчика при его калибровке.
Результат испытания считается положительным, если осуществляется корректный обмен данными через внешний интерфейс счетчика, а считанное из памяти счетчика значение коэффициента коррекции хода часов отличается от значения, определенной в п.6.7.3 не более, чем на ± 1.
Примечание - Для счетчиков, аппаратные средства которых обеспечивают относительное отклонение периода меток времени от номинального менее 5,7 ppm, требования к точности хода часов в пределах 0,5 с/24 часа выполняются автоматически и дополнительной программной корректировки не требуют.
-
6.8 Проверка обмена данными между счетчиком и ПЭВМ через сетевой интерфейс EIA485 (только для вариантов исполнения счетчиков снабженных интерфейсом EIA485)
-
6.8.1 Проверка работоспособности внешнего (сетевого) интерфейса осуществляется в соответствии с технической инструкцией по подключению и эксплуатации соответствующего типа интерфейса, приведенные в эксплуатационной документации на счетчик.
-
6.8.2 После подключения счетчика и соответствующего оборудования для обмена через интерфейс счетчика с ПЭВМ, запустить на ПЭВМ технологическую программу обмена со счетчиком ЕС2726 через проверяемый интерфейс.
-
Согласно руководства оператора обеспечить сеанс связи со счетчиком и ПЭВМ и прочитать заводской номер счетчика или константу коррекции точности хода часов С, записанную в памяти счетчика. При правильной работе интерфейса прочитанный заводской номер счетчика должен соответствовать номеру нанесенному на его щитке, а значение константы коррекции не должно отличаться от считанного по методике п.6.7.3.
6.9 Подтверждение соответствия ПО СИПодтверждение соответствия программного обеспечения счетчика проводится в процессе опробования счетчика. При включении счетчика на дисплее должна отображаться заставка с указанием номера версии ПО.
Результат поверки считать положительным, если номер версии ПО, отображенный на экране счетчика соответствует указанному в описании типа и паспорте счетчика.

-
7.1 Оформление результатов поверки осуществляются в соответствии с ГОСТ 8.584-2004. Результаты поверки вносят в протокол. Рекомендуемая форма протокола приведена в приложении В.
При проведении поверки на автоматизированной установке с распечаткой результатов поверки решение о признании пригодности счетчика принимаются на основании распечатки протокола поверки, выданной автоматизированной установкой.
-
7.2 В счетчике, признанным годным, перемычку Y1 на зажимной плате установить в исходное положение, навесить пломбы с последующим нанесением на них оттиска поверительного клейма установленной формы.
-
7.3 В случае отрицательных результатов поверки счетчик признается непригодным. При этом клейма счетчика гасят, пломбу предыдущей поверки снимают.
ПРИЛОЖЕНИЕ А
(справочное)
СТРУКТУРА условного обозначения вариантов исполнения счетчиков ЕС2726ЕС2726 ■ X
X Nx -X XX -XX /XX -DXX -XX -XXX В Х(ХХ) A -GXX Эксплуатацтонные параметры
Тип корпуса по системе обозначения предприятия Ток:
5(40); 5(50);5(60); 10(80);
10(100) А
Напряжение:
220; 240 В
Управление потреблением:
Y -выходное реле; Z -встроенный расцепитель Датчики событий:
С - вскрытия корпуса;
М - магнитного поля
Тип внешнего (сетевого) интерфейса:
E4-EIA485; MB-M-Bus;
RF - радиомодем;
GM - GSM;PL - PLC-модем CL - токовая петля;
EN - Ethernet;
SC - смарт-карта
Тип технологического интерфейса:
Е2 - EIA232; ОР - оптопор! ID - IrDA;
Архивация данных:
W - энергия за учетный период;
Р - профиль усредненной мощности
Тарификация:
-
1 - управление
от внутренних часов
-
2 - с внешним
управлением;
Контроль нулевого провода
Т - трансформатор;
S - шунт;
0 - без контроля
Тип датчика фазного тока
Т - трансформатор;
S - шунт;
D - другие датчики
Класс точности по
ГОСТ 31819.21-2012:
-
1 - класс 1,0;
-
2 - класс 2,0
Тип счетчика
ПРИЛОЖЕНИЕ Б
(обязательное)
Коэффициент коррекции хода часов счетчикаКоэффициент коррекции хода часов С находят по отклонению периода импульсов на выходе счетчика, работающего в режиме меток времени от номинального значения аТ= Т-2000000 мкс:
сгТ, мкс |
-2 |
+4 |
12 20 |
28 37 |
45 |
53 61 69 77 |
85 |
С |
0 |
1 2 |
3 4 |
5 6 |
7 8 9 |
10 | |
сгТ, мкс |
85 |
94 |
102 |
НО 118 126 134 142 |
151 | ||
С |
11 |
12 13 |
i 14 |
15 |
16 17 18 | ||
оТ, мкс |
151 |
159 167 |
175 |
183 |
191 199 | ||
С |
19 |
20 |
21 22 |
23 |
24 | ||
аТ, мкс |
199 |
207 216 |
224 |
232 |
240 248 256 | ||
С |
25 |
26 |
27 28 |
29 |
30 31 | ||
оТ, мкс |
+4 |
-2 |
-6 -10 -14 |
-18 |
-22 -26 -31 |
-35 -39 | |
С |
0 |
-1 -2 |
-3 • |
-4 - |
5 -6 -7 |
-8 -9 | |
аТ, мкс |
-39 |
43 -47 |
-51 |
-55 |
-59 -63 |
-67 -71 | |
С |
-10 |
-11 |
-12 ■ |
-13 |
-14 -15 -16 |
-17 | |
оТ, мкс |
-71 |
75 -79 |
-83 |
-87 |
-92 -96 |
-100 -104 | |
С |
-18 |
-19 |
-20 ■ |
-21 |
-22 -23 -24 |
-25 | |
оТ, мкс |
-104 |
-108 - |
112 -116 |
-120 -124 -128 | |||
С |
-26 |
-27 |
-28 |
-29 |
-30 -31 |
Примеры
-
1 При измерении периода выходных импульсов счетчика в соответствии с п.6.7.3 получено значение Т = 2000171 мкс. Тогда отклонение периода от номинального значения составляет аТ- 2000171 - 2000000 - +171 мкс. В верхней половине таблицы находим интервал, в котором лежит найденное отклонение (167... 175 мкс) и соответствующее ему значение коэффициента коррекции С = +21.
-
2 Измеренный период выходных импульсов счетчика составляет Т= 1999972 мкс, тогда его отклонение от номинального значения равно оТ-1999972 - 2000000 = -28 мкс. В нижней половине таблицы определяем интервал (-26...-31 мкс), содержащий данное отклонение, и коэффициент коррекции С = -7.
В случае, когда полученное отклонение периода от номинального значения совпадает с границей интервала в таблице (например, аТ = -26 мкс), выбирают значение коэффициента коррекции для любого из двух соседних интервалов (минус 6 или минус 7).
ПРИЛОЖЕНИЕ В
(рекомендуемое)
ПРОТОКОЛ
поверки счетчика электрической энергии однофазного электронного ЕС2726 ______________
класса точности___
Заводской номер_________________ Год изготовления _________________
Дата поверки ____________________
Поверочная установка типа____________, № _____________свидетельство о поверке
установки №______от «____»_____20__г., срок действия до «____» _____20__г..
Предельные значения допускаемой основной суммарной погрешности эталонных средств поверочной установки не более_____% .
Эталонный счетчик типа________ № ______, предел основной относительной погрешности,
не более __________ %; эталонные измерительные трансформаторы тока типа ________
№_______, №_______, №_______, предел основной относительной погрешности, не более________
%.
-
1. Внешний осмотр____________________________________________________
(соответствует или не соответствует ТУ)
-
2. Проверка электрической прочности изоляции
(соответствует или не соответствует ТУ)
-
3. Опробование и проверка правильности работы счетного механизма
(соответствует или не соответствует ТУ)
-
4. Определение основной погрешности (таблица 1)
Температура_____________°C.
Относительная влажность воздуха____________%.
-
5. Проверка стартового тока (порога чувствительности)
(соответствует или не соответствует ТУ)
-
6. Проверка отсутствия самохода
(соответствует или не соответствует ТУ)
Таблица 1
Режим |
Значение тока |
Коэффициент мощности |
Пределы допускаемой основной погрешности, %, для счетчиков класса точности |
Основная погрешность, % | |
1 |
2 | ||||
1 |
0,05 /б |
1,0 |
±1,5 |
±2,5 | |
2 |
0,1 /б |
1,0 |
±1,0 |
±2,0 | |
3 |
0,1 7б |
0,5 (инд.) |
±1,5 |
±2,5 | |
4 |
0,1/б |
0,8 (емк.) |
±1,5 |
- | |
5 |
0,2/б |
0,5 (инд.) |
±1,0 |
±2,0 | |
6 |
0,2/б |
0,8 (емк.) |
±1,0 |
- | |
7 |
/б |
1,0 |
±1,0 |
±2,0 | |
8 |
4/б |
1,0 |
±1,0 |
±2,0 | |
9 |
7мах |
1,0 |
±1,0 |
±2,0 | |
10 |
Лпах |
0,5 (инд.) |
±1,0 |
±2,0 | |
11 |
■Алах |
0,8 (емк.) |
±1,0 |
- |
Примечание - При измененном объеме испытаний таблица 1 может быть соответствующим образом откорректирована.
-
7. Проверка точности хода часов и обмена данными с ПЭВМ через технологический интерфейс ___________________________________ , константа коррекции хода часов -
(соответствует или не соответствует ТУ)
-
8. Проверка обмена данными через внешний (сетевой) интерфейс
(соответствует или не соответствует ТУ)
-
9. Результаты поверки:
Счетчик______________________________________________________________
(соответствует или не соответствует ТУ)
М.П. Поверитель___________________________(Ф.И.О.)
ПРИЛОЖЕНИЕД (Справочное)

Рисунок Д.1 - Расположение перемычки Y1 на зажимной колодке счетчика в круглом корпусе (G05)

2 3 i 5
Рисунок Д.2 - Расположение перемычки Y1 на зажимной колодке счетчика в плоском корпусе (G03)

Рисунок Д.З - Схема подключения испытательного выхода счетчика к частотомеру

-
1 - кабель 5ПТ.505.001;
-
2 - кабель коаксиальный для подключения частотомера;
-
3 - блок питания ЛТС-301;
-
4 - кабель для подключения к ЛТС-301 к ПЭВМ;
PF - частотомер 43-63/1.
Примечание - Кабели 1, 2,4 и блок питания 3 входят в комплект поставки ЛТС-301.
Рисунок Д.4 - Схема подключения счетчика ЕС2726 к ЛТС-301
17