Номер по Госреестру СИ: 86699-22
86699-22 Преобразователи плотности газа
(Turbo Flow UDM)
Назначение средства измерений:
Преобразователи плотности газа Turbo Flow UDM (далее - преобразователи плотности UDM) предназначены для измерений плотности газа.

Внешний вид.
Преобразователи плотности газа
Рисунок № 1

Внешний вид.
Преобразователи плотности газа
Рисунок № 2

Внешний вид.
Преобразователи плотности газа
Рисунок № 3

Внешний вид.
Преобразователи плотности газа
Рисунок № 4

Внешний вид.
Преобразователи плотности газа
Рисунок № 5

Внешний вид.
Преобразователи плотности газа
Рисунок № 6

Внешний вид.
Преобразователи плотности газа
Рисунок № 7

Внешний вид.
Преобразователи плотности газа
Рисунок № 8

Внешний вид.
Преобразователи плотности газа
Рисунок № 9

Внешний вид.
Преобразователи плотности газа
Рисунок № 10
Программное обеспечение
Программное обеспечение (далее - ПО) преобразователя плотности UDM по аппаратному обеспечению является встроенным. Преобразование измеряемых величин и обработка измерительных данных выполняется с использованием внутренних аппаратных и программных средств. ПО хранится в энергонезависимой памяти, разделено на метрологически значимую и метрологически незначимую часть.
Таблица 1 - Идентификационные данные программного обеспечения
|
Идентификационные данные (признаки) |
Значение |
|
Идентификационное наименование ПО |
UDM |
|
Номер версии (идентификационный номер МЗЧ) ПО, не ниже |
1.0 |
|
Цифровой идентификатор ПО |
0x8D79EEBD |
|
Алгоритм вычисления цифрового идентификатора ПО |
CRC-32 |
Возможность влияния на метрологически значимую часть ПО преобразователя плотности UDM через интерфейс связи отсутствует. ПО не оказывает влияния на метрологические характеристики средства измерений. В ЭБ дополнительно реализована защита от внешних изменений с помощью переключателя.
Уровень защиты ПО от преднамеренных и непреднамеренных изменений - «высокий» в соответствии с Р 50.2.077-2014. Примененные специальные средства защиты исключают возможность несанкционированной модификации, обновления (загрузки), удаления и иных преднамеренных изменений метрологически значимой части ПО и измеренных (вычисленных) данных.
Знак утверждения типа
Знак утверждения типа наноситсяна титульные листы руководства по эксплуатации, паспорта типографским способом.
Сведения о методиках измерений
Сведения о методиках (методах) измерений приведены в руководстве по эксплуатации ТУАС.413161.001 РЭ, п.1.3.
Нормативные и технические документы
Нормативные и технические документы, устанавливающие требования к средству измеренийТУ 26.51.52-033-70670506-2021 Технические условия. Преобразователи плотности газа Turbo Flow ЦОМ.
ПравообладательОбщество с ограниченной ответственностью НПО «Турбулентность-ДОН»
(ООО НПО «Турбулентность-ДОН»)
ИНН 6141021685
Адрес юридический: 129110, г. Москва, вн. тер. г. муниципальный округ Мещанский, ул. Щепкина, д. 47, стр. 1, офис V, ком. 11
Изготовитель
Общество с ограниченной ответственностью НПО «Турбулентность-ДОН»(ООО НПО «Турбулентность-ДОН»)
ИНН 6141021685
Адрес юридический: 129110, г. Москва, вн. тер. г. муниципальный округ Мещанский, ул. Щепкина, д. 47, стр. 1, офис V, ком. 11
Адрес места осуществления деятельности: 346800, Ростовская область, Мясниковский район, с. Чалтырь, 1 км шоссе Ростов-Новошахтинск, стр. № 6/8
Телефон/факс: +7 (863) 203-77-80 / 203-77-81
E-mail: info@turbo-don.ru
Web-сайт: www.turbo-don.ru
Испытательный центр
Федеральное государственное унитарное предприятие «Всероссийский научноисследовательский институт метрологии им. Д.И. Менделеева» (ФГУП «ВНИИМ им. Д.И. Менделеева»).Адрес: 190005, Россия, Санкт-Петербург, Московский пр., д. 19
Телефон: +7 812 251-7601, факс: +7 812 713-0114
Web-сайт: www.vniim.ru
E-mail: info@vniim.ru
Принцип действия преобразователей плотности UDM - акустический, основан на измерении скорости распространения ультразвуковых волн (далее — скорость звука) в измеряемой среде путём измерения времени прохождения импульса ультразвука между расположенными на фиксированном расстоянии друг от друга приёмником и передатчиком. Плотность газа функционально связана с давлением, температурой и скоростью звука в газе при условиях измерений. На основе измеренных значений скорости звука и данных об абсолютном давлении и температуре газа, полученных от внешних преобразователей давления, внешних или встроенных преобразователей температуры, электронный блок преобразователя плотности UDM выполняет вычисления плотностей газа при условиях измерений и пересчёт измеренных значений плотностей газа к стандартным (нормальным) условиям.
Преобразователи плотности UDM состоят из ультразвукового первичного преобразователя (далее - УПП) и электронного блока (далее - ЭБ).
УПП в зависимости от модификации преобразователя плотности UDM выполнен в виде штанги с закрепленными ультразвуковыми приемо-передатчиками и встроенным платиновым термопреобразователем сопротивления с номинальной статической характеристикой Pt100 (100П) или в виде измерительной камеры без встроенного термопреобразователя сопротивления.
ЭБ осуществляет аппаратную обработку электрических сигналов от ультразвуковых приемо-передатчиков УПП, внешнего преобразователя давления, внешнего или встроенного термопреобразователя сопротивления и преобразует их в численные значения плотности газа при условиях измерений и при нормальных (стандартных) условиях в режиме реального времени с последующим формированием цифрового выходного сигнала (интерфейс RS485). ЭБ дополнительно имеет программируемые токовый и частотный выходы для передачи измерительной информации на устройства обработки информации верхнего уровня.
В зависимости от способа применения преобразователи плотности Turbo Flow UDM выпускаются в двух модификациях UDM-B и UDM-I.
Преобразователи плотности UDM, модификации UDM-B предназначены для измерений плотности инертных и углеводородных газов, не агрессивных к материалу УПП на линиях трубопроводов при подключении измерительной камеры УПП к техпроцессу способом «закрытый байпас». Подключение измерительной камеры УПП к трубопроводам осуществляется посредством двух штуцеров. Информацию о текущих значениях температуры и давления газа ЭБ преобразователя плотности UDM получает от внешних преобразователей температуры и давления (в основной комплект поставки не входят) по линиям связи.
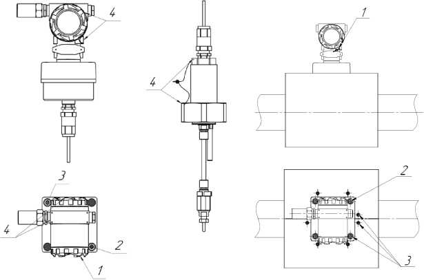
Общий вид преобразователей плотности Turbo Flow модификации UDM-В представлен на рисунке 1а.
Рисунок 1а - Общий вид преобразователя плотности модификации UDM-В
Преобразователи плотности UDM модификации UDM-I предназначены для измерений плотности непосредственно в потоке или в среде газа при установке УПП внутрь трубопровода или резервуара для хранения газа (исполнение S) или в дымовую трубу (исполнение Н). Измерение температуры газа осуществляется с помощью встроенного в УПП платинового термопреобразователя сопротивления с номинальной статической характеристикой Pt100 (100П). Информацию о текущем давлении газа ЭБ преобразователя плотности UDM получает от внешнего преобразователя давления (в основной комплект поставки не входит) по линиям связи.
Общий вид исполнений преобразователей плотности Turbo Flow UDM, модификации UDM-I представлен на рисунках 1б, 1в и 1 г.
В зависимости от состава и свойств измеряемого газа преобразователи плотности Turbo Flow UDM, модификации UDM-I выпускаются в двух исполнениях:
S - инертные, углеводородные газы, не агрессивные к материалу УПП;
H - дымовые газы.
Исполнения S и Н не имеют внешних отличий.
В зависимости от типа крепления УПП к стенке трубопровода или резервуара преобразователи плотности Turbo Flow UDM, модификации UDM-I выпускают в двух исполнениях:
Г — гайка (рисунки 1б и 1в);
Ф — фланец (рисунок 1г);
В зависимости от способа расположения ЭБ преобразователи плотности Turbo Flow
UDM, модификации UDM-I выпускают в двух исполнениях:
К - ЭБ установлен на корпус УПП (рисунки 1в и 1г);
V - ЭБ установлен отдельно от корпуса УПП и соединён с ним кабелем (рисунок 1б)
Рисунок 1б


Рисунок 1в
Рисунок 1г
В зависимости от температуры измеряемой среды преобразователи плотности Turbo Flow UDM выпускают в исполнениях Т1, Т2, Т3 и Т4. Значения диапазонов температуры в зависимости от исполнений приведены в таблице 2 - Основные технические характеристики.
В зависимости от наличия/отсутствия индикатора и клавиатуры управления ЭБ преобразователей плотности Turbo Flow UDM выпускают в двух исполнениях:
0 - ЭБ без индикатора (рисунок 2а);
1 - ЭБ с индикатором и клавиатурой управления (рисунок 2б).
Рисунок 2а
у
Рисунок 2б
Шифры исполнений указывают в паспорте на преобразователь плотности Turbo Flow
UDM.
Измерительная информация считывается с ЭБ преобразователя плотности UDM с помощью специализированного программного обеспечения по проводным или беспроводным интерфейсам на ПК. Также имеется интерфейс для передачи информации в другие информационные системы управления или учета ресурсов. Кроме того, ЭБ обрабатывает управляющие сигналы, которые поступают на цифровые входы, и обеспечивает связь с внешними ведущими устройствами по протоколам Modbus RTU или HART.
Для возможности дистанционного (локального) считывания информации преобразователь плотности UDM может быть укомплектован выносным терминалом (далее - ВТ или ВТ(М)) или шкафом с персональным компьютером (ШПК) или организована прямая передача данных на персональный компьютер со специализированным программным обеспечением (АРМ). ВТ может быть выполнен в пластиковом (ВТ) или металлическом (ВТ(М)) корпусе.
В преобразователях плотности UDM реализованы функции расчёта дополнительных параметров, таких как состав бинарных (2-х компонентных) газов, теплотворная способность и число Воббе, оценивается концентрация компонентов природного газа по 10 основным газам в смеси (метан, этан, пропан, и-бутан, н-бутан, и-пентан, н-пентан, гексан, азот и двуокись углерода) без нормирования метрологических характеристик.
Формат и место нанесения заводского номера (1), знака утверждения типа (2) представлены на рисунке 3. Способ нанесения — лазерная маркировка.
“J-Зав. № 104ХХХХ Изготовлен j ММ.ГГ [R[
Преобразователь плотности газа Turbo Flow UDM
Диапазон измерений рра6 > кг/м3
| Максимальное избыточное , рабочее давление i
Предел(ы) допускаемой : относительной погрешности I
Рисунок 3 - Общий вид таблички паспортной на ЭБ преобразователя плотности UDM
Формат и место нанесения заводского номера (1) на табличку паспортную УПП, представлены на рисунках:
-
- 4а для УПП модификации UDM-B;
-
- 4б для УПП модификации UDM-I.
Рисунок 4а


Рисунок 4б
Схема пломбировки от несанкционированного доступа представлены на рисунках 5 - 6.
I
Рисунок 5 - Электронный блок
Знак поверки наносится в паспорт и (или) на свидетельство о поверке.

б) вид сверху
Рисунок 6 - Пломбировка УПП и ЭБ (расположение ЭБ относительно УПП)
1, 4 - места для установки свинцовой пломбы;
-
2 - места для нанесения знака поверки способом давления на специальную мастику;
-
3 - пломбы предприятия-изготовителя способом давления на специальную мастику.
а) вид сбоку
|
Таблица 4 - Комплектность средства изме |
рений | |
|
Наименование |
Обозначение |
Количество, шт. (компл.) |
|
Преобразователь плотности UDM |
Turbo Flow UDM |
1 |
|
Преобразователи плотности Turbo Flow UDM. Руководство по эксплуатации1 |
ТУАС.413161.001 РЭ |
1 (по заказу) |
|
Паспорт |
ТУАС.413161.001 ПС |
1 |
|
Копия методики поверки1 |
- |
1 (по заказу) |
|
Комплект монтажных частей |
- |
1 (по заказу) |
|
ПО ПК конфигурирования (компактдиск или Flash-накопитель)1 |
- |
1 (по заказу) |
|
Система кабельных соединений |
- |
1 (по заказу) |
|
Примечание: 1 - доступно на сайте изготовителя | ||
Таблица 2 - Метрологические характеристики
|
Наименование характеристики |
Значение | ||
|
1 |
2 |
3 |
4 |
|
Модификации |
UDM-B |
UDM-I исполнение S |
UDM-I исполнение H |
|
Диапазоны измерений плотности газа в рабочих условиях, кг/м3 |
|
от 0,48 до 3,50 | |
|
Пределы допускаемой относительной погрешности измерений плотности газа в рабочих условиях, % |
±0,3; ±0,5 во всём диапазоне измерений плотности газа 1); ±0,14** только в поддиапазоне измерений плотности газа 2) |
±1,5 во всём диапазоне измерений плотности газа | |
|
Пределы допускаемой относительной погрешности результата измерений плотности газа, приведенной от условий измерений к стандартным условиям, % |
±(Х + 0,1) где Х - пределы допускаемой относительной погрешности измерений плотности газа в рабочих условиях, % | ||
Продолжение таблицы 2___________________________________________________________
* максимальный диапазон измерений плотности газа; для конкретного преобразователя плотности диапазон измерений, не превышающий максимального, указывается в паспорте;
**при условии измерений:
-
- температуры газа с абсолютной погрешностью, °С, не хуже ±(0,15 + 0,002-ltl) где: t - измеренное значение температуры газа, °C
-
- давления газа с относительной погрешностью, %, не хуже ±(0,1+0,01Pmax/P), при Pmax/P <
3
где: P - измеренное значение давления газа, МПа
Pmax - верхний предел измерений используемого СИ давления, МПа.
Таблица 3 - Основные технические характеристики
|
Наименование характеристики |
Значение | ||
|
UDM-B |
UDM-I исполнение S |
UDM-I исполнение H | |
|
1 |
2 |
3 |
4 |
|
Диапазон выходных сигналов: - токовый, мА |
от 4 до 20 | ||
|
Цифровые проводные интерфейсы |
протокол HART, протокол MODBUS RTU по интерфейсам RS-232, RS-232 TTL и RS-485 | ||
|
Цифровые беспроводные интерфейсы |
GSM, GPRS, Bluetooth, NB-IOT, NB-Fi, LoRa | ||
|
Маркировка взрывозащиты |
1Ex db ma | in Ga] IIC Т4 Gb | ||
|
Потребляемая мощность, Вт, не более |
10 | ||
|
Масса, кг, не более:
|
6 20** | ||
|
Габаритные размеры для модификаций, мм, не более:
|
350 350 1700 | ||
|
Средняя наработка до отказа, ч, не менее |
70 000 | ||
|
Средний срок службы, лет |
12 | ||
|
Условия эксплуатации | |||
|
Измеряемая среда |
Газы, не агрессивные к материалу первичного преобразователя | ||
|
Диапазон температуры измеряемой среды, °С, исполнения:
|
от - 40 до + 70 от - 60 до + 70 |
от -40 до +260 от -40 до +450 | |
|
Максимальное рабочее давление измеряемой среды, МПа, не более |
32 |
0,14 | |
Продолжение таблицы 3
|
Наименование характеристики |
Значение | ||
|
UDM-B |
UDM-I исполнение S |
UDM-I исполнение H | |
|
1 |
2 |
3 |
4 |
|
Параметры окружающего воздуха:
|
от - 50 до + 80 до 95 от 84,0 до 106,7 | ||
|
Скорость потока газа, м/с, не более |
65 |
40 120 | |
|
Напряжение питания, В:
|
от 12 до 24 220 ± 10 от 12 до 24 | ||
|
**без учёта дополнительной массы соединительного фланца, гайки или штуцера (определяется заказом) | |||

