Номер по Госреестру СИ: 63548-16
63548-16 Установки поверочные нейтронного излучения
(УПН-АТ140)
Назначение средства измерений:
Установка поверочная нейтронного излучения УПН-АТ140 (далее - установка) предназначена для воспроизведения и передачи единиц плотности потока нейтронов, мощности амби-ентного эквивалента дозы H&*(10) и индивидуального эквивалента дозы H& *p( 10 ) нейтронного излучения при поверке, калибровке, градуировке и испытаниях радиометров и дозиметров нейтронного излучения.

Внешний вид.
Установки поверочные нейтронного излучения
Рисунок № 1

Внешний вид.
Установки поверочные нейтронного излучения
Рисунок № 2

Внешний вид.
Установки поверочные нейтронного излучения
Рисунок № 3

Внешний вид.
Установки поверочные нейтронного излучения
Рисунок № 4

Внешний вид.
Установки поверочные нейтронного излучения
Рисунок № 5
Программное обеспечение
состоит из встроенного и внешнего.Встроенное ПО установлено:
- в контроллер ДУО-АТ140. Программа контроллера ДУО (контроллера блока управления ДУО-АТ140) обеспечивает управление процессом перемещения (позиционирования) источников в облучателе и обработку сигналов ДУО;
- контроллер КС-АТ140. Программа контроллера КС (контроллера блока управления КС-АТ140) обеспечивает управление и позиционирование подвижной платформы по заданным координатам, управление устройством гамма-фона и обработку сигналов КС;
- панель оператора пульта управления ДУО-АТ140. Программа панели оператора ДУО (панели оператора пульта управления ДУО-АТ140) обеспечивает отображение состояния облучателя и инициализацию процесса перемещения источника путем передачи команд и обмена данными с контроллером ДУО;
- панель оператора пульта управления КС-АТ140. Программа панели оператора КС (панели оператора пульта управления КС-АТ140) обеспечивает отображение текущего состояния КС, передачу команд позиционирования контроллеру КС.
Встроенное ПО является метрологически значимым.
Внешнее ПО «Программный комплекс УПН» поставляется на компакт-диске, устанавливается на ПК. Метрологически значимая программа «UPNControl», входящая в «Программный комплекс УПН», обеспечивает связь с установкой, ввод и редактирование данных о средствах измерений (СИ) радиационного контроля, эталонных СИ, эталонных источниках излучения (ИИ), их поверках, сценариях поверок и сохранение их в базе данных, пересчет метрологически значимых величин и сохранение результатов измерений в базе данных.
Идентификационные данные ПО установки поверочной нейтронного излучения УПН-АТ140 представлены в таблице 1.
Таблица 1
|
Идентификационные данные (признаки) |
Значения | ||||
|
Встроенное ПО |
Внешнее ПО | ||||
|
Идентификационное наименование ПО |
IPLC |
CPLC |
IPO |
CPO |
UPNCon- trol.exe |
|
Номер версии (идентификационный номер) ПО |
2.11 |
2.11) |
2.11) |
2.11) |
1.0.0.01) |
|
Цифровой идентификатор ПО (по MD5) |
Не определен2) |
Не определен2) |
Не определен2) |
Не определен2) |
46e975ae5f8 88687ab5d6b 88efa270003) |
| |||||
В ПО установки поверочной нейтронного излучения УПН-АТ140 защита от непреднамеренных и преднамеренных изменений метрологически значимой части ПО и измеренных данных осуществляется: автоматическим контролем целостности ПО (самотестирование); паролем для доступа к функциям внешнего ПО.
В соответствии с Р 50.2.077-2014 уровень защиты встроенного ПО установки повероч -ной нейтронного излучения УПН-АТ140 от непреднамеренных и преднамеренных изменений соответствует уровню «высокий».
В соответствии с Р 50.2.077-2014 уровень защиты внешнего ПО установки поверочной нейтронного излучения УПН-АТ140 от непреднамеренных и преднамеренных изменений соответствует уровню «средний».
Знак утверждения типа
Знак утверждения типананосится на пульт управления и на титульный лист руководства по эксплуатации ТИАЯ.412118.031 РЭ методом компьютерной графики.
Сведения о методиках измерений
Сведения о методиках (методах) измеренийМИ 2513-99 ГСИ Радиометры нейтронов. Методика поверки на установках типа УКПН (КИС НРД МБм).
Нормативные и технические документы
Нормативные и технические документы, устанавливающие требования к установке поверочной нейтронного излучения УПН-АТ140-
1. ГОСТ 4.59-79 Средства измерений ионизирующих излучений. Номенклатура показателей.
-
2. ГОСТ 27451-86 Средства измерений ионизирующих излучений. Общие технические условия.
-
3. ГОСТ 8.031-82 ГСИ. Государственный первичный эталон и государственная поверочная схема для средств измерения потока и плотности потока нейтронов.
-
4. ГОСТ Р 8.803-2012 ГСИ. Государственная поверочная схема для средств измерений мощности поглощенной дозы и мощности эквивалента дозы нейтронного излучения.
-
5. ГОСТ 8.521-84 ГСИ. Установки поверочные нейтронного излучения. Методика поверки.
-
6. Технические условия «Установка поверочная нейтронного излучения УПН-АТ140 ТУ BY 100865348.022-2015».
Поверка
Поверкаосуществляется по документу ТИАЯ.412118.031 МП «Установка поверочная нейтронного излучения УПН-АТ140. Методика поверки», утверждённому ГЦИ СИ ФГУП «ВНИИМ им. Д.И. Менделеева» 04.06.2015 г. (Раздел 5 Руководства по эксплуатации).
При поверке применяются:
-
- эталон плотности потока нейтронов, аттестованный в ранге не ниже вторичного в соответствии с поверочной схемой ГОСТ 8.031-82;
-
- эталон мощности эквивалента дозы нейтронного излучения, аттестованный в ранге не ниже вторичного в соответствии с поверочной схемой ГОСТ Р 8.803-2012.
Знак поверки (оттиск поверительного клейма) наносится на свидетельство о поверке.
Испытательный центр
ФГУП «ВНИИМ им. Д.И. Менделеева»Адрес: Россия, 190005, г.Санкт-Петербург, Московский пр., д. 19
Тел.: (812) 251-76-01; факс:(812) 713-01-14
Принцип действия установки основан на создании в месте расположения детектора дозиметра или радиометра нейтронов заданного значения плотности потока нейтронов (ППН) или мощности амбиентного эквивалента дозы нейтронного излучений (МАЭД) в «открытой» геометрии или в коллимированном пучке быстрых и тепловых нейтронов от радионуклидного источника. Коэффициенты связи между значениями ППН и МАЭД определены стандартом ISO-8529.
Установка с комплектом источников нейтронов обеспечивает создание поля быстрых или тепловых нейтронов в коллимированном пучке установок типа УКПН, а также поля быстрых нейтронов в «открытой» геометрии.
Установка является стационарным средством измерений и по условиям эксплуатации относится к категории исполнения УХЛ 4.2 по ГОСТ 15150-69 со следующими уточнениями:
-
- температура окружающего воздуха от 15 °С до 35 °С;
-
- относительная влажность при температуре 25 °С до 80 %;
-
- атмосферное давление от 84 до 106,7 кПа.
Установка обеспечивает формирование нейтронного поля:
-
- коллимированного пучка быстрых нейтронов в геометрии коллимационного узла с использованием вставки-коллиматора из 5-процентного борированного полиэтилена;
-
- коллимированного пучка тепловых нейтронов в геометрии коллимационного узла с использованием тепловой вставки из полиэтилена и кадмиевого экрана толщиной 1 мм и диаметром 300 мм;
-
- широкого пучка нейтронов в «открытой» геометрии с использованием специального держателя и экранирующего конуса из стали и борированного полиэтилена длиной 500 мм (200 мм - сталь, 300 мм - борированный полиэтилен) с диаметрами оснований 50 и 250 мм.
Изменение значений МАЭД или ППН достигается изменением расстояния «источник-детектор» или заменой радионуклидного источника нейтронов.
Основными составными частями установки являются:
-
- дистанционно управляемый облучатель ДУО-АТ140 (ДУО);
-
- калибровочный стенд КС-АТ140 (КС);
-
- система сигнализации и блокировки ССБ-АТ140 (ССБ);
-
- система радиационного контроля СРК-АТ2327 (СРК);
ДУО обеспечивает автоматическое управление положением источников нейтронов, формирование поля быстрых и тепловых нейтронов, а также радиационную безопасность установки совместно с ССБ и СРК. Основные элементы ДУО: облучатель, содержащий коллиматор, магазин источников нейтронов и привод захвата, блок управления ДУО-АТ140. В магазине источников барабанного типа может находиться до трех источников нейтронов.
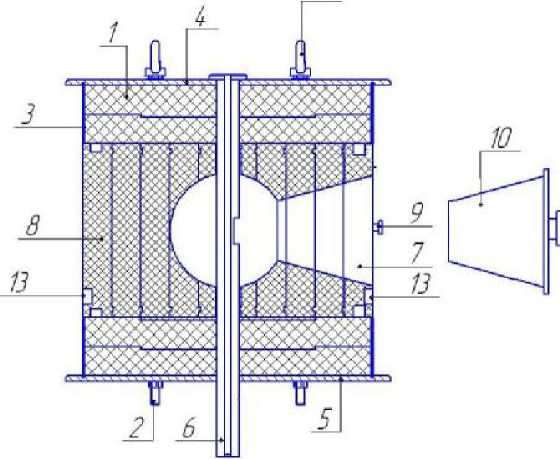
Конструкция коллиматора показана на рисунках 1 и 2. 12

1 - корпус коллиматора; 2 - шпилька (4 шт.); 3 - кожух; 4 - диск верхний;
5 - диск нижний; 6 - канал коллиматора; 7 - вставка-коллиматор;
8 - пробка коллиматора; 9 - фиксатор (2 шт.); 10 - заглушка; 11 - ступенчатый паз;
12 - рым-гайка; 13 - паз для ориентации.
Рисунок 1 - Общий вид коллиматора для формирования поля быстрых нейтронов
Корпус коллиматора (1) имеет цилиндрическую форму, выполнен из нескольких элементов, которые расположены в кожухе (3) между дисками (4) и (5) и стянуты четырьмя шпильками (2). Материал элементов - борированный полиэтилен. Корпус имеет вертикальное отверстие, в которое вставлен канал коллиматора (6), и горизонтальное отверстие для установки вставки-коллиматора (7) и пробки коллиматора (8) с коническим коллимационным отверстием. Вставка и пробка коллиматора устанавливаются до упора в канал. Правильная установка вставки-коллиматора и соответствующей пробки обеспечивается определенной их ориентацией. Пазы (13) должны находиться против рисок на кожухе. Вставка-коллиматор имеет фиксаторы (9) для фиксации заглушки коллиматора (14) и технологической вставки. Для прохождения по каналу коллиматора кронштейна с электромагнитным захватом коллиматор имеет ступенчатый сквозной паз (11). В облучателе предусмотрена заглушка (10), устанавливаемая в коллимационное отверстие при загрузке и выгрузке источников, а также в аварийной ситуации. Вместо вставки-коллиматора и пробки коллиматора предусмотрена установка в корпус коллиматора вставки тепловой и соответствующей ей пробки тепловой и дополнительно кадмиевого экрана из комплекта принадлежностей ДУО (см. рисунок 2). Кадмиевый экран устанавливается непосредственно на коллиматор и фиксируется на тепловой вставке.
1 - корпус коллиматора; 2 - пробка тепловая; 3 - паз для ориентации; 4 - вставка тепловая; 5 - экран кадмиевый;
6 - фиксатор для экрана кадмиевого (2 шт.).
Рисунок 2 - Общий вид коллиматора с тепловой вставкой и тепловой пробкой для формирования поля тепловых нейтронов
Смещение центра радионуклидного источника в положение «Экспозиция» относительно оси пучка нейтронов составляет не более 2 мм.
КС обеспечивает автоматическое линейное позиционирование поверяемого прибора относительно облучателя, а также управление устройством гамма-фона (УГФ).
Основные элементы КС:
-
- подвижная платформа с рабочим столом для размещения блоков детектирования поверяемых приборов, оснащенным механизмом юстировки блоков детектирования относительно пучка нейтронного излучения;
-
- основание с направляющими, по которым перемещается подвижная платформа;
-
- система точного позиционирования подвижной платформы вдоль продольной оси пучка нейтронного излучения (по координате Х).
КС обеспечивает оцифровку координаты Х с привязкой начала координаты к центру источника после проведения центрирования детектора в пучке излучения, с использованием юстировочной системы.
В установке обеспечивается изменение расстояний между центром радионуклидного источника, находящегося в положении «Экспозиция», и центром детектора поверяемого прибора вдоль продольной оси калибровочного стенда в диапазоне от 0,3 до 3 м.
Относительная погрешность определения расстояния от центра источника в положении «Экспозиция» до центра детектора поверяемого прибора не более ±0,2 %.
Смещение центров оснований экранирующего конуса относительно оси, проходящей через центр радионуклидного источника нейтронов и эффективный центр детектора, не более 5 мм.
Установка обеспечивает дистанционное наблюдение за показаниями приборов с использованием системы видеонаблюдения (СВП).
Установка обеспечивает проверку чувствительности радиометров нейтронов к фоновому гамма-излучению с использованием устройства гамма-фона, создающего в точке расположения центра детектора нейтронов мощность амбиентного эквивалента дозы гамма-излучения (2,0±0,6) мЗв/ч с использованием источника Cs-137 типа ИГИ-Ц-4-3 с максимальной активностью 3-1010 Бк.
Точность установки расстояния между центром источника гамма-излучения для создания фона и центром детектора нейтронов не более ±3 мм.
В установке предусмотрена система видеоконтроля СВК-АТ140 для наблюдения за помещением рабочей камеры.
Перевод источника излучения в облучателе в рабочее положение и в положение «Хранение», а также поверяемого прибора, размещенного на подвижной платформе, в пучке излучения установки осуществляется оператором дистанционно с пульта управления.
В установке предусмотрен интерфейсный адаптер USB/RS485 для обеспечения дополнительной возможности управления ДУО и КС от персонального компьютера (ПК).
В установке предусмотрены системы для обеспечения радиационной безопасности, включающие:
-
- систему блокировок (блокировка входной двери, блокировка перевода ИИ из положения «Хранение» в рабочее положение, автоматический перевод ИИ из рабочего положения в положение «Хранение» при возникновении радиационно опасных ситуаций);
-
- систему световой и звуковой сигнализации, связанную с положением ИИ в облучателе и УГФ и состоянием входной двери;
-
- систему световой и звуковой сигнализации радиационной обстановки и контроля уровней нейтронного и гамма-излучения в рабочей камере, лабиринте и операторской.
Установка размещается в специально оборудованном помещении, обеспечивающем защиту персонала от воздействия нейтронного излучения.
Оборудование установки размещается в двух смежных помещениях - комнате облучения (рабочей камере) и комнате управления (операторской).
Фотографии общего вида приведены на рисунках 3 и 4.
Составные части в рабочей камере:
-
- дистанционно управляемый облучатель ДУО-АТ140;
-
- основание, подвижная платформа калибровочного стенда КС-АТ140;
-
- элементы СРК, ССБ-АТ140, СВК-АТ140.
Рисунок 3 - Установка поверочная нейтронного излучения УПН-АТ140
Составные части в операторской:
- блоки управления ДУО-АТ140 и КС-АТ140;
-
- пульты управления ДУО-АТ140 и КС-АТ140;
-
- блок управления ССБ-АТ140;
- элементы СРК, СВП, СВК-АТ140, ССБ-АТ140;
- ПК.
Рисунок 4 - Установка поверочная нейтронного излучения УПН-АТ140
Диапазоны значений плотности потока и мощности амбиентной дозы нейтронного излучения, обеспечиваемые установкой, достигаются применением радионуклидных источников излучения различной активности и изменением расстояния между источником и детектором в интервале расстояний установки.
Вид и значение используемой при поверке радиометров и дозиметров нейтронного излучения величины определяются на основе данных поверки установки с комплектом применяемых источников.
Программное обеспечение состоит из встроенного и внешнего.
Встроенное ПО установлено:
- в контроллер ДУО-АТ140. Программа контроллера ДУО (контроллера блока управления ДУО-АТ140) обеспечивает управление процессом перемещения (позиционирования) источников в облучателе и обработку сигналов ДУО;
- контроллер КС-АТ140. Программа контроллера КС (контроллера блока управления КС-АТ140) обеспечивает управление и позиционирование подвижной платформы по заданным координатам, управление устройством гамма-фона и обработку сигналов КС;
- панель оператора пульта управления ДУО-АТ140. Программа панели оператора ДУО (панели оператора пульта управления ДУО-АТ140) обеспечивает отображение состояния облучателя и инициализацию процесса перемещения источника путем передачи команд и обмена данными с контроллером ДУО;
- панель оператора пульта управления КС-АТ140. Программа панели оператора КС (панели оператора пульта управления КС-АТ140) обеспечивает отображение текущего состояния КС, передачу команд позиционирования контроллеру КС.
Встроенное ПО является метрологически значимым.
Внешнее ПО «Программный комплекс УПН» поставляется на компакт-диске, устанавливается на ПК. Метрологически значимая программа «UPNControl», входящая в «Программный комплекс УПН», обеспечивает связь с установкой, ввод и редактирование данных о средствах измерений (СИ) радиационного контроля, эталонных СИ, эталонных источниках излучения (ИИ), их поверках, сценариях поверок и сохранение их в базе данных, пересчет метрологически значимых величин и сохранение результатов измерений в базе данных.
Идентификационные данные ПО установки поверочной нейтронного излучения УПН-АТ140 представлены в таблице 1.
Таблица 1
|
Идентификационные данные (признаки) |
Значения | ||||
|
Встроенное ПО |
Внешнее ПО | ||||
|
Идентификационное наименование ПО |
IPLC |
CPLC |
IPO |
CPO |
UPNCon- trol.exe |
|
Номер версии (идентификационный номер) ПО |
2.11 |
2.11) |
2.11) |
2.11) |
1.0.0.01) |
|
Цифровой идентификатор ПО (по MD5) |
Не определен2) |
Не определен2) |
Не определен2) |
Не определен2) |
46e975ae5f8 88687ab5d6b 88efa270003) |
| |||||
В ПО установки поверочной нейтронного излучения УПН-АТ140 защита от непреднамеренных и преднамеренных изменений метрологически значимой части ПО и измеренных данных осуществляется: автоматическим контролем целостности ПО (самотестирование); паролем для доступа к функциям внешнего ПО.
В соответствии с Р 50.2.077-2014 уровень защиты встроенного ПО установки повероч -ной нейтронного излучения УПН-АТ140 от непреднамеренных и преднамеренных изменений соответствует уровню «высокий».
В соответствии с Р 50.2.077-2014 уровень защиты внешнего ПО установки поверочной нейтронного излучения УПН-АТ140 от непреднамеренных и преднамеренных изменений соответствует уровню «средний».
В комплект поставки установки поверочной нейтронного излучения УПН-АТ140 входят составные части и эксплуатационная документация, указанные в таблице 3.
Таблица 3
|
Наименование, тип |
Обозначение |
Коли- чест- во |
Примечание |
|
1. Дистанционно управляемый облучатель ДУО-АТ140 в составе: |
ТИАЯ.441344.002 | ||
|
- облучатель^ |
1 | ||
|
- блок управления ДУО-АТ140 |
1 | ||
|
- пульт управления ДУО-АТ140 |
1 | ||
|
- датчик волоконно-оптический |
1 | ||
|
- комплект кабелей и шин |
1 |
Продолжение таблицы 3
|
Наименование, тип |
Обозначение |
Коли-чест-во |
Примечание |
|
- комплект принадлежностей ДУО-АТ140 |
1 |
Содержит перегрузочный контейнер, подъемник, комплект держателей источников, комплект приспособлений для сборки держателей, контрольнотехнологические приспособления, кадмиевый экран | |
|
2. Стенд калибровочный КС-АТ 140 в составе: |
ТИАЯ.441534.028 | ||
|
- основание^ |
1 | ||
|
- подвижная платформа^ |
1 |
Содержит устройство гамма-фона, держатель источника ИГИ-Ц-4-3, пульт ручного управления, блок питания видеосистем | |
|
- блок управления КС-АТ140 |
1 | ||
|
- пульт управления КС-АТ140 |
1 | ||
|
- передающая часть системы видеонаблюдения в составе: |
1 | ||
|
- видеокамера |
1 | ||
|
- блок питания |
1 | ||
|
- монитор наведения |
1 | ||
|
- усилитель-разветвитель видеосигнала
|
1 ..................2.................. ....................1................... | ||
|
- комплект приспособлений для контроля работоспособности установки |
1 |
Содержит стержни калиброванной длины, ленту измерительную эталонную, штангенциркуль, уровень брусковый | |
|
- комплект принадлежностей КС-АТ140 |
1 |
Содержит поворотный столик, подставки для фиксации блоков детектирования, захват пневматический, фантом 300x300x150 мм |
Продолжение таблицы 3
|
Наименование, тип |
Обозначение |
Коли-чест-во |
Примечание |
|
3. Приемная часть системы видеонаблюдения показаний в составе: |
ТИАЯ.468211.010 | ||
|
- монитор наблюдения |
1 | ||
|
- видеорегистратор |
1 | ||
|
4. Система сигнализации и блокировки ССБ-АТ140 в составе: |
ТИАЯ.468232.019 | ||
|
- устройство сигнализации |
3 | ||
|
- блок управления |
1 | ||
|
- комплект кабелей и шин |
1 | ||
|
- устройство индикации |
1 | ||
|
- пульт двери |
1 | ||
|
- комплект кабелей |
1 | ||
|
- дверь |
1 |
Содержит электромеханический замок | |
|
- выключатель бесконтактный магнитный |
2 | ||
|
5. Переговорное устройство в составе: |
ТИАЯ.465317.001 | ||
|
- мастер-станция |
1 | ||
|
....................1................... ....................1................... | ||
|
6. Измеритель-сигнализатор СРК-АТ2327 |
ТИАЯ.412118.014 |
1 |
Руководство по эксплуатации |
|
7. Система видеоконтроля СВК-АТ140 в составе: |
ТИАЯ.468211.012 | ||
|
- блок питания |
1 | ||
|
2 ....................1................... ..................2.................. | ||
|
- видеомонитор контроля |
1 | ||
|
- комплект кабелей |
1 | ||
|
8. Трансформатор разделительный ТР-1000М |
1 | ||
|
9. Источник бесперебойного питания |
1 | ||
|
10. Фильтр сетевой |
1 | ||
|
11. Колодка SСHUKO |
1 | ||
|
12. Адаптер интерфейсный |
ТИАЯ.468353.025 |
1 | |
|
13. Комплект кабелей |
1 | ||
|
14. Персональный компьютер |
1 |
Продолжение таблицы 3
|
Наименование, тип |
Обозначение |
Коли-чест-во |
Примечание |
|
15. Комплект принадлежностей |
ТИАЯ.412918.084 |
1 |
Содержит экранирующий конус, кран гидравлический 1 т складной |
|
16. Комплект монтажных частей |
ТИАЯ.412918.088 |
1 | |
|
17. Комплект запасных частей |
ТИАЯ.412918.083 |
1 | |
|
18. Руководство по эксплуатации |
ТИАЯ.412118.031 РЭ |
1 | |
|
19. Методика поверки |
ТИАЯ.412118.031 МП | ||
| |||
Основные метрологические и технические характеристики установки УПН-АТ140 приведены в таблице 2.
Таблица 2
|
Наименование характеристики |
Номинальные значения |
|
Диапазон воспроизведения плотности потока быстрых нейтронов, -1 -2 с •см |
2,5 - 3,5403 |
|
Диапазон воспроизведения плотности потока тепловых нейтронов, с-1 •см-2 |
1,0 - 1,4403 |
|
Диапазон воспроизведения мощности амбиентного эквивалента дозы нейтронного излучения, H&*(10), мкЗв/ч |
3,5 - 4,0403 |
|
Диапазон воспроизведения мощности индивидуального эквивалента дозы нейтронного излучения H& *p ( 10 ), мкЗв/ч |
3,5 - 4,0403 |
|
Пределы допускаемой относительной погрешности установки, %
|
± 5 ± 7 |
|
Отклонение от параллельности центральной оси пучка нейтронов относительно продольной оси калибровочного стенда, мм на 1 м, не более |
± 5 |
|
Пределы допускаемой относительной погрешности определения расстояния от центра источника в положении "Экспозиция" до центра детектора поверяемого прибора, % |
± 0,2 |
|
Диапазон перемещения рабочего стола подвижной платформы
-вокруг вертикальной оси |
от 1140 до 1480 мм ± 50 мм ± 140 мм 360° с фиксацией через 15° (для поворотного столика) |
|
Мощность амбиентного эквивалента дозы гамма-излучения, создаваемая устройством гамма-фона в точке расположения центра детектора нейтронов, мЗв/ч |
2,0 ± 0,6 |
|
Номинальное напряжение питания, В |
230 ± 23 |
|
Наименование характеристики |
Номинальные значения |
|
Мощность, потребляемая дополнительным оборудованием, В •А, не более |
400 |
|
Время установления рабочего режима, мин, не более |
1 |
|
Время непрерывной работы, ч, не менее |
24 |
|
Масса оборудования, устанавливаемого на подвижную платформу, кг, не более |
75 |
|
в том числе, на рабочий стол |
35 |
|
Рабочие условия эксплуатации - температура окружающего воздуха, °С |
от 15 до 35 |
|
- относительная влажность воздуха при температуре 25°С, %, не более |
80 |
|
- атмосферное давление, кПа |
от 84 до 106,7 |
|
Средняя наработка на отказ, ч |
20000 |
|
Средний срок службы, лет |
15 |
|
Среднее время восстановления, ч |
12 |
Примечания
1 Номинальные значения границ диапазонов измеряемых величин заданы для интервала расстоя -ний 0,75-3,0 м и источников типов ИБН-8-3 - НК252М11.28.
2 Действительные значения границ диапазонов для применяемого в установке комплекта источников и интервала расстояний определяются при её поверке.

