Номер по Госреестру СИ: 24911-14
24911-14 Преобразователи измерительные переменного тока
(Е842ЭС)
Назначение средства измерений:
Преобразователи измерительные переменного тока Е 842ЭС (далее по тексту -ИП) предназначены для линейного преобразования переменного тока в унифицированный выходной сигнал постоянного тока.

Внешний вид.
Преобразователи измерительные переменного тока
Рисунок № 1

Внешний вид.
Преобразователи измерительные переменного тока
Рисунок № 2

Внешний вид.
Преобразователи измерительные переменного тока
Рисунок № 3

Внешний вид.
Преобразователи измерительные переменного тока
Рисунок № 4
Общие сведения
Дата публикации - 08.05.2018
Срок свидетельства - 17.01.2019
Номер записи - 107872
ID в реестре СИ - 330272
Тип производства - серийное
Описание типа
Поверка
Интервал между поверками по ОТ - 4 года
Наличие периодической поверки - Да
Модификации СИ
модификация Е842/1ЭС, Е842ЭС, Е842/1ЭС,
Производитель
Изготовитель - ООО "Энерго-Союз"
Страна - БЕЛАРУСЬ
Населенный пункт - г.Витебск
Уведомление о начале осуществления предпринимательской деятельности - Да
Отчет формирует список типов СИ, сроки действия сертификатов на которые истекает в ближайшие 2 года.
При формировании списка есть возможность применить фильтр по видам измерений или искать по всем типам Си реестра ФГИС АРШИН.
Красным цветом выделяются типы СИ по которым возможность продления уже невозможна (менее 40 дней до окончания срока).
По каждому типу СИ (если есть возможность) дополнительно из описаний типа выводятся контактные данные изготовителя, испытательного центра и заявителя испытаний.
Статистика
Кол-во поверок - 11
Выдано извещений - 0
Кол-во периодических поверок - 3
Кол-во средств измерений - 3
Кол-во владельцев - 2
Усредненный год выпуска СИ - 2016
МПИ по поверкам - 1460 дн.
Приказы РСТ, где упоминается данный тип СИ
№624 от 2019.03.25 Об утверждении типов средств измерений
№2596 от 2024.10.31 Приказ об утверждении Программы национальной стандартизации на 2025 год
Наличие аналогов СИ: Преобразователи измерительные переменного тока (Е842ЭС)
ИМПОРТНОЕ СИ № в реестре, наименование СИ, обозначение, изголовитель |
ОТЕЧЕСТВЕННЫЙ АНАЛОГ № в реестре, наименование СИ, обозначение, изголовитель |
---|
Все средства измерений ООО "Энерго-Союз"
№ в реестре cрок св-ва |
Наименование СИ, обозначение, изголовитель | ОТ, МП | МПИ |
---|---|---|---|
24219-03 17.01.2019 |
Преобразователи измерительные частоты переменного тока, Е858ЭС ООО "Энерго-Союз" (БЕЛАРУСЬ г.Витебск) |
ОТ |
1 год; с 2008 г. - 4 года |
24220-03 01.02.2008 |
Преобразователи измерительные напряжения постоянного тока, Е857ЭС ООО "Энерго-Союз" (БЕЛАРУСЬ г.Витебск) |
1 год | |
24220-08 01.07.2013 |
Преобразователи измерительные напряжения постоянного тока, Е857ЭС ООО "Энерго-Союз" (БЕЛАРУСЬ г.Витебск) |
ОТ |
4 года |
24220-14 17.01.2019 |
Преобразователи измерительные напряжения постоянного тока, Е857ЭС ООО "Энерго-Союз" (БЕЛАРУСЬ г.Витебск) |
ОТ |
4 года |
24221-03 01.02.2008 |
Преобразователи измерительные напряжения переменного тока, Е855ЭС ООО "Энерго-Союз" (БЕЛАРУСЬ г.Витебск) |
1 год | |
24221-08 01.07.2013 |
Преобразователи измерительные напряжения переменного тока, Е855ЭС ООО "Энерго-Союз" (БЕЛАРУСЬ г.Витебск) |
ОТ |
4 года |
24221-14 17.01.2019 |
Преобразователи измерительные напряжения переменного тока, Е855ЭС ООО "Энерго-Союз" (БЕЛАРУСЬ г.Витебск) |
ОТ |
4 года |
24222-03 01.02.2008 |
Преобразователи измерительные переменного тока, Е 854ЭС ООО "Энерго-Союз" (БЕЛАРУСЬ г.Витебск) |
1 год | |
24222-08 01.07.2013 |
Преобразователи измерительные переменного тока, Е854ЭС ООО "Энерго-Союз" (БЕЛАРУСЬ г.Витебск) |
ОТ |
4 года |
24222-14 17.01.2019 |
Преобразователи измерительные переменного тока, Е854ЭС ООО "Энерго-Союз" (БЕЛАРУСЬ г.Витебск) |
ОТ |
4 года |
24223-03 30.10.2019 |
Преобразователи измерительные суммирующие постоянного тока, Е851ЭС ООО "Энерго-Союз" (БЕЛАРУСЬ г.Витебск) |
1 год; с 2008 г. - 4 года | |
24255-03 01.02.2008 |
Преобразователи измерительные постоянного тока, Е856ЭС ООО "Энерго-Союз" (БЕЛАРУСЬ г.Витебск) |
1 год | |
24255-08 01.07.2013 |
Преобразователи измерительные постоянного тока, Е856ЭС ООО "Энерго-Союз" (БЕЛАРУСЬ г.Витебск) |
ОТ |
4 года |
24255-14 17.01.2019 |
Преобразователи измерительные постоянного тока, Е856ЭС ООО "Энерго-Союз" (БЕЛАРУСЬ г.Витебск) |
ОТ |
4 года |
24911-03 01.10.2013 |
Преобразователи измерительные переменного тока, Е842ЭС ООО "Энерго-Союз" (БЕЛАРУСЬ г.Витебск) |
ОТ |
1 год; с 2008 г. - 4 года |
24911-14 17.01.2019 |
Преобразователи измерительные переменного тока, Е842ЭС ООО "Энерго-Союз" (БЕЛАРУСЬ г.Витебск) |
ОТ |
4 года |
24912-03 01.10.2013 |
Преобразователи измерительные постоянного тока, Е846ЭС ООО "Энерго-Союз" (БЕЛАРУСЬ г.Витебск) |
ОТ |
1 год; с 2008 г. - 4 года |
24913-03 17.01.2019 |
Преобразователи измерительные активной мощности трехфазного тока, Е848ЭС ООО "Энерго-Союз" (БЕЛАРУСЬ г.Витебск) |
ОТ |
1 год; с 2008 г. - 4 года |
24914-03 29.01.2020 |
Преобразователи измерительные активной и реактивной мощности, Е849ЭС ООО "Энерго-Союз" (БЕЛАРУСЬ г.Витебск) |
1 год; с 2008 г. - 4 года | |
29090-05 01.05.2010 |
Преобразователи измерительные переменного тока и напряжения переменного тока, Е9527ЭС ООО "Энерго-Союз" (БЕЛАРУСЬ г.Витебск) |
1 год | |
29090-10 01.08.2015 |
Преобразователи измерительные переменного тока и напряжения переменного тока, Е9527ЭС ООО "Энерго-Союз" (БЕЛАРУСЬ г.Витебск) |
ОТ |
4 года |
29090-16 27.12.2017 |
Преобразователи измерительные переменного тока и напряжения переменного тока, Е9527ЭС ООО "Энерго-Союз" (БЕЛАРУСЬ г.Витебск) |
ОТ |
4 года |
29090-17 30.05.2022 |
Преобразователи измерительные переменного тока и напряжения переменного тока, Е9527ЭС ООО "Энерго-Союз" (БЕЛАРУСЬ г.Витебск) |
ОТ МП |
4 года |
29091-05 01.05.2015 |
Преобразователи измерительные цифровые активной и реактивной мощности трехфазного тока, ЦЛ 9049 ООО "Энерго-Союз" (БЕЛАРУСЬ г.Витебск) |
1 год | |
29092-05 01.05.2015 |
Преобразователи измерительные цифровые переменного тока, ЦА 9054 ООО "Энерго-Союз" (БЕЛАРУСЬ г.Витебск) |
1 год | |
29093-05 01.05.2015 |
Преобразователи измерительные цифровые напряжения переменного тока, ЦВ 9055 ООО "Энерго-Союз" (БЕЛАРУСЬ г.Витебск) |
1 год | |
29094-05 01.05.2015 |
Преобразователи измерительные цифровые напряжения постоянного тока, ЦВ 9057 ООО "Энерго-Союз" (БЕЛАРУСЬ г.Витебск) |
1 год | |
29095-05 01.08.2015 |
Преобразователи измерительные напряжения обратной последовательности фаз, Е 9565ЭС ООО "Энерго-Союз" (БЕЛАРУСЬ г.Витебск) |
ОТ |
1 год |
29095-16 30.04.2020 |
Преобразователи измерительные напряжения обратной последовательности фаз, Е9565ЭС ООО "Энерго-Союз" (БЕЛАРУСЬ г.Витебск) |
ОТ МП |
1 год |
29096-05 01.05.2015 |
Преобразователи измерительные цифровые постоянного тока, ЦА 9056 ООО "Энерго-Союз" (БЕЛАРУСЬ г.Витебск) |
1 год | |
29097-05 01.05.2015 |
Преобразователи измерительные цифровые частоты переменного тока, ЦД 9058 ООО "Энерго-Союз" (БЕЛАРУСЬ г.Витебск) |
1 год | |
30285-05 01.11.2010 |
Установки поверочные, ЦУ 854 ООО "Энерго-Союз" (БЕЛАРУСЬ г.Витебск) |
1 год | |
30285-11 07.04.2016 |
Установки поверочные, ЦУ 854 ООО "Энерго-Союз" (БЕЛАРУСЬ г.Витебск) |
ОТ |
1 год |
30285-16 26.11.2021 |
Установки поверочные, ЦУ 854 ООО "Энерго-Союз" (БЕЛАРУСЬ г.Витебск) |
ОТ МП |
1 год |
30286-05 01.11.2010 |
Установки поверочные, ЦУ 855 ООО "Энерго-Союз" (БЕЛАРУСЬ г.Витебск) |
1 год | |
30286-11 07.04.2016 |
Установки поверочные, ЦУ 855 ООО "Энерго-Союз" (БЕЛАРУСЬ г.Витебск) |
ОТ |
1 год |
30286-16 26.11.2021 |
Установки поверочные, ЦУ 855 ООО "Энерго-Союз" (БЕЛАРУСЬ г.Витебск) |
ОТ МП |
1 год |
31713-06 01.05.2016 |
Преобразователи измерительные цифровые переменного тока, Е 854ЭС-Ц ООО "Энерго-Союз" (БЕЛАРУСЬ г.Витебск) |
1 год | |
31713-17 26.04.2021 |
Преобразователи измерительные цифровые переменного тока, Е 854ЭС-Ц ООО "Энерго-Союз" (БЕЛАРУСЬ г.Витебск) |
ОТ МП |
1 год |
31714-06 01.05.2016 |
Преобразователи измерительные цифровые частоты переменного тока, Е 858ЭС-Ц ООО "Энерго-Союз" (БЕЛАРУСЬ г.Витебск) |
1 год | |
31714-17 26.04.2021 |
Преобразователи измерительные цифровые частоты переменного тока, Е 858ЭС-Ц ООО "Энерго-Союз" (БЕЛАРУСЬ г.Витебск) |
ОТ МП |
1 год |
31715-06 01.05.2016 |
Преобразователи измерительные цифровые реактивной мощности трехфазного тока, Е 860ЭС-Ц ООО "Энерго-Союз" (БЕЛАРУСЬ г.Витебск) |
1 год | |
31715-17 26.04.2021 |
Преобразователи измерительные цифровые реактивной мощности трехфазного тока, Е 860ЭС-Ц ООО "Энерго-Союз" (БЕЛАРУСЬ г.Витебск) |
ОТ МП |
1 год |
31716-06 01.05.2016 |
Преобразователи измерительные цифровые активной мощности трехфазного тока, Е 859ЭС-Ц ООО "Энерго-Союз" (БЕЛАРУСЬ г.Витебск) |
1 год | |
31716-17 26.04.2021 |
Преобразователи измерительные цифровые активной мощности трехфазного тока, Е 859ЭС-Ц ООО "Энерго-Союз" (БЕЛАРУСЬ г.Витебск) |
ОТ МП |
1 год |
31717-06 01.05.2016 |
Преобразователи измерительные цифровые напряжения переменного тока, Е 855ЭС-Ц ООО "Энерго-Союз" (БЕЛАРУСЬ г.Витебск) |
1 год | |
31717-17 26.04.2021 |
Преобразователи измерительные цифровые напряжения переменного тока, Е 855ЭС-Ц ООО "Энерго-Союз" (БЕЛАРУСЬ г.Витебск) |
ОТ МП |
1 год |
36906-08 01.02.2013 |
Преобразователи измерительные цифровые активной и реактивной мощности трехфазного тока, Е849ЭС-Ц ООО "Энерго-Союз" (БЕЛАРУСЬ г.Витебск) |
ОТ |
1 год |
42509-09 10.11.2021 |
Установки поверочные, ЦУ 849 ООО "Энерго-Союз" (БЕЛАРУСЬ г.Витебск) |
ОТ |
1 год |
43794-10 01.04.2015 |
Преобразователи измерительные цифровые для термопреобразователей сопротивления, ЦР 9007 ООО "Энерго-Союз" (БЕЛАРУСЬ г.Витебск) |
ОТ |
1 год |
43988-10 01.04.2015 |
Преобразователи измерительные цифровые напряжения переменного тока, ЦВ9255 ООО "Энерго-Союз" (БЕЛАРУСЬ г.Витебск) |
ОТ |
4 года |
43988-13 10.09.2018 |
Преобразователи измерительные цифровые напряжения переменного тока, ЦВ9255 ООО "Энерго-Союз" (БЕЛАРУСЬ г.Витебск) |
ОТ |
4 года |
43989-10 01.04.2015 |
Преобразователи измерительные цифровые многофункциональные, ЦП9010 ООО "Энерго-Союз" (БЕЛАРУСЬ г.Витебск) |
ОТ |
1 год |
43989-15 25.11.2021 |
Преобразователи измерительные цифровые многофункциональные, ЦП9010 ООО "Энерго-Союз" (БЕЛАРУСЬ г.Витебск) |
ОТ МП |
1 год |
44057-10 01.04.2015 |
Преобразователи измерительные цифровые активной и реактивной мощности трехфазного тока, ЦЛ9249 ООО "Энерго-Союз" (БЕЛАРУСЬ г.Витебск) |
ОТ |
4 года |
44057-13 10.09.2018 |
Преобразователи измерительные цифровые активной и реактивной мощности трехфазного тока, ЦЛ9249 ООО "Энерго-Союз" (БЕЛАРУСЬ г.Витебск) |
ОТ |
4 года |
44058-10 01.04.2015 |
Преобразователи измерительные цифровые переменного тока, ЦА9254 ООО "Энерго-Союз" (БЕЛАРУСЬ г.Витебск) |
ОТ |
4 года |
44058-13 10.09.2018 |
Преобразователи измерительные цифровые переменного тока, ЦА9254 ООО "Энерго-Союз" (БЕЛАРУСЬ г.Витебск) |
ОТ |
4 года |
44143-10 10.11.2021 |
Преобразователи измерительные цифровые частоты переменного тока, ЦД9258 ООО "Энерго-Союз" (БЕЛАРУСЬ г.Витебск) |
ОТ |
4 года |
44349-10 10.11.2021 |
Преобразователи измерительные цифровые постоянного тока, ЦА 9256 ООО "Энерго-Союз" (БЕЛАРУСЬ г.Витебск) |
ОТ |
4 года |
44350-10 10.11.2021 |
Преобразователи измерительные цифровые активной мощности трехфазного тока, ЦЛ 9259 ООО "Энерго-Союз" (БЕЛАРУСЬ г.Витебск) |
ОТ |
1 год |
44351-10 10.11.2021 |
Преобразователи измерительные цифровые реактивной мощности трехфазного тока, ЦЛ 9260 ООО "Энерго-Союз" (БЕЛАРУСЬ г.Витебск) |
ОТ |
1 год |
44651-10 10.11.2021 |
Преобразователи измерительные цифровые напряжения постоянного тока, ЦВ 9257 ООО "Энерго-Союз" (БЕЛАРУСЬ г.Витебск) |
ОТ |
4 года |
43988-18 29.09.2021 |
Преобразователи измерительные цифровые напряжения переменного тока, ЦВ9255 ООО "Энерго-Союз" (БЕЛАРУСЬ г.Витебск) |
ОТ МП |
4 года |
44058-18 29.09.2021 |
Преобразователи измерительные цифровые переменного тока, ЦА9254 ООО "Энерго-Союз" (БЕЛАРУСЬ г.Витебск) |
ОТ МП |
4 года |
44057-18 30.08.2021 |
Преобразователи измерительные цифровые активной и реактивной мощности трехфазного тока, ЦЛ 9249 ООО "Энерго-Союз" (БЕЛАРУСЬ г.Витебск) |
ОТ МП |
4 года |
24913-19 27.11.2019 |
Преобразователи измерительные активной мощности трехфазного тока, Е848ЭС ООО "Энерго-Союз" (БЕЛАРУСЬ г.Витебск) |
ОТ |
4 года |
24911-19 31.05.2023 |
Преобразователи измерительные переменного тока, Е842ЭС ООО "Энерго-Союз" (БЕЛАРУСЬ г.Витебск) |
ОТ МП |
1 год |
24255-19 31.07.2023 |
Преобразователи измерительные постоянного тока, Е856ЭС ООО "Энерго-Союз" (БЕЛАРУСЬ г.Витебск) |
ОТ |
1 год |
24222-19 31.07.2023 |
Преобразователи измерительные переменного тока, Е854ЭС ООО "Энерго-Союз" (БЕЛАРУСЬ г.Витебск) |
ОТ МП |
1 год |
24221-19 31.07.2024 |
Преобразователи измерительные напряжения переменного тока, Е 855ЭС ООО "Энерго-Союз" (БЕЛАРУСЬ г.Витебск) |
ОТ МП |
1 год |
24220-19 31.07.2023 |
Преобразователи измерительные напряжения постоянного тока, Е 857ЭС ООО "Энерго-Союз" (БЕЛАРУСЬ г.Витебск) |
ОТ МП |
1 год |
24219-19 31.05.2023 |
Преобразователи измерительные частоты переменного тока, Е 858ЭС ООО "Энерго-Союз" (БЕЛАРУСЬ г.Витебск) |
ОТ МП |
1 год |
24914-20 30.07.2024 |
Преобразователи измерительные активной и реактивной мощности, Е849ЭС ООО "Энерго-Союз" (БЕЛАРУСЬ г.Витебск) |
ОТ МП |
1 год |
24913-20 30.07.2024 |
Преобразователи измерительные активной мощности трехфазного тока, Е848ЭС ООО "Энерго-Союз" (БЕЛАРУСЬ г.Витебск) |
ОТ МП |
1 год |
36906-20 01.03.2023 |
Преобразователи измерительные цифровые активной и реактивной мощности трехфазного тока, Е 849ЭС-Ц ООО "Энерго-Союз" (БЕЛАРУСЬ г.Витебск) |
ОТ МП |
1 год |
24223-20 30.07.2024 |
Преобразователи измерительные суммирующие постоянного тока, Е 851ЭС ООО "Энерго-Союз" (БЕЛАРУСЬ г.Витебск) |
ОТ МП |
4 года |
29095-20 26.12.2024 |
Преобразователи измерительные напряжения обратной последовательности фаз, Е 9565ЭС ООО "Энерго-Союз" (БЕЛАРУСЬ г.Витебск) |
ОТ МП |
1 год |
86105-22 24.05.2026 |
Преобразователи измерительные, Е8 ООО "Энерго-Союз" (БЕЛАРУСЬ г.Витебск) |
ОТ МП |
1 год |
89756-23 28.04.2028 |
Преобразователи измерительные переменного тока и напряжения переменного тока, Е 9527ЭС ООО "Энерго-Союз" (БЕЛАРУСЬ г.Витебск) |
ОТ МП |
1 год |
94682-25 25.10.2029 |
Преобразователи измерительные с индикацией, Ц9 ООО "Энерго-Союз" (БЕЛАРУСЬ г.Витебск) |
ОТ МП |
2 года |
Город Ижевск входит в двадцатку важнейших городов России и в пятерку ведущих торговых центров на 1 000 человек. В настоящее время город по праву может использовать экономические, транспортные и культурные особенности страны, имея развитую оборонную, машиностроительную и металлургическую промышленность. И, кстати, Ижевский пруд является самым большим искусственным водоемом в Европе.
Географическое расположение Ижевска весьма удобно: существующая инфраструктура позволяет добраться практически в любую точку России - на самолете, поезде или автобусе. Например, перелет до Москвы длится всего 2 часа. К сожалению, пока аэропорт города не может похвастаться международным статусом, поэтому путешественникам из Удмуртии приходится ездить в Казань или Нижнекамск, где расположены ближайшие международные аэропорты.
Железнодорожная сеть традиционно высоко развита - всего в часе (или получасе - в зависимости от скорости движения) езды от Ижевска находится крупная железнодорожная станция Агрыз, а в паре часов - еще более крупная станция Балезино, где можно сделать пересадку или купить билет на проходящие поезда во всех направлениях.
Ижевск - развитый промышленный центр Удмуртии и Урала. Город известен в стране и в мире производством высококачественных сталей, развитым машиностроением, в частности: производством оружия и военной техники, стрелкового, охотничьего и нарезного оружия, автомобилей, приборостроения, пищевой промышленности. Основной целью развития промышленного сектора экономики г. Ижевска является сохранение и развитие имеющегося производственного потенциала путем его реструктуризации и адаптации к изменившимся экономическим условиям.
Основой экономического и социального развития города Ижевска является промышленное производство с долей численности работников 31,7% от среднесписочной численности работников организаций города Ижевска. Промышленные предприятия являются основными плательщиками налогов в бюджет города.
Отчет "Анализ рынка поверки в Ижевске" предоставляет исчерпывающую информацию по деятельности организаций, аккредитованных в Национальной системе аккредитации на право поверки средств измерений в городе Ижевск.
При проведении исследований были введены следующие ограничения:
- в отчете присутствуют организации с первичными или периодическими поверками от 100 шт. с 2017 года и действующими аттестатами аккредитации на текущий год;
- на первом и втором этапах фильтром отсекаются типы СИ с менее чем 10 поверками в год на организацию;
- на первом и втором этапах фильтром отсекаются типы СИ с менее чем 10 поверками в год на организацию;
- место регистрации или осуществления деятельности организаций должно совпадать с выбранным городом;
- топ типов СИ ограничен 500 позициями по каждой организации (сортировка по убыванию количества поверок);
- топ типов СИ ограничен 100 позициями по каждой организации при поиске по видам измерений (сортировка по убыванию количества поверок).
Содержание отчета:
- Список организаций-поверителей, осуществляющих поверку в городе Москва по данным ФСА и ФГИС АРШИН.
- Объемы первичных и периодических поверок за период с 2017г. по н.в.
- Информация о местах осуществления деятельности организаций-поверителей.
- Доля рынка поверок в % среди всех организаций, исследуемого города (предоставление информации в графическом и табличном видах).
- Детальный анализ по каждой из организации, работающей в выбранном городе.
- Анализ деятельности в разрезе первичных, периодических поверок и видов измерений.
- Количество поверок по типам СИ в динамике по годам.
- Индикация импортных аналогов средств поверки (в соответствии с ПЕРЕЧЕНЕМ СИ ОТЕЧЕСТВЕННОГО ПРОИЗВОДСТВА, АНАЛОГИЧНЫХ СРЕДСТВАМ ИЗМЕРЕНИЙ ИМПОРТНОГО ПРОИЗВОДСТВА от 09.2022г)
- Индикация типов СИ по ПП РФ №250 от 20.04.2010 г.
- Быстрый анализ контрагентов организаций-поверителей.
- Анализ цен на поверку СИ по Фед. округу.
Кто поверяет Преобразователи измерительные переменного тока (Е842ЭС)
Наименование организации | Cтатус | Поверенные модификации | Кол-во поверок | Поверок в 2025 году | Первичных поверок | Периодических поверок | Извещений | Для юриков | Для юриков первичные | Для юриков периодические |
---|---|---|---|---|---|---|---|---|---|---|
ФБУ «Кемеровский ЦСМ» (72) | РСТ | 8 | 0 | 0 | 0 | 0 | 0 | 0 | ||
ФБУ "ЛИПЕЦКИЙ ЦСМ" (RA.RU.311476) | РСТ | 1 | 0 | 1 | 0 | 1 | 0 | 1 | ||
АО "ТРАНСНЕФТЬ - СИБИРЬ" (RA.RU.311681) | 2 | 0 | 2 | 0 | 2 | 0 | 2 |
Стоимость поверки Преобразователи измерительные переменного тока (Е842ЭС)
Организация, регион | Стоимость, руб | Средняя стоимость |
---|---|---|
ФБУ УРАЛТЕСТ Свердловская область |
4106 | 4106 |
Знак утверждения типа
Знак утверждения типаЗнак утверждения типа наносится фотохимическим способом на лицевую панель ИП, а также типографским способом на титульный лист руководства по эксплуатации и паспорт.
Сведения о методиках измерений
Сведения о методиках (методах) измерений Методы измерений изложены в руководстве по эксплуатации.
Нормативные и технические документы
Нормативные и технические документы, устанавливающие требования к преобразователям измерительным переменного тока Е 842ЭС
ГОСТ 24855-81 Преобразователи измерительные тока, напряжения,
мощности, частоты, сопротивления аналоговые. Общие технические условия
ТУ РБ 300521831.014-2002 Преобразователи измерительные переменного тока Е 842ЭС. Технические условия
Поверка
Поверка осуществляется по документу МП.ВТ.054-2002 «Преобразователи измерительные переменного тока Е 842ЭС. Методика поверки», согласованному с РУП «Витебский ЦСМС» 23.12.2002.Перечень основного оборудования для поверки:
- источник тока ИСН -1, от 0 до 100 А ;
- вольтметр В 7-65, напряжение постоянного тока от 0 до 2 В, основная погрешность ± 0,02;
- амперметр Д 5014, от 0 до 5 А, класс точности 0,2;
- магазин сопротивлений Р 33: величина сопротивлений от 0,1 до 99999,9 Ом, класс точности 0,2;
- мера электрического сопротивления Р331: Rhom = 100 Ом, класс точности 0,01.
Изготовитель
ООО «Энерго-Союз», Республика Беларусь, 210601 г. Витебск, ул. С. Панковой 3, тел/факс (10375212) 23-72-80, 23-72-77
E-mail: energo@vitebsk.by
Экспертиза проведена
Федеральное государственное унитарное предприятие «Всероссийский научноисследовательский институт метрологической службы» (ФГУП «ВНИИМС») Адрес: Москва, 119361, ул. Озерная, д. 46
Тел. (495) 437-55-77, (495) 430-57-25 Факс (495) 437-56-66, (495) 430-57-25
E-mail: 201-vm@vniims.ru
Заместитель Руководителя
Федерального агентства по техническому регулированию и метрологии
Преобразование в ИП производится по среднему значению входного сигнала. Информацию несет среднее значение выходного сигнала. Выходной сигнал прямопропорционален средневыпрямленному значению входного сигнала.
ИП выполнены в корпусе из ударопрочного полистирола. Силовой трансформатор крепиться к основанию корпуса. Над трансформатором к корпусу крепится печатная плата, на которой расположены элементы электрической схемы.
ИП выпускаются в двух модификациях: Е 842ЭС и Е 842/1ЭС, отличающихся конструктивным исполнением, габаритными размерами и массой.
ИП являются приборами без дополнительного источника питания.
ИП обеспечивает гальваническое разделение входных и выходных цепей, а также гальваническое разделение выходных цепей и корпуса.
Общий вид Е 842ЭС и Е842/1ЭС приведен на рисунках 1 и 1а.
ИП могут применяться для контроля токов электрических систем и установок, для комплексной автоматизации объектов электроэнергетики, в автоматизированных системах управления технологическими процессами энергоемких объектов различных отраслей промышленности.
I в

Рисунок 1 - Общий вид Е 842ЭС

Рисунок 1а - Общий вид Е 842/1ЭС
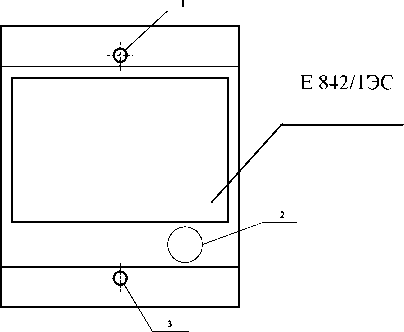
Схема защиты от несанкционированного доступа представлена на рисунке 2

-
1 - Место для нанесения оттиска клейма поверителя
-
2 - Место для нанесения клейма-наклейки поверителя
-
3 - Место для нанесения оттиска клейма ОТК
Рисунок 2 - Схема защиты от несанкционированного доступа Е 842/1ЭС

-
1 - Место для нанесения клейма-наклейки ОТК
-
2 - Место для нанесения клейма-наклейки поверителя Рисунок 2а - Схема защиты от несанкционированного доступа Е 842ЭС
Комплект поставки ИП приведен в таблице 2 Таблица 2
Обозначение |
Наименование |
Количество |
УИМЯ.411600.014 |
Е 842/1ЭС |
1 |
УИМЯ.411600.014.4 |
Е 842ЭС | |
УИМЯ.411600.014 РЭ |
Руководство по эксплуатации |
1 |
УИМЯ.411600.014 ПС |
Паспорт |
1 |
МП.ВТ.054-2002 |
Методика поверки |
1 |
СКЮИ.743832.001 УИМЯ.743832.011 |
Коробка упаковочная |
1 |
*При поставке партии И |
П в один адрес прилагается один экземпляр руководства по | |
эксплуатации и методики поверки на 3 ИП |
Лист № 4 Всего листов 4
Тип и модификация прибора, диапазоны измерения входного сигнала, номинальное значение входного сигнала, диапазон изменения выходного сигнала, номинальное значение выходного сигнала, габаритные размеры, масса и диапазон изменения сопротивления нагрузки указаны в таблице 1
Таблица 1
Тип, модификация, ИП |
Диапазон измерения входного сигнала, А |
Номинальное значение входного сигнала, А |
Диапазон изменения выходного сигнала, мА |
Номинальное значение выходного сигнала, мА |
Габаритные размеры, мм |
Масса, кг |
Диапазон изменения сопротивления нагрузки, кОм |
Е 842ЭС |
0 - 0,5 0 - 1,0 |
0,5 1,0 |
0 - 5,0 |
5,0 |
81x72x44 |
0,25 |
0 - 2,5 |
Е 842/1ЭС |
0 - 2,5 |
2,5 |
0 - 5,0 |
5,0 |
125x110x80 |
0,55 |
0 - 2,5 |
0 - 5,0 |
5,0 |
0 - 20 |
20,0 |
0 - 0,5 |
Пределы допускаемой основной приведенной погрешности ИП ± 1,0 %
Мощность, потребляемая ИП от измерительной цепи, не более 1 А Средняя наработка на отказ 33000 ч
Рабочие условия применения:
температура окружающего воздуха от минус 30 до плюс 60 °С; относительная влажность воздуха 95 % при 35 °С
Среднее время восстановления работоспособного состояния, 2 ч Средний срок службы не менее 12 лет